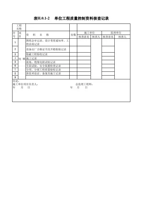
燃气系统工程质量控制资料核查记录
- 格式:xlsx
- 大小:12.75 KB
- 文档页数:1
燃气设备安全检查记录一、检查项目燃气设备安全检查包括以下项目:1. 设备完整性检查:检查设备本体及其附件是否完好,无损坏、变形、漏气等现象。
2. 安全保护装置检查:检查设备的安全保护装置(如压力表、安全阀、阀门等)是否齐全、有效、无故障。
3. 设备安装与固定检查:检查设备的安装是否稳固,固定螺栓是否紧固,设备运行时是否有明显晃动。
4. 燃气管道检查:检查燃气管道是否完好,无泄漏、腐蚀、损坏等现象。
5. 控制系统检查:检查设备的控制系统是否正常,包括电源、控制开关、信号传输等。
6. 应急预案检查:检查单位是否制定应急预案,相关人员是否熟悉应急操作流程。
二、检查方法1. 目视检查:通过肉眼观察设备外观、运行状态等,判断是否存在异常现象。
2. 听觉检查:通过听力判断设备运行声音是否正常,是否存在异常响声。
3. 手动检查:通过手动操作设备,检查设备运行是否平稳,各部件是否正常。
4. 仪器检测:使用专业仪器(如气体检测仪、压力测试仪等)检测燃气设备及相关参数。
三、检查记录1. 设备名称:填写被检查的燃气设备名称。
2. 检查日期:填写检查当天日期。
3. 检查人员:填写参与检查的人员姓名及其职务。
4. 检查项目:根据实际情况,勾选检查项目后的“√”框,并在备注栏内注明异常情况及处理措施。
5. 检查结果:根据检查项目,对每个项目的检查结果进行评价,评价分为“合格”、“不合格”两大类。
6. 备注:填写其他需要说明的问题,以及针对检查中发现的问题提出的整改措施和建议。
四、整改与复查1. 对检查中发现的问题,应立即采取措施进行整改。
2. 整改完成后,由检查人员对整改情况进行复查,确认整改合格后签字确认。
3. 若整改不合格,应继续进行整改,直至达到规定要求。
五、检查记录表请根据实际检查情况填写上表,确保燃气设备安全运行。
7仪表、自控、安防系统安装防、采暖装(主控项目)混凝土设备基础模板、钢筋和混凝土工程施工除应执行国家现行标准《石油化工设备混凝土基础工程施工及验收规范》SH3510外,尚应符合下列规定:1、拆除模板时基础混凝土到的强度,不应低于设计强度的 40%;2、钢筋的混凝土保护层厚度允许偏差为±10mm。
3、设备基础的工程质量应符合下列规定:1)基础混凝土不得有裂缝、蜂窝、露筋等缺陷;2)基础周围土方应夯实、整平;3)螺栓应无损坏、腐蚀,螺栓预留孔和预留洞中的积水、杂物应清理干净;4)设备基础应标出轴线和标高,基础的允许偏差应符合表 12.3.6的规定;5)由多个独立基础组成的设备基础,各个基础间的轴线、标高等的允许偏差应按下表要求检查:4、基础交付设备安装时,混凝土强度不应低于设计强度的 75%。
1、计量器具应经过检定、校准和验证,处于合格状态,并在有效检定期内使用。
2、周期检定的计量器具调转时,应有检定、校准合格证书。
1、地脚螺栓的螺纹应无损坏、无锈蚀,且有保护措施。
2、预留孔地脚螺栓的埋设:地脚螺栓在预留孔中应垂直;地脚螺栓任一部位与孔壁的距离不小于15mm,与孔底距离大于50mm。
3、预留孔中的混凝土达到设计强度后,才能拧紧地脚螺栓。
4、地脚螺栓紧固后螺纹露出螺母不小于2个螺距。
螺纹外露部分应涂防锈脂。
1、设备采用垫铁组找正、找平时,垫铁规格应按规范要求选择,设置垫铁组应符合规范。
2、设备找正后,各组垫铁均应被压紧,垫铁与垫铁及设备支座之间均匀接触,垫铁应露出设备支座底板外缘10-30mm,垫铁组伸入底板长度超过地脚螺栓。
垫铁组层间应进行焊接固定。
3、支柱式设备每组垫铁不超过3块,其他设备垫铁不超过5块。
1、设备吊装准备工作:吊装方案经监理单位(建设单位)审批(大型吊装需专家评审);设备基础验收合格;2、设备吊装前应进行试吊,检查吊装过程中是否存索具刮碰等,在无异常情况下才能进行正式吊装。
编号单位工程质量控制资料核查记录工程名称:建设单位:结构层次:设计单位:建筑面积:主承建单位:项目经理:分包单位:开工日期:勘察单位:竣工日期:监理单位:核查人:年月日33序号1234567891011121314151617181920212223242526272829303132项目 资 料 名 称核 查情况砂浆配合比通知单砂浆试块强度砂浆试块强度试验报告砂浆试块强度统计评定记录钢筋(材)焊、连接试验报告 二灰混合料二灰混合料配合比通知单 二灰混合料抗压强度试验报告 施 强度二灰混合料强度统计评定表 工沥青混合料配合比通知单 试验沥青混凝土出厂、摊铺、碾压温度检测记录记 级配检测报告录压实度检测报告(钻芯)钢管、钢结构安装及焊缝处理外观质量检查记录 桩基础试(检)验报告 工程物质选样送审记录 进场物质批次汇总记录 工程物质进场报验记录地基钎探记录及钎探位置图 地基与基槽地基与基础验收记录 地基处理记录及示意图桩基位置平面示意图桩基施工记录打桩记录钻孔桩钻进记录及成孔质量检查钻(挖)孔桩混凝土浇灌记录 施 钢筋混凝土大型预制构件、钢结构等工 构件设备 吊装记录记 安装调试 厂(场)、站工程大型设备安装调录试记录预应力张拉记录表预应力张拉 预应力张拉孔道压浆记录孔位示意图沉井工程下沉观测记录 混凝土浇灌记录管道、箱涵等工程项目推进记录构筑物沉降观测记录施工测温记录34 序号1 2 3 4 5 1 2 3 4 56 7 1 2 3 4 5 6 789 项目施工准备原材料成品、半成品、构配件、设备出厂质量合格证书及试验报告施工试验记录预制安装水池壁板缠绕钢丝应力测定记录资料名称核查情况施工组织设计、专项技术交底图纸会审、技术交底施工技术交底工程定位测量记录设计变更、洽商记录砂、石、砌块、钢筋(材)、石灰、沥青、外加剂、焊接材料等试验汇总砂、石、砌块、钢筋(材)、石灰、沥青、外加剂、焊接材料等质量合格证和出厂试验报告及现场复试报告焊接材料等质量合格证和出厂试验报告及现场复试报告水泥(二灰)混合料、沥青混凝土、商品混凝土等试验汇总表水泥(二灰)混合料、沥青混凝土、商品混凝土等质量合格证和出厂试验报告及现场复试报告混凝土预制构件、管材、管件、钢结构构件等试验汇总表混凝土预制构件、管材、管件、钢结构构件等出厂合格证书和相应的施工技术资料厂站工程的成套设备、预应力混凝土张拉设备、各类地下管线井室设施、产品等汇总表厂站工程的成套设备、预应力混凝土张拉设备、各类地下管线井室设施、产品等出厂合格证和安装使用说明砂浆、混凝土试块强度、钢筋(材)焊接、填土、路基强度试验汇总表回填土、路床压实度试验报告原土最大干密度、最佳含水量试验报告道路压实度、石灰(水泥、二灰)无机混合料基层强度试验记录标准击实试验报告道路基层混合料强度试验回填土、路床压实度统计评定混凝土配合比通知单混凝土试块强度试验报告混凝土试块强混凝土试块抗渗试验报告度试验报告混凝土试块强度统计评定记录道路混凝土面层钻芯检测记录单位工程安全和功能检验资料核查及主要功能抽查记录序项目资料名称核查情况号1模板预检记录2大型构件和设备安装前预检记录3设备安装位置检查记录4预检管道安装检查记录5记录补偿器冷拉及安装情况记录6支(吊)架位置、各部位连接方式等检查记录7供水、供热、供气管道吹(冲)洗记录8保温、防腐、油漆等施工检查记录9隐蔽工程检查(验收)记录1工序工程质量评定记录工程2质量部位工程质量评定记录3评定分部工程质量评定记录1路基工程承载板试验记录2功能路面工程弯沉试验记录3性试桥梁工程的动、静载试验记录4验记无压力管道的严密性试验记录录水池满水试验5供热、燃气管网等试运行记录1建筑物、构筑物竣工测量记录及测量示意图2竣工地下管线工程竣工测量记录图4工程竣工图1施工单位工程竣工报告2监理质量评估报告3工程竣工验收通知书4竣工五方主体工程竣工总结报告、质量检查报告5验收工程竣工验收会议纪要存档6文件工程竣工验收意见书7工程竣工验收整改意见书、整改复查8工程质量保修书9结构混凝土试块统计记录10 功能性试验记录11 路面钻芯试验记录看似短暂的一生,其间的色彩,波折,却是纷呈的,深不可测的,所以才有人拼尽一切阻隔,在路漫漫中,上下而求索。
单位(子单位)工程质量控制资料核查记录湘质监统编施 2002-2(表一)工程名称:长沙恒大城住所小区 23~24 栋 施工单位:湖南大坤建设工程有限公司 共 3页第 1页序 项 资料文件名称份检验 核查建议核查人号 目 数批数1 图纸会审、更改设计及洽商记录×吻合要求 2工程定位丈量、放线记录1 × 吻合要求钢出厂质量证明书81 83目睹取样送检书17 8吻合要求材现场抽样试验报告26 8水出厂试验报告 4 44目睹取样送检书 4 4 吻合要求泥现场抽样试验报告4 4配合比试验报告/ ×预拌砼站试验报告 93 935砼 目睹取样送检书159 93 吻合要求现场抽样试验报告15893 建 砼施工记录×筑配合比试验报告 1 ×6砂 目睹取样送检书19 19吻合要求与 浆1919结 现场抽样试验报告构出厂试验报告7砖 目睹取样送检书吻合要求现场抽样试验报告防 出厂试验报告30水 目睹取样送检书吻合要求材 现场防水资料抽样试验报告料 现场防水砼、 沙浆抽样试验报告/焊接目睹取样送检书 7 69焊 现场焊接抽样试验报告10 6 吻合要求接 焊剂焊条出厂试验报告1 ×焊工上岗证及施焊接记录 14 × 10构 生产工艺试验资料/ × /件 现场静载检测试验报告 / ×11 地基触探试验记录/×/单位(子单位)工程质量控制资料核查记录湘质监统编施 2002-2(表二)工程名称:长沙恒大城住所小区23~24 栋施工单位:湖南大坤建设工程有限公司共3页第 2页序项资料文件名称份数检验核查建议核查人号目批数砼、钢筋目睹取样送检书11 11砼、钢筋试验报告41 1112 建基1 ×吻合要求静荷载试验报告桩1 ×筑超声、动测等检验报告钻芯取样试验报告 1 ×13与其余施工试验报告及目睹取样检测报告记录/ ×/14 隐蔽工程查收记录52 ×吻合要求15结砼、大型构件吊装、新资料、新工艺施工记录/ ×/16 砼结构实体强度、钢筋保护层厚度检验记录50 ×吻合要求17 构分项、分部工程质量查收记录×吻合要求18 /施工记录×19 工程质量事故及事故检查办理资料 1 ×吻合要求1 图纸会审、设计更改及洽商记录×吻合要求2给资料、配件出厂质量证明书及进场检验报告×吻合要求管道、设备强度试验、严实性目睹试验记录及3 排×吻合要求督查抽检报告水4 隐蔽工程查收记录×吻合要求与系统冲刷、灌水、通水、通球目睹试验记录及5 采×吻合要求督查抽检报告暖6 施工记录/ ×/7 分项、分部工程查收记录×吻合要求1 图纸会审、设计更改及洽商记录×吻合要求2建资料、设备出厂质量证明书及进场检验报告×吻合要求3 设备调试目睹记录×吻合要求筑4 接地、绝缘电阻测试目睹记录及督查抽检报告×吻合要求电5 隐蔽工程查收记录×吻合要求气6 施工记录/ ×/7 分项、分部工程查收记录×吻合要求注:①本表合用于工业与民用建筑安装工程,有特别要求的工程,可据实增添检查项目:②本表所列资料应齐全、无缺项、漏项,内容吻合有关规范和特地规定的要求:③试(检)验报告或记录内容应齐全、正确、真实,抄件应附原件复印件,并注明原件存放单位,有抄件人、抄件单位的签字和盖章;④表内出厂质量证明书按进场同一批(炉、编)号为一份:试验报告及目睹取样送检书按同一编号为一份,测试、试验记录按每个回路等工艺各一份;查收建议、记录等按同一个查收批为一份;检验批数栏内的质量证明书、取样送检书、抽样试验报告等应按进场的批数、抽取样的组数计算,填入未打“×” 符号栏内。
修筑节能分部工程质量控制资料核查记录一、资料概述本次核查的资料为修筑节能分部工程的质量控制资料,包括工程设计文件、施工图纸、施工规范、施工方案、材料购进验收记录、施工工序验收记录、质量检测报告等。
二、核查内容及结果1.工程设计文件核查目标:确认工程设计是否符合国家规范和标准,是否考虑了节能要求。
核查结果:工程设计文件中详细描述了节能措施,包括使用节能材料、采用节能设备等,并符合相关规范和标准。
2.施工图纸核查目标:确认施工图纸是否与工程设计文件一致,是否符合节能要求。
核查结果:施工图纸与工程设计文件保持一致,节能要求得到了考虑。
3.施工规范核查目标:确认施工规范是否符合国家规范和标准,是否明确了节能要求。
核查结果:施工规范符合国家规范和标准,明确了施工过程中的节能要求。
4.施工方案核查目标:确认施工方案是否详细描述了节能施工措施,是否能够有效实施。
核查结果:施工方案详细描述了节能施工措施,包括材料的合理使用、设备的合理布置等,能够有效实施。
5.材料购进验收记录核查目标:确认材料购进验收记录是否齐全,材料是否符合节能要求。
核查结果:材料购进验收记录齐全,材料符合节能要求。
6.施工工序验收记录核查目标:确认施工工序验收记录是否详细、准确,施工过程是否符合节能要求。
核查结果:施工工序验收记录详细、准确,施工过程符合节能要求。
7.质量检测报告核查目标:确认质量检测报告是否齐全、准确,验收结果是否符合节能要求。
核查结果:质量检测报告齐全、准确,验收结果符合节能要求。
三、存在问题及处理意见根据资料核查的结果,未发现明显的问题,说明修筑节能分部工程的质量控制资料基本符合要求。
但在核查过程中发现以下问题:1.施工图纸与工程设计文件的标注存在一些不一致情况,需要进一步核查和调整。
处理意见:与设计部门进行沟通,确认最终的施工图纸标注,并及时进行修改。
2.部分施工工序验收记录的填写不够详细,无法准确反映施工质量。
处理意见:加强对施工工序验收记录的培训,提醒施工人员填写时需详细记录,以确保施工质量。
日总、监理(建设单位项目由验收组协商确定。
200年月-日-------------------------------------- -工程名称施工单位序号项目抽查质量状况质量评价好一般差1 室外墙面2 变形缝3 建水落管,屋面4 筑与结构室内墙面5 室内顶棚6 室内地面7 楼梯、踏步、护栏8 门窗1 给排水管道接口、坡度、支架2 卫生器具、支架、阀门3 与采暖检查口、扫除口、地漏4 散热器、支架1建筑电配电箱、盘、板、接线盒2 设备器具、开关、插座3 气防雷、接地1 风管、支架2 通风口、风阀3 风与空调风机、空调设备4 阀门、支架5 水泵、冷却塔6 绝热1 电运行、平层、开关门2 层门、信号系统3 梯机房1 智机房设备安装及布局2 能建筑现场设备安装3观感质量综合评价结论:检查结论勘察单位工程质量单位项目经理: 200理工程师查报告(范本)总监(建设单位项目负责人):200 年施工单位工程质量竣工报告(范本)________________________ 单位(子单位)工程竣工验收抽查记录注:1、该表由验收组成员书写,建设单位盖章。
当发现存在一般质量问题或者发现存在严重质量问题达不到竣工验收标准时,本次验收无效;均应填表《竣工验收应整改质量问题备忘录》和《竣工验收应整改质量问题整改完毕报告》。
2、本页填写不完时,可附页。
建筑给排水及采暖工程质量控制资料核查记录一、背景介绍在建筑施工过程中,给排水及采暖工程是一个非常重要的环节。
它们涉及到人们的日常生活和工作环境的舒适度和安全性。
因此,为了确保这些工程的质量,需要进行资料核查记录,以便及时发现和纠正存在的问题,保障工程质量。
二、核查目的本次核查旨在对建筑给排水及采暖工程的质量控制资料进行全面检查,确保施工过程的合规性和工程质量的稳定性。
通过核查记录,可以及时发现和处理未按规范进行的工程质量问题,保障工程的顺利进行。
三、核查内容本次核查主要针对以下内容进行检查:1. 设计文件的完整性:包括设计方案、施工图纸、计量清单等文件的准确无误,并与实际施工情况相符。
2. 材料的合规性:核查材料的规格、品牌、质量等是否符合相关标准,并有有效的质量检测报告作为依据。
3. 施工过程的合规性:检查施工过程是否按照工程方案和相关标准要求进行,包括工作顺序、防水防潮措施、接口材料的使用等。
4. 基础设施的完善性:核查给排水及采暖工程所需的基础设施是否完整,如水源、管道系统、暖气设备等。
5. 工程质量的验收标准:核查工程质量的验收标准是否与设计文件一致,并符合相关法规和规范的要求。
四、核查记录1. 设计文件的完整性:核查人员对设计文件进行仔细查阅,包括设计方案、施工图纸、计量清单等。
记录每个设计文件的名称、版本号、编制单位、编制时间等信息,并核实其与实际施工情况的一致性。
2. 材料的合规性:核查人员对每种材料进行检查,包括管道、阀门、水泵、暖气片等。
记录材料的规格、品牌、质量检测报告等信息,并核实其符合相关标准和规范的要求。
3. 施工过程的合规性:核查人员对施工现场进行实地检查,确认施工过程是否按照工程方案和相关标准要求进行。
记录工程进度、施工人员操作、防水防潮措施等情况,并对不合规的问题提出处理意见。
4. 基础设施的完善性:核查人员参观现场,对给排水及采暖工程所需的基础设施进行检查。
记录水源的位置、管道系统的布置、暖气设备的安装情况等,并核实其与设计文件的一致性。
城市燃气工程施工的质量控制措施【摘要】城市燃气工程施工的质量控制措施对城市燃气系统的安全运行和发展至关重要。
在施工前,需要进行充分的准备工作,包括人员培训和设备检查等。
材料采购管理也至关重要,保证施工所用材料的质量符合标准。
在施工过程中,要进行严格的质量控制,确保施工符合设计要求。
安全检查和监督也是必不可少的,保障施工现场的安全。
质量验收和评定将验证施工质量是否符合标准。
结论部分强调加强质量管理意识,持续改进施工质量水平,确保城市燃气工程施工质量。
这些措施将有助于提高城市燃气系统的安全性和可靠性,确保城市居民的生活质量和安全。
【关键词】城市燃气工程、质量控制、施工前准备工作、材料采购管理、施工过程质量控制、安全检查、监督、质量验收、评定、质量管理意识、持续改进、城市燃气工程施工质量1. 引言1.1 背景介绍城市燃气工程是指通过管道输送天然气或液化石油气等能源资源,为城市居民提供燃气供应的工程。
随着城市化进程的加快和人民生活水平的提高,城市燃气工程已经成为城市基础设施建设的重要组成部分。
城市燃气工程施工的质量控制对于保障人民生命财产安全、维护城市环境卫生、促进城市发展具有重要意义。
在城市燃气工程施工过程中,存在着诸多施工质量问题,如材料质量不合格、施工工艺不规范、安全隐患较大等。
为了有效控制和解决这些问题,采取合理的质量控制措施至关重要。
只有通过严格的质量管理、规范的施工操作和全面的安全监督,才能确保城市燃气工程施工质量符合相关标准和要求,为城市居民提供安全、便捷、高效的燃气服务。
本文将重点介绍城市燃气工程施工的质量控制措施,包括施工前准备工作、材料采购管理、施工过程质量控制、安全检查和监督以及质量验收和评定等方面,旨在加强质量管理意识,持续改进施工质量水平,确保城市燃气工程施工质量达标。
.2. 正文2.1 施工前准备工作施工前准备工作是城市燃气工程施工中至关重要的一环,其质量直接影响到整个工程的施工进度和质量。
质量控制资料核查记录日期:____年____月____日地点:______参与人员:______一、背景与目的:为了确保产品质量的稳定和可靠性,进行质量控制资料核查。
通过核查各项资料,确认质量控制措施是否到位,符合标准和要求,以便及时进行调整和改进。
二、核查内容:1.生产计划和工艺流程:核查生产计划和工艺流程是否与实际操作一致,是否满足产品质量要求。
2.标准操作规程和作业指导书:核查各项操作规程和作业指导书是否完整、准确,是否与产品质量要求相符。
3.物料进货检验记录:核查物料进货检验记录是否详细、准确,是否满足产品质量要求。
4.生产过程记录:核查生产过程记录是否完整、准确,是否有异常情况及时记录和处理。
5.原材料及成品质量检验报告:核查原材料及成品质量检验报告是否存在缺陷,是否满足产品质量标准。
6.设备维护保养记录:核查设备维护保养记录是否规范,是否按照维护计划进行操作,是否有设备故障未及时处理等问题。
7.检验设备校准记录:核查检验设备校准记录是否按照计划进行,是否满足检验要求。
8.不合格品处理记录:核查不合格品处理记录是否详细、准确,是否按照规定程序进行处理。
三、核查结果及问题分析:根据核查内容,对各项资料进行评估和分析。
1.生产计划和工艺流程:分析生产计划和工艺流程是否满足产品质量要求,是否需要进行调整和改进。
2.标准操作规程和作业指导书:分析操作规程和作业指导书是否明确、准确,是否需要修订。
3.物料进货检验记录:分析物料进货检验记录的准确性和满足程度,是否需要对进货检验标准进行修订。
4.生产过程记录:分析生产过程记录是否完整、准确,是否存在异常情况和处理不当的情况。
5.原材料及成品质量检验报告:分析原材料及成品质量检验报告的合格率和不合格率,是否需要对供应商进行评估和调整。
6.设备维护保养记录:分析设备维护保养记录是否规范,是否满足设备运行要求,是否需要增加维护保养频率。
7.检验设备校准记录:分析检验设备校准记录的合格率和不合格率,是否需要对检验设备进行调整和维护。