验收程序单位工程验收流程图
- 格式:doc
- 大小:57.50 KB
- 文档页数:4
单位工程竣工验收备案流程单位工程竣工验收备案流程图常州市新北区建设工程质量监督站9 月10日单位工程竣工验收备案流程图说明根据《建设工程质量管理条例》、《房屋建筑工程和市政基础设施工程竣工验收暂行规定》建设部建建( ) 142 号文、《房屋建筑工程和市政基础设施竣工验收备案管理暂行办法》建设部令( ) 第78 号和《建筑工程施工质量验收统一标准》GB5 0300- 的规定, 为确保新北区建设工程结构安全及正常使用, 现结合新北区实际情况, 新北区建设工程竣工验收和备案工作按下面流程进行。
新北区建设工程竣工验收由新北区建设工程质量监督站( 以下简称区质监站) 实施监督, 房屋建筑工程的竣工备案由区质监站具体承办, 市政基础设施工程竣工备案由区城市管理与建设局城建处具体承办。
建设工程竣工验收和备案工作共分三阶段进行: 单位工程质量竣工验收阶段、竣工验收阶段和竣工备案阶段。
1 单位工程施工质量竣工验收阶段1.1 单位工程施工质量竣工验收一般以单位工程为验收单元。
每个单位工程( 包括各类单体建筑物, 小区内道路、各类管线, 装饰装修30 万元以上, 市政基础设施及设备安装工程) 按合约内容施工结束, 特别复杂的工程如大型综合建筑, 能够根据”统一标准”的单位工程的划分原则细分验收单元。
1.2 单位工程施工完成后, 在施工单位自检合格的基础上向建设(监理)单位提出竣工报告。
施工单位出具的工程竣工报告, 应包括结构安全、室内环境质量和使用功能抽样检测资料等合格文件, 以及施工过程中发现的质量问题整改完成报告等。
1.3 单位工程施工质量竣工验收由建设单位组织施工(含分包单位)、设计、勘、监理等单位有关负责人成立验收组进行, 并将《单位工程质量竣工验收方案》和《单位工程质量竣工验收通知书》, 由建设单位在工程质量竣工验收日期的 3 个工作日前报区质监站。
1.4 单位工程施工质量竣工验收的前提条件:1.4.1 单位工程的合约内容全部完成, 并接通正式水源、电源1.4.2 道路、管线等室外工程已完成。
联合验收流程图
材料不符,一次性告知健设单位
建设单位------------- > 工程建设项目报建窗口(1个工作日)
提交申请材料---------------------
通过百色市工程建设项目审批管理
系统推送验收申请材料至各部门
ψ
市住建局牵头组织开展验收:自然资源局、人防
边防办、城市管理监督局、水务公司、电力公
司、铁塔公司、燃气公司、五方
联合验收(5个工作日)
各联合验收部门通过百色市工程建设项目
审批管理系统对项目出具验收结论文件
工程建设项目报建窗口(住建局窗口)
竣工验收备案(1个工作日)
建设单位
注:专项工程竣工验资料经各部门(单位)核查不合格,或专项工程现场验收和监督验收结果不合格的,各部门(单位)应一次性将整改意见提交窗口汇总后统一反馈建设单位,该工程终止竣工联合验收程序;其他合格的专项工程竣工验收资料、现场验收结论或监督意见保留有效。
精品文档
精品文档
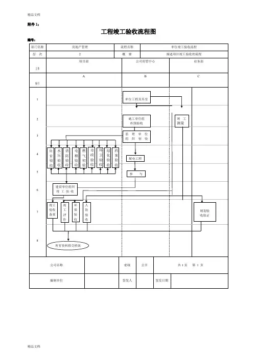
附件1:
工程竣工验收流程图
编号: 部门名称 房地产管理
流程名称 单位竣工验收流程 层 次
2 概 要
描述项目竣工验收的流程
主体 项目部
公司房管中心
业务部
编号 A B C
1
2
3
4
5
6
7
8
公司名称 密级 公开 共1页 第 1 页
编制单位
签发人 签发日期
单位工程及其室
施工单位组 织预验收
竣工
测量
监 理 单 位 组 织 初 验
防雷验收 水压验收 燃气初验
市
政验收 参 与
建设单位组织 竣 工 验 收
竣工评价 竣工验收备案
规划验 收取证
环保验收
人防验收
所有资料移交档案
环卫验收 绿化验收 消防 验收 配电工程
档案验收
电梯 验收。
东莞市房屋建筑工程和市政基础设施工程竣工验收及备案流程图一、工程竣工,为验收作准备1、施工单位进行自查质量,自评质量等级。
2、施工单位填写《工程竣工验收申请表》向建设单位提出工程竣工验收;如实行监理的,先提交监理单位核查再报建设单位。
3、施工、监理单位填写《分部工程质量评定表》、《质量保证资料检查表》、《单位工程观感质量评定表》、《单位工程质量综合评定表》。
4、监理单位向建设单位作《工程质量评估报告》。
5、勘察、设计单位提出质量检查报告提交建设单位。
6、建设单位提请规划、公安消防、环保等部门进行专项验收。
7、建设单位应在竣工验收15个工作日前向质监机构提交验收组人员名单、验收方案连同工程技术资料和《工程竣工验收条件审核表》。
质监机构应在7个工作日内审查完毕。
二、建设单位组织勘察、设计、施工、监理单位进行工程竣工验收1、工程已具备下列条件和文件方可组织竣工验收:1)、已完成工程设计和合同约定的各项内容;2)、《工程竣工验收申请表》;3)、《工程质量评估报告》;4)、勘察、设计文件质量检查报告;5)、完整的技术档案和施工管理资料;6)工程使用的主要建筑材料、建筑构配件、设备的出厂合格证和进行试验报告;7)、建设单位已按合同约定支付工程款;8)、施工单位签署的《工程质量保修书》;9)、市政基础设施的有关质量检测和功能性试验资料;10)、规划部门出具的规划验收许可文件;11)、公安消防、环保部门分别出具的验收文件或者准许使用文件;12)、建设行政主管部门及其委托的质监机构等部门责令整改的问题已全部整改完成;13)、建设工程施工安全评价论。
2、由建设单位组织勘察、设计、施工、监理等有关单位人员组成验收组进行工程竣工验收。
3、质监机构对工程竣工验收的有关资料、组织形式、验收程序、执行验收标准等情况实施现场监督。
三、工程竣工验收备案1、建设单位于工程竣工验收之日起15个工作日内向备案机关提交下列文件:1)、工程竣工验收报告(一式六份);2)、工程竣工验收备案表(一式六份);3)、工程竣工验收申请表;4)、房屋建筑工程质量保修书;5)、施工许可证;6)、施工图设计文件审查批准书(已审图的);7)、工程质量评估报告(监理公司);8)、勘察质量检查报告(勘察单位);9)、设计文件质量检查报告(设计单位);10)、规划验收许可文件(规划部门);11)、消防验收文件或准许使用文件;12)、环保验收文件或准许使用文件;13)商品住宅还应当提交《住宅质量保证书》和《住宅使用说明书》;14)备案机关认为需要提交的基他文件。
工程竣工验收流程图验收过程中存在的问题1、验收小组成员未能按工程部指定的时间出发,造成验收时间延长,工作效率降低。
2、去年因未出台验收管理办法,造成验收小组成员无法确定,各相关部门验收人员也不断的调整,且不能履行在验收过程所承担的职责,严重制约验收程序的进展。
3、工程部存在无竣工图、竣工资料的情形去现场验收,造成现场验收无任何依据,验收小组成员、监理、施工人员仅对地上管线、设备进行检查,无法对管线的走向、隐蔽工程等进行有效的审查。
4、验收小组成员对验收目的不明确,总认为是工程部的事情,与其他部门无关,也未提出过任何对验收工作有利的合理化建议。
5、进入2010年8月现场验收结束后,验收小组未召集过任何与验收有关的会议,不能准备的提出验收过程中存在的问题,对工程验收未进行任何评价,仅工程部人员现场记录验收中存在的问题,并将整改通知书下发给相关施工单位。
6、给施工单位下发的整改通知书,由于验收小组成员监管不利,施工单位未能按照整改通知书规定的时间进行整改,造成一些工程不能及时投产送气或给公司埋下安全隐患(例如:五公司冰堵事故等)。
7、去年有些工程经公司领导指示,未进行过工程验收,安全运营部直接进行投产送气,给公司埋下安全隐患,加大工程风险。
8、去年验收程序不健全,验收小组成员未履行各自职责,对验收合格的工程,未能及时在《工程竣工验收签证书》上签字,给工程投产送气和竣工结算造成严重影响。
9、工程竣工验收后,工程部与安全运营部的沟通不及时,对工程验收与竣工资料的移交有错误的认识,总认为在工程验收合格的同时,工程部也要移交竣工资料,运营人员对竣工图不太了解。
10、去年部分工程经过施工单位的整改,现在已经投产送气,但安全运营部等相关部分未在在《工程竣工验收签证书》上签字,造成竣工结算无法进行。
本页为作品封面,下载后可以自由编辑删除,欢迎下载!!!精品文档【精品word文档、可以自由编辑!】。
工程验收流程(修改)国赫控股集团工程验收流程一、制定验收流程的目明确工程验收程序,规范工程验收过程,保证工程验收全面、有效、合规。
从而使建筑工程质量符合验收标准的要求,保证质量管理工作全面有效的开展。
二、验收的范围与项目根据不同的验收层次可划分为:分项工程验收、分部工程验收、单项验收、单位(子单位)工程验收,各种验收定义如下:分项、分部验收:指工程项目实施过程中对各分项、分部工程的质量验收,如钢筋、模板、混凝土、抹灰、砌体等分项工程验收;基础、主体结构、装修、电气安装等分部工程的验收,建筑工程共划分为九个分部工程:1地基与基础工程;2主体结构;3建筑装饰装修;4建筑屋面;5建筑给水、排水及采暖;6建筑电气;7智能建筑;8通风与空调;9电梯;各分部的分项工程详见附件一(未涉及的分项未列入)单项工程验收:指独立施工的,需政府相关主管部门参与的,具有垄断性质的工程验收,如永久供水、永久供电、消防、电梯、环保、人防等。
单位(子单位)竣工验收:指工程完工后具备交付、使用条件时,由建设单位组织施工单位、监理单位、设计单位、勘察单位以及政府质量检监督部门参与的工程验收。
三、验收流程与参加人员1、验收流程1.1 分项工程验收流程:总承包单位完成各分项工程并自检完毕后,填报工程验收申请表报监理部,由监理单位各专业工程师参加验收。
监理单位专业工程师初次检查验收,达到验收要求后,提报甲方项目部各专业主管工程师参加验收,验收合格后做好验收资料会签,甲方工程部填写内部验收单。
如验收中存在问题,总承包单位对提出的问题进行整改,整改完成后,报项目监理部。
由项目监理部与甲方工程部重新复验,复验合格后,由监理单位专业工程师通知施工方可进入下道工序施工。
1.2 分部工程验收流程:各分包单位各分项工程施工完成,资料齐全后,由监理单位专业工程师初次检查验收。
具备验收条件后,由建设单位工程部经理组织施工总承包(分包)单位、监理单位、设计单位、勘察单位、政府工程质量监督部门进行验收,同时进行验收资料审查,验收合格资料完善后,做好验收资料会签,同时由监理单位专业工程师通知施工方可进入下道工序施工。
工程验收流程图(总10页)--本页仅作为文档封面,使用时请直接删除即可----内页可以根据需求调整合适字体及大小--工程验收程序一、程序概况:1、程序目的:明确工程验收程序,规范工程验收过程,保证工程验收全面、有效、合法。
2、适用范围:本程序适用于本公司项目工程的验收管理。
3、定义:3、1:中间验收:指工程项目实施过程中对各分部、分项工程的质量验收,如基础、主体结构、装修、电气安装等分部验收,钢筋、模板、混凝土、抹灰、砌体等分项工程验收。
3、2:交接验收:指不同工序间的工作面移交时(亦即不同施工队伍配合施工)的检查验收。
3、3:单项工程验收:指独立施工的,需政府相关主管部门参与的,具有垄断性质的工程验收,如永久供水、永久供电、消防、电梯、环保、人防等。
3、4:竣工验收:指工程完工后具备交付适用条件时,由建设方(开发商)组织的,有施工方、监理方、设计方(含地质勘察)以及政府监督部门参与的工程验收。
3、5:竣工综合验收:指各单位单项工程验收合格后,由建设方组织的,有施工方、监理方、设计方(含地质勘察)以及政府监督部门参与的工程验收,并签署综合验收文件、报告,该项验收完成后即可进行档案备。
4、验收组织成员:4、1:中间验收:项目部质量技术管理负责人(或项目工程质量监理工程师),施工单位负责人,外部监理单位工程师,工程技术部工程师、设计单位(必要时)和政府质量监督部门(必要时)。
4、2:交接验收:交接双方施工单位负责人,项目部质量技术管理负责人(或项目工程质量监理工程师),项目部专业工程师。
4、3:单项工程验收:施工单位负责人,项目部质量技术管理负责人(或项目工程质量监理工程师),项目部专业工程师,工程技术部工程师、成本部造价工程师、物业管理人员(或客服)、设计单位和政府相关主管部门。
4、4:竣工验收和竣工综合验收:施工单位负责人(指总承包单位),项目部质量技术管理负责人(或项目工程质量监理工程师),项目部专业工程师,工程技术部工程师、成本部造价工程师、物业管理人员(或客服)、设计单位和政府相关主管部门。
工程验收流程文件管理序列号:[K8UY-K9IO69-O6M243-OL889-F88688]建筑工程竣工验收流程“十步走”1施工单位自检评定?单位工程完工后,施工单位对工程进行质量检查,确认符合设计文件及合同要求后,填写《工程验收报告》,并经项目经理和施工单位负责人签字。
2监理单位提交《工程质量评估报告》监理单位收到《工程验收报告》后,应全面审查施工单位的验收资料,整理监理资料,对工程进行质量评估,提交《工程质量评估报告》,该报告应经总监及监理单位负责人审核、签字。
3勘察、设计单位提出《质量检查报告》勘察、设计单位对勘察、设计文件及施工过程中由设计单位签署的设计变更通知书进行检查,并提出书面《质量检查报告》,该报告应经项目负责人及单位负责人审核、签字。
4建设(监理)单位组织初验建设单位组织监理、设计、施工等单位对工程质量进行初步检查验收。
各方对存在问题提出整改意见,施工单位整改完成后填写整改报告,监理单位及监督小组核实整改情况。
初验合格后,由施工单位向建设单位提交《工程竣工报告》。
5建设单位组成验收组、确定验收方案建设单位收到《工程竣工报告》后,组织设计、施工、监理等单位有关人员成立验收组,验收组成员应有相应资格,工程规模较大或是较复杂的应编制验收方案。
6施工单位提交工程技术资料施工单位提前七天将完整的工程技术资料交质监部门检查。
7竣工验收建设单位主持竣工验收会议,组织验收各方对工程质量进行检查。
如有质量问题提出整改意见。
监督部门监督人员到工地现场对工程竣工验收的组织形式、验收程序、执行验收标准等情况进行现场监督。
8施工单位按验收意见进行整改施工单位按照验收各方提出的整改意见及《责令整改通知书》进行整改,整改完毕后,写出《整改报告》,经建设、监理、设计、施工单位签字盖章确认后送质监站,对重要的整改内容,监督人员参加复查。
9工程验收合格对不合格工程,按《建筑工程施工质量验收统一标准》和其它验收规范的要求整改完后,重新验收,直至合格。
(完整)工程验收流程编辑整理:尊敬的读者朋友们:这里是精品文档编辑中心,本文档内容是由我和我的同事精心编辑整理后发布的,发布之前我们对文中内容进行仔细校对,但是难免会有疏漏的地方,但是任然希望((完整)工程验收流程)的内容能够给您的工作和学习带来便利。
同时也真诚的希望收到您的建议和反馈,这将是我们进步的源泉,前进的动力。
本文可编辑可修改,如果觉得对您有帮助请收藏以便随时查阅,最后祝您生活愉快业绩进步,以下为(完整)工程验收流程的全部内容。
工程验收流程一、流程概况:1、流程目的:明确工程验收程序,规范工程验收过程,保证工程验收全面、有效、合法。
2、适用范围:本流程适用于本公司项目工程的验收管理.3、定义:3、1:中间验收:指工程项目实施过程中对各分部、分项工程的质量验收,如基础、主体结构、装修、电气安装等分部验收,钢筋、模板、混凝土、抹灰、砌体等分项工程验收.3、2:交接验收:指不同工序间的工作面移交时(亦即不同施工队伍配合施工)的检查验收。
3、3:单项工程验收:指独立施工的,需政府相关主管部门参与的,具有垄断性质的工程验收,如永久供水、永久供电、消防、电梯、环保、人防等。
3、4:竣工验收:指工程完工后具备交付适用条件时,由建设方(开发商)组织的,有施工方、监理方、设计方(含地质勘察)以及政府监督部门参与的工程验收。
3、5:竣工综合验收:指各单位单项工程验收合格后,由建设方组织的,有施工方、监理方、设计方(含地质勘察)以及政府监督部门参与的工程验收,并签署综合验收文件、报告,该项验收完成后即可进行档案备。
4、验收组织成员:4、1:中间验收:项目部质量技术管理负责人(或项目工程质量监理工程师),施工单位负责人,外部监理单位工程师,工程技术部工程师、设计单位(必要时)和政府质量监督部门(必要时).4、2:交接验收:交接双方施工单位负责人,项目部质量技术管理负责人(或项目工程质量监理工程师),项目部专业工程师.4、3:单项工程验收:施工单位负责人,项目部质量技术管理负责人(或项目工程质量监理工程师),项目部专业工程师,工程技术部工程师、成本部造价工程师、物业管理人员(或客服)、设计单位和政府相关主管部门。
基础主体竣工质量验收工作程序流程图基础(主体)部位完工、施工自检合格形成建设表2-1~2-2建设表2-4交监理审查监理工程师审查合格不合格提出整改项监理上报建设单位建设表2-5建设表2-6 形成建设单位核查合格不合格提出整改项通知监督部门建设单位组织验收建设表1~1-1勘察建设表2-3,设计建设表2-3,形成施工和监理备案表格验收合格通过后勘察设计监理施工上报建设单位资料基础(主体)验收备案表格 4 份竣工质量验收工作程序流程图建设表5-1~5-4竣工质量验收报告完成合同工程量后施工自检形成监理工程师审查合格提出整改项不合格监理上报建设单位建设单位核查形成建设表6-1~6-5 工程竣工质量验收监理评估报告合格不合格提出整改项建设单位提出申请竣工质量验收建设表7-1~7-6建设表3,建设表4-1~4-2 ,建设单位收集核查建设表5-1~5-4 ,建设表6-1~6-5,五方责任竣工质量验收报告形成合格不合格提出整改项,返回有关单位建设表1,建设表9;竣工验收报告;竣工验收小组名单及会议通知;通知监督部门组织验收形成竣工验收小组意见;竣工验收证书;工程质量保修单;工程竣工资料工程监督报告报建委验收合格通过后勘察设计建设单位监理施工竣工验收证书五方责任竣工质量验收报告工程质量保修单建设单位竣工验收备案负责办理竣工验收备案手续Welcome To Download !!!欢迎您的下载,资料仅供参考!。