管沟开挖施工验收记录
- 格式:docx
- 大小:67.96 KB
- 文档页数:104
管沟及井室测验批工程品质验收记载表GB50242-2002050603□□01单元〔子单元〕工程称号 分部〔子分部〕工程称号施工单元 金融街·世纪核心· B 座综合楼园林绿化工程室外给水管网验收部位 综合楼东面 江西群力建立工程工程司理 俞洪 分包单元/分包工程司理/施工履行规范称号及编号《给排水与采暖工程施工工艺规范》〔ZJQ00-SG-010-2003〕监理〔建设〕单元 验收记载施工品质验收规范的规则施工单元反省评定记载 管沟的下层处置跟井室的地 基 管沟的下层处置跟井室的地基契合计划请求 1计划请求: 种种井盖的标识应清晰,运用 准确种种井盖的标识清晰,运用准确,契合计划请求 主2 控 第9.4.2条通车路面上的井盖运用重型井圈跟 井盖,盖上外表与路面相平,契合请求契合请求项 3通车路面上的种种井盖装置第9.4.3条目重型井圈与墙体之间铺 细石混凝土垫层 80mm 厚的4重型井圈与墙体联合部处置第9.4.4条 管沟及种种井室的坐标,沟底 管沟及井室的坐标地位、沟底标高契合计划请求1计划请求: 标高管沟的沟底平坦,坡度顺畅,无尖硬的物体、块石 2管沟的回填请求 第9.4.6条 第9.4.7条一管沟的沟底下挖200mm ,填铺粒径 不年夜于5mm 的细土,夯实到沟底标 高后,进展管道敷设,契合请求般3管沟岩石基底请求 契合请求项 目4管沟回填的请求 第9.4.8条 第9.4.9条 契合请求5井室内施工请求 契合计划跟规范图的请求 水泥砂浆分二次填塞紧密、抹平,无渗漏,契合请求6井室内应紧密,不透水第9.4.10条专业工长〔施工员〕施工班组长施工单元反省 评定后果主控工程、普通工程全体契合请求,评定及格工程专业品质反省员:年代日监理〔建立〕单元验收论断及格,赞同验收专业监理工程师〔建立单位工程专业技巧担任人〕:年代日规范条目:1、主控工程:①管沟的下层处置跟井室的地基必需契合计划请求。
表B.1 管沟开挖检验批质量验收记录工程名称临汾-长治输气管道工程Ⅰ标段分项工程名称管道开挖验收部位1001-1047桩施工单位广东石油化工建设集团公司专业负责人项目经理明正平施工执行标准名称及编号《油气长输管道工程施工及验收规范》 GB50369-2006检验批编号001质量验收规范规定施工单位检查评定记录监理(建设)单位验收意见主控项目1 沟底标高-100mm~+50mm -70 50 30 20 -60 -80 -60 -40 50 30一般项目1 管沟中心线偏移±150mm 110 120 90 -60 -70 90 70 -60 70 -902 沟底宽度允许偏差为±100mm 60 70 90 40 90 20 40 60 50 403 沟底平整度:相邻两点高差应不大于100mm 50 70 60 60 60 40 80 90 50 704 变坡点位移应小于100mm 60 40 70 40 80 90 40 50 70 905 直线段管沟应顺直符合规范规定要求6曲线段管沟应圆滑过渡,并应保证设计要求的曲率半径符合规范规定和设计要求施工单位检查评定结果经检查,主控项目、一般项目符合设计和规范规定要求,评定合格。
项目专业质量检查员年月日监理(建设)单位验收结论监理工程师(建设单位项目代表) 年月日表B.1 管沟开挖检验批质量验收记录工程名称临汾-长治输气管道工程Ⅰ标段分项工程名称管道开挖验收部位1047-1105桩施工单位广东石油化工建设集团公司专业负责人项目经理明正平施工执行标准名称及编号《油气长输管道工程施工及验收规范》 GB50369-2006检验批编号002质量验收规范规定施工单位检查评定记录监理(建设)单位验收意见主控项目1 沟底标高-100mm~+50mm -70 50 30 20 -60 -80 -60 -40 50 30一般项目1 管沟中心线偏移±150mm 110 120 90 -60 -70 90 70 -60 70 -902 沟底宽度允许偏差为±100mm 60 70 90 40 90 20 40 60 50 403 沟底平整度:相邻两点高差应不大于100mm 50 70 60 60 60 40 80 90 50 704 变坡点位移应小于100mm 60 40 70 40 80 90 40 50 70 905 直线段管沟应顺直符合规范规定要求6曲线段管沟应圆滑过渡,并应保证设计要求的曲率半径符合规范规定和设计要求施工单位检查评定结果经检查,主控项目、一般项目符合设计和规范规定要求,评定合格。
隐蔽工程检查验收记录
质检表4年月日
隐蔽工程检查验收记录
质检表4年月日
隐蔽工程检查验收记录
质检表4年月日
隐蔽工程检查验收记录
质检表4
隐蔽工程检查验收记录
质检表4年月日
隐蔽工程检查验收记录
质检表4年月日
隐蔽工程检查验收记录
质检表4
隐蔽工程检查验收记录
质检表4年月日
隐蔽工程检查验收记录
质检表4
年月日
隐蔽工程检查验收记录
质检表4
隐蔽工程检查验收记录
质检表4年月日
隐蔽工程检查验收记录
质检表4年月日。
给水管道工程隐蔽验收记录工程概况本次给水管道工程位于某市区,设计施工单位为某建筑设计施工公司。
工程主要内容为建造一条长度为500m、管径为DN300的给水管道。
管道起点在市区水厂,终点为一所中学。
施工流程1.基础开挖。
按设计要求在路面、人行道上开挖管沟,检测管沟是否符合设计要求,确保管沟的夯实度和密实度。
2.管道敷设。
根据设计要求,按照地形和管道坡度进行管道敷设。
同时要保证管道的勾线、固定和连接等工作顺利进行。
3.管道吊装。
使用吊车或人力将管道吊装到管道沟槽中,确保管道与管道支架之间的间隙符合要求,保证管道的平直度。
4.管道连接。
管道连接采用法兰连接或套管连接,管道连接后须打压试验,测试其是否密封性好。
5.管道防腐。
管道防腐处理采用环氧树脂涂层,确保管道不会被外界物质污染或腐蚀。
6.管道隐蔽。
管道隐蔽前,应进行内部清洗和压力测试等工作,确保管道完好无损,管道隐蔽后,须进行验收。
隐蔽验收记录本次给水管道工程材料采购、管道敷设、管道连接、管道防腐处理较为理想,下面是管道隐蔽验收的详细记录。
1. 管道敷设隐蔽验收根据设计要求,在整个敷设过程中要保证管道与管道支架之间的间隙符合要求,并且要保证管道的勾线、固定和连接等工作顺利进行。
这里的隐蔽验收主要包括以下内容:1.1 管道勾线在管道敷设的过程中要保证管道的勾线符合设计要求。
包括管道的横坡、纵坡、弯头、直管的接口等。
在验收中使用了水平仪和测量尺进行检测,检测结果符合设计要求。
1.2 管道固定管道固定是确保管道在水流过程中不晃动、不塌陷的关键环节。
管道敷设过程中,使用了支架、钢筋和水泥砂浆对管道进行固定。
在验收中使用了手推车、螺丝刀等工具进行检测,检测结果符合设计要求。
1.3 管道连接管道连接是关键的密封部分。
连接部分需要确保连接隔水、隔气、隔杂质的要求,不能出现渗漏现象。
在管道接头上用传统“糊口”工艺进行连接后,进行了水压试验,测试结果符合要求。
2. 管道防腐隐蔽验收管道防腐是确保管道能够长期正常运行的重要环节。
管沟开挖验收记录管沟开挖验收记录项目名称:_______________________施工单位:_______________________验收日期:_______________________验收人员:_______________________一、开挖工程质量验收:1、验收原则:对管沟开挖工程进行现场验收,确保施工质量达到设计要求和相关规范标准。
2、验收内容:(1)管沟开挖位置是否符合设计要求;(2)管沟开挖深度是否符合设计要求;(3)管沟开挖宽度是否符合设计要求;(4)挖不准确的部位是否进行修正;(5)管沟开挖是否有影响管道布设的障碍物;(6)管沟是否清理干净,无杂物、垃圾等。
3、验收标准:(1)管沟开挖位置必须满足设计要求和规范要求;(2)管沟开挖深度和宽度必须与设计要求相符;(3)管沟开挖准确、光滑,无明显颠倒和变形;(4)管沟内干净无杂物、垃圾等。
二、验收结果及处理意见:1、验收结果:根据对管沟开挖的实际情况进行现场验收,经检查结果为:□ 合格□ 不合格2、处理意见:(1)合格情况:验收结果为合格,符合设计要求和规范标准。
(2)不合格情况:验收结果为不合格,存在以下问题:_____________________________处理建议:_____________________________备注:若不合格情况需要重新整改,需注明重新验收时间和具体整改要求。
三、签字确认:施工单位代表:_____________________ 验收人员:____________________备注:请将该验收记录存档,作为后期工程质量管理的依据。
室外给水管沟及井室检验批质量验收记录项目名称:室外给水管沟及井室建设项目验收日期:xxxx年xx月xx日验收人员:xxxx一、项目概况1.1项目名称:室外给水管沟及井室建设项目。
1.2 项目位置:xxxx。
1.3项目描述:本项目主要包括给水管沟的开挖、管道敷设、井室建设等工作。
二、工程质量验收内容2.1基础工程验收2.1.1给水管沟开挖验收验收标准:管沟底部应平整,土层均匀,不存在大的凸起或凹陷情况。
验收结果:通过/不通过。
2.1.2地下管道敷设验收验收标准:管道应水平敷设,间距符合规定标准,管道连接牢固,无渗漏现象。
验收结果:通过/不通过。
2.2井室工程验收2.2.1井室建设验收验收标准:井室及其设备应符合设计要求,结构牢固,无破损、渗水等质量问题。
验收结果:通过/不通过。
2.2.2水泵安装验收验收标准:水泵安装位置正确,固定牢固,电气线路接线正确,运行正常。
验收结果:通过/不通过。
三、质量验收结论根据上述内容的质量验收,确认以下结论:1.给水管沟开挖合格,通过验收。
2.地下管道敷设合格,通过验收。
3.井室建设合格,通过验收。
4.水泵安装合格,通过验收。
四、存在的问题及整改措施4.1 问题描述1:xxx整改措施:xxx4.2 问题描述2:xxx整改措施:xxx五、备注本次验收记录仅为对室外给水管沟及井室工程质量的初步验收,具体的质量保证措施和验收要求应根据相关的规范和标准进行制定。
六、签字确认项目业主代表:(签字)承包单位代表:(签字)监理单位代表:(签字)相关部门代表:(签字)以上是一份室外给水管沟及井室检验批质量验收记录,以确保工程质量的合格性。
在实际操作中,需要根据具体项目的情况和相关的规范标准进行相应的调整和补充。
隐蔽工程检查验收记录质检表4工程名称哈尔滨经济技术开发区小锅炉并网改造工程(东安汽车)施工单位黑龙江省轻工建设总公司隐检项目施工起始点—节点J03部位沟槽开挖隐检范围D426×7管道管沟隐蔽时间2016年6月10日检查时间2016年6月10日隐检内容及检查情况1、管沟开挖按图进行施工,管沟土为密实原土,放坡1:3;2、沟底宽1800mm,沟口宽3466.66mm,沟深2500mm;3、沟底无裂缝及渗水现象。
验收意见符合规范和设计要求,合格,同意进行下道工序。
处理情况及结论复查人:年月日监理单位施工项目技术负责人质检员黑龙江省工程质量监督总站监制质检表4工程名称哈尔滨经济技术开发区小锅炉并网改造工程(东安汽车)施工单位黑龙江省轻工建设总公司隐检项目J01检查井部位沟槽开挖隐检范围J01检查井沟槽隐蔽时间2016年6月2日检查时间2016年6月2日隐检内容及检查情况1、检查井沟槽开挖按图进行施工,管沟土为密实原土,放坡1:3;2、轴向沟底宽5000mm,沟口宽7293.34mm,沟深3440mm;纵向沟底宽5500mm,沟口宽7793.34mm,沟深3440mm;3、沟底无裂缝及渗水现象。
验收意见符合规范和设计要求,合格,同意进行下道工序。
处理情况及结论复查人:年月日监理单位施工项目技术负责人质检员黑龙江省工程质量监督总站监制质检表4工程名称哈尔滨经济技术开发区小锅炉并网改造工程(东安汽车)施工单位黑龙江省轻工建设总公司隐检项目J02检查井部位沟槽开挖隐检范围J02检查井沟槽隐蔽时间2016年6月6日检查时间2016年6月6日隐检内容及检查情况1、检查井沟槽开挖按图进行施工,管沟土为密实原土,放坡1:3;2、轴向沟底宽8600mm,沟口宽10893.34mm,沟深3440mm;纵向沟底宽6000mm,沟口宽8293.34mm,沟深3440mm;3、沟底无裂缝及渗水现象。
验收意见符合规范和设计要求,合格,同意进行下道工序。
管沟土方开挖工程检验批质量验收记录一、项目名称:管沟土方开挖工程二、项目地点:XX市XX区XX路XX号三、开工日期:xxxx年xx月xx日四、验收日期:xxxx年xx月xx日一、验收目的:本次验收旨在对管沟土方开挖工程的质量进行检验,确认工程的质量达到设计要求和相关标准,确保工程的安全运行。
二、验收范围:本次验收主要检查管沟土方开挖工程的开挖实施过程、土方的质量和开挖后的工程排水情况等。
三、验收内容及结果:1.开挖实施过程:根据设计要求和施工方案,开挖工程应按照规定的尺寸和形状进行施工。
经查看实际施工现场,开挖工程实施过程符合设计要求,无明显偏差。
2.土方质量:(a)土方质量要求:根据设计要求,土方应具备一定的稳定性和坚实程度,以保证工程的安全运行。
(b)检查方法:对开挖工程中的土方进行外观和触感检查,评估土方的质量。
(c)验收结果:开挖工程中的土方质量良好,土方具备一定的稳定性和坚实程度,符合设计要求。
3.工程排水情况:(a)工程排水要求:开挖工程完成后,应保证排水系统的通畅,防止积水和渗水对工程造成不利影响。
(b)检查方法:观察开挖工程周边的排水沟和排水口,检查工程排水情况。
(c)验收结果:开挖工程的排水系统通畅,没有发现积水或渗水情况,符合设计要求。
四、存在问题及处理措施:1.在开挖过程中,发现部分土层有较高的含水量,可能对工程的稳定性造成一定影响。
针对此问题,施工方已采取补偿措施,加强土方处理,提高土方的稳定性。
2.开挖工程整体质量良好,但个别开挖面存在不平整的情况,要求施工方进行修整和清理,并保证开挖面的平整度和坡度符合设计要求。
五、建议与意见:针对本次验收中发现的问题,建议施工方在今后的工程施工过程中加强土方处理和土方质量控制,在开挖工程中注重开挖面的平整度和坡度的控制。
六、验收结论:本次验收中,管沟土方开挖工程的质量符合设计要求和相关标准,达到了验收的要求。
经过检查和评估,确认工程具备安全运行的条件。
J4-1001管沟开挖检查验收记录单位工程名称:管线名称(起止桩号)施工单位序号里程土壤类别管沟深度沟底宽度沟顶宽度中心线偏移结论检查验收意见:建设单位监理单位施工单位现场代表:年月日监理工程师:年月日施工班组长:质量检查员:年月日J4-1002管道安装施工检查记录单位工程名称:管线名称(起止桩号)序号钢管规格防腐等级焊口编号焊缝外观无损检测施工机组施焊日期备注检查验收意见:建设单位监理单位施工单位现场代表:年月日监理工程师:年月日施工班组长:质量检查员:年月日说明:1、附焊口分布图。
2、焊缝外观检查按10%抽查,无损检测按100%检查(检查无损检测记录、报告)。
J4-1003管道防腐绝缘层电火花检测记录单位工程名称:管线起止桩号(名称)管道规格材质防腐层材质施工单位检件名称防腐区段防腐等级防腐结构防腐厚度,mm检测电压,Kv设计要求实际厚度设计要求实际电压检测结果漏点部位检测值,Kv复测结果建设单位监理单位施工单位现场代表:年月日监理工程师:年月日施工班组长:质量检查员:年月日说明:管线下沟回填前应进行100%电火花检漏,此工序需进行隐蔽工程检查验收。
J4-1004管道埋深抽查记录单位工程名称:管底最大悬空高度mm 测点埋深mm序号抽查区段允许值实测值设计值实测值不合格点连续长度m处理措施结果确认检查验收意见:建设单位监理单位施工单位现场代表:年月日监理工程师:年月日施工班组长:质量检查员:年月日说明:1、应在管线下沟回填前进行检查。
2、抽查比例按一个抽查区段10处进行检查;此工序需进行隐蔽工程检查验收。
J4-1005管道试压记录单位工程名称:管线名称(起止桩号)管道规格图纸档案号管线长度试压介质设计压力试压起止时间年月日时分至年月日时分压力MPa 稳压时间min压降MPa压力MPa稳压时间min压降MPa强度试压严密性试压试压情况概述结论质量监督机构建设单位监理单位施工单位代表:年月日现场代表:年月日监理工程师:年月日施工班组长:质量检查员:技术负责人:年月日J4-1008顶管法穿越施工检查记录单位工程名称:穿越地点套管规格穿越长度检 查 内 容项目允许偏差mm实测值mm检查结果横向贯通偏差高程贯通偏差地面隆起最大极限钢套管地面沉降最大极限混凝土套管的抗压强度、抗渗等级等是否符合设计要求节间接缝是否按设计要求进行防水处理接头处的平整度是否符合设计要求混凝土套管混凝土套管组对是否顺直,沿套管轴向最大矢高不应大于套管直径的0.2%备注:检查验收意见:建 设 单 位监 理 单 位施 工 单 位现场代表:年 月 日监理工程师:年 月 日施工班组长:质量检查员:技术负责人:年 月 日说明:1钢套管两边对顶时,错口允许偏差位50mm 。
表A.1 导流围堰管沟开挖检验批质量验收记录表表A.1 导流围堰管沟开挖检验批质量验收记录表表A.1 导流围堰管沟开挖检验批质量验收记录表表A.1 导流围堰管沟开挖检验批质量验收记录表表A.1 导流围堰管沟开挖检验批质量验收记录表表A.1 导流围堰管沟开挖检验批质量验收记录表表A.1 导流围堰管沟开挖检验批质量验收记录表表A.1 导流围堰管沟开挖检验批质量验收记录表表A.1 导流围堰管沟开挖检验批质量验收记录表表A.1 导流围堰管沟开挖检验批质量验收记录表Y4207-2007石油天然气建设工程施工质量验收规范管道穿跨越工程检验批质量验收记录表A.1 导流围堰管沟开挖检验批质量验收记录表SY4207-2007石油天然气建设工程施工质量验收规范管道穿跨越工程检验批质量验收记录表A.1 导流围堰管沟开挖检验批质量验收记录表SY4207-2007石油天然气建设工程施工质量验收规范管道穿跨越工程检验批质量验收记录表A.1 导流围堰管沟开挖检验批质量验收记录表SY4207-2007石油天然气建设工程施工质量验收规范管道穿跨越工程检验批质量验收记录表A.1 导流围堰管沟开挖检验批质量验收记录表SY4207-2007石油天然气建设工程施工质量验收规范管道穿跨越工程检验批质量验收记录表A.1 导流围堰管沟开挖检验批质量验收记录表SY4207-2007石油天然气建设工程施工质量验收规范管道穿跨越工程检验批质量验收记录表A.1 导流围堰管沟开挖检验批质量验收记录表SY4207-2007石油天然气建设工程施工质量验收规范管道穿跨越工程检验批质量验收记录表A.1 导流围堰管沟开挖检验批质量验收记录表SY4207-2007石油天然气建设工程施工质量验收规范管道穿跨越工程检验批质量验收记录表A.1 导流围堰管沟开挖检验批质量验收记录表SY4207-2007石油天然气建设工程施工质量验收规范管道穿跨越工程检验批质量验收记录表A.1 导流围堰管沟开挖检验批质量验收记录表SY4207-2007石油天然气建设工程施工质量验收规范管道穿跨越工程检验批质量验收记录表A.1 导流围堰管沟开挖检验批质量验收记录表SY4207-2007石油天然气建设工程施工质量验收规范管道穿跨越工程检验批质量验收记录表A.1 导流围堰管沟开挖检验批质量验收记录表表A.1 导流围堰管沟开挖检验批质量验收记录表表A.1 导流围堰管沟开挖检验批质量验收记录表。
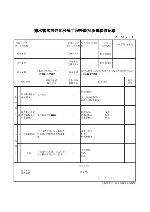
表435 管沟及井室检验批质量验收记录编号:填表说明1、检验批容量填写:填写出共计管沟及井的数量,按照工程的实际情况填写。
2、最小/实际检查数量栏中:最小抽样数量的数值是根据检验批容量和专业验收规范的规定来确定;实际检查数量按实际填写。
3、表头中“施工依据”栏目应依照实际的施工操作依据填写,如施工企业的操作规程、工法、施工工艺标准等。
4、主控项目(1)管沟的基层处理和井室的地基必须符合设计要求。
检验方法:现场观察检查。
(2)各类井室的井盖应符合设计要求,应有明显的文字标识,各种井盖不得混用。
检验方法:现场观察检查。
(3)设在通车路面下或小区道路下的各种井室,必须使用重型井圈和井盖,井盖上表面应与路面相平,允许偏差为±5mm。
绿化带上和不通车的地方可采用轻型井圈和井盖,井盖的上表面应高出地坪50mm,并在井口周围以2%的坡度向外做水泥砂浆护坡。
检验方法:观察和尺量检查。
(4)重型铸铁或混凝土井圈,不得直接放在井室的砖墙上,砖墙上应做不少于80mm厚的细石混凝土垫层。
检验方法:观察和尺量检查。
5、一般项目(1)管沟的坐标、位置、沟底标高应符合设计要求。
检验方法:观察、尺量检查。
(2)1.管沟的沟底层应是原土层,或是夯实的回填土,沟底应平整,坡度应顺畅,不得有尖硬的物体、块石等。
检验方法:观察检查。
2.如沟基为岩石、不易清除的块石或为砾石层时,沟底应下挖100~200mm,填铺细砂或粒径不大于5mm的细土,夯实到沟底标高后,方可进行管道敷设。
检验方法:观察和尺量检查。
3.管沟回填土,管顶上部200mm以内应用砂子或无块石及冻土块的土,并不得用机械回填;管顶上部500mm以内不得回填直径大于100mm的块石和冻土块;500mm以上部分回填土中的块石或冻土块不得集中。
上部用机械回填时,机械不得在管沟上行走。
检验方法:观察和尺量检查。
(3)井室的砌筑应按设计或给定的标准图施工。
井室的底标高在地下水位以上时,基层应为素土夯实;在地下水位以下时,基层应打100mm厚的混凝土底板。
管沟开挖检验批质量验收记录SH/T3508-Y02管沟开挖检验批质量验收记录工程名称:延长石油靖边能源化工项目单位工程名称:回用水处理系统检验批编号GD-001 记录编号001验收部位492单元地埋管道分项工程名称低压管道分部工程名称雨水管道子单位工程名称地埋管道施工执行标准名称及编号GB50268-2008类别检验项目质量控制记录(检验单位)序号施工质量验收规范的规定施工单位检查评定记录监理单位验收记录主控项目1沟底被破坏(雨水浸泡等)或为岩石沟底时,应按设计规定处理,设计无规定时应超挖200mm合格一般项目1管底标高允许偏差0mm ~-150mm 合格2管沟中心线允许偏差±50mm 合格3管沟沟底宽度允许偏差±100mm 合格总承包单位检查意见:监理单位验收结论:建设单位意见:建设单位监理单位总承包单位施工单位项目代表:日期:年月日监理工程师:日期:年月日专业工程师:日期:年月日质量检查员:日期:年月日SH/T3508-Y02管沟开挖检验批质量验收记录工程名称:延长石油靖边能源化工项目单位工程名称:回用水处理系统检验批编号GD-002 记录编号002验收部位492单元地埋管道分项工程名称低压管道分部工程名称排水管道螺旋管子单位工程名称地埋管道施工执行标准名称及编号GB50268-2008类别检验项目质量控制记录(检验单位)序号施工质量验收规范的规定施工单位检查评定记录监理单位验收记录主控项目1沟底被破坏(雨水浸泡等)或为岩石沟底时,应按设计规定处理,设计无规定时应超挖200mm合格一般项目1管底标高允许偏差0mm ~-150mm 合格2管沟中心线允许偏差±50mm 合格3管沟沟底宽度允许偏差±100mm 合格总承包单位检查意见:监理单位验收结论:建设单位意见:建设单位监理单位总承包单位施工单位项目代表:日期:年月日监理工程师:日期:年月日专业工程师:日期:年月日质量检查员:日期:年月日SH/T3508-Y02管沟开挖检验批质量验收记录工程名称:延长石油靖边能源化工项目单位工程名称:回用水处理系统检验批编号GD-003 记录编号003验收部位492单元地埋管道分项工程名称溢流管道分部工程名称排水管道螺旋管子单位工程名称地埋管道施工执行标准名称及编号GB50268-2008类别检验项目质量控制记录(检验单位)序号施工质量验收规范的规定施工单位检查评定记录监理单位验收记录主控项目1沟底被破坏(雨水浸泡等)或为岩石沟底时,应按设计规定处理,设计无规定时应超挖200mm合格一般项目1管底标高允许偏差0mm ~-150mm 合格2管沟中心线允许偏差±50mm 合格3管沟沟底宽度允许偏差±100mm 合格总承包单位检查意见:监理单位验收结论:建设单位意见:建设单位监理单位总承包单位施工单位项目代表:日期:年月日监理工程师:日期:年月日专业工程师:日期:年月日质量检查员:日期:年月日。