机械毕业设计1401推力机机械系统设计设计
- 格式:doc
- 大小:2.12 MB
- 文档页数:32
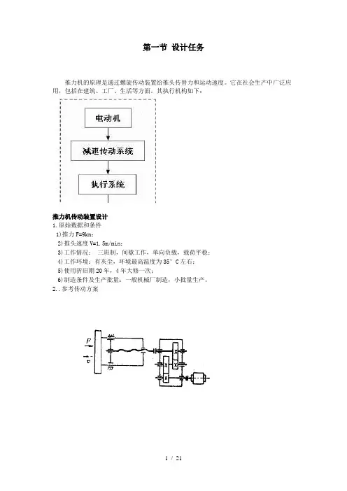
第一节设计任务推力机的原理是通过螺旋传动装置给推头传替力和运动速度。
它在社会生产中广泛应用,包括在建筑、工厂、生活等方面。
其执行机构如下:推力机传动装置设计1.原始数据和条件1)推力F=9kn;2)推头速度V=1.5m/min;3)工作情况:三班制,间歇工作,单向负载,载荷平稳;4)工作环境:有灰尘,环境最高温度为35°C左右;5)使用折旧期20年,4年大修一次;6)制造条件及生产批量:一般机械厂制造,小批量生产。
2..参考传动方案第二节.电动机的选择1.选择电动机(1)选择电动机类型按工作要求和条件,选用三相笼型异步电动机,封闭式结构,电压380V ,Y 型。
(2)选择电动机的容量传动装置中各部分的效率查机械手册得, 1η=0.99 联轴器2η=0.98 滚子轴承 3η=0.97 8级精度齿轮4η=0.90 丝杠5η=0.90 滑动传递%75.090.0*90.0*97.0*98.0*99.02325432232===****1ηηηηηηKWKW Fv P P wd 321.075.0*60*10005.1*90001000====ηη(3)确定电动机转速螺旋传送中pn v = (其中 p 导距,n 转速)取p = 10 mm ,n = p/v = 1.5/0.01 = 150(r/min)查机械手册,二级圆柱齿轮传动比为8~40故,d n =1200~6000r/min查手册采用同步转速1500r/min ,电动机型号为Y801-4,额定功率P=0.55KW ,满载转速为1390r/min ,基本符合题目要求。
2.确定传动比 (1)总传动比由选定的电动机满载转速mn和工作机主动轴转速n ,可得传动装置总传动比为27.91501390===n n i m (2)传动装置各级传动比分配采用浸油润滑,尽量使高速级和低速级大齿轮浸油深度相当,故取213.1i i = 222*13.1i i i i i ==67.23.127.93.1===i i 47.367.2/27.9/21===i i i3.传动装置运动和动力参数的计算 (1)各轴转速min /13901r n n m ==min)/(15067.240058min)/(58.40047.3139023112r i n n r i n n ======(2)各轴输入功率)(482.097.0*98.0*507.0**)(507.097.0*98.0*534.0**)(534.098.0*99.0*55.0**32233212211kW P P kW P P kW P P d =========ηηηηηη 各轴输出功率)(472.098.0*482.0*')(497.098.0*507.0*')(523.098.0*534.0*'233222211kW P P kW P P kW P P =========ηηη (3)各轴输入转矩 电动机输出转矩,)*(70.30150482.0*95509550)*(09.1258.400507.0*95509550)*(67.31390534.0*95509550)*(78.3139055.0*95509550333222111m N n P T m N n P T m N n P T m N n P T m d d ============ 各轴输出转矩)*(09.3098.0*70.30*')*(85.1198.0*09.12*')*(60.398.0*67.3*'233222211m N T T m N T T m N T T =========ηηη第三节.齿轮的设计计算(一)高速级齿轮传动的设计计算1.选定齿轮类型,精度等级,材料及齿数1)按照推力机机构的传动方案,选用直齿圆柱齿轮传动2)推力机为一般工作机器,故选用8级精度(GB10095-88)。
【E1】“包装机对切部件”设计【E2】0.1 t数控座式焊接变位机设计【E3】2Jk-510.5型矿用提升机主轴装置设计【E4】2YAH1848圆振筛设计【E5】2吨液压挖掘机的挖掘机构设计【E6】3.0吨调度绞车的设计【E7】3吨蒸汽锤改造为电液锤设计【E8】3自由度圆柱坐标工业机器人【E9】3坐标测量机设计【E10】4T焊接滚轮架机械设计【E11】4个自由度的工业机器人设计【E12】5自由度焊接机器人设计【E13】6SHZ-60直联式双吸离心泵的设计【E14】10L真空搅拌机设计【E15】10t桥式起重机小车运行机构和起升机构设计【E16】20-5t桥式吊钩起重机设计【E17】25KN单柱液压机液压系统设计【E18】40KN单柱液压机液压系统设计【E19】100米钻机变速箱设计【E20】150m钻机的设计【E21】200D多段离心式清水泵结构设计【E22】200米液压钻机变速箱的设计【E23】200米钻机回转器设计【E24】300Kg提升机设计【E25】1750×12000回转窑设计【E26】4000TH差动分级齿辊式破碎机【E27】5141后装压缩式垃圾车的总体设计【E28】8000kN立柱试验台结构设计【E29】AutoCAD环境下减速器轴设计的算法及实现【E30】卧式三面单工位组合钻床设计【E31】DT-(Ⅱ)胶带输送机设计(减速器部分)【E32】DTⅡ型皮带机设计【E33】DX型钢丝绳芯带式输送机设计【E34】GCPS—20型钻机设计【E35】GDC956160工业对辊成型机设计【E36】GE283型纺织机寸行传动件的设计研究【E37】J45-6.3型双动拉伸压力机的设计【E38】JBB-300型搬运绞车设计【E39】JBT62轴流式通风机总体方案和通风机总体结构设计【E40】JD-0.5型调度绞车设计【E41】JDM-30无极绳调车绞车设计【E42】JH14回柱绞车设计【E43】JHB-8型回柱绞车设计【E44】JSDB-140双速多用绞车设计【E45】LB2000沥青搅拌机设计【E48】MG2×65312-WD型采煤机左牵引部设计【E49】MG200-WD采煤机摇臂结构设计【E50】MG700-WD采煤机的截割部设计【E55】MG300700 WD型采煤机截割部的设计【E56】MG300700型交流电牵引采煤机设计【E59】MG2-100- 460-WD采煤机截割部设计-图【E60】MJ300700-WD型电牵引采煤机截割部设计【E61】MPS上料检测站和搬运站机械设计【E62】P—90B耙斗装岩机设计【E63】PE10自行车无级变速器设计【E64】SPJZ-800型平面转弯带式输送机设计【E65】W1100型液压绞车设计【E66】WY型滚动轴承压装机设计【E67】XQB小型泥浆泵的结构设计【E68】YC1040载货汽车底盘总体及制动器设计【E69】YD5141SYZ后压缩式垃圾车的上装箱体设计【E70】YD9160TCL轿运车前后桥设计【E71】YD9160TCL轿运车箱体设计【E72】YF3-10L 溢流阀的制造【E74】ZL50轮式装载机工作装置设计【E75】ZQ100型钻杆动力钳传动系统设计【E76】ZQ-100型钻杆动力钳背钳设计【E77】ZSC26300行走式塔式起重机设计【E84】zz4000型支撑掩护式液压支架设计【E86】Φ3×11M水泥磨总体设计及传动部件设计【E87】Φ200毫米轴承环车床设计【E88】板材坡口机总体设计【E89】板材送进夹钳装置设计【E90】边双链刮板输送机机头部设计【E91】薄煤层采煤机截割部设计【E92】部分断面掘进机工作机构设计【E93】采矿设计【E94】采煤机截割部的设计【E95】采煤机牵引部设计【E96】采煤机总体方案的设计【E97】仓库大门开闭机构设计【E98】叉车设计【E99】柴油机电控系统设计【E100】柴油机高压油泵设计【E101】柴油机喷油器设计【E102】柴油机柱塞式高压喷油泵设计【E103】车床主轴箱箱体左侧8-M8螺纹攻丝机设计【E104】车刀角度测量装置设计【E105】车载提升机的设计及研究【E106】齿耙清污机设计【E107】船用柴油机挂机设计【E108】船用废气燃烧臂设计【E109】垂直轮盘汽车库设计【E110】锤击碎渣机设计【E111】锤片粉碎机设计【E112】大流量柱塞泵设计【E113】大型耙斗装岩机设计【E114】带钢跑偏机的分析设计【E115】带式输送机变频张紧装置设计【E116】带式输送机传动装置设计【E117】带式输送机摩擦轮调偏装置设计【E118】带式输送机伺服调偏装置设计【E119】带式输送机液压缸+绞车式张紧装置设计【E120】带式输送机液压张紧装置设计1【E121】带式输送机液压张紧装置设计2【E122】带式制动器设计【E123】单曲柄往复式给煤机设计【E124】单体液压支柱结构设计【E125】单体液压支柱设计1【E126】单体液压支柱设计2(有proe图)【E127】道路地下打孔机设计【E128】低速载货汽车车架及悬架系统设计【E129】低位放顶煤液压支架设计【E130】涤纶短纤后处理设备七辊牵伸机的牵伸辊设计【E132】对辊成型机设计2【E133】堆取料机皮带机设计【E134】多速绞车设计【E135】DSJ型可伸缩胶带输送机设计【E136】多功能精密播种机设计【E137】多绳摩擦式提升机设计【E138】多用途启动机械手的设计【E139】多用途气动机器人结构设计【E140】鄂式破碎机设计【E141】二柱大采高掩护式液压支架设计【E142】二柱式大采高掩护式液压支架设计(有proe图)【E143】防窜仓往复式给煤机设计【E144】粉罐汽车结构设计【E145】封闭母线自然冷却的温度场分析【E146】复合肥配料混合系统设计【E147】复合式多功能钻机设计【E148】高空作业车液压系统设计【E149】高空作业车转台的结构设计及分析【E150】往复式给料机设计【E151】工业对辊成型机设计1【E152】工业对辊成型机设计2【E153】工业对辊型煤成型机设计1【E154】工业型煤成型机的设计2【E155】工业型煤成型机设计3【E156】刮板输送机设计【E157】刮板输送机减速器设计【E158】关节型机器人腕部结构设计【E159】滚筒采煤机总体方案设计及截割部摇臂箱的设计【E160】滚筒式露天采煤机设计【E161】电厂110kV一次系统设计【E162】横轴履带式半煤岩掘进机设计【E163】花生去壳机设计【E164】化工液罐汽车结构设计【E165】湿式转子式混凝土喷射机设计【E166】混凝土泵车结构设计【E167】混凝土输送泵设计【E168】火车制动梁用异型材矫直机的设计【E169】货车制动系统液压设计【E170】货车转向桥设计【E171】机械动力滑台设计【E172】机械式双头套皮辊机设计【E173】机械无级变速器设计【E174】机液联合张紧装置设计【E175】建筑钢筋弯曲机减速机系统设计【E176】胶带煤流采样机设计【E177】胶带输送机设计【E178】绞车实验台设计(液压系统)【E179】自同步直线振动筛的设计【E180】绞肉机的设计【E181】轿车变速器设计【E182】井下探测救援机器人平台结构设计【E183】卷板机设计【E184】掘进巷道带式输送机设计【E185】颗粒状糖果包装机设计【E186】可伸缩带式输送机结构设计【E187】可伸缩皮带机张紧装置设计【E188】可伸缩式皮带给料机设计【E189】2Jk-510.5型矿用提升机主轴装置设计【E190】空气重介流化床干法选煤机结构改进设计【E191】孔系加工立式组合加工机床设计【E192】矿井井口液压站设计【E193】液压抓斗式矿井水仓清淤机设计【E194】矿井提升机减速器设计【E195】矿井提升机制动系统设计【E196】矿井卸载装置(液控与电控)1【E197】矿井装载装置设计(液压与电控)2【E198】矿井主通风机性能监测系统设计【E199】矿区整体设计【E200】立轴式破碎机设计【E201】立柱、千斤顶工作特性仿真计算及刚度校核【E202】连杆孔研磨装置设计【E203】连续式履带装煤机装运部设计【E204】连续式洗米机设计【E205】两齿辊破碎机设计【E206】龙门式起重机小车设计【E207】龙门式起重机总体设计及机架金属结构设计【E208】路面切槽机设计【E209】履带式半煤岩掘进机截割部设计【E210】履带式半煤岩掘进机设计【E211】履带式半煤岩掘进机行走部3K行星传动设计【E212】轮式装载机行走系统及其装置设计【E213】轮式装载机总体方案及其辅助装置设计【E214】轮式装载机总体方案及其液压系统设计【E215】螺旋千斤顶设计【E216】螺旋输送式混凝土湿式喷射机设计【E217】选煤厂破碎车间的除尘设计【E218】煤矿运输、提升机械选型设计及支撑掩护式液压支架液压系统的设计【E219】煤矿用轴流式通风机设计【E220】门座起重机变幅机构水平位移补偿设计与优化【E221】膜片离合器设计【E222】摩擦压力机设计【E223】浓缩机设计【E224】爬墙机器人设计【E225】耙斗装岩机绞车设计【E226】耙斗装岩机设计【E227】皮带输送机断带保护器设计【E228】破碎机设计【E229】普通式双柱汽车举升机设计【E230】起毛机主传动结构设计【E231】气动通用上下料机械手【E232】汽车大梁生产线全液压铆接机液压系统设计【E233】汽车发动机设计【E234】汽车起重机回转机构设计【E235】汽车起重机起升机构和液压系统设计【E236】汽车起重机起升机构设计【E237】主轴钳设计-图【E238】汽车式起重机力矩限制器的研制【E239】汽车油气弹簧缸设计及其动态特性仿真【E240】汽车自动液压千斤顶设计【E241】牵引绞车及其控制系统设计【E242】强力分级式双齿辊破碎机设计1 【E243】强力分级式双齿辊破碎机设计2 【E244】强力上运带式输送机的结构设计【E245】桥式起重机副起升机构设计【E246】桥式起重机桥架设计与优化【E247】桥式起重机小车运行机构设计【E248】桥式转载机设计【E249】轻型货车变速器设计【E250】驱动式滚筒运输机设计【E251】热电厂电除尘器设计【E252】人性化轮椅设计【E253】真空密封铸造实验设备设计-图【E254】乳化液泵的结构设计1【E255】乳化液泵结构设计2【E256】振动台设计-图【E257】三自由度并联机构的平行机设计【E258】三自由度圆柱坐标型工业机器人设计【E259】湿式混凝土喷射机设计【E260】食品包装机械设计【E261】试卷分拣系统设计【E262】手压式手电筒设计【E263】输送机设计【E264】双层升降横移式车库设计【E265】双齿辊破碎机的设计【E266】双铰接剪叉式液压升降台的设计【E267】双曲柄往复式给料机设计【E268】双曲柄往复式给煤机设计【E269】双柱机械式汽车举升机设计1【E270】双柱机械式汽车举升机设计2【E271】龙门式二柱汽车举升机设计【E272】双柱液压式汽车举升机设计【E273】水泵平衡装置设计【E274】水介质调速型液力耦合器的主机设计【E275】水介质液力偶合器的液压系统设计【E276】四杆中频数控淬火机床的设计【E277】四柱万能液压机系统设计【E278】送料机械手设计【E279】酸菜自动包装生产线注液系统设计【E280】缩式胶带输送机设计【E281】提升机故障诊断技术及主轴承磨损的铁谱分析【E282】提升机减速器故障诊断分析【E283】提升机减速器设计【E284】提升机铁谱分析技术研究【E285】提升机维修及铁谱分析技术【E286】拖挂式混凝土泵设计【E287】拖拉机拨叉铣专机(卧式)设计【E288】挖掘机液压系统设计【E289】往复式防窜仓给料机设计【E290】无极绳绞车设计【E291】五档变速器设计【E292】五龙矿采区设计【E293】五龙矿提升系统选型设计【E294】五自由度工业机器人设计【E295】湘玉竹切片机的设计【E296】新型卫浴设备设计【E297】盐酸分解磷矿装置设计【E298】掩护式液压支架底座设计【E299】掩护式液压支架设计1【E300】掩护式液压支架设计2【E301】掩护式液压支架立柱设计【E302】液力传动变速箱设计与仿真【E303】液压动力滑台(用于精镗)的设计【E304】液压防爆提升机设计【E305】液压缸装配生产线及液压缸装缸机的设计【E306】液压机械手设计【E307】液压绞车设计1【E308】液压绞车设计2【E309】液压拉力器设计【E310】液压式双头套皮辊机设计【E311】液压挖掘机设计【E312】液压张紧装置设计【E313】掩护式液压支架推移装置及系统设计【E314】液压支架的总体设计【E315】液压钻机设计【E316】油罐汽车结构设计【E317】载煤车厢平整系统研究与设计【E318】支撑掩护式液压支架及底座设计【E319】支撑掩护式液压支架设计1【E320】支撑掩护式液压支架设计2【E321】支撑掩护式液压支架总体方案及立柱设计【E322】直联式双吸离心泵的设计【E323】直线振动筛设计【E324】中单链型刮板输送机设计【E325】中厚煤层采煤机截割部的设计【E326】中厚煤层电牵引采煤机截割部结构设计【E327】中煤层采煤机截割部设计【E328】中型货车变速器的设计【E329】中直焊接机设计【E330】重型车辆传动桥加载试验台解耦控制及其仿真【E331】轴承环卡盘多刀车床设计【E332】柱塞泵转子的加工设计【E333】抓斗的设计及仿真【E334】转轮式长冲程抽油机设计【E335】装缸机设计【E336】装载机工作机构及装置设计【E337】综采工作面大型刮板输送机设计与配套【E338】足部按摩洗浴机设计【E339】130T燃煤锅炉设计-图【E340】MDA采煤机破碎机机构设计-图【E344】PBT玻璃纤维增强复合材料水辅注塑成型的实验研究-说明书【E345】QY25型汽车起重机设计-图【E346】QY40型液压起重机液压系统设计-1图1说明书【E347】R175型柴油机机体加工自动线上用的多功能机械手设计-2图1说明书【E348】普通车床主轴箱无级变速设计【E349】液压控制阀的理论研究与设计【E350】背钳设计-图【E351】翅片切断装置设计-图【E352】冲床自动送料装置设计-1图1说明书【E353】磁力驱动离心泵设计-图【E354】大型多级水泵油压平衡装置设计-图【E355】弹性油箱设计-图【E356】刀库结构设计-图【E357】电动滚筒设计-图【E358】调速液力耦合器设计-图【E359】对称传动剪板机设计-3图1说明书【E360】飞机鸵机液压缸设计-图【E361】浮动活塞式推移千斤顶设计-图【E362】复合天轮式长冲程节能抽油机设计-图【E363】矸石制浆材料工业生产线系统设计-图【E364】钢管切断专机设计-图【E365】高速压力机设计-2图1说明书【E366】焊接件设计-图【E367】回转盘设计-图【E368】混凝土泵设计-总装图【E369】基于SOLIDWORKS的汽车起重机伸缩臂架结构设计-图【E370】检测仪支撑装置设计-图【E371】交通监测车的改装设计开题报告【E372】绞车结构设计-图【E373】可伸缩带式输送机设计-说明书【E374】离合器设计-图【E375】连续采煤机截割部分设计-图【E376】玉米脱粒机设计-2图1说明书【E377】粮食气力清仓机设计-图【E378】两端铆合机设计-说明书【E379】流体动压轴承-挠性转子系统的非线性动态特性-论文【E380】六足爬行机器人设计-图【E381】履带式液压挖掘机挖掘机构设计-图【E382】煤岩磨蚀系数实验台设计-图【E383】门座起重机变幅机构水平位移补偿设计与优化【E384】盘磨机传动装置设计-说明书【E385】喷油器设计-图【E386】锥式破碎机设计-图【E387】液压台虎钳设计-1图1说明书【E388】球笼万向节设计-1图【E389】全自动麻将机设计-开题报告【E390】三缸单作用泥浆泵设计-图【E391】实验设备液压推移设计-图【E392】水泵结构设计-图【E393】水雾除尘系统设计-图【E394】推移千斤顶设计-图【E395】万能液压机液压传动系统设计-说明书【E396】污水泵设计-图【E397】下运带式制动器设计-图【E398】新型手电筒设计-说明书【E399】压缩机冷凝器设计-图【E400】压装扩口装置设计-图【E401】摇臂设计-图【E402】双齿辊破碎机设计-图【E403】门座起重机变幅机构水平位移补偿设计与优化-说明书【E405】离心式水泵设计-图【E406】连续式装煤机行走部设计-图【E407】龙门铣床设计-图【E408】汽车举升机设计-三维图【E409】弯管机设计-说明书【E410】摇臂式自卸汽车设计-图【E411】液力偶合器设计-图【E412】液力耦合器设计-图【E413】液压缸设计-图【E414】液压缸支架设计-图【E415】液压机设计-图【E416】液压挖掘机的半自动控制系统设计-说明书【E417】液压制动系统设计-图【E418】液粘调速离合器设计-图【E419】1G-160型旋耕灭茬机总体及侧边传动装置设计【E420】低速载货汽车驱动桥的设计【E421】电葫芦设计-总图【E422】高空作业车工作臂设计【E423】糕点切片机设计【E424】轮边减速器式汽车后桥设计-图【E425】专用机械手设计【E426】装卸机械手设计【E427】SCARA型装配机械手结构设计-说明书【E428】气压传动两维运动机械手设计【E429】轻型平动搬运机械手的设计及运动仿真-说明书【E430】三电机驱动的多速卧式卷扬机的设计-1图1说明书【E431】三自由度机械手设计-图【E432】五自由度工业机器人【E433】柱塞泵设计-图【E434】自动曲线焊接机床设计-图【E435】3-TPS混联机床动力学设计与仿真分析【E436】3-TPS混联机床运动学仿真分析【E437】9辊钢板矫直机设计【E438】11辊式钢板矫直机设计【E439】MZ75165钻式采煤机传动机构设计【E440】P90耙斗装岩机设计-图【E441】TY160推土机工作装置设计【E442】ZL30装载机工作装置优化设计【E443】Φ400mm冷轧带材卷取机设计-减速机与卷筒装配设计【E444】Φ400mm冷轧带材卷取机设计-卷筒轴装配设计【E445】搬运机器人的设计【E446】超高速磨削接触区流场动压力建模与仿真【E447】超高速磨削温度场建模及其有限元分析论文【E448】走廊清扫机设计【E449】风力提水系统的设计【E450】干粉砂浆搅拌机-搅拌罐及卸料系统设计【E451】干粉砂浆搅拌机-搅拌系统设计【E452】花生剥壳机设计【E453】花生剥壳设备带式输送机设计【E454】基于SolidWorks汽车起重机的臂架伸缩机构设计【E455】普通车床CA6163的数控化改造设计与仿真【E456】普通铣床XA5132的数控化改造设计与仿真【E457】水桶提升机设计【E458】四辊冷轧机上支撑辊平衡系统设计【E459】四辊冷轧机设计之压下系统设计【E460】四辊冷轧机之轧钢机机架设计【E461】四辊冷轧机之轧辊系统设计【E462】氧化锆纳米复合陶瓷材料的力学性能研究论文【E463】氧化锆纳米复合陶瓷材料去除机理研究【E464】液压凿岩机总体结构设计【E465】液压绞车设计3【E466】液压凿岩机设计【E467】直径500mm带材卷取机之卷筒装配设计【E468】直径500mm带钢卷取机之减速机与卷筒轴装配设计【E469】2.5T矿用隔爆电机车设计【E470】3t手拉葫芦设计【E471】30—35T-h高压对辊成型机设计【E472】EBZ200型掘进机截割部设计【E473】JD-5型调度绞车设计【E474】JD-25型调度绞车设计【E475】JDHB-20型双速调度回柱绞车设计【E476】JHB-8型回柱绞车设计2【E477】JHD-7型回柱绞车设计【E478】JMB-380慢速绞车设计【E486】MZ75-165钻式采煤机传动机构设计【E487】MZ75-165钻式采煤机工作机构设计【E488】MZ75-165钻式采煤机液压系统设计【E490】NGW(2K-H负号机构)行星减速装置设计【E491】NGW(2K-H负号)行星减速装置设计【E492】NGW-单级行星轮减速器设计-图【E493】P30耙斗装岩机设计【E494】P90-B耙斗装岩机设计【E495】P-30B耙斗装岩机工作滚筒设计【E496】P—30B耙斗装岩机设计-图【E497】ZKB1852直线振动筛设计【E508】薄煤层采煤机截割部设计2【E509】薄煤层采煤机截割部设计3【E510】薄煤层采煤机牵引传动部设计1【E511】采煤机截割部设计1【E512】采煤机截割部设计2【E513】采煤机左摇臂设计【E514】叉车设计2【E515】大采高掩护式液压支架【E516】大采高液压支架的设计及结构强度有限元分析【E517】大功率采煤机截割部设计【E518】大功率采煤机牵引传动部设计1【E519】大功率采煤机牵引传动部设计2【E520】大倾角掘进巷道皮带输送机设计【E521】带式输送机变频张紧装置设计2【E522】带式输送机设计2【E523】带式输送机液压张紧装置设计3【E524】单滚筒薄煤层采煤机截割部及三机配套设计【E525】单曲柄往复式给煤机设计2【E526】单曲柄往复式给煤机设计3【E527】单曲柄往复式给煤机设计4【E528】单绳缠绕式提升机设计【E529】低位放顶煤液压支架设计2【E530】低位放顶煤液压支架设计3【E531】电铲提升机构设计【E532】斗式提升机设计【E533】对辊式破碎机设计【E534】颚式破碎机设计【E535】防块煤破碎煤仓设计【E536】防跑车防护装置设计【E537】防跑车装置设计1【E538】防跑车装置设计2【E539】防跑车装置设计3【E540】干式混凝土喷射机设计【E541】钢丝绳罐道自动张紧系统设计【E542】给料破碎机设计【E543】工业型煤成型机的设计3【E544】固定式带式输送机的设计【E545】刮板输送机驱动部设计及机头打齿问题解决【E546】刮板输送机设计2【E547】刮板输送机设计3【E548】混凝土搅拌机设计【E549】架空乘人索道装置设计【E550】架空人行车的总体及结构设计【E551】胶带煤流采样机设计2【E552】卷扬机设计【E553】掘进机总体设计及行走部设计【E554】靠壁式抓岩机设计【E555】可伸缩带式输送机设计1【E556】可伸缩带式输送机设计2【E557】可伸缩式皮带给料机设计【E558】矿车清车机设计【E559】矿用隔爆电机车设计【E560】矿用液压立柱拆装机设计【E561】拉紧绞车设计-图【E562】连续采煤机给料转载破碎机设计【E563】连续采煤机截割部设计【E564】铝水倾卸装置设计【E565】履带式半煤岩掘进机截割部设计2 【E566】履带式半煤岩掘进机设计【E567】履带式半煤岩掘进机行走部设计【E568】履带式岩掘进机截割部设计【E569】螺旋式喷浆机设计【E570】慢速小绞车设计【E571】煤矿副井摩擦式提升系统传动总体设计【E572】耙斗装岩机传动装置设计【E573】耙斗装岩机设计2【E574】汽车起重机的设计【E575】乳化液泵站设计【E576】湿式混凝土喷射机设计4 【E577】湿式混凝土喷射机设计2【E578】湿式混凝土喷射机设计3【E579】双齿辊式破碎机设计【E580】双辊振动破碎机设计【E581】双滚筒薄煤层采煤机截割部设计【E582】双曲柄往复式给煤机设计2【E583】塑料挤出机的研究与设计【E584】移动式带式输送机设计【E585】瓦斯抽放钻机(泵站部分)设计【E586】瓦斯抽放钻机工作机构设计【E587】瓦斯抽放钻机设计【E588】外置式减速滚筒设计【E589】ZKB2055自同步直线振动筛的设计【E590】外装式电动滚筒设计1【E591】外装式电动滚筒设计2【E592】外装式电动滚筒设计3【E593】外装式电动滚筒设计4【E594】往复式防窜仓给料机设计2【E595】往复式给煤机设计【E596】小汽车回转调头装置设计【E597】斜井常闭式防跑车系统的设计1 【E598】行星减速装置设计【E599】掩护式液压支架设计4【E600】掩护式液压支架总体及结构设计【E601】叶轮式选择性破碎机设计-图【E602】液压泵站设计【E603】液压绞车设计4【E604】液压绞车设计5【E605】液压提升机模拟试验台设计【E606】液压张紧装置设计2【E607】液压自动张紧装置设计【E608】运输绞车设计【E609】支撑掩护式液压支架设计3【E610】支撑掩护式液压支架设计4【E611】支撑掩护式液压支架设计5【E612】中厚煤层采煤机截割部设计1【E613】中厚煤层采煤机牵引传动部设计2【E614】中厚煤层电牵引采煤机截割部的设计2 【E615】抓岩机绞车设计【E616】转子式喷浆机设计【E617】装煤机行走部设计【E618】装煤机行走部设计-图【E619】装煤机装运部设计【E620】电机车转向装置设计-图【E621】55KW外置式减速滚筒设计【E622】37KW外置式减速滚筒设计【E623】自同步立式振动离心机设计【E624】Santana2000轿车制动系统设计【E625】履带式半煤岩掘进机主减速器及截割部设计【E626】矫直机设计-1装配图【E627】三通道吊式直线振动筛设计【E628】单转子可逆式锤式破碎机设计-说明书【E629】辊边机设计【E630】电动自行车调速系统的设计【E631】激光打标用自动排列机的设计【E632】烟叶自动筛选装置设计-图【E633】DT250斗式提升机设计【E634】茶叶修剪机设计【E635】齿轮泵的研究与三维造型设计【E636】齿轮链轮套件设计【E637】传动剪板机设计【E638】多功能刷地机设计【E639】风力发电机设计【E640】谷物运输机传动装置设计【E641】管道清灰机器人设计【E642】金属切管机的设计【E643】矿井水仓清理工作的机械化设计【E644】纳米粉体的实验装置设计【E645】普通带式输送机的设计论文【E646】起重机设计【E647】可调速钢筋弯曲机的设计【E648】汽车差速器及半轴设计【E649】巧克力包装机设计【E650】青饲料切割机的设计【E651】清车机设计【E652】驱动桥设计【E653】双螺杆压缩机的设计【E654】双面卧式攻丝机床设计【E655】水峪矿300万吨新井设计【E656】提升机制动系统设计【E657】移动式X光机总体及组件设计【E658】轴向柱塞泵设计【E659】自动小颗粒罐装生产线上的送料机的结构设计【E660】攻丝组合机床设计【E661】数控回转工作台设计【E662】MC无机械手换刀刀库设计【E663】TGSS-50型水平刮板输送机---机头段设计【E664】播种机设计【E665】彩瓦机驱动系统结构设计【E666】罐笼装置设计【E667】机车减振弹簧拆装用10T四立柱压力机的设计【E668】起重机总体设计及金属结构设计【E669】铁水浇包倾转机构的设计【E670】粘土制浆系统设计【E671】装卸料机械手设计【E672】数控车床电动刀架设计【E673】N402—1300型农用拖拉机履带底盘的设计【E674】OKL-150型螺旋式颗粒肥料成型机的设计【E675】QTZ63型塔式起重机顶升机构的研究及设计【E676】SGZ刮板运输机机头设计【E678】蚕豆脱壳机设计【E679】草坪播种机的设计【E680】对辊形煤成型机设计【E681】滚筒采煤机截割部分的设计【E682】后装压缩式垃圾车设计【E683】矿车轮对拆卸机构的设计【E684】马铃薯播种机设计【E685】膜片弹簧离合器的设计【E686】柠条联合收割机切割及拨禾装置的设计【E687】柠条联合收割机压扁及切碎装置的设计【E688】耙斗装岩机绞车设计【E689】汽车回转盘的盘面和驱动的设计【E690】汽车机械转向系统设计【E691】沙石振动筛的设计【E692】石材雕刻机设计-图【E693】手提往复式绿篱修剪机设计【E694】手推式剪草机的设计【E695】四杆机构的优化设计【E696】土壤表面整平的装置设计【E697】往复式煤炭输送机设计【E698】预加水盘式成球机设计【E699】6SX-320型叶菜清洗机的设计研究【E700】BM—4010PD万达汽车后驱动桥的设计【E701】KLZ-27 型螺旋开沟机设计-图【E702】机械结构有限元和优化设计【E703】六挡手动变速器设计【E704】捷达车制动系统改装设计【E705】轮胎气压时实监测系统的设计【E706】汽车电动助力转向系统的研究【E707】三层立体车库设计【E708】折叠臂式高空作业车设计【E709】S100掘进机设计-图【E710】EBZ135型半煤岩掘进机行走机构的总体设计【E711】卧式锤式破碎机设计【E712】薄层采煤机截割部传动系统设计【E713】薄煤层采煤机总体方案设计及截割减速器设计。
基于数控专业毕业设计1.C616型普通车床改为经济型数控机床.2.CA6140型车床的经济型数控改造设计(横向)3.CA6140经济型数控车床纵向进给系统设计及进给系统的润滑设计3.c6150普通机床的自动化改造.rar4.C620普通车床进行数控改造.rar5.CA6150车床横向进给改造的设计.rar6.CA6150车床主轴箱设计7.CJK6256B简易数控车床的的设计8.XKA5032AC数控立式升降台铣床自动换刀装置(刀库式)设计9.数控铣高级工零件工艺设计及程序编制10.共轭凸轮的设计制造(CADCAM)及工艺11.行星架的数控加工与选用12.空压机吸气阀盖头加工工艺编程及夹具13.300X400数控激光切割机设计14.数控机床位置精度的检测及补偿15.数控机床位置精度及标准16.数控铣床工作台仿真实验系统的开发(零件的加工工艺及夹具设计课题17-42)17.杠杆工艺和工装设计18.活塞的机械加工工艺,典型夹具及其CAD设计19.过桥齿轮轴机械加工工艺规程20.FA311A一三排罗拉支架加工工艺设计。
21.CA6140车床后托架加工工艺及夹具设计31001-后托架22.WHX112减速机壳加工工艺及夹具设计23.WH212减速机壳体加工工艺及夹具设计24.CA6140拔叉零件的加工工艺及夹具的设计25.拖拉机拔叉零件的加工工艺及夹具的设计26.拨叉80-08的加工工艺及夹具设计27.拨叉(12-07-05)加工工艺及夹具设计28.CA6140拨叉81002-8100529.变速器换档叉的工艺过程及装备设计30.差速器壳体工艺及镗工装设计31.T350搅拌机工艺工装设计32.29323联轴器的加工33.后钢板弹簧吊耳加工工艺及夹具设计34.连杆孔加工工艺与夹具设计35.连杆体的机械加工工艺规程的编制36.锡林右轴承座组件工艺及夹具设计37.内齿圈成组数控加工工艺及其钻床夹具设计38.基于Mastercam的收音机上壳的模具设计与加工39.溜板工艺极其挂架式双引导镗床夹具40.3L-108空气压缩机曲轴零件的机械加工工艺及夹具设计41.挂轮架轴工艺过程及工装设计42.道奇T110总泵缸加工机械机电设计类及PLC控制类课题43-12043.A272F系列高速并条机车头箱设计44.A272F系列高速并条机车尾箱设计。
130T推钢机设计摘要我设计的为机械式推钢机,它结构简单,,传动效率高,整体尺寸合适,维修方便造价便宜等特点。
本文具体包括轧制工艺过程和自动化控制简介,推钢机的分类和结构特点传动方案的传动和拟定,电动机的选择与校核、减速器的选用、传动方式、齿轮齿条传动和齿轮传动设计、轴系零件指的是通过一系列的设计和计算对轴和轴承做比较全面的强度与刚度的审核。
及设备的维修、润滑和维护。
机械式推钢机通过齿轮齿条的啮合传动把电能转化为动能,带动推杆完成推钢。
本文设计中主要对推钢机进行了结构设计和理论计算,对传动机构做了更深入的分析设计,最后做了设备经济性能和可靠性能评价。
关键词:电动机;推钢机;理论计算;结构设计全套图纸,加153893706A design for 130 tons of steel machineAbstractI designed a rack pusher, the reliable work, high transmission efficiency, thrust and large travel, but their heavy equipment, the gear rack type pushing steel machine widely used. rack type pusher through engaging transmission gear rack of the rotary motion of the motor into linear motion of the push rod rack, drive complete pusher, Design analysis describes the design scheme, including the determination of the pusher and classification and characteristics of the design; the design and calculation of main drive system, including the original design parameters, calculation and check of the motor, calculation and check of coupling and reducer; design and calculation of the main parts, including rack-and-pinion meshing gear strength calculation, calculation of the strength of the shaft, bearing selection and calculation, and the selection of the key and checking; and then the equipment repair, installation, lubrication and seal design, finally the reliability and economical evaluation of equipment.Keywords: billet; pusher; rack type pusher目录1.绪论 (5)1.1轧制工艺过程简介 (5)1.1.1轧制过程 (5)1.1.2热轧 (5)1.1.3冷轧 (3)1.2推钢机的种类 (5)1.3推钢机结构特点 (6)1.4推钢机未来发展趋势 (6)2 传动方案的分析与拟定 (8)2.1 传动方案的分析 (8)2.1.1常用的传动类型及其特点 (8)2.1.2机械传动系统设计时应注意的事项 (9)3 电动机选择和计算 (11)3.1 概述 (11)3.1.1常用电动机的特点及用途.............................................................................. .. (11)3.1.2电动机选择方法 (12)3.2电动机选择计算与校核 (12)3.2.1选择电动机的结构与类型 (12)3.2.2选择电动机的容量 (12)3.2.3选定电动机的型号和参数 (13)3.2.4电机过载校核 (13)4传动装置的运动及动力参数选择和计算 (15)4.1传动比的计算与分配 (15)4.1.1传动装置的总传动比 (15)4.1.2 分配各级传动比 (15)5 减速器的选择计算 (17)5.1减速器的概述 (17)5.1.1减速器的作用 (17)5.1.2减速器的分类 (17)5.2减速器的选用 (17)6 传动机构的设计计算 (19)6.1齿轮齿条传动的强度计算 (19)6.1.1齿条的特点 (19)6.1.2齿轮齿条传动的强度计算 (19)7 轴系零部件 (24)7.1轴的设计 (24)7.1.1轴的分类 (24)7.1.2轴的常用材料 (24)7.1.3轴的强度计算 (25)7.2轴承的选择预计算 (28)7.2.1概述 (28)7.2.2轴承的分类 (28)7.2.3轴承的寿命校核 (29)7.2.4验证轴承的极限转速 (31)7.3键的设计与校核 (31)7.3.1键联接的选择 (31)7.3.2键的尺寸的选择与校核 (32)7.4推杆的稳定性校核 (33)8.设备安装、维修、润滑及密封 (35)8.1设备安装 (35)8.2设备维修 (35)8.2.1设备维修保养 (35)8.2.2设备检查 (35)8.2.3设备修理 (35)8.3润滑及密封 (36)8.4设备可靠性与经济性评价 (37)8.4.1机械设备的有效度 (37)结束语 (38)致谢 (39)参考文献1.绪论1.1轧制的工艺过程1.1.1轧制过程轧制过程:轧件通过摩擦力拉进旋转轧锟之间,受到塑性变形的压缩过程,通过轧制的金属有一定的形状、尺寸和性能。
机械工程实验设计与分析一个简单的机械系统引言:机械工程是一门应用学科,旨在通过设计、制造和分析机械系统来解决实际问题。
在本文中,我们将针对一个简单的机械系统进行实验设计和分析,以展示机械工程的实际应用。
第一部分:实验设计在这个简单的机械系统中,我们将设计一个简易的手摇发电机。
该机械系统由以下几个组件组成:手柄、发电机、传输带和负载。
我们的目标是通过手摇发电机来产生电能,并将其传输到负载上。
1. 手柄设计:手柄应具备合适的抓握形状和尺寸,以便用户能够轻松使用。
我们将采用符合人体工学的设计原则来制定手柄的形状和尺寸,以确保用户的舒适性和安全性。
2. 发电机选型:为了实现我们的目标,我们需要选择一个适当的发电机来将机械能转化为电能。
考虑到我们的系统是一个简易的手动发电机,我们将选择一个小型直流发电机。
我们还需要根据所需的电能输出来确定发电机的额定功率。
3. 传输带设计:为了将发电机转动的能量传递到负载上,我们需要设计一个传输带系统。
传输带的材料应具备良好的耐磨和耐用性,以确保长时间的使用。
我们还需要选择适当的传输带类型和尺寸,以匹配发电机和负载之间的转速比。
4. 负载选择:负载是指将电能转化为其他形式能量的设备,如灯泡或电动机。
我们将根据发电机的额定功率和负载所需能量来选择合适的负载设备。
第二部分:实验分析在完成实验设计后,我们需要进行实验分析来评估机械系统的性能和效率。
实验分析涉及以下几个方面:1. 电能输出:使用实验测量仪器,我们将记录发电机产生的电能输出。
通过改变手柄的转速和负载的种类和功率,我们可以得到不同条件下的电能输出数据。
2. 效率分析:我们将计算机械系统的效率,即输入机械能和输出电能之间的比值。
通过比较不同条件下的效率,我们可以评估系统的性能,并确定哪些因素对效率有影响。
3. 转速与输出电能关系:通过改变手柄的转速,我们可以研究转速与输出电能之间的关系。
我们将记录不同转速下的输出电能,并绘制转速与输出电能的曲线图。
A01-001 1.5兆牛摆动剪切机构设计毕业设计A01-002 1G-160型旋耕灭茬机总体及侧边传动装置设计A01-003 2YAH1548型圆振动筛设计A01-004 10t桥式起重机小车运行机构设计A01-005 63CY14-1B轴向柱塞泵改进设计A01-006 100TPD植物油反应釜设计A01-007 200D多段离心式清水泵结构设计A01-008 200米液压钻机变速箱的设计A01-009 250线材轧机的设计毕业设计A01-010 350中轧线材轧机设计毕业设计A01-011 500开坯线材轧机设计毕业设计A01-012 800大型轧机设计(毕业设计)A01-013 1700冷轧机组卷取机设计(毕业设计)A01-014 2100标准型圆锥破碎机设计(毕业设计)A01-015 CG2-150型火焰仿型切割机A01-016 DZ60振动打桩锤的设计A01-017 FDP-15非开挖导向钻机主机体设计A01-018 GBW92外圆滚压装置设计A01-019 JH31-315机械压力机传动系统的设计A01-020 JK型建筑卷扬机设计A01-021 JZ16T型凿井绞车A01-022 JZ—I型校直机精密校直机的控制系统A01-023 LMXC-Ⅰ型露天选采机液压系统设计A01-024 LS40-85型圆锥筛毕业设计A01-025 TGSS-50型水平刮板输送机-机头段设计A01-026 XQB小型泥浆泵的结构设计A01-027 ZMJ型自动和面机(单轴)的设计A01-028 摆动剪切机构设计毕业设计A01-029 变速叉的工艺规程及铣7mm的侧面的工装夹具设计A01-030 播种机设计毕业设计A01-031 柴油机曲轴设计毕业设计A01-032 超厚多针保温被绗缝机A01-033 齿辊破碎机详细设计毕业设计A01-034 齿轮箱故障诊断实验研究毕业设计A01-035 齿轮油泵轴的失效分析及优化设计A01-036 冲压废料自动输送装置毕业设计A01-037 传动剪板机设计毕业设计A01-038 锤式破碎机毕业设计A01-039 打印机压轮设计A01-040 带式输送机设计毕业设计A01-041 单轴面筋脱水机毕业设计A01-042 单柱校正压装液压机A01-043 定量杯式灌装机毕业设计A01-044 定量泵式灌装机A01-045 仿生非光滑消光特性测试仪A01-046 飞机起落架设计运动仿真毕业设计A01-047 粉末压力成型机传动系统的设计A01-048 干粉压片机毕业设计A01-049 干燥机热源装置设计A01-050 钢板校平机设计A01-051 钢筋矫直切断机的设计A01-052 高楼外墙清洗机毕业设计A01-053 行星齿轮减速器减速器的虚拟设计A01-054 环面蜗轮蜗杆减速器A01-055 活塞结构设计与工艺设计A01-056 机械式四档变速器毕业设计A01-057 机械手、机器人毕业设计A01-058 机械手设计(送料机器人)毕业设计A01-059 机械手完整图纸及毕业设计A01-060 计量充填包装机毕业设计A01-061 简摆颚式破碎机毕业设计A01-062 轿车五档变速器设计A01-063 解放CA10B手动变速箱结构设计A01-064 精密播种机毕业设计A01-065 矩形型材端面坡口铣削机设计A01-066 卷板机设计毕业设计A01-067 卷筒机设计毕业设计A01-068 空压机机械系统设计A01-069 离合器毕业设计A01-070 立式螺旋卸料离心脱水机选型与设计A01-071 连续立式热成型—充填—封口机包装机设计A01-072 连续卧式热成型-充填-封口包装机A01-073 链驱动双层升降横移式立体车库A01-074 链式输送机传动装置+AotoCADA01-075 流体阻力及噪声实验台设计A01-076 履带式推土机毕业设计A01-077 某机床的主传动系统毕业设计A01-078 牛头刨床毕业设计全套A01-079 抛光机设计毕业设计A01-080 刨煤机传动系统及缓冲装置的设计A01-081 刨煤机输送系统与滑架设计A01-082 普通带式输送机设计毕业设计A01-083 起毛机主传动结构设计毕业设计A01-084 气动扳手设计毕业设计A01-085 千斤顶零件图、装配图及模型库solidworks A01-086 枪管精加工机设计A01-087 热成型—充填—封口包装机A01-088 三辊卷板机设计A01-089 三级减速器的整体设计毕业设计A01-090 桑塔纳2000机械变速器毕业设计A01-091 双螺杆挤出机毕业设计A01-092 双腔鄂式破碎机设计A01-093 水平刮板输送机毕业设计A01-094 塑料粉末静电喷涂生产线A01-095 隧道掘进机概况及管片受力的有限元分析A01-096 天然气汽车供气系统减压装置设计A01-097 贴体包装机毕业设计A01-098 铁水浇包倾转机构的设计A01-099 土槽车传动及工作装置设计A01-100 弯管机设计A01-101 尾闸机构毕业设计A01-102 无摩擦球阀设计毕业设计A01-103 洗面乳瓶盖塑模设计A01-104 铣边机毕业设计A01-105 小型三辊卷板机设计A01-106 小型手扶水稻割捆机设计A01-107 型钢堆垛机A01-108 压力机与垫板间夹紧装置的设计A01-109 阳极板自动生产线后翻板机械手A01-110 液氨储罐(卧式)设计A01-111 液压拉力器设计A01-112 移动式X光机总体及移转组件设计A01-113 用于带式运输机传动装置中的同轴式二级圆柱齿轮减速器毕业设计A01-114 月壤车轮土槽测试系统机械装置A01-115 轧钢机设计毕业设计A01-116 支撑掩护式液压支架总体方案及底座设计A01-117 直径800X800锤式破碎机的设计A01-118 铸铁机设计毕业设计A01-119 自然变向式平面转弯带式输送机设计A01-120 钻孔机器人毕业设计A02-001 轮式装载机行走系统及其装置设计A02-002 起重机总体设计及金属结构设计A02-003 火车制动梁用异型材矫直机的设计A02-004 带式输送机摩擦轮调偏装置设计A02-005 大流量安全阀毕业设计A02-006 大功率减速器液压加载试验台机械系统设计A02-007 采煤机截割部的整体设计A02-008 三环减速器毕业设计A02-009 自控带角边新型皮带机A02-010 玉米脱粒机设计说明书A02-011 移动式X光机总体及移转组件设计A02-012 气箱脉冲煤磨袋式除尘器设计A02-013 Φ3×11M水泥磨总体设计及传动部件设计A02-014 零前角阿基米德齿轮滚刀的齿形误差检测A02-015 机播小麦种子与肥料适宜间隔距离研究A02-016 凸轮机构设计毕业设计A02-017 5自由度焊接机器人设计A02-018 破碎机毕业设计A02-019 瓶塞注射模设计A02-020 牛头刨床课程设计A02-021 牛头刨床毕业设计A02-022 煤矿主排水设备选型与安装设计A02-023 螺旋千斤顶设计三维A02-024 立式加工中心主轴组件的结构设计A02-025 锤片粉碎机A02-026 YQP36预加水盘式成球机设计A02-027 XT-Sepax三分离选粉机设计A02-028 精密播种机毕业设计A02-029 经济型掩护式液压支架的设计A02-030 绞盘机的减速机构设计A02-031 花生去壳机毕业设计A02-032 糕点切片机设计A02-033 自动运输机的设计A02-034 四轮农用车转向系统毕业设计A02-035 振动筛毕业设计A02-036 型钢堆垛机的毕业设计A02-037 调料混合机结构设计马广勇A02-038 离心机毕业设计A02-039 铝型材横移输送机械的设计与分析A02-040 水平刮板输送机毕业设计论文与CAD图纸A02-041 塑料卧式混合机A02-042 挖掘机行走装置设计A02-043 钢球研球机设计毕业设计及全套CAD图A02-044 锅炉原理设计课程设计A02-045 PE400X600颚式破碎机毕业设计A02-046 齿轮箱典型故障分析及系统搭建-毕业设计A02-047 1500储罐设计论文及储罐CADA02-048 20T履带挖掘机工作装置设计A02-049 阀堵工艺工装设计及CADCAM毕业设计A02-050 T108吨自卸车拐轴的断裂失效分析及优化设计A02-051 行星齿轮减速器减速器的虚拟设计A02-052 湖南大学球型包装盒设计A02-053 金属切削机床课程设计A02-054 GE283型纺织机寸行传动件的设计研究A02-055 推力机机械系统设计A02-056 颗粒状糖果包装机设计A02-057 浙江海洋学院带式运输机传动装置设计A02-058 运送铝活塞铸造毛坯机械手设计A02-059 三自由度圆柱坐标型工业机器人设计A02-060 平面关节型机械手设计A02-061 液压控制阀的理论研究与设计毕业设计A02-062 履带引导轮设计毕业设计A02-063 中央空调系统设计毕业设计A02-064 青饲料切割机A02-065 自行车无级变速器毕业设计A02-066 焦作大学旋风除尘器的设计A02-067 新型免胀套、免键联接等强度滚筒设计A02-068 焦作大学闭风器的设计(CAD%PROE)毕业设计A02-069 农作物清洗机毕业设计A02-070 振动筛设计球磨机产品A02-071 毕业设计DTⅡ型固定式带式输送机A02-072 刀具课程设计拉刀A02-073 牛头刨床六杆机构运动分析程序设计A02-074 曲轴润滑油孔专机的设计研究设计A02-075 325桥式起重机起升机陈义A02-076 B6065牛头刨床推动架A02-077 B6065刨床推动架设计A02-078 八轴转塔自动换刀装置设计A02-079 泵盖类设计课程设计A02-080 复摆鄂式破碎机A02-081 斗式提升机毕业设计A02-082 水平刮板输送机A02-083 JZ16T型凿井绞车总体设计A02-084 带式输送机的转动装置设计毕业设计A02-085 自动洗衣机行星齿轮减速器的设计A02-086 300吨每小时煤粉带式输送机设计A02-087 管套压装专机结构设计A02-088 硫化机的设计A02-089 往复送料机构机械原理课程设计A02-090 113桥梁式集装箱起重机设计A02-091 保持架焊接课程设计A02-092 桥式起重机副起升机构设计A02-093 车载起重机设计毕业设计A02-094 喷油器的设计A02-095 普通带式输送机设计毕业设计A02-096 AWC机架现场扩孔机设计A02-097 柴油机曲轴断裂分析A02-098 设计绞车传动装置A02-099 绞肉机的设计A02-100 轴向柱塞泵设计A02-101 玉米脱粒机设计毕业设计A02-102 离合器的毕业设计A02-103 变速器毕业设计资料A02-104 JX084双齿减速器设计A02-105 电梯机械部分系统结构设计A02-106 曲轴箱前端面卧式钻孔专用机床毕业设计A02-107 凸轮机构的模糊优化设计A02-108 带式输送机传动滚筒的设计A02-109 立轴式破碎机总体及部件设计A02-110 支架零件图设计毕业设计A02-111 烤面包机的设计与制作毕业设计A02-112 带式输送机设计毕业设计A02-113 DTⅡ型皮带运输机设计A02-114 搅拌反应器设计毕业设计A02-115 带式输送机传动装置毕业设计A02-116 内充种气吸玉米免耕播种机的设计—镇压部分的设计A02-117 机用虎钳课程设计A02-118 机械手结构的总体方案设计毕业设计A02-119 定尺机装置设计毕业设计A02-120 卧式搅拌器结构设计(PROE三维设计+CAD)A03-001 离心通风器毕业设计A03-002 转子零件设计与加工A03-003 压力容器毕业实习A03-004 扬州大学纺机凸轮轮廓曲线等线速CNC磨削技术研究A03-005 小型蜗杆灯具提升机设计A03-006 托森差速器的设计A03-007 毕业设计-混砂机的设计A03-008 JD—4040拖拉机配置JD—4200液压翻转犁机组通过性校核A03-009 MG400940-WD型采煤机毕业设计A03-010 套件材料聚酰胺设计A03-011 组合清粮机设计毕业设计A03-012 新型组合清粮机的设计毕业设计A03-013 干粉压片机(毕业设计)A03-014 1750×12000回转窑设计A03-015 刮板式流量计设计A03-016 扩孔机设计A03-017 龙门起重机设计毕业设计A03-018 举升机设计毕业设计A03-019 鼓形齿联轴器的设计A03-020 宠物垫的部件机械设计A03-021 干燥机设计毕业设计A03-022 自动刀架毕业设计A03-023 炼铁厂料堆混匀槽电除尘系统工艺设计A03-024 双头铆接机设计A03-025 印制板翻板机的设计A03-026 台式起重机起升机构设计A03-027 多功能甘蔗中耕田管机改进设计A03-028 锅炉房毕业设计A03-029 LHT-20017型拉线机毕业设计A03-030 回旋冲击钻具轴承结构及润滑方式设计A03-031 回旋冲击钻钻具星型运动结构设计A03-032 大排量斜盘式轴向柱塞泵毕业设计A03-033 大直径桩基础工程成孔钻具II型钻具总体设计A03-034 大直径桩基础工程成孔钻具I型钻具总体设计A03-035 厌氧接触氧化法处理屠宰废水设计A03-036 飞机前起落架机构设计毕业设计A03-037 南京工程学院MPS加工站机械设计A03-038 滑块厚度综合检测平台系统总体设计A03-039 滑块厚度综合检测平台检测平台设计A03-040 滑块厚度综合检测平台控制系统软件部分A03-041 滑块厚度综合检测平台控制系统硬件部分A03-042 HSG焊接式连接液压缸结构设计A03-043 2×132630-WD采煤机可调行走箱设计A03-044 2吨液压挖掘机的挖掘机构bA03-045 3.0吨调度绞车的设计A03-046 4000TH差动分级齿辊式破碎机A03-047 8000kN立柱试验台结构设计A03-048 浓缩机毕业设计A03-049 AMT自动变速器离合器执行机构设计A03-050 AUTO-CAD课程设计A03-051 DZ60振动打桩锤的设计A03-052 FDP-15非开挖导向钻机主机体设计A03-053 G7116型弓锯机的设计A03-054 400型水溶膜流研成型机A03-055 MG132315-WD型采煤机设计A03-056 MG180435-W型液压牵引采煤机截割部设计A03-057 机械制造设计基础課程設計A03-058 PF455S插秧机及其侧离合器手柄的探讨和改善设计A03-059 ZL15型轮式装载机工作装置设计A03-060 滚筒采煤机截割部的设计A03-061 行星齿轮减速器设计A03-062 悬臂式斗轮取料机设计A03-063 气动工业机械手毕业设计A03-064 水峪矿300万吨新井设计A03-065 堆取料机皮带机设计A03-066 采煤机械毕业设计A03-067 10m3机械式定量阀的研究与三维造型设计A03-068 75米钻机的总体设计A03-069 儿童安全臂设计A03-070 ZL40装载机反转连杆机构工作装置的设计A03-071 基于翅状热沟犁削的最佳后角的研究A03-072 南京工程学院MPS安装站机械设计A03-073 TMJ200型水果糖糖料拉白机A03-074 YZY400静力压桩机设计开发-大身结构有限元应力、强度分析A03-075 夹桩机构的设计毕业设计A03-076 刨煤机的截割部设计及滑靴设计A03-077 前横架课程设计的零件图与毛坯图和工艺卡片A03-078 中单链型刮板输送机设计A03-079 中国矿业大学ML280螺旋钻采煤机推进机构的设计A03-080 100米钻机变速箱设计A03-081 CG2-150型仿型切割机A03-082 DX型钢丝绳芯式带式输送机设计A03-083 J45-6.3型双动拉伸压力机的设计A03-084 JD-40绞车设计与改进A03-085 MQ100门式起重机总体A03-086 NO56桥式起重机副起升机构设计A03-087 ZQ-100型钻杆动力钳背钳设计A03-088 保持架毕业设计A03-089 磨粉机设计毕业设计A03-090 混凝土斜拉桥设计毕业设计A03-091 风选粉机设计毕业设计A03-092 基于PROE的双轴双凸轮联动轨迹再现机构机械装置的设计A03-093 万能渐开线检查仪数据处理A03-094 全路面起重机A03-095 减速器输出轴的失效分析和优化设计A03-096 KZ25-64-8型轴流式通风机设计A03-097 定量泵式灌装机设计A03-098 机械手完整图纸及毕业设计论文A03-099 针阀体座面跳动量具的设计A03-100 148内循环式烘干机总体及卸料装置设计A03-101 149FXS80双出风口笼形转子选粉机A03-102 150FM摩托车发动机装配线设计A03-103 150JL Y3809机立窑(加料及窑罩部件)设计A03-104 制动器主要参数设计和液压驱动系统的参数计算A03-105 型钢堆垛机的毕业设计-机械毕业设计论文A03-106 涡轮、蜗杆减速机(慢动卷扬机)A03-107 单轨抓斗起重机设计A03-108 汽车弹簧液压弯管机设计A03-109 前刹车调整臂外壳的夹具设计A03-110 矿井提升设备的选型设计A03-111 380碎断剪设计毕业设计A03-112 球磨机设计毕业设计A03-113 离合器设计毕业设计A03-114 梳棉机箱体设计毕业设计A03-115 厌旋流板塔净化烧结烟气设计A03-116 水射流采煤机切割装置设计A03-117 TLNC-X-2030工作台及Y轴传动部件设计A03-118 静压桩机调平系统毕业设计A03-119 棉花移栽机的研究与设计A03-120 组合机床铣边机毕业设计A04-001 牛头刨床毕业设计全套A04-002 1090驱动桥设计毕业设计A04-003 冲压式蜂窝煤成型机毕业设计A04-004 柴油机P型喷油器设计毕业设计A04-005 发动机怠速PID控制研究毕业设计A04-006 双腔鄂式破碎机设计毕业设计A04-007 PE250X400全套颚式破碎机毕业设计A04-008 40Cr调质钢磨削强化温度与强化效果试验研究A04-009 贯流风机的数值模拟A04-010 慢动卷扬机设计A04-011 ZK1836振动筛毕业设计A04-012 Φ2.4×10m球磨机筒体部分设计毕业设计A04-013 矩形型材端面坡口铣削机设计A04-014 双腔鄂式破碎机的设计A04-015 柴油机P型喷油器设计A04-016 固定式带式输送机的设计毕业设计A04-017 PE400X600颚式破碎机毕业设计A04-018 2YAH1548型圆振动筛设计毕业设计A04-019 双线水溶线拉丝收卷机毕业设计A04-020 铁皮分割机设计A04-021 凿井绞车毕业设计A04-022 用于带式运输机传动装置中的同轴式二级圆柱齿轮减速器A04-023 精密播种机设计毕业设计A04-024 哨子机毕业设计A04-025 φ2.4×11M球磨机总体及筒体设计A04-026 掘进机课程设计A04-027 QGW10钢管外壁抛丸清理机A04-028 坡口机毕业设计全套A04-029 MG100采煤机总成设计A04-030 压力机与垫板间夹紧装置的设计A04-031 150T液压机设计毕业设计A04-032 机械手腕部毕业设计A04-033 螺母拆装机毕业设计A04-034 浓缩机毕业设计A04-035 凿井绞车毕业设计A04-036 卷板机设计毕业设计A04-037 车用双柱举升机设计毕业设计A04-038 MPS模块化自动生产线的组成及工艺A04-039 气门摇杆支座课程设计A05-001 ZL06型轮式装载机驱动桥的结构设计A05-002 载重汽车前梁设计A05-003 基于多传感器信息融合技术的汽车防盗系统研究A05-004 拉式膜片弹簧离合器A05-005 汽车制动器毕业设计A05-006 汽车转向桥毕业设计A05-007 汽车驱动桥毕业设计A05-008 汽车鼓式制动器设计A05-009 轿车变速器设计A05-010 5+1轿车变速箱设计A05-011 福田车备胎支架设计与制造设计A05-012 轿车变速器设计全套毕业设计A05-013 YC1040载货汽车底盘总体及制动器设计A05-014 汽车电动助力转向(EPS)系统的设计A05-015 汽车设计课程齿轮齿条式转向器设计A05-016 桥式起重机小车运行机构设计A05-017 某重型载货汽车离合器的改进设计A05-018 普通-式双柱汽车举升机设计A05-019 KLQ6100G城市公交车车身造型与总布置等设计A05-020 双前轴转向汽车轮间和轴间侧滑量检验台设计A05-021 吉利汽车生产装配的课程设计A05-022 稳态加载汽油车排放测试系统设计A05-023 汽车空气悬架试验系统方案设计A05-024 汽车CAN总线技术研究毕业设计A05-025 ZL06型装载机来设计与之相配套的驱动桥A05-026 货车底盘布置毕业设计A05-027 双柱机械式汽车举升机A05-028 四缸汽油机的曲柄连杆机构毕业设计A05-029 汽车曲柄连杆机构毕业设计A05-030 YC1090货车驱动桥毕业设计A05-031 车架与悬架总成设计A05-032 东方之子1.8L手动豪华车五档变速器设计A05-033 “远舰”轿车双摆臂悬架设计A05-034 微型汽车转向系统设计A05-035 轿车五档变速器设计毕业设计A05-036 扭转梁后液压悬架及控制设计毕业设计A05-037 某轻型车转向器设计说明书及图纸B01-001 (机械手)机床上下料机械手设计B01-002 149FXS80双出风口笼形转子选粉机B01-003 150FM摩托车发动机装配线设计B01-004 150JL Y3809机立窑(加料及窑罩部件)设计B01-005 220kV变电站桩基础设计毕业设计B01-006 280T摆式飞剪B01-007 300w小型垂直轴风力发电机的设计4yue27B01-008 300X400数控激光切割机设计B01-009 400KN液压绞车液压系统设计B01-010 GKZ高空作业车液压和电气控制系统设计B01-011 GKZ高空作业车液压系统设计B01-012 MRP在攀枝花市中小企业中的应用B01-013 PLC控制三自由度工业机械手设计(CAD图) B01-014 PLC控制直列式加工自动线设计B01-015 SX-ZY-250型注射机液压系统B01-016 T68镗床的控制系统的改造B01-017 WY1.5液压挖掘机设计及工作装置参数优化B01-018 YA32-3150型四柱万能液压机液压系统设计B01-019 ZFS16001226型液压支架掩护梁设计B01-020 ZY32001434掩护式液压支架设计B01-021 板料折弯机液压系统设计B01-022 包膜机毕业设计B01-023 包膜机的结构设计B01-024 薄板定尺机构的设计B01-025 变频器调速系统的研究与应用B01-026 彩灯广告屏的PLC控制PLCB01-027 茶树修剪机的研发设计B01-028 柴油机P型喷油器的设计B01-029 冲裁及折弯工件的设计制造B01-030 锉刀柄铜套复合拉深模设计B01-031 带轮的参数化设计B01-032 带位移电反馈的二级电液比例节流阀设计B01-033 低位放顶煤液压支架的设计B01-034 电机轴的失效分析和优化设计B01-035 电站水轮机进水阀门液压系统控制设计B01-036 复合化肥混合比例装置及PLC控制系统设计B01-037 高空作业车的转台结构设计及有限元分析设计B01-038 高空作业车工作臂结构设计及有限元分析设计B01-039 工程网架结构参数化建模和动力特性分析设计B01-040 工业机器人的结构设计B01-041 供油角度自动提前器的结构特点与制造工艺B01-042 光学三维测量机毕业设计全B01-043 含油污水沉降过滤流程的PLC控制系统设计B01-044 恒压供水系统的PLC控制B01-045 回转电动执行机构箱体B01-046 机械手毕业设计工件质量0.1kgB01-047 机械手夹持器毕业设计B01-048 机械手夹持器毕业设计论文及装配图B01-049 机械手模型工业B01-050 机械手顺序控制器B01-051 机械手完整图纸及毕业设计B01-052 机械手液压毕业设计B01-053 机械手自动送料B01-054 基于ADAMS的四自由度机械手运动学仿真B01-055 基于ANSYS在数控机床上的热特性有限元分析B01-056 基于PLC的堆垛机自动控制系统B01-057 基于PLC的物料分拣机械手自动化控制系统设计B01-058 基于PLC的物料混合控制系统设计B01-059 基于PLC的自动配料系统设计B01-060 基于单片机取水车B01-061 基于虚拟仪器的液压系统故障快速诊断装置设计B01-062 基于虚拟仪器的液压系统故障快速诊断装置设计2B01-063 剪叉式物流液压升降台的设计B01-064 教学型搬运机械手的设计(气动机械手的设计)B01-065 矿用液压支架的设计B01-066 摩托车闸把开关设计B01-067 木耳块自动热压机B01-068 年产14000吨食品级液体二氧化碳工艺设计B01-069 旁承上平面与下心盘上平面垂直距离检测装置的设计B01-070 气动射种装置的设计B01-071 嵌入式机械手远程网络监控软件设计B01-072 轻型小口径高压气动阀设计B01-073 驱动式滚筒运输机B01-074 曲轴形状和位置误差检测方法规划及典型检测系统设计B01-075 热成型填充封口包装机B01-076 热镦挤送料机械手设计B01-077 三自由度机械手运动控制下位机系统设计B01-078 三自由度机械手运动学可视化求解研究B01-079 上料机液压系统设计B01-080 升降舞台液压系统的设计B01-081 数控车床系统XY工作台与控制系统设计B01-082 数控激光切割机毕业设计B01-083 水平刮板输送机B01-084 四柱万能液压机系统设计B01-085 四自由度多用途气动机器人(视频)B01-086 塑料线卡毕业设计B01-087 塑料闸瓦钢背弯曲模设计B01-088 天然气汽车供气系统减压装置设计B01-089 贴体包装机B01-090 推钢机B01-091 挖掘机工作装置液压系统设计B01-092 挖掘机构建模与仿真研究B01-093 无模压力成形机设计B01-094 无轴承电机的结构B01-095 物料搬运机器人送料毕业设计B01-096 夏特多功能SP板切割机的PLC控制系统设计B01-097 线切割机床走丝机构及控制系统设计B01-098 小口径高压气动阀门设计B01-099 小汽车维修用液压升举装置B01-100 小型钢坯步进式加热炉液压传动系统B01-101 型腔零件的数控编程加工设计B01-102 掩护式液压支架设计B01-103 阳极板自动生产线后翻板机械手B01-104 液压卷花机B01-105 液压控制阀的理论研究与设计B01-106 液压升降台设计B01-107 液压支架毕业设计全套B01-108 液压支架动态分析说明书及全套B01-109 液压钻机本体组合机床设计B01-110 一体化液压潜孔钻机——动力头回转机构设计B01-111 移动物体检测机器人费春颖B01-112 饮料灌装生产流水线PLC控制系统设计B01-113 折弯机液压系统设计全部套毕业设计B01-114 浙江机电职业技术学院织机导板零件数控加工工艺与工装设计B01-115 振动式大葱挖掘机B01-116 支撑掩护式液压支架总体方案及立柱设计B01-117 制冷系统综合试验台设计(量换热器及总体设计)B01-118 自动攻丝机B01-119 自动涂胶机的设计B01-120 自动线上械手毕业设计B02-001 YF3-10L 溢流阀的设计制造毕业设计B02-001 电液比例阀设计B02-002 2T装、出料机的研制——旋转部件设计B02-003 3kN微型装载机设计B02-005 ZZ72002338型液压支架B02-006 某煤矿双立井固定机械设备选型设计B02-007 BRW31531.5型乳化液泵站B02-008 四自由度棒料搬运机械手设计B02-009 双螺杆压缩机的设计B02-010 椭圆盖板的宏程序编程与自动编程B02-011 双活塞液压浆体泵液力缸设计B02-012 四通管接头毕业设计B02-013 智能机器狗结构设计B02-014 多用途启动机械手的设计B02-015 PLC在太阳能清洗机上的控制B02-016 智能化自寻迹程控车模外形及其控制系统设计B02-017 无框架立体定位神经外科手术机器人多功能TENS发生器的研制B02-018 无框架立体定位神经外科手术机器人运动学分析与人机工程、质量管理B02-019 无框架立体定位神经外科手术机器人造型设计B02-020 物流液压升降台的设计B02-021 可伸缩带式输送机结构设计B02-022 中央泵房自动控制设计B02-023 3t单钩移动电动葫芦B02-024 2DS(Y)—106型电动往复泵B02-025 ZY35002547型掩护式液压支架bB02-026 ZFS100002545中位放顶煤液压支架B02-027 随车提升机的设计B02-028 滴注仪无线控制主机结构设计及其下盖模具设计B02-029 中南大学新型手电筒设计B02-030 中型四柱式液压机及液压系统设计B02-031 GBW92外圆滚压装置设计B02-032 MATLAB在工程控制基础课程教学中的应用研究B02-033 MG132320-W型采煤左牵引部机壳的加工工艺规程及数控编程B02-034 MG250591-WD型采煤机右摇臂壳体的加工工艺规程及数控编程B02-035 QY40型液压起重机液压系统设计B02-036 R175型柴油机机体加工自动线上用多功能液压机械手设计B02-037 x-y工作台设计机电作业B02-038 YZY400全液压桩机的纵向行走设计B02-039 全自动钢坯喷码机PLC控制系统设计B02-040 乳化液泵设计B02-041 机械手中北毕业设计B02-042 全自动方便面压制机液压系统设计B02-043 用S7-200实现PID控制系统设计B02-044 WY型滚动轴承压装机设计B02-045 一矿工厂供电设计B02-046 挖掘机工作装置液压系统设计B02-047 机械手完整图纸及毕业设计B02-048 立式镗孔组合机床液压系统B02-049 149FXS80双出风口笼形转子选粉机B02-050 300X400数控激光切割机设计B02-051 150JL Y3809机立窑(加料及窑罩部件)设计B02-052 300w小型垂直轴风力发电机的设计4yue27B02-053 148内循环式烘干机总体及卸料装置设计B02-054 150FM摩托车发动机装配线设计B02-055 KZ25-64-8型轴流式通风机设计B02-056 四自由度的工业机器人机械手毕业设计B02-057 定量泵式灌装机B02-058 环线型TWC系统技术研究工硕毕业设计B02-059 载重汽车前桥总成毕业设计-机械毕业设计B02-060 激光粒度分析仪。
机械工程设计方案一、设计背景随着工业化和自动化程度的不断提升,机械设备在各个领域中扮演着至关重要的作用。
本设计方案旨在针对某一具体的机械设备进行设计、改进和优化,以满足市场需求和用户要求。
二、设计目标1. 提高设备的生产效率和工作精度;2. 降低设备的运行成本和维护成本;3. 提高设备的可靠性和安全性;4. 增强设备的智能化和自动化程度。
三、设计内容1. 设备结构设计在设备结构设计过程中,需要考虑到设备的工作原理和工作环境,确保设备具有足够的稳定性、刚度和耐用性。
同时,要尽量减少设备的自重和占地面积,提高设备的适用性和灵活性。
2. 传动系统设计传动系统是机械设备的核心部件,直接影响到设备的运转效率和运行稳定性。
在传动系统设计过程中,需要选择合适的传动方式和传动件,保证传动系统具有足够的传动功率和传动精度。
3. 控制系统设计随着智能化和自动化技术的发展,控制系统在机械设备中的作用越来越重要。
在控制系统设计过程中,需要融合各种传感器、执行器和控制器,实现设备的精确控制和自动化运行。
4. 安全系统设计安全系统是保障设备运行安全的重要保障措施。
在安全系统设计过程中,需要考虑到设备的危险源和危险性,设置相应的安全防护装置和安全监控设备,确保设备运行过程中不会发生事故。
5. 人机工程设计在人机工程设计过程中,需要考虑到操作员的工作环境和工作强度,设计合理的操作台和操作界面,提高操作员的工作效率和工作舒适度。
四、设计方法1. 调研分析通过对市场需求和用户要求进行调研分析,了解到设备在实际使用中存在的问题和缺陷,为设计方案的制定提供依据。
2. 设计优化利用CAD、CAE等辅助设计软件,对设备的结构、传动系统、控制系统等进行全面优化,提高设备的综合性能和竞争力。
3. 模拟仿真通过计算机模拟仿真技术,对设备的结构、传动系统、控制系统等进行模拟分析,为设计方案的改进和优化提供依据。
4. 试验验证通过搭建实验台和进行实物试验,验证设计方案的可行性和有效性,为设备的量产和推广提供技术保障。
毕业设计(论文)任务书摘要推土机在土石方工程中被广泛应用,推土工作装置是其承受工作载荷的主要部件,并将载荷传递至机体,受力情况非常恶劣。
在复杂多变的工作外载荷作用下,分析计算推土工作装置在不同工况、不同部位危险点的应力分布,是设计推土机工作装置所必需的。
本文进行了TY160 型推土机的总体设计、推土机工作装置结构设计。
工装置由推土刀板、顶推梁、撑杆、液压缸系统等组成。
推土板的结构形式直接决定了工作装置的受力状况,此设计的推土板采用半开式结构,其倾斜角的调整是通过液压系统实现的。
借助Pro/E 软件进行推土机工作装置的三维实体设计,可以真实的反映各部分的几何形状和空间位置。
本设计选择了危险工况和计算位置进行了强度校核,并借助计算机选取危险截面进行了有限元分析,对结果进行了对比分析。
经过校核,该结构设计合理,满足使用要求。
关键词:推土机;工作装置;Pro/Engineer;强度校核全套CAD图纸,加153893706ABSTRACTBulldozers, works in the wide application of earth-moving equipment, which working device load to bear the main components, and load transfer to the body, the force is very poor. In the complex and ever-changing work loads, the analysis blade equipment in different conditions. Dangerous point in different parts of the stress distribution is designed bulldozers work necessary for the device.In this paper, complete the TY160 bulldozers the overall design, the bulldozers working device structure design. Working mainly components by the installation of Blade knife plate, pushers beam, pole vault, hydraulic cylinder system. The structure of Blade knife plate can determine the device situation directly. And the hydraulic system can achieve the blade angle adjustments. The design uses of Pro/Engineer software to building the 3D solid model, which can be true representation the geometry and the locus.The design chosen the dangerous working conditions and calculate the position of strength check, and the use of computer selected dangerous cross-section of the finite element analysis, and cooperate the results of the analysis. After checking the rational design of the structure, it’s meet the require ment.Key words:bulldozers; working device; pro/engineer; check strength; FEM目录摘要 (I)ABSTRACT.................................................................................................. I I 目录.. (III)第一章绪论 (1)1.1推土机概述 (1)1.2课题任务 (11)1.3课题背景和设计意义 (11)第二章推土机总体方案设计 (12)2.1动力装置 (12)2.2传动机构 (12)2.3行走机构 (13)2.4工作装置 (13)2.5液压系统 (13)第三章推土机总体参数选择 (15)3.1推土机重量和接地比压 (15)3.2推土机的行走速度 (15)3.3铲刀的垂直压力及比压入力 (16)3.4推土机的轨距和最小转弯半径 (16)3.5推土机的驶入角、离去角、离地间隙 (17)3.6铲刀的提升高度和切削深度 (17)3.7推土机生产率 (17)第四章推土机重心计算 (19)4.1重心位置分析 (19)4.2中心位置的确定 (19)第五章推土机工作装置设计 (21)5.1工作装置结构类型 (21)5.2工作装置主要参数及结构尺寸的确定 (22)5.3推土机工作装置的强度计算 (27)5.4推土机铲刀的强度计算 (32)5.5第三计算位置 (41)结论 (43)参考资料 (44)致谢 (45)附件 (46)第一章绪论1.1 推土机概述1.1.1 推土机的用途推土机是一种短距离的自行式铲土运输机械,以工业拖拉机或专用牵引车为主机,前端装有推土装置,依靠主机的顶推力,用来开挖路基、构筑路堤、回填基坑、铲除障碍、清除积雪、平整场地等,也可完成短距离内松散物料的铲运和堆集作业。
机械设计类毕业设计选题目录(参考)01.8英寸钢管热浸镀锌自动生产线设计02.27m3矿用挖掘机斗杆结构有限元分析03.140吨悬挂悬挂提升机及传感器04.200米安全钻机05.205t桥式起重机控制线路设计06.300.400数控激光切割机XY工作台部件及单片机控制设计07.1041普通货车制动器设计08.“包装机对切部件”设计09.AWC机架现场扩孔机设计10.BW-100型泥浆泵曲轴箱与液力端特性分析、设计11.CA-20地下自卸汽车工作、转向液压系统12.CG2-150型仿型切割机13.DTⅡ型固定式带式输送机的设计14.DTⅡ型皮带机设计15.GBW92外圆滚压装置设计16.GCPS20型工程钻机17.J45-6.3型双动拉伸压力机的设计18.MQ100 门式起重机总体19.NK型凝汽式汽轮机调节系统的设计20.PF455S插秧机及其侧离合器手柄的探讨和改善设计21.PLC控制电梯22.QG6F切割机23.QWJ300型直切机的设计24.SFY-B-2锤片粉碎机设计25.SPT120推料装置26.UGII中三维建模部分CAI制作27.UG的三维CAD设计和CAM自动编程28.UG应用模块课件的设计与制作29.WE67K-5004000板料折弯机30.WY型滚动轴承压装机设计31.XQB小型泥浆泵的结构设计32.XS80双出风口笼形转子选粉机33.YZJ压装机整机液压系统设计34.ZL15型轮式装载机35.板材送进夹钳装置36.棒料切割机37.笔记本电脑主板装配线(输送带) 及其主要夹具的设计38.拨叉加工自动线设计39.播种机设计40.插秧机系统设计41.茶树重修剪机的开发研究42.柴油机数字化快速设计系统中实例库的建立43.柴油机专用换向阀工艺结构设计44.铲平机的设计45.常规量检测与控制工程专业综合实验设计46.车载装置升降系统的开发47.城镇污水处理厂设计48.冲击回转钻进技术49.抽油机机械系统设计(常规型)50.出租车计价器系统设计51.大型水压机的驱动系统和控制系统52.大型制药厂热电冷三联供53.大直径桩基础工程成孔钻具54.带式输送机传动滚筒的防滑处理55.带式输送机传动装置设计56.带式输送机自动张紧装置设计57.单轨抓斗起重机设计58.弹簧CAD软件的开发59.地下升降式自动化立体车库60.电动自行车调速系统的设计61.电脑主板回焊炉及控制系统设计62.复合化肥混合比例装置及PLC控制系统设计63.电液比例阀设计64.钉磨机床设计65.多功能自动跑步机(机械部分设计)66.二级电液比例节流阀67.钢筋调直机68.钢筋弯曲机69.钢筋弯曲机设计及其运动过程虚拟70.隔水管横焊缝自动对中装置71.隔振系统实验台总体方案设计72.工程钻机的设计73.管套压装专机74.管套压装专机结构设计75.滚针轴承自动装针机设计265.喷涂机械手的设计266.啤酒桶清洗机的设计及PLC控制267.平压印刷机设计268.气动机械手回转臂结构设计269.气动机械手升降臂结构设计270.气浮式动平衡机设计271.气压传动机械手设计272.塑料粉末静电喷涂生产线273.探测机器人系统的设计274.推土机设计275.五菱微车后门导滑槽液压机设计276.小型多工步自动推料进给装置及温控、上位显示系统设计277.小型风力发电机总体结构的设计278.小型风力发电机组动力结构设计279.小型模具柔性制造系统设计起重机280.新型叉车门架系统设计输出281.旋转型灌装机的设计282.液压旋铆机设计283.圆柱机械手设计284.支撑目标运动机构技术设计285.中成药瓶盖旋紧机械手设计286.自动更换芯模机械手设计287.排污车自动清污装置设计288.电冰箱门体发泡自动化生产线进行改进设计289.机器人手腕及夹持器的设计290. 油管运输机器人设计291,农用三轮车设计292,OCL功率放大器.doc293,直流稳压电源的设计.doc294,果蔬原料去皮机设计295.C620普遍车床的数控化改造(本科)296. 组合件数控车工艺与编程297.汽车变速箱上盖工艺夹具设计299.流水线工位上料机液压系统设计设计输出300.双面卧式攻丝机床设计301.dt250斗式提升机全套毕业设计(水泥谷物)U70449.rarU70449 302.qy40型液压起重机液压系统设计计算说明书.附cad图3v2l1e 303 .TGSS-50型水平刮板输送机---机头段设计U70449304.汽车安全气囊应用研究学305.毕业设计-花生去壳机306.采煤机截割部的整体设计307.叉车设计308.齿辊破碎机详细设计6w5y2t309.带式二级圆锥圆柱齿轮减速器设计310.飞机起落架设计311.风力发电机312.钢筋弯曲机(发客户)313.谷物运输机传动装置设计314.静扭试验台的设计315.可调速钢筋弯曲机的设计316.矿井水仓清理工作的机械化317.矿用液压支架的设计318.纳米粉体的实验装置毕业设计U70449319.齐齐哈尔大学传动剪板机设计320.起重机设计3n6l9x321.起重机总体设计及金属结构设计322.汽车差速器及半轴设计323.切管机毕业设计324.青饲料切割机325.清车机毕业设计(打印)326.双螺杆压缩机的设计327.提升机制动系统328.稳罐装置329.铣床的数控x-y工作台设计330.液压控制阀的理论研究与设计331.移动式x光机总体及移转组件设计332.轴向柱塞泵设计333.株洲工学院XK5040数控立式铣床及控制系统设计334.常用机构认识,分析与测绘(PPT)335.10KW圆锥-圆柱齿轮减速器的设计(只论文)336.plc铣床(只论文)337.茶叶修剪机(只论文)338.齿轮泵的研究与三维造型设计(只论文)。
机械系毕业设计题目指导教师题目第一志愿第二志愿 1. DMP系列金相研磨抛光机轻量化设计2. ADMP系列自动金相抛光机机械设计3. ADMP系列自动金相抛光机外壳设计4. Q系列自动金相切割机总体改进与设计5. Q系列自动金相切割机外壳设计 6. Q系列自动金相切割机卡具设计7. Q系列自动切割机的机构改进与设计8. 节能经济型切割机的总体设计9. 节能经济型切割机的机构设计10. 全自动煎饼机总体机械设计11. 真空保温运输罐设计12. 熏香盒总体机械设计与快速成型13. 超声波探伤方法研究14. 三维扫描仪在机械设计中的应用15. 铝合金压铸机生产工艺流程改进16.铝合金基体表面纳米涂层磁控溅射技术研究17. 不锈钢基体表面纳米涂层磁控溅射技术研究18. 纳米涂层附着力研究19. 磁控溅射涂层耐蚀性研究孙维连、20. 磁控溅射涂层力学性能研究李新领、21. 磁控溅射超硬涂层研究王会强、22. 管材裂纹产生原因与分析方法研究张艺23. 散热器钎焊质量研究方法24. 汽车电动座椅的机构设计25. 餐巾纸叠纸机的设计26. 手推式草坪修剪机的设计27. 电动两轮车的创新设计28. 机械提升机的设计29. 小型无级变速钻床设计30. 挖掘机斗铲的机构设计31. 抓取机械手设计32. 车轮旋压设备的总体设计33. 砂带机的设计34. 车轮旋压设备的模具设计35. 双盘抛光机的设计36. 弹簧调压式纺织摇架的设计37. 液压调压式纺织摇架的设计38. 自动导向小车机构设计39. 重型车散热器总体改进设计40. 轿车散热器总体设计41. 汽车散热器支撑结构设计42. 汽车散热器面罩设计43. 重型车散热器总体设计44. 焊接机械人的机械臂设计45. 散热器进出水室自动氩弧焊接机构设计1. 三工位焊接专机主机设计 2. 三工位焊接专机控制系统设计3. 海湾扇贝侧向无损开壳机构设计4. 海湾扇贝侧向无损开壳机构控制系统设计5. 炸串自动穿制机设计6. 炸串自动穿制机控制系统设计7. 垃圾风选气道设计8. 秸秆埋覆并行播种机设计9. 剁切秸秆还田机设计10. 地表土装袋机设计11. 滤水管成型机设计12. 井管定长钢筋切断机13. 预应力井管成型机设计14. 城市垃圾打包机设计15. 温室大棚卷帘机设计16. 温室大棚室内温度、湿度检测系统设计17. 农田深松机设计18. 1、海湾扇贝仿生剥取装置设计19. 2、海湾扇贝清洗机设计20. 3、海湾扇贝分级机设计弋景刚、21. 4、大型清平机螺旋清移部件设计姜海勇、22. 5、大型清平机底盘与动力系统设计刘江涛23. 6、大型清平机液压系统设计24. 7、大型清平机清杂部件设计25. 8、大型清平机输送部件设计26. 9、小型滑移机底盘设计27. 10、小型滑移机清平部件设计28. 11、小型电动滑移机底盘设计29. 12、小型滑移机液压系统设计30. 13、基于网络在线设计需求的三维产品建模设计31. 14、风光互补式清洁能源小型成套系统优化配置32. 15、电池浆液混浆机混浆关键部件设计33. 16、太阳能充电双动力播种机设计34. 17、温室开沟机设计35. 18、电动旋平机关键部件设计36. 19、反射体研抛机设计37. 20、五轴龙门加工中心五轴头结构设计38. 21、五轴龙门加工中心机械结构设计39. 22、对虾清洗机设计40. 23、对虾分级机设计41. 24、箱体加工工艺优化设计42. 25、卷帘机改进设计43. 26、温室土墙装袋机设计题目一:薄板顶弯机液压系统设计题目二:坚果破壳机结构设计题目三:新型混合机设计题目四:小型玉米脱粒机设计题目五:焊接滚轮架总体设计题目六:板式输送机结构设计题目七:手推式剪草机结构设计崔建军题目八:环保清洁车设计题目九:环保清扫自行车设计题目十:自动清扫机器人行走机构设计题目十一:三惰轮复合齿轮油泵设计题目十二:双惰轮复合齿轮油泵设计题目十三:桥式起重机小车运行机构设计题目十四:桥式起重机小车提升机构设计题目十五:桥式起重机小车结构设计1、钻减速器箱体底孔? 驳淖芴迳杓?2、钻减速器箱体底孔机床的夹具设计3、钻减速器箱体底孔机床的右主轴箱设计4、攻减速器箱体螺纹孔机床的总体设计5、攻减速器箱体螺纹孔机床的夹具设计6、攻减速器箱体螺纹孔机床的右主轴箱设计7、泵体端面钻攻机床的总体设计8、泵体端面钻攻机床的夹具设计9、泵体端面钻攻机床的攻丝左主轴箱设计李敬10、泵体端面钻攻机床的钻孔左主轴箱设计11、泵体端面钻攻机床活动钻模与攻丝靠模的设计12、钻轴套底孔机床的总体设计13、钻轴套底孔机床的夹具设计14、钻轴套底孔机床的左主轴箱设计15、钻轴套底孔机床的右主轴箱设计16、钻盖板底孔机床的总体设计17、钻盖板底孔机床的夹具设计18、钻盖板底孔机床的左主轴箱设计1.CZY-600T液压承载实验仪的设计2.SG-II塑罐自动剖切机总体设计3.SG-II 塑罐自动剖切机零部件设计4.SDYSC-II山地运输车总体设计5.SDYSC-II山地运输车传动系统设计6.振动分选机的总体设计7.振动分选机的零部件设计8.滚筒式分选机的总体设计9.滚筒式分选机的零部件设计10.GGT—II型观光塔回转平台的设计11.GGT—II型观光塔回转传动部分设计王泽河王12.蓄电池电动清洁车总体设计伟13.蓄电池电动清洁车零部件设计14.手推式草坪修剪机的总体设计15.手推式草坪修剪机的零部件设计16.汽车空调水箱扣压机总体设计17.汽车空调水箱扣压机结构设计18.手机外壳模具设计19.手机按键模具设计20.车载型垃圾箱设计21.车载垃圾箱自动装卸机构设计22.便携式水净化器设计23.全自动杀鱼机设计24.自动洗碗机设计海洋扇贝贝柱自动剥离设备关键部件设计海洋扇贝贝柱分级装置设计VMC750立式加工中心总体设计VMC750立式加工中心主轴机构设计VMC750立式加工中心进给机构设计VMC750立式加工中心刀库设计垂直多关节机器人机械机构设计垂直多关节机器人控制系统设计桌面型六自由度串联机器人机械结构设计王家忠桌面型六自由度串联机器人控制系统设计椭圆面腔反射器数控抛研机设计土培草莓收获机器人末端执行器和机械臂设计高架栽培草莓收获机器人末端执行器和机械臂设计苹果采收机器人末端执行器和机械臂设计番茄收获机器人末端执行器和机械臂设计西瓜收获机器人末端执行器和机械臂设计剪枝机器人末端执行器和机械臂设计嫁接机器人末端执行器和机械臂设计(1)汽车零部件的有限元设计(2)汽车立体车库关键装备设计(3)环形汽车立体车库设计(4)混合动力汽车传动总成设计(5)电动汽车能量管理技术研究(6)电动汽车电机驱动及传动技术张世芳(7)电动汽车制动能量回收技术(8)汽车智能交通发展(9)汽车被动安全技术(10)汽车主动安全技术(11)混合动力汽车产业发展(12)提高汽车NVH性能途经分析1、1kW垂直轴风力发电机设计2、5kW水平轴风力发电机设计3、10kW水平轴风力发电机设计4、20kW 风力发电机设计5、1kW水平轴风力发电机设计6、垂直提升式自动化立体车库总体设计7、垂直提升式自动化立体车库移动部分设计李纪刚8、垂直提升式自动化立体车库升降部分设计9、可伸缩带式输送机设计10、移动式升降平台11、环形邮件分拣机的整体设计12、环形邮件分拣机驱动装置设计13、环形邮件分拣机传动链设计14、环形邮件分拣机托盘设计15、环形邮件分拣机张紧装置设计1、大耕深旋耕机的设计(3人)2、小麦植保机具的设计(4人)马洪亮3、深松机整地机的设计(2人)4、秸秆还田条件下整地机械设计(2人)5、旋耕覆盖小麦免耕播种机的设计(4人)1. 对虾排序定向装置设计2. 对虾去头装置设计3. 对虾开背装置设计 4. 对虾挑虾线装置设计5. 对虾剥壳装置设计6. 虾仁定量包装装置设计7. 对虾定量包装装置设计张秀花8. 对虾去头开背一体化装置设计9. 对虾开背挑虾线一体化装置设计10. 对虾开背剥壳一体化装置设计11. 柿子去皮机设计——上料装置设计12. 柿子去皮机设计——切削装置设计13. 柿子去皮机设计——传动装置设计14. 柿子去皮机设计——夹具设计(1)汽车自动变速器控制技术(1人)(2)变速器装配完整性检验系统总体设计(1人)(3)变速器装配完整性检验系统机构设计(1人)(4)汽车行驶工况分析(1人)(5)混合动力汽车变速器设计(1人)(6)纯电动车汽车变速器设计(1人)赵树朋(7)汽车排放测试技术(1人)(8)汽车碰撞试验系统总体设计(1人)(9)汽车碰撞试验系统机构设计(1人)(10)电动汽车能量管理技术(1人)(11)汽车挂车后轮转向系统关键技术(1人)(12)汽车发动机性能测试技术(1人) 1.并联电磁式六维振动速度传感器设计2. 六自由度弧焊机器人机体设计3. SCARA 机器人设计 4. 果蔬采摘机器人机械手设计李娜5. 果蔬采摘机器人机体设计6. 果蔬采摘机器人识别定位系统设计7. 多手指机械手的设计研究8. 移动机器人系统的研究现状及发展趋势人体仿生足机构的研究与应用1、基于CAE软件的货车车厢强度计算及校核2、基于CAE软件的货车车厢设计3、混合动力汽车的动力系统设计4、基于夏利汽车溴化锂汽车空调的结构设计5、基于夏利汽车溴化锂汽车空调的流量系统设计6、混合动力汽车的总体布置设计7、某电动汽车的动力系统设计白庆华8、汽车DCT双离合器电控系统的设计9、汽车DCT双离合器的结构设计10、新型汽车发电机的设计11、发动机废弃能量再利用系统的设计12、货车驱动桥的整体设计13、基于有限元软件的货车驱动桥设计14、某电动汽车的总体布置设计15、齿轮齿条转向器的设计1. 基于单片机的全自动灌溉系统2. 基于单片机的温室控制系统3. 基于单片机的小区给水控制系统4. 基于单片机的家用防盗报警系统 5. 基于单片机的煤气泄漏报警系统蒋辉6. 基于单片机的火灾报警系统7. 基于单片机的仓库温室度监测系统8. 高楼清洗机的设计9. 基于单片机的液压阀门控制系统10. 基于单片机的电气阀门控制系统双螺旋推进机构设计镗变速箱体两端孔夹具设计变速箱体两端孔组合镗床总体设计钻变速箱体两端孔夹具设计变速箱体两端孔组合钻床总体设计杨淑华对虾分级机工作装置设计对虾分级机传动装置设计对虾清洗机设计滚轮式小型播种器设计温室青菜播种机设计小型电动冻肉切片机设计高压高温蒸汽发生器设计双扇贝开壳技术综述废旧塑料粉碎清洗设备的现状及技术发展趋势(论文)徐鹏云金相试样计算机辅助分析研究(论文,有C语言基础)疲劳强度试验机的机械系统设计(需掌握Solidworks或Pro/E)锥形石磨豆浆多功能车设计(需掌握Solidworks或Pro/E)双砂轮切割片轧辊金相切割机设计(2人,需掌握Solidworks或车用排气岐管CFD分析(需掌握Solidworks)三维数字化果蔬采摘实验室的总体设计与仿真三维数字化果蔬采摘实验室采摘臂和末端执行器的结构设计?敕?三维数字化果蔬采摘实验室移动机构的设计与仿真三维数字化果蔬采摘实验室智能移动综合作业平台控制系统的研究与实现李猛自动化嫁接机器人机械臂和末端执行器的结构设计与仿真佛香自动化分选包装设备的设计基于PLC控制的自动化装配教学实验平台的设计基于Android的加工中心大修改造辅助维修系统的开发绝缘子带电检测机器人的结构设计与仿真割草机器人导航避障系统的设计汽车生产型企业物流运作模式研究汽油发动机节能及排放控制技术的研究CNG城市客车的性能分析及关键技术研究河北省汽车燃料掺烧状况调查及分析研究基于仿生理念的汽车前脸造型设计王磊城市公交客车造型设计基于人机工程学的城市公交客车总布置设计城市低地板客车底架及地板设计城市低地板客车车门设计城市双层客车总体结构设计1、施药机械监测系统设计2、车载式施药机控制系统设计3、基于单片机技术的机械设备定时器的设计4、基于单片机的焊道温度实时测量系统设计5、基于ANSYS的车辆车体建模和有限元分析蔡金金6、基于PLC的机床初始故障诊断设计7、果园静电喷雾机械的开发及应用前景(论文)8、自走式果园喷雾机底盘设计9、小型移动式植保喷雾机械的关键部件仿真10、小型移动式果园喷雾机关键部件设计1. 玉米收获机摘穗机构设计 2. 背负式玉米联合收获机的研究与总体设计3. 背负式玉米联合收获机的研究与摘穗台设计4. 背负式玉米联合收获机的研究与输送装置设计5. 马铃薯收获机的设计 6. 马铃薯收获机关键部件计算机仿真分析7. 基于ADAMS的轿车转向梯形设计及优化分析8. 汽车工程材料选用研究及系统设计桑永英1. 汽车整车及零部件轻量化设计2. 汽车用轻质材料的研究和应用3. 先进成形技术轻量化相关制造技术研究 4. 汽车轻量化整车和零部件评价方法研究5. 河北省玉米收获机械产业化发展的研究6. 河北省玉米生产作业体系的现状与发展7. 河北省农业机械产业的发展研究8. 汽车车身设计方法1、指纹识别存包柜的研究2、自动停车收费系统的研究3、超声波测距的研究4、汽车车轮升降机的设计5、湿式喷浆机的总体设计于华丽6、湿式喷浆机的液压系统的设计7、自动鞋套机的设计8、大蒜切脐机的设计9、3D打印技术在工业生产中的应用研究10、轿车连杆锻压成型模具设计铝合金轮毂压铸件溢流槽的设计盘类零件铝合金压铸模浇注系统的设计盘类零件铝合金压铸模推出机构的设计盘类零件铝合金压铸模的设计铝合金壳体零件压铸模的设计胡敏英节流阀的压铸模的设计支架类零件压铸模的设计变速行换挡叉的工艺及装备设计铝合金壳形件压铸过程表面缺陷的研究铝合金压铸模表层强化处理工艺的研究1. 一种新型的奶牛自动饲喂系统(电子标签部分)2. 一种新型的奶牛自动饲喂系统(网络通信部分)3. 一种新型的奶牛自动饲喂系统(液面控制部分)4. 一种新型的奶牛自动饲喂系统(温度控制部分)5. 新型的汽车空调设计李晨光6. 太阳能自动充电设计7. 智能小车设计(硬件)8. 智能小车设计(软件)9. 简单的手机设计(硬件)10. 简单的手机设计(软件)1、杂粮盒注塑模具设计2、自动抹墙机设计3、拖布拧干机设计与模型建立4、自充电手电结构设计与模型建立5、瓶盖注塑模具设计李昕6、行走类玩具设计7、牲畜耳标模具设计8、农用滴灌二通管(三通管)模具设计9、面向制造的建模技术研究(论文)10、CAD/CAM技术在企业的应用马志凯2 残疾人登车机构设计3 残疾人总体设计 4 清障车车架设计5 清障车工作装置设计6 某弹药车的工作装置设计7 基于adams对某残疾人车登车装置的优化设计8 小型手推式扫雪车的设计9 老年人电动代步车的总体设计10 基于hypermesh清障车车架优化。
机械设计基础课程设计设计计算说明书题目设计绞车传动装置题目:设计推力机传动装置一、总体布置简图二、工作情况单向负载,载荷平稳,间歇工作;二、原始数据圆周力F=10000F/N ,卷筒转速V=45 r/min,卷筒直径D=50mm 使年用折旧期为10三、1、设计说明书1份 2、减速器装配图1张 3、零件工作图1~3 张(一)、拟定传动装置的传动方案由题目所知传动机构类型变位齿轮减速器。
故只要对本传动机构进行分析认证。
本传动机构的特点是:减速器横向尺寸较小,两个齿轮浸油深度可以大致相同,结构较复杂,轴向尺寸大,中间轴较短,刚度好,中间轴承润滑较容易。
(二)、电动机的选择 1、选择电动机的型号本减速器在常温下连续工作,载荷平稳,对起动无特殊要求,但工作环境灰尘较多,故选用Y 型三相笼型感应电动机,封闭式结构,电压为380V 。
2、确定电动机功率工作机所需功率kW FV P W 510005.010*******=⨯⨯==电动机的工作功率:awP P η=电动机到推力机构的总效率为:233221ηηηη=a由表11-1查得: 联轴器传动效率:98.01=η 每对轴承传动效率:98.02=η圆柱齿轮的传动效率:98.03=η 推力丝杆的传动效率:97.04=η代入得:84.097.098.098.098.0232=⨯⨯⨯=a η=0p 5/0.84kw=5.95kw 查表电动机额定功率为5.95KW 。
3、确定电动机转速推力丝杆的速度为V=0.15m/s,则推力杆的工作转速为:min /3.575014.315.0100060100060r D v n w =⨯⨯⨯=⨯=π按表2-3推荐的传动合理范围,取二级圆柱齿轮减速器传动比为40~8'1=i ,则总传动比合理范围为40~8'=a i ,电动机转速的可选范围为:()min /2292~4.4583.5740~8''r n i n w a d =⨯==符合这一范围的同步转速有750、1000、1500、3000r/min 四种,综合考虑减轻电动机及传动装置的重量和节约资金,查得电动机型号为Y180L-4,符合要求。
《机械设计》课程设计任务书(四)
一、设计题目
推力机传动装置设计。
二、工作原理及已知条件
工作原理:推力机工作装置如下图所示 己知条件
1.工作条件:两班制,间歇工作,单向运转,载荷平稳,室外工作,有较大粉尘;
2.使用寿命:20年(每年300工作日);
3.检修间隔期:三年一次大修,两年一次中修,一年一次小修;
4.动力来源:电力,三相交流,电压380/220 V
5.推头速度允许误差;±5%;
6.一般机械厂制造,小批量生产。
7.丝杆效率ηj =0.4(包括丝杆与轴承)。
三、原始数据及传动方案
编号
参数
1
2
3
4
5
6
推力F (kN ) 16 18 24 28 32 36 推头速度v (m/min ) 1.6 1.56 1.2 1.1 1.08 0.9 丝杆导程S (mm )
14
12
12
12
12
8
四、设计内容
1.按照给定的原始设计数据(编号) 和传动方案(编号) 设计减速器装置;
2.传动方案运动简图1张(A4附在说明书里);
3.完成减速器装配图1张(计算机绘图,A1);
4.完成二维主要零件图2张(传动零件、轴或箱体,A3或A4);
5.设计说明书1份(约20页,6000~7000字)。
班级:姓名:
指导教师:林伟明日期:。
推力机机械系统设计班级:A04机械(2)班学号:姓名:指导老师:目录第一节设计任务-------------------------------(3)第二节电动机的选择和计算----------------------(4)第三节齿轮的设计和计算------------------------(9) 第四节.具体二级齿轮减速器轴的方案设计----------(14)第五节轴承的校核-------------------------------(22)第六章键的选择与校核---------------------------(25) 第七节轴承的润滑及密封-----------------------(27) 第八节. 箱体结构的设计计算- ------------------- (30) 第九节设计结果 -------------------------------(30)第十节、设计小结 ----------------------------(32) 参考文献 -----------------------------------(32)第一节设计任务推力机的原理是通过螺旋传动装置给推头传替力和运动速度。
它在社会生产中广泛应用,包括在建筑、工厂、生活等方面。
其执行机构如下:推力机传动装置设计1.原始数据和条件1)推力F=10kn;2)推头速度V=1.2m/min;3)工作情况:三班制,间歇工作,单向负载,载荷平稳;4)工作环境:有灰尘,环境最高温度为35°C左右;5)使用折旧期20年,4年大修一次;6)制造条件及生产批量:一般机械厂制造,小批量生产。
2..参考传动方案第二节.电动机的选择一滑动螺旋传动的计算1.螺杆的耐磨性计算螺杆材料选择钢-青铜滑动螺旋的耐磨性计算主要是限制螺纹工作面上的压力P ,使其小于材料的许用压力。
螺纹工作面上的耐磨性条件为[]2F FP p p A d hH π==≤校核用。
为了导出设计计算式,令2d H=φ,则H=2d φ代入上式得螺纹中径 2FPd h p πφ≥⎢⎥⎣⎦选用梯形螺纹,h=0.5p螺纹工作圈数不宜过多,故φ值一般在1.2~2.5.故可取φ=1.2 材料的许用压力范围(11~18)取[p]=11MPa 则d 2][8.0p Fφ≥ =0.8112.11083⨯⨯ =19.40mm 取d 2=30.00mm查机械设计手册 得螺距P=10mm ,中径d 2=25 mm,大径D 4=31mm,小径319d mm =螺母高度 H=2d φ=1.2⨯25=30 mm 螺纹角 α=30︒β为侧角 301522οοαβ===ϕ为螺纹升角 87.515cos 1.0arctan arctan cos arctan ====≤︒fv f v βϕϕ 取5οϕ=2.螺杆的强度计算危险截面的计算应力ca σ,其强度条件 []221143ca T F A d σσ⎛⎫=+≤ ⎪⎝⎭注:F 螺杆所受的轴向压力,单位为N.这里10000F N = A 螺杆螺纹段的危险截面积221283.44A d mm π==d 1 螺杆螺纹小径为19mmT 螺杆所受的扭距 T=Ftan(v ϕϕ+)22d =23750N ·mm[δ] 螺杆许用应力3.7Mpa得[]2222114142357031000030.465283.419ca T F A d σσ⎛⎫⨯⎛⎫=+=+=≤ ⎪ ⎪⎝⎭⎝⎭3.螺母螺纹牙的强度计算螺纹牙多发生剪切和挤压破坏,一般螺母的材料强度低于螺杆,故只需校核螺母螺纹牙的强度。
如果将一圈螺纹沿螺纹大径D (单位mm )处展开,则可看作宽度为D π的悬臂梁。
假设螺母每圈螺纹所承受的平均压力为uF,并作用在以螺纹中径D 2(单位为mm )为直径的圆周上,则螺纹牙危险截面a-a 的剪切强度条件为uDb Fπτ=][τ≤螺纹牙危险截面a-a 的弯曲条件][62b b uDb FLδπδ≤=式中螺纹牙根部的厚度,单位为mm.b=0.65p=6.5mm,p 为螺纹螺距。
L —弯曲力臂,单位为mm[τ]螺母材料的许用切应力 mp a[b δ]—螺母材料的许用弯曲应力,单位为mp a[][]3210100.00020.63.1431 6.5 3.1431ττσ⨯==≤=⨯⨯⨯⨯[]60.000260.00018 3.76.5b a b amp mp b τσσ⨯===≤=因为螺杆和螺母的材料相同,螺杆的小径d 1小于螺母螺纹的大径D 。
故应校核螺杆螺纹牙的强度。
[]3'210100.336 3.323.14 1.5 6.510 3.14aMP Dττ⨯==≤=⨯⨯⨯⨯⨯[]''660.3360.31 3.76.5b a b aMP MP b τδδ⨯===≤=4.螺母外径与凸缘的强度计算螺母悬置部分危险截面b-b 内的最大拉伸应力()()[]3222231.2 1.210100.83 3.73.14402544aFMP D D δδπ⨯⨯==≤=⨯--凸缘与底座接触表面的挤压强度计算][)(42324p p D D Fδπδ≤-=[p δ]=(1.5~1.7)[b δ] ap m p 54.77.32.17.13.6)4055(414.3108223=⨯⨯≤=-⨯=δ()32210107.4 1.7 1.2 3.77.543.1455404F aMP δ⨯==≤⨯⨯=-凸缘根部的弯曲强度计算 ][)(5.161)(4122342234b b a D D D F a D D D F w m δππδ≤-=-⨯==()[]()34331.5 1.510105640163.14407.54b F D D a mmD πδ-⨯⨯-≥==⨯⨯凸缘根部很少发生剪断,强度计算(略)1.选择电动机(1)选择电动机类型按工作要求和条件,选用三相笼型异步电动机,封闭式结构,电压380V ,Y 型。
(2)选择电动机的容量电动机所需功率1000wd aaFvKW KWPP ηη==由电动机至运输带的传动总效率为223232....351240.990.980.970.900.970.76a ηηηηηη==⨯⨯⨯⨯=其中:12345,,,,ηηηηη分别为联轴器,滚动轴,齿轮传动,螺旋传动,滑动传动的传动效率,其值分别为10.99η=(齿轮联轴器),20.98η=(滚子轴承),30.97η=(齿轮精度为8级),40.90η=(滚动丝杠),50.90η=。
所以100000.02/0.2610000.76daFv N m s KW P η===⨯(3)确定电动机转速螺旋传动中根据《机械设计手册》导距10P mm =,传送速度()v Pn n =为螺旋传动的转速。
1.2/min 120/min 0.01v m n r p m ===根据《机械设计课程指导》圆柱齿轮转动传动比一般为8~40,所以电动机转速一般为960~4800r/min.功率P 略大于0.26W ,转速960~4800r/min 符合这一范围的同步转速有1390r/min 和2825r/min 。
比较得到1390r/min 转速比较合理。
取电动机:Y810-4 功率(KW ) 型号 电流(A) 转速(r/min ) 效率(%) 功率因数 额定转距 额定转距 额定电流 0.55 Y801-4 1.5 1390 73 0.76 2.2 2.2 6.52.传动装置的总传动比和传动比分配 (1)总传动比由选定的电动机满载转速mn和工作机主动轴转速n ,可得传动装置总传动比为ai=n /n =1390120=11.6 (2)传动装置各级传动比分配两级传动比的分配中根据《机械传动设计手册》总传动比在8~12.5时,低级传动比24i=。
因为ai =1i 2i ⋅ 所以1211.6 2.94ai i i ===3.传动装置运动和动力参数的计算 (1)各轴转速1390/minmr n n I==121390/min479.31/min2.9479.31/min120/min4120/minV r r r r r nn in n in n I∏I I ∏I ========螺旋丝杠(2)各轴输入功率Ⅰ轴: 120.260.990.980.252IdKW P P ηη==⨯⨯= Ⅱ轴: 230.2520.980.970.240IKWP P ηη∏==⨯⨯=Ⅲ轴: 230.2400.980.970.228I KWP P ηη∏∏==⨯⨯=螺旋丝杠:140.2280.990.900.203IV I KW P P ηη∏==⨯⨯=(3)各轴输入转矩电动机输出转距:95500.269550 1.791390d d mN mPT n⨯===⋅各轴输出转矩 Ⅰ轴:121.790.990.98 1.73IdN m T T ηη==⨯⨯=⋅Ⅱ轴: 1231.732.90.980.97 4.78I N m i T T ηη∏==⨯⨯⨯=⋅ Ⅲ轴: 2234.7840.980.9720.10I N mi T T ηη∏∏==⨯⨯⨯=⋅螺旋丝杠:51420.100.970.990.9017.38IVI N mT T ηηη∏==⨯⨯⨯=⋅运动和动力参数计算结果整理与下表轴名 效率P (KW ) 转距T (NM) 转速nmin /r传动比 i 效率 η 输入输出 输入 输出 电动机 0.26 1.79 1390 1 0.97 Ⅰ轴 0.252 0.247 1.73 1.70 1390 2.90.95 Ⅱ轴0.2400.2354.784.68479.3140.95 Ⅲ轴 0.228 0.223 20.10 19.61 120 10.86螺旋轴0.2030.19917.3817.03120注:Ⅰ~Ⅲ轴输出效率=输出效率×轴承效率98%第三节.齿轮的设计计算(一)高速级齿轮传动的设计计算1.选定齿轮类型,精度等级,材料及齿数1)按照推力机机构的传动方案,选用直齿圆柱齿轮传动2)推力机为一般工作机器,故选用8级精度(GB10095-88)。
3)材料的选择: 查机表10-1选择小齿轮材料为45钢(调质),硬度260HBS ,大齿轮材料为45钢(调质)硬度为230HBS 。
二者材料硬度差10HBS 。
4)选小齿轮齿数Z 1=20,大齿轮Z 112z i ⨯==2.92058⨯=,故取2z=58;2.按齿面接触强度 设计计算公式d 3211(1)()[]2.32t E t H k T Z u d u φσ⨯±≥⨯确定公式内的各计算值:⑴试选定载荷系数=t K 1.3⑵计算小齿轮的转距:55311195.51095.5100.242/1390 1.710P T N mm n =⨯⨯=⨯⨯=⨯⑶由表10-7齿宽系数0.1=d φ⑷由表10-6得材料的弹性影响系数218.189MPZ E =⑸由图10-21d 按齿面硬度查得小齿轮的接触疲劳强度极限lim1600H MPa σ=,大齿轮的2550,HLIM MPa σ=(6)由公式计算压力循环次数N 1=601h n jL =601013901(3830020) 1.2010⨯⨯⨯⨯⨯⨯=⨯1091211.210 4.14102.9N N i ⨯===⨯⑻由图10-19查得接触疲劳寿命系数10.90HN k =,20.95HN k = ⑼ 计算接触疲劳许用应力:取失效概率为1,安全叙述为S=1,得可得,1110.9600540HN HIM H K MPa Sσσ⨯⎡⎤==⨯=⎣⎦ [H σ]2=220.95550522.5HN HIM K MPa Sσ⨯=⨯= 2) 计算:⑴计算小齿轮的分度圆直径,1t d 代入[H σ]中的较小值,d 3211(1)2.32()[]t E t dH k T Z u u φσ⨯+≥⨯⨯3321.3 1.7010(2.91) 1.892.32()16.7041 2.9522.5mm mm⨯⨯+=⨯⨯=,可取30mm⑵计算圆周速度v :113.143013902.18/601000601000t d n v m s π⨯⨯⨯⨯===⨯⨯⑶计算齿宽bb=⨯d φ d =t 1130.030.0mm ⨯=⑷计算齿宽与齿高之比b/h 模数:1130.01.520tt d m z ====齿高:t h=2.25m =2.25 1.5=3.37mm⨯ 则b/h=30/3.37=8.9⑸计算载荷系数根据v=2.18m/s ,8级精度,由图10-8得动载系数K v =1.15;直齿轮假设假设K m N FbtA /100<⋅,可查表得, 1.4H F K K αα==;由表10-2查得使用系数:K 0.1=A查得8级精度的小齿轮相对支承非对称分布时:K 2231.150.1810.60.3110H d d bβφφ-=++⨯+⨯()代入数据得:2231.150.1810.6110.311030 1.447H k β-=++⨯+⨯⨯=()结合b/h=8.90查图10-13得,K βF =1.4故载荷系数1 1.15 1.4 1.447 2.330A V H H K K K K K αβ==⨯⨯⨯=⑹按实际的载荷系数校正所得的分度圆直径,d 311t t K Kd ==12.3303036.421.3mm =⨯= ⑺计算模数:m==11z d 36.42/20=1.82mm3.按齿根弯曲强度设计⑴得弯曲强度的设计公式为m 3211][)(2F Sa Fa d T Y Y z K σφ⋅⨯≥1)确定各项计算值(1)由图10-20c 查得小齿轮的弯曲强度极限:MPa FE 5001=σ,大齿轮的弯曲强度极限为MPa FE 3802=σ(2)由图10-18查得弯曲疲劳寿命系数10.90FN K =,20.92FN K = (3)计算弯曲疲劳许用应力 取弯曲疲劳安全系数,S=1.4, 则可得: [F σ]1=43.3214.15009.011=⨯=⨯S K FE FN σ[F σ]2=220.92380238.861.4FN FE K S σ⨯⨯== (4)计算载荷系数KK=K A K V K αF K βF =1 1.15 1.4 1.4 2.25⨯⨯⨯= 查取齿型系数Y 1 2.80Fa =,Y 2 2.28Fa =,查取应力校正系数得:1 1.55sa Y =,2 1.736sa Y =(5)计算大小齿轮的1][F SaFa Y Y σ,并加以比较111 2.80 1.550.01306[]321.43Fa Sa F Y Y σ⨯==;22.288 1.7360.01619[]238.86Fa Sa F Y Y σ⨯==2)设计计算m 3211][)(2F Sa Fa d T Y Y z K σφ⋅⨯≥=3322 2.25 1.7100.016190.676120⨯⨯⨯≥⨯=⨯由于齿轮模数m 的大小主要取决与弯曲强度所决定的承载能力,因此只要0.676m ≥就可以,故可取m=2mm,按接触强度分度圆136.42d mm=。