桥梁检测报告(右幅)
- 格式:doc
- 大小:485.00 KB
- 文档页数:22
G11 鹤大公路— K501+545 —得力村中桥(右幅)桥梁按期检查报告桥梁按期检查结论及技术建议桥梁名称K501+545- 得力村中桥(右幅)检查单位检测时间主要病害及原由1、主要病害为:(1)主梁掉角(2)主梁间铰缝沙浆零落(3)桥墩、桥台水迹(4)桥面横向贯穿裂痕(5)伸缩缝拥塞(6)防撞墙裂痕2、病害成因剖析:(1)主梁掉角:初步剖析因为混凝土浇筑后保养不好,棱角处混凝土水分被模板大量汲取,以致混凝土水化不好,强度降低,拆模时棱角被粘掉,出现混凝土掉角现象。
(2)主梁间铰缝沙浆零落:空心板梁铰缝,多为干砌沙浆填补与预制梁粘结性不好,在车辆荷载的作用下以致其零落。
(3)桥墩、桥台水迹:初步剖析因为桥面伸缩缝止水带损坏,桥面积水经过伸缩缝下渗至桥墩、桥台惹起的。
(4)桥面横向贯穿裂痕:初步剖析是因为主梁缩短徐变惹起桥面连续处主梁横向贯穿裂痕。
(5)伸缩缝拥塞:平时保养不实时所致。
特别检查结果1、抽检构件混凝土强度评定标度等于1。
2、实测线形、横向和纵向坡度均知足规范要求。
技术状况评定1、全桥技术状况评分为,等级为 2 类。
2、上部结构评分为,等级为 2 类;下部结构评分为,等级为 2 类;桥面系评分为,等级为 2 类。
技术建议(1)依照《公路保养技术规范》( JTG H10-2009 )中要求需进行小修。
(2)修复主梁掉角。
(3)修复主梁间铰缝沙浆零落处。
(4)修复桥墩、桥台处水迹。
(5)修复桥面横向贯穿裂痕。
(6)清理拥塞的伸缩缝。
(7)修复防撞墙裂痕。
目录1 桥梁概略 (1)桥梁概括 (1)基本概略及主要技术指标 (1)2 外观检查 (2)构件编号方法 (2)上部结构 (3)下部结构 (5)桥面系 (7)3 特别检查结果 (10)混凝土强度检测 (10)线形丈量 (10)3.2.1 桥梁测点选用 (10)3.2.2 桥面线形丈量 (11)4 桥梁技术状况等级评定 (12)5 病害成因剖析 (15)主要病害 (15)病害成因剖析 (15)6 结论及建议 (16)外观检查结果汇总 (16)特别检查结果 (16)桥梁技术状况评定 (16)结论与建议 (16)附录 A. 桥梁基本状况卡片 (18)1桥梁概略1.1 桥梁概括K501+545-得力村中桥(右幅)位于鹤大公路 K501+545 处,该桥完工于 2008 年 10 月,设计荷载为公路 -Ⅰ级,桥面铺装为混凝土,上部结构为钢筋混凝土空心板,下部结构为桩柱式桥墩,轻型薄壁桥台,钻孔灌输桩基础,桥面横向部署为 0.75m 防备栏杆 +10.5m 行车道 +0.75m 防备栏杆,桥跨部署为 3×13m 钢筋混凝土空心板,桥梁全长。
桥梁检测报告一、概述。
图1.1 XXXX图(单位:m)二、桥梁各部件详细检查结果2.1 耳墙检查结果2.2 锥坡检查结果2.3 桥台及基础检查结果2.3.1 原桥台及基础检查结果2.3.2 拓宽桥台及基础检查结果2.4 支座检查结果2.4.1 原桥支座检查结果1842.4.2 新拓宽桥支座检查结果2.5 上部主要承重结构检查结果2.5.1 原桥上部承重结构检查结果5.2 拓宽桥上部承重结构检查结果2.6 上部一般结构检查结果2.6.1 原桥上部一般结构检查结果2.6.2 拓宽桥上部一般结构检查结果2.7 桥面铺装层检查结果2.8 桥头跳车检查结果2.9 伸缩缝检查结果2.10 护栏检查结果2.11 标志、标线检查结果2.12 排水设施检查结果三、各构件检测结果3.1 构件混凝土强度检测3.2 混凝土碳化深度检测1853.4 混凝土电阻率检测结果3.5 钢筋锈蚀检测结果四、主要构件承载能力评定4.1 上部空心板承载能力评定4.2 主要计算参数4.3 相关验算系数确定4.3.1 承载能力检算系数(Z1)的确定4.3.2 承载能力恶化系数(ζe)的确定4.3.3 截面折减系数(ζc、ζs)的确定4.4 承载能力评定4.4.1 结构内力计算4.4.2 预制板承载能力评定五、主要病害对结构正常使用情况影响评价六、技术状况综合评定及主要检测结论6.1 技术状况综合评定6.2 主要检测结论186七、技术建议附件一:原桥技术状况综合评定表187附件二:拓宽桥技术状况综合评定表188189。
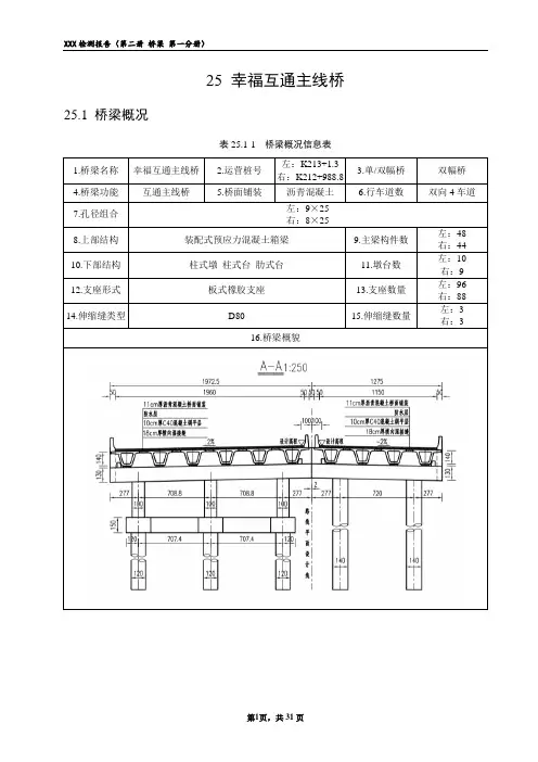
25 幸福互通主线桥25.1 桥梁概况表25.1-1 桥梁概况信息表1.桥梁名称幸福互通主线桥2.运营桩号左:K213+1.3右:K212+988.83.单/双幅桥双幅桥4.桥梁功能互通主线桥5.桥面铺装沥青混凝土6.行车道数双向4车道7.孔径组合左:9×25 右:8×258.上部结构装配式预应力混凝土箱梁9.主梁构件数左:48 右:4410.下部结构柱式墩柱式台肋式台11.墩台数左:10 右:912.支座形式板式橡胶支座13.支座数量左:96 右:8814.伸缩缝类型D80 15.伸缩缝数量左:3 右:316.桥梁概貌横断面布置(单位:cm)左幅桥型布置图(单位:cm)右幅桥型布置图(单位:cm)左幅正面照左幅侧面照右幅正面照右幅侧面照25.2 桥梁定期检查表25.3 桥面系25.3.1 桥面铺装桥面铺装为沥青混凝土铺装。
左、右幅桥面铺装未见明显病害.表25.3.1-1 桥面铺装检查结果位置状况描述图片左幅桥面铺装未见明显病害图1 右幅桥面铺装未见明显病害图2典型照片图1 L#桥面铺装未见明显病害图2 R#桥面铺装未见明显病害25.3.2 伸缩缝装置左幅伸缩缝装置:未见明显病害;右幅伸缩缝装置:锚固区混凝土34条纵向裂缝,总长度11.9m。
表25.3.2-1 伸缩缝装置检查结果位置状况描述图片左幅伸缩缝未见明显病害/右幅R1#伸缩缝两侧锚固区19条纵向裂缝,总长度6.65m 图1 R4#伸缩缝两侧锚固区15条纵向裂缝,总长度5.25m 图2典型照片图1 R1#伸缩缝两侧锚区19条裂缝图2 R4#伸缩缝两侧锚区15条裂缝25.3.3 人行道该桥未设置人行道。
25.3.4 栏杆、护栏左幅栏杆、护栏:3处蜂窝,总面积1.3m2;2处锈胀露筋,总面积0.05m2;2处麻面,总面积0.96m2;2处空洞(2处露筋),总面积0.3m2;右幅栏杆、护栏:1处破损(1处露筋),面积0.04m2;2处蜂窝,总面积0.05m2。
桥梁检测报告三篇篇一:桥梁检测报告1工程概况XXXXXXXXXX桥上部结构为16跨混凝土简支双T梁桥,单跨XXm,主桥全长XX6m,桥面宽8.5m,下部桥墩采用两头带圆弧端的矩形墩,桥台采用矩形实体式桥台。
该桥于上世纪五十年代投入使用,由于该桥设计资料已丢失,加上年久失修,在此试验之前已经被评定为危桥。
受XXXXXXXXX的委托,XXXXXXXX有限公司承担XXXXXXXXX桥梁的荷载试验检测工作。
20XX 年4月26日进场,20XX年4月29日完成现场测试,20XX年5月20日完成资料处理和报告编制。
XXXXXXXXXX桥立面示意图如图1-1所示,照片如图1-2所示。
图1-1XXXXXXX桥立面示意图图1-2桥梁照片试验标准、规范及依据1、《城市桥梁工程施工与质量验收规范》(CJJ2-20XX);2、《城市桥梁养护技术规范》(CJJXX-20XX);3、《公路钢筋混凝土及预应力混凝土桥涵设计规范》(JTGD62-20XX);4、《公路桥涵设计通用规范》(JTGD60-20XX);5、公路桥梁承载能力检测评定规程(报批稿),交通部公路科研所,20XX年;6、《国家一、二等水准测量规范》(GB/T12897-20XX);7、公路桥梁部件状态评定细则(讨论稿),交通部公路司,20XX年;8、回弹法检测混凝土抗压强度技术规程(JGJ/T23-20XX),20XX年检测内容及仪器1.1检测内容本次检测主要包括三方面的内容:全桥外观检测、静载试验检测和动载试验检测。
1.1.1外观检测1、表观缺陷检查;2、混凝土强度检测;3、碳化深度检测4、钢筋锈蚀检测;5、钢筋保护层厚度检测。
1.1.2静载荷载试验1、检验主梁结构最大正弯矩截面正截面强度;2、检验主梁结构最大挠度控制截面竖向刚度。
1.1.3动载荷载试验max,对数衰减率δ与阻尼比ζ;(1)结构振动的最大振幅值A(2)结构振型的测定,结构的固有频率0f;(3)汽车不同运行速度时的冲击系数 。
报告编号:桥-110004AB涌4#桥常规定期检测报告广州市市维建设工程检测服务中心二○一二年一月九日AB涌4#桥桥梁常规定期检测报告工程名称:荔湾区桥梁常规定期检测委托单位:广州开发区市政工程公司试验类别:普通检查检测时间:2012年01月09日报告总页数:共12页(含此页)报告编号:110004(流水编号)广州市市维建设工程检测服务中心二○一二年一月九日AB涌4#桥桥梁常规定期检测报告声明:1.本报告涂改、换页无效。
2.未经本广州市市维建设工程检测服务中心书面批准,不得部分复制试验报告(完整复制除外)。
检测单位:广州市市维建设工程检测服务中心地址:广州市礼岗路2-(3、4、5)号首层邮编:510250电话:传真:目录一、桥梁概况 (4)二、检测目的 (6)三、检测依据 (6)四、检测内容 (6)五、检测说明 (8)六、桥梁常规定期检测 (8)桥面系检测 (8)上部结构检测 (9)下部结构检测 (10)其它 (11)七、 BCI评定结果 (11)全桥评分 (11)线路评分 (12)构件扣分 (12)八、病害原因分析 (12)九、结论 (12)十、建议 (12)常规定期检测报告一、桥梁概况AB涌4#桥位于桥中北路38号。
该桥的类型长度为12.1m,宽度为8.5m,上部结构为钢筋混凝土板,浆砌片石桥台。
图1-1桥梁的概况图1-2平面示意图(单位:m)图1-3立面示意图(单位:m)图1-4断面示意图(单位:m)二、检测目的根据桥梁实际状况并结合业主的要求,为保障桥梁运营安全,对桥梁进行常规定期检测,对桥梁总体技术状况进行综合评价,分析桥梁病害形成原因,并提出相应的养护、维修、加固及改扩建等建议。
三、检测依据(1)《城市桥梁养护技术规范》(CJJ99-2003);(2)《城市桥梁养护技术规程》(DBJ440100 /T22-2009广州市地方技术规范);四、检测内容桥梁常规检测包括以下内容:(1)桥面系构造的检查:铺装层纵、横坡是否顺适,有无脱皮露骨、骨料松散、泛油、严重裂缝(网裂、纵横裂缝)、破碎、坑槽、洞穴、波浪、防水层漏水。
连云港市国省干线桥梁S345六支渠桥定期检查评定报告报告编号:二〇一八年三月七日目录1.0项目概况 (3)2.0桥梁检查评定的目的与依据 (3)2.1桥梁定期检查评定的目的 (3)2.2桥梁检查评定的依据 (4)3.0项目实施情况、检查方法及检查的主要内容 (5)3.1项目实施情况 (5)3.2检查方法 (5)3.3检查的主要内容 (6)4.0桥梁技术状况评定方法 (6)4.1桥梁技术状况评定标准 (6)4.2桥梁技术状况评定方法 (6)4.3桥梁技术状况等级分类 (7)4.4桥梁技术状况评定工作流程 (8)4.5桥梁技术状况评分分类 (9)5.0主要技术人员 (10)6.0主要仪器设备 (10)7.0本报告桥梁编号情况 (10)8.0外观检查及评定结果 (12)8.1外观检查结果汇总 (12)8.2桥梁技术状况评定 (14)9.0病害成因分析 (15)10.0建议 (15)附件 15附件1:外观缺损检查统计表 (15)附件2:桥梁病害图片索引 (15)1.0项目概况的检查、评定工作,桥梁概况见下表。
表1.0-1六支渠桥信息表线路编码S345 线路名称堆灌线桥梁编号S345320724L0250 桥梁桩号K37+296主桥结构空心板梁养护单位连云港市灌南县公路管理站竣工年月2012桥梁长度30 m 桥梁宽度24.5 m 跨径组合3×10 m 车行道净宽21.5 m 伸缩缝 4 道类型型钢伸缩缝人行道净宽/ m 支座264 个类型橡胶支座主梁共 3 跨共66 片类型PC空心板梁桥墩 4 个类型钢筋混凝土,多柱墩桥台 4 个类型钢筋混凝土,多柱墩桥墩基础 4 个类型钻孔灌注桩桥台基础 4 个类型钻孔灌注桩桥面铺装类型沥青混凝土栏杆类型钢筋混凝土路线等级/ 设计荷载公路-I级中央分隔带/ 下穿通道本次检查日期2018-3图1.0-1 正面图图1.0-2 侧面图2.0桥梁检查评定的目的与依据2.1桥梁定期检查评定的目的随着我国公路通车里程的迅速增加,如何管好、养好公路,充分发挥公路的社会效益,成为人们愈来愈关心的问题,全面调查、检查公路的运营和使用及结构物现状,建立公路现状数据库,为公路的养护管理提供依据,能使公路更好地发挥其功效。
双永高速公路A1标久鸣1#大桥外观检查报告西安长大公路工程检测中心福建省交通建设工程试验检测中心2012年6月20日检测单位: 西安长大公路工程检测中心福建省交通建设工程试验检测中心批准:项目负责人:审核:本报告编写人:参加检测人员:目录一、工程概况 (4)二、检查依据 (4)三、检查方法与检查内容 (4)四、桥梁外观检查结果 (7)五、建议 (8)六、外观检查主要缺陷描述 (9)按照交通部《公路工程质量监督规定》(交通部2005年第4号令)、《公路工程竣(交)工验收办法》(交通部2004年第三号令)、《关于贯彻执行公路工程竣交工验收办法有关事宜的通知》(交公路发[2004]446号)和《公路工程竣(交)工验收办法实施细则》(2010年第65号令)的有关规定,受福建省交通质监局的委托,西安长大公路工程检测中心和福建省交通建设工程试验检测中心于2012年6月20日对双永高速公路A1标久鸣1#大桥外观检查,具体的检查概况和检查结果报告如下:一、工程概况本桥左线桥起点桩号ZK103+663.341,终点桩号ZK103+811.341,桥长148米;桥型布置为4×35米预应力砼连续刚构T梁;右线桥起点桩号YK103+671,终点桩号ZK103+819,桥长148米;桥型布置为4×35米预应力砼连续刚构T梁。
桥墩采用柱式墩,桩基采用钻孔灌注桩基础,桥台采用柱式台、板凳台、钻孔灌注桩基础。
二、检查依据现场桥梁外观检查依据以下标准与规范:⑴《公路工程质量监督规定》(交通部2005年第4号令);⑵《公路工程竣(交)工验收办法》(交通部2004年第三号令);⑶《公路工程质量检验评定标准》(JTG F80/1-2004);⑷《公路桥涵养护技术规范》(JTG H11-2004);⑸《公路桥涵施工技术规范》(JTG/T F50-2011);⑹《公路工程竣(交)工验收办法实施细则》(2010年第65号令)⑺《公路桥梁板式橡胶支座》JT/T4-2004;⑻《公路桥梁盆式橡胶支座》JT391-1999;⑼双永高速公路A1标合同段施工设计图纸;(10)《双永高速公路交工验收检测合同》。
普通桥梁总体现场质量检验报告单承包单位监理单位合同号.编号结构物测量成果检验报告单承包单位监理单位合同号.编号钻孔灌注桩钢护筒制安现场质量检验报告单承包单位监理单位合同号.编号钻孔灌注桩成孔后灌注混凝土前现场质量检验报告单承包单位监理单位合同号.编号注:对于摩擦桩项3不填。
钻孔灌注桩内钢筋笼骨架制安现场质量检验报告单承包单位监理单位合同号.编号钻孔灌注桩成桩现场质量检验报告单承包单位监理单位合同号.编号一般钢筋骨架制作安装现场质量检验报告单承包单位监理单位合同号.编号钢筋网制安现场质量检验报告单承包单位监理单位合同号.编号混凝土结构模板现场质量检验报告单承包单位监理单位合同号.编号后张法预应力筋加工及张拉现场质量检验报告单承包单位监理单位合同号.编号基础砼封底现场质量检验报告单承包单位监理单位合同号.编号承台现场质量检验报告单承包单位监理单位合同号.编号墩身/台身现场质量检验报告单承包单位监理单位合同号.编号双柱式/双壁式/薄壁式桥墩现场质量检验报告单承包单位监理单位合同号.编号墩帽/台帽/盖梁/塔冠现场质量检验报告单承包单位监理单位合同号.编号支座垫石现场质量检验报告单承包单位监理单位合同号.编号普通支座安装现场质量检验报告单承包单位监理单位合同号.编号就地现浇箱梁现场质量检验报告单承包单位监理单位合同号.编号悬臂浇筑箱梁现场质量检验报告单承包单位监理单位合同号.编号高速公路改扩建项目箱梁预制现场质量检验报告单承包单位监理单位合同号.编号20箱梁安装现场质量检验报告单承包单位监理单位合同号.编号土工合成材料处治层工程现场质量检验报告单(一)(加筋工程)承包单位监理单位合同号.编号土工合成材料处治层工程现场质量检验报告单(二)(隔离工程)承包单位监理单位合同号.编号土工合成材料处治层工程现场质量检验报告单(三)(过滤排水)承包单位监理单位合同号.编号土工合成材料处治层工程现场质量检验报告单(四)(防裂工程)承包单位监理单位合同号.编号土方路基工程现场质量检验报告单承包单位监理单位合同号.编号石方路基工程现场质量检验报告单承包单位监理单位合同号.编号级配砂砾填筑(水密法施工)现场质量检验报告单承包单位监理单位合同号.编号软土地基处治工程现场质量检验报告单(砂、碎石垫层)承包单位监理单位合同号.编号涵洞总体工程现场质量检验报告单承包单位监理单位合同号.编号涵台工程现场质量检验报告单承包单位监理单位合同号.编号管道基础及管节安装现场质量检验表承包单位监理单位合同号.编号小型预制构件施工质量检验表承包单位监理单位合同号.编号箱涵浇筑工程现场质量检验报告单承包单位监理单位合同号.编号一字墙和八字墙工程现场质量检验报告单承包单位监理单位合同号.编号锥坡现场质量检验报告单承包单位监理单位合同号.编号检查(雨水)井砌筑现场质量检验报告单承包单位监理单位合同号.编号路侧绿化现场质量检验报告单承包单位监理单位合同号.编号注:如系监理工程师抽检,则承包人自检意见栏不填写。
报告编号:BG-2016-QLDJ-007 国电大渡河大岗山水电站枢纽工区内永久与临时公路桥梁检测项目坝区下游交通大桥检查报告云南公投工程检测有限公司2017年12月报告编号:BG-2016-QLDJ-007 国电大渡河大岗山水电站枢纽工区内永久与临时公路桥梁检测项目坝区下游交通大桥检查报告编写:审核:批准:云南公投工程检测有限公司2017年12月声明1、本报告无红色“云南公投工程检测有限公司检测报告专用章”无效,无骑缝章无效;2、报告的部分使用或不完整使用无效。
3、本报告无编写、审核、批准签字无效。
4、本报告涂改、换页、漏页无效。
5、若对报告有异议或疑问,应于收到报告之日起十五日内向检测单位书面提供。
6、本报告仅对检测项目负责。
检测单位地址:云南省昆明市关上民航路495 号电话:1 传真:1邮政编码:650200 信箱(E—mail):目录一、项目概况................................................................................ 错误!未定义书签。
1.1 项目来源......................................................................... 错误!未定义书签。
1.2 工程概况......................................................................... 错误!未定义书签。
二、检查依据及执行标准............................................................ 错误!未定义书签。
三、检查组织情况........................................................................ 错误!未定义书签。
注意事项1.本报告每页都应盖有“检测专用章”或检测骑缝章,否则视为无效。
2.复制报告未重新加盖“检测专用章”或检测单位公章无效。
3.报告无检测、审核、批准人签字无效。
4.报告涂改无效,部分提供和部分复制检测报告无效。
5.对检测报告若有异议,应于本报告发出之日起十五天内向本中心提出,逾期不予受理。
6.对于送样检测,仅对来样的检测数据负责,不对来样所代表的批量产品的质量负责。
本中心通信地址:北京市海淀区西土城路8号邮政编码:100088电话:(010) 62079574传真:(010) 62079582Email:***************交通部公路工程检测中心检测报告编号:(桥检)字2011-099-078检测:审核:批准:主要参加人员目录1桥梁简介 (3)2 检测目的 (5)3 检测依据 (5)4检查内容及方法 (5)4.1检查内容 (5)4.2检查方法 (6)5 构件编号原则 (7)6桥梁技术状况检查 (8)6.1翼墙、耳墙 (8)6.2锥坡、护坡 (8)6.3桥台及基础 (8)6.4桥墩及基础 (11)6.5地基冲刷 (11)6.6支座 (11)6.7上部主要承重构件 (13)6.8上部一般构件 (14)6.10桥面铺装层 (14)6.11桥头与路堤连接部 (15)6.12伸缩缝 (15)6.13人行道 (15)6.14栏杆、护栏 (15)6.15灯具、标志 (15)6.16排水设施 (15)6.17调治构造物 (16)6.18其他 (16)7桥梁整体评价 (16)8 混凝土强度及碳化深度检测结果 (18)9结论及建议 (18)9.1结论 (18)9.2建议 (19)10附录 (20)附录A.桥梁基本状况卡片 (20)附录B.桥梁定期检查记录表 (23)附录C超声-回弹综合法检测混凝土抗压强度数据表 (27)附录D混凝土碳化深度实测值 (30)1桥梁简介1、概述110国道(“国道110线”“G110线”)起点为北京德胜门,终点为宁夏银川,全程1357km。
桥梁检测报告目录一、概述 (2)1. 报告目的 (2)2. 报告范围 (2)3. 报告方法 (3)二、桥梁基本情况 (4)1. 桥梁名称 (5)2. 桥梁类型 (5)3. 桥梁长度 (6)4. 桥梁宽度 (7)5. 桥梁结构型式 (7)三、桥梁检测内容 (8)1. 结构强度检测 (9)2. 结构刚度检测 (11)3. 结构稳定性检测 (11)4. 检测设备与方法 (12)5. 检测结果及分析 (13)四、桥梁承载能力评估 (14)1. 荷载试验方案 (15)2. 荷载试验结果分析 (16)3. 承载能力评定标准 (17)4. 承载能力评定结果 (18)五、桥梁缺陷与隐患分析 (19)1. 结构裂缝检测 (20)2. 结构变形检测 (21)3. 桥墩基础冲刷情况检测 (23)4. 桥梁结构腐蚀情况检测 (24)5. 缺陷与隐患处理建议 (25)六、桥梁维护及管理建议 (26)1. 维护建议 (27)2. 管理建议 (28)七、结论 (29)1. 检测总结 (29)2. 存在问题及建议 (30)一、概述本桥梁检测报告旨在对目标桥梁进行全面检测后,对桥梁的结构状况进行评估,明确桥梁当前的安全使用状况。
通过对桥梁进行的实地检测与实验室分析,综合判断桥梁可能存在的潜在问题及其严重程度,并提出针对性的维护和加固建议,确保桥梁的安全运营和使用寿命。
本次检测的内容涵盖了桥梁的外观、结构、材料性能等方面,以确保对桥梁的整体状况进行准确评估。
报告的目的是为决策者提供科学依据,以便制定合理的维修改造计划,保障人民群众生命财产安全。
1. 报告目的本份桥梁检测报告的目的是为了全面、准确地评估桥梁的结构状况、使用性能和安全性,为桥梁的维修、加固和改造提供科学依据。
通过对桥梁的各项指标进行检测和分析,我们将对桥梁的安全状况进行评估,为桥梁的维护和管理提供参考意见。
本报告还将对检测过程中的方法、技术和设备进行详细描述,以便为后续的桥梁检测工作提供经验和借鉴。
XX至 XX 高速公路交工验收质量检测报告(桥梁工程分册)目录一、任务来源及具体任务⋯⋯⋯⋯⋯⋯⋯⋯⋯⋯⋯⋯⋯⋯⋯⋯⋯ 2二、工程概况⋯⋯⋯⋯⋯⋯⋯⋯⋯⋯⋯⋯⋯⋯⋯⋯⋯⋯⋯⋯⋯⋯ 2三、检测方案⋯⋯⋯⋯⋯⋯⋯⋯⋯⋯⋯⋯⋯⋯⋯⋯⋯⋯⋯⋯⋯⋯ 2四、检测里程及位置⋯⋯⋯⋯⋯⋯⋯⋯⋯⋯⋯⋯⋯⋯⋯⋯⋯⋯⋯ 4五、检测数据统计说明及汇总⋯⋯⋯⋯⋯⋯⋯⋯⋯⋯⋯⋯⋯⋯⋯ 6 桥梁工程检测汇总附表⋯⋯⋯⋯⋯⋯⋯⋯⋯⋯⋯⋯⋯⋯⋯⋯⋯⋯8第 1 页共 28 页XX至 XX 高速公路交工验收质量检测报告(桥梁工程分册)一、任务来源及具体任务依据相关部颁文件及规范要求,根据 XXXXX高速公路有限公司《XXXXX省 XX至 XX高速公路工程竣(交)工实体质量检测服务协议书》及XXXXXX质量监督站 XXXX函[20XX] X 号《XXXXX省交通工程质量安全监督站关于XX至 XX高速公路交工质量检测方案的批复》,我公司于 20XX年 12 月组建交工检测验收小组承担XX 至 XX 高速公路的工程实体交工质量检测工作,检测的内容划分为:路基工程、路面工程、桥梁工程、隧道工程及交通安全设施工程实体质量检测。
本分册为桥梁工程分册,主要对桥梁工程实体按交工质量评定标准进行评定。
二、工程概况XX至 XX高速公路是 XX高速公路网规划中“ XX”XX 至 XX 的重要组成路段,同时也是交通部《泛珠江三角洲区域合作公路水路交通基础设施规划纲要》中“射 9”广州至昆明高速公路支线 XX-XX- XX-XX的组成部分。
经 XX镇、 XX镇、 XX乡,止于 XX附近,与 XX至 XX 高速公路相接,路线全长82.5 公里。
全线采用双向四车道高速公路标准建设,路基宽26 米,主线设计车速100 公里 / 小时。
三、检测方案1.检测项目及频率依据《关于印发公路工程竣(交)工验收办法实施细则的通知》(交公路发【 2010】65 号)及其附件 1《公路工程质量鉴定办法》的规定,以及XXXX监督站 XX路函 [20XX]X 号文的要求,桥梁工程交工工程实体检测的项目和频率见表1。
乡镇桥梁检查情况汇报
根据上级要求,我对所辖乡镇的桥梁进行了全面检查,并将检查情况进行如下
汇报。
首先,我们对乡镇内的所有桥梁进行了仔细的实地检查。
在检查过程中,我们
发现了一些问题。
首先是XX桥,我们发现其桥面存在裂缝,需要及时进行修补以确保通行安全。
其次是XX桥,我们发现其护栏存在锈蚀和松动现象,需要进行紧急维修。
此外,还有XX桥的桥墩出现了倾斜,需要立即进行加固处理。
总体来说,乡镇内的桥梁存在的安全隐患较多,需要及时处理。
其次,我们对桥梁的使用情况进行了调查。
根据我们的调查结果显示,部分桥
梁的通行量较大,特别是在雨季和旅游旺季,车辆和行人的通行量会大幅增加。
因此,对于这些通行量大的桥梁,我们需要加强日常巡查和维护工作,确保桥梁的安全使用。
另外,我们还对桥梁的周边环境进行了检查。
我们发现一些桥梁周边存在乱堆
放杂物的现象,这不仅影响了桥梁的美观,更可能对桥梁的安全造成隐患。
因此,我们需要对桥梁周边环境进行整治,确保周边环境的整洁和安全。
最后,针对以上发现的问题,我们已经制定了相应的整改计划。
我们将会立即
对存在安全隐患的桥梁进行维修,确保桥梁的安全通行。
同时,我们还将加强对桥梁的日常巡查和维护工作,确保桥梁的长期安全使用。
此外,我们还将会与相关部门合作,对桥梁周边环境进行整治,提升周边环境的整洁和美观。
总的来说,我对所辖乡镇的桥梁检查情况汇报如上。
我们将会按照上述整改计划,积极采取行动,确保乡镇内桥梁的安全使用。
希望上级部门能够给予支持和指导,共同努力,确保乡镇桥梁的安全畅通。
报告编号:桥梁检测报告委托单位:检测项目:XX 大桥承载能力检测委托编号:XX 公路研究所试验检测中心二○年月地址:邮编:电话:声明1.本报告首页需加盖检测专用章、CMA章及试验检测机构专用标识章,其它每页均应骑缝加盖检测专用章,否则无效;2.本报告签字手续不齐备者无效;3.本报告复印件无效;4.本报告涂改无效;5.对本报告有异议时,请于收到报告之日起十五日向我中心提出,逾期不予受理;6.本报告一式六份,均具有同等的效力。
报告编号:XX 桥梁检测报告撰写:复核:审核:签发:XX 公路研究所试验检测中心二○年月检测人员一览表目录1、前言 (1)2、概况 (1)3、检测目的和内容 (2)3.1检测目的 (2)3.2检测内容 (2)3.2.1外观检测内容 (2)3.2.2结构检算内容 (4)3.2.3静载试验检测内容 (4)3.2.4动载试验检测内容 (4)4、检测依据 (4)5、主要仪器设备 (4)5.1静态数据采集仪 (5)5.2动态数据采集仪 (7)6、检测方案 (10)6.1外观检测方案 (10)6.1.1 桥面系构造的检查 (10)6.1.2 上部结构的检查 (10)6.1.3 支座的检查 (11)6.1.4 下部结构的检查 (11)6.1.5 其他 (11)6.2结构检算方案 (11)6.3静载试验检测方案 (12)6.3.1 试验工况 (12)6.3.2 荷载效应分析 (12)6.3.3 加载方案及加载效率 (14)6.3.4 测试方案 (29)6.3.5 试验数据处理 (32)6.3.6 试验中注意的事项 (33)6.4动载试验检测方案 (34)6.4.1 理论计算 (34)6.4.2 动力特性测试方案 (35)6.4.3 冲击系数测试方案 (35)7、检测过程 (35)8、检测结果 (38)8.1外观检测结果 (38)8.1.1桥面系检测结果 (38)8.1.2上部结构检测结果 (39)8.1.3支座检测结果 (43)8.1.4下部结构检测结果 (43)8.1.5其他 (44)8.1.6小结 (44)8.2结构检算结果 (44)8.2.1结构内力计算结果 (44)8.2.2 承载能力检算结果 (48)8.2.3小结 (49)8.3静载试验结果 (49)8.3.1 支点变形 (49)8.3.2 挠度 (50)8.3.3 应变 (54)8.3.4荷载横向分布系数m (63)8.3.5小结 (65)8.3动载试验结果 (66)9、检测结论及建议 (67)9.1检测结论 (67)9.2检测建议 (68)国道316 XX 大桥检测报告1、前言XX 省公路局检测中心于2011年8月份对XXXX 大桥进行了检测,发现该桥横系梁混凝土出现破损,钢筋外露现象,影响该桥的正常使用性能。
某互通跨A匝道桥右幅2-4#梁静载试验检测报告发布时间:2022-09-20T02:23:01.980Z 来源:《建筑创作》2022年第4期2月作者:张建平[导读] 某互通A匝道桥为整体式桥梁。
左幅桥梁为正常整体式桥梁,右幅桥梁净宽加宽至13.625m。
张建平贵州宏信创达工程检测咨询有限公司,贵州贵阳 550000 1.工程简介某互通A匝道桥为整体式桥梁。
左幅桥梁为正常整体式桥梁,右幅桥梁净宽加宽至13.625m。
全桥为一联:桥长64.84m.,上部结构为3×20m预应力砼简支空心板。
桥台使用四氟滑板支座,桥墩采用板式橡胶支座,下部结构采用肋板式桥台配桩基础,柱式墩配桩基础。
汽车荷载:公路-Ⅰ级。
2.试验内容某互通A匝道桥为20m预应力混凝土简支空心板,根据委托单位要求,对右幅2-4#空心板进行单梁荷载试验,试验的主要测试项目有:(1)空心板的1/4截面、跨中、3/4截面的挠度、应变测试;(2)观察可能发生的裂缝并监控其发展情况。
3静载试验3.1 静载计算1、横向分布系数计算本次单梁试验的梁为某互通A匝道桥右幅2-4#空心板,桥梁的横向分布系数采用桥梁博士计算,经过计算,某互通A匝道桥右幅2-4#空心板的横向分布系数为0.226。
2、恒载内力及活载计算某互通A匝道桥右幅2-4#空心板的二期恒载按10cm的沥青铺装层和10cm的水泥砼铺装层计算,并计入湿接缝混凝土荷载,假定防撞护栏的重量全部由边板承担,右幅2-4#空心板的二期恒载按6.25kN/m计。
经计算右幅2-4#空心板的二期恒载以及汽车荷载作用下的荷载效应如下表6-2所示:表3-1 荷载效应表(单位:KN.m)3、冲击系数计算汽车的冲击系数:按《公路桥涵设计通用规范》第4.3.2条的规定进行计算,得出冲击系数为0.262。
3.2 试验加载方法采用预制的成捆钢绞线对试验梁进行加载,即在梁跨上对应位置施加均布荷载或集中荷载。
分别在跨A匝道桥右幅2-4#空心板的1/4截面、跨中、3/4截面的底部侧边缘粘贴电阻应变片,用应变测试仪测量加载过程中的应变变化情况;在空心板的1/4截面、跨中、3/4截面以及支座处设有百分表来测量空心板的挠度变化情况。
G11鹤大公路—K501+545—得力村中桥(右幅)桥梁定期检查报告桥梁定期检查结论及技术建议桥梁名称K501+545-得力村中桥(右幅)检查单位检测时间2015.6.25主要病害及原因1、主要病害为:(1)主梁掉角(2)主梁间铰缝砂浆脱落(3)桥墩、桥台水迹(4)桥面横向贯通裂缝(5)伸缩缝堵塞(6)防撞墙裂缝2、病害成因分析:(1)主梁掉角:初步分析由于混凝土浇筑后养护不好,棱角处混凝土水分被模板大量吸收,致使混凝土水化不好,强度降低,拆模时棱角被粘掉,出现混凝土掉角现象。
(2)主梁间铰缝砂浆脱落:空心板梁铰缝,多为干砌砂浆填充与预制梁粘结性不好,在车辆荷载的作用下导致其脱落。
(3)桥墩、桥台水迹:初步分析由于桥面伸缩缝止水带破损,桥面积水通过伸缩缝下渗至桥墩、桥台引起的。
(4)桥面横向贯通裂缝:初步分析是由于主梁收缩徐变引起桥面连续处主梁横向贯通裂缝。
(5)伸缩缝堵塞:日常养护不及时所致。
特殊检查结果1、抽检构件混凝土强度评定标度等于1。
2、实测线形、横向和纵向坡度均满足规范要求。
技术状况评定1、全桥技术状况评分为93.09,等级为2类。
2、上部结构评分为93.80,等级为2类;下部结构评分为93.26,等级为2类;桥面系评分为91.31,等级为2类。
技术建议(1)按照《公路养护技术规范》(JTG H10-2009)中要求需进行小修。
(2)修复主梁掉角。
(3)修复主梁间铰缝砂浆脱落处。
(4)修复桥墩、桥台处水迹。
(5)修复桥面横向贯通裂缝。
(6)清理堵塞的伸缩缝。
(7)修复防撞墙裂缝。
目录目录1桥梁概况 (1)1.1 桥梁概述 (1)1.2 基本概况及主要技术指标 (1)2外观检查 (2)2.1 构件编号方法 (2)2.2 上部结构 (3)2.3 下部结构 (5)2.4 桥面系 (7)3特殊检查结果 (10)3.1 混凝土强度检测 (10)3.2 线形测量 (10)3.2.1 桥梁测点选取 (10)3.2.2桥面线形测量 (11)4桥梁技术状况等级评定 (12)5病害成因分析 (15)5.1 主要病害 (15)5.2 病害成因分析 (15)6结论及建议 (16)6.1 外观检查结果汇总 (16)6.2 特殊检查结果 (16)6.3 桥梁技术状况评定 (16)6.4 结论与建议 (16)附录A. 桥梁基本状况卡片 (18)1 桥梁概况1.1桥梁概述K501+545-得力村中桥(右幅)位于鹤大公路K501+545处,该桥竣工于2008年10月,设计荷载为公路-Ⅰ级,桥面铺装为混凝土,上部结构为钢筋混凝土空心板,下部结构为桩柱式桥墩,轻型薄壁桥台,钻孔灌注桩基础,桥面横向布置为0.75m防护栏杆+10.5m行车道+0.75m防护栏杆,桥跨布置为3×13m钢筋混凝土空心板,桥梁全长43.0m。
桥梁桥面照见图1-1,立面照见图1-2。
图1-1 K501+545-得力村中桥(右幅)桥面照图1-2 K501+545-得力村中桥(右幅)立面照1.2基本概况及主要技术指标(1)设计单位:黑龙江省公路勘察设计院;(2)竣工日期:2008年10月;(3)荷载标准:公路-Ⅰ级;(4)桥面铺装:混凝土;(5)上部结构:3×13m钢筋混凝土空心板;(6)下部结构:桩柱式桥墩,轻型薄壁桥台,钻孔灌注桩基础;(7)桥面宽度:0.75m(防护栏杆)+10.5m(行车道)+0.75m(防护栏杆)。
2 外观检查为评定桥梁使用功能,制定管理养护计划,搜集桥梁养护管理系统所需的结构技术状况的动态数据,我公司对桥梁主体结构及其附属构造物的技术状况进行了全面检查。
所检桥梁均为在役桥梁,对于桥梁结构构件表观缺陷状况,参照《公路桥梁技术状况评定标准》(JTG/T H21-2011)及《公路桥涵养护规范》(JTG H11-2004)中桥梁检查规定的要点,按照桥梁各结构部件的划分,对桥梁外观使用状况进行现场检查和评定。
对于桥梁结构构件的表观缺陷状况,参照交通部《公路桥梁技术状况评定标准》(JTG/T H21-2011)中桥梁检查规定的要点,按照桥梁各结构部件的划分,对桥梁外观使用状况进行现场检查、打分、评分。
2.1构件编号方法(1)主梁编号:本次检测以小桩号至大桩号为前进方向,主梁按桥梁前进方向自右侧向左侧递增编号,即从桥梁右侧开始,编号依次为1#梁、2#梁、3#梁、……,如1-1#梁表示为第1跨1#梁。
(2)若梁间有铰缝,则铰缝编号为幅i跨j#和j+1#梁间铰缝,如1-2#铰缝代表第1跨,2#与3#梁之间的铰缝。
(3)若有横隔板(梁):每跨每两片梁之间横隔板(梁)作为一道计算编号,幅i跨j#梁与j+1#梁间m道横隔板,如左2-1-2#横隔板(梁)表示右幅第2跨1#梁与2#梁之间沿前进方向第2道横隔板。
(4)支座编号:从桥梁左侧开始编号,i跨j墩(台)k#支座,表示为前进方向i-j-k#支座;如左3-3-5#支座表示前进方向左侧第3跨第3#墩上第5#支座。
(5)伸缩缝:自前进方向由右向左开始编号,如:左1#代表右幅第一道伸缩缝。
(6)其它未涉及的构件如需编号,均从1开始。
按照小里程到大里程方向以及从左至右的顺序进行编号。
2.2上部结构详细检查结果如图2-1~图2-8,见表2-1。
表2-1 上部结构病害检查结果表序号构件病害种类病害描述1掉角1-5#主梁掉角,S=0.03m2,见图2-1主梁2掉角2-7#主梁掉角,S=0.01m2,见图2-23铰缝砂浆脱落多处铰缝砂浆脱落,L=25m,见图2-3~2-6 (1)上部承重构件经检测,全桥2处主梁掉角,病害检查结果,如图2-1~2-2所示。
图2-1 主梁掉角(1)图2-2 主梁掉角(2)(2)上部一般构件经检测,主梁间4处砂浆脱落,病害检查结果,如图2-3~2-6所示。
图2-3 铰缝砂浆脱落(1)图2-4 铰缝砂浆脱落(2)图2-5 铰缝砂浆脱落(3)图2-6 铰缝砂浆脱落(4)(3)支座经检测,全桥支座完好,如图2-7~2-8所示。
图2-7 支座完好(1)图2-8 支座完好(2)(4)上部结构技术状况评分对上部结构的各个部件进行检测后,根据《公路桥梁技术状况评定标准》(JTG/T H21-2011)对上部结构进行打分,评定结果见表2-2。
表2-2 上部结构技术状况评分表部位部件名称 部件 权重 重新分配后权重 部件得分 结构分部得分 结构得分上部结构SPCI上部主要承重构件0.700.7093.7565.6393.80上部一般构件0.180.1889.8716.18支座0.120.12100.0012.002.3 下部结构详细检查结果如图2-9~图2-14,见表2-3。
表2-3 下部结构病害检查结果表序号 构件 病害种类 病害描述1 桥墩水迹 1#桥墩盖梁水迹,S=4.4m 2,见图2-11 2 水迹 2#桥墩盖梁水迹,S=7.4m 2,见图2-12 3 桥台水迹 0#桥台水迹,S=5.4m 2,见图2-13 4水迹1#桥台水迹,S=8.8m 2,见图2-14(1)翼墙、耳墙经检测,翼墙、耳墙完好。
(2)锥坡、护坡 完好。
图2-9 0#锥坡现状图图2-10 1#锥坡现状图(3)桥墩经检测,桥墩盖梁2处水迹,病害检查结果,如图2-11~2-12所示。
图2-11 1#桥墩盖梁水迹图2-12 2#桥墩盖梁水迹(4)桥台经检测,桥台2处水迹,病害检查结果,如图2-13~2-14所示。
图2-13 0#桥台水迹图2-14 3#桥台水迹(5)墩台基础完好。
(6)河床无。
(7)调治构造物无。
(8)下部结构评定对下部结构的各个部件进行检测后,根据《公路桥梁技术状况评定标准》(JTG/TH21-2011)对下部结构进行打分,评定结果见表2-4。
表2-4 下部结构技术状况评分表部位部件名称 部件 权重 重新分配后权重 部件得分 结构分部得分 结构得分下部结构 SBCI翼墙、耳墙 0.02 0.03 100.00 3.00 93.26 锥坡、护坡0.01 0.02 98.31 1.97桥墩0.30 0.00 95.36 0.00 桥台 0.30 0.49 90.31 44.25 墩台基础 0.28 0.46 95.74 44.04 河床 0.07 0.00 100.00 0.00 调治构造物0.020.00100.000.002.4 桥面系详细检查结果如图2-15~2-20,见表2-5。
表2-5 桥面系病害检查结果表序号 构件 病害种类 病害描述1 桥面 裂缝 桥面横向贯通裂缝,L=21m ,见图2-15~2-162 伸缩缝 堵塞 2处伸缩缝堵塞,L=20m ,见图2-17~2-18 3防撞墙裂缝2处防撞墙裂缝,L=1.2m ,见图2-19~2-20(1)桥面铺装经检测,桥面2处横向贯通裂缝,病害检查结果,如图2-15~2-16所示。
图2-15 桥面横向贯通裂缝(1)图2-16 桥面横向贯通裂缝(2)(2)伸缩装置经检测,2处伸缩缝堵塞,病害检查结果,如图2-17~2-18所示。
图2-17 1#伸缩缝堵塞图2-18 2#伸缩缝堵塞(3)人行道无。
(4)栏杆、护栏、防抛网经检测,2处防撞墙裂缝,病害检查结果,如图2-19~2-20所示。
图2-19 防撞墙裂缝(1)图2-20 防撞墙裂缝(2)(5)防排水系统完好。
(6)照明标志无。
(7)桥面系技术状况评分对桥面系的各个部件进行检测后,根据《公路桥梁技术状况评定标准》(JTG/TH21-2011)对桥面系进行打分,评定结果见表2-6。
表2-6 桥面系状况评分表部位部件名称部件权重重新分配后权重部件得分结构分部得分结构得分桥面系BDCI桥面铺装0.40 0.47 88.35 41.5291.31 伸缩缝装置0.25 0.29 90.25 26.17 人行道0.10 0.00 100.00 0.00栏杆、护栏0.10 0.12 96.78 11.61排水系统0.10 0.12 100.00 12.00照明、标志0.05 0.00 100.00 0.003 特殊检查结果3.1混凝土强度检测根据《回弹法检测混凝土抗压强度技术规程》(JGJ/T23-2011)要求,本次检测选取桥台、主梁布置混凝土回弹测区,各构件测区数均不小于10个。
混凝土回弹测区均为20cm×20cm正方形,每个测区测试16个测点,并在各个构件的回弹测区中任意选取30%以上测区测量混凝土碳化深度。
检测结果详见表3-1。
表3-1 混凝土强度检测结果表构件名称平均值(MPa)标准差平均碳化深度(mm)强度推定值(MPa)设计强度等级推定强度匀质系数平均强度匀质系数评定标度0#桥台侧面30.5 1.7 3.0 27.70 30 0.92 1.02 21#桥台侧面35.5 1.2 3.5 33.58 30 1.12 1.18 1 1-1#梁底45.0 1.0 2.0 43.39 40 1.08 1.13 1 1-3#梁底44.0 1.3 1.5 41.83 40 1.05 1.10 1 1-5#梁底43.0 0.5 2.0 42.15 40 1.05 1.08 1 1-9#梁底40.0 1.2 2.0 37.95 40 0.95 1.00 2 注:该桥测试构件的混凝土龄期均超出了规程要求的14~1000天适用条件,因此抽取的构件混凝土强度推定值仅供参考。