质量技术监督局特种设备安全责任清单
- 格式:doc
- 大小:32.50 KB
- 文档页数:6
特种设备主要类别安全风险管控责任清单(压力容器)特种设备主要类别安全风险管控责任清单(压力容器)如下:1. 设备管理责任:a. 管理并监督压力容器的运行、维护及检修工作。
b. 制定并落实设备操作规程和操作规范。
c. 负责设备的定期检查、试运行、维护以及必要的故障排除。
d. 确保运行人员具备相应的资质和技能,并提供必要的培训。
e. 建立并维护设备的档案和技术资料,包括设备的操作手册、维护记录等。
2. 安全管理责任:a. 根据国家相关法律法规,制定并落实安全管理制度,明确安全责任和安全操作规程。
b. 建立并维护压力容器的安全检测记录,确保按期进行压力容器的检验和检测。
c. 定期检查设备周围的安全环境,确保消防设施、疏散通道等的正常使用。
d. 指导员工正确使用和操作压力容器,提供必要的安全培训。
e. 确保设备的安全操作和维护,及时处理设备的安全隐患。
3. 应急管理责任:a. 制定并实施安全事故应急预案,做好应急救援准备工作。
b. 定期组织应急演练,提高应急响应能力。
c. 建立并维护应急救援设备和物资的库存,确保及时有效地应对安全事故。
4. 质量管理责任:a. 确保压力容器的制造、维修和检验符合国家相关标准和规定。
b. 定期评估和提升压力容器的质量管理水平。
c. 管理并做好压力容器的质量问题记录,及时整改并防止再次发生。
5. 监管部门责任:a. 对压力容器进行监管,并按规定进行定期检验和抽查。
b. 对违法违规行为进行查处,并采取相应的处罚措施。
c. 组织压力容器的技术交流和培训,提升监管水平和监督能力。
以上为压力容器的安全风险管控责任清单,企业和相关部门应根据实际情况制定具体的责任清单,并确保责任落实到位,以保障压力容器的安全运行。
特种设备安全生产主体责任清单根据《中华人民共和国安全生产法》、《中华人民共和国特种设备安全法》、《特种设备安全监察条例》、《山东省特种设备安全条例》《特种设备使用管理规则》等法律、法规及规范规定,承担安全生产主体责任:一、严格执行《中华人民共和国特种设备安全法》和其他有关国家安全生产法律、法规、规章、规程、标准和技术规范,加强特种设备安全和节能管理,落实特种设备安全生产主体责任,提高特种设备安全生产管理水平并建立长效机制。
二、建立健全特种设备安全、节能管理制度和岗位安全、节能责任制度,以及操作规程。
逐级逐项分清安全生产责任,明确各岗位的责任人员、责任范围和考核标准,自觉对安全生产责任制落实情况进行检查、考核、督办,确保安全生产责任落细落实。
三、按规定设置特种设备安全管理机构,配备专职(或兼职)特种设备安全管理人员,落实安全管理资金,规范安全管理物资,做到特种设备安全所需资金、人员、物资、技术投入到位。
定期研究、改进特种设备安全管理事项,分析安全生产形势,解决安全生产难题。
四、不断改善安全生产条件,配齐安全管理人员,安全生产管理人员和特种设备作业人员应参加相应的安全教育培训并取得资格证书,持证上岗,同时确保安全管理人员和作业人员证件在有效期内,对特种设备作业人员作业情况进行检查,及时纠正违章作业行为。
五、建立隐患排查治理常态机制,按照《山东省特种设备风险分级管控和隐患排查治理体系建设评估指导细则(试行)》的要求,开展风险分级管控和隐患排查治理工作,做到安全隐患自查、自改、自报,在特种设备出现故障或者发生异常时,要进行全面检查,消除事故隐患,实现隐患排查治理和闭环管理。
编制涵盖特种设备的风险分级管控清单,标识完善风险点、重大危险源,管控责任单位、责任人员等信息并及时更新。
六、建立特种设备安全技术档案。
包括特种设备台账、安全附件台账、特种设备作业人员台账、隐患排查治理台账、定期自行检查记录和定期检验报告、日常使用状况记录、特种设备及其附属仪器仪表维护保养记录、安全教育培训记录、应急救援演练记录;特种设备安全附件和安全保护装置校验、检修、更换记录和有关报告;特种设备运行故障和事故记录及事故处理报告;特种设备使用登记证、使用登记表,设计文件、产品质量合格证明、安装及使用维护保养说明、监督检验证书等技术资料和文件;特种设备安装、改造和修理的方案、图样、材料质量证明书和施工质量证明文件、安装改造修理监督检验报告、验收报告等技术资料,做到基数清楚、档案齐全。
特种设备法律、法规和安全技术规范(新)(1)《特种设备安全法》(2)《特种设备安全监察条例》(3)《国家质量监督检验检疫总局关于修改〈特种设备作业人员监督管理办法〉的决定》(质检总局第140号令)(4)《质检总局关于修订〈特种设备目录〉的公告》(2014年第114号)(5)《市场监管总局关于特种设备行政许可有关事项的公告》(2023年第41号)(6)《特种设备使用单位落实质量安全主体责任监督管理规定》(2023年4月4日国家市场监督管理总局令第74号公布自2023年5月5日起施行)(7)《特种设备使用管理规则》(TSG08-2017)(9)《锅炉安全技术规程》(TSG11-2023)(10)《固定式压力容器安全技术监察规程》(TSG21-2016)(11)《移动式压力容器安全技术监察规程》(TSGR0005-2011)(12)《气瓶安全技术规程》(TSG23-2023)(13)《压力管道安全技术监察规程一工业管道》(TSGD0001-2009) (15)《压力管道监督检验规则》(TSGD7006-2023)(18)《起重机械安全技术规程》(TSG51-2023)(19)《场(厂)内专用机动车辆安全技术规程》(TSG81-2023)(20)《电梯维护保养规则》(TSGT5002-2017)(21)《爆破片装置安全技术监察规程》(TSGZF003-2011)(22)《安全阀安全技术监察规程》(TSGZF001-2006)(23)《特种设备无损检测人员考核规则》(TSGZ8001-2019)(24)《特种设备作业人员考核规则》(TSGZ6001-2019)(25)《特种设备作业人员考核规则》(TSGZ6001-2019)(26)《特种设备生产和充装单位许可规则》(TSG07-2019)。
特种设备安全责任制度范本一、总则为加强特种设备的安全管理,保障人员生命财产安全,提高特种设备的运行效率,根据《特种设备安全法》及相关法律法规的规定,制定本特种设备安全责任制度。
二、安全责任1. 特种设备使用单位(以下简称使用单位)是特种设备安全的主体,应加强对特种设备的安全管理工作,落实安全责任。
使用单位应设立安全管理部门或明确专人负责特种设备的日常安全管理工作,并制定专门的安全管理制度。
2. 使用单位负责人应对特种设备的安全工作负总责,确保特种设备的安全运行。
负责人要重视特种设备安全,严格遵守法律法规,推行安全文化,营造安全的工作氛围。
3. 特种设备管理人员应严格履行职责,具体负责特种设备的安全管理工作。
管理人员要熟悉相关法律法规,加强学习培训,提高自身的专业素质,保证能够胜任特种设备的安全管理工作。
4. 特种设备操作人员必须经过相关岗位培训和考核合格,持有相应的操作证件方可上岗操作,严禁无证上岗。
操作人员应熟悉操作规程,严格按照规定操作特种设备,不得擅自修改设备参数。
5. 特种设备维修保养人员必须经过相关培训和考核合格,持有相应的维修保养证件方可从事维修保养工作。
维修保养人员要按照维修保养程序操作,及时排查设备隐患,确保设备的正常运行。
三、安全措施1. 使用单位应根据特种设备的不同类型和用途,制定相应的安全管理制度和操作规程。
制度和规程应明确特种设备的安全管理要求,操作步骤和注意事项,以及设备的日常维护保养要求。
2. 使用单位应定期对特种设备进行检测检验和定期保养维护,确保特种设备的安全性能达到标准要求。
使用单位要建立合理的维修保养记录,及时记录设备的运行情况和维修保养的过程,并进行档案管理。
3. 特种设备的安全附件(如防爆安全门、压力表等)要经常检查和更新,确保其正常使用并符合安全要求。
对于老化、损坏的附件要及时更换,以避免出现安全风险。
4. 特种设备的使用人员要按照操作规程进行操作,不得违章操作或擅自改造设备。
特种设备安全责任状制度第一章总则第一条为了加强特种设备安全监督管理,保障人民群众生命财产安全,根据《中华人民共和国特种设备安全法》、《特种设备安全监察条例》等法律、法规,制定本制度。
第二条本制度所称特种设备,是指涉及生命安全、危险性较大的锅炉、压力容器(含气瓶)、压力管道、电梯、起重机械、场(厂)内专用机动车辆等。
第三条特种设备安全责任状制度是指特种设备使用单位依法建立健全特种设备安全管理制度,明确各级管理人员、操作人员和其他相关人员的安全生产职责,落实安全生产措施,确保特种设备安全运行。
第四条特种设备安全责任状制度适用于全国范围内的特种设备使用单位。
第二章安全责任第五条特种设备使用单位应当建立健全特种设备安全管理制度,明确特种设备的安全管理机构和人员,保障特种设备安全管理的必要条件。
第六条特种设备使用单位的主要负责人对本单位的特种设备安全全面负责,是特种设备安全的第一责任人。
第七条特种设备安全管理机构负责组织制定特种设备安全管理制度、操作规程和应急预案,组织实施特种设备的安全检查、维护保养和定期检验,对特种设备的安全运行进行监督管理。
第八条特种设备操作人员应当具备必要的特种设备安全知识和操作技能,取得特种设备作业人员证书,方可从事相应的特种设备操作工作。
第九条特种设备使用单位的其他相关人员应当了解特种设备的安全知识,遵守特种设备安全管理制度和操作规程,协助做好特种设备的安全工作。
第十条特种设备使用单位应当对其特种设备的安全管理人员、操作人员进行定期培训,提高特种设备安全管理水平。
第三章安全责任落实第十一条特种设备使用单位应当将特种设备安全责任状制度纳入单位内部考核体系,对履行安全责任情况进行定期检查和评价。
第十二条特种设备使用单位应当建立健全特种设备安全档案,记录特种设备的安全管理情况,包括:设备的基本情况、定期检验记录、维护保养记录、事故处理记录等。
第十三条特种设备使用单位应当定期组织特种设备安全演练,提高应对突发事件的能力。
安全生产的企业特种设备主体责任清单企业作为特种设备使用和管理的主体,必须承担相应的安全生产责任。
为确保特种设备的安全运行,企业需明确各部门和人员的职责,建立健全的特种设备管理制度。
以下是一份企业特种设备主体责任清单,供参考。
一、企业主要负责人1. 负责制定企业特种设备管理制度和安全操作规程。
2. 确保特种设备安全投入,包括设备更新、维修、检验等。
3. 定期组织特种设备安全培训和演练。
4. 对特种设备事故进行调查处理,并报告相关部门。
二、特种设备管理部门1. 负责企业特种设备的日常管理和维护保养。
2. 严格执行特种设备安全操作规程,确保设备安全运行。
3. 定期对特种设备进行安全检查和风险评估。
4. 负责特种设备作业人员的培训和资格审核。
三、特种设备操作人员1. 严格遵守特种设备安全操作规程,正确使用设备。
2. 定期进行设备检查和维护,发现问题及时上报。
3. 参与特种设备事故的调查处理,提供相关资料。
四、安全监管部门1. 对企业特种设备安全工作进行监督和检查。
2. 指导企业开展特种设备安全培训和演练。
3. 对特种设备事故进行调查处理,并提出整改措施。
五、第三方检测机构1. 定期对企业的特种设备进行安全检验。
2. 对特种设备事故进行技术分析,提供专业意见。
六、其他相关部门和人员1. 人力资源部门:负责特种设备作业人员的招聘、培训和考核。
2. 财务部门:负责特种设备安全投入的预算和资金保障。
3. 采购部门:负责特种设备及配件的采购,确保设备质量。
七、责任落实与考核1. 企业应建立健全责任追究制度,对未履行职责的人员进行问责。
2. 定期对特种设备安全工作进行考核,确保责任落实。
3. 对在特种设备安全管理工作中取得优异成绩的部门和个人给予奖励。
通过以上清单,企业可以明确各部门和人员的职责,确保特种设备安全管理工作得到有效落实。
同时,企业还需根据实际情况不断完善和调整清单内容,以适应安全生产的需要。
特种设备作业人员安全生产责任范本一、安全意识1. 作业人员应具备强烈的安全意识,保持自身安全和他人安全的责任意识。
2. 作业人员应时刻关注工作环境和设备状态,及时发现并报告存在的安全隐患。
3. 作业人员应遵守相关法律法规和安全操作规程,不得违规操作。
二、安全技能1. 作业人员应熟悉特种设备的工作原理、操作步骤和安全要求。
2. 作业人员应持证上岗,在进行特种设备作业前,必须具备相应的操作资格证书。
3. 作业人员应不断提升自己的技能水平,参加培训和学习,保持与设备技术的同步。
三、操作规程1. 作业人员应按照特种设备操作规程进行作业,并在作业前对设备进行检查和试运行。
2. 作业人员应经常保养特种设备,保持设备的良好状态,确保设备的正常运行。
3. 作业人员应按照设备的操作手册正确操作设备,严禁擅自修改设备参数或操作方式。
四、应急措施1. 作业人员应熟悉特种设备的应急处理方法和设备停止运行的紧急制动装置。
2. 作业人员应掌握正确的逃生方法和灭火技能,并随时保持对应急设施的观察和保养。
3. 作业人员应及时向上级报告意外事故和安全事故,并积极参与事故调查与处理。
五、安全检查1. 作业人员应定期对特种设备进行安全检查,并及时记录检查结果和处理情况。
2. 作业人员应按照上级安排参与安全检查工作,积极配合安全监管部门的检查工作。
3. 作业人员应对自己的操作过程进行自查,以确保每次作业都符合安全要求。
六、安全培训1. 作业人员应定期参加特种设备安全培训,了解最新的安全技术和操作规程。
2. 作业人员应积极参与工作单位组织的安全生产知识培训,增强自身的安全意识和能力。
3. 作业人员应将所学到的安全知识应用于实际工作中,同时向同事传授安全技能。
七、安全责任1. 作业人员对自己的作业安全负主要责任,必须保护好自己的生命安全和身体健康。
2. 作业人员对他人的安全也负有重要责任,应相互配合,共同维护安全生产环境。
3. 作业人员应积极参与安全管理活动,发挥自身的聪明才智,提出安全改进建议。
黄河建工质量安全责任清单制度为落实市城乡建设委员会建筑工程管理局《关于推行质量安全责任清单制度的通知》(青建管质字〔2017〕36号)等文件,市建委建管局提高工程建设质量安全管理水平为目标,强化企业主体责任落实,提高工程建设质量安全管理水平,决定推行质量安全责任清单制度,着力构建建筑业质量安全监管"模式",全面打造城乡建设"标准"的要求。
为能够牢固树立"质量安全是企业第一责任,企业是质量安全责任第一主体"观念,明确公司自身应当履行的质量安全责任,善于主动发现问题、及时解决问题,做到组织机构健全、管理体系完善、责任执行到位。
全面树立"质量安全全员负责"观念,坚持把质量安全责任贯穿于工作的全过程,每个岗位都明确质量安全责任,人人肩负质量安全职责,人人落实质量安全责任,实现质量安全管理全员化。
经公司总经理办公会议研究决定,建立公司质量安全责任清单制度,依据法律法规、标准规等要求和工程管理实际,编制、建立公司、项目质量安全责任清单,明确公司主要领导、公司质量安全管理机构、项目总监及项目监理人员的工作围、重点事项及工作标准,提高现场监理人员的责任履行意识和责任监督意识。
一、公司质量、安全管理机构的建立:公司法人代表:袁立公司总经理:效南公司技术负责人:石岭1.公司质量管理机构:公司质量管理机构负责人:石岭公司质量管理机构成员:福泉、耿瑞润、成勇等。
2.公司安全管理机构:公司安全管理机构负责人:何月伟公司安全管理机构成员:毛统、洪刚、学森、焕仁等。
公司质量、安全管理组织架构图黄河建工质量安全责任清单黄河建工 2017年8月15日。
特种设备风险管控清单引言本文档旨在介绍《特种设备风险管控清单》的目的和背景,并提供对全文结构的概述。
特种设备风险管控是保障特种设备运行安全的关键环节。
为了缩小特种设备使用过程中出现的安全风险,本文档提供了一套清单,用于指导特种设备的风险管控工作。
本文档将首先介绍特种设备风险管控的背景和重要性,然后提供一份详尽的特种设备风险管控清单。
该清单包括了特种设备的各个方面,涵盖了设备的安全设计、操作规程、维护保养等各个环节。
使用此清单可以帮助特种设备运营者建立完善的风险管控措施,降低运营风险,提升安全水平。
本文档的目标是提供一份简明扼要的特种设备风险管控清单,无需涉及复杂的法律问题。
在撰写本文档时,没有引用无法确认真实性的内容。
请按照以下大纲继续扩写文档内容。
背景和重要性特种设备的定义和分类特种设备风险管控的意义和目标特种设备风险管控清单设备安全设计要求操作规程和培训要求定期检查和维护保养要求应急预案和事故报告要求监督检查和评估要求清单使用指南如何使用特种设备风险管控清单清单的更新和持续改进结论特种设备风险管控的重要性再强调鼓励特种设备运营者使用该清单进行风险管控请根据以上大纲继续扩写具体内容。
方法和工具风险识别和评估是特种设备风险管控的重要环节。
在进行风险识别和评估时,可以采用以下方法和工具:审查特种设备及相关资料:仔细审查特种设备的技术规范、操作手册、维修记录等资料,了解设备的特性和使用要求,识别可能存在的风险。
专家咨询:请相关领域的专家参与风险识别和评估工作,借助他们的经验和专业知识,更全面地评估风险。
法规和标准参考:参考相关的法规和标准,如《特种设备安全法》等,了解对特种设备风险的评估要求和指导。
风险评估工具:利用适当的风险评估工具,如风险矩阵、风险评分模型等,对特种设备的风险进行定量或定性评估。
考虑因素在进行特种设备风险评估时,需要考虑以下因素:设备特性:特种设备的类型、规模、技术参数等特性对风险的产生和影响具有重要作用。
特种设备安全责任书特种设备安全责任书一、总则特种设备是指在生产经营过程中,具有规模较大、技术较复杂、操作人员技术要求较高、使用安全风险较大的设备。
为保障特种设备的安全运行,特种设备使用单位需严格遵守相关法律法规,设立专门的安全管理机构,明确安全责任,确保设备及相关环境的安全可靠。
本责任书系特种设备使用单位的安全管理制度之一。
二、安全管理机构特种设备使用单位应设立安全管理机构,明确安全管理部门的职责、人员设置和管理制度。
安全管理机构负责特种设备的日常安全管理工作,包括设备的维护、巡检、安全检查、事故应急等工作。
安全管理机构的成员应具备相关安全管理知识和技能,并定期接受培训,确保安全管理工作的有效实施。
三、安全责任特种设备使用单位的负责人应对特种设备的安全状况负最终责任。
他应确保特种设备的安全技术状况符合国家标准和相关法律法规要求,定期组织安全检查、隐患整改等工作。
同时,负责人应制定特种设备的安全操作规程,明确各操作人员的责任和权限,保证设备的安全运行。
四、安全操作规程特种设备使用单位应制定特种设备的安全操作规程,并进行专门培训。
操作人员应熟悉特种设备的使用方法和安全注意事项,确保设备的安全运行。
特种设备的操作规程应包括设备的启停、检查、维护等内容,操作人员在操作过程中应严格遵守规程,杜绝违章操作。
五、事故应急预案特种设备使用单位应制定应急预案,明确各级人员在事故发生时的责任和行动方案。
应急预案应包括各类事故的处理流程、应急救援措施、人员疏散方案等内容,确保在发生事故时能及时、有效地处置,最大限度地减少损失。
六、验收和记录特种设备的安全管理工作应建立健全的记录档案制度,定期进行安全管理工作的验收和记录。
记录内容应包括设备的维护保养情况、安全检查记录、事故处理情况等。
在验收过程中,发现不符合要求或存在安全隐患的情况应及时整改并对整改情况进行记录。
七、监督检查特种设备的安全管理工作应接受有关部门的监督检查。
特种设备使用单位安全风险管控清单1. 安全意识和责任落实1.1 特种设备使用单位要建立健全安全管理制度,明确各级管理人员和员工的责任和义务。
1.2 建立和完善特种设备安全培训制度,加强员工的安全意识和操作技能培训,确保员工掌握特种设备操作规范和安全操作流程。
1.3 加强特种设备安全宣传教育工作,提高员工对特种设备安全风险的认识,增强员工的安全意识,提高自我保护能力。
2. 设备的选择和采购2.1 特种设备使用单位应根据生产经营需要,选择符合国家、行业标准和安全要求的特种设备,并且要对设备供应商进行评估和选择,确保设备的质量和安全性。
2.2 在设备采购过程中,特种设备使用单位要与供应商签订合同,并明确设备交付时间、质量要求和售后服务承诺。
2.3 执行设备验收工作,确保设备符合规定的技术要求和安全标准。
3. 设备安装和调试3.1 设备安装前,特种设备使用单位要做好设备安装计划,明确设备安装的责任部门,安全工作措施和安装进度。
3.2 在设备安装过程中,特种设备使用单位要对设备的结构、材料、接线等情况进行检查,确保设备的安全可靠。
3.3 设备安装完成后,特种设备使用单位要组织专业人员进行设备的调试和试运行,确保设备的工作正常,满足生产经营需求。
4. 设备日常维护和保养4.1 特种设备使用单位要建立健全设备日常维护和保养制度,制定维护和保养计划,并按时执行。
4.2 对设备进行定期巡检,及时发现设备存在的隐患和问题,采取相应的维修和保养措施。
4.3 加强设备维修人员的培训,提高其技能水平,确保设备维修质量和安全性。
5. 安全事故应急预防和处置5.1 特种设备使用单位要建立健全安全事故应急预案,明确事故报告、救援和善后处理的程序。
5.2 进行安全演练和模拟演练,提高员工应对突发事故的能力和应急处置能力。
5.3 对特种设备进行定期的风险评估和隐患排查,及时消除安全隐患,防止事故的发生。
6. 监督检查和评估6.1 特种设备使用单位要建立健全内部的监督检查机制,对特种设备的安全运行和管理情况进行定期检查和评估。
特种设备使用单位安全责任清单一、管理机构与人员1、设立特种设备安全管理机构使用单位应根据特种设备的数量、种类、危险程度等因素,设立专门的特种设备安全管理机构,或者指定专人负责特种设备的安全管理工作。
2、配备安全管理人员安全管理人员应熟悉特种设备相关法律法规和安全技术规范,具备相应的管理能力和专业知识。
其职责包括但不限于制定安全管理制度、组织安全培训、监督设备运行、处理事故隐患等。
3、明确管理职责特种设备安全管理机构或人员应明确自身的职责,制定详细的工作计划和目标,并定期向单位负责人报告特种设备的安全状况。
二、管理制度1、建立健全安全管理制度使用单位应建立包括特种设备采购、安装、使用、维护、检验、报废等全过程的安全管理制度,确保各项工作有章可循。
2、制定操作规程针对每一种特种设备,制定详细的操作规程,明确操作步骤、安全注意事项、应急处置方法等。
3、档案管理建立特种设备档案,包括设备的设计文件、制造单位资质、安装验收资料、定期检验报告、维护保养记录、事故处理记录等。
三、设备采购与安装1、选择合格供应商采购特种设备时,应选择具有相应资质和良好信誉的供应商,确保设备质量符合国家安全标准。
2、验收设备设备到货后,应按照合同约定和相关标准进行验收,检查设备的外观、技术资料、安全附件等是否齐全、完好。
3、安装告知与监督检验特种设备安装前,应向当地特种设备安全监督管理部门办理告知手续,并委托有资质的安装单位进行安装。
安装过程应接受监督检验,未经检验合格的设备不得投入使用。
四、设备使用1、注册登记特种设备在投入使用前或者投入使用后 30 日内,使用单位应向当地特种设备安全监督管理部门办理注册登记,取得使用登记证书。
2、定期检验按照规定的检验周期,提前安排特种设备的定期检验工作。
未经定期检验或者检验不合格的特种设备,不得继续使用。
3、日常检查与维护使用单位应制定日常检查和维护计划,对设备进行定期巡检,及时发现并处理设备的故障和隐患。
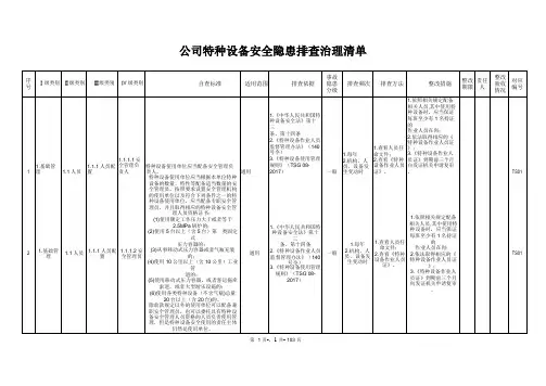
质量技术监督局特种设备安全责任清单
我局及其直属单位对特种设备安全工作实行“党政同责”、“一岗双责”制度,局党组与行政担当相同责任,有关负责人要负责分管工作范围内的特种设备安全工作,按照“谁主管,谁负责”、“管行业,管安全”的原则,抓好工作职责范围内的安全生产工作。
一、县质监局特种设备安全生产职责清单
1.贯彻执行特种设备安全的法律、法规和政策。
拟订特种设备生产、经营、使用政策、规划及综合性文件并组织实施。
2.依法行使特种设备安全综合监督职责,指导、协调、监督检查各镇(街道)人民政府(办事处)特种设备属地管理责任落实工作。
3.依法监督检查特种设备生产、经营、使用单位贯彻执行特种设备安全法律、法规情况,依法查处特种设备违法、违规行为。
4.统筹特种设备安全法律、法规及其它规章制度的宣传工作。
5.负责特种设备作业人员证件的新办及年审工作。
6.负责组织特种设备安全大检查和专项督查。
依法组织一般特种设备事故调查处理和办理结案上报。
负责组织指挥和协调特种设备应急救援工作。
7.承办县委、县政府交办的其他事项。
二、局党组书记、局长责任清单
局党组书记、局长是特种设备安全工作的第一责任人,全面领导本局特种设备安全工作,对特种设备安全工作负总责,并履行以下职责:
(1)认真贯彻党和国家有关特种设备安全的方针、政策和法律、法规及上级部门有关特种设备安全工作的重要会议、文件,把特种设备安全工作纳入党组、机关工作重要议事日程。
(2)组织研究制定特种设备安全工作计划、目标、预案,部署特种设备安全工作,督促建立和完善各项管理制度。
(3)经常了解特种设备安全工作情况,分析特种设备安全工作形势,有针对性地开展重大特种设备安全活动和重点检查指导工作,每年对特种设备安全工作开展不少于2次调查研究。
(4)研究并解决有关特种设备安全工作方面的重大问题、事项及重大隐患(重大危险源)的整改,增大人力、物力、财力投入,为特种设备安全工作的顺利开展提供条件。
(5)每季度至少要组织召开1次特种设备专题会议,听取特种设备安全工作汇报,重点部署安全工作,研究解决特种设备安全中的突出问题。
(6)按照“谁主管,谁负责”、“管行业,管安全”的原则,督促分管领导抓好分管工作中的特种设备安全工作。
三、分管领导责任清单
(一)局党组分管特种设备安全工作的领导是特种设备安全工作具体负责人,对辖区内的特种设备安全工作负综合监管责任,并履行以下职责:
(1)及时贯彻落实党和国家有关特种设备安全工作的方针、政策、法律、法规、条例、规定和上级部门有关特种设备安全工作的会议、文件、批示,把特种设备安全工作放在首位,采取多种形式,开展宣传、教育、培训活动,努力营造社会安全氛围,增强全民安全意识。
(2)组织召开有关特种设备安全工作会议,分析形势,通报情况,研究处理或上报解决影响特种设备安全的重大突出问题和重大隐患或危险源,及时落实必要的监控防护措施,确保安全。
(3)负责组织每年至少2次集体学习,专题学习特种设备安全有关法律法规和重大方针政策、典型事故案例等。
(4)结合实际,适时组织开展对所辖区域特种设备安全检查整治,积极配合支持各部门搞好特种设备安全检查整治活动;排查各类隐患,纠正各类违章、违法,跟踪督促落实整改措施;把特种设备各类事故苗头消灭在萌芽状态,努力减少事故,避免伤亡。
(5)负责组织特种设备安全应急救援预案并组织演练,及时组织事故救援和调查处理工作,亲自部署和参与重要活动、重大节假日的特种设备安全检查工作和特种设备安全法规政策的宣传教育活动。
(6)凡属行政区域内发生的特种设备安全事故,应及
时赶赴现场,组织施救,并组织或协助相关部门、单位做好事故调查和事故善后处理,依法查处责任单位和追究责任者。
(7)按规定及时报告特种设备事故,积极参与协调事故的调查、处理工作;
(二)局党组分管其他工作的领导对分管工作范围内的特种设备安全工作负责,并履行以下职责:
(1)贯彻落实党和国家有关特种设备安全工作的方针、政策、法律、法规、规定、条例、文件、批示,把特种设备安全工作放在突出位置,抓好宣传教育和工作落实。
(2)要按照“谁主管,谁负责”、“管行业,管安全”的原则,把特种设备安全工作作为分管工作范围内的重要内容,在行政审查审批等工作中把好安全关。
(3)在部署、安排、检查、考核分管范围的工作中,同时部署、安排、检查、考核特种设备安全工作,做到特种设备安全工作与分管工作同时安排,同步推进。
(4)要经常分析分管工作范围内的特种设备安全监管状况,及时与分管特种设备安全工作的领导沟通情况,组织落实分管工作范围内特种设备的安全检查、重大安全隐患整改,支持配合分管特种设备安全工作的领导全面做好特种设备安全工作。
(5)凡分管工作范围内发生特种设备事故,应立即赶赴现场,负责组织或协助相关部门做好事故调查和善后工作,对事故责任单位和责任人提出处理、处罚建议和意见。
四、股长责任清单
(一)特种设备安全监察股股长是特种设备安全工作的直接责任人,全面负责特种设备安全监察工作,履行以下职责:
(1)依据《中华人民共和国特种设备安全法》规定,在上级授权的职能范围内开展全县特种设备安全监察工作;
(2)宣传特种设备有关法律法规、规章及安全技术规范,并组织、督促有关单位和业主贯彻执行;
(3)贯彻上级特种设备安全监察工作指令,按时、保质完成上级布置的工作,确保政令畅通;
(4)负责对全县范围内特种设备生产、经营、使用单位的日常监督管理,发现重大违法违规行为或严重事故隐患及时报告,并对安全监察的合法性负责;负责监督全县高耗能特种设备节能标准的执行情况。
(5)根据上级安排和部署,适时组织开展全县范围内特种设备安全检查和专项整治,加强对重点特种设备隐患的整改,并将结果即时上报;
(6)制订和完善特种设备事故处理应急救援预案并组织演练;
(7)做好群众举报投诉案件的查处及安全监察工作的统计上报工作。
(二)各股(所)主要负责人是本业务范围内相关特种设备安全工作的责任人,全面负责本业务范围内相关特种设备安全工作,履行以下职责:
1、负责抓好特种设备安全法律、法规、方针、政策和县委县政府等有关安全生产的决策、部署、指示在本股(所)及所联系单位的贯彻落实;
2、组织落实县下达的安全生产专项目标任务,及时研究解决本股(所)监管对象中的特种设备安全问题;
3、坚持将特种设备安全工作与本业务工作同时安排部署,同时组织实施,同时检查督促;
4、督促本股(所)监管对象排查整治特种设备安全隐患;
5、发生特种设备安全事故时,按《特种设备安全事故应急预案》赶赴事故现场协助事故抢险救援和相关善后工作。
五、工作人员责任清单
局各股(所)工作人员是各业务工作的具体落实者,在抓好本职工作的同时,抓好与本职工作相关的特种设备安全工作。