模板安装检验批质量验收记录通用表
- 格式:xlsx
- 大小:16.39 KB
- 文档页数:1
模板、支架和拱架检验批质量验收记录
模版,支架和拱架检验质量验收记录表
【最新资料,WORD 文档,可编辑修改】
城市桥梁钢筋检验批质量验收记录
城市桥梁混凝土检验批质量验收记录
预应力混凝土检验批质量验收记录
城市桥梁砌体(石料)检验批质量验收记录
扩大基础(基坑开挖、地基检验)检验批质量验收记录
扩大基础(土方回填)检验批质量验收记录
扩大基础(现浇混凝土)检验批质量验收记录
扩大基础(砌体基础)检验批质量验收记录
沉入桩(预制桩)检验批质量验收记录
钢管桩制作检验批质量验收记录
沉桩质量检验批质量验收记录
混凝土灌注桩检验批质量验收记录
沉井基础(沉井制作)质量检验批质量验收记录
沉井基础(沉井浮运)检验批质量验收记录
沉井下沉检验批质量验收记录
封底填充混凝土检验批质量验收记录
地下连续墙检验批质量验收记录
现浇混凝土承台检验批质量验收记录
墩台砌体检验批质量验收记录
现浇混凝土墩台质量检验批质量验收记录
预制安装混凝土柱质量检验批质量验收记录。
表B.0.7 光伏板安装分项工程报审、报验表
工程名称光伏设施建设工程编号
单位工程名称光伏设施建设分部分项工
程名称
光伏板安装
安装简图及说明:
1、施工部位:
2、单排组件3.3KW光伏设施共计1组,每组6块光伏板
施工单位监理(建设)单位
施工班(组)长:
专业技术负责人:
年月日专业监理工程师:
(建设单位项目代表)
年月日
工程名称工程编号
单位工程名称分部分项工
程名称
光伏板安装
安装简图及说明:
1、施工部位:
2、双排组件3.3KW光伏设施共计2组,每组6块光伏板;
施工单位监理(建设)单位
施工班(组)长:
专业技术负责人:
年月日专业监理工程师:
(建设单位项目代表)
年月日
工程名称工程编号
单位工程名称分部分项工
程名称
光伏板安装
安装简图及说明:
1、施工部位:
2、双排组件9.9KW光伏设施共计1组,每组18块光伏板
施工单位监理(建设)单位
施工班(组)长:
专业技术负责人:
年月日专业监理工程师:
(建设单位项目代表)
年月日
表C.0.15 光伏板安装检验批质量验收记录
续表 C.0.15。
G类桥梁工程施工质量验收用表城市桥梁工程质量验收单元的划分城市桥梁分部(子分部)工程与相应的分项工程、检验批对照表说明(一)、开工前,施工单位应会同建设单位、监理单位将工程划分为单位、分部、分项工程和检验批,作为施工质量检查、验收的基础,并应符合下列规定:1建设单位招标文件确定的每一个独立合同应为一个单位工程。
当合同文件中包含的工程内容较多,或工程规模较大、或由若干独立设计组成时,宜按工程部位或工程量、每一独立设计将单位工程分成若干子单位工程。
2 单位(子单位)工程应按工程的结构部位或特点、功能、工程量划分分部工程。
分部工程的规模较大或工程复杂时,可按材料种类、工艺特点、施工工法等划分为若干个子分部工程。
3 分部工程(子分部工程)中,应按主要工种、材料、施工工艺等划分分项工程。
分项工程可由一个或若干检验批组成。
4 检验批应根据施工、质量控制和专业验收需要划定。
(二)、桥梁工程范围内的排水设施、挡土墙、引道等工程施工及验收按国家现行标准《城镇道路工程施工与质量验收规范》CJJ 1的有关规定执行。
城市桥梁工程竣工验收1.0.1 桥梁工程质量验收应在施工单位自检合格基础上,按照检验批、分项工程、分部工程(子分部工程)、单位工程顺序进行。
单位工程完成且经监理工程师预验收合格后,应由建设单位按相关规定组织工程验收。
各项单位工程验收合格后,建设单位应按规定及时组织竣工验收。
1.0.2验收后的桥梁工程,应结构坚固、表面平整、色泽均匀、棱角分明、线条直顺、轮廓清晰,满足城市景观要求。
1.0.3 桥梁工程施工中应按下列规定进行施工质量控制,并进行过程检验、验收:1工程采用的主要材料、半成品、成品、构配件、器具和设备,施工单位应按相关专业质量标准进行验收和按规定进行复验,并经监理工程师检查认可。
凡涉及结构安全和使用功能的,监理工程师应按规定进行平行检测、见证取样检测并确认合格。
2各分项工程应按《城市桥梁工程施工与质量验收规范》(CJJ 2-2008)进行质量控制,各分项工程完成后,施工单位应进行自检、交接检验,并形成文件,经监理工程师检查签认后,方可进行下一个分项工程施工。
隐蔽/分项工程报验单
本表由承包人填报,一式三份,经监理审批后,业主、监理、承包人各一份。
隐蔽工程验收记录
施工单位:湖北航兴港航工程有限公司表2.1.3.10
钢筋绑扎和安装检验批质量检验记录表表B.0.0.1
钢筋绑扎和安装检验批质量检验记录表表B.0.0.1
模板安装检验批质量检验记录表
模板安装检验批质量检验记录表
模板安装检验批质量检验记录表表B.0.0.1
模板安装检验批质量检验记录表表B.0.0.1
模板安装检验批质量检验记录表表B.0.0.1
混凝土浇筑申请单
工程名称:云浮港都骑通用码头(煤炭泊位)BT工程项目(一期)编号: 03-01-【】。
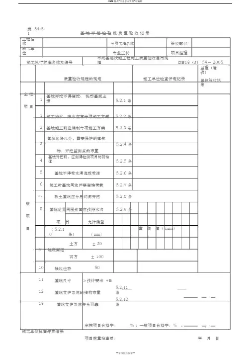
表 54-5-1基 坑 开 挖 检 验 批 质 量 验 收 记 录工程名称分项工程名称验收部位施工单位专业工长 项目经理施工执行标准名称及编号 市政基础设施工程施工质量验收通用规程DB13(J ) 54- 2005 质量验收规程的规定 施工单位检查评定记录 监理(建设) 单位验收记录 主 控1 基坑开挖不得超挖、 扰动基底土壤 5.2.1 条项 目 1 施工排水、降水应有专项施工方案 5.2.2 条 2 基坑施工前应编制专项施工方案5.2.3 条3 基坑边缘以外,需要保护的建筑 5.2.4 条物,开挖监测点的布置4 基坑开挖前,应测得检测项目的初始值5.2.5 条 5 基坑不得受水浸泡或受冻 5.2.6 条6 施工时基坑周边严禁超堆荷载 5.2.7 条 一7 软土基坑应分层均衡开挖5.2.8 条 般5.2.9 条项 8 基坑边界周围地面应设排水沟目 项 目 允许偏差 量 测 值( mm )( 5.2.10 条) ( mm )土方± 309 坑底高程石方± 100 10 轴线位移 5011 基坑尺寸≥设计要求 +B12 基坑支护系统的结构布置 5.2.11条 13基坑支护系统安全可靠5.2.12 条施工单位检查评定结果 主控项目合格率:% ;一般项目合格率:% 。
项目质量检查员:年 月 日专业监理工程师:监理(建设)单位验收结论(建设单位项目技术负责人)年月日4— 1表 54-5-2 基坑回填检验批质量验收记录工程名称分项工程名称验收部位施工单位专业工长项目经理施工执行标准名称及编号市政基础设施工程施工质量验收通用规程DB13( J) 54- 2005监理(建设)单位质量验收规程的规定施工单位检查评定记录验收记录项目压实度(%)主( 5.3.1 条)量测值(%)(轻型击实法)控项压实度设计无要求时目1(附试验记录)≥ 90注:压实度应符合设计要求,位于道路下面应符合道路标准。
1基坑回填前,基底上的淤泥和杂5.3.2条物等应清除干净一般项基坑回填必须分层夯实、分层检目验,压实后不得有翻浆现象。
通用表格A01 施工现场质量管理检查记录A02 检验批质量验收记录A03 分项工程质量验收记录A04 分部(子分部)工程质量验收记录A05 单位(子单位)工程质量竣工验收记录A06 单位(子单位)工程质量控制资料核查记录A07 单位(子单位)工程安全和功能检验资料核查及主要功能抽查记录A08 单位(子单位)工程观感质量检查记录A02-301 单位(子单位)工程观感质量检查记录A02—302 混凝土小型空心砌块砌体工程检验批质量验收记录A02-303 石砌体工程检验批质量验收记录A02—304 配筑砌体工程检验批质量验收记录A02-305 填充墙砌体工程检验批质量验收记录A01施工现场质量管理检查记录编号:开工日期:工程名称施工许可证(开工证)建设单位项目负责人设计单位项目负责人监理单位总监理工程师施工单位项目经理项目技术负责人序号项目内容1 现场质量管理制度2 质量责任制3 主要专业工种操作上岗证4 分包方资质一对分包单位的管理制度5 施工图审查情况6 地质勘察资料7 施工组织设计、施工方案及审批8 施工技术标准9 工程质量检验制度10 搅拌站及计量设置11 现场材料、设备存放与管理12检查结论:总监理工程师:建设单位代表: 年月日注:1、本表由施工单位填写报监理单位。
总监理工程师检查并做出检查结论.2、检查结论中需要整改的内容由施工单位以附页复报.3、完成后,原件存监理单位复印件交施工单位。
A02检验批质量验收记录编号:工程名称大泽碧桂园山湖湾二区二期高层洋房室内消防工程分项工程名称室内消防安装工程检验批部位一号楼1层施工单位广东建安消防机电工程有限公司开平分公司专业工长项目经理阮建军监理单位江门市新会区冈州工程建设监理有限公司总监理工程师分包单位分包单位负责人施工班组长施工依据标准建筑给水排水及采暖工程施工质量验收规范(GB50242-2002)主控项目质量验收规范的规定施工单位检验评定记录或结果监理(建设)单位验收记录结果备注123456789一般项目12345678施工单位检验评定结果班组长或专业工长:质检员或项目技术负责人:年月日年月日监理(建设)单位验收结论监理工程师:建设单位代表:年月日分项工程质量验收记录编号:工程名称结构类型检验指数施工单位项目经理::项目技术负责人分包单位项目经理::项目技术负责人序号检验批部位、区段施工单位检查评定结果监理建设单位验收结论备注1234567891011121314151617检查结论项目专业技术负责人:年月日验收结论监理工程师:建设单位项目专业技术负责人:年月日分部(子分部)工程质量验收记录编号:工程名称结构类型层数施工单位项目经理::项目技术负责人分包单位项目经理::项目技术负责人序号分项工程名称检验批数施工单位检查评定结果验收意见12345678质量控制资料安全和功能检验(检测)报告观感质量验收验收单位分包单位项目经理:日期:施工单位项目经理:日期:勘察单位项目负责人:日期:设计单位项目负责人:日期:建设单位项目负责人:日期:监理单位总监理工程师: 日期:单位(子单位)工程质量竣工验收记录编号:工程名称结构类型层数/建筑面积施工单位技术负责人开工日期项目经理项目技术负责人竣工日期序号项目验收记录验收结论1 分部工程共分部经查分部符合标准要求分部2 质量控制资料核查共项,经审查,符合要求项3 安全和主要使用功能核查及抽查结果共核查项符合要求项。
模板安装工程查验批报验申请表工程名称:编号:致贵州建工监理:(监理单位)工作,现报上该工程报验申请我单位已达成了表,请予以审察和查收。
附件:模板安装工程查验批质量查收记录 1 份包办单位(章):项目经理:日期:审察建议:项目监理机构:总 / 专业监理工程师:日期:模板安装工程查验批质量查收记录表GB50204-2002单位(子单位)工程名称分部(子分部)工程名称查收部位施工单位项目经理施工履行标准名称及编号混凝土构造工程施工质量查收规范( GB50204-2002 )施工质量查收规范的规定监理(建设)单位施工单位检查评定记录查收记录主模板支撑、立柱地点和垫板第 4.2.1 条1控项防止隔绝剂沾污第 4.2.2 条2目1 模板安装的一般要求第 4.2.3 条2 用作模板地坪、胎膜质量第 4.2.4 条3 模板起拱高度第 4.2.5 条预埋钢板中心线地点( mm ) 3预埋预埋管、预留孔中心线地点3 (mm )件、中心线地点( mm ) 5 预留插筋4 外露长度(mm )+10,0孔允一预埋螺中心线地点( mm ) 2 许偏般栓外露长度(mm )+10,0 差项中心线地点( mm )10预留洞目尺寸(mm )+10,0轴线地点(mm ) 5底模上表面标高( mm )±5 模板截面内部尺寸基础±105 安装(mm )柱、墙、梁+4,-5 允许层高垂直度不大于 5m6 误差(mm )大于 5m 8 相邻两板表面高低差( mm ) 2表面平坦度( mm ) 5施工单位检查评定结果合格专业工长(施工员)项目专业质量检查员:施工班组长年月日监理(建设)单位查收结论专业监理工程师:(建设单位项目专业技术负责人):年月日模板拆掉工程查验批报验申请表工程名称:编号:致贵州建工监理:(监理单位)我单位已达成了工作,现报上该工程报验申请表,请予以审察和查收。
附件:模板拆掉工程查验批质量查收记录 1 份包办单位(章):项目经理:日期:审察建议:项目监理机构:总 / 专业监理工程师:日期:模板拆掉工程查验批质量查收记录表GB50204-2002(Ⅲ)单位(子单位)工程名称分部(子分部)工程名称施工单位施工履行标准名称及编号施工质量查收规范的规定底模及其支架拆掉时的混凝土1强度主控后张法预应力构件侧模和底模项2的拆掉时间目3后浇带拆模和支顶一1 防止拆模损害般项目2 模板拆掉、堆放和清运施工单位检查评定记录第 4.3.1 条第 4.3.2 条第 4.3.3 条第 4.3.4 条第 4.3.5 条010601020101查收部位项目经理监理 (建设 )单位查收记录专业工长(施工员)施工班组长施工单位检查评定结果项目专业质量检查员:年月日监理(建设)单位查收结论专业监理工程师:(建设单位项目专业技术负责人):年月日钢筋加工工程查验批报验申请表工程名称:编号:致贵州建工监理:(监理单位)我单位已达成了工作,现报上该工程报验申请表,请予以审察和查收。
土方开挖分项工程平行(píngxíng)检验记录
土方(tǔfāng)回填分项工程平行检验记录
模板分项工程(现浇结构(jiégòu)模板安装)检验批质量平行检验记录
模板分项工程(模板拆除(chāichú))检验批质量
平行检验记录
钢筋分项工程(原材料、钢筋加工)检验批质量(zhìliàng)平行检验记录
混凝土分项工程(gōngchéng)(原材料配合比设计)检验批质量
平行(píngxíng)检验记录
混凝土分项工程(混凝土施工)检验批质量(zhìli
àng)平行检验记录
现浇结构分项工程(结构施工)检验批质量(zhìli
àng)平行检验记录
砖砌体分项工程检验批质量平行(píngxíng)检验记录
水泥砂浆防水层分项工程检验(jiǎnyàn)批质量平
填充墙砌体分项工程(gōngchéng)检验批质量平行检验(jiǎnyàn)记录
内容总结。
1、“开工报告”审查意见填写:施工准备工作完成,同意开工。
2、“工程项目施工企业主要管理人员名单”审查意见填写:同意资格审查。
3、“施工组织设计(施工方案)报批表”监理单位审查意见填写:经审查该施工组织设计符合有关规范标准和图纸及合同要求,同意按此施工组织设计实施.4、“施工技术交底记录"监理单位检查结论填写:符合要求。
5、“新材料、新工艺、新技术、新设备应用申报审批表”审查意见填写:同意。
6、“隐蔽工程验收记录”监理单位验收结论填写:同意隐蔽,进入下道工序。
7、“工程报验单"监理单位意见填写:符合设计要求和规范规定,验收合格.8、“工程竣工验收报验单”监理单位意见填写:经预验收,本工程符合我国现行法律、法规、设计文件和有关质量验收规范、标准及施工合同要求.本工程预验收合格。
9、“主要设备开箱检验记录”核查结论填:同意施工单位检验结果.10、“分项、分部(子分部)工程通过验收各方会签表”结论填写:各子分部工程均符合施工质量验收规范要求;质量控制资料及安全和功能检验(检测)报告齐全,合格;观感质量好。
11、“单位(子单位)工程竣工验收参加各方对工程质量的评价书”结论填写:单位工程竣工验收合格。
12、“××工程观感质量检查记录”核查结论填写:同意施工单位检查结果,验收合格。
13、“施工现场质量管理检查记录”核查结论填写:经核查,上述项目符合要求。
14、“××分项工程质量验收记录”监理单位验收结论栏填写:合格.验收结论栏填写:同意施工单位检查结论,验收合格.15、“子分部工程质量验收记录”分项工程名称栏验收意见填写:各子分部工程验收合格;质量控制资料栏填验收意见填写:各子分部工程质量控制资料齐全;安全和功能检验报告栏填写:同意施工单位评定;观感质量验收栏填写:同意施工单位评定;监理单位栏填写:各子分部工程均符合规范要求,质量控制资料及安全和功能检验(检测)报告齐全,合格,观感质量良好,同意施工单位评定结果,验收合格。