某办公楼的框架结构设计任务书
- 格式:doc
- 大小:142.00 KB
- 文档页数:7
阳光学院本科生毕业设计(论文)任务书2018 年 1 月 1 日至 2018 年 6 月 1 日题目:行政办公楼设计(方案二)姓名:学号:院(系)别:土木工程学院专业:土木工程届别: 2018届指导教师:(签名)院(系)主任(或教研室主任):(签名)毕业设计(论文)任务毕业设计(论文)的主要内容毕业设计(论文)任务更改记录主要参考文献岩土工程勘察报告(摘录一)(详勘阶段)一、工程与勘察工作概况(一)拟建工程概况受福建xxxxx有限公司的委托,我司承担了其拟建“福建xxxxx有限公司项目”的岩土工程勘察任务。
拟建场地位于福州市xxx。
各拟建建(构)筑物主要特征参数见表1(略)本工程各拟建物的工程重要性等级均为三级,地基基础设计等级为乙级,建筑桩基设计等级为乙级;基坑安全等级为二级。
建筑抗震设防类别不应低于标准设防类(以下简称丙类);场地及地基复杂程度等级均为二级。
岩土工程勘察等级为乙级。
(二)勘察目的、任务要求和依据的技术标准1.勘察目的、任务要求:本次勘察为一次性详细勘察,其目的、任务是:(1)查明建筑场地内岩土层的类型、深度、分布、工程特性和变化规律,分析和评价地基的稳定性、均匀性和承载力,着重查明可作为基础持力层的层面埋深、分布范围、厚度变化及工程性能;(2)查明场地不良地质作用的类型、成因、分布范围、发展趋势和危害程度,提出整治方案和建议;(3)查明地下水的埋藏条件,评价地下水对地下室基坑开挖、基础设计与施工的影响,判定地下水(土)对建筑材料的腐蚀性;(4)划分建筑场地类别,并对场地地震效应进行综合评价,提供拟建物抗震设计所需的有关参数;(5)分析和评价地基岩土层工程地质性能,对拟建物基础方案、基坑开挖与支护的选择提出合理建议,并提供相关设计与施工所需要的岩土设计计算参数。
(6)评价基础施工及基坑开挖的施工条件及其对环境的影响。
2.勘察依据的技术标准:本次勘察工作主要依据以下规范和文件进行:(1)住建部《房屋建筑和市政基础设施工程勘察文件编制深度规定》(2010年版);(2)国标《岩土工程勘察规范》(GB50021-2001)(2009年版);(3)国标《建筑地基基础设计规范》(GB50007-2011);(4)国标《建筑抗震设计规范》(GB50011-2010)(2016年版);(5)国标《土工试验方法标准》(GB/T50123-1999);(6)国标《地基动力特性测试规范》(GB/T50269-2015);(7)国标《建筑工程抗震设防分类标准》(GB50223-2008)(8)国标《岩土工程勘察安全规范》(GB50585-2010);(9)国标《中国地震动参数区划图》(GB18206-2015);(10)行标《建筑基坑支护技术规程》(JGJ120-2012);(11)行标《建筑桩基技术规范》(JGJ94-2008);(12)行标《建筑工程地质勘探与取样技术规程》(JGJ87-2012);(13)行标《地下水质检验方法》(DZ/T0064-1993);(14)福建省标准《岩土工程勘察规范》(DBJ13-84-2006);(15)福建省标准《建筑地基基础技术规范》(DBJ13-07-2006);(16)业主及设计部门提供的岩土工程勘察技术要求、建筑总平面图、地形图、合同书。
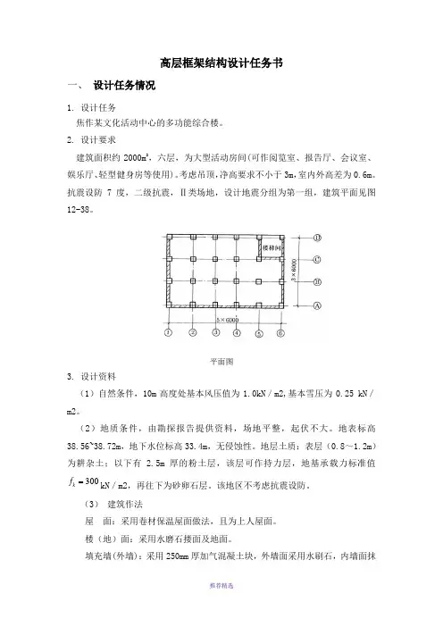
高层框架结构设计任务书一、设计任务情况1. 设计任务焦作某文化活动中心的多功能综合楼。
2. 设计要求建筑面积约2000m2,六层,为大型活动房间(可作阅览室、报告厅、会议室、娱乐厅、轻型健身房等使用)。
考虑吊顶,净高要求不小于3m,室内外高差为0.6m。
抗震设防7度,二级抗震,Ⅱ类场地,设计地震分组为第一组,建筑平面见图12-38。
平面图3. 设计资料(1)自然条件,10m高度处基本风压值为1.0kN/m2,基本雪压为0.25 kN/m2。
(2)地质条件,由勘探报告提供资料,场地平整,起伏不大。
地表标高38.56~38.72m,地下水位标高33.4m,无侵蚀性。
地层土质:表层(0.8~1.2m)为耕杂土;以下有 2.5m厚的粉土层,该层可作持力层,地基承载力标准值f kN/m2,再往下为砂卵石层。
该地区不考虑抗震设防。
300k(3)建筑作法屋面:采用卷材保温屋面做法,且为上人屋面。
楼(地)面:采用水磨石搂面及地面。
填充墙(外墙):采用250mm厚加气混凝土块,外墙面采用水刷石,内墙面抹灰。
门窗:采用钢门窗,窗4.8×2.4m,门4.8×3m。
隔断墙(内墙):考虑采用120mm厚砖墙,双面抹灰。
二、结构布置1. 结构方案根据建筑功能要求,房间大且布置灵活,采用框架结构。
结构平面如图所示。
2. 柱网横向3×6m;纵向5×6m。
3.楼(屋)盖布置(1)屋面、楼面荷载屋面、楼面荷载计算(2)选板根据荷载标准值选用DYB60.3允许荷载8.9 kN/m2 ,板自重2.58 kN/m2,板及现浇带重2.90 kN/m2,板长5750mm。
楼板支承在横向框架上,则横向框架为主要承重框架。
(3)梁、柱截面尺寸梁:C30级混凝土,按照构造要求确定梁截面尺寸。
柱:根据一根中柱所承受的轴力设计值,初估截面尺寸。
按经验取柱承载面内的竖向荷载为18kN/m2,C35级混凝土,确定柱截面(正方形)尺寸。
广东工业大学华立学院本科生毕业设计(论文)任务书题目名称某五层框架办公楼设计第二组系部建筑学部专业班级2006级土木工程班姓名学号一、毕业设计(论文)的内容该工程位于珠海市郊区,拟建成五层办公楼。
在“适用、经济、美观”的原则下,完成本工程的建筑平面组合及建筑物的立面及剖面设计。
然后按建筑使用功能要求、建筑设计图纸和有关设计规范、规程,来确定结构方案及型式,进行结构布置、构件计算(荷载计算、承载能力计算、正常使用极限状态验算)、基础计算(地基承载能力验算、基础承载能力计算等)、计算一部现浇楼梯(荷载效应计算、承载能力计算)。
二、毕业设计(论文)的要求与数据建筑设计图完整,且表达清晰,基本符合“适用、经济、美观”的原则。
结构设计部分,步骤完整详尽,符合相关规范要求。
结构设计施工图表达准确,符合制图标准。
三、毕业设计(论文)应完成的工作一)、建筑设计阶段1、方案设计:(1)各层平面图1:200 (2)主要立面图1:2002、施工图阶段:(1)各层平面图及屋面图1:100 (2)主要立面图1:100 (3)剖面图1:100(4)大样图1:50 (5)首页图:设计说明,门窗表,图纸目录,装饰表,总平面图。
设计说明应包括;概括建筑名称、地点、设计依据、总图位置、自然地质条件、设计意图的贯彻、设计原则的具体体现、建筑构造方案及其它特殊事项说明。
二)、结构设计阶段1、确定结构方案及型式,进行结构布置2、构件计算(荷载计算、承载能力计算、正常使用极限状态验算)3、基础计算(地基承载能力验算、基础承载能力计算等)4、计算一部现浇楼梯(荷载效应计算、承载能力计算)5、绘制基础施工图1~2张(基础平面布置图、桩基础祥图)6、绘制结构平面布置图2~3张(楼面、屋面结构平面布置图、构件图)四、毕业设计(论文)进程安排五、应收集的资料及主要参考文献1.现行建筑设计规范2.住宅设计原理3.公共建筑设计原理4.中南地区民用建筑配件图集5.房屋建筑6.建筑结构荷载规范GB 50009-20017.混凝土结构设计规范GB 50010-20028.砌体结构设计规范GB 50003-20019.建筑地基基础设计规范GB 50007-200210.建筑桩基技术规范JGJ 94-200811.建筑抗震设计规范GB 50011-200112.建筑结构制图标准GB/T 50105-2001发出任务书日期:2009年 11 月20 日指导教师签名:预计完成日期: 2009 年3 月 10 日专业负责人签章:系部主任签章:附:设计资料I、设计题目:某五层框架办公楼设计Ⅱ、建筑设计一、工程项目概况该工程位于珠海市郊区,拟建成五层办公楼。
某办公楼框架结构设计第一部分:建筑设计总说明一、工程概况本建筑是某单位的办公楼。
五层现浇钢筋混凝土框架结构,总高19.8米,属多层房屋。
总建筑面积3600多平方米。
二、设计资料1.本建筑设计使用年限为50年;2.耐火等级为2级。
3.基本风压20/35.0m KN w =,基本雪压20/25.0m KN s =;4.建筑结构安全等级为二级;抗震设防烈度为8度;建筑场地类别为2类,建筑抗震设防类别为丙类。
5.工程地质资料:自然地表下0.5m 内为填土,填土下1m 内为粘土(地基承载力设计值为2/165m KN f =),其粘土下层为砾石层(地基承载力设计值为2/352m KN f =),地下水位在地表下4.5m 处。
三、平面设计1.总平面设计总平面布置的基本原则:(1) 应根据一栋楼或一个建筑群的组成和使用功能,结合所处位置和用地条件、有关技术要求,综合研究新建的、原有的建筑物、构筑物和各项设施等相互之间的平面和空间关系,充分利用土地,合理进行总体布局,使场地内各组成部分成为有机的整体,并与周围环境相协调而进行的设计.(2)应结合地形、地质、气象条件等自然条件布置,有效组织地面排水,进行用地范围内的竖向布置。
(3)建筑物的布置应符合防火、卫生等规范及各种安全要求,并应满足交通要求。
(4)建筑物周围布置应与城市主干道及周围环境相协调,合理组织场地内的各种交通流线(含人流、车流、货流等),并安排好道路、出入口,并考虑风向及人员出入的便利。
(5)另外,总平面应设计合理,人流和车流不能相互交叉,并考虑一定面积的机动车和自行车停放面积。
从以上原则考虑,结合已有建筑物和道路的布置,本建筑采用“一”字体型,与周围其他建筑物的间距大于10m,满足以上原则和防火要求。
主入口设在南面,为了满足防火、紧急时刻人员疏散要求,本建筑北面设一后门。
2.主要房间设计主要房间是各类建筑的主要部分,是供人们学习、生活的必要房间,由于建筑物的类别不使能不同,对主要房间的设计也不同。
框架结构毕业设计任务书篇一:框架结构毕业设计任务书和指导书毕业设计基本要求1 目的(1)综合运用所学专业理论知识与设计技能,处理建筑设计中有关方针、政策、功能、经济、安全、美观等方面的问题。
解决总体、单体、空间等关系,以创造富有时代气息的优美建筑形象与环境。
依据建筑设计完成结构体系的布置、结构在各种荷载工况下的计算、构造和施工图。
(2)掌握一般建筑工程的设计思路,进而举一反三熟悉有关建筑工程的设计、施工、预算等建设过程。
为即将走上工作岗位奠定基础。
(3)学以致用,学习科学技术和技能的目的是应用。
一个工程师在设计、建设实际工程中应具备的知识,都是我们在毕业设计中应予以加强的。
因此深切领悟总体概念设计、掌握具体理论设计和实际工程技术处理措施的结合作为重点来训练。
(4)树立正确的设计思想,全面对待建筑与结构的关系,培养勤奋、严谨、认真的工作作风及分析解决一般工程技术问题的能力。
(5)掌握调查研究、理论联系实际的学习方法,养成既能独立思考,又能相互配合密切合作的工作态度。
(6)使学生对一般工业与民用建筑的土建设计的内容和构成有比较全面的了解,并熟悉有关设计标准、规范、手册和工具书,增强毕业后到生产第一线工作的适应能力。
2 成果形式及要求(1)计算书和说明书:字数应不少于1万字,书写要工整,字迹要清楚,可采用计算机打印。
计算书内容要阐明设计依据或标准,方案构思、特点、必要的经济指标,结构选型、构造处理、材料特点及计算上的主要问题,还应包括结构计算全过程,计算要正确、完整、思路清晰、简图明了。
计算书格式:应严格按照毕业设计手册中的要求。
(2)图纸:绘图总量不少于8张2# 图。
计算机绘图要求至少1张2 图纸,手工绘图至少2#张2# 图。
可用CAD,也可用“天正软件”绘制平面图,但立面、剖面、节点详图必须用CAD绘制,以掌握建筑物空间的对应关系,从而强化视图、读图能力。
(3)外文翻译:英文摘要简单介绍有关所设计建筑的基本情况;外文翻译一篇3000字符以上的专业文章。
某城市综合办公楼设计任务书
一、建筑地点:
该市高新路旁。
二、工程概况:
本建筑为一个综合办公楼,总建筑面积为2982.36平方米
(以建筑定位轴线为起算边界)。
共5层,首层层高4.2M,其余各层层高均3.3M。
本综合楼设标准办公室40间,每间面积均为21.60平方米;
大办公室4间,每间39.60平方米;
大会议室1间,面积为84.60平方米。
底层设档案资料图书室及阅览室、接待室、值班室、收发
室、备用储藏间等。
二至五层每层各设备用房间3间,面积19.8及21.6平方
米不等。
每层设男女厕所、盥洗室各一间。
该工程为多层混凝土框架结构建筑,建筑分类为丙类,设
计使用年限为50年。
三、结构形式:
钢筋混凝土框架结构,预应力空心楼盖及屋盖,外墙为370
黏土空心砖(底层为标砖),内墙为240黏土空心砖,独立
柱基础。
工程抗震设防烈度为7度。
四、建筑节能:
本建筑建设地段位于寒冷气候地区,外墙为370空心砖填
充墙,外窗为塑钢双层5厚普通白玻璃,外门为彩钢板保
温型自闭式地簧门。
五、建筑装饰:
普通建筑装饰。
外墙面砖,局部底层为挂贴花岗岩;内墙、平顶粉白,走廊局部及厕所卫生间平顶为轻钢龙骨铝合金
板条吊顶;厕所卫生间内墙为内墙面砖饰面;楼地面为铺
地砖楼地面。
内外门厅及内廊为抛光花岗岩楼地面。
双层玻璃塑钢窗,内普通蜂窝板木门,外彩钢板保温外门。
普通日光灯装饰,内廊及门厅为吸顶灯灯饰。
室内上下水管道PVC工程塑料管,卫生洁具为中档陶瓷洁
具。
某某办公楼装修设计任务书一、项目概况1、项目名称: 某某某某办公楼装修项目2、工程地点:某某省.某某市.某某镇.某某产业园区3、建设性质:办公/会议/研发4、建筑结构:钢筋混凝土框架结构5、建筑面积/装修面积:约xxxxx平方二、设计根据及基础资料1、国家及地方现行相干规范及标准文件;《建筑设计防火规范》的有关规定《建筑内部装修设计防火规范》《办公建筑设计规范》《建筑给水排水设计规范》《采暖透风与空气调解设计规范》《公共建筑节能设计标准》《建筑装潢装修工程施工质量验收规范》2、国家有关安全规定及相干政府强制性条文;3、原建筑设计图、各层平面功能布置图及各层功能性要求文本三、设计内容及范畴1、设计内容:本次设计招标的是某某某某办公楼项目的装修设计,具体位置见附图。
总建筑面积:约xxxxx M2,装修设计的面积:约xxxx M2,(包括整栋办公楼及附属楼展厅二层设计,包括办公楼大门雨棚及门头设计,包括办公楼与展厅、与食堂连廊设计。
不含办公楼地下车库,不含1层配电室,不含附属楼一层展厅)。
各层具体要求及布置:详见平面功能布置图及各层功能要求文本。
2、设计范畴:1)室内装修设计:包括但不限于招标文件规定的装修设计以外,所有室内区域的内装修设计,包括天、地、墙、门、隔墙及固定家具的设计,包括室内强电、弱电、给\排水设计,包括新风及排气系统,包括背景音乐广播系统,包括空调(需结合空调专业意见)、消防、门禁、监控等专业的配合设计-触及特别功能系统,以专业单位设计为主。
2)装修配套设计:包括但不限于活动家具、书柜、灯具选型、提供及确认装潢材料样板、窗帘布艺、画、盆景、门五金、卫生间五金。
配合门牌标志、室内摆设设计。
根据国家装修标准及使用功能,配合提出强弱电、透风空调、给排水设计接口及消防末端点位。
包括但不限于:综合布置天花图(包括灯具、风口、烟感、喇叭、喷淋等机电的定位);强电开关插座面板的定位;弱电出线口的定位;消防设计相干要求(满足消防要求);空调风口的送风、回风型式及风口定位、空调开关定位;员工办公区域平面计划方案;卫生洁具节水控制要求;办公室电脑电源、网络的设计接口等。
il贞前言第一章毕业设计目的及任务弟一TJ 毕业设计目的第二节建筑设计任务第三节结构设计任务第二章建筑设计第一节建筑设计总说明第二节平面设计第三节立面设计第四节剖而设计第三章结构设计第一节结构设计总说明第二节结构方案选择第三节计算简图及构件选型第四节荷载计算第五节竖向荷载作用下的框架内力计算第六节风荷载作用下的框架内力及侧移计算第七节水平地震作用下的框架内力及侧移计算第八节框架内力组合第九节截而设计第十节基础设计第十一节楼梯设计某亦公楼框架结构设it 毕业设讣是大学本科教育培养目标实现的重要阶段,是毕业前的综合学习阶段,是深化、拓宽、综合教和学的重要过程,是对大学期间所学专业知识的全面总结。
本组毕业设计题LI为《某办公楼框架结构设计》。
在毕设前期,我温习了《结构力学》、《钢筋混凝土》、《建筑结构抗震设计》等知识,并借阅了《抗震规范》、《混凝土规范》、《荷载规范》等规范。
在毕设中期,我们通过所学的基本理论、专业知识和基本技能进行建筑、结构设计。
本组在校成员齐心协力、分工合作,发挥了大家的团队精神。
在毕设后期,主要进行设汁手稿的电脑输入,并得到老师的审批和指正,使我圆满的完成了任务,在此表示衷心的感谢。
毕业设计的三个月里,在指导老师的帮助下,经过资料查阅、设计计算、论文撰写以及外文的翻译,加深了对新规范、规程、手册等相关内容的理解。
巩固了专业知识、提高了综合分析、解决问题的能力。
在进行内力组合的计算时,进一步了解了Excelo在绘图时熟练掌握了AutoCAD,以上所有这些从不同方面达到了毕业设计•的口的与要求。
框架结构设讣的计算工作量很大,在计算过程中以手算为主,辅以一些计算软件的校正。
曲于自己水平有限,难免有不妥和疏忽之处,敬请各位老师批评指正。
2012年5月10日第一章毕业设计目的及任务第一节毕业设计目的毕业设计是重要的教学实践环节,通过多层办公楼楼设计达到下列目的:1、获得工程师的基木训练,培养学生运用所学的理论知识,解决实际问题的能力。
建管08级毕业设计建筑设计任务书(办公楼)一.本毕业设计(论文)课题应达到的目的:见毕业设计大纲二.本毕业设计(论文)课题任务的内容和要求:本毕业设计课题,要求完成某建筑设计院办公楼的部分建筑设计。
1. 原始数据:建筑面积为2000平方米左右,混凝土框架结构或混合结构,层数4层。
要求设有建筑设计室、结构设计室、给排水设计室、暖通设计室、电气设计室、办公室、财务处及会议室、资料室、机房(打印、晒图、复印)等主要用房及设施。
其他条件参照规范及使用要求或与指导教师协商确定。
2.技术要求:建筑功能布置合理,满足消防要求,采光通风良好,庄重大方。
建筑设计均应符合有关国家规范要求,施工图绘制规范,表达清楚。
3.工作要求:a.主要有平面、立面、剖面、部分节点构造详图(不少于3个)的设计,绘制相应的建筑施工图。
施工图既要有手绘,也要有计算机绘制,具体比例1:2。
b.设计说明书三.对本毕业设计(论文)课题成果的要求:1.毕业设计说明书(一份)内容包括:工程概况、建筑设计说明、结论、参考文献等。
2.工程施工图:各层平面图、屋面排水平面图、剖面图、立面图、详图(节点任选)各一张要求,图纸规格尽量统一。
3.计算书(技术经济指标、采光、排水管数量确定等)四.本毕业设计(论文)课题工作进度计划:起迄日期工作内容3月1日~ 3月6日3月7 日~ 3月20日3月21日~4月25日4月26 日~ 5月17日5月18日 ~ 6月29日5月30日 ~ 6月5日6月16日~ 6月17日熟悉课题,完成开题报告确定建筑方案完成建筑平面,绘制施工图完成立面、剖面、节点设计,并绘制施工图撰写设计说明书并打印、上交毕业设计成果完成全部毕业设计任务,准备并进行毕业设计答辩毕业设计答辩发任务书日期:2011年3月2日。
《高层建筑结构》课程设计任务书一、设计题目:高层框架结构设计某高层办公建筑,采用全现浇框架结构,结构平面布置如图所示,质量、刚度均匀,地上12层,各层层高、跨度及竖向荷载如图所示,设计使用年限为50年。
取③轴一榀典型横向框架进行结构设计。
二、设计资料⑴基本风压:0.45kN/m2,地面粗糙度类别为B类。
⑵基本雪压:0.45 kN/m2。
⑶设防烈度:7度;设计分组:第一组;抗震设防类别:丙类。
⑷场地类别:Ⅱ类。
⑸楼面做法:楼板厚120mm,各板顶做20mm厚水泥砂浆找平,地面装修重(标准值)按0.6 kN/m2考虑,各板底粉15mm厚石灰砂浆。
⑹屋顶:不上人屋面,做法同楼面,但加做二毡三油防水层,再做40mm厚细石混凝土面层(内布细丝网)。
⑺混凝土强度等级:梁C25、柱C30。
⑻梁、柱纵向受力钢筋采用HRB400级钢筋⑼梁、柱截面尺寸如下:柱:1~4层ZA:500mm*500mm ZB:600mm*600mm ZC:600mm*600mm ZD:500mm*500mm 5~12层ZA:400mm*400mm ZB:500mm*500mm ZC:500mm*500mm ZD:400mm*400mm 梁:LAB:250mm*700mm LBC:250mm*500mm LCD:250mm*600mm三、计算内容取③轴横向框架进行设计:计算书一份,要求手写,内容包括以下几项:⑴、计算简图(相对线刚度)⑵、荷载计算(竖向荷载、风荷载)⑶、结构水平位移验算⑷、内力计算4.1在竖向荷载作用下框架各杆件的内力(M、N、V)4.2在风荷载作用下的框架各杆件的内力(M、N、V)⑸、内力组合⑹、截面设计(梁、柱配筋)四、结构施工图框架梁、柱配筋图一张,要求手工绘图,2号图纸。
毕业设计(论文)任务书毕业设计指导书第一部分建筑部分一目的要求通过建筑设计过程,让学生进一步了解一般民用建筑设计原理和方法,掌握建筑施工图设计的技能,熟悉各类建筑规范,培养学生综合运用设计原理去分析问题、解决问题的综合能力。
二建筑概况1、工程名称:长沙市机电设备有限公司1#办公楼设计2、建设地点:湖南省长沙市3、建筑规模:本工程地上五层,底层层高为3.9m其余各层为3.6m,建筑面积4500m2~7000m2左右。
4、结构形式:框架结构。
5、建筑结构安全等级为二级,建筑耐火等级为二级,屋面防水等级为二级。
6、功能布置:a、底层布置门厅、接待室、办公室、值班室、配电室、消防控制室等;b、二、三层每层各设一个100—120m2大会议室一间,60—80m2小会议室一间;c、顶层布置约150m2活动室一间,其余为普通办公室等;d、其余各层房间为普通办公室等;e、各层均布置男女卫生间,并设前室;f、屋面为上人屋面。
7、建筑设备:采用集中空调,水、电由市政提供。
8、气象条件a、基本风压、基本雪压按荷载规范附图(全国基本风压分布图)取值b、地面粗糙度:B类c、气温:历史夏季最高温度:40℃,历史冬季最低温度:-18℃d、最冷月平均相对湿度:75%;最热月平均相对湿度:80%e、年主导风向:东北风;夏季主导风向:东南风f、年降雨量:1200mm,日最大降雨量260mm三设计要求在"适用、安全、经济、美观"的原则下,完成本工程的建筑平面组合及建筑物的立面及剖面设计。
要求在充分理解设计任务要求的基础上,使建筑设计达到房间设置合理、使用方便、交通安全,设计方法正确,步骤清晰完整,并学会正确使用规范和标准图集;绘图要求严格按照制图标准要求,做到图幅规范、布图紧凑匀称,线条流畅、粗细分明、尺寸齐全,注字规范。
图纸要求如下:1、总建筑面积:4500m2~7000m2。
2、建筑层数:5层。
3、注意其使用特点,合理安排空间大小。
行政办公楼设计一、设计题目:***办公楼方案设计二、设计条件:1、建设地点:某市文化行政区临街一侧。
2、地形情况:详见附图。
3、总建筑面积:3000M2左右。
4、城市地震烈度:7度5、建筑耐火等级:Ⅱ级。
6、结构类型:框架结构为主。
7、建筑层数:3~4层为主。
8、层高:3.0~3.6m9、建筑功能要求:(1)办公室:普通办公室数间(3.5m2/每人),高级办公室2套(6.5m2/每人);(2)会议室:大会议室能容纳150~200人,小会议室能容纳30~40人。
(有会议桌1.8m2/每人,无会议桌0.8m2/每人)(3)档案室、资料室(4)打字、文印室(5)卫生间10、总平面:停车场面积不小于建筑面积15%,且不大于空地40%。
三、设计内容及深度(一)平面图:比例自定1、按制图规范绘制各层平面。
2、纵、横轴线及轴线编号。
3、平面尺寸:(1)总尺寸——外边缘尺寸。
(2)轴线尺寸。
(3)洞间墙段及门窗洞口尺寸——凡洞间墙段为轴线等分者,只需注明洞间的总尺寸,非等分者则应分别标注。
(4)剖切线及剖面编号(在底层平面中标注)(二)剖面图:比例自定,绘1~2个剖面,其中一个必须剖楼梯间。
1、外柱轴线及轴线编号。
2、剖面尺寸。
(1)总高尺寸:从室外地坪到女儿墙顶面或挑檐口的上表面。
(2)层高尺寸:室外地坪到底层地面,底层地面到上一层楼面,楼面到屋顶。
3、标高:楼地面、平台面、室外地坪、檐口上表面、女儿墙压顶上表面、雨蓬底面等。
(三)立面图:比例自定绘制两个以上主要立面图。
1、房屋两端轴线。
2、标出层高、总高、楼地面的标高。
(四)总平面图:1:500要求在给定的地形中布置出所设计的建筑物以及道路和绿化。
(五)设计说明:1、所设计建筑屋的性质、用途及设计意图和依据。
2、技术经济指标:建筑面积、使用面积、K值。
3、装修标准墙面、搂地面、屋面、楼梯、门窗、顶棚等所用材料、色彩和做法。
四、参考资料1、建筑设计资料集;2、中小型建筑设计图集;3、建筑设计规范;4、办公楼建筑设计规范。
1.绪论1.1 工程背景本项目为9层钢筋混凝土框架结构体系,占地面积约为960.96 m2,总建筑面积约为8811.84 m2;层高3.6m,平面尺寸为18.3m×52.0m。
采用桩基础,室内地坪为±0.000m,室外内高差0.6m。
框架梁、柱、楼面、屋面板板均为现浇。
1.1.1 设计资料1.1.1.1 气象资料夏季最高气温42.3C︒,冬季室外气温最低9C︒-。
冻土深度25cm,基本风荷载W。
=0.35kN/ m2;基本雪荷载为0.2 kN/ m2。
年降水量680mm。
1.1.1.2 地质条件建筑场地地形平坦,地基土成因类型为冰水洪积层。
自上而下叙述如下:新近沉积层(第一层),粉质粘土,厚度0.5—1.0米,岩性特点,团粒状大孔结构,欠压密。
粉质粘土层(第二层),地质主要岩性为黄褐色分之粘土,硬塑状态,具有大孔结构,厚度约3.0米, qsk=35—40kPa。
粉质粘土层(第三层),地质岩性为褐黄色粉质粘土,具微层理,含铁锰结核,可塑状态,厚度3.5米,qsk=30—35kPa。
粉质粘土层(第四层),岩性为褐黄色粉质粘土,具微层理,含铁锰结核,硬塑状态,厚度未揭露,qsk=40—60kPa,qpk=1500—2000kPa。
不考虑地下水。
1.1.1.3 地基土指标自然容重1.90g/cm2,液限25.5%,塑性指数9.1,空隙比0.683,计算强度150kp/m2。
1.1.1.4 地震设防烈度7度1.1.1.5 抗震等级三级1.1.1.6 设计地震分组α=(表3.8《高层建筑结构》)场地为1类一组Tg(s)=0.25s max0.161.1.2 材料柱采用C30,纵筋采用HRB335,箍筋采用HPB235,梁采用C30,纵筋采用HRB335,箍筋采用HPB235。
基础采用C30,纵筋采用HRB400,箍筋采用HPB235。
1.2 工程特点本工程为九层,主体高度为32.4米,属高层建筑。