菲律宾电力基本情况介绍
- 格式:doc
- 大小:79.50 KB
- 文档页数:22
邻近我们我国的菲律宾,在总体环境面对上,由于区域性的人口集中度特别高,随着集中进展所带来的建设与国民对生活品质的重视,使空气污染、电费昂扬、电压不稳、简单淹水、基础设施不完善、环境卫生有待改善等生活议题引起政府与国民的高度关注。
近年来,随着菲律宾国民所得的持续成长,中产阶级的逐年增加也影响市场终端消费者对产品品质的要求提升。
在产业链面对上,菲律宾因各种环境因素,导致缺乏完整的产业链,经济命脉多被华人把握,尤其当地财团设置的零售业者几乎握有全部产品销售通路,使通路进入障碍特别高。
此外,菲国市场亦存有很多潜规章,例如行销通路(零售业)的经营多仰赖当地良好的政商关系,在永续经营的考量下,多数外资厂商皆实行在地化策略,藉此进入市场。
值得留意的是,目前当地侨委开头推动网路行销(属虚拟通路),在网路科技H益发达的现代社会,其将来进展及潜在的可能性更需关注。
菲国市场对于台湾业者而言,在地理环境上具有运输、仓储、即时蒐集市场讯息等优势,若能有效运用市场资讯,视同把握浩大商机。
累进电费计价让节电需求大增在菲律宾的各种民生问题中,''电力供应"和“电费”是民众最关注的课题。
菲律宾因能源短缺使得国内电费居高不下,再加上全我国庭平均人口数高达4至6位,人口越多表示节电需求越大。
大马尼拉都会区每户家庭平均耗电度数将近400度,平均一度电要价将近台币8元:若用电超过500度,则采累进计价方式,平均一度电要价台币8.5元。
家庭人口多,加上累计计价策略,让菲律宾人的节电需求大增,商机潜力无穷。
此外,菲律宾政府协作''京都议定书”的强制执行,订定政策推动卖场的商业照明更换为LED照明,目前各大卖场几乎已更换完毕;对菲律宾国民而言,节电不只是协作我国政策执行,而是实际的削减生活开支,因此每天都要长时间使用的电灯,已间续引入国际知名品牌的LED产品,从现在起,LED 照明设施在菲律宾市场的推广使用成为必定趋势。
我国光伏企业进入菲律宾市场策略研究作者:杨士彪来源:《中国经贸导刊》2021年第02期]摘要:菲律宾政府积极相应“一带一路”倡议,并大力推动国内基础设施建设,电力需求旺盛,为我国光伏企业进入菲律宾市场带来机遇。
我国光伏企业进入菲律宾市场存在着海外业务本地化经验不足、对菲律宾国情不了解、国际化复合型人才缺乏、国际同行竞争大、菲律宾基础配套设施差等一些问题和挑战。
我国光伏企业进入菲律宾市场前,应加强实地调研、寻找可靠合作伙伴、培养国际化人才、充分利用优惠政策、加强交易、汇率、政治等风险防控,稳步进入菲律宾市场。
关键词:光伏企业菲律宾电力市场一、前言近年来,菲律宾政局稳定,经济快速发展,2012至2018年,经济增速连续7年保持在6%以上,2019年同比增长59%,在全球范围内仍处于较高水平。
在吸引外资方面也表现突出,世界三大投资评级机构陆续将菲律宾主权信用等级提升为投资等级,外资纷纷看好菲律宾经济和市场前景\[1\]。
菲律宾经济增长带动了电力需求的增加,但是国内电力供应与经济发展不协调的问题日益突出。
2008年,菲律宾通过《再生能源法案》来推动太阳能、风能等可再生能源的发展,但目前可再生能源发电占总发电比例和光伏装机总量较小,光伏发电市场仍有较大的可发展空间。
目前,我国光伏产业链各环节的产业规模均占全球较高份额,产业化技术处于全球领先行列。
2011年以来,我国光伏产业受到来自美国、欧盟等国家和地区双反及贸易保障措施的打击,在此情形下,我国光伏企业应大力开拓新兴市场,可借助中国—东盟自贸区政策和政府间双边合作机制,积极布局进入东南亚国家。
二、菲律宾电力市场基本情况(一)菲律宾电力市场基本情况近年来,菲律宾国内用电总量不断上升(见图1)。
根据[LL]菲律宾能源部数据统计,2010年年度用电总量106042GWh,到2019年年度用电量达到106,042GWh,增量565%。
2014至2019的近五年内年平均增长率在66%左右。
菲律宾国家输电网新能源消纳能力分析摘要:近年来,随着新能源发电得到世界各国的广泛关注和迅猛发展,新能源大规模接入对电力系统运行控制产生的影响日益显著。
为保障新能源并网后电网的安全稳定运行,有必要对电网新能源消纳能力进行研究。
本文以菲律宾国家输电网为例,采用基于无功电压稳定裕度约束的新能源穿透率分析模型,以及新能源布局分析模型,对菲律宾电网接纳新能源能力进行深入研究,通过分析以风电和光伏为代表的新能源接入对系统的影响及其穿透率,为制定区域新能源与其它电源及电网的协调发展规划提供参考依据。
关键词:静态电压稳定裕度、布局分析、新能源穿透率、暂态校验一、概述目前,风电和太阳能作为商业化程度很高的新能源在很多国家发展极为迅猛,在新能源装机持续增长的同时,部分国家和地区的弃风弃光现象也愈加严重,因此准确评估地区风电穿透功率极限,由此制定合理的风电发展规划和外送通道建设规划对保持新能源持续健康发展具有重要意义。
在新能源发展政策推动下,近年来菲律宾新能源发展迅速。
截至2019年底,菲律宾风电装机总容量达到49.4万千瓦,太阳能装机132.8万千瓦。
然而,风能和太阳能固有的随机性、易变性和波动性使得大规模接入对电力系统的运行和控制产生显著的影响。
而且新能源发电的并网减小了系统惯量,会导致在系统发生故障后如传统机组掉闸等,系统频率下降增大,系统稳定性易受到破坏。
为避免系统大面积停电等恶性事故的发生,有必要研究并网新能源发电在系统事故情况下对电网的影响,在最恶劣条件下确定电网安全稳定运行的裕度,确定新能源发电的最大穿透率,为新能源发电的发展以及开发布局提供依据。
本文根据菲律宾电网已建及规划新能源电站概况、电源和电网现状及发展规划数据,开展分析。
通过建立的基于电压稳定裕度分析的网架约束模型,对比分析给出菲律宾电网新能源功率穿透极限以及布局建议。
主要内容包括:(1)从稳态以及暂态等方面分析影响菲律宾新能源穿透率的影响因素,建立基于电压稳定裕度分析的新能源穿透率分析模型;(2)分析菲律宾电网新能源接入后的系统无功电压特性,对菲律宾电网中大规模新能源接入后的系统潮流进行计算,分析新能源并网运行对节点电压水平的影响,通过电压稳定裕度实现对新能源穿透极限的确定以及规划新能源各地区接入容量的分配。
菲律宾变电总包工程电气投标设计关键点分析作者:鲁晓莉陆东王文静孔丹晖来源:《机电信息》2021年第28期摘要:國际总包工程集设计、采购、施工于一体,其中投标阶段的设计工作是工程建设过程中的重要环节。
技术标的深度及质量影响着整个工程的造价,成为增加收益和控制成本的关键所在,所以,投标阶段,在满足招标文件要求的前提下,提升技术标的质量,对控制工程造价、增加企业盈利十分关键,在投标过程中如果对工程量估算失误,导致报价过低,容易造成工程亏损。
菲律宾国家电网公司工程采用IEEE标准,变电站的设计与国内的设计方案存在一定差异,现根据菲律宾工程电气设计经验,总结了相关电气投标设计关键点,可为类似工程的实施提供一定参考。
关键词:变电站;投标设计;电气设计;工程量清单0 引言随着“一带一路”的发展,越来越多的中国企业走出国门,中标海外总包项目。
海外总包工程集设计、采购、施工于一体,其中投标阶段的设计工作是工程建设过程中的重要环节。
技术标的深度及质量影响着整个工程的造价,成为增加收益和控制成本的关键所在,所以,投标阶段,在满足招标文件要求的前提下,提升技术标的质量,对控制工程造价、增加企业盈利十分关键。
在投标过程中,如果对工程量估算失误,导致报价过低,容易造成工程亏损。
菲律宾国家电网公司(以下简称NGCP)工程采用IEEE标准,变电站的设计与国内的设计方案存在一定差异,本文根据菲律宾工程设计经验,总结了相关投标设计关键点,可为类似工程的实施提供一定参考。
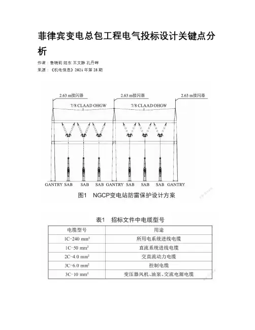
NGCP的招标文件中技术文件包含5卷[1]:VOLUMEⅠ COMMERICAL PROVISIONS、VOLUME Ⅱ STANDARD SPECIFICATIONS、VOLUME Ⅲ TECHNICAL DATA SHEETS、VOLUME Ⅳ BID PRICE SCHEDULE AND BID FORMS、VOLUMⅤ BID DRAWINGS。
其中卷Ⅱ为标准规范,包含变电站相关设备、建构筑物的通用技术规范。
菲律宾的能源脆弱性问题始终存在——中菲联合油气勘探前景及经验分析文 / 张琪菲律宾的首次本土能源计划于1976年启动,显著降低了对进口能源的严重依赖。
一是勘探和开发相对较小但具有商业可行性的油田,二是开发地热能,成为全球第二大地热能发电国,三是开发世界一流的Malampaya深水气田,四是增加煤炭产量,五是加大可再生能源的开发力度,实现指数型增长。
通过上述举措,菲律宾对进口能源的依赖程度明显降低,进口能源占能源消费的比例从1976年的92%降低到2016年的约40%。
尽管如此,菲律宾仍面临一定的能源安全挑战。
首先,菲律宾本土能源计划的成果更多局限在电力部门,而交通部门几乎完全依赖进口石油。
2019年英国与伊朗先后扣押油轮导致霍尔木兹海峡紧张局势加剧,这再次凸显出菲律宾的能源脆弱性问题,如果霍尔木兹海峡因冲突关闭,菲律宾的能源供应可能陷入非常不稳定的状态。
其次,部分本土天然气田的储量逐渐耗尽,可能会在中短期产生供需缺口。
例如,供应吕宋岛40%—50%电力需求的Malampaya 深水天然气发电项目预计将在2020年代中期耗尽,如果这部分产能无法被及时弥补,可能导致地区内电力供应出现缺口和停电。
海上油气勘探和开发具有保障菲律宾能源安全的战略意义菲律宾周边海域具备一定的油气资源勘探开发潜力,包括Marampaya所在的巴拉望(Palawan)西北部,巴拉望西南部近海已经通过2D和3D地震勘探划定几个大型石油和天然气勘探区,但是这些海上气田的水深普遍较深,大大增加了开采的复杂度、技术要求和成本。
海上油气勘探和开发对菲律宾的能源安全非常重要。
由于能源需求增长远高于世界平均水平,主要油气田面临逐渐耗尽的局面。
中东地缘政治局势凸显出石油进口国的脆弱性,菲律宾在开发新的本土能源项目方面日显紧迫。
为应对能源挑战,菲律宾上游石油工业协会(PAP)正在与政府机构密切合作,以振兴本土石油和天然气勘探。
目前该国仅有23个有效的石油服务合同(PSC),其中Malampaya深水天然气发电项目是最成功的一个,其开发经验对有意赴菲进行油气勘探和开发的企业具备一定的参考价值。
国网撤购菲电网经营权背后:国际化道路抉择被列为国家电网公司国际化战略重要内容的跨国竞购案突然宣告破产。
来自外电的消息称,中国国家电网公司、马来西亚国家能源有限公司及它们的菲律宾合作方于2月5日突然决定,撤出对菲律宾电网未来25年经营权的竞标。
目前,这一事件在国家电网公司内部尚处于保密状态。
该公司宣传部门有关人士2月7日向本报表示:“在信息尚未完全明朗的情况下,不对此事进行评论。
”但据了解,政治上的不确定性和对菲律宾电网赢利能力缺乏足够把握,是国家电网及其合作伙伴撤购的主要原因。
而当前国家电网正在国内进行大规模建设,需要大量资金,这在一定程度上也与跨国竞购冲突。
撤购之因据了解,菲律宾电网公司(Trans Co)是2002年从菲律宾国家电力公司分离出来后组建的,目前拥有并管理着菲律宾全国的输电资产。
至2005年底,拥有输电线路总长20236千米,变电容量2460.7万千伏安,资产总额约26亿美元。
几乎从组建开始,菲律宾电网公司就开始运作招标出售经营权的工作。
其原因在于,菲律宾政府一直力推将Trans Co私有化,以提高其运营效率,降低国内电价,更重要的是为其步履维艰的电网资产提供转机。
公开信息显示,在国家电网公司参与投标之前,菲律宾电网公司已经进行了三次招标工作,但都以失败告终。
2006年10月20日,国家电网公司派出了12人小组,前往菲律宾考察,初露参与竞标菲电网经营权的兴趣。
一周之后的10月27日,菲律宾总统阿罗约在厦门会见了国家电网公司总经理刘振亚,正式拉开了国家电网公司竞购菲律宾电网公司经营权的序幕。
在此后的数次公开场合,刘振亚在谈到国家电网公司“走出去”战略时,均表示:“正在积极竞购菲律宾电网公司经营权。
”据了解,参与竞争此次标的有意大利、马来西亚、日本、韩国、新加坡等全球多个地方的国家电网公司,竞争颇为激烈。
为了赢得长达25年的经营权,国家电网与马来西亚国家能源公司、菲律宾MonteOro电网资源集团等联手组成了投标团。
菲律宾电力基本情况介绍菲律宾电力基本情况介绍一、菲律宾电力工业改革的基本情况及现状1987年以前~菲律宾国家电力公司,NPC,拥有并运营菲律宾的国有发电和输电资产~但其配电和供电系统一直独立于发电和输电系统~配电公司负责运营管理配电系统~供电公司负责电力的购销~均以私营为主。
1987年电力行业开始改革~允许私营企业参与发电行业独立电力项目合同,“IPP”,。
1992年成立了能源部,“DOE”,~作为能源政策和项目执行的中央协调机构。
1993年制定了菲律宾电力部门私有化和重组计划~目的是吸引私人投资。
随着《电力产业改革法案》,“EPIRA”,的出台~菲律宾电力工业改革在2001年达到最高峰。
EPIRA实施后~发电和输电分开。
2001年能源管理委员会(Energy Regulatory Commission~ERC)成立~ERC是建立于EPIRA之下~作为独立的半司法监管机构~负责监管菲律宾的电力企业。
2002年菲律宾政府组建了菲律宾输电公司,TransCo,~TransCo拥有并管理菲律宾全国的输电资产~其资产受电力资产管理公司,PSALM,的管控~2007年~国家电网公司成功竞标TransCo 25年特许经营权。
TransCo的运营由ERC监管~ERC负责电力市场运行标准、输电规划及投资、输电价格的核定~并负责其绩效考核,NPC仍拥有占全国大约75%的发电资产~目前正在进行私有化改革~另外约25%的电源由独立发电商,IPPs,拥有,2002年组建1了电力交易中心~促进电力交易~由TransCo代管~负责电力市场的运行管理。
二、菲律宾电力统计数据1、装机构成统计分析菲律宾能源资源匮乏~自给率仅为21%左右。
其中~煤炭资源储量有限且质量较差,石油资源相对较少~基本依靠进口。
一次能源消费主要以石油、煤炭为主。
菲律宾的电源装机以煤电、油电、水电、天然气和地热机组为主。
2007年~菲律宾的总装机容量为15,937MW~比2006年增长0.85%。
第55卷第1期2021年1月电力电子技术Power ElectronicsVol.55,No.lJanuary2021菲律宾±350kV直流输电工程换流阀研制娄彦涛,马元社,雒偲立(西安西电电力系统有限公司,陕西西安710075)摘要:菲律宾Mindanao-Visayas±350kV/450MW高直流输电工程是我国的企业走出国门,输出中国高压直流(HVDC)输电技术的又一成功范例。
在此结合菲律宾电网的差异和工程特点,系统介绍了±350kV/450MW 工程换流阀的研制工作,从换流阀的基本参数、电气设计和结构设计3个方面分析换流阀的技术特点和性能指标。
最后对研制的±350kV/450MW I程换流阀开展了型式试验,试验严格按照IEC60700-1-2015标准,在业主NGCP、国家高压电器质量监督检验中心(XIHARI)和意大利CESI专家的共同见证下通过全套型式试验并实现工程应用。
关键词:晶闸管;换流阀;高压直流中图分类号:TN34文献标识码:A文章编号:1000-100X(2021)01-0057-03Research and Development of±350kV Converter Valve in Philippines ProjectLOU Yan-tao,MA Yuan-she,LUO Si-li(Xi*an XD Power Systems Co.,Ltd.,Xi*an710075,China)Abstract:The Mindanao-Visayas±350kV/450MW interconnection project,high voltage direct current(HVDC)converter&electrode stations in the Philippines is another successful example of Chinese enterprises entering the global market with advanced China*s HVDC technology.Based on the differences and engineering characteristics of the Philippines power grid,the research and development of the±350kV/450MW converter valve is systematically introduced.The technical characteristics and performance indicators of the converter valve are analyzed from three aspects: the basic parameters of the converter valve,electrical design,and structural design.Finally,the type test of the developed±350kV/450MW converter valve has been carried out.The test is strictly in accordance with the IEC60700-1-2015standard, and the developed converter valve has passed a full set of test items to fulfill the engineering application requirements, under the joint witness of the owner NGCP,the national high-voltage electrical quality supervision and inspection center(XIHARI)and the Italian CESI experts.Keywords:thyristor;converter valve;high voltage direct current1引言菲律宾近年来日益增长的用电需求与滞后的电力建设之间的矛盾成为制约其经济发展的主要矛盾之一。
菲律宾新能源菲律宾是一个美丽的国家,不仅拥有得天独厚的自然资源,还有丰富的新能源资源。
随着全球对清洁能源需求的不断增加,菲律宾发展新能源已经成为一个重要的发展方向。
首先,菲律宾拥有丰富的太阳能资源。
该国位于赤道附近,日照时间长,每年有充足的阳光以供利用。
菲律宾政府已经意识到太阳能的潜力,并大力推动太阳能项目的发展。
目前,菲律宾已经建立了多个太阳能电站,以满足当地居民和企业的用电需求。
太阳能的应用还包括热水系统和太阳能灯等。
这些太阳能项目的建设不仅可以减少对传统能源的依赖,还可以减少温室气体的排放,有益于环境保护。
其次,菲律宾拥有丰富的水力资源。
菲律宾的地形多样,有许多山脉和河流。
这些河流可以用来建设水力发电站,利用水流的动能来发电。
菲律宾政府已经制定了一系列的水力发电项目,以提供清洁能源,并推动当地经济的发展。
水力发电不仅可以减少对化石燃料的依赖,还可以提供可靠的电力供应,促进工业和农业的发展。
再次,菲律宾还拥有丰富的地热资源。
地热能源是一种利用地下岩石中的高温热水或蒸汽来产生电力的技术。
菲律宾是一个火山岛国,有很多地热资源可供开发利用。
菲律宾政府已经建立了一些地热电站,使菲律宾成为全球最重要的地热发电国家之一。
地热发电不仅可以提供可持续的能源供应,还可以减少对传统能源的依赖,降低能源成本。
最后,菲律宾还在积极发展风能资源。
尽管菲律宾的风能资源相对较少,但在一些沿海地区和山脉地区,仍然有很大的开发潜力。
菲律宾政府已经鼓励在这些地区建设风力发电场,以提供清洁能源。
风力发电具有可再生、无污染的特点,可以有效地减少温室气体的排放。
总的来说,菲律宾拥有丰富的新能源资源,包括太阳能、水力能、地热能和风能。
菲律宾政府已经制定了一系列的政策和项目,以发展这些新能源资源,并减少对传统能源的依赖。
新能源的发展不仅可以带来经济增长,还可以改善环境质量,降低能源成本。
尽管面临一些挑战,但菲律宾在发展新能源方面的努力是值得肯定的。
菲律宾马利万斯69kV直流供电电源The DC power system for Mariveles, Bataan Philippines用户手册User Manual(Version: V1.0)Shenzhen Huiyeda Communication Technology Co., Ltd.2011.03目录1.总则SUMMARY (1)1.1.型号说明MODEL DESCRIPTION (2)1.2.运行方式OPERATION SYSTEM (2)1.3.功能特点FUNCITION FEATURE (2)1.4.技术参数TECHNICAL PARAMETERS (4)2.柜体安装指导CABINET INSTALLATION (5)3.操作规程OPERATION PROCESS (9)4.维护规程MAINTENANCE INSTRUCTION (9)4.1.日常维护ROUTING MAINTENANCE (9)4.2.月度维护MONTHLY MAINTENANCE (11)4.3.季度维护QUARTERLY MAINTENANCE (11)4.4.年度维护ANNUAL MAINTENANCE (12)5.智能监控系统INTELLIGENT MONITOR SYSTEM (13)5.1.主要功能MAIN FUNCTION (13)5.2.监控系统构成MONITOR SYSTEM STRUCTURE (15)5.3.主监控接口说明MAIN MONITOR INTERFACE SPECIFICATION (15)5.4.主监控操作指南MAIN MONITOR OPERATOR GUIDE (16)6.主要部件介绍MAIN PARTS INTRODUCTION (32)6.1.PM3A交流监控单元AC MONITORING UNIT (32)6.2.PM3D直流监控单元DC MONITORING UNIT (33)6.3.PM3K开关量监控单元SWITCH MONITORING UNIT (35)6.4.PM3B电池巡检单元BATTERY INSPECTION UNIT (38)6.5.PM3J绝缘检测装置INSULATION DETECTION DEVICE (40)6.6.K2A20L 整流模块RECTIFIER MODULE (42)7.故障处理FAULT TREATMENT (45)7.1.PM4主监控故障处理MAIN MONITOR FAULT TREATMENT (45)7.2.K2A20L模块故障处理RECTIFIER MODULE FAULT TREATMENT (50)7.3.交流监控单元故障处理COMMUNICATION MONITORING UNIT FAULT TREATMENT (51)7.4.直流监控单元常见故障处理DC MONITOR UNIT FAULT TREATMENT (53)7.5.开关量监控单元故障处理SWITCH MONITOR UNIT FAULT TREATMENT (55)7.6.电池巡检单元故障处理BATTERY INSPECTION UNIT FAULT TREATMENT (56)7.7.绝缘检测单元故障处理INSULATION TESTING UNIT MALFUNCTION DISPOSAL (57)附录一:出厂参数配置表 (61)APPDEX1: WATCH FACTORY PARAMETERS CONFIGURATION (61)附件二:图纸 (62)APPDEX2: DRAWING (62)1.总则Summary直流电源系统主要由充电模块、蓄电池、监控系统和配电单元构成;电源系统主要部件采用模块化,可实现完善的N+1备份功能,及在线式热插拔及在线维修功能。
菲律宾电力行业分析导语菲律宾位于亚洲东南部,北隔巴士海峡与中国台湾遥遥相对,南和西南隔苏拉威西海、巴拉巴克海峡与印度尼西亚、马来西亚相望,西濒南中国海,东临太平洋。
菲律宾缺电现象严重,电力成本高昂,菲律宾政府通过对菲律宾国家电力公司进行私有化改革、发展可再生能源等措施,努力提高发电量。
请输入标题菲律宾,电力,研究一、电力行业情况分析1. 电力生产截至2017年底,菲律宾国内总发电量为94.37TWh,总装机为22728MW。
(一)火力发电:截至2017年底,火电装机容量15649MW,占全国装机总量的68.85%,发电量71.18TWh,占全国发电总量的75.43%。
(二)水力发电:2017年底,水电装机容量3627MW,占全国装机总量的15.96%,发电量9.61TWh,占全国发电总量的10.18%。
(三)非水可再生能源发电:截至2017年底,非水可再生能源发电装机容量3452MW,占全国装机总量的15.19%,发电量13.58TWh,占全国发电总量的14.39%。
2. 电力需求2017年,菲律宾全社会用电量77.79TWh。
2018年至2026年,预计2025年将增至116.5TWh。
3. 输配电及电力进出口情况菲律宾输电网由吕宋、维萨亚、棉兰老岛三大部分组成,由菲律宾输电公司(TransCo)负责管理。
菲律宾输电网电压等级为交流500kV、230kV、138/115kV、69kV和直流350/250kV。
菲律宾国内电力供应无法满足用电需求,本国电力生产及传输设施老化,输配电损耗超过9%。
由于国内能源产能少,菲律宾长期依赖进口化石能源用于发电。
4. 电力监管及市场格局菲律宾能源部(DoE)负责制定能源行业的总政策及目标。
能源监管委员会(ERC)负责监管电力部门。
菲律宾国家电力公司(NPC)在2001年电力行业放松管制前,曾是一家从事电力生产、运输和配送的国有企业。
2001年后,NPC剥离了输电资产,形成了一家全新的国有企业菲律宾输电公司(Transco),并逐步实现电网运营权的私有化。
越南和菲律宾小型水电工程概况A.苏克;徐瑞华;孙言【摘要】预计东南亚建小型水电站的可用水电资源在6 700 MW左右.因此在这类地区,尤其是偏远的农村地区,小型水电项目会发挥重要作用.简述了小型水电工程的界定、重要性及其多样的融资模式.以东南亚水资源较为丰富的越南和菲律宾为例,对小型水电开发商所面临的机遇、多种多样的激励措施和挑战作了简要介绍,以期为东南亚其他国家小型水电工程的开发和利用借鉴.【期刊名称】《水利水电快报》【年(卷),期】2016(037)010【总页数】3页(P1-3)【关键词】小型水电工程;工程实例;越南;菲律宾【作者】A.苏克;徐瑞华;孙言【作者单位】【正文语种】中文【中图分类】TV7422015年12月31日,东盟经济共同体正式建立,这是东盟历史上一个重要里程碑,它标志着该区域的政策协调化进程开始。
所谓“东盟方式”,其主要内容是平等、协商一致、相互尊重和不干涉内政。
达成共识,签订不具备约束力的协议,以防削弱各国国家主权。
然而随着1992年签订东盟自由贸易协议的、所有成员国加入世界贸易组织(WTO),这种原则不得不被更有约束力的政策所取代。
自此正式签署的具有约束力的协议如雨后春笋般迅速增加,最终在签订《东盟经济共同体2007年蓝图》时达到顶峰。
2015年东南亚国家联盟称,在蓝图中宣布的506项措施中,92.7%已在各成员国中得以实施。
为向《东盟经济共同体2015年蓝图》提供支持,《东盟2010~2015年能源合作行动》(APAEC)中包含了许多兼具制约性和鼓励性的措施。
2015年10月举行了第33届东盟部长级能源会谈,宣布各成员国已实现并超过了可再生能源总量15%的理想目标,且制定了2025年达到23%的新目标。
可再生能源总量的快速增长被视为确保能源安全和降低CO2排放量的要素之一。
鉴于东南亚地区水资源丰富,水力发电将会继续作为其重点优先发展项目,水力发电总装机容量有望在2040年翻番,增至90 GW。
菲律宾globe的节能指标菲律宾 globe的概念是一种高能量密度的太阳能电池,其是利用光能转换成电能的装置,其特点是发电效率高、成本低、质量好;主要应用于太阳能发电。
菲律宾 globe具有两个特点:一是它不需要电力输出到电网之中,而是通过蓄电池把电能储存起来;二是利用太阳能为蓄电池充电;三是为手机充电,这种充电方式非常节省能源。
在家庭中能节约一度电,节省能源。
在当今快速发展的社会中,能源是必须保障安全的重要能源之一。
在我国居民生活中,除了依靠自来水之外,还有很多节能方面的问题需要我们注意。
目前世界上各国都在积极发展节能型能源技术。
目前我国对太阳能发电方面也做出了很多节能环保措施,其中最为突出就是对太阳能电池进行节能补贴或降低能耗标准生产企业和消费者进行产品质量监督抽查。
同时提高了可再生能源占一次能源消费量比重工作要求也在不断提高。
1、在进行生活中,我们可以多使用电能,从而达到节能的效果。
例如:用电的时候,我们可以将空调调至热风状态,将风扇调至最佳工作状态,将电冰箱中的冷藏食物等电器都是比较耗电的,但是我们可以通过改变生活习惯来达到节能的效果。
例如:我们可以把空调调至最低温度,然后将电风扇调至“最小档”,将空调温度调至较低档;而当空调温度降至“舒适”状态时,我们可以关闭空调,这时可以节电百分之十左右。
可以说这样一款电动汽车还是非常省电的,它就是这样产生的。
当我们将手机放在支架上,它会自动充电,当电量用完时立即停止充电再充满电。
这种充电方式也非常划算。
在家中同样可以使用这款小型的globe太阳能电池板,把它安装在我们的汽车或者是其他物体上可以为其进行供电,也可以为其进行充电。
我们可以通过这样使用它可以为我们节省大量宝贵的锂电池电量。
2、家庭用电一定要合理使用,不要随意乱开家电。
例如电风扇,空调等,长期使用的话,一定要注意其用电功率,可以将整个用电量节省下来,减少用电的支出,也有利于环保。
同时,还要注意合理充电,不要给手机充电,因为手机等移动设备耗电非常大。
菲律宾电力工业近况
卢文艳
【期刊名称】《国际电力》
【年(卷),期】2005(9)1
【摘要】菲律宾先于亚洲其它国家在发电部门采用独立发电商方式(IPP),并积极促进民间企业参与电力部门的业务。
政府进行电力改革的目的是降低电价。
2001年《电力改革法》制定后,对电力工业进行了更进一步的整改,虽然进程较慢,但从阿罗约总统上任后,正逐步实施改革方案。
【总页数】1页(P10)
【作者】卢文艳
【作者单位】无
【正文语种】中文
【中图分类】F416.61
【相关文献】
1.菲律宾电力工业及其改革 [J], 诸葛嵩
2.越南电力工业发展近况 [J], 张森林
3.俄罗斯电力工业近况 [J], 张金城
4.波兰电力工业近况 [J], 宗欧
5.法国电力工业近况 [J], 梁木;徐灵军
因版权原因,仅展示原文概要,查看原文内容请购买。
菲律宾能源部节能成效显著电力消费降低27%
佚名
【期刊名称】《能源研究与信息》
【年(卷),期】2005(21)2
【摘要】菲律宾能源部日前报道,自从总统阿罗约实施综合性的节能计划之后,在刚刚过去的6个月中,菲律宾能源部电力消耗由去年八月月消耗15.596万kWh降低至今年2月当月的11.28万kWh,降低了27%,节约资金3.7209万美元。
此外,燃料消耗大幅下降,与同期相比汽油消耗下降了24%,柴油下降了5%。
【总页数】1页(P123-123)
【关键词】能源部;菲律宾;成效显著;电力消费;节能计划;电力消耗;节约资金;燃料消耗;下降;美元
【正文语种】中文
【中图分类】F471.262;S288
【相关文献】
1.能源部提出电力行业节能目标 [J], 包月阳
2.电力节能大有可为——国网湖南节能服务有限公司节能成效显著 [J], 刘潇潇
3.“十三五”时期能源消费大省降低工业能耗的途径--基于内蒙古结构节能和技术节能视角的分析 [J], 王燕梅
4.节能降耗成效显著节能工作任重道远——中山市“十一五”能源消费情况分析[J], 程莉
5.能源部召开沈阳电力专科学校现场会——国家教委党组书记、副主任何东昌,能源部部长黄毅诚等领导出席了会议,并做了重要讲话 [J],
因版权原因,仅展示原文概要,查看原文内容请购买。
菲律宾电力基本情况介绍菲律宾电力基本情况介绍一、菲律宾电力工业改革的基本情况及现状1987年以前~菲律宾国家电力公司,NPC,拥有并运营菲律宾的国有发电和输电资产~但其配电和供电系统一直独立于发电和输电系统~配电公司负责运营管理配电系统~供电公司负责电力的购销~均以私营为主。
1987年电力行业开始改革~允许私营企业参与发电行业独立电力项目合同,“IPP”,。
1992年成立了能源部,“DOE”,~作为能源政策和项目执行的中央协调机构。
1993年制定了菲律宾电力部门私有化和重组计划~目的是吸引私人投资。
随着《电力产业改革法案》,“EPIRA”,的出台~菲律宾电力工业改革在2001年达到最高峰。
EPIRA实施后~发电和输电分开。
2001年能源管理委员会(Energy Regulatory Commission~ERC)成立~ERC是建立于EPIRA之下~作为独立的半司法监管机构~负责监管菲律宾的电力企业。
2002年菲律宾政府组建了菲律宾输电公司,TransCo,~TransCo拥有并管理菲律宾全国的输电资产~其资产受电力资产管理公司,PSALM,的管控~2007年~国家电网公司成功竞标TransCo 25年特许经营权。
TransCo的运营由ERC监管~ERC负责电力市场运行标准、输电规划及投资、输电价格的核定~并负责其绩效考核,NPC仍拥有占全国大约75%的发电资产~目前正在进行私有化改革~另外约25%的电源由独立发电商,IPPs,拥有,2002年组建1了电力交易中心~促进电力交易~由TransCo代管~负责电力市场的运行管理。
二、菲律宾电力统计数据1、装机构成统计分析菲律宾能源资源匮乏~自给率仅为21%左右。
其中~煤炭资源储量有限且质量较差,石油资源相对较少~基本依靠进口。
一次能源消费主要以石油、煤炭为主。
菲律宾的电源装机以煤电、油电、水电、天然气和地热机组为主。
2007年~菲律宾的总装机容量为15,937MW~比2006年增长0.85%。
非传统能源天然气油电0.16%17.78%22.69%煤电水电26.44%20.64%地热12.29%油电水电地热煤电天然气非传统能源图1 菲律宾2007年的装机构成菲律宾2007年的装机构成如图1所示。
在总体装机容量构成中~火电机组比重最大~煤电和油电的装机容量分别为4,213MW、3,616MW~占总比重的26.44%和22.69%,由于菲律宾是岛屿国家~其水资源较为丰富~水电装机为3,289MW~占总比重的20.64%,同其他国家相比~菲律宾的天然气和地热装机比重较高~分别为22,834MW、1,958MW~占总比重的17.78%和12.29%。
菲律宾1987,2007年的装机容量构成如表1所示~其总装机容量变化趋势如图2所示。
从菲律宾1987年进行电力改革到2007年的20年间~其装机容量年平均增长率为4.55%。
其中~1993,2002年间的装机容量保持较快的增长速度~年平均增长率为7.78%,这段时期之前和之后的装机增长较慢~年平均增长率仅分别为1.21%和1.63%。
表1 菲律宾历年装机容量构成统计单位:MW 年份 1987 1990 1995 2000 2005 2006 2007 油电 2,790 3,1365,425 4,987 3,663 3,602 3,616 水电 2,142 2,153 2,303 2,301 3,222 3,257 3,289 地热 894 888 1,154 1,931 1,978 1,978 1,958 煤电 535 525 850 3,9633,967 4,177 4,213 天然气 , , , 3 2,763 2,763 2,834 非传统能源 184 167 NA NA 26 26 26 合计 6,545 6,869 9,732 13,185 15,619 15,803 15,937 数据来源:菲律宾能源部16,00014,00012,00010,0008,0006,0004,000全国装机容量(MW)2,0001987年份19891991图2 菲律宾全国装机容量变化趋势图199319953199719992001200320052007由于菲律宾岛屿国家的地理结构特征~其历史油电比重很高~1994年~菲律宾的油电装机容量为5,335MW~占总装机的比重达最高峰~为57.91%,此后~菲律宾的油电装机份额开始减少~2007年~降低为22.69%。
1994年之后~菲律宾的火电装机开始呈现较快增长趋势~其装机容量从1994年的550MW增长到2007年的4,213MW~年平均增长率达16.95%。
同时~菲律宾在2000年之后开始大力发展天然气发电。
2000年~菲律宾的天然气发电的装机容量仅为3MW~2001年~迅速增至1,063MW~2002年达2,763MW~每年投入机组在1GW以上,之后~天然气装机保持在较为平稳的水平。
2、用电量统计分析菲律宾2007年全国发电量为59,612GWh~同比增长5.12%~其中~发电厂厂用电量和网损电量分别为:3,994GWh、7,608GWh~分别占发电量的6.70%和12.76%。
2007年全国售电量为48,009GWh~其中工业和居民用电比例最大~分别占34.41%、34.11%~商业用电其次~占28.06%。
菲律宾2007年售电量构成如图3所示。
4其他3.42%居民工业34.11%34.41%商业28.06%居民商业工业其他图3 菲律宾2007年全国售电量构成菲律宾1987,2007年的用电量构成如表2所示~其售电量和发电量增长情况如图4所示。
20年间~菲律宾售电量从1987年的17,234MW增长到2007年的48,009MW~年平均增长率为5.26%。
其中~1994,2003年间的装机容量保持较快的增长速度~年平均增长率为7.25%。
60,00050,00040,00030,00020,00010,000售、发电量(GWh)19871988年份1989售电量发电量1990 1991图4 菲律宾历年全国售电量、发电量增长情况19921993 19941995 1996199719985 199920002001200220032004200520062007表2 菲律宾历年用电量构成统计单位:GWh 年份 1987 1990 1995 2000 2005 2006 2007 居民 4,702 5,6098,223 12,894 16,031 15,830 16,376 商业 3,561 4,695 6,353 9,512 12,245 12,679 13,470 工业 7,750 9,943 10,950 13,191 15,705 15,888 16,522 其他1,221 966 1,067 957 1,177 1,275 1,641 售电量 17,234 21,213 26,593 36,555 45,159 45,672 48,009 电力公司自用 1,070 1,134 1,226 2,390 4,591 4,227 3,994 电力损失 4,338 3,980 5,735 6,345 6,817 6,885 7,608 发电量 22,642 26,327 33,554 45,290 56,568 56,784 59,612 数据来源:菲律宾能源部从表2可以看出~1987年,2007年间~菲律宾的商业和居民用电增长较快~其年平均增长率分别为:6.88%、6.44%~而工业用电增长较慢~仅为3.99%~较整体水平低出1.27个百分点。
三、菲律宾输电网运营现状1、菲律宾输电网现状菲律宾输电网由吕宋,分北部和南部电网,、维萨亚、棉兰老三大部分组成~由TransCo负责管理~2007年最大负荷905.2万千瓦, 吕宋、维萨亚、棉兰老分别为:664.3万千瓦、116.8万千瓦、124.1万千瓦。
受地理条件限制~除马尼拉地区电网有环网外~其他地区的电网结构呈放射状~主要岛屿之间由交、直流海底电缆联络线相连。
菲律宾输电网电压等级为交流500、230、138,115、69千伏和直流?350,250千伏。
至2007年~菲律宾输电网拥有69kV及以上线路620,129公里~变电容量24,732兆伏安~共辖有131座变电站。
菲律宾的电力设备制造能力很弱~没有本国电气设备技术标准~目前主要采用IEC,国际电工委员会,及ANSI,美国国家标准学会,标准。
菲律宾的电网运营有严格的《电网条例》和《配电条例》。
《电网条例》规定了高压骨干输电网安全、可靠、稳定和经济运行~维护和发展的规则、要求、程序和标准。
明确了输电公司、电网调度和市场运营者的职责和义务。
并设电网管理委员会来处理电网运行管理的日常事务菲律宾电网有以下几个特点:一是一次设备标准高。
输变电设备主要选用国际知名制造企业的产品,如ABB、西门子、梅兰日兰、东芝、富士等,。
同时~其变电站、输电线路设计很多由国外公司设计~设备基础较好~但设备运行年限较长~平均在20年以上~若以设备有效使用寿命30年看~约50%设备已开始进入老化期。
变电站布臵较为紧凑~主变大量采用自耦变压器组~主变第三绕组通常接所用变及附近负荷~重要联络变考虑备用变和备用相。
变电站主接线方式以3/2接线为主~采用GIS的变电站设计为双母线方式。
500kV线路几十公里长即配有并联电抗器~并联电容器直接接在230kV母线~230kV线路主要采用双分裂或四分裂,继电保护装臵从配臵原则到设备都相对比较落后。
二是菲律宾尚还没实现全国联网~骨干网架较为薄弱。
在吕宋岛500kV网架呈辐射状~在大马尼拉地区形成电磁环网运行,在维萨亚群岛230kV等级输电线路仅存在于两个岛屿上,棉兰老岛的最高电压等级仅为138kV。
三是吕宋电网存在着单机容量7大的现象。
吕宋岛的最大单机容量是600MW~而2007年5月出现的地区最高负荷是6643MW~如果600MW机组掉闸~必将对电网产生很大冲击。
2、组织机构及人员构成情况2007年~TransCo公司员工共有3,586人~公司人力资源的构成情况如表3和表4所示。
表3 TransCo人力资源统计(按区域划分)合计总部 942吕宋岛 1,172维萨亚 621棉兰老 851合计 3,586注:数据来源:TransCo公司2007年年报。
表4 TransCo人力资源统计(按职能划分)合计公司办公部门 478系统运行部门 462操作与维护部门 2,371工程部 275合计 3,586注:数据来源:TransCo公司2007年年报。
TransCo电网公司的组织机构图如下图所示。
8董事会国内审计董事会秘书主席&首席执行官竞标与合同管理公共关系部中压电网私有化部计划部电力系统可靠性人力资源管理咨询办公室项目管理工作组财务管理高级副总裁&首席运行官航空测量服务质量保证公共事业管理工程设计吕宋岛维萨亚/棉兰老系统运行与建设运行与维护运行与维护图5 TransCo公司的组织机构图3、公司财政经营情况2007年~TransCo公司的净收入为234.77亿菲律宾比索~同比增长20.68%,公用事业净财政收入为322.48亿比索~同比增长15.31%,公司总资产为1,878.03亿比索~同比增长0.56%,公司公用事业净资产为1,444.45亿比索~同比减少3%。