废汽车催化剂中铂金族金属的回收利用
- 格式:docx
- 大小:57.04 KB
- 文档页数:4
从废催化剂中回收铂的方法废催化剂是一种含有铂催化剂的废弃材料,常见于石油炼制、化工和汽车尾气处理等工业过程中。
由于铂是一种稀有且贵重的金属,因此废催化剂中的铂可以通过回收和再利用来降低成本和减少环境影响。
下面将介绍一些常见的废催化剂回收铂的方法。
1.物理方法:物理方法主要通过物理分离和提纯的方式来回收铂。
首先,可以采用磁力分离或重力分离的方法将废催化剂与其他杂质分离。
随后,可以通过重力沉淀、离心、过滤等方法去除悬浮颗粒和固体杂质。
最后,通过高温煅烧或浸泡在强酸溶液中使铂与其他杂质分离,得到纯铂颗粒。
然而,物理方法的回收率有限,无法完全分离铂与其他金属元素。
2.化学方法:化学方法主要通过溶解和沉淀反应来回收铂。
在一定温度和压力条件下,可以使用浓硫酸、浓盐酸、硝酸等强酸溶液来将废催化剂中的铂溶解为金属离子。
然后,通过还原剂如次氯酸钠、亚硫酸钠等将铂离子还原为金属铂。
最后,通过沉淀反应使铂沉淀下来。
该方法可以实现较高的回收率,但需要考虑使用和处理强酸的安全性和环境影响。
3.浸提法:浸提法主要通过有机溶剂和络合剂来回收铂。
废催化剂首先与有机溶剂如醇类、酮类等进行浸泡,使铂与有机溶剂发生萃取反应。
然后,加入络合剂如饮用水硷、乙二胺四乙酸等,使铂形成稳定络合物。
最后,通过蒸馏或萃取的方式将铂从络合物中分离出来得到纯铂。
但该方法在工业上应用较少,需要考虑有机溶剂和络合剂的选择和再生。
4.焙烧还原法:焙烧还原法主要通过高温下将废催化剂焙烧,使其与氧气反应生成氧化物。
随后,通过还原剂如氢气将氧化物还原为纯净的金属铂。
该方法具有简单易行、高效节能的优点,但需要考虑气体排放和设备安全。
在实际的铂回收过程中,通常会综合运用上述的多种方法。
同时,为了提高回收率和降低成本,可以针对废催化剂的物化性质和含铂量进行预处理和优化设计。
此外,回收铂的过程还需要关注环境污染和职业健康安全问题,选择适当的处理设备和工艺流程,确保回收过程的可持续性和减少对环境的影响。
失效汽车尾气催化剂中铂族金属回收的研究进展
李明钢;高元兴;郭学益
【期刊名称】《贵金属》
【年(卷),期】2024(45)1
【摘要】失效汽车尾气催化剂是回收铂族金属(铂、钯、铑)的重要二次资源。
本文介绍了失效汽车尾气催化剂中铂族金属的回收工艺流程,包括失效催化剂预处理、铂族金属富集、分离与精炼三部分;详细介绍了两种高效预处理技术、两种富集方法以及四种分离与精炼工艺,总结了各种方法的原理、工艺流程、优缺点及改进方向。
回收企业应根据回收规模和环保政策采用合适的回收工艺,以实现不同回收工艺之间的优势互补,未来需重点研发回收率高且环境友好的清洁回收工艺。
【总页数】12页(P78-89)
【作者】李明钢;高元兴;郭学益
【作者单位】中南大学冶金与环境学院
【正文语种】中文
【中图分类】TF83;X705
【相关文献】
1."从失效汽车尾气净化催化剂中回收铂族金属"项目通过验收
2.从失效汽车尾气净化催化剂中回收铂族金属
3.从失效汽车尾气净化催化剂中回收铂族金属--亚砜萃取工艺研究
4.失效汽车尾气净化催化剂中铂族金属回收技术
5.从失效汽车尾气催化剂中回收铂族金属研究进展
因版权原因,仅展示原文概要,查看原文内容请购买。
三元催化剂中铂族金属的回收工艺(草)蜂窝状堇青石载体废催化剂常采用选择性溶解铂族金属(PGM) 的方法。
该方法只溶解含有PGM 的氧化铝涂层而堇青石基体不受侵蚀。
报废回收的催化剂经粉碎至25-26mm左右或更细,用一种或几种氧化剂(如HNO3,NaClO, NaClO3,HOCl,Cl2,H2O2)的HCl溶液等溶解废催化剂中的PGM组分(液固比约5:1),使其以PtCl62-,PdCl42-,RhCl63-等氯配离子形式进入溶液,也可在盐酸介质中加入F-强化PGM的浸出;然后用Cu粉置换法将酸性溶液中的铂金属置换出来得到粗铂金,粗铂金精制后得到纯铂金。
铂金属在HCl氧化溶液中的反应如下:PGM在HCl-NaClO3浸出体系中的反应如下:浸出体系为王水时,产生的Cl2和NOCl提供了强的氧化能力和高Cl-浓度:PGM在王水中可以完全溶解,溶解过程时氧化还原反应:PGM在HCl-H2O2体系中也能被完全溶解:酸溶后的残渣可以进行二次溶解,二次溶解可使用HCl-H2SO4-NaClO3体系,HCl的浓度为4mol/L,H2SO4的浓度为6 mol/L,NaClO3的浓度为0.3 mol/L。
溶解后的残渣水洗,压滤送至电子废弃物车间。
具体工艺如下:注:1.预处理可以有几种方法供选择:1)破碎后先用稀硫酸(6 mol/L)溶解氧化铝载体,将含Al滤液过滤后,用酸的氧化液溶解残渣,后续过程同上,这样就会省去还原Al离子这一步骤;2)破碎后在550-600℃下焙烧5-6小时,再进行后续步骤,这样可以省去一次残渣的二次溶解,提高效率和浸出率;3)酸溶后的滤液先用吸附剂(活性炭,树脂等)吸附铂金属络合物,然后将吸附剂取出,焙烧后酸溶,可以避免因为铂金属含量较少置换困难的问题,也可提高铂金属的浸出率和置换效率;4)精制工艺的确定。
废汽车催化剂中铂金族金属的回收工艺流程下载温馨提示:该文档是我店铺精心编制而成,希望大家下载以后,能够帮助大家解决实际的问题。
文档下载后可定制随意修改,请根据实际需要进行相应的调整和使用,谢谢!并且,本店铺为大家提供各种各样类型的实用资料,如教育随笔、日记赏析、句子摘抄、古诗大全、经典美文、话题作文、工作总结、词语解析、文案摘录、其他资料等等,如想了解不同资料格式和写法,敬请关注!Download tips: This document is carefully compiled by theeditor. I hope that after you download them,they can help yousolve practical problems. The document can be customized andmodified after downloading,please adjust and use it according toactual needs, thank you!In addition, our shop provides you with various types ofpractical materials,such as educational essays, diaryappreciation,sentence excerpts,ancient poems,classic articles,topic composition,work summary,word parsing,copyexcerpts,other materials and so on,want to know different data formats andwriting methods,please pay attention!废汽车催化剂中铂金族金属的回收工艺流程废汽车催化剂中含有大量的铂金族金属,这些金属不仅具有较高的经济价值,还有助于环保。
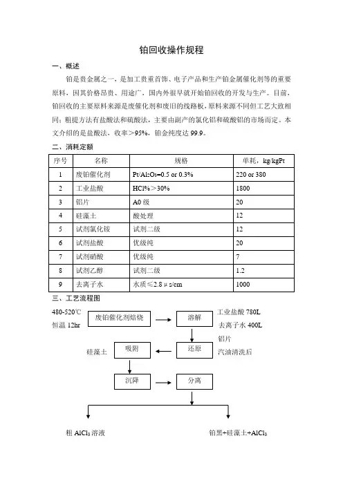
铂回收操作规程一、概述铂是贵金属之一,是加工贵重首饰、电子产品和生产铂金属催化剂等的重要原料,因其价格昂贵、用途广,国内外很早就开始铂回收的开发与生产。
目前,铂回收的主要原料来源是废催化剂和废旧的线路板,原料来源不同但工艺大致相同;粗提方法有盐酸法和硫酸法,主要由副产的氯化铝和硫酸铝的市场而定。
本文介绍的是盐酸法,收率>95%,铂金纯度达99.9。
二、消耗定额三、工艺流程图480-520℃工业盐酸780L恒温12hr 去离子水400L 铝片硅藻土 汽油清洗后粗AlCl 3溶液 铂黑+硅藻土+AlCl 3加王水用6个皿精AlCl 3溶液 HCl ,4成品结晶氯铂酸 理论铂含量37.5% 四、基本原理 1、废铂催化剂的焙烧在一定的温度条件下,把废催化剂中的杂质和积炭烧掉,使硫化态、氯化态铂通空气为氧化态,反应式如下:PtS 2→PtO 2+SO 2↑ PtCl 2→PtO 2+Cl 2↑ Pt →PtO 2 2、溶解在一定温度条件下,把焙烧好的催化剂用工业盐酸溶解,反应式如下: Al2O 3+6HCl=2AlCl 3+3H 2O PtO 2+4HCl=PtCl 4+2H 2O PtO 2+6HCl=H 2PtCl 6+2H 2O 3、还原、吸附将溶液中的氯化铂和氯铂酸等用铝片还原为铂黑,再用硅藻土吸附,还原反应是复杂的,有Fe 、HCl 、PtCl 4、H2PtCl 6等,并在反应过程中有氢气放出,其反应式如下:3PtCl 4+4Al=3Pt+4AlCl 3H2PtCl6+2Al=2AlCl3+H2↑+Pt6HCl+2Al=2AlCl3+3H2↑FeCl3+Al=AlCl3+Fe4、铂黑(硅藻土吸附)溶解硅藻土吸附的铂黑需用王水溶解,反应式如下:3Pt+18HCl+4HNO3=3H2PtCl6+4NO↑+8H2O5、粗氯铂酸用氯化铵精制粗氯铂酸溶液中有很多金属杂质,这些金属杂质与饱和氯化铵不发生反应。
探究石化行业铂族金属废催化剂回收技术现状
石化行业是世界上最大的能源化工行业之一,其生产过程中会产生大量的催化剂废料。
其中,铂族金属催化剂回收被认为是非常重要的环保节能措施之一。
由于铂金族金属催化
剂在炼油及化工领域中具有不可替代的重要地位,因此针对催化剂废料的回收利用问题,
一直是石化行业的重要研究内容。
1. 催化剂加热法:将废催化剂通过高温等方式进行加热,使其分离出铂族金属和载
体材料,以达到回收的目的。
这种回收技术相对简单,但存在环保问题,同时废催化剂中
的铂族金属回收率较低。
3. 溶剂萃取法:该方法利用有机溶剂或水等对废催化剂中的铂族金属进行萃取和浸出,然后将金属离子还原为原子态,最终以金属粉末的形式回收。
这种回收技术需要用到
大量的有机溶剂,存在一定的环保风险,但回收率较高。
4. 氢氧化钠法:这种回收技术主要用于高含量的银族金属回收,即将废催化剂溶于
氢氧化钠,然后再用金属还原剂还原铂族金属离子,使之沉淀出来。
这种回收技术比较简单,但回收率不高。
除了以上几种常用的铂族金属废催化剂回收技术外,还有一些新兴的回收技术,如等
离子体技术、超声波辅助技术等,这些技术在提高回收效率和降低环境污染方面也具有一
定的优势。
总的来说,石化行业在铂族金属废催化剂回收技术方面已经取得了一定的进展,但在
环保和高回收率方面仍需要进一步探索和研究,以实现石化行业的可持续发展。
从废三元催化剂中提纯铂族金属的方法废三元催化剂是含有铂、钯、铑等铂族金属的废弃催化剂。
这些金属是贵金属,具有重要的经济价值和广泛的应用领域。
因此,从废三元催化剂中提纯铂族金属是一项重要的工程技术。
目前,从废三元催化剂中提纯铂族金属的方法主要有两种:湿法提取和热法提取。
湿法提取是通过溶剂来溶解废三元催化剂,并利用溶剂的特性来分离不同金属。
在湿法提取中,首先将废三元催化剂粉碎,然后与溶剂进行搅拌和加热,使金属溶解到溶液中。
不同金属之间的溶解度不同,可以通过控制溶剂、温度和时间来控制金属的溶解比例。
接下来,通过改变溶剂的物化性质,如温度、浓度等,使其中一种金属选择性地从溶液中沉淀出来。
最后,通过过滤、洗涤、干燥等操作,得到纯净的铂族金属。
热法提取是通过高温处理废三元催化剂,使其发生化学反应和物理变化,从而实现金属的分离和提纯。
热法提取的操作步骤相对简单,但需要高温和高能耗。
首先将废三元催化剂放入高温炉中,在氧气或惰性气体的存在下进行煅烧,使金属发生氧化反应,生成稳定的金属氧化物。
然后,在还原气氛下继续加热,使金属氧化物还原为金属。
通过改变煅烧和还原的条件,如温度、气氛、时间等,可以实现不同金属的选择性提取和分离。
无论是湿法提取还是热法提取,都需要进行后续的分离和纯化步骤,以得到高纯度的铂族金属。
常见的分离和纯化方法有溶剂萃取、离子交换、膜分离等。
这些方法根据金属之间的不同物化性质来实现金属的分离。
此外,还可以采用其他辅助技术来增强提取效果和提高产品质量。
例如,可以利用化学配位剂和表面活性剂来改变金属的溶解和分离行为;可以采用电化学和电解方法,通过电极反应将金属还原或沉积到电极上;可以利用微生物和生物技术,利用生物体的特殊功能来分离金属。
总之,从废三元催化剂中提纯铂族金属是一项复杂的工程技术,需要采用适当的方法和技术,经过多个步骤的操作和处理。
这不仅对于节约资源、保护环境具有重要意义,也可以有效地回收和利用贵金属资源,实现资源的循环利用。
从废催化剂中回收铂的方法
废催化剂是指在化学反应中使用完毕或失效的催化剂,其中包含有价
值的金属铂。
回收废催化剂中的铂对于资源的高效利用具有重要意义。
以
下是从废催化剂中回收铂的几种常见方法。
1.干法氯化铂法:
首先,将废催化剂和氯化铁一起加热到高温,产生化学反应,将铂氯
化为氯化铂。
然后,将混合物与氯化铈一起再次加热,将氯化铂还原为金
属铂。
最后,用水洗涤,析出纯净的金属铂粉末。
2.湿法铂电解法:
将废催化剂与硫酸浸泡,使铂溶解在硫酸中形成铂酸盐。
然后,将铂
酸盐溶液转移到电解槽中,通过电流进行电解,沉积出纯净的金属铂。
3.湿法溶解法:
将废催化剂与盐酸浸泡,将铂溶解在盐酸中形成铂氯化物。
然后,将
溶液过滤,去除杂质。
接下来,将过滤后的溶液与电解质澄清剂混合,通
过反应使铂离子还原为金属铂沉淀。
最后,用水洗涤,得到纯净的金属铂。
4.溅射法:
将废催化剂中的铂物质喷涂在基底上,并在真空环境中使用溅射方法,将铂物质从废催化剂上剥离出来,沉积在基底上形成铂膜。
然后,将铂膜
从基底上取下,进行进一步的加工和处理,得到纯净的金属铂。
以上是几种常见的从废催化剂中回收铂的方法。
不同的方法适用于不
同的废催化剂,具体的回收工艺需要根据实际情况进行选择。
此外,在回
收过程中要注意环保,防止废弃物排放对环境造成污染。
同时,提高废催
化剂中铂的回收率和纯度,对于资源的高效利用和经济效益都具有重要意义。
从a-Al2O3载体废催化剂中回收铂背景铂是一种贵重金属,广泛应用于工业生产和高科技制造,如汽车催化剂和电子器件等。
由于其资源稀缺,铂的回收利用已成为重要的经济和环境问题。
a-Al2O3载体废催化剂中铂含量较高,是回收铂的重要来源之一。
本文将介绍一种从a-Al2O3载体废催化剂中提取铂的方法。
实验原理将废催化剂样品与盐酸和硝酸混合,进行酸处理,使载体中的铝等杂质离解溶解在溶液中。
经过过滤和洗涤等工序,使铝离子从溶液中去除。
接着使用NH4Cl还原还原铂离子生成Pt颗粒。
最后通过加热使Pt颗粒与载体分离,实现铂的回收。
实验步骤1.将废催化剂样品放到荧光屏下观察,确认粉末是否为细小颗粒,判断是否要进行打球操作。
2.将废催化剂样品放入酸洗锅中,加盖并啓动加热装置(需注意安全)。
3.将HCl与HNO3按体积比2:1添加到酸洗锅中,加盖防止外泼。
4.制备铝用控制,加入0.1 g/L。
盐酸和硝酸混合后倒入酸洗锅中使其与废催化剂样品接触1h.5.形成悬浮液之后,用玻璃棒搅拌,使溶液均匀。
催化剂处理结束后,将水龙头开至最大,把酸洗锅中的物料倒到过滤袋中进行过滤。
然后用纯水反复冲洗,并用无尘纸吸干。
6.在重量为15 g的聚酰胺切割机中,先切下聚酰胺膜片,然后在机上修正重量为12 g。
将切好的膜片悬挂在过滤带上。
7.将精细Pt 0.05 g和NH4Cl10g 混合后加入聚酰胺膜片中用平板式反应器进行还原反应。
控制初始温度为60℃,10min后升温到80-90℃,反应1h。
还原反应完后,过滤洗涤,脱水干燥获取回收物。
结果分析通过上述实验,成功从a-Al2O3载体废催化剂中回收了铂元素。
铂的回收率取决于样品的质量、初始铂含量和实验操作等多个因素。
铂的纯度也可能会受到样品的其他成分的污染而降低。
结论本实验成功从a-Al2O3载体废催化剂中回收了铂元素,方法简单有效。
但回收率受到诸多因素影响,需要通过多次实验确定最佳操作条件,以提高回收效率和纯度。
2019年8月第40卷第3期贵金属Precious MetalsAug. 2019V〇1.40,N〇.3从失效汽车尾气催化剂中回收铂族金属研究进展薛虎,董海刚' 赵家春,童伟锋,吴跃东(昆明贵金属研宄所稀贵金属综合利用新技术国家重点实验室,昆明650106)摘要:失效汽车尾气催化剂是柏族金属重要的二次资源。
介绍了汽车尾气净化催化剂的发展历程 和资源状况,重点综述了从失效汽车尾气催化剂中回收铂族金属的富集技术。
这些技术包括火法技 术的金属捕集法及氯化气相挥发法,湿法技术的活性组分溶解法、载体溶解法、全溶法及加压高温 氰化法等,对这些技术的优势和不足进行了分析。
提出优化工艺、资源综合利用的发展方向。
关键词:冶金技术;失效汽车尾气催化剂;铀族金属;富集技术中图分类号:TF83 文献标识码:A文章编号:1004-0676(2019)03-0076-08Research Progress in Recovery of Platinum Group Metalsfrom Spent Automotive Exhaust CatalystsX U E H u,DONG Haigang*,ZH AO Jiachun,TONG W eifeng,W U Yuedong(State key Laboratory o f A dvanced Technology o f Comprehensive Utilization o f Platinum Metals,Kunming Institute o f Precious Metals, Kunming 650106, China)A b stra ct:The spent automotive exhaust catalysts are an im portant secondary resource o f platinum group metals.The development history and resource status o f automobile exhaust gas purification catalyst were introduced,and some enrichment techniques o f recovering platinum group metals from spent automotive exhaust catalysts were reviewed.These technologies include metal capture and chlorination gas phase volatilization method o f fire methods,and active component dissolution method,carrier dissolution method,total dissolution method and pressurized high temperature cyanidation method o f w et methods. The advantages and disadvantages o f these technologies were analyzed.The development direction o f optim ization process and comprehensive u tiliza tion o f resources was proposed.K ey w ords:m etallurgical technology;spent automotive exhaust catalysts;platinum group metals; enrichment technology20世纪70年代,一些发达国家逐渐重视环境 保护,开始限制汽车尾气中如CO、HC(碳氢化合物)及NCU氮氧化合物)等有害物质的排放,汽车尾气 催化剂应运而生[1]。
石化行业铂族金属废催化剂回收技术现状陈积平;王海北;龚卫星【摘要】我国铂钯每年消费量有240 t左右,表观消费量和市场流通量更大,主要应用于首饰、石化行业催化剂、汽车尾气净化器、热电偶、医药和军工等行业.但我国从共伴生矿中产出的铂钯金属量不到3 t,97%以上的铂族金属依赖进口和循环再生.从废催化剂中回收铂族金属是重要的途径之一,随着我国汽车报废高峰的到来,未来从失效汽车尾气净化器中回收铂族金属变得越来越重要.本文分析了石化行业废催化剂的回收技术现状,论述了全溶解、选择性载体溶解、选择性有效组分溶解和焚烧四种方法.【期刊名称】《中国资源综合利用》【年(卷),期】2017(035)008【总页数】3页(P69-71)【关键词】铂族金属;废催化剂;全溶解;选择性溶解;焚烧【作者】陈积平;王海北;龚卫星【作者单位】紫金矿业集团股份有限公司,福建上饶 364200;徐州北矿金属循环利用研究院,江苏徐州 221006;徐州北矿金属循环利用研究院,江苏徐州 221006【正文语种】中文【中图分类】X705铂族金属具有独特、优异的物理化学性能,是极其重要的战略物资和可持续发展的关键材料。
以铂为主要活性组分的催化剂,采用金属网、铂黑或把铂负载于炭、氧化铝、堇青石等载体上,可含有铼、锡、稀土及有机化合物等助剂,广泛应用于氨氧化、不饱和化合物氧化和加氢,从气体中脱除一氧化碳、氮氧化物和有机物,烷烃和烯烃加氢异构化及催化重整、脱氢等化工过程。
催化剂在使用过程中会因中毒、积碳、载体结构变化、金属微晶聚集或流失等原因,导致催化活性逐渐降低,最终不能满足工艺需要而报废,使用寿命不一,一般为3~5年,有的甚至仅仅几个月[1-2]。
废催化剂中铂含量一般为0.05%~0.4%,远远高于一般铂矿石中的铂含量,具有极高的回收价值。
中国是一个铂族金属资源相对匮乏的国家,探明储量仅占世界探明储量的0.6%,且品位较低,铂族金属年产量仅数吨。
曾 瑞(攀枝花市晟天钛业有限公司,四川 攀枝花 617000)摘 要:SCR催化剂是脱硝工程中必不可少的元素,但其含有V 2O 5、WO 3和MoO 3等有毒物质。
本文详细阐述了SCR废催化剂产生的过程;介绍了国外对废催化剂回收再利用的情况;分析了我国SCR废催化剂回收利用情况及存在的问题;提出了SCR废催化剂进行减量化、资源化、无害化处理的相关建议。
关键词:NO x ;脱硝;SCR催化剂;废催化剂;回收利用中图分类号:X705 文献标志码:A 文章编号:1006-5377(2013)02-0000-04浅谈SCR废催化剂的回收再利用1 燃煤锅炉的烟气脱硝我国是一个以火力发电为主的能源消耗大国,在燃煤的同时排放了大量的NO x 。
据统计,我国1998年与能源消耗相关部门的NO x 排放量为11.18×106吨,其中电力部门为4.23×106吨,占37.9%;工业部门4.59×106吨,占41.0%;交通运输1.45×106吨,占13.0%。
为了缓解城市NO x 污染,很多城市要求强制安装汽车尾气净化器,减少交通运输的NO x 排放,此举已使部分城市的NO x 排放得到一定的遏制;工业部门和电力部门的NO x 排放多为固定源,相对于工业部门,电力部门的NO x 排放具有量大集中便于控制的特点。
对电厂的NO x 排放进行控制,将对NO x 的减排和大气质量改善效果明显。
国家 “十二五”期间火电厂烟气氮氧化物的减排指标规定:NO x 排放标准为200~250mg/m 3。
《火电厂氮氧化物防治技术政策》指出:低氮燃烧技术应作为燃煤电厂氮氧化物控制的首选技术。
当采用低氮燃烧技术后,氮氧化物排放浓度不达标或不满足总量控制要求时,应建设烟气脱硝设施。
2 SCR催化剂简介减少NO x 排放,有燃烧过程控制和燃烧后烟气脱硝两条途径,燃煤电厂烟气脱硝分为选择性催化还原法(SCR)和非催化还原法(SNCR);SNCR工艺无需催化剂,SCR工艺需要催化剂。
失效三元催化剂中铂族金属提取回收方法汽车尾气排放一直是环境治理的重点之一,近来年随着汽车工业的飞速发展,汽车尾气排放标准日益严苛。
铂、钯、铑三元催化剂具有高活性、高选择性、高热稳定性等良好性能,能有效去除汽车尾气中的CO、HC及NOx等污染物,是较为理想的汽车尾气净化催化剂,自20世纪90年代以来得到广泛应用。
三元催化剂中铂族金属的含量约为 1.5-2g/kg,而我国铂族金属自然资源贫瘠,铂族金属矿的平均品位仅为0.796 g/t,富矿品位2.33g/t,因此,从失效的催化剂中提取铂族金属作为再生资源回收利用意义重大。
标签:湿法溶解;火法冶金;其它方法;三元催化剂;铂族金属从失效三元催化剂中回收铂族金属的方法分为提取富集和精炼提纯两步。
第一步通常是采用湿法或火法提取得到铂族金属的富集物;第二步将富集物中的铂、钯、铑进一步分离提纯,目前分离提纯的工艺技术已经较为成熟,不再赘述。
以下着重探讨提取富集的一些工艺方法:湿法溶解、火法冶金、加压氰化法、氯化干馏法,以及湿-火法联用等。
1 湿法溶解1.1 载体溶解法此法可处理以γ-Al2O3为载体的粒状和压制的催化剂,原理是利用铂族金属与载体γ-Al2O3对浸出剂反应活性的差异,用酸将γ-Al2O3溶解,不溶的铂族金属留在滤渣中。
之后再对滤渣中的铂族金属进行化学法分离提纯。
载体溶解法的优点是成本低、回收率高,副产品硫酸铝可再利用。
周俊等人对硫酸盐化焙烧-水浸出溶解法进行了研究,最优工艺条件下,Pt、Pd、Rh的回收率分别达到97%、99%和96%。
但是此法仅适用于γ-Al2O3为载体的催化剂,而目前应用的汽车尾气净化催化剂95%以上都是以堇青石为载体的催化剂,因此此法的局限性较大。
1.2 催化剂全溶解法此法也仅适用于处理以γ-Al2O3为载体的废催化剂。
原理是通过在溶解过程中提高浸出液的氧化气氛,将γ-Al2O3载体及活性成分全部溶解,得到含有贱金属和铂族金属的溶液,再通过离子交换树脂将溶液中的铂族金属富集回收,之后分离提纯得到Pt、Pd、Rh。
从含铂废催化剂中回收贵金属本文介绍了从废催化剂中回收贵金属铂的国内外现状、意义,回收方法和具体的实验过程。
本实验采用的废催化剂样品为PS-VI废剂,催化剂载体为Al2O 3 ,含铂量为0.25-0.4%。
目前,从Al2O3载体废催化剂中回收铂通常采用以下3种处理方法:溶解铂金属法、溶解载体法和载体-铂金共溶法。
本实验采用溶解载体法,其工艺过程包括精制部分和粗制部分。
废催化剂经过灼烧、硫酸溶解、过滤、反复的硫化沉铂和王水溶解、球磨细化等操作过程,得到高纯铂。
该方法的原理:硫酸能溶解Al2O3载体,过程中会有少量的铂溶于硫酸,而在反应后的溶液中加入Na2S溶液,只有溶解的铂与其发生反应生成沉淀,而铝离子不反应,但铂溶于王水生成H2PtCl6,再加入NH4Cl溶液生成(NH4)2PtCl6沉淀,该沉淀不溶于水和乙醇,并且经高温煅烧形成海绵铂。
本实验经过反复实验确定了适用于实验及工业生产的实验方法和反应条件,获得产品纯度高,大大提高了回收率。
本实验具有操作简单,反应条件容易控制,回收率及纯度高等优点和消耗酸量大等缺点。
关键词:废催化剂,贵金属,铂。
焙烧,回收This article describes the recovery of platinum from spent catalysts inland and abroad the current situation, the significance methods of recycling and specific experimental procedures. The spent catalyst samples used in this experiment is PS-VI waste agent, and catalyst support is Al2O3, and the content of platinum is 0.25-0.4%. At present, platinum recovery from the spent catalyst of Al2O3 carrier usually uses the following three methods: dissolved platinum law, dissolve the carrier method and carrier - platinum dissolution method. In this study, the dissolved carrier method is used, and its process includes the crude part and the refined part. Spent catalyst after burning, sulfuric acid dissolution, filtration, repeated the vulcanization sink platinum and aqua regia dissolution, milling refinement operation to obtain high-purity platinum. The principle: the sulfuric acid can dissolve Al2O3 carrier, and there is a small amount of platinum dissolved in sulfuric acid, however,in the reaction solution by adding Na2S solution, only the dissolution of platinum react to generate precipitation, and aluminum ions do not react, but platinum is generated of H2PtCl6 when dissolved in aqua regia, then add NH4Cl solution to generate (NH4) 2PtCl6precipitation, and the precipitate is insoluble in water and ethanol, and the formation of sponge platinum when fired at high temperature. In this study, the experimental method and reaction conditions for the experimental and industrial production is determined after repeated experiments, and the obtained products is of high purity, and it greatly improved the recovery rate. This experiment is simple, the reaction conditions are easy to control, and recovery and high purity advantages and consumption of acid large amount of drawback.Key words:Spent catalysts, precious metals,platinum目录摘要 (2)前言 (5)1 贵金属使用、回收现状及意义 (5)1.1 废剂的来源 (5)1.2 贵金属在催化剂中使用的现状 (6)1.3 贵金属回收现状 (7)1.4 废催化剂回收的意义 (9)1.5 铂的性质及用途 (11)2 废催化剂中贵金属回收方法 (11)2.1 预处理 (12)2.2 实验方法 (12)实验部分 (14)1 主要的实验试剂及药品 (14)2 实验步骤 (16)2.1 粗制部分 (16)2.2 精制部分 (18)2.3 另用载体铂金共溶法进行实验 (20)结果与讨论 (21)1 实验过程及结果分析 (21)2 实验中注意事项 (22)结语 (22)谢辞 (23)从含铂废催化剂中回收贵金属前言1 贵金属使用、回收现状及意义1.1 废剂的来源石油化工、环境污染控制和新材料制备行业与催化剂的使用有着极其密切的关系,大约有8O %的反应离不开相应的催化剂。
氯酸钠氧化法从废氧化铝-铂催化剂中提取铂氯酸钠氧化法从废氧化铝-铂催化剂中提取铂2006年3月第27卷第1期贵金属PreciousMetalsMar.2oo6Vo1.27,No.1氯酸钠氧化法从废氧化铝一铂催化剂中提取铂朱书全,张正红(中国矿业大学(北京校区)化学与环境工程学院,北京,100083)ExtractionofPlatinumfromWastePt-A1203CatalystswithNaCIO3Oxidation ZHUShuquan,ZHANGZhenghong(SchoolofChemicalandEnvironmentalEngineering,Be ijingCampus,ChinaUniversityofMiningandTechnology,Beijing100083,China)Abstract:SelectiveleachingofPtfromwastePt—A1203catalystswasachievedthroughNaC103oxidationinHC1solution.PtinleachingsolutionwasreducedwithZn.Pdandoth erimpurity elementscanbeseparatedfromPtbytheprocessesofprecipitationofPdwithdimethy lglyoximeandhydrolizationthroughNaBrO3.Thistechnologywaseffectivewiththefeatures ofhighrecoveryandhighpurityofPt.Keywords:Hydrometallurgy;Platinum;Wastecatalyst;Selectiveleaching;Hy drolization 摘要:本文采用盐酸介质中加入氯酸钠的方法进行废氧化铝一铂催化剂中铂的选择性氧化浸出,浸出液用锌片还原得到粗铂,粗铂用丁二酮肟沉淀除钯,再结合溴酸钠水解法来分离其中的其它杂质元素,可得到产品海绵铂.该方法有效可行,分离效果好,金属回收率高,产品质量符合国家标准.关键词:湿法冶金;铂:废催化剂;选择溶解;水解中图分类号:TG146.33文献标识码:A文章编号:1004—0676(2006)01—0006.04 采用湿法工艺从废氧化铝一铂催化剂中回收铂的方法主要有2种:溶解载体法和选择溶解法.由于铝是两性元素,所以溶解氧化铝载体又有酸溶和碱溶之分,这种方法没有金属粒子的再吸附,金属回收率高,可回收载体成分,但流程复杂,单批处理量小,投资大.而选择溶解法则是先在高温下煅烧去除有机物,然后在盐酸介质中加入氧化剂(如HNO3,NaC103,NaC10,C12等)直接浸取,浸液经还原后得粗铂,粗铂精制可以得到纯铂产品,此方法具有流程简单,回收率高,设备投资少等特点,因而应用比较广泛.通过对硫酸溶解载体,氯酸钠选择溶解和王水选择溶解等方法的比较试验,作者选择在盐酸介质中加入氯酸钠的方法进行选择溶解,粗铂采用丁二酮肟沉淀除钯,溴酸钠水解法分离其它杂质元素,产品海绵铂纯度>99.95%,含0.%Pt的废催化剂中铂的回收率?98%. 收稿日期:2005—06—02作者简介:朱书全,男,教授,博导,从事固废处理,清洁能源研究等工作.E—mail:zsq@联系人:张正红,男,博士生,从事固废处理,石油污染物等研究.E-mail:zhangzhenghong25@sohu.tom第1期朱书全等:氯酸钠氧化法从废氧化铝—铂催化剂中提取铂71原料,工艺流程及实验方法1.1实验原料实验原料为含0.25%Pt的球状废催化剂,其主要成分如表1.1.2工艺流程废催化剂一高温处理一氧化浸出一浸出液一还原一粗铂一提纯一海绵铂1.3实验原理表1废催化剂的主要化学成分(%)Tab.1Maincomponentsofwastecatalyst(%) 盐酸介质中氯酸钠氧化法主要反应为:3Pt+2CIO3一+12H+16C1一=3PtCI6一+6H2OAG.298=一401kJ/mol【】影响氯酸钠选择溶解法的浸出速度和浸出率的因素主要有:(1)在高温处理过程中氧化铝载体中的铂金属微粒处于内外移动的动态平衡状态,一些微粒的温度可达到>1150oC,使其周围的^y—Al2O3转变成0【一AI2O3,冷却后,原^y—Al2O3周围的铂金属微粒被包裹在难溶的0【一AI2O3中间;(2)浸取时金属虽被转化为离子态,但载体结构并未被破坏,仍具有巨大的内表面积,在通常条件下会重新吸附部分金属离子,从而降低浸出率;(3)外部体系对载体内部毛细管内扰动较小,离子扩散速度较慢,影响整个反应的效率;(4)由于采用强酸体系浸取,部分载体溶解,洗涤时介质酸度降低,si,Al发生水解而影响毛细管的畅通,使[PtCI6】一扩散受引.这些因素将影响回收时的溶浸过程,使铂的回收率降低.在反应和洗涤过程中,保持体系的强酸性条件可弱化或消除这些因素的干扰.氯酸钠氧化浸出液中通常溶有大量的Al,Fe等金属离子,从贵贱金属混合溶液中选择性还原贵金属是一种有效而不污染产品的方法.锌在酸性条件下可以还原出浸出液中的铂,这是一个反应比较剧烈的放热反应,可以观察到明显的反应终点,此时溶液一般呈现出亚铁离子的浅绿色.在弱酸性介质中,丁二酮肟能与钯反应生成亮黄色沉淀,这是一个选择性很强的反应,利用这一特性可除去绝大部分钯.溴酸钠水解法则利用碱性条件下金属离子的水解反应来分离杂质,由于[PtCI6】一中的cl一不易被水取代,但能被[OH】一所取代而水解,且随着溶液pH值增加被取代的cl一可以为1,6个.在NaBrO3存在下,Pt(IV)的氯络合物的水解产物易溶于水,而Rh,Ir,Ru,Fe等利用此性质可使铂与其它杂质元素分离,从而达到铂离子生成含水的氧化物沉淀,与钯及其他铂族元素和贱金属元素彻底分离的目的J.1.4实验方法取lO00g经高温处理过的样品置于5000mL烧杯中,加人1000mL工业盐酸和lO00mL水,再加人5g氯酸钠,搅拌加热至90~C,浸出2.5h,反应完全后冷至室温,过滤,用5%盐酸溶液充分洗涤浸渣,浸液用锌片还原后得到粗铂.粗铂用王水溶解,加热进行浓缩,赶硝后加人丁二酮肟使钯反应生成亮黄色沉淀,待沉淀完全后过滤.将滤液加热,加人溴酸钠溶液进行氧化,然后用氢氧化钠溶液中和水解,过滤即得纯净的铂溶液.将铂溶液用盐酸酸化后加人氯化铵溶液生成氯铂酸铵沉淀,氯铂酸铵还原后得到纯铂.2实验结果与讨论2.1反应温度和时间对浸出率的影响废催化剂在高温除去有机物以后,加人盐酸溶液和氯酸钠,搅拌均匀后加热浸出,浸出速度和8贵金属第27卷浸出率跟反应时间和温度关系密切.在室温时反应速度较慢,随着温度的升高,反应速度加快,反应更加彻底.时间和温度对浸出率的影响分别如图1,2所示.为保证反应速度和浸出率,实验选择反应温度为90cC,反应时间为2.5h.,_,,_,镬卜丑时间0a)图1反应时间对铂浸出率的影响Fig.1EffectoftimeonleachingofPt (90?,L/S=2.0),_,镬卜丑温度(?)图2反应温度对铂浸出率的影响Fig.2EffectoftemperatureonleachingofPt(2.5h,L/S=2.0)2.2氯酸钠用量对浸出率的影响氧化剂氯酸钠的用量是个关键因素,加入量少,则反应速度慢,浸出率低;加入量多,则反应速度快,浸出率高.然而氯酸钠的加入量过多会影响后续处理,并且增加生产成本.氯酸钠的浓度为2.5g/L时即可得到满意的浸出率.氯酸钠浓度和浸出率的关系如图3所示. ,_,镬卜丑氯酸钠浓度(g/L)图3氯酸钠浓度与浸出率的关系Fig.3RelationbetweentheNaC103concen—trationwithleachingofPt(90?,2,5h,L/S=2.0)要咖抽导锌片JJn.h.量(g)图4锌片加入量对铂富集的影响Fig.4EffectoftheamountofzinconPt enrichment2.3液固比和盐酸浓度的选择分别以1.0,1.5,2.0,2.5和3.0的液固比进行了浸出实验,铂浸出率在液固比>2.0无明显变化.酸度大有利于浸出,同时保持较大的酸度可以减少因si,Al发生水解等因素而引起的浸出率降低.因此,实验选择液固比=2.0,HC1:H2O=1.0. 2.4锌加入量对富集的影响氯酸钠浸出反应完成后,过滤得到浸出液,往浸出液中加入锌片进行还原富集,得到粗铂.还第1期朱书全等:氯酸钠氧化法从废氧化铝—铂催化剂中提取铂9 原废液中铂含量与锌片加入量的关系见图4.由图4可看出,在还原反应初期,锌片的加入量对铂的富集影响十分明显,还原废液中铂含量急剧下降,当锌片加入量超过40g后,还原废液中铂含量变化十分微小,说明此时铂的还原反应已达平衡.为了保证富集效果,实验选择锌片加入量为50g.2.5粗铂的提纯粗铂经溶解,赶硝处理后,加入丁-'N肟沉淀除钯,必须控制溶液的pH值,一般pH值保持在0.5,1,同时溶液的温度要保持在90?左右.经过丁二酮肟沉淀法处理后,可除去大部分钯,然后,采用溴酸钠水解法除去余留的钯及其他杂质元素.由于高价金属离子的络合物容易水解,而且其水为了保证氧化充分,解产物比较稳定,所以要保持铂及其他杂质元素为高价状态.溴酸钠的加入量要适当过量.同时,要水解的溶液中铂的浓度也要保持适当,若浓度太高,局部反应过快,会产生氢氧化物包裹的现象,从而造成一定的损失;而浓度太低,则效率不高.一般保持铂的质量浓度为50g/L左右.本方法的实验结果如表2所示,铂的回收率>98%.表2实验结果(%)Tab.2Resultoftest(%) 2.6废渣和废液的处理废催化剂经过高温处理和强酸『生溶液选择性浸出,通常得到比较纯净的氧化铝载体,用酸或碱溶解后可以转化为用途不同的各种铝盐.废液中一般含有Fe,Al,zn等金属离子,酸性强,直接排放会对环境造成污染,用氢氧化钠溶液中和后,各种金属离子生成氢氧化物沉淀,过滤,化验滤液中各种离子的含量,合格后方可排放.3结论(1)废催化剂在高温处理时要控制好温度条件,温度过高会引起铂金属微粒周围的一A1203转变成d—Al203,冷却后,原一Al203周围的铂金属微粒被包裹在难溶的d—A1203中间,造成铂的浸出不完全.(2)选择溶解法处理废催化剂的浸渣中一般仍残留有微量的铂,主要是=J:[PtC16]被载体内表面重新吸附,在毛细管内白扩散速度较慢,洗涤时si,Al的水解产物阻塞毛细管等因素造成.在反应和洗涤过程中,通过保持体系的强酸l生条件可弱化或消除这几种因素的干扰. (3)氯酸钠的加入量要适量,过量的氯酸钠会影响锌片还原过程,同时还会造成操作环境污染,不利于操作.(4)采用在强酸性溶液中氯酸钠选择性溶解,可以取得满意的浸出率.用锌片还原浸出液中的铂具有还原速度快,容易操作,流程短,设备简单,消耗低等优点.(5)采用丁二酮肟沉淀钯,再用溴酸钠水解相结合的方法来分离粗铂中的钯,分离效果好,方法有效可行,产品质量符合国家标准.参考文献【1]黎鼎鑫,王永录.贵金属提取与精炼【M].长沙:中南工业大学出版社,2000.276. 【2]杨建文,钟海云,赵绚等.废催化剂选择法浸渣中提取钯新工艺[J].过程工程,2003,3(1):48—52[3]张正红.粗铂中钯的分离方法[J].化工矿物与加工,2002,(7):17—19.。
废汽车催化剂中铂金族金属的回收利用
摘要:汽车催化剂的铂族金属铂(Pt)、钯(Pd)、铑(Rh),用量的不断增加,以及其优越的催化性能和不可替代带性,价格一路攀升。
加上铂族金属的稀缺性,废汽车催化剂中铂族金属的回收利用日趋受到人们的重视。
本文简单介绍了铂钯铑三元催化剂的催化原理、使用寿命,回收、提炼方法、对环境的帮助等。
关键词:汽车催化剂,铂族金属,提炼方法,回收利用
The platinum group metal in automotive
catalyst recycling
Abstract: Automotive catalyst of platinum group metal platinum, palladium ( Pt ) ( Pd ), rhodium ( Rh ), the increase in usage, as well as its excellent catalytic performance and can not be replaced with, It is price. Plus a platinum group metal 's scarcity, automotive catalyst in platinum group metal recycling is increasingly valued by people. This paper simply introduces the platinum palladium and rhodium in three yuan catalytic principle, service life, recycling, refining method and friendly to environment.
Key-words:Automotive catalyst, platinum group metals, extraction method, recycling
1.前言
现金环境问题已经是世界性的问题,汽车尾气的排放对环境有着严重的影响,汽车安装尾气催化净化装置,可将尾气氧化成为H2O、CO2、NO2等较为洁净的气体排放。
全世界内年用汽车催化剂的铂族金属总量稳定增长,由于铂族金属对汽车尾气特有的净化能力,每年超过60%的铂、钯、铑都用于生产汽车尾气净化催化剂。
2008年世界汽车尾气催化剂中铂的用量达到了11813t,钯为13612t,铑为2316t[1]。
加拿大蒙特利尔银行资本市场近日发表研究报告指出,预计未来几年铂金价格将大涨,预计至2013年平均价格将涨至2000美元/盎司[2]。
目前在大多数情况下,催化剂的使用寿命与汽车的使用寿命相同。
铂族金属价格昂贵,可应用军事材料,铂金、钯金、铑可以用于珠宝装饰[3],电子电路导体材料等。
因此废汽车催化剂被喻为“汽车上的铂矿山”。
铂族金属在地球的含量极其少,钯丰度为0.01g/t,铂丰度为0.005g/t,铑丰度仅为0.001g/t,在自然界中绝大部分以游离态存在,主要存在于硫砷锑矿、铜矿、镍矿中,铜的电解阳极泥是铂族金属生产非常复杂[4]。
目前世界上的铂族金属主产地南非,在那里的矿山上生产1kg的铂族金属需从1000m深的地下开采150t 矿石运到地面进行冶炼,其中伴生的Cu、Ni、Cr、Fe、Co、Bi、As、Se、Te等元素也非常难处理,产生的140t尾矿和矿渣对环境也会产生极大的压力[5]。
2.我国铂族金属资源以及提纯和回收利用
2.1铂族金属资源及回收状况
贵研铂业集资用于贵金属二次资源综合利用产业化项目建设,我国的铂族金属资源储量极度匮乏,2008年查明的铂族金属资源储量为324.13吨,仅占世界总储量的0.46%。
以失效汽车催化剂为例,目前全国一年产生500吨左右的失效汽车催化剂,含铂、钯、铑约600公斤,预计到2014年,产生的失效汽车催化剂将达到5000吨,含铂、钯、铑超过6吨公司表示贵研铂业拥有具有自主知识产权的贵金属冶金新技术30多项,铂族金属二次资源物料冶金提纯技术处于国际领先地位,回收率可达到98%以上,并且基本实现零排放[2]。
目前我国铂族金属回收尚未建立完善的体系,贵研铂业的此次集资有望改善我国贵金属回收加工问题。
主要问
题有:(1)、环保及循环经济观念的进一步提高;(2)、报废汽车催化剂回收利用体系的建立和提高[6];(3)、整合经营规模小、工艺技术落后、资源综合利用程度低的小工厂。
2.2铂族金属的提纯
现在最常用的是以堇青石(2MgO・2Al2O3・5SiO2)为载体的蜂窝状催化剂,载体表面是γ-Al2O3涂层(重量为催化剂的10%),起催化作用的铂族金属就分散在涂层中[7],这种载体的外形如图1所示,(1)此载体制备过程中需在高温下进行烧结,且二氧化硅及铝的含量高,而α-A12O3 和硅需加入氢氟酸,结合其
图 1 [2] 它酸对其破坏并进行更
完全的溶解;(2)废汽车催化剂在使
用中局部温度过高烧熔积炭,给铂
族元素的浸出带来了极大的困难
[8]。
常用的处理方法有:(1)酸溶
法:将样品溶解在酸中,因样品的
组成比较复杂,常将多种酸(如盐酸、硝酸、硫酸和氢氟酸等)组合使用。
(2)碱熔法:将样品和强氧化性的碱(如NaOH、KOH、Na2O 、Li 2O等)混合均匀,加热后使样品中贵金属转化成水溶性的盐。
(3)火试金法: 火试金法是分解样品和富集贵金属的经典方法,借助固体试剂与样品混合于坩埚中高温加热熔融,生成的熔融状态金属、合金或锍在高温时萃取样品中的贵金属,形成含有贵金属的合金(即试金扣),且下沉到坩埚底部。
样品中贱金属的氧化物和脉石与溶剂(如二氧化硅、硼砂、碳酸钠等)发生反应形成硅酸盐或硼酸盐等熔渣浮在上面,致使贵金属从样品渣中分离出来。
常用的方法有铅试金、锍试金、镍试金等。
目前比较新型的是Tetronics采用等离子技术提取汽车催化剂中回收的铂族金属[9]。
在全球报废汽车回收行业中,美国完善的回收体系和成熟的回收利用技术,是首屈一指的[10]。
得到高纯度的贵金属回收产品后,目前可采用分光光度法(UV)、原子吸收光谱法(ASS)、原子发射光谱法(AES)、质谱法(MS)、中子活化法(NAA)、
高效液相色谱法(HPLC)、毛细管电泳(CE)等[11]。
这些设备非常的昂贵,所以对于回收链的建设非常有必要,并且有利于我国贵金属回收产业向高端化、集中化发展。
3.结语
目前军事工业高速发展,贵金属性能优越,耐高温、耐酸碱腐蚀,在军事领域有着广泛的应用,东北亚核工业紧邻我国东北,引来不少国家围观。
铂族金属在汽车催化剂方面性能优良,对环境保护有着重要作用,铂族金属资源我国比较匮乏,大多依赖进口,铂族金属的循环利用将给我国带来很大的经济效益。
4.参考文献
[1]. 铂族金属供应短缺汽车催化剂回收势在必行.苏鸿英.资源再生2009 -1
[2].中国贵金属2010-9
[3]. 2009年原生及再生铂族金属市场.苏鸿英.再生资源2009-7
[4]. 国外汽车催化剂中铂族金属回收利用对我们的启示.罗德先.再生资
源.2007-12
[5]. 汽车催化剂的回收.兰兴华.资源再生2007-9
[6].废汽车催化剂中铂族金属的回收利用.王永录.《贵金属》2010-11-31-4.
[7]. 从汽车尾气废催化剂中回收铂族金属研究进展.韩守礼,吴喜龙,王欢,王
咏梅,贺小塘,矿冶2010-19-2
[8]. 汽车催化剂试样消解方法的研究进展.陈晓丽,王亚明,赵云昆,李振亚.云
南冶金2009-6
[9]. Tetronics与太阳能公司合作回收铂族金属.中国金属通报2011-27
[10].看美国如何处理报废汽车[J].资源再生,2009(7)
[11].微量铂族金属元素的分析研究进展.路璐,胡显智,叶国华2009-2 30-1。