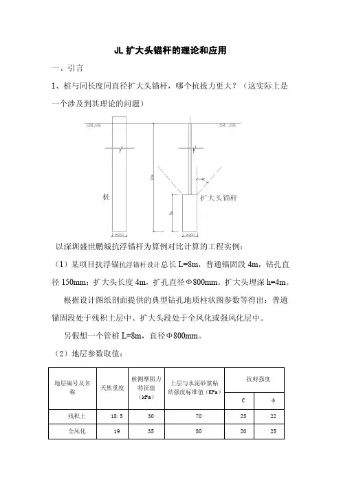
扩大头锚杆计算实例06.04(1)
- 格式:ppt
- 大小:2.03 MB
- 文档页数:37
锚杆重量计算公式是什么在岩土工程中,锚杆是一种常用的支护工具,用于加固土体或岩体,防止其发生滑坡、坍塌或者崩塌。
锚杆的重量是计算锚杆的重要参数之一,它直接影响到锚杆的安装和使用。
因此,正确计算锚杆的重量对于工程设计和施工具有重要意义。
锚杆的重量计算公式可以通过以下步骤进行推导:1. 计算锚杆的体积。
锚杆的体积可以通过其直径和长度来计算。
假设锚杆的直径为D,长度为L,则锚杆的体积V可以表示为:V = π (D/2)^2 L。
2. 计算锚杆的密度。
锚杆的密度是指单位体积内的质量,通常用ρ表示。
根据锚杆的材料和工艺不同,密度也会有所差异。
假设锚杆的密度为ρ,则锚杆的重量W可以表示为:W = V ρ。
3. 代入公式计算。
将锚杆的体积V代入公式中,可以得到锚杆的重量W的计算公式:W = π (D/2)^2 L ρ。
通过以上公式,我们可以很方便地计算出锚杆的重量。
在实际工程中,可以根据锚杆的具体参数和材料来确定其重量,从而为工程设计和施工提供参考依据。
除了计算锚杆的重量,还需要考虑锚杆的安装和使用条件。
在实际工程中,锚杆的安装位置、锚杆的受力情况、锚杆的连接方式等因素都会对锚杆的重量产生影响。
因此,在计算锚杆的重量时,需要综合考虑这些因素,以确保计算结果的准确性和可靠性。
此外,锚杆的重量还会影响到锚杆的运输和搬运。
在施工现场,需要根据锚杆的重量合理安排搬运设备和人力,确保锚杆的安全搬运和使用。
总之,锚杆的重量是一个重要的工程参数,正确计算锚杆的重量对于工程设计和施工具有重要意义。
通过合理的计算和安排,可以确保锚杆在工程中的安全使用,从而为工程的顺利进行提供保障。
锚杆重量计算公式(一)锚杆重量计算公式作为一名资深的创作者,我将为大家介绍锚杆重量计算公式的相关内容。
在本文中,我将使用Markdown格式并采用标题副标题的形式来详细讲解,帮助大家更好地理解和运用这些计算公式。
概述锚杆是一种常用于地质工程和建筑工程中的一种固定装置,用于增加和提供结构的稳定性。
为了设计和施工的需要,我们需要计算锚杆的重量。
下面是锚杆重量计算公式的相关内容。
公式一:锚杆体积计算公式锚杆的重量与其体积密切相关。
下面是锚杆体积计算的公式:V = πr^2h其中,V表示锚杆的体积,π为圆周率,r为锚杆的半径,h为锚杆的高度。
举例说明举一个具体的例子来说明锚杆体积计算公式的应用场景。
假设有一根直径为10cm,高度为2m的锚杆,那么我们可以利用上述公式进行计算:V = * ()^2 * 2 = m^3所以,这根锚杆的体积为立方米。
公式二:锚杆材料密度计算公式锚杆的重量还与其材料的密度相关。
下面是锚杆材料密度计算的公式:ρ = m / V其中,ρ表示锚杆材料的密度,m表示锚杆的质量,V表示锚杆的体积。
举例说明继续以上述锚杆为例,假设该锚杆采用钢材制造,钢材的密度为7850 kg/m^3,那么我们可以利用上述公式进行计算:假设锚杆的质量为100 kg,则锚杆的体积为:V = 100 / 7850 = m^3所以,钢制锚杆的体积为立方米。
公式三:锚杆重量计算公式锚杆的重量可以通过上述两个公式进行计算得出。
下面是锚杆重量计算的公式:W = ρV = ρπr^2h其中,W表示锚杆的重量,ρ表示锚杆材料的密度,V表示锚杆的体积,π为圆周率,r为锚杆的半径,h为锚杆的高度。
举例说明综合以上的例子和公式,假设我们仍然使用前面的例子,该锚杆采用钢材制造,钢材的密度为7850 kg/m^3,直径为10cm,高度为2m 的锚杆。
通过计算,我们可以得到:W = 7850 * * ()^2 * 2 = kg所以,该锚杆的重量为千克。
(一)岩巷锚杆支护参数计算轨道下山掘进时,巷道均为岩巷,巷道采用锚喷支护,锚杆参数按单体锚杆悬吊作用计算。
1. 锚杆长度LL=L1+L2+L3式中L1 —锚杆外露长度,50mm;L3—锚杆深入老顶长度,按经验取500mm;L2—软弱岩层厚度,按下式计算1BL2 H cot(45 w )2 f 2 2式中 f —巷道顶板普式坚固性系数,取2;B —巷道掘进跨度, 4.1m;H —巷道掘进高度, 3.1m;w—两帮岩层的似内摩擦角,63.4 °。
带入上式,得1 4.1 63.4L2 3.1cot(45 ) =1392mm2 2 2则锚杆长度L=50+1392+500=1942mm根据已施工岩巷经验,锚杆长度取2000mm。
2. 锚杆直径d按杆体承载力与锚固力等强度原则计算锚杆直径式中Q—锚杆的锚固力,70×103N;σt—锚杆抗拉强度,取400× 106Pa。
1.13130 103400 106=0.0204m=20.4mm根据实际情况,取锚杆排距为 800mm 。
5. 锚杆预紧力确定 锚杆预紧力不小于 80N ·m 。
6. 钢带梁及顶网 锚杆选用Φ 22 高强度左螺旋钢锚杆3. 锚杆间距 a 按单体锚杆悬吊作式中 Q —锚杆锚固力,≮ 70×103N ;k —安全系数,取 1.8 ;r —岩体容重, 26.3 × 103kN/m 3;L 2—巷道顶板岩体破碎带高度, 1.3m 。
370 103 1.8 26.3 103 1.31.06m 根据现场施工经验,选取锚杆间距为800mm 。
4. 锚杆排距 bn?Nb 式中 n —顶板每排锚杆根数, n=9; N —每根锚杆锚固力, N ≮ 70kN ; k —安全系数,取k =4.5 ; r—顶板岩层容重,r =26.3kN/m 3; B —巷道掘进跨度, 4.1m ;L 2—岩层破碎带高度, 1.3m 。
锚杆体杆体的截面积按下式确定:As>Kt*Nt/f ykAs>Kt*Nt/f ptkKt---锚杆杆体的抗拉安全系数,按7.3.2条选Nt---锚杆的轴向拉力锚杆杆体抗拉安全系数锚杆的锚固长度可按下式的较大值La>K*Nt/(∏*D*f mg*ψ)La>K*Nt/(n*∏*D*f ms*ψ*ε)K---锚杆锚固体的抗拔安全系数,Nt---锚杆的轴向拉力La---锚杆的锚固长度f mg---锚固段注桨体与地层间的粘结强度标准值D---锚杆锚固段的钻孔直径d---钢筋直径ε---采用2根或以上钢筋,界面的黏结强度降低系数取0.6~0.85ψ---锚固长度对黏结强度的影响系数n---钢筋根数岩土锚杆杆体抗拔安全系数通常情况,锚杆入岩深度由岩石与水泥结石体之间的粘结强度强度控制。
锚杆间距不小于1.5m锚杆最大试验荷载不宜超过锚杆杆体极限承载力的0.8倍(9.1.1)验收试验的锚杆数量不得少于锚杆总数的5%,且不得少于3根,永久性锚杆最大试验荷载应取锚杆轴向拉力设计值的1.5倍,;临时性锚杆的最大试验荷载应取锚杆轴向拉力设计值的1.2倍。
(1)锚杆的基本试验:锚杆基本试验的目的是确定锚杆的抗拔承载力,广东省基础规范11.2.2 锚杆杆体按轴心受拉构件计算,不考虑裂缝,仅按承载力要求计算As>Nt/f y对永久抗拔锚杆锚杆尚应考虑抗腐蚀性要求,抗拔锚杆截面直径要比计算要求加大一个级别。
根据广东省基础规范11.2.1Rt<0.8*d1*∑li*fi(锚杆规范确定入岩深度时采用锚杆轴向拉力设计值,水泥砂浆与岩石间的粘结强度的取为标准值,广东省确定入岩深度时采用锚杆轴抗拔承载力的特征值,水泥砂浆与岩石间的粘结强度的取为特征值,当抗拔承载力的设计值=1.25倍锚杆抗拔拔承载力的特征值,两者计算结果一致)建筑边坡规范锚杆轴向拉力Na=γQ*NakγQ------荷载分项系数取1.3锚杆钢筋截面面积应满足As>γ0*Na/ε2*f yε2---锚筋抗拉工作条件系数,永久锚杆取0.69,临时性锚杆取0.92锚杆锚固体与地层的锚固长度应满足下式La>Nak/(ξ1*∏*D*frb)La—锚固长度,尚应满足7.4.1条D---锚杆锚固段的钻孔直径F rb---地层与锚固体的粘结强度特征值ξ1---锚固体与地层粘结工作条件系数,对永久锚杆取1.0,对临时性锚杆取1.33锚杆钢筋与锚固砂浆的锚固长度应满足下式La>γ0*Na /(ξ3*∏*n*d*fb)La—锚固长度,尚应满足7.4.1条d---锚杆钢筋直径f b---钢筋与锚固砂浆间的粘结强度设计值ξ3---钢筋与砂浆粘结强度条件系数,对永久锚杆取0.6,对临时性锚杆取0.72依据:《建筑基坑工程技术规程》JGJ120-99第4.4.2条As≥1.25Rt/fy锚杆计算书:锚杆布置在柱底下基础内,,抗浮水头取场地附近道路最低点,为26.85m,地下室顶板标高为29.40m,底板结构面标高为29.4-8.30=21.1m,底板厚度650mm,底板底面结构标高为20.45m。
土层锚杆工程计算实例计算实例:假设有一片土地上要建设一座高大的建筑物,土层的特性如下:土层深度:30m土层内部摩擦角:30°土层内部抗剪强度:10kN/m²土层重度:20kN/m³现在我们来计算在挖掘土地以进行建设时,所需的土层锚杆数量和深度。
首先,我们需要计算土层的稳定性系数(FOS),表示土层的稳定性情况。
稳定性系数的计算公式如下:FOS = 土层抗剪强度 / (土层重度 * 土层高度 * tan(土层内部摩擦角))代入所给数据,可以计算出稳定性系数:FOS = 10 / (20 * 30 * tan(30°))= 0.58接下来,我们需要确定土层锚杆的设计参数。
一般来说,土层锚杆的直径通常为20mm,材料为高强度钢。
接下来,我们需要确定土层锚杆的间距和深度。
土层锚杆的间距应根据土体的稳定性要求来确定,一般情况下,间距通常为锚杆长度的3-4倍。
假设我们选择间距为2m,则土层锚杆的深度可通过以下公式计算:锚杆深度=(土层高度-埋入深度)/(稳定性系数*(锚杆直径/2))假设我们选择深度为5m,则可以计算出土层锚杆的深度:锚杆深度=(30-5)/(0.58*(20/2))=20.69m最后,我们可以计算出所需的土层锚杆数量:锚杆数量=土层高度/锚杆间距=30/2=15个综上所述,在挖掘土地以进行建设时,我们需要安装15个20.69m深度的土层锚杆,以确保土层的稳定性。
总结:土层锚杆工程是一种常见的土木工程方法,可用于增加土体的抗剪强度和稳定性。
在进行土层锚杆工程计算时,我们需要计算土层的稳定性系数,并根据稳定性要求确定土层锚杆的设计参数和数量。
通过上述计算实例,我们可以看到如何利用土层锚杆来保证土层的稳定性,并为工程的顺利进行提供保障。
1、锚杆杆体所能承受的拉断载荷可用下式计算:式中:P—锚杆拉断载荷,kN;d—锚杆直径,mm;b—锚杆钢材拉断强度,MPa。
2、锚杆杆体所能承受的剪切载荷可用下式计算:式中:Q—锚杆剪断载荷,kN;b—锚杆钢材剪切极限强度,MPa。
从表2.1中看出,对于常用直径20mm的锚杆杆体,圆钢、高强度螺纹钢(BHRB400)、超高强度螺纹钢(BHRB600)的拉断载荷分别约为119.4kN、179.1kN、251.3kN。
后两者分别是前者的1.5、2.1倍。
根据材料力学,对于塑性材料,剪切强度一般是拉伸强度的0.6-0.8倍,取平均值0.7倍。
得各种锚杆钢筋的剪切极限强度如表2.2。
从表2.2中看出,对于常用直径20mm的锚杆杆体,圆钢、高强度螺纹钢(BHRB400)、超高强度螺纹钢(BHRB600)的剪断载荷分别约为83.6kN、125.3kN、175.9kN。
3、钢带的作用:钢带的作用主要表现在以下三方面:(1) 锚杆预应力和工作阻力扩散作用:(2) 支护巷道表面和改善围岩应力状态作用:(3) 均衡锚杆受力和提高整体支护作用:分析钢带受力的简化模型是将两根锚杆之间的钢带段作为一简支梁,采用材料力学的相关公式计算钢带受力与变形。
假设钢带受到均布载荷q 的作用,则:式中:M max-钢带中点处最大弯矩,kN²m;q-均布载荷,kN/m;a-锚杆间距,m;f-钢带挠度,m;E-钢带弹性模量,MPa;I-钢带惯性矩,m4。
由上式可知,q、a 越大,钢带所受的弯矩越大,挠度也越大。
相反,钢带的抗弯刚度(EI)越大,则钢带挠度越小。
巷道支护要求钢带能够提供足够的支护力,同时钢带的挠度越小越好。
综合分析得出钢带的三个关键参数:(1)护表面积;(2)抗拉强度;(3)抗弯刚度。
4、网的作用主要表现在以下三方面:(1) 维护锚杆之间的围岩,防止破碎岩块垮落;(2) 紧贴巷道表面,提供一定的支护力(已有的研究成果表明,我国现用菱形金属网,在保证施工质量的条件下,可提供0.01MPa的支护力),一定程度上改善巷道表面岩层受力状况。
锚杆(索)设计根据现场地质条件和地形特征,斜坡体由于受到先期构造作用和后期风化作用强烈影响,出露基岩破碎,裂隙发育,且距交通要道较近的特点,拟采用锚杆(索)对局部卸荷裂隙发育、稳定性较差的危岩体进行锚固,以达到加固坡面,抑制风化剥落、崩塌的发生。
通过现场调查及三维激光扫描数据分析,半壁山危岩体主要失稳模式为倾倒式和滑移式。
1.倾覆推力计算:推力计算:式中:k-后缘裂隙深度(m)。
取11.1m;hv-后缘裂隙充水高度(m).取3.7m;H-后缘裂隙上端到未贯通段下端的垂直距离(m). 取15m;a-危岩带重心到倾覆点的水平距离(m),取3.4m;b-后缘裂隙未贯通段下端到倾覆点之间的水平距离(m),取6.8m;h0-危岩带重心到倾覆点的垂直距离(m),取7.2m;fk-危岩带抗拉强度标准值(kPa),根据岩石抗拉强度标准值乘以0.4折减系数确定暴雨工况下190kPa;θ-危岩带与基座接触面倾角(°),外倾时取正,内倾时取负值;β-后缘裂隙倾角(°);K-安全系数取1.5;2.锚杆计算(1)锚杆轴向拉力设计值计算公式:,式中Nak -锚杆轴向拉力标准值(kN);Na -锚杆轴向拉力设计值(kN);Htk -锚杆所受水平拉力标准值(kN);α-锚杆倾角(°),设计取值为15°;γa-荷载分项系数,可取1.30;(2) 锚杆钢筋截面图面积计算公式:锚杆截面积:As-锚杆钢筋或预应力钢绞线截面面积(m2);ξ2-锚杆抗拉工作条件系数,永久性锚杆取0.69,临时性锚杆取0.92;γ0-边坡工程重要系数,取1.0;fy-钢筋或预应力钢绞线的抗拉强度标准值(kN),取300N/ mm;(3) 锚杆锚固体与地层的锚固长度计算公式:(4) 锚杆钢筋与锚固砂浆间的锚固长度计算公式:锚固段长度按上述两个公式计算,并取其中的较大值。
式中:la-锚杆锚固段长度(m);frb-锚固段注浆体与地层间的粘结强度标准值(kPa);fb-锚固段注浆体与筋体间的粘结强度标准值(kPa);D-锚杆锚固段的钻孔直径(m);d-锚杆钢筋直径(m);γ0-边坡工程重要系数,取1.0;ξ1-锚固体与地层粘结工作条件系数,对永久性锚杆取1.00,对临时性锚杆取1.33;ξ3-钢筋与砂浆粘结强度工作条件系数,对永久性取0.60,对临时性取0.72;通过计算,得出:;或:;锚杆设计长度均为4m,采用Φ32螺纹钢筋作为锚筋,钻孔直径为110mm,全孔段M30水泥砂浆固结,共计132根;锚索设计长度为12m,采用4根φ15.20-1860钢绞线,钻孔直径110mm,M30水泥砂浆固结,锚固段长度不小于4m,共计30根。
扩大头抗浮锚杆伸长量计算1. 重要物理力学参数钢绞线截面面积A s=191.0 mm2---------------《高压喷射扩大头锚杆技术规程》JGJ/T 282-2012中表A.0.3(第42页)钢绞线弹性模量E s=1.95×105 N/mm2---------------《混凝土结构设计规范》GB 50010—2010中表4.2.5(第25页)扩大头抗浮锚杆自由段长度L1=14.0m扩大头抗浮锚杆锚固段长度L2=3.0m---------------设计图纸中《锚杆参数表》扩大头抗浮锚杆检测荷载T:900千牛,1080千牛2. 扩大头抗浮锚杆自由段理论弹性伸长量(s)理论计算公式3. 计算结果在900kN(1.5倍设计值)作用下:s84.58mm在1080kN(1.8倍设计值)作用下:s101.50mm 4.判定依据度理论弹性伸长值的80℅,且小于杆体自由段长度与1/2锚固段长度之和的理论弹性伸长值;---------------《岩土锚杆(索)技术规程》(CECS22:2005)中9.4.6(第36页)在900kN(1.5倍设计值)作用下:①.杆体自由段长度理论弹性伸长值的80℅ : 84.5867.66mm②.杆体自由段长度与1/2锚固段长度之和的理论弹性伸长值 :s93.64mm结论:锚杆试验荷载900千牛下所测得的总位移量,应超过67.66mm且小于93.64mm 在1080kN(1.5倍设计值)作用下:①.杆体自由段长度理论弹性伸长值的80℅ : 101.5081.20mm②.杆体自由段长度与1/2锚固段长度之和的理论弹性伸长值 :s112.37mm结论:锚杆试验荷载1080千牛下所测得的总位移量,应超过81.20mm且小于112.37mm性伸长值的70℅,且小于杆体自由段长度与1/2锚固段长度之和的理论弹性伸长值。
---------------《高压喷射扩大头锚杆(索)技术规程》(JG/T033-2009) 中5.4.6(第35页)在900kN(1.5倍设计值)作用下:①.杆体自由段长度理论弹性伸长值的70℅ : 84.5859.21mm②.杆体自由段长度与1/2锚固段长度之和的理论弹性伸长值 :s93.64mm结论:锚杆试验荷载900千牛下所测得的总位移量,应超过59.21mm且小于93.64mm 在1080kN(1.5倍设计值)作用下:①.杆体自由段长度理论弹性伸长值的70℅ : 101.5071.05mm②.杆体自由段长度与1/2锚固段长度之和的理论弹性伸长值 :s112.37mm结论:锚杆试验荷载1080千牛下所测得的总位移量,应超过71.05mm且小于112.37mm。
扩大头锚杆抗拔力计算工程算例1、工程名称:太原新湖滨基坑支护工程2、工程地点:山西太原市迎泽大街南侧、青年路东侧、新南四条西侧的迎泽大街172号3、典型支护剖面4、抗拔力计算:4.1计算公式:扩大头锚杆极限抗拔力计算方法采用《高压喷射扩大头锚杆(索)技术规程》(苏JG/T033-2009)中3.8.6条公式进行计算Tuk=KDlLdf m gi+7rD2LDfmg2+ (D22-D,2)P Dn(1-C ) KoKpyh + 2cVfc恥—碗—4. 2计算参数4.2.1 土层参数取值于地质勘察报告。
粘结强度标准值参照《高压喷射扩大头锚杆(索)技术规程》苏JG/T033—2009中表3.8.6.条进行取值4. 2. 2锚杆设计参数(以MG1为算例)根据提供的地质柱状图及设计参数等分析出:MG1普通锚固段、扩大头段均全处于粉土层中;4.3根据以上土层及锚杆设计参数,计算取值如下:L d =4 mf i=60 KPa 非扩大头锚固段的长度(m);非扩大头锚固段注浆体与地层间的粘接强度标准值(KPa),扩大头直径(m);扩大头长度(m);-扩大头注浆体与地层间的粘结强度标准值(KPa), -扩大头上覆土体的容重(KN/n?);-扩大头上覆土体的厚度(m);-扩大头端前土体的内摩擦角标准值;-扩大头端前土体的粘聚力标准值;-扩大头向前位移时反映挤胀效应的侧压力系数K“ = fg1 2 (45。
—#)=唧(45。
_ 今)=0.49 © =小45。
+ 彳)=如(45。
+ 即=204K° = 1 — sin 0 = 1 — sin \.3(p = 0.5616g = 0.9K “ = 0.9 x 0.49 = 0.441(l — g ) K O K P Yh + 2CVK7_(l — 0・ 441 )x0. 5616x2.04x19.6x12.2 +2x16715?1 — gKp _ 1-0.441x2.04= 1987.46 KPa6 X 60+3.4.5极限抗拔力计算T u k=7lDiLdfmgl+7lD2LDfmg2+ (D22一)P D =3.14 X 0. 13 X 4 X 60+3. 14 X 0. 8 : (0. 8:-0. 132) X 1987 . 46 =98.018+904.78+972.63 = 1975.42KN则MG1计算极限抗拔力为1975.42KN。
扩大头锚杆最大抗拔力计算公式探讨与分析摘要:本文旨在通过分析头锚杆的结构来探讨头锚杆最大抗拔力计算公式。
本研究将在正文中简要介绍和分析头锚杆的结构特征,并计算出其最大抗拔力的计算公式。
关键词: 头锚杆,抗拔力,计算公式正文:头锚杆是一种常用的构件,它由受力侧和支座侧头和螺栓组成。
它的结构特征决定了它有很高的抗拔力。
头锚杆的最大抗拔力可以通过以下计算公式来确定:A = F_s × D_p × sinθ其中,F_s表示头锚杆受力侧承受的拉拔力;D_p表示头锚杆支座侧的直径;θ表示头锚杆的间距角。
通过上述公式,可以得出头锚杆的最大抗拔力。
因此,本文旨在分析头锚杆的结构,探讨头锚杆的最大抗拔力计算方法,并根据不同情况计算出最大抗拔力的计算公式。
本研究的成果将有助于今后更好地设计头锚杆,并有效解决头锚杆在最大抗拔力方面的应用难题。
头锚杆的最大抗拔力值取决于其结构特征,特别是头锚杆的间距角θ以及头锚杆受力侧承受的拉拔力F_s和支座侧的直径D_p。
在计算头锚杆抗拔力时,首先要考虑头锚杆的间距角θ。
在传统的头锚杆结构中,间距角θ通常为90度。
然而,由于工程上的需要,也可以采用其他角度,以提高头锚杆的最大抗拔力。
根据可获得的结果,当间距角θ增大时,头锚杆的最大抗拔力也会增大。
此外,头锚杆的最大抗拔力还受头锚杆受力侧承受的拉拔力F_s和支座侧的直径D_p的影响。
一般情况下,拉拔力F_s越大,头锚杆的最大抗拔力就越大。
另外,支座侧的直径D_p也是影响头锚杆抗拔力的一个重要因素。
如果支座侧的直径D_p增大,头锚杆的最大抗拔力也会增大。
因此,在设计头锚杆时,必须正确考虑这些问题。
通过正确考虑头锚杆的结构特征,可以确保头锚杆的最大抗拔力达到设计要求,从而使其应用范围更加广泛。
总之,本文讨论了头锚杆的结构特征,以及不同情况下头锚杆最大抗拔力值的计算公式。
此外,头锚杆的最大抗拔力还受受力侧和支座侧头的材料性能的影响。
锚杆直径计算公式在土木工程中,锚杆是一种常用的地基加固材料,它可以通过固定在地下深处来增加地基的承载能力。
而锚杆的直径大小对于其承载能力有着直接的影响,因此需要根据具体情况来进行合理的计算。
下面我们将介绍锚杆直径的计算公式及相关内容。
一、锚杆直径的影响因素。
在计算锚杆直径之前,首先需要了解影响锚杆直径的因素。
主要包括以下几点:1. 地质条件,地质条件是影响锚杆直径的重要因素之一。
不同的地质条件对于锚杆的承载能力有着不同的要求,因此需要根据具体的地质条件来确定合适的锚杆直径。
2. 荷载条件,荷载条件是指锚杆所承受的力的大小和方向。
不同的荷载条件需要选择不同直径的锚杆来满足其承载要求。
3. 锚杆材料,锚杆的材料也会对其直径产生影响。
一般来说,材料的强度越高,所需要的直径就越小。
4. 工程要求,最后,工程的具体要求也是影响锚杆直径的因素之一。
根据工程的要求确定锚杆直径,可以确保地基的稳定性和安全性。
二、锚杆直径计算公式。
根据以上影响因素,我们可以得出锚杆直径的计算公式如下:D = √(F / (πσ L))。
其中,D为锚杆直径,F为锚杆所承受的荷载,σ为锚杆材料的抗拉强度,L为锚杆的长度。
通过这个公式,我们可以根据具体的工程要求和条件来计算出合适的锚杆直径,从而确保地基的稳定和安全。
三、锚杆直径计算实例。
为了更好地理解锚杆直径的计算方法,我们可以通过一个实际的工程案例来进行说明。
假设某工程中,地质条件较好,荷载为1000kN,锚杆材料的抗拉强度为400MPa,锚杆的长度为10m。
那么根据上述计算公式,可以得出锚杆直径的计算过程如下:D = √(1000 / (π 400 10)) ≈ 0.564m。
因此,根据以上条件,我们可以选择直径为0.564m的锚杆来满足工程的要求。
四、结语。
通过以上介绍,我们可以看出锚杆直径的计算是一个相对复杂的过程,需要考虑多种因素的影响。
在实际工程中,需要根据具体的情况来确定合适的锚杆直径,以确保地基的稳定和安全。
锚杆、锚索锚固力计算1、帮锚杆锚固力不小于50KN(或5吨或公式计算:拉力器上仪表读数(MPa)×4=锚固力(KN)锚固力(KN)÷10=承载力(吨)例:13MPa(拉力器上仪表读数)×4= 52KN(锚固力)52KN(锚固力)÷10=吨(承载力)2、顶锚杆锚固力不小于70KN(或7吨或公式计算:拉力器上仪表读数(MPa)×4=锚固力(KN)锚固力(KN)÷10=承载力(吨)例:18MPa(拉力器上仪表读数)×4= 72KN(锚固力)72KN(锚固力)÷10=吨(承载力)3、Ф锚索锚固力不小于120KN(或12吨或40MPa)公式计算:拉力器上仪表读数(MPa)×=锚固力(KN)锚固力(KN)÷10=承载力(吨)例:40MPa(拉力器上仪表读数)×= (锚固力)(锚固力)÷10=吨(承载力)4、Ф锚索锚固力不小于(或吨或45MPa)公式计算:拉力器上仪表读数(MPa)×=锚固力(KN)锚固力(KN)÷10=承载力(吨)例:45MPa(拉力器上仪表读数)×= (锚固力)(锚固力)÷10=吨(承载力)5、Ф锚索锚固力不小于250KN(或25吨或55MPa)公式计算:拉力器上仪表读数(MPa)×=锚固力(KN)锚固力(KN)÷10=承载力(吨)例:55MPa(拉力器上仪表读数)×= 250KN(锚固力)250KN(锚固力)÷10=25吨(承载力)型号为:YCD22-290型预应力张拉千斤顶备注:1、使用扭力矩扳手检测,帮锚杆扭力矩不小于120KN,顶锚杆扭力矩不小于150KN。
2、井下排版填写记录,均填锚固力(帮锚杆50KN、顶锚杆70 KN、Ф锚索120KN、Ф锚索)。
3、检测设备型号:锚杆拉力计型号:LSZ200型锚杆拉力计Ф锚索拉力计型号:YCD-180-1型预应力张拉千斤顶Ф锚索拉力计型号:YCD18-200型张拉千斤顶锚索承载力为504KN。
一、锚索设计承载力钢绞线直径为φ15.24mm 时230kN ,钢绞线直径为φ17.8mm 时320kN ,钢绞线直径为φ21.6mm 时454kN 。
二、锚索设计破断力 钢绞线直径为φ15.24mm 时260kN ,钢绞线直径为φ17.8mm 时355kN ,钢绞线直径为φ21.6mm 时504kN 。
三、按悬吊理论计算锚杆参数:1、锚杆长度计算:L = KH + L1 + L2式中:L — 锚杆长度m ;H — 冒落拱高度m ;K — 安全系数,一般取K=2;L1 — 锚杆锚入稳定岩层的深度,一般按经验取0.5m ;L2 — 锚杆在巷道中的外露长度,一般取0.1m ;其中:H =fB 2 式中:B — 巷道开掘宽度;f —岩石坚固性系数,砂岩取 ;则L=2、锚杆间排距计算,通常间排距相等,取a :a =KHrQ 式中: a — 锚杆间排距,m ;Q — 锚杆设计锚固力, KN/根;H — 冒落拱高度,取 m ;r —被悬吊砂岩的重力密度,取KN/m3;K —安全系数,一般取K=2;3、锚杆锚固长度计算:L0 = LD21 /(D2-D22)式中:L--锚固剂长度,为500mm。
D--钻孔直径,为32mm。
D1—树脂锚固剂直径,为28mmD2--锚杆内径,为20mm .四、锚索间排距的确定:L=nF2/[BHγ-(2F1sinθ)/L1]式中:L—锚索排距,m;B—巷道最大冒落宽度,m;H—巷道冒落高度,按最严重冒落高度取米;γ—岩体容重,取KN/m3 ;L1—锚杆排距,米;F1—锚杆锚固力,取KN;F2 —单根锚索的极限破断力,取210KN;θ—角锚杆与巷道顶板的夹角,85o;n—锚索排数,取;考虑巷道宽度,间距取米,排距取米,符合理论计算要求。
五、1、锚索长度确定:L=L1+L2+L3+L4 式中L——锚索总长度L1——锚索深入到较稳定岩层的锚固长度,m;L2——需要悬吊的不稳定岩层,取 mL3——上托盘及锁具的厚度,取0.2mL4——需要外露的张拉长度,取0.35m 按GB J86—1985要求2、锚索锚固长度L1按下式确定:L1≥K ×2411f f D 式中K ——安全系数 取K=2D1——锚索钢绞线直径 取 mmf1——钢绞线抗拉强度, N /mm 2f2——锚索与锚固剂的粘合强度,取10N /mm 23、锚索数目的确定 N=K ×1 P W式中N ——锚索数目K ——安全系数P1——锚索的最低破断率286.5kNW ——被吊岩石的自重,kN4、W=B ×∑h ×∑r ×D 式中B ——巷道掘进宽度,取最大宽度 m 计算∑h ——悬吊岩石厚度,取 m∑r ——悬吊岩石平均容重kN/m 2D ——锚索间排距,取不大于锚索长度的1/2 取 m。