设备管理四大标准
- 格式:docx
- 大小:16.47 KB
- 文档页数:2
一、总则合理使用和维护保养设备,是保证设备正常安全运行的基础,也是每位操作工和维修工必须做到的基本职责, 于是必须依靠每位员工,积极开展全员设备管理,发挥设备管理的作用,管好、用好、维护好设备。
二、基本内容制定设备四大标准(点检标准、给油脂标准、维修技术标准、维修作业标准) ,设备三大规程(设备操作规程、维护规程、检修规程),设备日常保养和定期保养,设备的点检、巡检、维护责任制,开展群众性维护保养评比竞赛活动,设备故障与设备事故处理等。
三、设备的合理使用1. 设备操作和维护人员必须严格执行设备的操作规程和维护规程,要养成自觉维护设备的风气和习惯,使设备时常处于良好的技术状态。
2. 必须严格执行定人、定机、凭设备操作证使用设备,严禁非岗位人员和无证人员操作设备,以保证设备安全运行。
3. 对于精、大、稀关键设备实行“四定”管理,即:定使用人、定维修人、定使用维护操作规程、定维修方式和备品备件,并建立严格的责任和交接班制度。
4. 操作人员要具备“三好" (管好、用好、修好) “四会” (会使用、会维护、会检查、会排除故障)的基本功。
5. 定人定机凭证使用设备,遵守安全操作规程;时常保持设备整洁,按规定加油,合理润滑;遵守交接班制度;管好工具附件,不得丢失;○5发现异常,即将停车检查)6. 建立严格的设备润滑管理制度,对设备润滑实行“五定”(定人、定点、定时、定质、定量)管理。
润滑工具必须齐全、完好、整洁、对润滑部位要按规定加油或者更换新油。
7. 操作工要熟知设备性能,掌握设备运行技术状况。
认真做好设备运行记录,发现问题及时反馈,认真执行交接班制度并填写交接班记录。
四、设备的维护保养1. 按照谁交班操作谁负责使用、保养的原则,负责处理当班期间发生的一切问题。
准确报告设备运行技术状况。
2. 严格执行设备维护的“四项要求" (整齐、清洁、润滑、安全)。
3. 操作工必须按照设备“四定” (定点、定项目、定时间、定纪律) 点检制,加强设备的日常检查,认真记录点检日报,班前检查、润滑,班中严格按操作规程使用设备,发现异常情况应及时处理并向上级领导报告,班后及时镲试、清扫。
设备管理体系标准简介设备管理体系——要求(Plant Management System – Requirements,缩写为“PMS”)(提示:以下图文资料属于成都华标企管的原创,版权所有,引用时请注明“资料来源:成都华标企业管理咨询有限公司”。
)1、什么是“设备管理体系标准”(PMS)?“设备管理体系标准”就是企业在设备管理方面的标准。
标准的名称是《设备管理体系——要求》,英文缩写为“PMS”(P lant M anagement S ystem- Requirements)。
设备管理体系标准(PMS)是企业在设备管理方面的标准。
是从国内先进企业的优秀设备管理方法中,总结提炼形成企业设备管理最基本的通用要求,以引导企业建立健全和完善其设备管理系统,其目的在于促进企业设备管理整体水平的提升,使设备管理更好地服务于企业的主营业务(产品或服务)。
注1:于2012年,在中国设备管理协会的支持下,由国内设备管理专家蒋良君、黄集长主导,组成了“PMS标准技术小组”,从起草、研讨、征求意见、修改、审定,历时半年编制完成了设备管理体系标准《设备管理体系——要求》(PMS)、《全国设备管理星级评价标准》,作为中国设备管理协会推荐性标准,这是我们中国人自己的设备管理体系标准,填补了国内设备管理体系标准的空白。
注2:2013年1月,蒋良君和黄集长修订标准草案,2013年1月到3月22日,共收到23多份(名单,见标准编写参与者。
)国内设备管理专家、学者及企业设备管理专业人士对优化标准草案的反馈意见。
4-5月份,由设备管理标准起草小组通过对专家反馈意见进行综合分析与评估,充分吸收了各方面的意见,对 2012版的《设备管理体系-要求》作了大量修改,使设备管理体系标准的内容更翔实、全面,且有了质的提升,这对企业设备管理更具指导性。
注3:于2013年8月,在桂林“全国首届PMS(设备管理体系)大会”上,正式发布《设备管理体系-要求》PMS/T1-2013。
设备管理体系标准简介设备管理体系——要求(Plant Management System – Requirements,缩写为“PMS”)(提示:以下图文资料属于成都华标企管的原创,版权所有,引用时请注明“资料来源:成都华标企业管理咨询有限公司”。
)1、什么是“设备管理体系标准”(PMS)?“设备管理体系标准”就是企业在设备管理方面的标准。
标准的名称是《设备管理体系——要求》,英文缩写为“PMS”(P lant M anagement S ystem- Requirements)。
设备管理体系标准(PMS)是企业在设备管理方面的标准。
是从国内先进企业的优秀设备管理方法中,总结提炼形成企业设备管理最基本的通用要求,以引导企业建立健全和完善其设备管理系统,其目的在于促进企业设备管理整体水平的提升,使设备管理更好地服务于企业的主营业务(产品或服务)。
注1:于2012年,在中国设备管理协会的支持下,由国内设备管理专家蒋良君、黄集长主导,组成了“PMS标准技术小组”,从起草、研讨、征求意见、修改、审定,历时半年编制完成了设备管理体系标准《设备管理体系——要求》(PMS)、《全国设备管理星级评价标准》,作为中国设备管理协会推荐性标准,这是我们中国人自己的设备管理体系标准,填补了国内设备管理体系标准的空白。
注2:2013年1月,蒋良君和黄集长修订标准草案,2013年1月到3月22日,共收到23多份(名单,见标准编写参与者。
)国内设备管理专家、学者及企业设备管理专业人士对优化标准草案的反馈意见。
4-5月份,由设备管理标准起草小组通过对专家反馈意见进行综合分析与评估,充分吸收了各方面的意见,对 2012版的《设备管理体系-要求》作了大量修改,使设备管理体系标准的内容更翔实、全面,且有了质的提升,这对企业设备管理更具指导性。
注3:于2013年8月,在桂林“全国首届PMS(设备管理体系)大会”上,正式发布《设备管理体系-要求》PMS/T1-2013。
设备四大标准设备点检管理四大标准由维修技术标准、点检标准、给油脂标准和维修作业标准等四项标准组成。
简称“四大标准”四大标准的建立和完善,是点检定修的制度保证体系,是点检定修活动的科学依据,它将点检工作沿着科学的轨道向前推进。
一.维修技术标准维修技术标准是根据设备设计制造的原始数据制订的维修基准,它是四大标准的基础,也是编制另外三个标准的技术依据。
维修技术标准包括通用标准和专用标准两类。
1。
维修技术标准的编制依据:⑴设备使用说明书及有关技术资料、图纸;⑵同类设备或使用性质类似设备的维修技术管理值;⑶实际经验2.维修技术标准的内容:⑴对象设备或装置的简明示意图;⑵作为管理对象的零部件的技术性能、构造、材质等;⑶作为管理对象的零部件的维修特性;⑷设定主要更换件的维修技术管理值,包括零部件的图面尺寸、装配间隙、允许减损量的范围或劣化极限容许值,以及使用的标准等;⑸其他对该零部件所限制的项目内容,最关键的是维修技术管理值的确定。
二、点检标准在点检标准中,详细规定了点检作业的基本事项,使所有的检查点都做到了“五定"点检标准包括通用标准和专用标准两类。
1.点检标准的作用:点检标准是对设备进行预防性检查的依据,是编制点检计划的基础.2.点检标准的编制依据:⑴维修技术标准;⑵设备使用说明书和有关技术资料、图纸;⑶同类设备的实绩资料;⑷实际经验。
3。
点检标准的主要内容点检标准以表格的形式对点检对象设备进行了“五定”,其主要内容包括:定点点检部位、点检项目、点检内容;定点点检方法、设备点检状态;点检结果的判断基准;定点点检周期;定期点检分工.三、给油脂标准给油脂标准中规定了润滑作业的基本事项,包括了“润滑五定”(定点、定质、定量、定时、定人)的全部内容。
给油脂标准是设备润滑工作的依据1.给油脂标准的编制依据:⑴维修技术标准;⑵设备使用说明书和有关技术资料、图纸;⑶同类设备的实绩资料;⑷实际经验2.给油脂标准的主要内容:⑴给油脂部位;⑵给油脂方式;⑶油脂品种牌号;⑷给油脂点数;⑸给油脂量与周期;⑹油脂更换量及周期;⑺给油脂作业的分工四、维修作业标准:1。
推行设备点检的知识及做法一、机电设备点检的定义:就是在设备运行中,对影响设备正常运行的一些关键部位(即“点”)进行管理制度化、操作技术规范化的检查维护工作称为设备点检。
具体说,就是根据每台设备的结构性能及特性,制定设备或部件的点检周期,并通过对设备的检查周期和方法进行预防性强制检查(点检),从而取得设备状态信息,制定有效的维修策略,把维修工作做到设备发生事故之前,是设备处于受控完好状态的管理方式。
二、点检的主要环节:1、确定检查点2、确定各检查部位(点)的检查内容3、制定点检的判断标准4、确定点检周期5、确定点检的方法和条件6、确定点检人员7、编制点检表8、做好点检记录三、点检的“五定”内容:定点、定法、定标、定期、定人。
四、实施点检的具体做法:1、实行岗前技术培训和持证上岗操作制度。
2、实行“定机、定人、定职责”制度。
3、建立设备点检运行管理制度。
4、规范点检程序,制定并完善设备点检方法及标准。
5、制定管理人员走动式管理制度,形成干部和员工的相互制约机制。
6、建立设备运行动态分析制度。
7、健全设备点检资料管理体系。
8、建立点检定期检修机制,延长设备的周期使用寿命。
9、建立设备点检隐患排查闭环程序。
10、推行设备的“零故障”管理。
五、设备点检管理四大标准:1、维修技术标准。
2、点检标准。
3、给油脂标准(“润滑五定”的内容)。
4、维修作业标准。
六、做好现场点检工作要点:1、现场点检管理的五大任务:1)保证设备“四保持”(外观整洁性、结构完整性、性能和精度、自动化程度)。
2)按计划检修,保证设备正常运转。
3)降低设备故障率和降低设备维修费用。
4)创建文明班组,创造良好的工作环境和氛围。
5)确保安全第一,实现设备故障为“零”。
2、开展现场“5S”活动(整理、整顿、清扫、清洁和素养称为5S)。
3、开展自主维修活动。
4、做好现场点检工作的要点。
请各单位按上述内容,逐步建立和完善设备点检的内容、标准、制度、实施步骤和方法,有条不紊的推动这项工作。
设备管理基本知识课件复习题库设备管理基本知识课件复习题库1、设备的定义所谓设备是指企业生产中长期和反复使用中基本保持原有实物形态和功能的劳动资料总称。
2、设备管理的定义设备管理是指设备一生全过程管理,包括设备引进阶段的前期管理,试生产阶段的初期管理,生产现场的使用管理、维护管理、润滑管理、故障管理、精度管理(包括备件管理)、资产管理(包括台帐、档案、资料管理)、技术改造管理等内容。
3、试述设备的前半生管理内容设备规划、设计、选型、购置、制造、安装、验收构成设备前半生管理内容。
4、试述设备后半生管理内容设备使用、维护、检修、改造、更新、报废等构成设备后半生管理内容。
5、按管理对象设备如何分类分为:产线设备、非产线设备或普通作业线设备。
6、按重要程度设备如何分类分为:关键设备、一般设备。
7、产线设备的定义设备无论高、大、精、尖,只要是在产品作业线上,生产过程中离不开的设备,称之产线设备。
8、关键设备的定义在产品作业线上起主导、关键作用的设备。
具有专用性强、精度高、功能复杂、无在线替代、隐患频发的特点,发生故障时影响生产安全、质量或造成严重环境污染。
9、五种设备维修方式指的是那些?一般指事后维修、预防维修、改善维修、状态维修、维修预防五种维修方式。
10、什么是事后维修?适用于哪些对象设备?对生产效率不高或对生产并不直接影响,或有了故障能替代又易于维修的一般设备,考虑到经济性,安排为故障后再行修理。
适用于一般设备。
11、什么是预防维修?适用于哪些对象设备?对关键重要设备,按规定的周期和方法进行预防性检查(点检),确定磨损零件更换的时间,在故障发生前,有计划地安排设备停机予以更换修理,使生产停机最少,损失也最少。
适用于关键,重要设备。
12、什么是改善维修?适用于哪些对象设备?为防止设备劣化,或易于日常维护,点检,对设备的一些结构进行改进,以提高设备效率,减少重复故障,延长使用寿命,降低费用。
适用于费用高,故障多,维修难的设备。
起重机类设备四大标准——维修技术标准点检标准给油脂标准维修作业标准起重机械主要零部件维修技术标准本标准根据GB6067-85起重机安全规程中有关规定摘录,使用于桥式起重机(包括冶金起重机)、门式起重机、汽车起重机、轮胎起重机、履带起重机、塔式起重机、升降机、电葫芦等,不适用于载人起重设备。
一、金属结构1、主要受力构件失去整体稳定时不应修复,应报废。
2、主要受力构件发生腐蚀时,应进行检查和测量,当承载能力降低到原设计承载能力的87%时,如不能修复,应报废。
对无计算能力的使用单位,当主要受力构件端面腐蚀达原厚度的10%时,如不能修复,应报废。
主梁腹板厚度列表如下:3、主要受力构件产生裂纹时,应根据受力情况和裂纹情况采取阻止裂纹继续扩展的措施,并采取加强或改变应力分布的措施,或停止使用。
4、主要受力构件因产生塑性变形,使工作机构不能正常地安全运行时,如不能修复,应报废。
对于一般桥式类型起重机,当小车在额定载荷下处于跨中,主梁跨中的下挠值在水平线下到跨度的1/700时如不能修复,应报废。
二、吊钩吊钩出现下列情况之一时应报废:1、裂纹。
2、危险断面磨损达原尺寸的10%。
吊钩危险断面原尺寸列表如下:、开口度比原尺寸增加15%。
开口度原尺寸列表如下:34、扭转变形超过10°。
5、危险断面或吊钩颈部产生塑性变形。
6、板钩衬套磨损达原尺寸的50%时,应报废衬套。
板钩衬套原尺寸列表如下;7、板钩心轴磨损达原尺寸的5%时,应报废心轴。
注:吊钩上的缺陷不得焊补。
三、钢丝绳对于符合GB1102-74《圆股钢丝绳》标准的钢丝绳,可按下列要求检查报废。
1、钢丝绳的断丝数达下表所列数值时。
表12、钢丝绳有锈蚀或磨损时,应将表1报废断丝数按表2折减,并按折减后的断丝数报废。
折减系数表表23、吊运炽热金属或危险品的钢丝绳的报废断丝数,取一般起重机钢丝绳报废断丝数的一半,其中包括钢丝表面腐蚀进行的折减。
四、卷筒卷筒出现下述情况之一时应报废:1、裂纹。
简答题:(1)点检定修制中,设备维修四大标准的作用?1.维修技术标准f是根据设备设计制造的原始数据制订的维修基准。
该标准反映了主要设备装置的性能构造和劣化倾向,异常状态等维修特性及维修技术管理值。
它是设备维护修理的主要技术依据,也是维修四大标准的基础。
2.点检标准f是点检员对设备进行预防性检查的依据。
该标准根据设备各部位的结构特点,详细规定了点检作业的基本事项,包括点检部位、项目、内容;点检分工;设备点检状态;点检周期;点检方法;点检判定基准等,使所有的检查点都做到了五定。
3.给油脂标准f是润滑工作的依据。
该标准对润滑作业的基本事项,包括给油脂部分;给油脂方式;油牌号;给油脂点数;给油脂量与周期;更换量与周期;给油脂作业分工等,都作出了详细规定。
4.维修作业标准f它实质上是比较精练的、严密的设备检修施工组织计划,它是检修责任单位进行维修作业的基准,也是点检人员确定维修工时、维修费用的依据。
该标准规定了作业名称、作业方法、作业顺序、作业条件、技术要点、安全注意事项、使用工具等并用图表形式表示。
(2)搞好点检制必须加强哪几方面工作?1.必须准确地适用设备。
2.必须高效实施检修工程。
3.必须按点检要求提供备件资料。
4.必须建立一支经验丰富水平较高的技术队伍。
(3)怎样做好备件计划?1.分类处理。
不同备件使用频率,产地来源不同,应重点关注专用进口,重点设备的重点工序备件,非标备件。
2.统计不同种类的备件的购买周期,对购买周期长的和短的重点分类,采购周期长的备件定期跟踪使用情况,做到使用、库存、采购三不误,对采购周期短的备件尽最做到零库存。
3.统计备件使用时间。
跟踪不同供应商产品的使用质量,对质量较差,寿命较短的备件供应商采取筛选方法淘汰。
(4)年检实绩分析有哪些内容?1.点检实施效果的分析:根据操作人员的日常点检和设备系统专职点检员对定期点检实绩的掌握,验证点检计划表、定期(周期)管理表和设备劣化倾向管理表的正确性,预知点检计划表的精确度,分析预防维修所占整体维修计划的比值,使点检的效率不断提高。
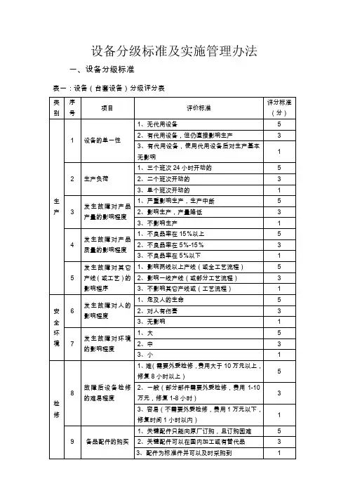
设备分级标准及实施管理办法一、设备分级标准表一:设备(台套设备)分级评分表表二:设备分级表二、设备分级管理要求表三:设备基础管理表四:设备运行管理表五:设备维修管理表六:备件管理三、设备分级实施(一)设备分级由设备工程部组织相关单位根据评价标准对全公司所有设备分级,各单位整理设备清单,依据标准进行评分,结果记录在《设备ABC分级评价表》中,根据评分结果划分A类设备(关键设备)、B 类(重要设备)、C类设备(一般设备)。
设备分级每年组织复审。
(二)分级管理1、A级设备管理A级设备由公司管理控制,主要内容:设备基础管理、设备运行管理(包括:点检、润滑、运保、功能精度)、设备维修管理、设备备件管理,实施细则如下:(1)设备基础管理:实行定期报告和检查制度,由设备工程部设备室监督落实,执行情况在每季度设备专项检查时抽查审核。
(2)设备运行管理:实行日常监控、定期报告和检查制度。
A级设备的运行管理由设备工程部管控中心日常监控,由设备工程部部长监督落实,每旬编制A级设备运行分析报表,上网通报,同时上报公司设备主管副经理,每月编制月度分析报表,在设备例会上通报。
(3)设备维修管理:实行日常监控、定期报告和检查制度。
A级设备定修和年修由设备工程部检管室监督落实,每月编制检修报表,在检修例会上通报。
(4)设备备件管理:实行定期报告和检查制度,A级设备备件管理由设备工程部物资室监督落实,每月编制A级设备备件管理报表,在每月设备例会上通报,执行情况在每季度设备专项检查时抽查审核。
2、B级设备管理B级设备由子分公司管理控制,具体管理办法和实施细则由各子分公司确定,管理绩效应子分公司内部网公告。
3、C级设备管理C级设备由分厂管理控制,具体管理办法和实施细则由各分厂确定,管理绩交应有记录。
设备ABC分级评价表。
设备管理体系标准简介设备管理体系——要求(PlantManagementSystem–Requirements,缩写为“PMS”)(提示:以下图文资料属于成都华标企管的原创,版权所有,引用时请注明“资料来源:成都华标企业管理咨询有限公司”。
)1、什么是“设备管理体系标准”(PMS)“设备管理体系标准”就是企业在设备管理方面的标准。
标准的名称是《设备管理体系——要求》,英文缩写为“PMS”(P lant M anagement S ystem-Requirements)。
设备管理体系标准(PMS)是企业在设备管理方面的标准。
是从国内先进企业的优秀设备管理方法中,总结提炼形成企业设备管理最基本的通用要求,以引导企业建立健全和完善其设备管理系统,其目的在于促进企业设备管理整体水平的提升,使设备管理更好地服务于企业的主营业务(产品或服务)。
注1:于2012年,在中国设备管理协会的支持下,由国内设备管理专家蒋良君、黄集长主导,组成了“PMS 标准技术小组”,从起草、研讨、征求意见、修改、审定,历时半年编制完成了设备管理体系标准《设备管理体系——要求》(PMS)、《全国设备管理星级评价标准》,作为中国设备管理协会推荐性标准,这是我们中国人自己的设备管理体系标准,填补了国内设备管理体系标准的空白。
注2:2013年1月,蒋良君和黄集长修订标准草案,2013年1月到3月22日,共收到23多份(名单,见标准编写参与者。
)国内设备管理专家、学者及企业设备管理专业人士对优化标准草案的反馈意见。
4-5月份,由设备管理标准起草小组通过对专家反馈意见进行综合分析与评估,充分吸收了各方面的意见,对2012版的《设备管理体系-要求》作了大量修改,使设备管理体系标准的内容更翔实、全面,且有了质的提升,这对企业设备管理更具指导性。
注3:于2013年8月,在桂林“全国首届PMS(设备管理体系)大会”上,正式发布《设备管理体系-要求》PMS/T1-2013。
专职点检设备管理(多选题)1、设备定期点检的内容:()系统的精度检查及调整;油箱油脂的定期成份分析及更换、添加;零部件更换、劣化部位的修复。
*A、设备的非解体定期检查(正确答案)B、设备解体检查(正确答案)C、劣化倾向检查(正确答案)D、设备的精度测试(正确答案)2、编制维修作业标准的目的()有利检修作业管理。
*A、提高检修作业质量(正确答案)B、减少检修不良现象C、缩短检修作业时间(正确答案)D、消除检修作业事故(正确答案)3、设备劣化的表现形式:();腐蚀;蠕变;元器件老化。
*A、机械磨损(正确答案)B、裂纹(正确答案)C、塑性断裂和脆性断裂(正确答案)D、设备的精度测试4、设备诊断常用检测手段:()。
*A、机械检测(正确答案)B、电气检测(正确答案)C、油质检测(正确答案)D、温度检测。
(正确答案)5、“四个支撑”是指人员素质、()。
*A、技术创新(正确答案)B、信息网络(正确答案)C、基础资源(正确答案)D、组织架构6、宝钢实行“五制配套”是指作业长制、计划值管理、()。
*A、点检定修制(正确答案)B、标准化作业(正确答案)C、定修模型D、自主管理(正确答案)7、“三位一体”的点检是指()。
*A、岗位操作工人的日常点检(正确答案)B、维护人员的日常点检(正确答案)C、专职点检员的定期点检D、专业技术人员的精密点检(正确答案)8、点检定修制的主要特点是()。
*A、坚持预防为主(正确答案)B、完整的维修标准体系(正确答案)C、以点检为核心(正确答案)D、实行全员(TPM)管理(正确答案)9、点检定修制就是以点检为核心的全员设备检修管理体制,可以使设备在()上达到协调优化管理。
*A、可靠性(正确答案)B、维护性(正确答案)C、经济性(正确答案)D、新颖性10、全员生产维修实行“六位一体”是指生产、设备、检修()。
*A、销售(正确答案)B、人事(正确答案)C、后勤D、采购(正确答案)11、日常基础保养主要强调设备的清扫()等日常维护保养和生产操作相结合,通过及时发现设备小隐患、小缺陷,适时安排日修,使之实现长周期定修或终生无大修。
设备四大标准设备点检管理四大标准由维修技术标准、点检标准、给油脂标准和维修作业标准等四项标准组成。
简称“四大标准”四大标准的建立和完善,是点检定修的制度保证体系,是点检定修活动的科学依据,它将点检工作沿着科学的轨道向前推进。
一.维修技术标准维修技术标准是根据设备设计制造的原始数据制订的维修基准,它是四大标准的基础,也是编制另外三个标准的技术依据。
维修技术标准包括通用标准和专用标准两类。
1.维修技术标准的编制依据:⑴设备使用说明书及有关技术资料、图纸;⑵同类设备或使用性质类似设备的维修技术管理值;⑶实际经验2.维修技术标准的内容:⑴对象设备或装置的简明示意图;⑵作为管理对象的零部件的技术性能、构造、材质等;⑶作为管理对象的零部件的维修特性;⑷设定主要更换件的维修技术管理值,包括零部件的图面尺寸、装配间隙、允许减损量的范围或劣化极限容许值,以及使用的标准等;⑸其他对该零部件所限制的项目内容,最关键的是维修技术管理值的确定。
二、点检标准在点检标准中,详细规定了点检作业的基本事项,使所有的检查点都做到了“五定”点检标准包括通用标准和专用标准两类。
1.点检标准的作用:点检标准是对设备进行预防性检查的依据,是编制点检计划的基础。
2.点检标准的编制依据:⑴维修技术标准;⑵设备使用说明书和有关技术资料、图纸;⑶同类设备的实绩资料;⑷实际经验。
3.点检标准的主要内容点检标准以表格的形式对点检对象设备进行了“五定”,其主要内容包括:定点点检部位、点检项目、点检内容;定点点检方法、设备点检状态;点检结果的判断基准;定点点检周期;定期点检分工。
三、给油脂标准给油脂标准中规定了润滑作业的基本事项,包括了“润滑五定”(定点、定质、定量、定时、定人)的全部内容。
给油脂标准是设备润滑工作的依据1.给油脂标准的编制依据:⑴维修技术标准;⑵设备使用说明书和有关技术资料、图纸;⑶同类设备的实绩资料;⑷实际经验2.给油脂标准的主要内容:⑴给油脂部位;⑵给油脂方式;⑶油脂品种牌号;⑷给油脂点数;⑸给油脂量与周期;⑹油脂更换量及周期;⑺给油脂作业的分工四、维修作业标准:1.维修作业标准是检修责任单位进行检修作业的基准,也是确定修理工时及修理费用的依据:⑴提高检修作业质量和缩短检修作业时间;⑵避免或减少检修作业事故的发生;⑶提高检修作业管理水平。
生产设备ABC分类管理规定一、目(de)为加强厂设备管理工作,细化设备分类管理,明确各级管理部门在设备管理工作中(de)职能,使所有设备得到有效管控,充分发挥设备(de)技术经济效率与效益,保证安全生产和设备(de)稳定运行,保持设备良好(de)工作环境和工作条件,特制定本规定.二、适用范围本规定适用于厂范围内设备管理工作.三、设备ABC分类标准(一)A类设备:–部控设备满足下列条件之一(de)为A类设备:1、主要生产设备和主体生产设备.在生产过程中起主体作用,承担产品生产过程,对产品质量、产量、工序直接影响(de)成套设备或机组.该类设备发生事故或故障,会直接导致产品生产过程中断、质量降低,安全、环境受到重大影响,影响公司整个生产组织.2、对人身安全有直接威胁(de)设备.如特种设备、危化品设施等3、对周围环境有潜在严重污染与危害(de)设备.如有毒有害气体、介质、油品处理设施.(二)B类设备:关键设备 -厂控设备满足下列条件之一(de)为B类设备:1、具有专用性强,没有在线替代,精度要求高、功能复杂(de)特点,发生事故故障时会对整条产生线造成较大影响或导致主要生产设备或生产线停机(de)设备.2、对人身安全有间接威胁(de)设备.3、对周围环境有潜在中度污染与危害(de)设备.(三) C类设备:一般设备除主要生产设备、关键设备以外(de)生产设备称为一般设备.这类设备发生事故故障时对生产影响较小,且对人身安全、周围环境基本无影响,一般有替代设备,不会造成主作业线停产.四、职责分工(一)设备科1、设备科是厂生产设备ABC分类管理(de)归口管理科室,负责制定设备ABC分类标准、分类管理要求,对各车间和作业区分类管理效能进行监察.2、对A、B类设备(de)检修、事故、技改等实施控制管理.负责A、B类设备三大规程、四大标准(de)审核批准;负责编制A、B类设备(de)定修模型及日常(周、月、季)检修计划.3、负责设备(ABC类)专项大修、A、B类设备年修(de)组织管理.4、负责A、B类设备三级以上设备事故抢修(de)组织管理.5、负责定期收集和检查A、B类设备台账.(二)各车间、作业区职责1、负责所管辖全部设备(de)日常点检、运行、维护、检修管理;负责设备ABC分类管理、挂牌使用等日常具体工作;2、负责全部设备三大规程、四大标准、定修模型(de)起草编制;负责C 类设备三大规程、四大标准(de)审核批准.负责设备三大规程、四大标准具体实施;负责编制设备日常(周、月、季)检修计划.3、负责C类设备年修(de)组织管理.4、负责A、B类设备三级以下及C类设备事故抢修(de)组织管理.5、负责制定本单位设备ABC分类管理办法,并组织实施.6、负责填写A、B、C类设备台账,并定期上交A、B类设备台账.五、管理内容与要求(一)管理控制要求1、设备点检、运行、维护、日常定修/计划检修管理各车间、作业区作为设备管理(de)直接责任者,负责所有设备日常点检、运行、维护、日常定修/计划检修管理工作2、设备年修、专项大修管理要求列入公司专项大修计划(de)所有项目、A、B类设备年修,由设备动力科组织管理;C类设备年修,由车间作业区自行组织.3、设备事故故障A类设备事故故障、非正常停机等,必须在第一时间报告厂设备科,并由设备科上报设备部.三级及以上设备事故(de)抢修、分析和处理由设备动力部组织.B类事故故障、非正常停机由厂设备科负责组织处理.但对A类设备造成影响时,设备科必须及时报告设备部.C类设备事故故障、非正常停机等由作业区、车间负责组织处理.但对A、B类设备造成影响时,必须及时报告设备部和设备科.(二)设备规程及技术标准管理1、设备三大规程、四大标准、定修模型由各车间、作业区负责编制,设备负责审核,并根据设备运行条件、生产工艺要求等及时组织修订.2、A类设备三大规程、四大标准由设备科上报公司设备部审批;设备动力科负责BC类设备三大规程、四大标准(de)审核批准.3、A类设备(de)定修模型报设备部,由设备部统一汇总,形成公司A类设备(de)定修模型.(三)设备维修模式1、A类设备(de)维修方式:采取点检定修和预防维修相结合(de)管理模式,其中点检定修\预防维修(de)策略如下.点检定修.是在点检制、预防维修(de)条件下,将检修负荷压到最低限、强化减少维修停机时间、实现可预测、主动性维修(de)均衡修理负荷(de)一种维修方式.预防维修(PM):根据检修(de)技术条件和目标要求,主要以时间为依据,预先设定检修工作内容与检修周期.2、B类设备(de)维修方式:采取以预防维修为主、辅以预知维修和事后维修(de)管理模式,其中预知维修和事后维修(de)策略如下.预知维修(PDM).以设备当前(de)工作状况为依据,通过对设备技术状态和使用状态(de)监测和分析,判断设备(de)健康状况,从而确定设备是否需要检修或最佳检修时机.事后检修/故障检修(BM).当故障发生后进行修理(de)检修方式.3、C类设备(de)维修方式.采取事后检修或故障检修(de)管理模式.。
设备四大标准
设备点检管理四大标准由维修技术标准、点检标准、给油脂标准和维修作业标准等四项标准组成。
简称“四大标准”
四大标准的建立和完善,是点检定修的制度保证体系,是点检定修活动的科学依据,它将点检工作沿着科学的轨道向前推进。
一.维修技术标准
维修技术标准是根据设备设计制造的原始数据制订的维修基准,它是四大标准的基础,也是编制另外三个标准的技术依据。
维修技术标准包括通用标准和专用标准两类。
1.维修技术标准的编制依据:
⑴设备使用说明书及有关技术资料、图纸;
⑵同类设备或使用性质类似设备的维修技术管理值;
⑶实际经验
2.维修技术标准的内容:
⑴对象设备或装置的简明示意图;
⑵作为管理对象的零部件的技术性能、构造、材质等;
⑶作为管理对象的零部件的维修特性;
⑷设定主要更换件的维修技术管理值,包括零部件的图面尺寸、装配间隙、
允许减损量的范围或劣化极限容许值,以及使用的标准等;⑸其他对该零部件
所限制的项目内容,最关键的是维修技术管理值的确定。
二、点检标准
在点检标准中,详细规定了点检作业的基本事项,使所有的检查点都做到了“五定”点检标准包括通用标准和专用标准两类。
1.点检标准的作用:点检标准是对设备进行预防性检查的依据,是编制点检计划的基础。
2.点检标准的编制依据:
⑴维修技术标准;
⑵设备使用说明书和有关技术资料、图纸;
⑶同类设备的实绩资料;
⑷实际经验。
3.点检标准的主要内容
点检标准以表格的形式对点检对象设备进行了“五定”,其主要内容包括:
定点点检部位、点检项目、点检内容;定点点检方法、设备点检状态;点检结果的判断基准;定点点检周期;定期点检分工。
三、给油脂标准
给油脂标准中规定了润滑作业的基本事项,包括了“润滑五定”(定点、定质、定量、定时、定人)的全部内容。
给油脂标准是设备润滑工作的依据
1.给油脂标准的编制依据:
⑴维修技术标准;
⑵设备使用说明书和有关技术资料、图纸;
⑶同类设备的实绩资料;
⑷实际经验
2.给油脂标准的主要内容:
⑴给油脂部位;
⑵给油脂方式;
⑶油脂品种牌号;
⑷给油脂点数;
⑸给油脂量与周期;
⑹油脂更换量及周期;
⑺给油脂作业的分工
四、维修作业标准:
1.维修作业标准是检修责任单位进行检修作业的基准,也是确定修理工时及修理费用的依据:
⑴提高检修作业质量和缩短检修作业时间;
⑵避免或减少检修作业事故的发生;
⑶提高检修作业管理水平。
2.编制维修作业标准的条件:
⑴明确检修作业目的;
⑵掌握检修项目内容和作业工序;
⑶熟悉设备结构和作业环境;
⑷具有施工实践经验
3.维修作业标准的主要内容
修理项目的作业区域、设备名称、作业名称、作业标准、作业条件、作业工时、作业人员、使用工器具、保护用具、备件材料的要求、作业网络图、作业顺序说明、作业要素(项目)、作业内容、技术要点、安全要点、维修程序图等。
4.编制维修作业标准的难点和关键是“作业网络图的绘制”。
编制时首先抓住施工中工期最长的工序项目,围绕主工序找出副工序,尽量采用平行作业,以扩大施工面,缩短工期。
钢构事业二部
2016年1月1日。