全站仪仪器自检表完整版
- 格式:docx
- 大小:57.75 KB
- 文档页数:5
检验人仪器编号天气温度(℃)
杨德山
219093
多云
11
(m) (m)
(m) (m)
(m)(m)
1.713
1.3630.350 1.638 1.2840.354
(m) (m)
(m)
100
1.8
98.2
备注:结论:DS1水准仪不超过15″,DS3水准仪不超过20″
第 1 页 共 1 页
i<20″,符合规范要求
检验时间水准仪i角检验表
2016.4.14
检验方法:在较平坦的地方选定距离为80m 的两个点A 、B,并在A 、B 两点各放一个
尺垫。
置水准仪于A 、B 的中间,使两端距离均为40m ,如图(a )所示,此时测量得到
高差值。
然后将水准仪置于两点中B 点的附近,如图(b )所示,此时测得高差值
为含有i角误差的高差值 ,则i角可按照上面的公式计算出来。
注:ρ=206265
仪器在后尺A与前尺B中间
仪器在AB延长线上
(″)8
()/()
AB AB A B i h h S S '
=-ρ-11AB h a b '
'=-1a '1b '
22AB h a b '''=-2a '2b 'A S B S A B
S S -AB
h AB h '
红色字体部分需自己输入
S
应为1.5至3米
B。
经纬仪检验与校正记录表
检测仪器:检查日期:
检验项目检验检验结果2C值
盘左盘右
I角
盘左盘右
外
观及
气泡
外观及一般功能检查;
按键功能检查;
水准气泡检查;
对中器检查;
检查人:
全站仪检验与校正记录表
检测仪器:检查日期:
检验项目检验检验结果2C值
盘左盘右
I角
盘左盘右
外
观及
气泡
外观及一般功能检查;
按键功能检查;
水准气泡检查;
对中器检查;
检查人:
全站仪检验与校正记录表
检测仪器:检查日期:
检验项目检验检验结果2C值盘左盘右
I角
盘左盘右
外
观及
气泡
外观及一般功能检查;
按键功能检查;
水准气泡检查;
对中器检查;
检查人:
水准仪检验与校正记录表检测仪器:检查日期:
检查
项目
检验检验结果水准管a1b1H a1b1
轴平行
于视准
轴的校
正
a2b2h a2b2
校正
方法
其它项目外观及一般功能检查;
水准气泡检查;
十字丝横丝的检验;
检查人:。
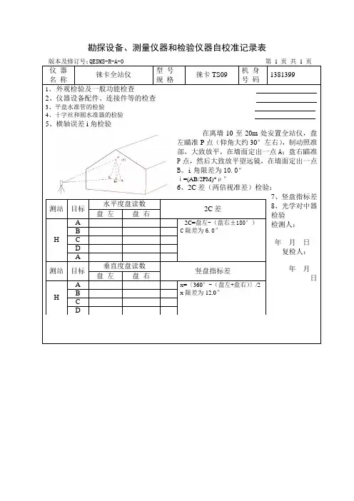
第1页共1页 测站 目标
水平度盘读数 2C 差 盘左 盘右 H A
2C=盘左-(盘右土 180 ° ) C 限差为6.0 ” B
C
D
A
测站 目标
垂直度盘读数 竖盘指标差 盘左 盘右 H A
x=〔 360° -(盘左 + 盘右)〕/2 x 限差为12.0” B
C
D 勘探设备、测量仪器和检验仪器自校准记录表
版本及修订号:QESMS-R-A-0
在离墙10至20m 处安置全站仪,盘 左瞄准P 点(仰角大约30°左右),制动照准 部,大致放平,在墙面定出一点 A ;盘右瞄准 P 点,然后大致放平望远镜,在墙面定出一点 Bo i 角限
差为10.0 〃
i =(AB/2PM )* p 〃
6、2C 差(两倍视准差)检验:
7、 竖盘指标差
8、 光学对中器 检验 检测人:
年 月曰
复检人:
徕卡全站仪
徕卡TS09 1381399 1、 外观检验及一般功能检查
2、 仪器设备配件、连接件等的检查
3、 平盘水准管的检验
4、 十字丝和圆水准器的检验。
全站仪仪器号:徕卡TS30序号检查内容及标准状态处理1全站仪是否有计量检定合格证书□是□否□停用2望远镜光学性能的检验是否合格□是□否□已校正3调焦镜运行正确性的检验是否合格□是□否□已校正4照准部旋转使用正确性的检验。
照准部旋转轴正确,各位置气泡读数较差不应超过1格。
□是□否□已校正5垂直微动螺旋使用正确性的检验。
垂直微动螺旋在使用时,视准轴在水平方向上不产生偏移。
□是□否□已校正6照准部旋转时仪器底座稳定性的检验。
照准部旋转时,0.5″和1″级仪器基座位移不应超过0.3″。
□是□否□已校正7水平轴倾斜误差(水平轴不垂直于垂直轴之差)的检验。
0.5″和1″级仪器不应超过10″。
□是□否□已校正8视准轴误差(2C,视准轴不与水平轴正交所产生的误差)的检验。
0.5″和1″级仪器不应超过20″。
□是□否□已校正9光学(或激光)对点器的检验。
对点器的对中误差不应大于1mm。
□是□否□已校正10电池及充电器是否完好□是□否□已更换11读卡器及存储卡是否完好□是□否□已更换12三角架及其他附件是否完好□是□否□已更换13仪器外观、开关及键盘是否有破损□是□否□已修好注:此表用于全站仪及其附件的检查,在□内打√表示选择,由检查者和处理者负责填写,此表随归档资料上交。
检查者:任凯施工单位负责人:张新民日期: 2012.4.15全站仪仪器号:徕卡TS30序号检查内容及标准状态处理1全站仪是否有计量检定合格证书□是□否□停用2望远镜光学性能的检验是否合格□是□否□已校正3调焦镜运行正确性的检验是否合格□是□否□已校正4照准部旋转使用正确性的检验。
照准部旋转轴正确,各位置气泡读数较差不应超过1格。
□是□否□已校正5垂直微动螺旋使用正确性的检验。
垂直微动螺旋在使用时,视准轴在水平方向上不产生偏移。
□是□否□已校正6照准部旋转时仪器底座稳定性的检验。
照准部旋转时,0.5″和1″级仪器基座位移不应超过0.3″。
□是□否□已校正7水平轴倾斜误差(水平轴不垂直于垂直轴之差)的检验。
徕卡NA2精密水准仪检验与校正记录表检验者:温度: 仪器型号:日期:记录者:气压: 地点:天气:1.一般性检验三脚架:键盘按钮及测量按钮:微动螺旋:调焦螺旋:目镜调焦螺旋:脚螺旋:水平度盘转动:望远镜成像:2.圆水准器的检验与校正检验(旋转望远镜180º)次数气泡偏离情况处理结果方法:1、整平仪器。
2、将仪器旋转180º。
3、原居中的气泡是否偏离圆心而不居中。
4、用内六角扳手改正气泡的一半。
5、重复1到4直到圆水准气泡在任何方向都居中。
注意:气泡校正时不能用图中作记号(打叉)的那个螺丝校正。
3.十字丝横丝的检验与校正检验次数超限情况处理结果方法:如果仪器的视线倾斜误差每30m超过30mm,则需要校正仪器。
1、用内六角扳手校正螺旋,直到达到仪器的正确值。
2、检验仪器视线的倾斜误差。
4.视线倾斜误差检验校正测站A尺测量读数B尺测量读数视线倾斜误差值A尺高程测站距离B尺高程测站距离1 原视线倾斜误差=新视线倾斜误差=十字丝改正值= 2中心测量法:仪器首先安置在相距约30m的两标尺中间测量,然后靠近B尺(内外均可)测量,如图:1 测站1 ,2 测站2A 标尺A ,B 标尺B距离应满足下列条件:1、测站1必须位于两标尺中心,偏差在±1m之内。
2、测站2,b≤2.5m。
测量步骤:(程序用文字提示测量那一站)1、激活测量功能,可以进行重复测量。
2、〈CONT〉转到下一次照准。
测量显示示例:标题显示测量步骤,×代表测站测站1 位置号A1,Dist 显示A1的测量结果B1,Dist 显示B1的测量结果继续下一整治,继续按系统方式测量B2和A2。
最后结果显示:Coll.err.old: 原视线倾斜误差Coll.err.new: 新的视线倾斜误差Difference: 两次视线倾斜误差的差值。
Reticle(十字丝):在A标尺的最后值。
保存在仪器中作为改正数的新的倾斜误差。
设置原有的倾斜误差继续保留。
全站仪检验与校正记录表
项目名称:
检验仪器: 出厂编号: 检查日期: 年 月 日水平角观测:(检验项目2C值<12")
说明:
1.本表格请不要删除表格或修改表格样式,否则会出现错误。
2.每按一次F9键或在表格里面点一次后都会随机变化一次,平均方向值这一列如果显示红色的填充,则表示半测回或各测回差值有可能偏大,需注意!!!
3.全站仪检验表格密码:123456,此说明表格不允许修改。
4.如发现此表有什么错误,请私信我,私信地址在说明批注里面。
5.本表用office2010版编写。
此表格仅供学习用,请同行多指教!!!
肖肖
2018.11.25。
全站仪检验与校正记录表(自动生成数据)
全站仪检验与校正记录表
项目名称:
检验仪器:出厂编号:检查日期:年月日水平角观测:(检验项目2C值<12")
说明:
1.本表格请不要删除表格或修改表格样式,否则会出现错误。
2.每按一次F9键或在表格里面点一次后都会随机变化一次,平均
方向值这一列如果显示红色的填充,则表示半测回或各测回差值有可能偏大,需注意
3.全站仪检验表格密码:123456,此说明表格不允许修改。
4.如发现此表有什么错误,请私信我,私信地址在说明批注里面。
5.本表用office2010版编写。
此表格仅供学习用,请同行多指教
肖肖
2018.11.25。
全站仪自检表
观测:
计算:
复核:
峨米项目部二分部测量队二零一六年十月十五日
仪器自检表
日期:年月日天气:型号:徕卡TS-06 水平角观测:
垂直角观测:
水平角2C值及竖直角指标差均符合限差要求,故可以使用。
观测:记录:计算:复核:
仪器自检表
日期:年月日天气:型号:徕卡TS-06 水平角观测:
垂直角观测:
水平角2C值及竖直角指标差均符合限差要求,故可以使用。
观测:记录:计算:复核:
仪器自检表
日期:年月日天气:型号:徕卡TS-06 水平角观测:
垂直角观测:
水平角2C值及竖直角指标差均符合限差要求,故可以使用。
观测:记录:计算:复核:
THANKS !!!
致力为企业和个人提供合同协议,策划案计划书,学习课件等等
打造全网一站式需求
欢迎您的下载,资料仅供参考。
全站仪常规自检方法及内容
1、仪器圆水准器平行于仪器旋转轴的检验
架设全站仪,仪器调平使圆水准器气泡居中;然后将仪器旋转180°,圆水准器气泡仍然居中。
检验结论:仪器此项检验正常。
2、仪器十字丝竖丝垂直于横轴的检验
调平仪器,用十字丝竖丝照准一点A,固定照准部;使目镜上下微动, A 点始终沿竖丝移动。
检验结论:仪器此项检验正常。
3、仪器视准轴垂直于横轴的检验
调平仪器,选择一与仪器同高的目标点A,盘左读数A1为0°00′00″,盘右读数B1为180°00′01″;B1=A1+180°.检验结论:仪器此项检验正常。
4、仪器横轴垂直于竖轴的检验
在离墙25m处架设仪器调平,盘左照准墙上高处一点A,放平目镜在墙上标出十字丝交点位置为B1;盘右再照准墙上A点,将目镜放平在墙上标出十字丝交点位置为B2,结果B1与B2重合。
检验结论:仪器此项检验正常.
水准仪常规自检方法及内容
1、仪器圆水准器平行于仪器竖轴的检验
架设水准仪,仪器调平使圆水准器气泡居中;然后将仪器旋转180°,圆水准器气泡仍然居中。
检验结论:仪器此项检验正常。
2、仪器十字丝横丝垂直于竖轴的检验
调平仪器,用十字丝横丝照准一点A,固定照准部;使目镜左右微动,
A点始终沿横丝移动。
检验结论:仪器此项检验正常.。