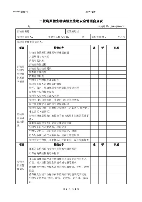
紫阳县中医医院
检验科安全自查记录表
检查日期: 年 月 日
序号
检查项目
检查内容
存在问题
1
实验室生活安全情况
检查是否有吸烟洗手是否规范
2
个人防护情况
检查是否穿工作服,口罩、帽子、胸牌等,实验操作是否戴手套、口罩;
3
洗眼器、冲淋装置及其他急救设施及耗材
检查洗眼器、冲淋装置及其他急救设施及耗材完备情况
4
警示标识明显
实验室水、电、气状况
水、线路、地线、开关、插座、照明、电器、空调,UPS
12
防盗设施状况
门、窗、其它
13
消防器材状况
灭火器、消防栓、用水设施
14
高压、高温设备使用情况
高压、高温设备使用情况
15
大型仪器设备安全使用情况
设备安全使用情况
16
整改措施
17
上月问题整改情况
检查人员签字:警示标识是Fra bibliotek明显5
安全通道畅通
安全通道是否畅通
6
消毒用品的有效性
消毒用品的有效性
7
操作台、仪器表面、地面、空气
操作台面、仪器表面、地面、空气是否清洁消毒
8
各组医疗废物、废水处置
各组医疗废物是否分类、消毒处理,废弃物、废水处置是否符合国家有关规定
10
化学危险品储存、使用情况
化学危险品储存、使用情况
11