药品GMP检查指南(通则)-药品GMP指南2010版
- 格式:docx
- 大小:86.20 KB
- 文档页数:89
2010版gmp实施指南(无菌)无菌制剂 GMP实施指南 14.6过滤除菌14.6过滤除菌本节旨在提供系统的方法对除菌过滤工艺进行选择和验证。
除菌过滤过程中的关键设备为除菌(级)过滤器,对其进行的具体确认和验证项目的相关原理和要求等,将在以下14.6.1~14.6.3中详细阐述。
按照不同药品分类,需要、推荐、可选和评估后确定是否进行的确认和验证项目,总结为下表。
项目应用于非最终灭菌产应用于可最终灭菌产品品的除菌过滤的过滤每种型号除菌每种型号除菌级过推荐推荐级过滤器选型滤器的标准细菌截的确认留试验数据与完整(由过滤器生性检测数值的关联产商完成) 每种型号除菌级过推荐推荐滤器的溶出物分析构成过滤器的各种推荐推荐材料的生物安全性每批除菌级过每批除菌级过滤器推荐推荐滤器的确认抽样进行细菌截留(由过滤器生标准试验,并确认与产商完成) 完整性检测数值关联的持续有效出厂前每支完整性推荐推荐检测抽样进行滤出液质量确认,例如:pH、内毒素、总TOC和洁净度抽样进行湿热灭菌推荐推荐耐受测试工艺验证细菌截留需要可选溶出物需要需要化学兼容性需要可选产品润湿的完整性可选可选吸附评估评估很多生产最终灭菌产品的企业,在最终灭菌前,为控制微生物污染水平,使用过滤器对最终灭菌前的产品进行过滤。
此时,不论该企业采用了何种过滤器,包括精度(标称)为0.45μm的过滤器、0.2μm的微生物污染控制过滤器,甚至0.2μm 除菌级过滤器,因为这些过滤器的使用目的都是在最终灭菌之前对微生物污染水平进行控制,而不是作为产品生产过程中最后一步的灭菌手段,对这些过滤器的工艺验证要求,低于非最终灭菌产品除菌过滤过程中所使用的除菌级过滤器。
错误~文档中没有指定样式的文字。
无菌制剂GMP实施指南14.6.1除菌级过滤器的验证/细菌截留【法规要求】《药品生产质量管理规范》2010修订版:附录1 无菌药品第九十条对可最终灭菌的产品不得以除菌过滤工艺替代最终灭菌工艺。
药品GMP检查指南(通则)-药品GMP指南2010版前言2010年,国家药品监督管理局发布了《药品生产质量管理规范》(GMP),并将其列为强制性执行的标准。
该规范的目的是确保药品的质量、安全和有效性。
GMP规范覆盖了药品生产的全部过程,包括原料采购、生产、检验、包装、存储和运输等方面。
为确保GMP规范的有效实施,国家药监局还对药品生产企业进行了GMP认证和检查。
本文主要介绍GMP检查的通则,希望能帮助读者更好地了解GMP规范和GMP检查。
GMP检查的目的和原则目的GMP检查的目的是确保药品生产企业的生产质量和管理符合国家药品监管要求。
GMP检查需要检查企业是否满足以下要求:1.、安全和有效性符合法律、法规和标准的要求;2.,确保生产质量的稳定性和一致性; 3.。
原则GMP检查的实施原则如下:1.、公平、客观原则;2.,法规,标准为依据;3.;4.。
GMP检查的程序GMP检查的程序包括以下步骤:1.;2.;3.;4.;5.;6.;7.;8.。
GMP检查的内容GMP检查的内容主要包括以下几个方面:1. 生产设施检查生产设施检查主要包括对企业的GMP生产车间、生产设备、清洁区、物料储存区等生产现场基础设施的检查,重点检查企业是否符合GMP生产要求,如是否有足够的空间、设备是否完好、清洁是否到位等。
2. 原辅材料检查原辅材料检查主要检查企业的原辅材料是否符合GMP规范的要求,如是否有合格的供应商、是否设置了检验和控制程序等。
3. 生产过程检查生产过程检查主要检查企业生产车间的生产流程是否符合GMP规范的要求,如是否制定了生产流程标准化和记录规范等。
4. 检验检测检查检验检测检查主要检查企业的检验检测方法和设备是否符合GMP规范的要求,如检验人员是否具备相应的专业技能,检测仪器是否经过校准等。
5. 管理制度检查管理制度检查主要检查企业的管理制度是否符合GMP规范的要求,如是否制定了质量保证体系、适当的标准操作规程等。
水系统1、概述水在制药工业中是应用最广泛的工艺原料,用做药品的成份、溶剂、稀释剂等。
制药用水作为制药原料,各国药典定义了不同质量标准和使用用途的工艺用水,并要求定期检测。
水极易滋生微生物并助其生长,微生物指标是其最重要的质量指标,在水系统设计,安装,验证,运行和维护中需采取各种措施抑制其生长。
水是良好的溶剂、尤其是与自然界失去平衡的纯化水和注射用水,具有极强的溶解能力和极少的杂质,广泛用于制药设备和系统的清洗。
鉴于水在制药工业中的既作为原料又作为清洗剂,各国药典对制药用水的质量标准,用途都有明确的定义和要求;各个国家和组织的GMP将制药用水的生产和储存分配系统视为制药生产的关键系统,对其设计,安装,验证,运行和维护等提出明确要求。
在指南第二章将具体介绍我国和其他国家药典和GMP对制药用水的要求。
我国幅员辽阔,各地水质不同,季节的变化也会导致水质的巨大变化,我国制药企业使用的最初原料水未必常年符合饮用水的标准要求,需将其依次处理成饮用水,纯化水,注射用水等制药用水,适合不同的工艺需求。
在指南第三章中将介绍制药用水处理的各种技术,工艺和设备。
制药生产中其它原料、辅料、包装材料是按批检验和释放的,而作为原料的制药用水(饮用水,纯化水或注射用水)通常是通过管道连续流出的,随时取用的,其微生物属性等质量指标通常无法连续地实时检测到。
通常是先使用到产品中,若干天后才能知道其微生物指标是否合格,为保证制药用水系统生产出的水在任何时候是好的,即水系统生产质量的稳定性和一致性是各国药品监管部门和制药企业共同关注的重大问题。
各国GMP对水系统的设计和验证有严格要求,第四章将介绍水系统的设计和验证。
在水系统的设计、验证和运行过程中,制药企业、药监部门都遇到各种各样的疑问、问题和争议,我们参照国际组织尤其是ISPE(国际制药工程协会)的指南和工程实践,在第五章对常见问题进行了讨论。
第六章介绍一些关于水的化学和微生物知识以及水系统的钝化技术。
水系统1、概述水在制药工业中是应用最广泛的工艺原料,用做药品的成份、溶剂、稀释剂等。
制药用水作为制药原料,各国药典定义了不同质量标准和使用用途的工艺用水,并要求定期检测。
水极易滋生微生物并助其生长,微生物指标是其最重要的质量指标,在水系统设计,安装,验证,运行和维护中需采取各种措施抑制其生长。
水是良好的溶剂、尤其是与自然界失去平衡的纯化水和注射用水,具有极强的溶解能力和极少的杂质,广泛用于制药设备和系统的清洗。
鉴于水在制药工业中的既作为原料又作为清洗剂,各国药典对制药用水的质量标准,用途都有明确的定义和要求;各个国家和组织的GMP将制药用水的生产和储存分配系统视为制药生产的关键系统,对其设计,安装,验证,运行和维护等提出明确要求。
在指南第二章将具体介绍我国和其他国家药典和GMP对制药用水的要求。
我国幅员辽阔,各地水质不同,季节的变化也会导致水质的巨大变化,我国制药企业使用的最初原料水未必常年符合饮用水的标准要求,需将其依次处理成饮用水,纯化水,注射用水等制药用水,适合不同的工艺需求。
在指南第三章中将介绍制药用水处理的各种技术,工艺和设备。
制药生产中其它原料、辅料、包装材料是按批检验和释放的,而作为原料的制药用水(饮用水,纯化水或注射用水)通常是通过管道连续流出的,随时取用的,其微生物属性等质量指标通常无法连续地实时检测到。
通常是先使用到产品中,若干天后才能知道其微生物指标是否合格,为保证制药用水系统生产出的水在任何时候是好的,即水系统生产质量的稳定性和一致性是各国药品监管部门和制药企业共同关注的重大问题。
各国GMP对水系统的设计和验证有严格要求,第四章将介绍水系统的设计和验证。
在水系统的设计、验证和运行过程中,制药企业、药监部门都遇到各种各样的疑问、问题和争议,我们参照国际组织尤其是ISPE(国际制药工程协会)的指南和工程实践,在第五章对常见问题进行了讨论。
第六章介绍一些关于水的化学和微生物知识以及水系统的钝化技术。
药品GMP 认证检查指南通则国家食品药品监督管理局药品安全监管司国家食品药品监督管理局药品认证管理中心一、机构与人员【检查核心】药品生产和质量管理的组织机构对保证药品生产全过程受控至关重要;适当的组织机构及人员配备是保证药品质量的关键因素;人员的职责必须以文件形式明确规定;培训是实施药品GMP的重要环节。
【检查条款及方法】*0301 企业是否建立药品生产和质量管理机构,明确各级机构和人员的职责。
1.看企业组织机构图,查生产质量管理组织机构及功能设置(图示),是否涵盖生产、质量、物料仓储、设备、销售及人员管理等内容,并有负责培训的职能部门/人员。
2.查企业分管生产及质量的负责人、生产及质量管理中层干部基本情况,内容包括:姓名、职务、职称、学历、毕业院校、所学专业、从药年限、所在岗位等。
3.生产管理部门和质量管理部门的负责人通常有一些共同的质量责任,如:3.1 制订书面规程和其他文件;3.2 对生产环境的监控;3.3 工厂卫生;3.4 工艺验证和分析仪器的校验;3.5 人员培训,包括质量保证系统及其实施;3.6 供应商的审计;3.7 被委托(加工或包装)方的批准和监督;3.8 物料和产品贮存条件的确定和监控;3.9 记录的归档;3.10 对GMP 实施情况加以监控等;3.11 因监控某些影响质量的因素而进行取样、试验或调查。
4. 质量管理部门的主要职责不得委派给他人,例如,仓库负责人不得决定某批产品能否放行出厂,分管厂长不得跳过质量管理部门对怀疑有质量问题的产品做出合格与否的决定。
质量管理部门的职责应以文件形式规定,通常包括以下各项:4.1 建立原材料、中间体、包装材料、标签和成品的放行或拒收系统;4.2 批准工艺规程、取样方法、质量标准、检验方法和其他质量控制规程;4.3 审查、批准原料、包装材料、中间产品、待包装产品和成品;4.4 确保物料、中间体、成品都经过适当的检测并有测试报告;4.5 审核评价批记录,在决定放行前,审核已完成关键步骤的批生产记录和实验室控制记录,确保各种重要偏差已进行调查并已有纠正措施;4.6 确保对质量相关的投诉进行调查并予以适当处理;4.7 批准和监督由被委托方承担的委托检验;4.8 检查本部门、厂房和设备的维护情况;4.9 确保所需的验证(包括检验方法的验证)以及控制设备的校准都已进行;4.10 确保有稳定性数据支持中间体或成品的复验期/有效期及储存条件;4.11 对产品质量情况定期进行回顾及审核;4.12 确保本部门人员都已经过必要的GMP 及岗位操作的基础培训和继续培训,并根据实际需要适当调整培训计划。
2010年版药品GMP指南中国医药科技出版社2011年7月31号
原价:1200元
优惠价:980元
详细分册
口服固体制剂:药品GMP指南定价:139元
无菌药品:药品GMP指南定价:256元
原料药: 药品GMP指南定价:198元
质量管理体系:药品GMP指南定价:132元
质量控制实验室与物料系统:药品GMP指南定价:256元厂房设施与设备:药品GMP指南定价:219元
《药品生产质量管理规范(2010年修订)》(以下简称新修订药品GMP)已经卫生部第79号令发布,并于2011年3月1日起施行。
为使药品生产企业及工程设计、设备制造、药品监管等部门的生产、技术、检查和管理人员正确理解、全面把握并有效执行新修订药品GMP,国家食品药品监督管理局药品认证管理中心组织编写了《药品GMP指南》。
《药品GMP指南》紧扣新修订的药品GMP,充分借鉴欧美等发达国家经验,紧密结合我国实际情况,各分册各有侧重,具有系统性和指导性,是目前国内有关新修订药品GMP实施的最实用工具书。
《药品GMP指南》包括《质量管理体系》、《质量控制实验室和物料系统》、《厂房、设施、设备》、《口服固体制剂》、《无菌药品》、《原料药》
六个分册,涵盖了新修订药品GMP的背景介绍、法规要求、技术要求、实施指导、实例分析及要点备忘等。
《药品GMP指南》由中国医药科技出版社独家出版发行,并向全国公开征订。
药品生产质量管理规范(2010年修订)检查指南(第一部分)河北省食品药品监督管理局编写第一章总则【检查核心】本章是GMP规范的纲领与核心,阐述了其法律依据、实施目的、适用范围和管理目标,旨在最大限度的降低药品生产过程中污染、交叉污染以及混淆和差错等风险,确保持续稳定地生产出符合预定用途和注册要求的药品。
特别提出“诚实守信”原则是实施GMP的基础。
只有深刻理解了本章的内涵,才能有效地执行GMP规范。
其后的十二章皆由本章派生而来。
【检查条款及要点】第一条为规范药品生产质量管理,根据《中华人民共和国药品管理法》、《中华人民共和国药品管理法实施条例》,制定本规范。
——条款解读本条明确了制定本规范的法律依据为《中华人民共和国药品管理法》和《中华人民共和国药品管理法实施条例》,体现了本规范的法律地位。
同时,说明了制定本规范的目的。
《中华人民共和国药品管理法》第九条规定:“药品生产企业必须按照国务院药品监督管理部门依据本法制定的《药品生产质量管理规范》组织生产.药品监督管理部门按照规定对药品生产企业是否符合《药品生产质量管理规范》的要求进行认证;对认证合格的,发给认证证书。
" 第二条企业应当建立药品质量管理体系。
该体系应当涵盖影响药品质量的所有因素,包括确保药品质量符合预定用途的有组织、有计划的全部活动。
——条款解读本条款强调企业要建立覆盖整个药品生命周期的质量管理体系,在此基础上实施GMP.药品生命周期是指药品从研发、技术转移、商业生产、销售、使用直至退市所经历的所有阶段。
只有每个阶段的质量都得到可靠的保证,整个药品的质量才有保证。
-—检查要点1.检查企业是否建立了药品质量管理体系,质量管理体系是否涵盖药品从研发、技术转移、生产、销售、使用和退市的整个生命周期,该体系是否涵盖了影响药品质量的所有因素,体系能否有效运行;2。
检查企业是否制定能够保证质量管理体系正常运行的纲领性文件,如质量手册。
质量手册是企业质量管理体系的纲领性文件,是企业的“宪法”,是一切质量管理活动的准则,是编制下层质量管理文件的依据,是公司对用户的质量承诺,同时也为内部、外部质量审核提供依据。
药品GMP质量控制指南(通则)-药品GMP指南2010版介绍本文档是关于药品GMP质量控制指南(通则)的指南,基于药品GMP指南2010版。
该指南旨在提供药品制造企业对于GMP质量控制的规定和要求。
范围本指南适用于所有药品制造企业,包括制造、处理和包装药品的所有阶段。
它涵盖了以下方面的要求:1. 组织和管理体系2. 建筑和设施3. 设备和仪器4. 物料管理5. 生产过程控制6. 样品管理7. 质量控制和分析实验室8. 文件管理9. 审计和复核10. 应急预防和规划重要要求以下是本指南中的一些重要要求的简要概述:1. 制造企业应建立和维护一个有效的质量管理体系,以确保符合GMP要求。
2. 建筑和设施应具备适当的环境和工艺控制,并符合卫生标准。
3. 设备和仪器应定期进行校准和维护,并记录相关的记录。
4. 物料管理应包括物料的采购、接收、储存和分发,并确保其符合规定的要求。
5. 生产过程控制应涵盖所有生产阶段,包括原料的混合、制剂的制备、包装和贮存。
6. 样品管理应确保准确采样和记录,并按照规定的程序进行测试和分析。
7. 质量控制和分析实验室应具备适当的设备和资格,以进行分析和测试,并确保准确记录结果。
8. 文件管理应包括制定、更新和控制所有相关的GMP文件和记录。
9. 审计和复核应定期进行,以确保GMP要求的遵守和改进。
10. 应急预防和规划应包括灾难、事故或其他紧急情况的预防和处理计划。
总结本文档提供了药品GMP质量控制指南(通则)的概要,旨在帮助药品制造企业满足GMP要求。
制造企业应按照该指南的要求建立和实施适当的质量管理体系,并确保符合所有相关的要求和标准。
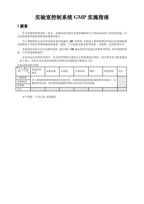
实验室控制系统GMP实施指南1前言作为质量管理体系的一部分,质量控制实验室管理是确保所生产的药品适用于预定的用途,符合药品标准和规定的要求的重要因素之一。
为了帮助制药企业中的实验室更好地满足GMP的要求,本指南主要参照国内外相关法规和标准及指南对于实验室管理的阐述和要求,描述一个全面的实验室管理体系,以起到一定的指导作用。
本指南的内容不具有法律约束性,超出现行GMP规定的内容是建议性和参考性的,而非强制性要求,可以有选择地使用.企业在运用本指南过程中,涉及到剂型特点或相关公用系统的内容时,还应参考其它配套指南(见下表),并结合本企业的实际情况和现行法规要求开展相关工作。
水平有限,不足之处,恳请指正.建立、实施并维护一个有效的实验室管理体系能够有效支持企业整体质量管理体系的有效实施,持续稳定地生产出符合满足顾客、法律法规等方面所提出的质量要求如有效性、可靠性、安全性的产品,从而实现公众和个人的共同目标,即:为患者提供高质量的药品,具体表现在以下方面:及时放行合格的生产物料用于药品的制造,为生产出合格的药品提供必备的前提条件。
有效的药品生产过程中间控制保证了各个阶段生产产物的正确性和质量符合性,准确的终产品的检验数据为产品最终放行提供了重要的质量依据。
有效的稳定性数据和趋势分析指导企业确定药品正确的有效期、包装材料、运输/贮存条件等,并确保在市产品处于有效的质量保证状态。
通过实验室各个方面的有效管理,使质量系统始终处于受控状态,例,通过试验数据证明对工艺运行和产品质量的有效监控,为工艺能力及其稳定性提供保障.本指南所描述的实验室管理是为了帮助企业的实验室更好地符合GMP的要求,推动整个企业有效地实施质量管理体系,达到长远发展的目的。
企业可以根据自身的规模、工艺复杂程度和有限的资源等特定的条件,在符合法规的要求下,量身制定相应的实验室管理体系。
质量是指为符合预定用途所具有的一系列固有特性的程度。
依此,药品质量是指,为了满足药品的安全性和有效性的要求,产品所具有的成分、含量、纯度等物理、化学或生物学等特性的程度.产品质量是在科学合理的设计的基础上,通过对所需的物料和生产过程进行控制管理实现的。
2010-GMP完整版在医药行业中,“GMP”(Good Manufacturing Practice,良好生产规范)是一个至关重要的概念和标准。
2010 年版的 GMP 更是为保障药品质量和公众用药安全发挥了关键作用。
2010-GMP 完整版涵盖了众多方面,从厂房设施、设备管理到人员资质、生产过程控制,再到质量控制和质量保证等,形成了一个严密而全面的体系。
首先,在厂房设施方面,2010-GMP 提出了严格的要求。
厂房的选址、设计和布局要合理,能够最大限度地减少交叉污染和差错的风险。
例如,不同洁净级别的区域要有明确的划分,并且要保证空气净化系统的有效运行,以维持所需的洁净环境。
生产区、仓储区、质量控制区等都要有足够的空间,便于操作和物料的存放。
设备管理也是 2010-GMP 关注的重点之一。
设备的选型、安装和维护都必须符合规定。
生产设备要满足工艺要求,并且易于清洁、消毒和灭菌。
定期的设备校验和维护保养是确保设备正常运行和产品质量稳定的关键。
同时,对于关键设备,要有相应的备用设备,以防止因设备故障而影响生产。
人员资质在 2010-GMP 中占有重要地位。
企业要配备足够数量的具有相应专业知识和技能的人员。
从生产操作人员到质量管理人员,都要经过严格的培训和考核,并且要持续接受继续教育,以跟上行业的发展和法规的变化。
人员的健康状况也要符合要求,避免因人员健康问题给产品带来污染。
生产过程控制是 2010-GMP 的核心内容之一。
从原辅料的采购、验收、储存,到生产工艺的制定、执行和变更控制,再到中间产品和成品的检验、放行,每一个环节都要有详细的记录和严格的控制。
生产过程中的偏差要及时调查和处理,采取有效的纠正和预防措施,以确保产品质量不受影响。
质量控制和质量保证是 2010-GMP 的重要组成部分。
质量控制实验室要具备相应的检测能力和条件,能够对原辅料、中间产品和成品进行准确的检测。
质量保证部门要对整个生产过程进行监督和审核,确保各项活动符合 GMP 要求。
药品生产质量管理规范(2010年修订)检查指南Good Manufacturing Practice for Drugs (2010 Revision) Guidance for Inspection北京市药品监督管理局编著本资料版权归原编著者所有,仅供个人学习使用,严禁用于商业目的,如需要请购买正版图书。
目录第一章总则 (6)第二章质量管理 (8)第一节原则 (8)第二节质量保证 (8)第三节质量控制 (10)第四节质量风险管理 (11)第三章机构与人员 (12)第一节原则 (12)第二节关键人员 (14)第三节培训 (17)第四节人员卫生 (19)第四章厂房与设施 (23)第一节原则 (23)第二节生产区 (26)第三节仓储区 (36)第四节质量控制区 (38)第五节辅助区 (40)第五章设备 (42)第一节原则 (42)第二节设计和安装 (43)第三节维护和维修 (45)第四节使用和清洁 (46)第五节校准 (48)第六节制药用水 (49)第六章物料与产品 (52)第一节原则 (52)第二节原辅料 (60)第三节中间产品和待包装产品 (62)第四节包装材料 (63)第五节成品 (64)第六节特殊管理的物料和产品 (65)第七节其他 (65)第七章确认与验证 (69)第八章文件管理 (77)第一节原则 (77)第二节质量标准 (81)第三节工艺规程 (83)第四节批生产记录 (85)第五节批包装记录 (86)第六节操作规程和记录 (88)第九章生产管理 (89)第一节原则 (89)第二节防止生产过程中的污染和交叉污染 (100)第三节生产操作 (103)第四节包装操作 (111)第十章质量控制与质量保证 (117)第一节质量控制实验室管理 (117)第二节物料和产品放行 (125)第三节持续稳定性考察 (127)第四节变更控制 (129)第五节偏差处理 (133)第六节纠正措施和预防措施 (135)第七节供应商的评估和批准 (136)第八节产品质量回顾分析 (139)第九节投诉与不良反应报告 (140)第十一章委托生产与委托检验 (142)第一节原则 (142)第二节委托方 (143)第三节受托方 (144)第四节合同 (145)第十二章产品发运与召回 (147)第一节原则 (147)第二节发运 (147)第三节召回 (148)第十三章自检 (150)第一节原则 (150)第二节自检 (150)第十四章附则 (151)术语汇编 (152)编写说明《药品生产质量管理规范(2010年修订)》(卫生部令第79号,以下简称“2010版GMP”)已于2011年3月开始施行。
新版药品GMP指南(2010版)中华人民共和国卫生部令第79 号《药品生产质量管理规范(XXXX年修订)》已于XXXX年10 月19 日经卫生部部务会议审议通过,现予以发布,自XXXX年3 月1 日起施行。
部长陈竺二○一一年一月十七日第一条为规范药品生产质量管理,根据《中华人民共和国药品管理法》、《中华人民共和国药品管理法实施条例》,制定本规范。
第一章总则第二条企业应当建立药品质量管理体系。
该体系应当涵盖影响药品质量的所有因素,包括确保药品质量符合预定用途的有组织、有计划的全部活动。
第三条本规范作为质量管理体系的一部分,是药品生产管理和质量控制的基本要求,旨在最大限度地降低药品生产过程中污染、交叉污染以及混淆、差错等风险,确保持续稳定地生产出符合预定用途和注册要求的药品。
第四条企业应当严格执行本规范,坚持诚实守信,禁止任何虚假、欺骗行为。
第二章质量管理第一节原则第五条企业应当建立符合药品质量管理要求的质量目标,将药品注册的有关安全、有效和质量可控的所有要求,系统地贯彻到药品生产、控制及产品放行、贮存、发运的全过程中,确保所生产的药品符合预定用途和注册要求。
第六条企业高层管理人员应当确保实现既定的质量目标,不同层次的人员以及供应商、经销商应当共同参与并承担各自的责任。
第七条企业应当配备足够的、符合要求的人员、厂房、设施和设备,为实现质量目标提供必要的条件。
第二节质量保证第八条质量保证是质量管理体系的一部分。
企业必须建立质量保证系统,同时建立完整的文件体系,以保证系统有效运行。
第九条质量保证系统应当确保:(一)药品的设计与研发体现本规范的要求;(二)生产管理和质量控制活动符合本规范的要求;(三)管理职责明确;(四)采购和使用的原辅料和包装材料正确无误;(五)中间产品得到有效控制;(六)确认、验证的实施;(七)严格按照规程进行生产、检查、检验和复核;(八)每批产品经质量受权人批准后方可放行;(九)在贮存、发运和随后的各种操作过程中有保证药品质量的适当措施;(十)按照自检操作规程,定期检查评估质量保证系统的有效性和适用性。
2010版药品GMP《实验室控制系统GMP实施指南》真正word实验室控制系统 GMP 实施指南1 前言作为质量管理体系的一部分,质量控制实验室管理是确保所生产的药品适用于预定的用途,符合药品标准和规定的要求的重要因素之一。
为了帮助制药企业中的实验室更好地满足 GMP 的要求,本指南主要参照国内外相关法规和标准及指南对于实验室管理的阐述和要求,描述一个全面的实验室管理体系,以起到一定的指导作用。
本指南的内容不具有法律约束性,超出现行 GMP 规定的内容是建议性和参考性的,而非强制性要求,可以有选择地使用。
企业在运用本指南过程中,涉及到剂型特点或相关公用系统的内容时,还应参考其它配套,并结合本企业的实际情况和现行法规要求开展相关工作。
指南(见下表)表 1-1 指南逻辑关系图系统质量管理制设施设备水系统空调系统物料质量控制其它体系口服固体对于系统指南和制剂指南共有的内容,系统指南强调系统的通用程序的建立、无菌制剂实施和管理过程;制剂指南则根据剂型特点给出针对性的描述。
原料药其它水平有限,不足之处,恳请指正。
2 目的建立、实施并维护一个有效的实验室管理体系能够有效支持企业整体质量管理体系的有效实施,持续稳定地生产出符合满足顾客、法律法规等方面所提出的质量要求如有效性、可靠性、安全性的产品,从而实现公众和个人的共同目标,即:为患者提供高质量的药品,具体表现在以下方面: 及时放行合格的生产物料用于药品的制造,为生产出合格的药品提供必备的前提条件。
有效的药品生产过程中间控制保证了各个阶段生产产物的正确性和质量符合性,准确的终产品的检验数据为产品最终放行提供了重要的质量依据。
有效的稳定性数据和趋势分析指导企业确定药品正确的有效期、包装材料、运输/贮存条件等,并确保在市产品处于有效的质量保证状态。
通过实验室各个方面的有效管理,使质量系统始终处于受控状态,例,通过试验数据证明对工艺运行和产品质量的有效监控,为工艺能力及其稳定性提供保障。
2010版gmp实施指南2010版GMP实施指南引言:2010版GMP实施指南(Good Manufacturing Practice,GMP)是一个旨在确保药品生产和质量控制的国际标准。
本指南旨在规范药品生产过程中的各个环节,包括工艺设备、人员培训、质量控制等方面,以确保药品的质量、安全和有效性。
本文将介绍2010版GMP实施指南的主要内容和要求。
一、质量管理体系2010版GMP实施指南强调建立完善的质量管理体系,包括质量方针、质量目标、质量手册和质量计划等。
药品生产企业应制定并实施符合标准要求的质量管理体系,并进行持续改进,以确保药品的质量和合规性。
二、人员培训与管理为确保生产过程的质量和安全,2010版GMP实施指南要求药品生产企业对员工进行充分的培训和管理。
员工应具备相关的技能和知识,了解GMP的要求,并且应定期接受培训以更新知识。
同时,药品生产企业应建立适当的员工考核和激励机制,以提高员工的责任感和工作积极性。
三、设备和设施2010版GMP实施指南对药品生产过程中的设备和设施提出了明确的要求。
药品生产企业应确保设备的合适性、可靠性和有效性,并进行定期的维护和保养。
同时,生产场所应具备良好的卫生条件,以防止交叉污染和其他不良影响。
四、原辅材料管理2010版GMP实施指南要求药品生产企业建立有效的原辅材料管理制度,包括采购、接收、储存和使用等方面。
原辅材料应符合质量标准,并进行适当的检验和验证。
同时,药品生产企业应建立合理的供应商评估和管理制度,以确保原辅材料的质量和安全。
五、生产过程控制GMP实施指南对药品生产过程中的各个环节进行了详细的要求。
生产过程应进行严格的控制,包括工艺参数的监测、记录和分析等。
同时,药品生产企业应建立适当的变更控制程序,以确保生产过程的稳定性和可控性。
六、产品质量控制2010版GMP实施指南强调对药品产品质量的控制。
药品生产企业应建立适当的质量控制体系,包括原料药和制剂的质量控制。
2010版GMP实施指南无菌药品----无菌区着装和更衣确认《药品生产质量管理规范》2010 版:第三十四条任何进入生产区的人员均应按规定更衣。
工作服的选材、式样及穿戴方式应与所从事的工作和空气洁净度级别要求相适应。
药品生产质量管理规范2010 版附录1:无菌药品第二十三条应当按照操作规程更衣和洗手,尽可能减少对洁净区的污染或将污染物带入洁净区。
第二十四条工作服及其质量应与生产操作的要求及操作区的洁净度级别相适应,其式样和穿着方式应能满足保护产品和人员的要求。
各洁净区的着装要求规定如下:D 级洁净区:应将头发、胡须等相关部位遮盖。
应当穿合适的工作服和鞋子或鞋套。
应当采取适当措施,以避免带入洁净区外的污染物。
C 级洁净区:应将头发、胡须等相关部位遮盖,应当戴口罩。
应当穿手腕处可收紧的连体服或衣裤分开的工作服,并穿适当的鞋子或鞋套。
工作服应不脱落纤维或微粒。
A/B 级洁净区:应当用头罩将所有头发以及胡须等相关部位全部遮盖,头罩应塞进衣领内,应当戴口罩以防散发飞沫,必要时戴防护目镜。
应当戴经灭菌且无颗粒物(如滑石粉)散发的橡胶或塑料手套,穿经灭菌或消毒的脚套,裤腿应塞进脚套内,袖口应塞进手套内。
工作服应为灭菌的连体工作服,不脱落纤维或微粒,并能滞留身体散发的微粒。
第二十五条个人外衣不得带入通向B级或C 级洁净区的更衣室。
每位员工每次进入A/B 级洁净区,应当更换无菌工作服;或每班至少更换一次,但应当用监测结果证明这种方法的可行性。
操作期间应当经常消毒手套,并在必要时更换口罩和手套。
第二十六条洁净区所用工作服的清洗和处理方式应当能够保证其不携带有污染物,不会污染洁净区。
应当按照相关操作规程进行工作服的清洗、灭菌,洗衣间最好单独设置。
【背景介绍】洁净室内操作人员快步行走时发菌量远大于静止时的发菌量;咳嗽会增加发菌量,而打一次喷嚏会大大增加发菌量;穿衣也会使发菌量大大增加。
无菌操作前及无菌操作全过程中,操作人员的活动应注意避免衣着遭受不必要的污染。
药品GMP 认证检查指南通则国家食品药品监督管理局药品安全监管司国家食品药品监督管理局药品认证管理中心一、机构与人员【检查核心】药品生产和质量管理的组织机构对保证药品生产全过程受控至关重要;适当的组织机构及人员配备是保证药品质量的关键因素;人员的职责必须以文件形式明确规定;培训是实施药品GMP的重要环节。
【检查条款及方法】*0301 企业是否建立药品生产和质量管理机构,明确各级机构和人员的职责。
1.看企业组织机构图,查生产质量管理组织机构及功能设置(图示),是否涵盖生产、质量、物料仓储、设备、销售及人员管理等内容,并有负责培训的职能部门/人员。
2.查企业分管生产及质量的负责人、生产及质量管理中层干部基本情况,内容包括:姓名、职务、职称、学历、毕业院校、所学专业、从药年限、所在岗位等。
3.生产管理部门和质量管理部门的负责人通常有一些共同的质量责任,如:3.1 制订书面规程和其他文件;3.2 对生产环境的监控;3.3 工厂卫生;3.4 工艺验证和分析仪器的校验;3.5 人员培训,包括质量保证系统及其实施;3.6 供应商的审计;3.7 被委托(加工或包装)方的批准和监督;3.8 物料和产品贮存条件的确定和监控;3.9 记录的归档;3.10 对GMP 实施情况加以监控等;3.11 因监控某些影响质量的因素而进行取样、试验或调查。
4. 质量管理部门的主要职责不得委派给他人,例如,仓库负责人不得决定某批产品能否放行出厂,分管厂长不得跳过质量管理部门对怀疑有质量问题的产品做出合格与否的决定。
质量管理部门的职责应以文件形式规定,通常包括以下各项:4.1 建立原材料、中间体、包装材料、标签和成品的放行或拒收系统;4.2 批准工艺规程、取样方法、质量标准、检验方法和其他质量控制规程;4.3 审查、批准原料、包装材料、中间产品、待包装产品和成品;4.4 确保物料、中间体、成品都经过适当的检测并有测试报告;4.5 审核评价批记录,在决定放行前,审核已完成关键步骤的批生产记录和实验室控制记录,确保各种重要偏差已进行调查并已有纠正措施;4.6 确保对质量相关的投诉进行调查并予以适当处理;4.7 批准和监督由被委托方承担的委托检验;4.8 检查本部门、厂房和设备的维护情况;4.9 确保所需的验证(包括检验方法的验证)以及控制设备的校准都已进行;4.10 确保有稳定性数据支持中间体或成品的复验期/有效期及储存条件;4.11 对产品质量情况定期进行回顾及审核;4.12 确保本部门人员都已经过必要的GMP 及岗位操作的基础培训和继续培训,并根据实际需要适当调整培训计划。
5. 生产管理部门的职责应以文件规定,通常包括以下各项:5.1 按书面程序起草、审核、批准和分发各种生产规程;5.2 按照已批准的生产规程进行生产操作;5.3 审核所有的批生产记录,确保记录完整并已签名;5.4 确保所有生产偏差均都已报告、评价,关键的偏差已作调查并有结论和记录;5.5 确保生产设施已清洁并在必要时消毒;5.6 确保进行必要的校准并有校准记录;5.7 确保厂房和设备的维护保养并有相应记录;5.8 确保验证方案、验证报告的审核和批准;5.9 对产品、工艺或设备的变更作出评估;5.10 确保新的(或经改造的)生产设施和设备通过确认。
0302 是否配备与药品生产相适应的管理人员和技术人员,并具有相应的专业知识。
1. 企业管理人员一览表。
基本内容包括:姓名、职务、职称学历、毕业院校、所学专业、从药年限、所在岗位等。
2. 企业技术人员一览表,基本内容同上。
3. 企业质量管理人员一览表,基本内容同上。
4. 企业生产及质量管理相关中层干部的任命书(与GMP 不直接相关的财务、行政、销售可不查)。
5. 人员学历、职称、执业药师、各类外出培训证书等相关材料的复印件。
6. 以上人员均应为全职人员,不能兼职或挂名。
0401 主管生产和质量管理的企业负责人是否具有医药或相关专业大专以上学历,并具有药品生产和质量管理经验。
1. 主管药品生产和质量管理的企业负责人应具有条款规定的教育和实践经验。
所接受的教育通常包括下列学科:化学(分析化学或有机化学)或生物化学;化学工程;药学技术;药理学和毒理学;生理学或其他有关学科。
2. 条款中要求的相应资历,从0302 条要求的相关资料种确认。
3. 主管生产和质量管理的企业负责人,一般应具有三年以上药品生产和质量管理的实践经验。
0402 生物制品生产企业生产和质量管理负责人是否具有相应的专业知识(细菌学、病毒学、生物学、分子生物学、生物化学、免疫学、医学、药学等),并具有丰富的实践经验以确保在生产、质量管理中履行其职责。
参见《生物制品GMP 检查指南》。
0403 中药制剂生产企业主管药品生产和质量管理的负责人是否具有中药专业知识。
参见《中药制剂GMP 检查指南》。
0501 生产管理和质量管理的部门负责人是否具有医药或相关专业大专以上学历,并具有药品生产和质量管理的实践经验。
1.负责药品生产和质量管理的部门负责人应具有条款规定的教育和实践经验。
所接受的教育同0401 条。
2. 条款中要求的相应资历,从0302 条要求的相关资料中确认。
3. 生产管理和质量管理的部门负责人,一般应具有三年以上药品生产和质量管理的实践经验。
4. 通过查投诉处理、返工、退货、偏差处理等资料,看关键人员是否具有足够的药品生产和质量管理实践经验;是否能对生产过程中遇到的实际问题,做出科学的判断。
参见7505、7506 条。
*0502 生产管理和质量管理部门负责人是否互相兼任。
生产和重量管理部门的负责人不得互相兼任。
0601 从事药品生产操作的人员是否经相应的专业技术培训上岗。
0602 从事原料药生产的人员是否接受原料药生产特定操作有关知识的培训。
参见《原料药GMP 检查指南》0603 中药材、中药饮片验收人员是否经相关知识的培训,具有识别药材真伪、优劣的技能。
参见《中药制剂GMP 检查指南》0604 从事药品质量检验的人员是否经相应的专业技术培训上岗。
0701 从事药品生产的各级人员是否按本规范要求进行培训和考核。
1.企业培训管理规程:规定本企业负责培训工作的职能部门,制订年度培训计划,落实培训内容(包括药品管理的法律法规、GMP 教育、企业制订的相关文件、专业知识、技术、实际操作技能、职业道德等)、培训对象、教材、聘请教员、培训方式、考核、培训小结、建培训卡及对人员的再培训等。
2.年度培训计划、培训教材、培训内容、培训考核(考卷)。
3.培训小结。
4.人员培训卡(人员培训卡应是人员培训管理规程的附件,通常由各职能部门保存原件,以方便安排本部门人员的培训)。
5.上岗证的颁发(除电工、锅炉工等国家规定的特殊工种外,企业有权自己通过培训和考核,决定发放本企业员工的上岗证,应查是否有适当的培训及考核材料)。
6.检查中应结合对有关人员的考核、询问、对企业培训效果做出客观、实际的评价。
7.从事药品生产操作和药品质量检验人员的专业技术、实际操作培训等。
0702 从事生物制品制造的全体人员(包括清洁人员、维修人员)是否根据其生产的制品和所从事的生产操作进行专业(卫生学、微生物学等)和安全防护培训。
参见《生物制品GMP 检查指南》二、厂房与设施【检查核心】药品生产的厂房与设施是实施药品GMP 的先决条件,其布局、设计和建造应有利于避免交叉污染、避免差错,并便于清洁及日常维护。
【检查条款及方法】0801 企业药品生产环境是否整洁,厂区地面、路面及运输等是否对药品生产造成污染,生产、行政、生活和辅助区总体布局是否合理。
1.厂房周边环境。
2.生产、行政、生活和辅助区的布局是否合理。
3.相邻厂房的设置,如原料与制剂、中药前处理及脏器组织处理与制剂、有特殊要求的厂房等是否符合规定。
4.危险品库、实验动物房的位置。
5.污染源如:锅炉房的位置,煤堆、煤渣的放置、垃圾存放,明沟处理、闲置物资堆放等。
6.环境是否整洁。
检查地面、道路平整情况及减少露土、扬尘的措施。
7. GMP 并不包括生产人员安全、环境保护等国家其他法规规定的内容,GMP 认证检查要突出GMP检查的重点,一般人员安全、环境保护问题可由政府其他部门去检查。
0901 厂房是否按生产工艺流程及其所要求的空气洁净度级别合理布局。
1.厂房工艺布局:按生产剂型、品种、工艺、设备的要求,各生产工序衔接合理。
2.厂房空气净化洁净度级别、布局应符合药品GMP 中相应条款的规定。
0902 同一厂房内的生产操作之间和相邻厂房之间的生产操作是否相互妨碍。
1.厂区总体布局图。
2.厂房工艺布局图。
3.生产工艺流程图。
4.同一厂房内设备间距应便于生产操作和清洁操作,物料的存放和物料的传递应合理。
5.洁净室(区)与非洁净室(区)之间,是否设有相应的缓冲设施,人、物流走向是否合理。
6.相邻厂房所处上、下风口的位置及进、排风口的设置。
1001 厂房是否有防止昆虫和其他动物进入的设施。
1.生产控制区应有防止昆虫和其他动物进入的设施。
2.有相应的书面规程,规定灭鼠、杀虫等设施的使用方法和注意事项。
1101 洁净室(区)的内表面是否平整光滑、无裂缝、接口严密、无颗粒物脱落、耐受清洗和消毒。
1102 洁净室(区)的墙壁与地面的交界处是否成弧形或采取其他措施。
1.厂房施工、验收文件,每步验收均应有记录。
2.查厂房维护、保养文件,应有记录。
3.墙壁与地面的交界应为弧形,无菌操作区墙面间宜成弧形,便于清洁。
4.检查洁净室(区)的气密性,包括窗户、天棚及进入室内的管道、风口、灯具与墙壁或天棚的连接部位的密封情况。
1103 洁净室(区)内是否使用无脱落物、易清洗、易消毒的清洁工具,其存放地点是否易对产品造成污染。
不同洁净室(区)的清洁工具是否跨区使用。
1.不同洁净级别区应设相应的洁具间,清洁用具不得跨区使用。
2. 10,000 级无菌操作间不应设清洗间和带水池的洁具间,此区域的清洁用具在完成清洁后,应送出该区清洁、消毒或灭菌,然后存放在洁具间备用,以减少对无菌操作区的污染。
3. 10,000 级非无菌操作间(俗称万级辅助区)及其他低要求级别区,可根据实际需要设置地漏及水池,也可设清洗间,这些区域的地面可使用拖把、纱布及其他适当清洁用具清洁。
4.清洁用具应定期清洗或消毒,并有相关的管理文件,防止清洁用具给生产带来污染。
5.现场检查并检查相关管理文件。
1104中药生产的非洁净厂房地面、墙壁、天棚等内表面是否平整,易于清洁,不易脱落,无霉迹,是否有对加工品造成污染的可能。
参见《中药制剂GMP 检查指南》1105净选药材的厂房是否设拣选工作台,工作台表面是否平整、不易产生脱落物。
参见《中药制剂GMP 检查指南》1201 生产区的面积和空间是否与生产规模相适应。