压敏胶带、塑料打包带检验标准
- 格式:doc
- 大小:121.50 KB
- 文档页数:6
塑料打包带
1、材料
以聚丙烯树脂为原料,经挤出单向拉伸成型的塑料打包带。
2、规格
宽度:12mm;长度≥1200m;厚度:0.85mm
3、规格偏差
宽度偏差,mm ±0.3
厚度偏差,mm ±0.05
4、打包带的每米克重
宽度mm 厚度mm 每米克重,g/m
12 0.85 ≤8.5
5、感官
外观呈白色,色泽均匀、花纹整齐清晰、无污染,杂质,不允许有开裂、损伤、穿孔等缺陷。
6、物理机械性能
项目指标
断裂拉力,KN ≥ 1.20
断裂伸长率,% ≤25
偏斜度,mm ≤30
7、判定规则
本标准所有项目中,有一项不合格,即判该批产品不合格。
5和6项目中有一项不合格,不予接收;出现其它不合格项时,可依据情况而定。
8、贮存
须储存在干燥、通风良好的库房内,防止阳光直接照射,不得在露天存放,产品应分批隔距堆垛。
1。
塑料包装袋检验标准
塑料包装袋是我们日常生活中不可或缺的物品,它们广泛应用于食品、日用品、医药等行业。
然而,由于塑料包装袋直接接触食品等产品,因此其质量和安全性显得尤为重要。
为了确保塑料包装袋的质量符合相关标准,需要进行严格的检验。
本文将介绍塑料包装袋的检验标准,以供相关行业人员参考。
首先,塑料包装袋的外观质量是检验的重点之一。
外观质量包括包装袋的整体
外观、印刷质量、色彩是否均匀、有无色差、有无污渍、有无气泡、有无皱纹等。
这些外观质量的要求将直接影响到塑料包装袋的美观度和产品质量。
其次,塑料包装袋的尺寸精度也是需要检验的重点内容。
尺寸精度包括包装袋
的长度、宽度、厚度等方面。
这些尺寸的精度要求对于不同的包装袋有着不同的标准,需要根据具体的产品要求进行检验。
此外,塑料包装袋的物理性能也是非常重要的检验内容。
物理性能包括拉伸强度、撕裂强度、耐穿刺性能等。
这些物理性能的检验将直接影响到包装袋的使用寿命和承载能力,对于不同的产品要求也有着不同的标准。
最后,塑料包装袋的卫生安全性是检验的关键内容之一。
卫生安全性包括对包
装袋原料的检验、残留溶剂的检验、微生物指标的检验等。
这些卫生安全性的要求对于直接接触食品等产品的包装袋尤为重要,需要严格按照相关标准进行检验。
综上所述,塑料包装袋的检验标准涉及到外观质量、尺寸精度、物理性能和卫
生安全性等方面。
只有严格按照相关标准进行检验,才能确保塑料包装袋的质量和安全性,为产品的生产和消费提供保障。
希望本文能够对相关行业人员的工作有所帮助,提高塑料包装袋的质量和安全水平。
塑料打包带标准1 主题内容与适用范围本标准规定了塑料打包带的分类、技术要求、试验方法和检验规则、标志、包装、运输、储存。
本标准适用于以聚乙烯、聚丙稀树脂为主要原料,经挤出单向拉伸成型的塑料打包带(以下简称打包带)。
2 引用标准GB 2918 塑料试样状态调节和试验的标准环境GB 1040 塑料拉伸试验方法3 产品分类3.1 打包带按使用方法分为机用带(J型)及手工用带(S型)两类。
3.2 打包带按材质、宽度和厚度的公称尺寸及类型命名。
例:PP12006J表示聚丙稀12.0mm厚0.6mm的机用打包带。
3.3 打包带的规格按宽度划分,见表1。
表14 技术要求4.1 打包带的规格偏差应符合表2规定。
表2 mm4.2 打包带的每米克重应符合表3的规定。
表34.3 外观应色泽均匀,花纹整齐清晰,无明显污染,杂质,不允许开裂、损伤、穿孔等缺陷。
4.4 物理机械性能应符合表4的规定。
表45 试验方法5.1 取样规定随机取样5卷,在每卷外端除去3m后,分别截取3m长的样带5根。
5.2 宽度及偏差的测定5.2.1 试样分别在5根样带上截取200mm长的试样5个。
5.2.2 仪器精度0.02mm的游标卡尺。
5.2.3 方法及结果表示每个试样测两处,共10处。
记录10个测定值。
取其最大偏差值作为宽度偏差。
精确到0.1mm。
5.3 厚度测定5.3.1 试样用5.2条试样进行。
5.3.2 仪器精度0.02mm的游标卡尺。
5.3.3 方法及结果表示测定每个试样中间部位的厚度(包括花纹),每个试样测2处,共10处。
记录10个测定值,取其最大偏差值作为厚度偏差。
5.4 每米克重的测定5.4.1 试样分别在5根样带上截取1m长的试样5个。
5.4.2 仪器精度为1mm的量具及精度为0.1g的天平。
5.4.3 方法把5个试样分别放在天平上称重,计算5个试样的算术平均值,精确到0.1g。
5.5 外观在正常光线下目测。
5.6 断裂拉力和断裂伸长率的测定5.6.1 试样取300mm试样5个,中间有效距离为100mm。
文件制修订记录1适用范围本标准规定了打包带质量要求、试验方法及检验规则。
本标准适用于打包带的验收检验。
2引用文件供方提供的产品技术资料GB/T 2828.1 计数抽样检验程序3. 质量要求3.1 外观质量要求带线条应均匀、良好,清洁无脏污;绿色,色泽一致,不应有断裂、线条大小不一等不良现象。
3.2尺寸打包带主要尺寸要求应符合表1的规定3.3打包实验经打包后:成品应起到牢固、不易倾斜,带线条不应有断裂不良现象。
3.4强度使用中应无断裂不良现象4 试验方法4.1外观质量检查目视检查。
4.2主要尺寸测量用专用或通用量具测量4.3打包、强度实验按正常生产用打包带对成品进行打包。
5检验规则5.1采取随机抽样的方法进行抽样。
5.1.2以同一供应商同一生产日期同一天到货产品为一批,同批次应随机抽出一件进行检验,若同一货组有若干批次,则按若干批次随机各抽出一包进行检验。
5.1.3被检验的两包,进行外观检验,其中每包剪裁一米用于尺寸及重量检验。
5.1.4对抽检件取出的两包进行目视的外观检验,当不合格张少于一包时定为抽检包外观合格,即所代表的货组外观检查合格.5.1.5当不合格数等于或多于一包,应往下抽取2倍样本进行复检。
此时若复检不合格,再从同一位置或同一货组随机抽检另外2包再次复检。
如两件均合格,定为货组外观检查合格。
若有一件不合格,判为货组外观检查不合格。
5.2根据GB/T 2828.1,外观质量采用特殊检查水平S-4,A、B、C三类缺陷的合格质量水平(AQL)分别为0.65、2.5、4.0正常检查二次抽样方案。
尺寸及理化指标分别采用特殊检查水平S-3、S-1,A、B、C三类缺陷的合格水平(AQL)分别为4.0,2.5、1.0正常检查二次抽样方案,应符合表2、3的要求。
注:Ac可接受数,Re不可接受数6 结果判定6.1 对抽出的两包进行检验,当各项均通过时,定为该货组检验合格。
6.2 当检验在某些项目不合格时,应往下抽取2倍样本进行复检。
塑料打包带国家标准塑料打包带是一种用于打包、捆扎货物的塑料制品,广泛应用于物流、运输、仓储等领域。
为了规范塑料打包带的生产和使用,保障商品运输安全和环保要求,国家制定了一系列的标准和规范,以确保塑料打包带的质量和性能符合相关要求。
首先,塑料打包带的国家标准主要包括材料、规格、强度、拉伸性能、耐候性、环保要求等方面的规定。
其中,材料是塑料打包带的重要组成部分,国家标准对材料的选择、质量要求、添加剂的使用等都有详细的规定,以确保塑料打包带的材料符合安全、环保的要求。
此外,国家标准还对塑料打包带的规格和强度进行了规定,以满足不同货物的捆扎需求,保障货物的安全运输。
其次,塑料打包带的国家标准还对其拉伸性能和耐候性进行了要求。
塑料打包带在使用过程中需要具有一定的拉伸性能,以适应不同形状和尺寸的货物捆扎,国家标准对其拉伸性能进行了严格的测试和要求。
同时,塑料打包带还需要具有一定的耐候性,能够在不同的气候条件下保持稳定的性能,国家标准对其耐候性进行了详细的规定,以确保其在各种环境下都能够正常使用。
此外,塑料打包带的国家标准还对其环保要求进行了严格的规定。
塑料打包带作为一种塑料制品,对环境的影响是不可忽视的,国家标准对其使用的原料、添加剂、生产工艺等方面都进行了环保要求,以确保其在生产和使用过程中对环境的影响降到最低。
总的来说,塑料打包带的国家标准是为了规范其生产和使用,保障货物运输安全和环保要求而制定的。
通过严格的材料要求、规格规定、性能测试和环保要求,国家标准能够有效地提高塑料打包带的质量和性能,保障货物的安全运输,促进物流行业的健康发展。
希望生产企业和使用单位能够严格按照国家标准执行,确保塑料打包带的质量和安全性,共同为物流行业的发展贡献力量。
塑料打包带国家标准塑料打包带国家标准1、主题内容与适用范围本标准规定了塑料打包带的分类、技术分类、试验方法和检验规则、标志、包装、运输、储存。
本标准适用于以聚乙烯、聚遭丙烯树脂为主要原料,经挤出单向拉伸成型的塑料打包带(以下简称打包带)。
2、引用标准GB 2918 塑料试样状态调节和试验的标准环境GB 1040 塑料拉伸试验方法3、产品分类3、1 打包带按使用方法分为机用打包带(J型)及手工用打包带(S型)两类。
3、2 打包带按材质、宽度和厚度的公称尺寸及类型命名。
类型(J型或S型)公称厚度(min×10)公称宽度(min×10)材质(PP或PE )例:PP12006J表示聚丙烯宽12.0mm厚0.6mm的机用打包带3、3 打包带的规格按宽度划分,见表达1表达14、技术要求4、1 打包带的规格偏差应符合表2的规定。
表24、2打包带的每米克重应符合表3的规定。
表34、3 打包带外观应色泽均匀,花纹整齐清晰,无明显污染,杂质,不允许开裂、损伤、损伤、穿孔等缺陷。
4、4打包带物理机械性能应符合表4的规定。
表45、试验方法5、1 取样规定随机取样5卷,在每卷外端除去3m后,分别截取3m长的样带动根。
5、2 宽度及偏差的测定5、2、1试样分别在5根样带上截取出200mm长的试样机个5、2、2仪器精度0.02mm的游标卡尺5、2、3 方法及结果表示每个试样测二处,共10处。
记录10个测定值。
取其最大偏差值为宽度偏差。
精确到0.1mm。
5、3厚度测试5、3、1 试样用5、2条试样进行。
5、3、2 仪器精度0.02mm的游标卡尺.5、3、3 方法及结果表示测量每个把试样中间部位的厚度(包括花纹),每个试样测2处,共10处,记录10个测定值,取其最大偏差值作为厚度偏差。
5、4 每米克重的测定5、4、1试样分别在5根样带上截取1m长的试样5个。
5、4、2仪器精度为1mm的量具及精度为0.1g的天平.5、4、3 方法把5个试样分别放在天平上称量,计算5个试样的算术平均值,精确到0.1g。
胶带验收标准
1.目的
规定公司产品所用胶带的质量标准、检验规则、贮存方法等,保障公司采购胶带的质量符合公司要求。
2.适用范围
本标准适用于公司产品所用各类胶带的验收。
3.职责
3.1调度中心
负责物料请购与到货跟进,产成品调拨安排,呆滞物料处理协调。
3.2供应部
负责物料的采购作业,到货通知,不合格物料协调处理。
3.3质量部
提供物料验收标准,并对采购物料品质进行检验判定及确认。
4.引用标准
QB/T 2422-1998 封箱用 BOPP 压敏胶粘带
5.抽样数量
表1 抽样数量
6.质量标准
表2 质量标准。
压敏胶带测试标准压敏胶带测试标准。
压敏胶带是一种具有黏性的胶带,广泛应用于包装、封闭、固定等领域。
为了确保压敏胶带的质量和性能符合要求,需要进行一系列的测试。
本文将介绍压敏胶带的测试标准,以便相关行业人士了解和参考。
1.外观检验。
外观检验是对压敏胶带外观质量的检测,包括胶带表面的平整度、颜色、透明度、无气泡、无杂质等方面的检查。
外观检验是保证产品外观质量的重要手段,也是用户对产品质量的第一印象。
2.粘着力测试。
粘着力是压敏胶带的重要性能之一,直接影响到其使用效果。
粘着力测试是通过将压敏胶带贴在不同材料表面上,然后用一定的力度和时间进行剥离,来测试胶带的粘着力。
通常采用剥离力测试仪来进行测试,以确保产品符合相关标准要求。
3.拉伸强度测试。
拉伸强度是指压敏胶带在受力作用下的抗拉能力,是衡量产品强度的重要指标。
拉伸强度测试通常采用拉伸试验机进行,通过施加一定的拉力,来测试胶带的拉伸性能,以确保产品的牢固性和可靠性。
4.耐温性能测试。
压敏胶带在使用过程中,可能会受到高温或低温的影响,因此需要进行耐温性能测试。
耐温性能测试通常包括高温老化试验和低温试验,以确保产品在不同温度下仍然具有良好的性能和稳定性。
5.耐候性能测试。
压敏胶带在户外使用时,需要具有良好的耐候性能,能够抵抗紫外线、风吹雨打等自然环境的影响。
因此,耐候性能测试是非常重要的,通常包括紫外老化试验、盐雾试验等,以确保产品在恶劣环境下仍然能够保持良好的性能。
6.粘结强度测试。
粘结强度是指压敏胶带与被粘结物之间的结合力,是衡量产品粘结性能的重要指标。
粘结强度测试通常采用剥离试验机进行,通过施加一定的力度,来测试胶带与被粘结物之间的结合情况,以确保产品具有良好的粘结性能。
通过以上测试标准的严格执行,可以确保压敏胶带的质量和性能符合相关标准要求,从而提高产品的可靠性和稳定性,满足用户的需求。
同时,也可以为压敏胶带的生产和质量控制提供参考和指导,促进行业的健康发展。
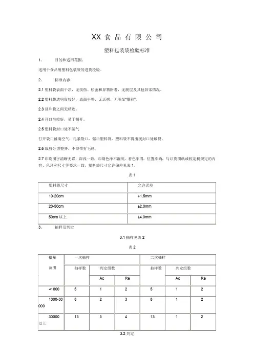
XX 食品有限公司
塑料包装袋检验标准
1、目的和适用范围:
适用于食品用塑料包装袋的进货检验。
2、标准内容:
2.1塑料袋表面干净,无损伤、松弛和异物附着,无脱层及其他异常情况。
2.2塑料袋透明度较好,表面平整,无活褶,无明显“爆筋”。
2.3袋和袋之间无粘连。
2.4开口性较好,易于揭开。
2.5塑料袋封口处不漏气
打开袋口盛满空气,扎紧袋口,强击塑料袋,塑料袋不得出现封口处破裂。
2.6裁剪分切整齐,不得带有毛刺.
2.7印刷图字清晰无误,深浅一致,印刷色泽不漏底,着色牢固,位置准确,与订货图纸或校定稿规定的内容、色泽和尺寸等要求一致。
塑料袋尺寸允许偏差见表1。
表1
3、抽样及判定
3.1抽样见表2
表2
3.2判定
4、理化指标
4.1 理化指标见下表。
4.2判定
标准内容所列各项,其中任一项不合格则判定不合格。
4.3物理性能
4.4判定。
打包带检验细则范文首先,让我们来了解一下打包带以及其重要性。
打包带是一种用于包装和固定货物的工具,通常由塑料、纸板或金属制成。
它们通常用于固定邮件、包裹和货物,以确保它们在运输和存储过程中的安全性。
在打包带的选择和使用过程中,检验细则起着至关重要的作用。
检验细则是为了确保打包带的质量和功能符合规定标准的一系列指南和要求。
以下是一些需要注意的重要检验细则:1.材料质量:打包带应采用高质量的材料制成,以确保其具有足够的强度和耐用性,能够承受运输和存储过程中的压力和震动。
检验细则应包括强度测试、耐候性测试和拉伸测试等。
2.宽度和长度要求:根据具体的包装需求,打包带的宽度和长度应符合规定标准。
这些细则将确保打包带能够牢固地固定货物,而不会过松或过紧。
检验细则应涵盖宽度和长度测量和控制。
3.色彩和印刷:打包带的颜色和印刷质量也是需要考虑的重要因素。
颜色可以用来标识特定的包裹或货物,而印刷可以用于添加公司或产品信息。
检验细则应包括颜色检验和印刷质量检验。
4.封口性能:打包带的封口性能对于确保货物的安全运输和存储至关重要。
检验细则应包括封口性能测试,以确保打包带能够有效地封闭和固定货物,不会松动或破裂。
5.环保要求:现今,环境保护意识越来越强,因此打包带的环保要求也变得越来越重要。
检验细则应包括环保要求的测试和评估,以确保打包带符合相关的环保标准。
总结起来,检验细则对于打包带的选择和使用非常重要,它确保了打包带的质量和功能达到标准,并能够安全固定货物。
通过遵守检验细则,制造商和用户可以确保使用高质量的打包带,并为运输和存储过程提供保护和安全性。
压敏胶带粘力测试标准压敏胶带是一种广泛应用于包装、封箱、固定等领域的粘合材料,其粘力的稳定性和可靠性对产品的使用效果和安全性至关重要。
因此,对压敏胶带的粘力进行测试并制定相应的标准是非常必要的。
一、测试方法。
1. 环境条件,在温度为23±2℃,相对湿度为50±5%的环境条件下进行测试。
2. 样品准备,选取符合要求的压敏胶带样品,保证样品的表面没有污渍和杂质。
3. 测试设备,使用专业的粘力测试仪进行测试,确保测试结果的准确性和可靠性。
4. 测试步骤,将压敏胶带样品粘贴在标准板上,然后使用粘力测试仪进行拉力测试,记录下拉力值。
二、测试标准。
1. 粘力等级,根据测试结果,将压敏胶带的粘力分为不同等级,如低粘、中粘、高粘等,以便用户根据实际需求选择合适的产品。
2. 粘力稳定性,测试结果应包括压敏胶带在不同时间段内的粘力变化情况,以评估其在长期使用过程中的稳定性。
3. 粘力标准值,制定符合国家标准的压敏胶带粘力标准值,以保证产品的质量和安全性。
三、测试结果分析。
1. 根据测试结果,可以对不同压敏胶带产品的粘力进行比较分析,找出优劣势,为用户选择合适的产品提供参考依据。
2. 通过对不同环境条件下的测试,可以评估压敏胶带在不同环境条件下的粘力表现,为产品的使用提供更加全面的参考。
3. 测试结果还可以为压敏胶带生产企业提供改进产品质量、研发新产品的依据,提高产品的竞争力和市场占有率。
四、测试标准的意义。
1. 制定压敏胶带粘力测试标准,有利于规范产品质量,保障用户的使用体验和产品安全。
2. 根据测试标准进行产品质量监控,可以及时发现产品质量问题,减少不合格产品流入市场的可能性。
3. 有了统一的测试标准,可以促进行业内良好竞争,提高整个行业的产品质量水平。
五、结论。
通过对压敏胶带粘力的测试标准的制定和实施,可以有效提高产品质量,保障用户的使用体验和产品的安全性。
同时,也有利于企业提高产品的竞争力,促进行业的健康发展。
塑料包装袋产品质量标准及验收检测方法(一)印刷1.1 套印极限偏差:主要部位≤0.2mm,次要部位≤0.3mm1.2 墨色:色相正确(与标样比较),鲜艳、均匀、牢固、光亮、无明显色差1.3 网纹:清晰、层次分明1.4 文字线条:清晰完整1.5 印迹:边缘光洁1.6 整体:洁净、无明显脏污2、分切制袋允许有轻微间断性褶皱,但不多于产品总面积的5%;不允许有划伤、烫伤、穿孔、粘连、异物、分层、异味,明显损伤、脏污。
3、产品规格及偏差袋宽度(MM)宽度偏差/mm厚度偏差/%长度偏差/mm封口偏差/%101-300≤±2≤±8≤±2≤±20301-500≤±7≤±8≤±7≤±203.1 尺寸偏差3.2 图案位置偏差宽宽度(mm)101-300mm301-480mm允许偏差≤2≤34、材质:食品级;溶剂残留量(按GB/T10004-2008规定):总量(mg/m2)≤5.0;其中苯类不得检出。
5、卫生指标:应符合GB9683复合食品包装袋卫生标准的要求。
6、包装及存储6.1 产品用塑料膜作内包装,外包装用瓦楞纸包装,并用打包带十字捆扎。
6.2 每件膜、袋外包装应附上产品合格证,并标明产品名称、规格、数量、生产日期、生产厂商名称和检验员章或代号。
6.3 运输中小心轻放;注意防潮、防雨淋、防机械碰撞、防重压、防日晒雨淋及防腐蚀气体。
产品到货时,必须外包装箱完整。
6.4 产品应贮存在整洁、阴凉、干燥的库房内,整齐码放,避免曝晒、受潮和污染;距离热源不少于1m;贮存期为生产日期起一年。
7、验收7.1不合格类型抽样检测样品的缺陷分为致命、严重、次要三种缺陷,对应不合格类分别为A类、B类、C类:A类不合格为:标识、文字错误,基材、油墨不符合食品卫生要求;B类不合格为:破皮,开口性不良(死封),机械损伤、划伤、烫伤、微孔;C类不合格为:除A、B类不合格以外。
塑料包装袋的检验标准塑料包装袋是我们日常生活中常见的一种包装材料,它在食品、日用品、化妆品等领域都有着广泛的应用。
然而,由于塑料包装袋直接接触到我们的食品和日常用品,因此其质量和安全性就显得尤为重要。
为了确保塑料包装袋的质量符合标准,需要对其进行严格的检验。
下面,我们将介绍塑料包装袋的检验标准。
首先,塑料包装袋的外观质量是我们检验的重点之一。
外观质量包括塑料包装袋的平整度、无色差、无气泡、无破损等。
在检验时,应该对塑料包装袋进行目测,确保其表面平整,无明显色差和气泡,没有破损和污渍。
此外,还需要对塑料包装袋的印刷质量进行检验,确保印刷清晰、完整,无漏印、脱印等现象。
其次,塑料包装袋的尺寸和厚度也是需要进行检验的重点内容。
在生产过程中,塑料包装袋的尺寸和厚度必须符合相关的标准要求。
因此,检验时需要使用尺子或者厚度计对塑料包装袋的尺寸和厚度进行精确测量,确保其符合标准要求。
除此之外,塑料包装袋的物理性能也是需要进行检验的内容之一。
物理性能包括拉伸强度、撕裂强度、耐穿刺性能等。
在检验时,需要使用相应的仪器对塑料包装袋的物理性能进行测试,确保其符合相关标准要求。
另外,塑料包装袋的化学性能也是需要进行检验的重点内容。
化学性能包括塑料包装袋的成分、添加剂、溶剂残留量等。
在检验时,需要使用化学分析方法对塑料包装袋的化学成分进行分析,确保其符合相关的安全标准要求。
最后,塑料包装袋的环保性能也是需要重点关注的内容。
塑料包装袋在使用过程中是否会产生有害物质,是否可以被有效回收等都是需要进行检验的内容。
在检验时,需要对塑料包装袋进行环保性能测试,确保其符合相关的环保标准要求。
总之,塑料包装袋的检验标准涵盖了外观质量、尺寸和厚度、物理性能、化学性能、环保性能等多个方面。
通过严格的检验,可以确保塑料包装袋的质量符合标准,从而保障我们的生活安全和健康。
希望本文介绍的塑料包装袋的检验标准对大家有所帮助。
皇明太阳能集团有限公司技术标准
压敏胶带、塑料打包带
检验要求
皇明太阳能集团有限公司技术委员会发布
前言
本标准是对皇明集团企业标准HM/ZY-J-JS-21.02-2006《包装材料进厂检验要求》的修订。
本标准自实施之日起HM/ZY-J-JS-21.02-2006《包装材料进厂检验要求》作废。
本标准应用部门:热水器一厂外检、热水器二厂外检、ECS外检、检测中心、采购处、技术支持部。
本标准由皇明太阳能集团有限公司技术委员会提出。
本标准由皇明太阳能有限公司技术支持部产品设计处负责起草。
本标准主要起草人:张清哲、赵明、王森。
压敏胶带和塑料打包带检验要求
1 范围
本标准规定了包装用压敏胶带和塑料打包带的技术要求、试验方法、检验规则、标志、包装及贮存。
本标准适用于公司包装用压敏胶带和塑料打包带的进货检验。
2 规范性引用文件
下列文件中的条款通过本标准的引用而成为本标准的条款。
凡是注日期的引用文件,其随后所有的修改单(不包括勘误的内容)或修订版均不适用于本标准,然而,鼓励根据本标准达成协议的各方研究是否可使用这些文件的最新版本。
凡是不注日期的引用文件,其最新版本适用于本标准。
GB/T 1040.3 塑料拉伸性能的测定
GB/T 2828.1 计数抽样检验程序第1部分:按接收质量限(AQL)检索的逐批检验抽样计划
GB/T 2829 周期检验计数抽样程序及表
GB/T 4851压敏胶粘带持粘性测试方法
GB/T 4852 压敏胶带初粘性试验
QB/T 3811 塑料打包带
3 技术要求
3.1压敏胶带
3.1.1 外观
3.1.1.1胶带外观为无色透明或彩色,端面整齐卷筒紧密,印刷字无脱落。
3.1.1.2胶带不应有折皱、颗粒、暴筋、气泡、端面划痕等缺陷。
3.1.1.3胶带手感初粘性较强,胶层与基材不脱胶。
3.1.1.4胶带与纸板面纸粘附紧密、不易脱落,不应出现胶层破裂或拉丝现象。
3.1.2 规格及性能
见表1。
3.2塑料打包带
3.2.1 外观
3.2.1.1打包带应色泽均匀、花纹清晰、无明显污染、杂质、不应有开裂、损伤、穿孔等缺陷。
3.2.1.2打包带热封合粘接牢固,不应出现脱落、假粘合等现象,每卷内不应有接头。
3.2.2规格及性能
打包带纸芯内径:200mm 整体重量偏差:10±0.2kg/卷;
其余见表2。
表2
注: PP12060J为机用聚丙烯打包带,白色。
PP13570J为机用聚丙烯打包带,白色。
PET-1660为聚酯打包带,黑色。
4 试验方法
4.1 压敏胶带检测方法
4.1.1外观检验
自然光线下目视,应符合3.1.1的检验标准。
4.1.2尺寸测量
宽度和长度用卷尺测量,厚度用千分尺测量,应符合3.1.2的检验指标。
4.1.3初粘力的测量
按GB/T 4852 《压敏胶带初粘性试验》进行。
4.1.4持粘力的测量
按GB/T 4851《压敏胶粘带持粘性测试方法》进行。
4.2 塑料打包带检测方法
4.2.1外观检验
自然光线下目视,应符合3.2.1的检验标准。
4.2.2尺寸测量
宽度、厚度及打包带纸芯内径用精度0.02mm的游标卡尺测量,应符合3.2.2中的标准。
4.2.3比重的测量
采用称重加计算的方法测量,应符合3.2.2中表2中的标准。
4.2.4重量偏差的测量
采用电子称测量,应符合3.2.2中的标准。
4.2.5断裂拉力和断裂伸长率的测量
按GB/T 1040.3《塑料拉伸性能的测定》进行。
5检验规则
5.1入厂检验
检验按GB/T 2828.1中正常检查一次抽样方案实施,不合格分类、检验水平、AQL值见表3中相应条款执行。
表3
5.2 型式检验
5.2.1供货商产品有下列情况之一时,应进行型式检验:
a) 首次进货时;
b)成批连续生产的每年至少一次;
e) 更换进货厂家时;
f) 当结构、工艺、材料改变,可能影响产品性能时;
g) 产品长期停产恢复生产时;
h) 质量管理部门要求进行检验时。
5.2.2型式检验按GB/T 2829中判别水平Ⅱ的一次抽样方案进行,不合格分类、RQL值见表4。
6标志、包装及贮存
6.1 标志
产品名称、制造厂名、生产日期、规格、重量、产品批号、质量等级等各种标识齐全有效。
6.2 包装
包装牢靠,无破损。
6.3 贮存
应存放在干净、通风、干燥的仓库内,堆码整齐,距离热源2米以上,不应落地或与有腐蚀性化学物品混放。