电机温升计算表格
- 格式:xls
- 大小:26.50 KB
- 文档页数:1
电机温度与温升的概念及测量和计算
电机绕组、轴承及其它部件,只有低于其最高允许工作温度下使用,才能保证其经济使用寿命和运行可靠性。
1.温升电机温升温升限度(1)某一点的温度与参考(或基准)温度之差称温升。
(2)什么叫电机温升。
电机某部件与周围介质温度之差,称电机该部件的温升。
(3)什么叫电机的温升限度。
电机在额定负载下长期运行达到热稳定状态时,电机各部件温升的允许极限,称温升限度。
电机温升限度,在国家标准GB755-65中作了明确规定。
根据统计我国各地的绝对最高温度一般在35~40℃之间,因此在标准中规定+40℃作为冷却介质的最高标准。
电动机的绝缘等级是指其所用绝缘材料的耐热等级,分A、E、B、F、H级。
允许温升是指电动机的温度与周围环境温度相比升高的限度。
绝缘的温度等级A级E级B级F级H级
最高允许温度(℃)105 120 130 155 180
绕组温升限值(K)60 75 80 100 125
性能参考温度(℃)80 95 100 120 145。
电动机加油时间、标准、振动值及运行温度、电压、电流参照表一、六级以上电机每3000小时加油一次,四级电机每2000-2500小时加油一次,二级电机每2000小时加油一次,高压电机每运行2500小时加油一次,加油的标准为电机轴承缝隙的2/3为佳,如电机轴承外侧小端盖下部有放油孔的加油至放油孔出油为止,加油太多会造成轴承内部散热不好,轴承发热影响轴承的动作,油会因内部压力过大而挤出,但是由于电机运行环境的不同就要根据电机的运行状况(声音、轴承温度)确定加油时间,一般不超过规定时间。
2极电机转速3000转/分,实际转速2930-2980转/分。
4极电机转速1500转/分,实际转速1430-1480转/分。
6极电机转速1000转/分,实际转速960-980转/分。
以上转速电机铭牌上都已标注清楚二、电动机的振动与窜动不得超过下表规定值窜动一般是指电动机的轴向窜动,造成窜动的主要原因是轴承游隙过大,表现出的症状是电机振动、噪音明显加大。
二、关于电动机温升问题的技术说明要点一、说到电动机的有关温升问题,首先解释一下有关电动机的绝缘等级、允许温升和性能参考温度等名词术语。
1、电动机的绝缘等级是指其所用绝缘材料的耐热等级,从低到高常见的分A、E、B、F、H级。
绕组温升限值(允许温升)是指电动机的温度与周围环境温度相比升高的限度。
2、性能参考温度,是指在此最高温度下,对应绝缘级别能有效保证电机可靠运行,不置影响电机性能。
3、最高允许工作温度(极限工作温度)是指电机在设计预期寿命内运行时,绕组绝缘材料允许最高点的工作温度。
如果运行温度超过材料的极限工作温度,则绝缘的老化加剧,寿命大大缩短。
其对应经验值关系如下表:(因内部绕组绝缘材料无法准确测量,存在测量误差,实际运行中以比较可行的外壳温度值为依据测算,加红部分为实际运行过程中建议控制值)说明:衡量电机发热程度是用“温升”而不是用“温度”,其单位为K(开尔文),K是一个变量的单位,而℃是一个常量的单位。
三相异步电动机的最高允许温度和最大允许温升
定期检查电动机的温升,是监视电动机运行状况的直接可靠的方法。
当电动机的电压过低、电动机过载运行、电动机两相运行、定子绕组短路时,都会使电动机的温度上升。
所谓温升是指电动机运行温度与环境温度(或冷却介质温度)的差值。
例如环境温度(即电动机未通电的冷态温度)为30℃,运行后电动机的温度为100℃,则温升为70℃。
温升值反映了电动机运行中的发热状况,是电动机的运行参数。
表1列出了各种绝缘等级的电动机不同部位的最高允许温度和最大允许温升。
表1 三相异步电动机的最高允许温度和最大允许温升
表1所列温升都是环境温度为40℃时的值。
若环境温度低于40℃时,可允许保持表内温升值不变。
但环境温度高于40℃时,应以最高允许温度为准,这时的允许温升应以允许温度减去环境温度。
例如,当环境温度为41℃时,B级绝缘定子绕组允许温升为110℃-41℃=69℃ (温度计法)
(1)对于中小型电动机,常用酒精温度计对温度进行测量。
测量时,可把温度计紧靠被测轴承表面或定子铁芯,读表上温度指示值。
测绕组温度时,可旋下吊襻,把温度计插入吊襻螺孔内(温度计底部用金属箔包住)。
读得的温度为绕组表面温度,再加上15℃就是绕组的实际温度。
(2)如果没有上述的温度计,可在确定电动机外壳不带电的情况下,用手背去触电动机外壳的温度。
若手能在外壳上停留而不觉得很烫说明电动机温升正常;若手不能停留,则说明电动机温升过热。
电机温升试验电机中绝缘材料的寿命与运行温度有密切的关系,为保证电机安全、合理的使用,需要监视与测量电机绕组、铁心等其他部分的温度。
按国家标准规定,不同绝缘等级的电机绕组有不同的允许温升,如下表所示若超过规定值,如对B级绝缘的电机,温升每增加10度,电机的寿命将降低一半。
因此电机的温升试验,准确的测取个部件的温度,对改进电机的设计和制造工艺,提高电机的质量是非常重要的对电机绕组和其他各部分的温度测量,目前虽已采用不少先进技术,仍可归纳为电阻法、温度计法、埋置检温计法三种基本方法。
一、电阻法在一定的温度范围内,电机绕组的电阻值将随着温度的上升而相应的增加,而且其阻值与温度之间存在着一定的函数关系。
根据这一原理,可以通过测定电机绕组的电阻来确定其温度,故称电阻测量法。
当绕组温度在-50~150度范围时,其温升有下式确定Δθ=(R f-R0)(k+θ0)/R0+θ0-θf式中R0、θ0分别为绕组的实际冷态电阻和环境温度;R f、θf分别为绕组热态式电阻和环境温度;k为常数,对铜绕组为235,对铝绕组225如果不能采用带电测量装置,可采用较先进的快捷、准确、数字显示的各种毫欧表或微欧计等直流电阻测量仪。
其基本工作原理是采用高准确度、高稳定度的恒流电源所产生的直流电流通到被测电阻上,则电阻两端的电压降将严格的按照电阻值变化二、温度计法对电机中不能采用电阻法测量的部位,如定子铁心,轴承及冷却介质等,可采用温度计法来测量。
温度计法是用温度计贴附在可接触的表面来测量温度,所测得的温度是被测点的表面温度。
为了减小误差,从被测点到温度计的热传导尽可能的良好,将温度计球面部分用绝热材料覆盖,以免周围冷却介质的影响。
温度计除包括水银、酒精等膨胀式温度计外,也包括半导体温度计及非埋置的热电耦或电阻温度计。
在电机中存在交变磁场的部分,不可采用水银温度计,因为交变磁场在水银中产生涡流会发热,以致影响测量的准确性。
三、埋置检温计法埋置检温计法是将电阻检温计、热电耦或半导体热敏元件埋植于电机内部不能触及的部位,如定子绕组的槽部和铁心内等,经连接导线引到电机外的二次仪表,从而测定温度值。
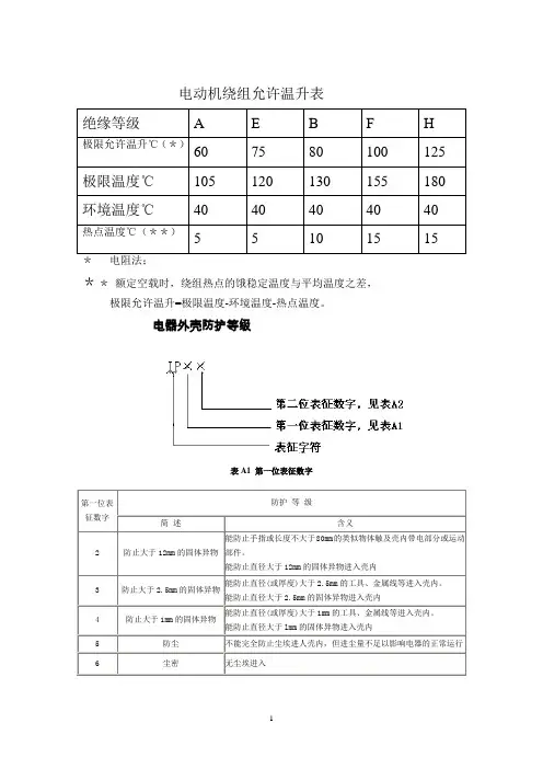
电动机绕组允许温升表
**额定空载时,绕组热点的饿稳定温度与平均温度之差,极限允许温升=极限温度-环境温度-热点温度。
电器外壳防护等级
表A1 第一位表征数字
表A2 第二位表征数字
防护等级代号IP□□符号的含义
防外物等级
防水进入外壳的等级
代号举例:IP44
此代号指外壳能防止大于1mm的固体进入内部,并且防止任何的方向溅水
2、接地按目的可分为哪四种?各有什么用?
答:①工作接地——在正常或发生事故的情况下,可保证电器设备可靠地运行。
②保护接地——可防止电器设备漏电而造成人身及设备事故。
③防雷接地——可防止雷害的接地。
④屏蔽接地——对设备起屏蔽作用,从而使设备工作正常
电动机振动允许最大值
轴承内径判定
代号03以上的轴承为轴承代号后两位乘5=轴承内径或轴径,轴承等级为:C、D、E(F)、G,C精度最高,G精度最低。
电机绕组温升测试方法
电机绕组温升测试方法
一、绕组温升公式:
△t——绕组温升
R1——实验开始的电阻冷态电阻
R2——实验结束时的电阻热态电阻
k——对铜绕组,等于;对于铝绕组:225
t1——实验开始时的室温
t2——实验结束时的室温
该公式是参照EN60335-1和国家标准;
注,一般绕组温升测试时可t2-t1两者温差值不做考虑;
二、绕组温升公式代入计算方法
1、将电机两根电源线,连接在变频器电源输出端;
2、打开变频电源,调节变频电源仪器相关输出电压、频率值;
3、打开变频输出电源开关,同时记录显示屏中的功率值,该值为冷态电阻R1;
4、在设备测试时,同时记录测试室环境温度值T1;
5、电机连续运行3小时后,再次读取电阻值R2.
6、最终将相关测试值代入绕组温升公式内,得出电机温升值;
三、温升测试仪器:
四、温升测试操作规范:
1、打开变频电源,调整测试电机的相应参数如电压、频率;
2、将温升测试仪器背面的电源输入端电源插头连接到变频电源输出端;
3、将温升测试仪器背面的两个测试端分别连接到被测风机电机连接线;
4、打开温升测试仪器电源开关,同时,打开变频电源器电源输出端开关;
5、当温升测试仪器上分别显示电阻、温升、时间时,将COLD档冷态值,切换到HOT档热态值;另将温升值T档,切换到△T档;
6、通电后,在读温升仪器测试值正确范围内时,Time显示屏中会显示测试运行时间;一般电机测试运行3小时后,读取最终温升测试值;。
电机的温升实验及误差分析柴修山〔立奇电器〕1 引言温升实验是一个重要而费时的型式实验工程,超过规定的限值将会阻碍电机的寿命和靠得住性。
为了提高产品的技术经济指标,电机的温升裕度一样不宜取得过大,但电机的电磁参数、材料性能、通风构造的制造质量等都会直接或间接阻碍电机的损耗和散热冷却。
电磁计算时,温升计算的准确度不高。
因此,电机的温升指标必需通过实验考核确信。
2温升实验电机温升是电机运行的重要参数之一,温升实验的方式有许多种,但应用在电机绕组中的温升实验,测量绕组温升的要紧方式是电阻法。
依照绕组导线受热后电阻值增加的原理,其电阻与温度间的关系符合式(1)。
若是测得温升实验前冷态电阻R1及实验完毕刹时绕组的热态电阻R2,就可直接按式(1)计算绕组的平均温升θ。
θ=R2−R1R1∗(K+t1)+t1−t2式中t1—实验开场时的绕组温度,℃t2—实验完毕时的冷却介质的温度,℃K—铜绕组取235上式中,要求定子绕组的热态电阻R2需在电机切离电源前用带电测量装置测量,但由于条件有限,一般直流电桥用以测量绕组电阻时,规定应在交流电源断开后再接赢流电桥,绕组热态电阻就只能在电机切离电源并停车后测量。
可是不管动作何等迅速。
也总需要一段时刻才能测取电阻的数值,而在这一段时刻内,可能电机绕组的温度已经开场下降了,因此新测出的电阻值不是运行中的电阻值,不可能正确反应运行时的温度,而是冷却了一段时刻后的绕组温度。
可见,绕组热态电阻的测量足电机温升实验的重要步骤,温升计算的准确与否,关键要看所测量的方式是不是正确,测量的数据是不是准确。
3绕组电阻的测量电机切离电源后,绕组温度会当即降低,既使在断电后15~20s内测得的热态电阻,计算温升也比实际温升低5℃左右,故电机停转后测得的热态电阻,可用外推法进展修正。
在不具有效带电测量定子绕组热态电阻装置时,准确估算热态电阻,不仅可提高温升的测试准确度,而且可方便地测取电机的发烧血线。
电机绕组温升测试方法
电机绕组温升测试方法
一、绕组温升公式:
△t——绕组温升
R1——实验开始的电阻(冷态电阻)
R2——实验结束时的电阻(热态电阻)
k——对铜绕组,等于234.5;对于铝绕组:225
t1——实验开始时的室温
t2——实验结束时的室温
该公式是参照EN60335-1和GB4706.1-2005国家标准。
注,一般绕组温升测试时可(t2-t1)两者温差值不做考虑。
二、绕组温升公式代入计算方法
1、将电机两根电源线,连接在变频器电源输出端。
2、打开变频电源,调节变频电源仪器相关输出电压、频率值。
3、打开变频输出电源开关,同时记录显示屏中的功率值,该值为冷态电阻R1。
4、在设备测试时,同时记录测试室环境温度值T1。
5、电机连续运行3小时后,再次读取电阻值R2.
6、最终将相关测试值代入绕组温升公式内,得出电机温升值。
三、温升测试仪器:
四、温升测试操作规范:
1、打开变频电源,调整测试电机的相应参数如电压、频率。
2、将温升测试仪器背面的电源输入端电源插头连接到变频电源输出端。
3、将温升测试仪器背面的两个测试端分别连接到被测风机电机连接线。
4、打开温升测试仪器电源开关,同时,打开变频电源器电源输出端开关。
5、当温升测试仪器上分别显示电阻、温升、时间时,将COLD档(冷态值),切换到HOT档(热态值)。
另将温升值T档,切换到△T档。
6、通电后,在读温升仪器测试值正确范围内时,Time显示屏中会显示测试运行时间。
一般电机测试运行3小时后,读取最终温升测试值。
相对发热温升计算公式t1-t2 电机绕组温升公式
绕组温升公式:
△t=(R2-R1)/R1*(234.5+t1)-(t2-t1)
▽t---绕组温升
R1---实验开始的电阻(冷态电阻)
R2---实验结束时的电阻(热态电阻)
k---对铜绕组,等于234.5;对于铝绕组:225
t1---实验开始时的室温
t2---实验结束时的室温
电机温升公式θ=(R2-R1)/R1*(235+t1)+t1-t2(K)
R2-试验结束时的绕组电阻,Ω;
R1-试验初始时的绕组电阻,Ω;
t1-试验初始时的绕组温度(一般指室温),℃;
t2-试验结束时的冷却介质温度(一般指室温),℃。
235是铜线,铝线为225
电阻发温升计算公式:Q=(Rr-Re)/Re x (235+te)+te-tk Rr:发热状态下的绕组电阻。
Re:冷却状态下的绕组电阻。
te:测量Re时的环境温度,也就是实验开始时的绕组温度。
tk:做温升实验结束时的环境温度。
你可以用电阻表测电机在冷态及热态时的电阻,该电阻值一定要尽量的精确(所以一般的万用表精度是不够的,除非你认为计算出的误差在5--10度也可以接受)。
而且,测热态电阻时,一定要在停机后的最短时间内测得。
测试完毕就是计算的问题了。
计算公式为:
R1/R2=(235+t1)/(235+t2).R1,R2分别为冷热态电阻值,t1,t2为其对应的温度值。
此公式是对绕组是铜线的电机温升计算公式,对其它的材料,一般需要把235改为273(绝对温度)。
电机温升和绝缘等级LT电机温升和绝缘等级用来使器件在电气上绝缘的材料称绝缘材料。
一种或几种绝缘材料的组合称绝缘结构。
表示绝缘结构的最高允许工作温度,并在这样的温度下它能在预定的使用期内维持其性能,在允许的范围内及其所分的等级即耐热等级。
耐热等级分为Y级90℃、A级105℃、E级120℃、B级130℃、F级155℃、H级180℃和H级以上共七个等级。
超过这个限度,绝缘材料的寿命就急剧缩短,甚至会烧毁。
这个温度限度,称为绝缘材料的允许温度。
某一点的温度与参考(或基准)温度之差称温升。
也可以称某一点温度与参考温度之差。
电机某部件与周围介质温度之差,称电机该部件的温升。
电机在额定负载下长期运行达到热稳定状态时,电机各部件温升的允许极限,称温升限度。
绝缘材料的允许温度,就是电机的允许温度;绝缘材料的寿命,一般就是电机的寿命。
电机负载运行时,从尽量发挥它的作用出发,所带负载即输出功率越大越好(若不考虑机械强度)。
但是输出功率越大、损耗功率越大,温度越高。
我们知道,电机内耐温最薄弱的东西是绝缘材料,如漆包线。
绝缘材料耐温有个限度,在这个限度内,绝缘材料的物理、化学、机械、电气等各方面性能都很稳定,其工作寿命一般约为20年。
按照允许温度的高低,电机常用的绝缘材料为A、E、B、F、H五种。
按环境温度为40摄氏度计算,这五种绝缘材料及其允许温度和允许温升如下表所示:-大家都知道衡量电机发热程度是用“温升”而不是用“温度”,当“温升”突然增大或超过最高工作温度时,说明电机已发生故障。
下面就一些基本概念进行讨论。
1 绝缘材料的绝缘等级低5~15℃。
该法是测出导体的冷态及热态电阻,按有关公式算出平均温升。
(3) 埋置温度计试验时将铜或铂电阻温度计或热电偶埋置在绕组、铁心或其它需要测量预期温度最高的部件里。
其测量结果反映出测温元件接触处的温度。
大型电机常采用此法来监视电机的运行温度。
各种测量方法所测量到的温度与实际最高温度都有一定差值,因此需将绝缘材料的“极限工作温度”减去此差值才是“最高允许工作温度”。
电动机温升限值电动机的绝缘等级是依据所用国内绝缘材料的耐热等级划分的,分A、E、B、F、H级。
允许温升是指电动机的温度与周围环境温度相比升高的限度。
绝缘的温度等级 A级 E级 B级 F级 H级最高允许温度(℃) 105 120 130 155 180绕组温升限值(K) 60 75 80 100 125性能参考温度(℃) 80 95 100 120 145电抗器运行时的温升限值在一定温度下,绝缘材料不产生热损坏的时间称为绝缘材料的使用寿命。
大型电抗器的电流在3 500A以上。
这样大的电流流过电抗器,即使电抗器的电阻很小(mΩ级),功率也在千瓦以上。
电器产品的损耗越大,运行中产生的热量就越大,在一定的条件下,电抗器的温升也就越高,而温升增高会加速绝缘材料的老化,使其失去绝缘性能,从而也会缩短电抗器的使用寿命。
这说明电抗器温升的高低是保证其质量和使用寿命的重要指标,因此GBl0229-1988和IEC标准中均对电抗器正常使用条件下的温升做了专门的规定。
国标之所以对电抗器的温升做严格的限制,是因为温升直接影响着电抗器所用绝缘材料的使用寿命。
根据Montsinger的寿命定律,绝缘材料的热老化与温度有如下关系:t=Aexp(aθ)。
式中:t为绝缘材料的使用寿命;A为常数,B级材料约为6.5x105;a为常数,约为0.088;9为绝缘材料的温度。
由上式看出,对于B级绝缘材料,每当温度增加10℃,绝缘材料的使用寿命减少一半,这就是绝缘材料的10℃定则。
A级绝缘材料为8℃,称为8℃定则。
温升是保证电抗器质量和运行寿命的重要指标,电流越大就越难满足要求。
形成温升的主要原因有:温升的设计裕度取得很小,使设计值与国标规定的温升限值很接近;还有制造的原因,如绕制绕组时,线轴的配重不够、绕制速度过快和停机均可造成绕组松紧度不好和绕组电阻的变化。
另外,接线端子与绕组焊接处的焊接电阻是由于焊接质量的问题产生的附加电阻,该焊接电阻产生附加损耗使接线端子处温升过高。
电动机的绝缘等级及允许温升电动机的导线及槽内都要用绝缘材料,槽内所采用的绝缘材料有纸、布、绸、玻璃纤维、石棉、云母等,导线绝缘也有绝缘漆、树脂漆、环氧漆、纱包、丝包、漆包等方式,按电动机的功率大小、使用环境条件、环境温度等因素而定,具体分六级,见表1。
表1 电动机的绝缘等级及允许温升对中小功率的电动机,绕组内(即槽内)不埋温度测量元件,所以无法得知较真实的温度值,只能从电动机外壳的温度高低来判别,这比槽内的温度要低20~30℃,日常判别电动机的温度也只能如此,具体可用棒形酒精温度计或水银温度计、表面电子测温仪、红外辐射测量仪。
允许温升的计算方法为允许温升=允许最高温度-内外温差-环境温度例如,用A级绝缘材料时允许温升=[105-(20~30)-35]℃=(40~50)℃这时外壳测得的温度应是[(40~50)+35]℃=(75~85)℃电动机的温升高低与电动机的负载大小、环境温度高低、通风量的大小、实际转速高低(尤其是变频调速f<50Hz运行时要注意)和电动机的质量好坏有直接关系,但不能超过允许最高温度,否则会加速绝缘材料的老化,甚至冒烟、烧毁。
所以在电动机运行中要经常测量,观察电动机的外壳温度的变化,切不可马虎大意。
电机绕组温度与温升的国家规定允许标准大家都知道衡量电机发热程度是用“温升”而不是用“温度”来衡量的,当“温升”突然增大或超过最高工作温度时,说明电机已发生故障。
下面就一些基本概念给出基本说明。
1 绝缘材料的绝缘等级个等级,C7、H、F、B、E、A、Y绝缘材料按耐热能力分为其极限工作温度分别为90、105、120、130、155、180℃、及180℃以上。
所谓绝缘材料的极限工作温度,系指电机在设计预期寿命内,运行时绕组绝缘中最热点的温度。
根据经验,A级材料在105℃、B级材料在130℃的情况下寿命可达10年,但在实际情况下环境温度和温升均不会长期达设计值,因此一般寿命在15~20年。
如果运行温度长期超过材料的极限工作温度,则绝缘的老化加剧,寿命大大缩短。
电机温升和绝缘等级用来使器件在电气上绝缘的材料称绝缘材料。
一种或几种绝缘材料的组合称绝缘结构。
表示绝缘结构的最高允许工作温度,并在这样的温度下它能在预定的使用期内维持其性能,在允许的范围内及其所分的等级即耐热等级。
耐热等级分为丫级90C、A级105C、E级120C、B级130C、F级155C、H级180C和H 级以上共七个等级。
超过这个限度,绝缘材料的寿命就急剧缩短,甚至会烧毁。
这个温度限度,称为绝缘材料的允许温度。
某一点的温度与参考(或基准)温度之差称温升。
也可以称某一点温度与参考温度之差。
电机某部件与周围介质温度之差,称电机该部件的温升。
电机在额定负载下长期运行达到热稳定状态时,电机各部件温升的允许极限,称温升限度。
绝缘材料的允许温度,就是电机的允许温度;绝缘材料的寿命,一般就是电机的寿命。
电机负载运行时,从尽量发挥它的作用出发,所带负载即输出功率越大越好(若不考虑机械强度)。
但是输出功率越大、损耗功率越大,温度越高。
我们知道,电机内耐温最薄弱的东西是绝缘材料,如漆包线。
绝缘材料耐温有个限度,在这个限度内,绝缘材料的物理、化学、机械、电气等各方面性能都很稳定,其工作寿命一般约为20年。
按照允许温度的高低,电机常用的绝缘材料为A E、B、F、H五种。
按环境温度为40摄氏度计算,这五种绝缘材料及其允许温度和允许温升如下表所示:-大家都知道衡量电机发热程度是用“温升”而不是用“温度”,当“温升” 突然增大或超过最高工作温度时,说明电机已发生故障。
下面就一些基本概念进行讨论。
1绝缘材料的绝缘等级绝缘材料按耐热能力分为y、a、e、b、f、h、c7个等级,其极限工作温度分别为90、105、120、130、155、180C、及180C 以上。
所谓绝缘材料的极限工作温度,系指电机在设计预期寿命内,运行时绕组绝缘中最热点的温度。
根据经验,a级材料在105C、b级材料在130C的情况下寿命可达10 年,但在实际情况下环境温度和温升均不会长期达设计值,因此一般寿命在15〜20年。