起重工》职业标准
- 格式:docx
- 大小:16.63 KB
- 文档页数:8
2023年起重作业人员的基本要求随着社会的发展和科技的进步,2023年起重作业人员的基本要求将会受到更加严格的规定和要求。
起重作业是一项高风险的工作,要求从业人员具备一定的专业知识和技能,以确保工作的安全和顺利进行。
以下是2023年起重作业人员的基本要求。
1.合格的培训和教育背景在2023年,起重作业人员需要接受一定的培训和教育,以获取相应的专业知识和技能。
这些培训包括但不限于起重机械的操作、安全规范、设备维护和检修等方面的知识。
通过这些培训和教育,起重作业人员将具备处理各种起重作业场景和情况的能力。
2.持有相关证书和执照在2023年,起重作业人员需要持有相关的证书和执照,以证明他们具备从事起重作业的资格和能力。
这些证书包括但不限于起重机械操作证、安全培训合格证等。
持有相关证书和执照的起重作业人员将能够更好地应对工作中的各种挑战,并保证作业的安全和顺利进行。
3.良好的身体条件和健康状况起重作业是一项体力劳动工作,对从业人员的身体条件和健康状况有一定的要求。
在2023年,起重作业人员需要保持良好的身体条件,具备一定的体力和耐力,以应对长时间的工作和重物的搬运。
同时,起重作业人员还需要定期接受身体健康检查,以确保工作的安全和稳定进行。
4.熟练的起重机械操作技能起重机械的操作是起重作业人员的核心技能之一。
在2023年,起重作业人员需要熟练掌握各种类型的起重机械的操作技能,包括但不限于塔吊、起重机、起重车等。
他们需要能够准确地控制起重机械的运动和动作,以确保物品的安全和稳定搬运。
5.安全意识和应急处理能力在2023年,起重作业人员需要具备较高的安全意识和应急处理能力。
他们需要了解并遵守相关的安全规范和操作流程,能够识别和预防潜在的危险,保证作业过程中的安全。
同时,起重作业人员还需要具备处理突发情况和紧急事件的能力,能够迅速做出正确的决策和应对措施。
6.团队合作和沟通能力在2023年,起重作业人员需要具备良好的团队合作和沟通能力。
起重工职业标准1.职业概况1.1职业名称起重工。
1. 2职业定义使用工具、机具或指挥吊车,将重物吊、移至指定位置的人员。
1. 3职业等级本职业共设四个等级,分别为:初级(国家职业资格五级)、中级(国家职业资格四级)、高级(国家职业资格三级)、技师(国家职业资格二级)。
1. 4职业环境室内,室外,高空,常温。
1. 5职业能力特征(见表)1. 6基本文化程度初中毕业。
1. 7培训要求1 . 7. 1培训期限全日制职业学校教育,根据其培养目标和教学计划确定。
晋级培训期限:初级不少于240标准学时;中级不少于200标准学时;高级不少于180标准学时;技师不少于120标准学1 . 7. 2培训教师培训初、中级的教师应具有本职业高级及以上职业资格证书;培训高级的教师应具有本职业技师职业资格证书或相关专业中级及以上专业技术职务任职资格;培训技师的教师应具有本职业技师职业资格证书4年以上或相关专业技术职务任职资格。
1 . 7. 3培训场地设备理论培训场地应为标准教室。
实际操作培训场地应为具有多种起重机械的施工现场。
1. 8鉴定要求1 . 8. 1适用对象从事或准备从事本职业的人员。
1 . 8. 2申报条件――初级(具备以下条件之一者)(1)经本职业初级正规培训达规定标准学时数,并取得结业证书。
(2)在本职业连续见习工作2年以上(3)本职业学徒期满――中级(具备以下条件之一者)(1)取得本职业初级职业资格证书后,连续从事本职业工作3年以上,经本职业中级正规培训达规定标准学时数,并取得结业证书。
(2)取得本职业初级职业资格证书后,连续从事本职业工作4年以上。
(3)连续从事本职业工作6年以上。
(4)取得经劳动保障行政部门审核认定的、以中级技能为培养目标的中等以上职业学校本职业(专业)毕业证书。
高级(具备以下条件之一者)(1)取得本职业中级职业资格证书后,连续从事本职业工作4年以上,经本职业高级正规培训达规定标准学时数,并取得结业证书。
起重工职业技能等级
【原创实用版】
目录
1.起重工职业技能等级的定义和重要性
2.起重工职业技能等级的分类和标准
3.各等级起重工的职业技能要求和职责
4.起重工职业技能等级的考核和认证
5.起重工职业技能等级对行业发展的意义
正文
起重工职业技能等级是指根据起重工的技艺水平和职业能力,对其进行等级划分和评价的一种制度。
在我国,起重工职业技能等级的划分有着严格的标准和规定,其等级分为初级、中级、高级和技师级四个等级。
初级起重工主要负责简单的起重作业,需要掌握基本的起重知识和操作技能。
中级起重工则需要具备一定的起重作业经验和技能,能独立完成一般的起重任务。
高级起重工则需要具备较高的技术水平和丰富的实践经验,能够解决起重作业中的复杂问题。
技师级起重工则是起重工行业中的技术精英,他们不仅需要具备高级起重工的技能,还需要具备一定的管理能力和技术创新能力。
起重工职业技能等级的考核和认证是由国家相关部门负责的,考核内容包括理论知识和操作技能两个方面。
只有通过考核,起重工才能获得相应的职业技能等级证书,这是对他们职业技能的法定认可。
起重工职业技能等级的划分和评价,不仅对起重工个人职业发展有着重要的指导作用,也对整个起重工行业的发展有着重要的推动作用。
通过评价起重工的职业技能等级,可以激励起重工提高自身技能,提升行业整体素质,从而推动行业的发展。
吊车工、电梯工工作标准吊车工、电梯工作标准是为了规范和指导吊车工、电梯工在工作中的行为、态度和要求,保障工作的安全、高效进行。
以下是吊车工、电梯工作标准的内容。
一、岗位职责1. 熟悉并遵守公司各项规章制度,严格执行操作规程和要求。
2. 负责吊装、移动、装卸和维修设备,确保操作安全。
3. 定期检查设备的工作状况,保持设备的正常运行和故障排除。
4. 维护工作区域的清洁和整洁,确保工作环境良好。
5. 协助其他相关岗位进行工作,确保工作的协调进行。
6. 配合项目需要,出差或进行加班工作。
二、专业知识与技能要求1. 具备相关工作经验,熟悉各种吊车设备的操作和维护。
2. 熟悉吊装作业的安全规范,能正确判断和操作,确保无事故发生。
3. 具备一定机械、电气知识,能够进行设备维护和故障排除。
4. 熟悉有关电梯工作的标准和规范,了解电梯的基本原理和设备构造。
5. 具备身体力量和耐力,能够适应工作需要的长时间站立和工作强度。
三、安全要求1. 执行安全生产法律法规和公司的安全政策,做到安全第一。
2. 佩戴个人防护用品,如安全帽、安全鞋等,做好个人防护工作。
3. 在吊装作业中,保持操作平稳,确保吊装货物的稳定、安全。
4. 在电梯维护作业中,切勿违反操作规程,防止发生意外事故。
5. 定期检查设备的安全状况,及时发现和解决可能存在的问题。
四、工作态度与行为规范1. 对工作认真负责,遵守工作纪律,不懈怠工作。
2. 始终保持良好的工作态度,乐于助人,积极与他人合作。
3. 敬业精神,积极学习和提高自身的专业技能。
4. 与客户建立良好的沟通和合作关系,保持良好的服务态度。
5. 不得滥用职权,不得索取、接受贿赂。
6. 随时保持工作区域的整洁,保持良好的工作环境。
以上是吊车工、电梯工作标准的主要内容,通过制定和遵守这些标准,可以提高吊车工、电梯工的工作效率和安全性,保障工作的顺利进行。
吊车工、电梯工同样需要不断学习和提高自身的专业知识与技能,适应快速发展的行业需求。
安装起重工职业技能标准1 一般规定1.1安装起重工职业环境为室内、室外及高空作业并且大部分在常温下工作(个别地区除外),施工中会遇有一定光辐射、烟尘、有害气体和环境噪声。
2 职业技能等级要求2.1初级安装起重工应符合下列规定:1理论知识——了解三视图的基本知识;——掌握简单平面图的识读方法;——了解力、作用力及反作用力、力学计算国际单位的概念;——掌握麻绳与钢丝绳的种类及其应用范围及使用注意事项;——掌握常用吊具(绳扣、滑轮、葫芦、千斤顶等)的选择及使用注意事项;——掌握滑车及滑车组的构造及分类;——掌握滑车及滑车组在起重作业中的作用;——了解葫芦的使用注意事项;——了解千斤顶的使用注意事项;——了解卷扬机的使用注意事项;——掌握施工现场基本安全管理制度;——掌握建筑安全生产管理基本规定中关于施工企业和作业人员的义务的有关规定;——掌握建筑安全生产管理基本规定中关于施工作业人员权力的有关规定;——掌握起重作业安全规程;——掌握一般施工用电、用火及消防安全常识。
2 操作技能——根据不同用途正确选择不同种类的绳索;——根据绳索种类制作相应的绳扣;——根据用途正确应用简单的绳索连接方式;——正确使用扣具、索具对吊点进行连接;——掌握葫芦的保养方法;——掌握千斤顶的保养方法;——掌握卷扬机的基本保养方法;——能对卷扬机进行简单的试验。
2.2中级安装起重工应符合下列规定:1理论知识——掌握三视图及投影规律基本知识,掌握平行投影法——掌握建筑图的识读方法;——了解机械配合的基本原理;——掌握简单系统图、平面图、立剖面的原理;——了解机械及建筑制图中常见线型;——掌握力、作用力及反作用力、力学计算国际单位的概念;——掌握力偶与力偶矩的定义;——了解重心、摩擦力与惯性力的定义,惯性计算系数;——掌握麻绳与钢丝绳的破断拉力计算方法;——掌握钢丝绳末端的连接及计算方法;——了解简单平衡梁的基本构造及作用;——掌握葫芦的基本构造及其使用注意事项;——掌握千斤顶的基本构造及其使用注意事项;——掌握卷扬机的基本构造及其使用注意事项;——了解简单地锚的类型及使用注意事项;——了解简单缆风绳设置方法及要求;——掌握自行式起重机基本参数、起重特性、安全装置及稳定性;——掌握中、小型桅杆及桅杆组的组立、移位及放倒方法及工艺;——掌握设备走排滑行运输的工艺及方法;——掌握设备走排滚杠运输的工艺及方法;——掌握简单起重作业操作脚手架搭拆方法及要点;——掌握设备与构件的翻转工艺;——掌握设备的就位与固定方法及要点;——掌握简单柱及条型构件的吊装工艺及要点;——掌握中、小型屋架的吊装工艺及要点;——掌握简单民用常见设备安装程序及要点;——掌握施工现场安全管理要求及方法;——掌握起重及设备、结构等基本安全规程;——掌握电气使用、用电、用火及消防安全常识;——掌握施工一般作业过程中的安全管理理论。
起重作业人员的基本要求范本起重作业人员的基本要求如下:1. 具备合格的起重机械操作执照,且持证有效。
合格的起重机械操作执照是起重作业人员的基本素质要求,必须具备相应的资质才能从事起重作业工作。
2. 具备丰富的起重机械操作经验。
起重作业人员应具备一定的起重机械操作经验,熟悉操作各种类型的起重设备,并且能够根据工程实际需求进行灵活操作。
3. 熟悉起重机械操作安全规范。
起重作业人员应详细了解起重机械操作的安全规范,包括遵守相关法律法规、掌握起重机械的使用要点、正确使用各种起重工具和安全装置等。
4. 具备良好的职业道德素养。
起重作业人员应具备良好的职业道德素养,包括诚信守法、责任心强、工作勤奋、工作纪律性高等,以确保起重作业的安全和顺利进行。
5. 具备一定的机械维护和故障排除能力。
起重作业人员应具备一定的机械维护和故障排除能力,能够进行常规的设备检查和维护,及时处理机械故障,保证起重设备的正常运行。
6. 具备团队合作能力。
起重作业人员通常是在工地或施工现场进行工作,因此应具备良好的团队合作能力,能够与其他工程人员紧密配合,共同完成起重作业任务。
7. 具备应急处理能力。
起重作业人员应具备一定的应急处理能力,能够在突发情况下及时采取应对措施,保护自身和他人的安全。
8. 具备相关知识和技能的不断更新。
起重作业领域的技术和规范不断更新和发展,起重作业人员应具备学习和接受新知识的意识,不断提升自身的综合素质和专业技能。
9. 遵守工作流程和安全操作规程。
起重作业人员应严格遵守工作流程和安全操作规程,确保起重作业过程中的安全和效率。
10. 具备良好的沟通和协调能力。
起重作业人员应具备良好的沟通和协调能力,能够与其他工程人员进行有效的沟通和协作,提高工作效率和质量。
结语:以上是对起重作业人员基本要求的总结。
作为从事起重作业的人员,除了具备相关的证书和操作经验外,还应具备对安全的高度重视,以及良好的职业道德素养和团队合作能力。
安装起重工职业技能标准职业技能标准安装起重工职业技能鉴定规范工种说明与鉴定基本要求工种说明工种编码: 13-025工种名称:安装起重工工种定义:在一定范围内~对指定物品进行垂直起升和水平移动~从而达到生产和检修的目的。
等级线:初、中、高熟练期:一年初级安装起重工职业技能标准知识要求:1、起重机械基本知识。
2、物质质量的计算方法。
、力学基础知识。
34、起重吊点的选择与物体绑扎。
、起重吊运指挥信号。
56、起重司索与指挥人员职责。
7、起重作业安全技术操作规程。
8、起重设备的维修知识。
9、质量管理的一般知识。
技能要求:1、操作与维护起重机械设备。
2、正确使用吊运指挥信号。
3、根据物件的特点合理绑扎~并选择合适的吊点。
4、按安全文明生产及定置管理的规定作业。
5、起重设备的维修技能。
工作实例:1、熟练操作起重设备。
2、熟练点检维护保养起重设备。
3、熟练运用指挥信号。
4、根据物件的特点合理绑扎~并选择合适的吊点。
5、起重设备的维修。
初级安装起重工职业技能鉴定规范知识鉴定内容项鉴定范围鉴定内容鉴定比重目1、起重机械基本知识。
1、起重机的基本类型。
102、起重机的基本参数。
3、起重机的基本结构组成基本 2、物质质量的计算方法。
1、物体质量的计算。
5 知 2、物体质量的估算。
识 3、力学基础知识。
1、力的性质。
52、两力平衡条件、三力平衡汇交定理。
3、力矩与重心。
4、起重机械工艺、操作的一1、起重机械工艺的一般知识。
10般知识 2、起重机械操作规程。
专 5、指挥信号知识。
1、起重机械指挥信号知识。
20 业 6、起重机械的维护保养知识。
1、起重机械的日常点检。
20 知2、起重机械的润滑保养知识。
识 7、起重机械设备维修知识。
1、机械设备的一般维修知识。
202、起重机械设备的一般维修维修知识。
相 8、仪器、仪表及工具使用知1、常用仪器、仪表及工具使用知识。
5 关识。
知 9、安全操作知识。
起重工程师工作标准为了培养年轻的起重技术管理人员,使他们尽快熟悉掌握本专业的技术工作,同时使起重专业的技术管理工作规范化,公司组织编制了本标准。
本标准供公司起重技术管理人员及项目部相关技术人员制定或编制起重吊装施工方案时参照使用。
1 常用施工标准及规范下列文件中的条款通过本标准的引用而成为本标准的条款。
凡是注日期的引用文件,其随后所有的修改单(不包括勘误的内容)或修订版均不适用于本标准,然而,鼓励根据本标准达成协议的各方研究是否可使用这些文件的最新版本。
凡是不注日期的引用文件,其最新版本适用于本标准。
GB/T 1955 《建筑卷扬机》GB 5082 《起重吊运指挥信号》GB/T 5972 《起重机钢丝绳保养、维护、安装、检验和报废》GB 6067 《起重机械安全规程》GB/T 8918 《重要用途钢丝绳》GB/T 20067 《粗直径钢丝绳》GB/T 20118 《一般用途钢丝绳》GB 50007 《建筑地基基础设计规范》GB 50017 《钢结构设计规范》GB 50484 《石油化工建设工程施工安全技术规范》JB/T 2104 《油压千斤顶》JB/T 2592 《螺旋千斤顶》JB/T 9010 《手拉葫芦安全规则》SH/T 3515 《石油化工大型设备吊装工程施工工艺标准》SH/T 3536 《石油化工工程起重施工规范》SY 6279 《大型设备吊装安全规程》HG/T 21574 《化工设备吊耳及工程技术要求》国家质量技术监督局令第13号《特种设备质量监督与安全监察规定》国家质量技术监督局(2001版)《特种设备注册登记与使用管理规则》国家质量监督检验检疫总局令第70号《特种设备作业人员监督管理办法》2 术语和定义2.1 起重施工:安装或者拆除中的工件吊装作业、工件装卸及场内运输作业的统称。
2.2 工件:泛指设备、构件等起重吊装的对象。
2.3 吊装载荷:工件、吊钩组件、吊索具及加强措施等重量的总和。
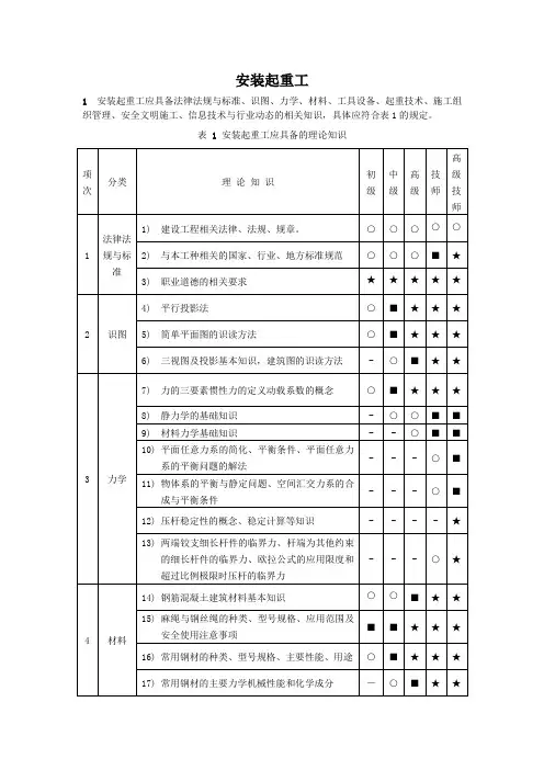
安装起重工1 安装起重工应具备法律法规与标准、识图、力学、材料、工具设备、起重技术、施工组织管理、安全文明施工、信息技术与行业动态的相关知识,具体应符合表1的规定。
表1安装起重工应具备的理论知识注:表中符号“○”表示“了解”;“■”表示“熟悉”;“★”表示“掌握”。
条文说明:3项次9)条,材料力学的基础知识指外力及其分类、内力与截面法、应力与应变、拉杆的变形与虎克定律、轴力计算及轴力图、许用应力与强度条件、材料在拉伸时的力学性质、在压缩时的力学性质、安全系数与许用应力、剪切的基本概念及剪应力计算、扭转的基本概念、外力偶矩和扭转的计算及扭矩图、截面静矩和形心位置、惯性矩和惯性积的计算、截面的主形心惯性轴和主形心惯、组合截面主形心惯性矩的计算、梁上的载荷,梁的支座及支座反力计算、梁的剪力和弯矩的计算、剪力图和弯矩图、梁的剪应力和弯矩应力的计算。
4项次16)条,常用钢材主要指碳钢材质的钢板、钢管、圆钢、槽钢、角钢、工字钢、H型钢、钢轨等。
4项次19)条,常用焊条、焊丝主要指J422、J507、J506系列焊条,H08Mn、H08Mn2S系列焊丝。
4项次20)条,常用连接件主要指普通螺栓和高强螺栓、铆钉、键、销、法兰等连接件。
4项次22)条,常用润滑油(脂)主要指机械油、齿轮油、钙基润滑脂、钠基润滑脂、石墨钙基润滑脂、工业凡士林等。
5项次25)条,常用吊装机具、索具的基础知识指千斤顶的种类、构造及工作原理、手动倒链的种类、构造及工作原理、滑轮的种类、构造及适用范围、滑车组的构成及在起重作业中的作用、麻绳与钢丝绳末端连接方法的种类及适用范围、麻绳与钢丝绳允许拉力经验计算公式。
5项次31)条,通用起重设备包括桥式、龙门式、塔式起重机等。
5项次32)条,桅杆起重机包括独立桅杆、人字桅杆、系缆式桅杆、龙门式桅杆、缆索式起重机等。
2 安装起重工应具备施工准备、设计计算、工具设备、维修保养、起重运输、吊装作业、班组管理、技术创新的相关技能,具体应符合表2的规定。
《起重⼯国家职业标准》起重⼯1.职业概况1.1 职业名称起重⼯1.2 职业定义使⽤⼯具、机具或指挥吊车,将重物吊、移⾄指定位置的⼈员。
1.3 职业等级本职业共设四个等级,分别为:初级(国家职业资格五级)、中级(国家职业资格四级)、⾼级(国家职业资格三级)、技师(国家职业资格⼆级)。
1.4 职业环境室内,室外,⾼空,常温。
1.5 职业能⼒特征(见表)1.6 基本⽂化程度初中毕业。
1.7 培训要求1.7.1 培训期限全⽇制职业学校教育,根据其培养⽬标和教学计划确定。
晋级培训期限:初级不少于240标准学时;中级不少于200标准学时;⾼级不少于180标准学时;技师不少于120标准学时。
1.7.2 培训教师培训初、中级的教师应具有本职业⾼级及以上职业资格证书;培训⾼级的教师应具有本职业技师职业资格证书或相关专业中级及以上专业技术职务任职资格;培训技师的教师应具有本职业技师职业资格证书4年以上或相关专业技术职务任职资格。
1.7.3 培训场地设备理论培训场地应为标准教室。
实际操作培训场地应为具有多种起重机械的施⼯现场。
1.8 鉴定要求1.8.1 适⽤对象从事或准备从事本职业的⼈员。
1.8.2 申报条件——初级(具备以下条件之⼀者)(1)经本职业初级正规培训达规定标准学时数,并取得结业证书。
(2)在本职业连续见习⼯作2年以上。
(3)本职业学徒期满。
——中级(具备以下条件之⼀者)(1)取得本职业初级职业资格证书后,连续从事本职业⼯作3年以上,经本职业中级正规培训达规定标准学时数,并取得结业证书。
(2)取得本职业初级职业资格证书后,连续从事本职业⼯作4年以上。
(3)连续从事本职业⼯作6年以上。
(4)取得经劳动保障⾏政部门审核认定的、以中级技能为培养⽬标的中等以上职业学校本职业(专业)毕业证书。
——⾼级(具备以下条件之⼀者)(1)取得本职业中级职业资格证书后,连续从事本职业⼯作4年以上,经本职业⾼级正规培训达规定标准学时数,并取得结业证书。
标题:国家职业标准下的起重装卸机械操作工在国家职业标准中,起重装卸机械操作工作为一项重要的职业技能,对于工程建设、装卸运输等领域起着至关重要的作用。
这项职业要求从业者具备专业的技能和知识,严格遵守相关的操作规程和安全标准,才能够胜任工作。
在本文中,我将从职业要求、技能培训、安全意识等多个方面对国家职业标准下的起重装卸机械操作工进行全面评估,并共享个人观点和理解。
1. 职业要求国家职业标准对起重装卸机械操作工的职业要求非常明确。
职业要求包括但不限于:(1)具备起吊、装卸机械设备的操作技能,能够熟练操作各类起重机、起重索具等设备;(2)熟悉各类工地施工现场的安全规定,并具备应急处置及救援的能力;(3)能够根据作业需求,选择、使用、保养并正确存放各种起重机械设备。
在实际工作中,起重装卸机械操作工需要具备高度的责任感和工作纪律,确保操作过程中的安全和高效。
2. 技能培训针对国家职业标准中对起重装卸机械操作工的技能要求,现在许多培训机构都提供专业的培训课程。
这些课程包括但不限于:(1)机械设备操作技能的培训,如起重机的操作、索具的使用等;(2)安全意识和规范的培训,包括施工现场安全规范、危险预警和处置等;(3)工程施工流程的培训,了解工程项目的具体要求和作业流程。
通过系统的培训,起重装卸机械操作工可以更好地适应工作需要,提高工作效率,并确保施工过程中的安全。
3. 安全意识在国家职业标准下,倡导起重装卸机械操作工具备良好的安全意识。
这包括但不限于:(1)了解各类安全设备的作用和使用方法,在操作过程中严格遵守安全规定;(2)保持警惕,及时发现设备故障和安全隐患,并及时报告;(3)参与安全生产培训,不断强化安全责任感和使命感。
只有具备强烈的安全意识,起重装卸机械操作工才能在工作中做到严格遵守操作规程,提高工作质量,确保施工现场的安全。
4. 个人观点和理解作为我的文章写手,我认为国家职业标准下的起重装卸机械操作工职业十分重要。
起重工工作标准
Q/YBD-321-S14-2019 1 职责范围
1.1 在班长领导下,进行设备及构架的吊装工作。
1.2 定期对各自所负的起重机具进行日常维护和保管,发现缺陷要及时反映给有关公司。
保证设备处于良好状态。
2 工作内容与要求
2.1 严格执行电力公司的规定和电业安全工作的规程及起重作业的相关技术、安全规定。
2.2 负责一般重件的运输指挥工作。
2.3 负责重载运输对桥梁公路承受重量估计工作。
2.4 负责对起重设备机具的检查、保养及保管工作。
2.5 积极参加班组政治学习、安全学习,努力学习专业技术知识,提高技术业务水平。
2.6 完成上级交付的其他工作。
3 责任与权限
3.1 对起重工机具的完好负责。
3.2 对起重过程中安全措施、设备、人身安全负责。
3.3 对不按时、按质完成任务负责。
3.4 对起重失误事故负责。
3.5 有权拒绝不符合安规及安全要求的行为。
4 检查与考核
4.1 按照岗位职责,接受主管领导及上级部门的工作检查。
4.2 按照**市**供电局和**缙能实业发展有限责任公司内部考核办法和上级主管部门的要求,接受工作考核。
4.3 按照**市**供电局变电检修班内部考核办法,接受工作考核。
起重装卸机械操作工国家职业标准起重装卸机械操作工国家职业标准一、起步部分起重装卸机械操作工国家职业标准,是以国家技能标准为依据,结合国家职业资格标准和行业实际需求,对起重装卸机械操作工这一职业的技能要求、知识要求、素质要求等方面进行了详细规定和解释。
对于从事和准备从事起重装卸机械操作工职业的人员来说,这一标准是他们进行职业技能培训、考核和评价的重要依据。
二、详细解读1. 技能要求起重装卸机械操作工国家职业标准详细规定了操作工在操作起重装卸机械时的技能要求,包括但不限于操作机械的能力、安全操作规范、应急处理能力等。
在实际操作中,起重装卸机械操作工需要对不同类型的机械设备有深入的了解和掌握,例如起重机、塔吊、桥式起重机等。
还需要熟悉和掌握相关的安全操作规范,包括但不限于起重物品的选取和安全系数的计算、操作时的注意事项、紧急情况的处理等。
2. 知识要求起重装卸机械操作工国家职业标准还规定了操作工需要掌握的相关知识要求,包括但不限于起重机械设备的结构原理、维护保养知识、安全生产法律法规等。
作为一名合格的起重装卸机械操作工,不仅需要具备操作机械的技能,还需要对机械设备的结构原理有深入的了解,以便在实际操作中能够灵活运用。
还要了解相关的维护保养知识,确保设备的正常运行和安全性。
对于安全生产法律法规的掌握更是必不可少,这关乎到操作工本人的安全和生产环境的安全。
3. 素质要求操作工在起重装卸机械操作中,还需要具备一定的素质要求,这包括但不限于责任心、沟通能力、团队合作意识等。
在实际操作中,操作工需要对自己的操作和周围环境有高度的责任心,确保操作的安全和准确。
还需要具备良好的沟通能力,能够与相关人员进行有效的沟通和协调。
团队合作意识也是必不可少的,尤其是在多人协作的情况下,需要与他人密切配合,确保工作的顺利进行。
三、总结回顾起重装卸机械操作工国家职业标准的制定,对于规范和提升这一职业的技能水平、知识水平和素质水平具有重要意义。
(起重工)职业标准【一】职业概况1.1职业名称起重工1.2职业定义具有良好的起重吊装运输,物料搬运的专业技术和相关知识,从事设备及货物的吊装搬运移位的工作人员。
1.3职业等级由低到高分为四级:起重工〔五级〕〔国家职业资格五级〕、起重工〔四级〕〔国家职业资格四级〕、起重工〔三级〕〔国家职业资格三级〕、起重工〔二级〕〔国家职业资格二级〕、起重工〔一级〕〔国家职业资格一级〕。
1.4职业环境条件一般行业:室内、外,常温。
在冶金化工熔炼行业有高温,及可闻的气体环境。
1.5职业能力特征具有组织、指挥能力、高空作业能力,色视觉正常,四肢灵活及良好的沟通能力。
1.6差不多文化程度初中毕业〔或同等学历〕。
1.7鉴定要求1.7.1适用对象从事或预备从事本职业的人员。
1.7.2申报条件参照《上海市职业技能鉴定申报条件》申报1.7.3鉴定方式起重工〔五级〕、起重工〔四级〕采纳非一体化鉴定方式:分为理论知识考试和操作技能考核两部分。
理论知识考试采纳闭卷笔试方式,操作技能考核采纳现场实际操作方式,其中起重工〔五级〕以差不多功考点考核形式,起重工〔四级〕以实践课题考核形式,理论知识考试和操作技能考核均实行百分制,成绩皆达60分以上者为合格;起重工〔三级〕、起重工〔二级〕采纳一体化鉴定方式,将理论知识考试融合在操作技能的考核中,分模块进行鉴定。
实行百分制,各个模块鉴定成绩皆达60分以上者为合格。
1.7.4鉴定场所设备理论知识考试:采光、照明良好的教室。
操作技能考核:1.采光、照明良好的教室,差不多起重工具、索具、摄影机。
2.露天吊装场地、起重机3.达到相应等级考核要求的生产项目现场。
二.工作要求2.1“职业功能”、“工作内容”一览表2.2.1起重工〔五级〕2.2.1起重工〔四级〕2.2.1起重工〔三级〕2.2.1起重工〔二级〕。
起重工》职业标准
一、职业概况
1.1职业名称
起重工
1.2职业定义
具有良好的起重吊装运输,物料搬运的专业技术和相关知识,从事设备及货物的吊装搬运移位的工作人员。
1.3职业等级
由低到高分为四级:起重工(五级)(国家职业资格五级)、起重工(四级)(国家职业资格四级)、起重工(三级)(国家职业资格三级)、起重工(二级)(国家职业资格二级)、起重工(一级)(国家职业资格一级)。
1.4职业环境条件
一般行业:室内、外,常温。
在冶金化工熔炼行业有高温,及可闻的气体环境。
1.5职业能力特征
具有组织、指挥能力、高空作业能力,色视觉正常,四肢灵活及良好的沟通能力。
1.6基本文化程度
初中毕业(或同等学历)。
1.7鉴定要求
1.7.1适用对象
从事或准备从事本职业的人员。
1.7.2申报条件
参照《上海市职业技能鉴定申报条件》申报
1.7.3鉴定方式
起重工(五级)、起重工(四级)采用非一体化鉴定方式:分为理论知识考试和操作技能考核两部分。
理论知识考试采用闭卷笔试方式,操作技能考核采用现场实际操作方式,其中起重工(五级)以基本功考点考核形式,起重工(四级)以实践课题考核形式,理论知识考试和操作技能考核均实行百分制,成绩皆达60 分以上者为合格;
起重工(三级)、起重工(二级)采用一体化鉴定方式,将理论知识考试融合在操作技能的考核中,
分模块进行鉴定。
实行百分制,各个模块鉴定成绩皆达60 分以上者为合格。
1.7.4 鉴定场所设备
理论知识考试:采光、照明良好的教室。
操作技能考核: 1.采光、照明良好的教室,基本起重工具、索具、摄影机。
2.露天吊装场地、起重机
3.达到相应等级考核要求的生产项目现场。
.工作要求2.1“职业功能”、“工作内容”一览表
2.2.1起重工(三级)
2.2.1起重工(二级)。