PLC程序控制流程图范例.doc
- 格式:doc
- 大小:131.00 KB
- 文档页数:5
按钮式人行横道指示灯PLC控制系统应用并行性分支与汇合编程方法设计一个按钮式人行横道指示灯的控制程序,其工作示意图所示。
按钮式人行道交通灯的工作示意图一、实训目的1.熟悉步进顺控指令的编程和用法;2.掌握并行性流程程序的编制;3.掌握按钮式人行横道指示灯的程序设计及其外部接线。
二、实训器材1.可编程控制器模块1台(FX2N-48MR);2.实训控制台1个;3.电工常用工具1套;4.手持式编程器或计算机1台;5.连接导线若干。
三、实训要求应用并行性分支与汇合编程方法设计一个按钮式人行横道指示灯的控制程序。
控制要求如下:按X0或X1按钮,人行横道和车道指示灯按图9.2所示工作时序点亮。
按钮X0或X1闪5次15S5S20S30S 10S30ST0T1T2T3T4=T5=0.5S 车道绿(Y3)车道黄(Y2)车道红(Y1)人行道红(Y5)人行道绿(Y6)图9.2 按钮式人行横道指示灯的工作时序图四、软件程序1.I/O 点分配X0:左起动;Xl :右起动;Y1:车道红灯;Y2:车道黄灯;Y3:车道绿灯;Y5:人行道红灯;Y6:人行道绿灯。
2.程序设计方案根据系统控制要求及PLC 的I/O 分配,设计双头钻床的程序如图9.3所示。
说明:1)PLC 从STOP-RUN 时,初始状态S0动作,车道信号为绿灯,人行道信号为红灯;2)当车道两侧行人要过车道时,可分别按人行横道按钮X0或X1,则状态转移到S0和S30,车道为绿灯,人行道为红灯;3)30S后车道为黄灯,人行道仍为红灯;4)再过10S后车道变红灯,人行道仍为红灯,同时定时器T2起动,5S后T2触点接通,人行道变为绿色;5)15S后人行道绿灯开始闪烁(S32人行道绿灯灭,S33人行道绿灯亮),闪烁间隔0.5秒。
6)中S32、S33反复循环动作,计数器C0设定值为5,当循环即闪烁达到5次时,C0常开触点就接通,动作状态向S34转移,人行道变为红灯,期间车道仍为红灯,5S后返回初始状态,完成一个周期的动作。
PLC流程图法编程及实例可编程逻辑控制器(PLC)是一种广泛应用于工业自动化领域的设备,它通过接收输入信号,执行内部程序,从而控制输出信号,实现对设备的控制。
PLC编程的方法有很多种,其中,流程图法是一种常用的编程方法。
本文将介绍PLC流程图法编程的基本概念、优点、实例及应用实践经验。
PLC流程图法编程是一种图形化的编程语言,它将PLC程序转换成直观的流程图形式,通过在流程图中定义输入、输出变量,以及各个步骤之间的逻辑关系,来实现对PLC程序的编写和控制。
流程图法编程具有直观易懂、易于学习、易于维护等优点,因此,它成为了很多工程师和技术人员首选的PLC编程方法。
直观易懂:流程图使用图形化的方式来表示PLC程序,可以直观地展示程序的结构和逻辑关系,方便工程师和技术人员理解和分析。
易于学习:相比于传统的文本编程语言,流程图法编程更加简单易懂,即使是没有PLC编程经验的人也可以快速上手。
易于维护:在PLC程序调试过程中,流程图法可以更快速地找到程序中的错误和漏洞,方便工程师和技术人员进行程序的修改和维护。
提高效率:使用流程图法编程,可以减少程序调试的时间和成本,提高PLC程序的开发效率。
下面以一个简单的PLC程序为例,介绍如何使用流程图法进行编程。
实例:设计一个控制设备,当按下启动按钮后,设备开始工作,当按下停止按钮后,设备停止工作。
输入变量:启动按钮(X0)、停止按钮(X1)在绘制流程图时,我们需要将输入变量和输出变量在图中表示出来,并使用图形符号来表示输入输出之间的逻辑关系。
根据上面的实例,我们可以绘制如下流程图:开始 -->启动按钮(X0) -->设备状态(Y0) -->工作| ||---------->停止按钮(X1) <--|设备状态(Y0) -->工作状态 <--停止状态 <--结束根据流程图,我们可以编写如下的PLC程序:LD X0 //检查启动按钮是否按下OUT Y0 //将设备状态输出为工作状态LD X1 //检查停止按钮是否按下OUT Y0 //将设备状态输出为停止状态在编写PLC程序时,有些问题需要特别注意:变量的命名:为了避免程序出错和便于维护,变量命名要规范、有含义、易记忆。
PLC顺序控制的程序设计实例
一、局部设计——送料小车的工作
1.循环过程:
①小车处于最左端,装料电磁阀YC1得电,延时20秒;
②装料结束,接触器KM3、KM5得电,向右快行;
③碰到限位开关SQ2,KM5失电,小车慢行;
④碰到SQ4,KM3失电小车停,电磁阀YC2得电卸料开始,延时15秒;
⑤卸料结束后,接触器KM4、KM5得电,小车向左快行;
⑥碰到限位开关SQ1,KM5失电,小车慢行;
⑦碰到SQ3,KM4失电,小车停,装料开始……如此周而复始。
⑧整个过程分为装料、右快行、右慢行、卸料、左快行、左慢行六个状态
2.确定相邻状态的转换条件
3.对输入、输出设备按plc的输入/输出点进行分配
4.画出状态表或顺序功能图
5.编写梯形图(使用基本指令编写的梯形图)
5.编写梯形图(使用步进指令编写的梯形图)
5.编写梯形图(使用移位指令编写的梯形图)
▲比较:
①用基本指令编写的梯形图较长,但灵活性好,可用来编制较复杂的梯形图。
②用移位指令编写的梯形图,关键是要处理好移位脉冲的产生。
③用步进指令编写的梯形图最为直观,和顺序功能图有很好对应关系,可直接从顺序功能图得到梯形图。
④也可以用置位、复位指令编写。
二、综合设计
工作方式:全自动、半自动、单步、手动等。
1.控制要求控制系统可以根据生产的需要将液位分为多段来设定,并分段显示,当液位为最低限时自动启动料泵加液,液位到达设定值时发出声光报警,并停泵;操作人员可通过确认按钮解除音响报警信号,闪烁灯光转平光;系统具有手动/自动两种控制方式,并设有试验功能。
2.PLC选型目前在国内市场上有从美国、德国、日本等国引进的多种系列PLC,国内也有许多厂家组装、开发数十种PLC,故PLC系列标准不一,功能参差不齐,价格悬殊。
在此情况下,PLC的选择应着重考虑PLC的性能价格比,选择可靠性高,功能相当,负载能力合适,经济实惠的PLC。
本文介绍以四段液位控制对象为例,据对多种因素的分析比较及监控系统输入、输出点数的要求,选用日本立石(OMRON)公司C20P型PLC。
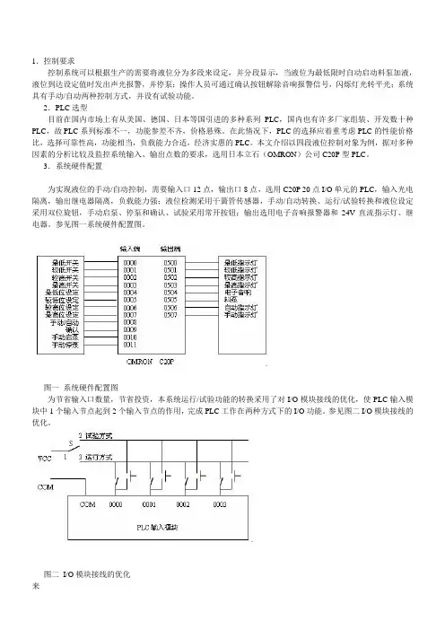
3.系统硬件配置为实现液位的手动/自动控制,需要输入口12点,输出口8点,选用C20P 20点I/O单元的PLC,输入光电隔离,输出继电器隔离,负载能力强;液位检测采用干簧管传感器,手动/自动转换、运行/试验转换和液位设定采用双位旋钮,手动启泵、停泵和确认、试验采用常开按钮;输出选用电子音响报警器和24V直流指示灯、继电器。
参见图一系统硬件配置图。
图一系统硬件配置图为节省输入口数量,节省投资,本系统运行/试验功能的转换采用了对I/O模块接线的优化,使PLC输入模块中1个输入节点起到2个输入节点的作用,完成PLC工作在两种方式下的I/O功能。
参见图二I/O模块接线的优化。
图二I/O模块接线的优化来4.系统软件设计4.1 控制程序流程图图三系统流程图4.2 编程说明①本系统为液位的双位控制系统。
液位可分四段设定和显示,在最低液位时自动启泵,当液位到达设定值时自动停泵。
②采用IL/ILC分支指令,通过0008旋钮实现手动/自动两种功能的选择,当0008旋钮闭合时,自动指示灯亮,系统执行IL/ILC分支内程序,完成自动监控;当0008旋钮打开时,手动指示灯亮,系统执行分支外程序,通过0010、0011旋钮实现手动启泵、停泵。
PLC 程序详解(图文并貌)一、时间继电器:TON 使能=1计数,计数到设定值时(一直计数到32767),定时器位=1。
使能=0复位(定时器位=0)。
TOF 使能=1,定时器位=1,计数器复位(清零)。
使能由1到0负跳变,计数器开始计数,到设定值时(停止计数),定时器位=0。
如下图:图1:使能=1时,TOF(T38)的触点动作图图2断开计数设值:使能后,到定后,TOF (T38触动图)的点作(其中T38开触常点是在使能由1到0负变跳计数计时设值变为后器到定后0的)TONR 使能=1计数开计数计数设值时计数,器始,到定,器位=1断开计数计数计数。
使能,器停止,器位仍为1为,使能位再1时计数来计数础计数,器在原的基上。
种计数过以上三器可以通复位复指令位。
计数正交器 A 相超前B 相90计数度,增B 相超前A 相90减计数度,当变计数时计数减计数要改方向(增或),只要A 相和B 线换相的接交一下就可以了。
二、译码指令和编码指令:译码指令和编码指令执行结果如图所示:DECO 是将VW2000的第十位置零(为十进制的1024),ENCO 输入IN 最低位为1的是第3位,把3写入VB10(二进制11)。
三、填表指令(ATT)S7-200填表指令(ATT)的使能端(EN)必须使用一个上升沿或下降沿指令(即在下图的I0.1后加一个上升沿或下降沿),若单纯使用一个常开触点,就会出现以下错误:这一点在编程手册中也没有说明,需要注意。
其他的表格指令也同样。
四、数据转换指令使用数据转换指令时,一定要注意数据的范围,数据范围大的转换为数据范围小的发注意不要超过范围。
如下图所示为数据的大小及其范围。
(1)BCD码转化为整数(BCD_I)关于什么是BCD码,请参看《关于BCD码》。
BCD码转化为整数,我是这样理解的:把BCD码的数值看成为十进制数,然后把BCD到整数的转化看成是十进制数到十六进制数的转化。
如下图所示,BCD码为54,转化为整数后为36。
六个典型PLC程序实例详解(附图),自控项目轻松入门!(1)十字路口的交通指挥信号灯布置一、控制要求(1)信号灯系统由一个启动开关控制,当启动开关接通时,该信号灯系统开始工作,当启动开关关断时,所有信号灯都熄灭。
(2)南北绿灯和东西绿灯不能同时亮。
如果同时亮应关闭信号灯系统,并立刻报警。
(3)南北红灯亮维持25s。
在南北红灯亮的同时东西绿灯也亮,并维持 20s。
到 20s 时,东西绿灯闪亮,闪亮 3s 后熄灭,此时,东西黄灯亮,并维持 2s。
到 2s 时,东西黄灯熄灭,东西红灯亮。
同时,南北红灯熄灭,南北绿灯亮。
(4)东西红灯亮维持30s。
南北绿灯亮维持25s,然后闪亮3s 后熄灭。
同时南北黄灯亮,维持 2s 后熄灭,这时南北红灯亮,东西绿灯亮。
(5)以上南北、东西信号灯周而复始地交替工作状态,指挥着十字路口的交通,其时序如下所示。
二、PLC 接线三、定义符号地址四、梯形图程序(2)电梯控制电梯的上升、下降由一台电动机控制;正转时电梯上升、反转时电梯下降。
各层设一个呼叫开关(SB1、SB2、SB3)、一个呼叫指示灯(H1、H2、H3)、一个到位行程开关(ST1、ST2、ST3)。
一、控制要求:1、各层的呼叫开关为按钮式开关,SB1、SB2 及 SB3 均为瞬间接通有效(即瞬间接通的即放开仍有效)。
2、电梯箱体上升途中只响应上升呼叫,下降途中只响应下降呼叫,任何反方向呼叫均无效,简称为不可逆响应。
具体动作要求,如下表。
3、各楼层间有效运行时间应小于10S,否则认为有故障、自动令电动机停转。
(3)多种液体自动混合装置的 PLC 控制如图所示为三种液体混合装置,SQ1、SQ2、SQ3 和 SQ4 为液面传感器,液面淹没时接通,液体 A、B、C 与混合液阀由电磁阀 YV1、YV2、YV3、 YV4 控制,M 为搅匀电动机,其控制要求如下:1.初始状态装置投入运行时,液体A、B、C 阀门关闭,混合液阀门打开20s 将容器放空后关闭。
干货!常见的PLC程序实例详解,看完就懂(附图)十字路口的交通指挥信号灯布置:一、控制要求(1)信号灯系统由一个启动开关控制,当启动开关接通时,该信号灯系统开始工作,当启动开关关断时,所有信号灯都熄灭。
(2)南北绿灯和东西绿灯不能同时亮。
如果同时亮应关闭信号灯系统,并立刻报警。
(3)南北红灯亮维持25s。
在南北红灯亮的同时东西绿灯也亮,并维持 20s。
到 20s 时,东西绿灯闪亮,闪亮 3s 后熄灭,此时,东西黄灯亮,并维持 2s。
到 2s 时,东西黄灯熄灭,东西红灯亮。
同时,南北红灯熄灭,南北绿灯亮。
(4)东西红灯亮维持30s。
南北绿灯亮维持25s,然后闪亮3s 后熄灭。
同时南北黄灯亮,维持 2s 后熄灭,这时南北红灯亮,东西绿灯亮。
(5)以上南北、东西信号灯周而复始地交替工作状态,指挥着十字路口的交通,其时序如下所示。
二、PLC 接线三、定义符号地址四、梯形图程序三层楼电梯控制电梯的上升、下降由一台电动机控制;正转时电梯上升、反转时电梯下降。
各层设一个呼叫开关(SB1、SB2、SB3)、一个呼叫指示灯(H1、H2、H3)、一个到位行程开关(ST1、ST2、ST3)。
一、控制要求:(1)各层的呼叫开关为按钮式开关,SB1、SB2 及 SB3 均为瞬间接通有效(即瞬间接通的即放开仍有效)。
(2)电梯箱体上升途中只响应上升呼叫,下降途中只响应下降呼叫,任何反方向呼叫均无效,简称为不可逆响应。
具体动作要求,如下表。
(3)各楼层间有效运行时间应小于10S,否则认为有故障、自动令电动机停转。
多种液体自动混合装置的 PLC 控制如图所示为三种液体混合装置,SQ1、SQ2、SQ3 和 SQ4 为液面传感器,液面淹没时接通,液体 A、B、C 与混合液阀由电磁阀 YV1、YV2、YV3、 YV4 控制,M 为搅匀电动机,其控制要求如下:1.初始状态装置投入运行时,液体A、B、C 阀门关闭,混合液阀门打开20s 将容器放空后关闭。
电气可编程控制原理与应用(PLC)的实验报告实验人员:陶建美日期:2011年6月21日实验项目:电梯控制报告框架(Ctrl+点击该链接,即可转入相应模块)一、实验目的与要求二、实验设备三、实验内容四、实验过程1、电梯的基本构造2、PLC的基本结构3、PLC的工作原理4、电梯控制构成5、输入输出(I/O)端口功能分配表6、程序执行流程图7、梯形图(1)定时器T0 (2)一楼的控制(3)二楼的控制(4)三楼的控制(5)四楼的控制(6)确定电梯楼层位置(7)电梯趋势确定(8)电梯上行程序(9)电梯下行程序8、指令表五、问题与解决方案六、实验总结与心得体会电气可编程控制原理与应用(PLC)的实验报告电梯控制一、实验目的与要求1、运用所学基本理论、基本知识和基本技能,分析与解决实际问题的能力,通过设计掌握控制PLC控制系统的基本设计方法和应用。
2、设计出一个四层楼电梯控制。
3、完成并实现实验内容的基本功能要求。
二、实验设备计算机、PLC可编程控制器、FXGPWIN应用软件三、实验内容1、四层楼电梯基本设计2、停止有刹车及保险止降装置3、根据楼层请求上下,先来优先4、请求与趋势同优先5、楼内可以撤销楼内请求四、实验过程1、电梯的基本构造电梯是一种特殊的起重运输设备,由桥厢及配重、拖动机及减速传动机械、井道及井道设备、召唤系统及安全装置构成。
桥厢是载人或装货的部位,配重是为了改变电梯电机负载的特性以提高电梯安全性而设置的。
下图是电梯拖动系统示意图,图中可见电梯的桥厢及配重分系在钢丝绳的两端,钢丝绳跨挂在曳引轮上,曳引轮经减速机构由电机拖动,形成桥厢的上下运动。
2、PLC的基本结构从结构上分,PLC分为固定式和组合式(模块式)两种。
固定式PLC包括CPU板、I\O板、内存板、电源等,这些元素组成一个不可拆卸的整体。
模块式PLC包括CPC模块、I\O模块、电源模块、地板或支架,这些模块可以按照一定规则组合配置。
3、PLC的工作原理当PLC投入运行后,其工作过程一般分为三个阶段,即输入采样、用户程序执行和输出刷新三个阶段。
经典的PLC程序实例-交通信号灯1、交通信号灯控制PLC配置示意图2、交通信号灯系统正常工作时序图3、实现主干道信号灯控制的梯形图二、PLC实例—五层电梯控制1、五层电梯控制PLC配置图2、实现五层电梯换向和换速控制的梯形图三、PLC实例-星—角降压启动电机控制1、星—角降压启动电机控制原理图2、电机控制PLC配置图3、实现电机控制的梯形图四、PLC实例—恒压供水1、恒压供水控制PLC配置图2、恒压供水系统控制梯形图五、PLC实例—液体混合系统1、液体混合系统PLC配置示意图2、液体混合系统控制梯形图六、PLC实例—供料系统启停控制1、供料系统启停控制工艺要求2、供料系统控制PLC配置图3、供料系统控制梯形图PLC位置控制实际编程案例,值得收藏我相信,工控行业的小伙伴们应该都知道电机运行控制在自动化设备行业中的重要性。
尤其是步进或者伺服电机的控制,现在显得尤为重要。
刚接触脉冲控制步进或是伺服的时候,我也很迷惑,根本不清楚如何运作。
但是努力总会有回报的。
现在给小伙伴们一个简单的例程来学习下吧。
首先控制设备示意图呈现给大家,以便使大家的理解更为直观。
控制设备示意图控制要求如下:上图中的运输设备中,当按下PB1(X1),便会向右移动一段距离然后停下。
按下PB2(X2)时,则自动退回原来的位置。
在系统运行之前,需要按下PB3(X5),设备进行回零位操作后,才能启动系统。
针对以上控制要求,我们该如何做呢?相信大家有很多思路,大家不妨使用自己熟悉的PLC进行实际的程序编写,然后再运行程序,看是否能达到自己想要的效果。
今天小编以松下PLC为例,给小伙伴们演示一下吧。
右边移动程序左边移动程序回零位及减速停止程序。
1、引言
目前,可编程序控制器(简称PLC)由于具有功能强、可编程、智能化等特点,已成为工业控制领域中最主要的自动化装置之一,它是当前电气程控技术的主要实现手段。
用PLC控制系统取代传统的继电器控制方式,可简化接线,方便调试,提高系统可靠性。
触摸屏是专为PLC应用而设计的一种高科技人机界面产品,由于操作简便、界面美观、节省控制面板空间、性价比高和人机交互性好等优点,近年来已越来越多地被应用于工业控制等领域。
本文利用PLC和触摸屏技术研制了水位传感器测试系统,该系统主要用于进行洗衣机用水位传感器的质量检测,整个系统实现简单、稳定性好、自动化程度高,代替了以前的纯手动操作,较好地满足实际生产的要求,提高了生产效率。
2、系统控制原理及要求
洗衣机用水位传感器的工作原理是将水位高度的变化转换成传感器内部膜片上压力的变化,从而导致传感器输出电感L的变化,将水位传感器输出电感与外部电路组成LC振荡电路,就可将电感的变化转换成振荡频率的变化,不同的水位高度通过水位传感器可以产生不同的振荡频率,最后通过检测振荡频率与水位高度的对应关系,就可实现水位传感器的质量检测。
图1 控制系统原理框图
图1为控制系统原理框图。
测试系统要求能在不同的水位高度时,准确测量出由水位传感器组成的振荡电路的振荡频率,水位高度和振荡频率的测量精度要求较高,因此,对测试系统的要求较高。
作为主电机的直流电动机由PLC进行控制,电机实现PID调速,电机的输出通过减速机构与执行机构相连,最后带动细钢管在水箱中上下移动来按检测要求控制管内水位高度的准确变化,通过编码器实现水位高度变化的实时检测,频率的实时检测由PLC的高速计数器来完成。
控制命令的输入接PLC的输入端,PLC的输出端接执行继电器和工作状态指示灯等。
系统中采用触摸屏作为人机界面,显示操作画面,进行参数修改和指令输入。
通过触摸屏可实现水位上升、下降高度等参数的设定和修改,实现实际水位高度变化、输出振荡频率和总产量等的实时显示等,并可对工作进程进行实时监控。
3、控制系统硬件组成
根据水位传感器测试系统的工艺特点和控制要求,本系统选用三菱公司的FX1N-24MR基本型PLC,共有24点输入输出,其中14个输入点,10个继电器输出点,其环境温度、抗冲击、抗噪声等性能指标均能满足要求。
图2为PLC控制系统硬件接线图。
输入X0~X1为编码器的A、B相输出脉冲信号,X3为振荡频率信号,X4~X14为按钮、选择开关、限位开关和计数开始等信号,输出Y0~Y7分别控制继电器、信号指示灯等。
图2 控制系统硬件接线图
水位高度的测量主要是通过编码器来完成,编码器的A、B相可向可编程序控制器的高速计数端发出脉冲,并通过高速计数器C251获得该脉冲的计数值。
当电动机转动时,高速计数器的计数值就会不断累加。
通过传动机构的合理设置,每个脉冲对应0.25mm的水位高度变化,通过编程计算,可以算出实际水位高度的变化。
振荡信号频率的测量可利用PLC的高速计数器C253完成,通过编程,可以利用高速计数器C253在规定的时间内(如3s)对振荡信号的脉冲数进行计数,并将计数值取出并放在数据存储器D0中,那么将D0中的值除以3所得的值就是所要测量的振荡频率的大小。
触摸屏选用台湾生产的性价比较高的PWS6600S,配备有5.7英寸高清晰度液晶显示屏,分辨率为320×240,通过一个RS232串口与PLC实现串行通讯。
支持静态文字控件,支持on/off 按钮、数值输入、画面按钮、数值显示、状态指示灯控件等动态对象,支持中文显示。
当在静态文字控件中指定变量时,触摸屏能够在屏幕上实时显示与之相连的PLC中的变量值,这给工作人员实现系统监控和状态检测提供了较大的方便。
当操作人员触摸数值输入控件时,PWS6600S自动弹出虚拟数字键盘,包括0~9等数字和清空、取消、删除和确定等。
输入数字后按取消键取消可输入值,按确定键确定输入,虚拟数字键盘消失后,控件中的数字也就成为输入值,相应的PLC中对应变量也随之改变。
当操作人员触摸on/off按钮、画面按钮、状态指示灯和数值显示等控件时,PWS6600S可以触发按钮按下、按钮弹起、画面切换、状态显示和数值显示等事件,操作人员可以进行清除数据、改变工作模式、选择屏幕画面等工作。
4、系统软件设计
系统软件包括PLC控制软件和触摸屏软件两部分。
PLC具有丰富的编程指令,软件设计环境良好,可采用梯形图(LD)、顺序功能图(SFC)和指令表(IL)等基本的编程语言。
本系统采用梯形图编程,编程软件为FXGP,先利用计算机(PC)进行编程和调试,调试成功后通过接口电缆将控制程序下载到PLC中。
PLC程序主要包括主程序和分段上升、分段下降子程序等,其中分段上升、分段下降子程序主要是使细钢管按测试要求分七段进行上升和下降,以便测试不同水位高度时传感器输出的频率大小,从而判断水位传感器的质量好坏。
图3为PLC程序控制流程图。
图3 PLC程序控制流程图
PWS6600S触摸屏画面由专用支持软件ADP6.0进行设计组态,先在个人计算机上用该软件设计窗口、菜单、按钮等界面,设计完成后通过RS232串行口将程序下载至PWS6600S触摸屏内存中,由PLC对触摸屏状态控制区和通知区进行读写达到两者之间的信息交互。
PLC读触摸屏状态通知区中的数据,得到当前画面号,而通过写触摸屏状态控制区的数据,强制切换画面。
触摸屏加电后就进入设计画面,通过触摸屏按钮可显示和修改PLC数据存储器的数据,实现与PLC的通讯。
整个画面由两部分组成:一部分为显示画面,主要包括系统画面、测试系统的运行状态、水位高度显示、振荡频率输出、显示每天的总产量等画面,如图4所示;另一部分为参数设定画面,主要用来设定工作模式、水位分段上升、下降的数值等,如图5所示。
由于PWS6600S触摸屏具有较强的人机交互功能,以及简便的操作特性,简洁的界面和高可靠性,因此得到了较好的使用效果。
5、结束语
将PLC和触摸屏技术应用于水位传感器检测系统,使操作更加简便,速度、水位高度可按测试要求进行控制,极大地提高了系统的可靠性和工作效率,控制精度高,操作性强,并可通过触摸屏观察PLC内部的工作情况和现场工况,核定相关参数,操作灵活、方便。
本系统成功开发以来,已先后在多家为洗衣机生产厂家配套的水位传感器生产厂家投入使用,系统稳定可靠,经济效益十分明显,同时,因其操作简单、实用性强,数据可实时监控等特点,受到用户的普遍好评。