漏电保护器检测记录表
- 格式:doc
- 大小:50.50 KB
- 文档页数:1
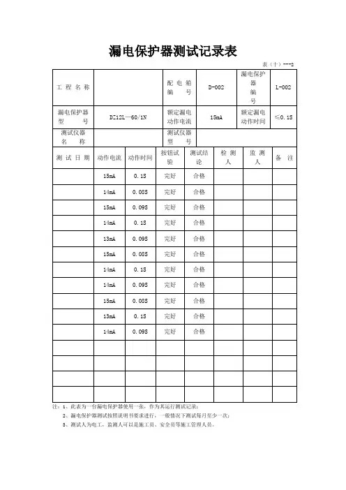
漏电保护器测试记录表注:1、此表为一台漏电保护器使用一张,作为其运行测试记录;2、漏电保护器测试按照说明书要求进行,一般情况下测试每月至少一次;3、测试人为电工,监测人可以是施工员、安全员等施工管理人员。
漏电保护器测试记录表注:1、此表为一台漏电保护器使用一张,作为其运行测试记录;2、漏电保护器测试按照说明书要求进行,一般情况下测试每月至少一次;3、测试人为电工,监测人可以是施工员、安全员等施工管理人员。
注:1、此表为一台漏电保护器使用一张,作为其运行测试记录;2、漏电保护器测试按照说明书要求进行,一般情况下测试每月至少一次;3、测试人为电工,监测人可以是施工员、安全员等施工管理人员。
注:1、此表为一台漏电保护器使用一张,作为其运行测试记录;2、漏电保护器测试按照说明书要求进行,一般情况下测试每月至少一次;3、测试人为电工,监测人可以是施工员、安全员等施工管理人员。
注:1、此表为一台漏电保护器使用一张,作为其运行测试记录;2、漏电保护器测试按照说明书要求进行,一般情况下测试每月至少一次;3、测试人为电工,监测人可以是施工员、安全员等施工管理人员。
漏电保护器测试记录表注:1、此表为一台漏电保护器使用一张,作为其运行测试记录;2、漏电保护器测试按照说明书要求进行,一般情况下测试每月至少一次;3、测试人为电工,监测人可以是施工员、安全员等施工管理人员。
注:1、此表为一台漏电保护器使用一张,作为其运行测试记录;2、漏电保护器测试按照说明书要求进行,一般情况下测试每月至少一次;3、测试人为电工,监测人可以是施工员、安全员等施工管理人员。
注:1、此表为一台漏电保护器使用一张,作为其运行测试记录;2、漏电保护器测试按照说明书要求进行,一般情况下测试每月至少一次;3、测试人为电工,监测人可以是施工员、安全员等施工管理人员。
漏电保护器测试记录表注:1、此表为一台漏电保护器使用一张,作为其运行测试记录;2、漏电保护器测试按照说明书要求进行,一般情况下测试每月至少一次;3、测试人为电工,监测人可以是施工员、安全员等施工管理人员。
漏电保护器检测记录表工程名称施工单位中建四局一公司环境温度: ℃检测日期:20 年月日检测人:检测仪型号:UT586序号安装地点线路编号名称漏保型号额定参数测定参数按扭试验检测结论动作电流动作时间动作电流动作时间1 1#配电柜1#塔吊回路DZ20LE 150mA 200mssmA ms 2#塔吊回路DZ20LE150mA 200mssmA ms 17#主配电箱回路DZ20LE150mA 200mssmA ms 16#主配电箱回路DZ20LE150mA 200mssmA ms2 2#配电柜5#塔吊回路DZ20LE150mA 200mssmA ms 4#塔吊回路DZ20LE150mA 200ms mA ms14#主配电箱回路DZ20LE 150mA 200ms mA ms33#配电柜3#塔吊回路DZ20LE150mA 200mssmA ms 6#塔吊回路DZ20LE150mA 200mssmA ms 15#楼主配电箱回路DZ20LE150mA 200mssmA ms 13#楼主配电箱回路DZ20LE150mA 200mssmA ms 12#楼主配电箱回路DZ20LE150mA 200mssmA ms4 6#塔吊动力开关箱DZ15LE 30mA 100mssmA ms 照明开关箱DZ15LE30mA 100ms mA ms55#塔吊动力开关箱DZ15LE30mA 100ms mA ms照明开关箱DZ15LE30mA 100ms mA ms6 4#塔吊动力开关箱DZ15LE30mA 100ms mA ms照明开关箱DZ15LE30mA 100ms mA ms7 3#塔吊动力开关箱DZ15LE30mA 100ms mA ms 塔吊照明开关箱DZ15LE30mA 100ms mA ms8 2#塔吊动力开关箱DZ15LE30mA 100ms mA ms 塔吊照明开关箱DZ15LE30mA 100ms mA ms9 1#塔吊动力开关箱DZ15LE30mA 100ms mA ms照明开关箱DZ15LE30mA 100ms mA ms1015#楼二级箱切断机开关箱DZ15LE30mA 100ms mA ms弯曲机开关箱DZ15LE30mA 100ms mA ms调直机开关箱DZ15LE30mA 100ms mA ms1015#楼二级箱对焊机开关箱DZ15LE30mA 100ms mA ms15#楼楼层开关箱DZ15LE30mA 100ms mA ms 照明开关箱DZ15LE30mA 100ms mA ms 15#楼圆盘锯开关箱DZ15LE30mA 100ms mA ms1116#楼二级箱切断机开关箱DZ15LE30mA 100ms mA ms弯曲机开关箱DZ15LE30mA 100ms mA ms调直机开关箱DZ15LE30mA 100ms mA ms对焊机开关箱DZ15LE30mA 100ms mA ms照明开关箱DZ15LE30mA 100ms mA ms 16#楼楼层开关箱DZ15LE30mA 100ms mA ms1217#楼二级箱17#楼圆盘锯开关箱DZ15LE30mA 100ms mA ms 16#楼圆盘锯开关箱DZ15LE30mA 100ms mA ms 17#楼楼层开关箱DZ15LE30mA 100ms mA ms 照明开关箱DZ15LE30mA 100ms mA ms电动工具开关箱DZ15LE30mA 100ms mA ms1312#楼二级箱切断机开关箱DZ15LE30mA 100ms mA ms弯曲机开关箱DZ15LE30mA 100ms mA ms调直机开关箱DZ15LE30mA 100ms mA ms对焊机开关箱DZ15LE30mA 100ms mA ms照明开关箱DZ15LE30mA 100ms mA ms 12#楼圆盘锯开关箱DZ15LE30mA 100ms mA ms电动工具开关箱DZ15LE30mA 100ms mA ms1413#楼二级箱13#楼楼层开关箱DZ15LE30mA 100ms mA ms电动工具开关箱DZ15LE30mA 100ms mA ms13#楼圆盘锯开关箱DZ15LE30mA 100ms mA ms1514#楼二级箱14#楼楼层开关箱DZ15LE 30mA 100ms mA ms电动工具开关箱DZ15LE 30mA 100ms mA ms14#楼圆盘锯开关箱DZ15LE 30mA 100ms mA ms167#塔吊动力开关箱DZ15LE 30mA 100ms mA ms照明开关箱DZ15LE 30mA 100ms mA ms11#楼楼层开关箱DZ15LE30mA100ms mA ms 照明开关箱DZ15LE30mA100ms mA ms电动工具开关箱DZ15LE30mA100ms mA ms 填表人:。
表AQ-C12-08工程名称:河间市大川世纪城商品房15 楼编号:保护设备名称塔吊设备编号01 额定功率23KW漏电保护器型号DZL15CE-100/4901 额定电流100MA额定漏电动作电流50MA维护电工姓名张梦浩电工证号冀J012012001143A 相对地B 相对地C相对地检测日期动作动作动作动作动作动作检测结论检测人电流时间电流时间电流时间2013 年10 月10 日39 0.07S 35 0.05S 40 0.07S 合格11 月10 日40 0.05S 41 0.06S 42 0.06S 合格12 月10 日38 0.06S 42 0.07S 38 0.07S 合格2014 年3 月25 日41 0.08S 40 0.08S 41 0.08S 合格4 月25 日40 0.07S 42 0.06S 41 0.05S 合格5 月25 日40 0.06S 43 0.05S 40 0.04S 合格月日月日月日月日月日月日注:至少每月检测一次表AQ-C12-08工程名称:河间市大川世纪城商品房15#楼编号:保护设备名称总配电箱设备编号02 额定功率35KW漏电保护器型号DZ10CCE-250/430 额定电流200MA额定漏电动作电流150MA维护电工姓名张梦浩电工证号冀J012012001143A 相对地B 相对地C相对地检测日期动作动作动作动作动作动作检测结论检测人电流时间电流时间电流时间2013 年10 月10 日80 0.07S 85 0.05S 90 0.07S 合格11 月10 日100 0.05S 105 0.06S 95 0.06S 合格12 月10 日90 0.06S 100 0.07S 90 0.07S 合格2014 年3 月25 日110 0.08S 90 0.08S 110 0.08S 合格4 月25 日120 0.07S 110 0.06S 100 0.05S 合格5 月25 日100 0.06S 100 0.05S 120 0.04S 合格月日月日月日月日月日月日注:至少每月检测一次表AQ-C12-08工程名称:河间市大川世纪城商品房15#楼编号:保护设备名称照明设备编号03 额定功率8KW漏电保护器型号NL18-20 额定电流20mA额定漏电动作电流30MA维护电工姓名张梦浩电工证号冀J012012001143A 相对地B 相对地C相对地检测日期动作动作动作动作动作动作检测结论检测人电流时间电流时间电流时间2013 年10 月10 日20 0.07S 19 0.05S 21 0.07S 合格11 月10 日19 0.05S 21 0.06S 20 0.06S 合格12 月10 日22 0.06S 20 0.07S 19 0.07S 合格2014 年3 月25 日20 0.08S 21 0.08S 20 0.08S 合格4 月25 日21 0.07S 23 0.06S 22 0.05S 合格5 月25 日22 0.06S 19 0.05S 23 0.04S 合格月日月日月日月日月日月日注:至少每月检测一次表AQ-C12-08工程名称:河间市大川世纪城商品房15#楼编号:保护设备名称潜水泵设备编号04 额定功率 1.1KW漏电保护器型号DZL18-32F/1 额定电流20mA额定漏电动作电流30MA维护电工姓名张梦浩电工证号冀J012012001143A 相对地B 相对地C相对地检测日期动作动作动作动作动作动作检测结论检测人电流时间电流时间电流时间2013 年10 月10 日20 0.07S 19 0.05S 21 0.07S 合格11 月10 日19 0.05S 21 0.06S 20 0.06S 合格12 月10 日22 0.06S 20 0.07S 19 0.07S 合格2014 年3 月25 日20 0.08S 21 0.08S 20 0.08S 合格4 月25 日21 0.07S 23 0.06S 22 0.05S 合格5 月25 日22 0.06S 19 0.05S 23 0.04S 合格月日月日月日月日月日月日注:至少每月检测一次。