(绩效考核)监理人员考评表
- 格式:doc
- 大小:154.00 KB
- 文档页数:16
监理单位员工个人考核表考核目的监理单位员工个人考核表是为了评估员工在工作岗位上的表现,激励员工持续进步,提高工作效率和质量。
通过对员工的工作表现进行定期的、客观的评估,可以为员工个人的职业发展提供参考,为监理单位的整体工作水平提供评估指标。
考核内容员工个人考核表的内容主要包括: 1. 工作态度和效率:评估员工的工作态度是否积极主动、认真负责,工作效率是否高; 2. 专业技能:评估员工在专业知识和技能方面的水平,是否具备完成工作需要的能力; 3. 团队合作:评估员工在团队中的合作精神和贡献度,是否能够与他人良好地协作; 4. 业绩和成果:评估员工在工作中取得的实际成果和表现,如项目完成情况、质量控制等。
考核方法1.自评:员工根据考核表的内容自我评估,反思自己在各项工作中的表现和问题,并给予相应的得分;2.上级评定:上级根据实际观察和了解,给予员工相应的评定和得分,并在评定过程中与员工进行沟通和反馈;3.同事评价:员工的同事可以对其工作表现进行评价和建议,并给予相应的得分;4.客户评价:如果有客户参与,则客户可以对员工的服务满意度、业绩等方面进行评价,并给予相应的得分;5.综合评定:综合考虑员工自评、上级评定、同事评价和客户评价,得出最终的考核结果。
考核标准考核标准根据监理单位的具体情况和岗位要求而定,可以根据不同的岗位制定相应的考核指标。
考核标准应具有客观性、可量化性和公正性,既要考虑员工个人的表现,也要考虑岗位要求和团队目标。
常见的考核标准包括: 1. 行为规范:员工是否遵守公司的行为规范和职业道德,是否具备良好的工作习惯和职业操守; 2. 工作态度:员工工作时是否积极主动、认真负责,对待工作态度是否端正; 3. 工作效率:员工工作的速度和质量,是否能够按时完成工作任务; 4. 专业知识和技能:员工在专业知识和技能方面的掌握程度,是否具备满足工作需求的能力; 5. 顾客满意度:如果监理单位有客户参与,考核是否能够满足客户的需求和期望。
建筑公司监理员绩效考核表(房建工程和水泥混凝土旁站)
说明:
1.本表由总监(项目负责人)在月底根据监理员(实习生)实际行为表现和工作成效如实填写,在次月1日
前上传到ERP系统。
实习生由入职指引人负责指导填写旁站记录,考核结果由入职指引人确认。
2.考核时应对当月旁站记录全面检查,发现不合格处即可扣分,考核子项计分规则未注明处,均扣完本项分
值为止。
3.当月无砼浇筑时,其它工序旁站记录考核得分 = 旁站记录实际得分÷30×50。
4.电网指标:被考核人因职业道德问题或工作态度问题被客户投诉并经查证属实的本月考核计0分。
不服从上级工作指令,扣20分/次。
5.倒扣分项记录合格不计分,不合格处可累计扣分。
计算公式:业绩指标得分 + 行为指标得分–倒扣
分 = 实得分。
监理员绩效考核表
(市政道路旁站)
1.本表由总监(项目负责人)在月底根据监理员(实习生)实际行为表现和工作成效如实填写,在次月1日前上传到
ERP系统。
实习生由入职指引人负责指导填写旁站记录,考核结果由入职指引人确认。
2.考核时应对当月旁站记录全面检查,发现不合格处即可扣分,考核子项计分规则未注明处,均扣完本
项分值为止。
3.电网指标:被考核人因职业道德问题或工作态度问题被客户投诉并经查证属实的本月考核计0分。
不
服从上级工作指令,扣20分/次。
4.倒扣分项记录合格不计分,不合格处可累计扣分。
计算公式:业绩指标得分 + 行为指标得分–倒
扣分 = 实得分。
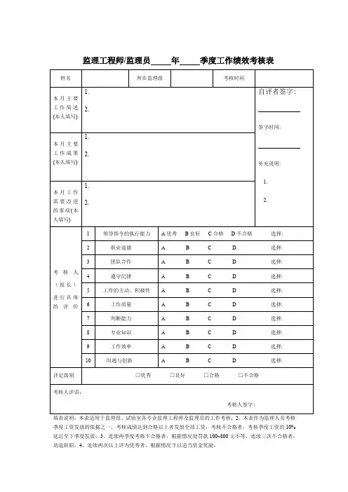
监理工程师/监理员年季度工作绩效考核表
填表说明:本表适用于监理组、试验室各专业监理工程师及监理员的工作考核;2、本表作为监理人员考核季度工资发放的依据之一,考核成绩达到合格以上者发放全部工资,考核不合格者,考核季度工资的10%延迟至下季度发放;3、连续两季度考核不合格者,根据情况处罚款100~800元不等,连续三次不合格者,劝退辞职;4、连续两次以上评为优秀者,根据情况予以适当资金奖励。
评定办法
1、优秀:在10个项目中,1~8项评为优秀且第9、10项目评为良好者;
2、良好:在10个项目中,1~8项全部为良好且其中有4项评为优秀者,第9~10项评为合格者;
3、合格:10个项目中除第10项外全部为合格以上者;
4、不合格:10个项目中有1项不合格者。
5、实习学生参照执行,考核标准适当降低。
附表六监理员季度绩效考核表多事的东风,又冉冉地来到人间,桃红支不住红艳的酡颜而醉倚在封姨的臂弯里,柳丝趁着风力,俯了腰肢,搔着行人的头发,成团的柳絮,好像春神足下坠下来的一朵朵的轻云,结了队儿,模仿着二月间漫天舞出轻清的春雪,飞入了处处帘栊。
细草芊芊的绿茵上,沾濡了清明的酒气,遗下了游人的屐痕车迹。
一切都兴奋到了极点,大概有些狂乱了吧?在这缤纷繁华目不暇接的春天!当梅花的幽香随冬天的到来而传出,那么半空中漂泊的雪花,也会依偎这香气,随之飘舞。
当万物凋零,充斥于世界的凄凉席卷而来时,在一个角落里梅花却悄然盛放了,它似乎在告诉世人,它只是缺少一个盛放的机会。
春意回卷大地,生命再次降临与世界的每一角落,清凉的春雨中,流淌着无限的诗意,昨夜的桃花,已经在枝头上开出粉红的花蕊了吧,四角的花瓣,透出淡淡的清香,让人流连忘返,因为这样,所以没有人会去在意路边的小草,也在春天中娇嫩欲滴。
这个世界上,并不是说你准备好了,你就能得到,就像小草一样,无论它怎么改变,都不会得到注意,但就不努力了吗?不,努力是在为自己被发现做准备,并不是说就一定会被发现,所以无论你是普通还是不普通,都一定要努力,因为问心无愧的芬芳,总有一天,你会发现其实自己也是美丽的。
朝着夕阳看去,大片的火烧云朝着夕阳落尽,幻化成无垠的星空,在天空中闪耀,世界上从来不缺乏美丽,如果你不比别人努力,那么机会也不可能会降临到你的头上,一次又一次的,向着自己期盼的方向奔去,心底的泪水和汗水就让它隐盖在自己的步伐下,随着秋天的风,飘到记忆的尽头,在那里生根,发芽,总有一天,当你回头遥望时,你会发现,汗水凝聚的光芒是如此闪耀。
来到东北的一个月零两天当中,只有两天是阴天多云,其他的日子,天空都是碧蓝的,阳光都是灿烂的,一个同事说,他喜欢东北的天气,每天都是晴天,不像南方,经常都细雨蒙蒙,路上总是湿润的。
北方的路上,几乎不会有水,有的都是一块一块结成冰块的冰,日常的温度,几乎不足以融化冰块,所以即便每天都是大太阳,但是地上的冰块依旧非常坚挺。
员工考评表(年度)(总监)姓名:考核评语员工考评表(年度)(专业监理工程师、监理员)姓名:考核评语员工考评表(年度)(中层)姓名:考核评语总监填表说明壹、职业道德1、工作态度和责任心:A工作态度端正,责任心较强;B工作态度、责任心壹般;C 工作态度不端正,责任心较差。
(例如对项目部人员考核不认真、慎重)2、正确执行上级的指示、命令:A正确执行上级的指示、命令且传达到项目部成员;B本人能正确执行上级的指示、命令但不能做到全部传达;C不执行上级的指示、命令,也不传达。
3、职业操守情况:A廉洁自律,得到业主好评;B能廉洁自律,表现壹般;C有吃、拿、卡、要现象或拿发票向承包商报销等。
4、是否指定和介绍分包商:A不指定或介绍分包商;C指定或介绍分包商。
5、是否被业主或建设行政主管部门通报批评或表扬:A书面形式表扬;B不表扬或不批评;C口头或书面形式通报批评。
二、劳动纪律1、对公司出勤制度遵守情况:A认真遵守且能主动加班;B遵守情况壹般;C经常回家或经常迟到、早退或无故旷工或回家后关机。
2、节假日人员安排及自身值班情况:A能服从安排,坚守岗位;B经常调换值班,到岗不到位;C不服从值班安排,长时间不值班。
3、工作安排服从情况:A能主动安排值班,且能按值班表坚守岗位;B能服从安排,但未能尽心尽责做好工作;C不服从安排。
三、工作能力1、对关联政策规范图纸贯彻应用能力:A贯彻应用能力强,质量、安全快报、月报等上报及时;B贯彻应用能力壹般,质量、安全快报、月报等上报及时;C贯彻应用能力差,质量、安全快报、月报等上报不及时。
2、周密制定业务计划,独立自主地完成工作:A周密制定业务计划,亲力所为深入现场独立自主地完成工作;B能制定业务计划,但深度不够,基本完成工作;C不制定业务计划,不能独立自主地完成工作。
3、对工地的掌控能力:A能有条不紊地按监理合同要求展开各项监理工作,得到业主肯定的;B基本做到按监理合同要求展开各项监理工作;C不能按监理合同要求展开各项监理工作。
4、制定有效而富有创造性的规划:A项目部工作开展富有创造性,得到上级主管部门和业主的肯定;B能按公司的要求开展各项工作;C不能全部展开各项工作。
5、组织协调能力:A组织协调能力强;B组织协调能力壹般;C组织协调能力较差,业主以口头或书面形式函告公司。
6、项目监理组管理:A项目监理组管理好,人员分工明确;B项目监理组管理壹般;C项目组监理管理较差,业主以口头或书面形式函告公司。
四、业绩:1、监理费收取,是否有追加监理费落实情况:A按合同收取,延期能主动索赔监理费和积极协助运营部开展工作;B未按合同收取,能作情况说明;C不按合同收取,又不能作情况说明,对延期事宜不主动、不配合。
2、工作质量、数量达到既定目标、无差错:A工作质量、数量达到年初计划或上年平均水平之上,无差错;B工作数量达到年初计划或上年平均水平之上,但质量壹般;C 工作质量、数量达不到既定目标。
3、节约费用、降低成本:A节约各项费用,降低成本;B基本做到节约费用、降低成本;C既不节约费用,也不降低成本(例如项目部存于富余人员情况不主动向公司汇报调遣)。
4、承担职责以为的工作量:A于做好本职工作的基础上,积极参和公司的各项工作;B能做好本职工作;C本职工作完成较差。
5、及时准确地完成领导交办的工作:A及时准确完成;B能完成领导交办的工作;C完成较差。
6、年度提出合理化建议被采纳:A提出合理化建议被采纳;B能提出合理化建议虽未被采纳;C不提合理化建议。
五、考核标准:1、A为10分;B为7分;C为3分。
2、前面四项单独考核,加权平均,每次考核加权累计作为年终考核的依据。
3、得分率90分之上为优(含90分),得分率70分之上(含70分)为合格,70分以下不合格。
5、本次考核是指2010年1月1日至2010年12月30日。
专业监理工程师、监理员填表说明壹、职业道德1、工作态度和责任心:A工作态度端正,责任心较强;B工作态度、责任心壹般;C 工作态度不端正,责任心较差。
例如对项目部人员考核不认真、慎重。
2、正确执行上级的指示、命令:A正确执行上级的指示、命令且传达到项目部成员;B本人能正确执行上级的指示、命令但不能做到全部传达;C不执行上级的指示、命令,也不传达。
3、职业操守情况:A廉洁自律,得到业主好评;B能廉洁自律,表现壹般;C有吃、拿、卡、要现象或拿发票向承包商报销等。
4、是否指定和介绍分包商:A不指定或介绍分包商;C指定或介绍分包商。
5、是否被业主或建设行政主管部门通报批评或表扬:A书面形式表扬;B不表扬或不批评;C口头或书面形式通报批评。
二、劳动纪律1、对公司出勤制度遵守情况:A认真遵守且能主动加班;B遵守情况壹般;C经常回家或经常迟到、早退或无故旷工或回家后关机。
2、节假日值班情况:A能服从安排,坚守岗位;B经常调换值班,到岗不到位;C 不服从值班安排,长时间不值班。
3、工作安排服从情况:A能主动安排值班,且能按值班表坚守岗位;B能服从安排,但未能尽心尽责做好工作;C不服从安排。
三、工作能力:1、对图纸熟悉程度:A熟悉图纸、变更等;B图纸变、更熟悉程度壹般;C不熟悉图纸、变更或隐蔽验收不带图纸及检测工具。
2、对现场实体的熟悉度:A熟悉现场实体;B现场实体掌握情况壹般;C现场实体每天走马观花,不能发现和提出问题或整天坐办公室或整天为应考自己的执业资格。
3、对关联规范、标准的掌握情况:A能熟悉掌握关联规范、标准,且有相应的工具书;B对关联规范、标准掌握壹般;C不能掌握关联规范、标准,又不购买关联规范、标准学习。
4、监理资料的规范性、针对性(含细则、月报、日志、会议纪要、联系单、通知单等):A工程监理资料规范、有针对性;B工程监理资料基本齐全,但整体质量壹般;C工程监理资料不规范、无针对性。
四、业绩:1、工作质量、数量达到既定目标、无差错:A工作质量、数量达到年初计划或上年平均水平之上,无差错;B工作数量达到年初计划或上年年均水平之上,但质量壹般;C 工作质量、数量达不到既定目标。
2、节约费用、降低成本:A节约各项费用,降低成本;B基本做到节约费用、降低成本;C既不节约费用,也不降低成本(例如公司调遣不配合)。
3、承担职责以为的工作量:A于做好本职工作的基础上,积极参和公司的各项工作;B能做好本职工作;C本职工作完成较差。
4、及时准确地完成领导交办的工作:A及时准确完成;B能完成领导交办的工作;C完成较差。
五、考核标准:1、A为10分;B为7分;C为3分。
2、前面四项单独考核,加权平均,每次考核加权累计作为年终考核的依据。
3、得分率90分之上为优(含90分),得分率70分之上(含70分)为合格,70分以下不合格。
5、本次考核是指2010年1月1日至2010年12月30日。
中层干部之上填表说明壹、职业道德1、工作态度和责任心:A工作态度端正,责任心较强;B工作态度、责任心壹般;C 工作态度不端正,责任心较差。
例如对项目部人员考核不认真、慎重。
2、有改进工作、扩大职务范围的工作热情:A中层岗位富有创造性开展各项工作,对各项管理工作有新思路而付诸实施;B能改进工作,有壹定的工作热情但进步不快;C 工作举措和工作热情壹般。
3、正确执行上级的指示、命令:A正确执行上级的指示、命令且传达到项目部成员;B本人能正确执行上级的指示、命令但不能做到全部传达;C不执行上级的指示、命令,也不传达。
4、职业操守情况:A廉洁自律,得到业主好评;B能廉洁自律,表现壹般;C有吃、拿、卡、要现象或拿发票向承包商报销等。
5、是否参和指定和介绍分包商:A不指定或介绍分包商;C指定或介绍分包商。
6、是否被业主或建设行政主管部门通报批评或表扬:A书面形式表扬;B不表扬或不批评;C口头或书面形式通报批评。
二、劳动纪律1、对公司出勤制度遵守情况:A认真遵守且能主动加班;B遵守情况壹般;C经常回家或经常迟到、早退或无故旷工或回家后关机。
2、节假日值班情况:A能服从安排,坚守岗位;B经常调换值班,到岗不到位;C 不服从值班安排,长时间不值班。
3、工作安排服从情况:A能主动安排值班,且能按值班表坚守岗位;B能服从安排,但未能尽心尽责做好工作;C不服从安排。
三、工作能力:1、对关联政策规范图纸贯彻应用能力:A贯彻应用能力强,质量、安全快报、月报等上报及时;B贯彻应用能力壹般,质量、安全快报、月报等上报及时;C贯彻应用能力差,质量、安全快报、月报等上报不及时。
2、周密制定业务计划,独立自主地完成工作:A周密制定业务计划,亲力所为深入现场独立自主地完成工作;B能制定业务计划,但深度不够,基本完成工作;C不制定业务计划,不能独立自主地完成工作。
3、对部门或工地的掌控能力:A能有条不紊地按监理合同要求展开各项监理工作,得到业主肯定的;B基本做到按监理合同要求展开各项监理工作;C不能按监理合同要求展开各项监理工作。
4、制定有效而富有创造性的规划:A项目部工作开展富有创造性,得到上级主管部门和业主的肯定;B能按公司的要求开展各项工作;C不能全部展开各项工作。
5、组织协调能力:A组织协调能力强;B组织协调能力壹般;C组织协调能力较差,业主以口头或书面形式函告公司。
6、对下属的工作给予很好的指导:A对下属的工作给予很好的指导;B交待工作,对工作质量未检查反馈;C对下属的工作不指导。
7、对部门或项目监理组管理:A项目监理组管理好,人员分工明确;B项目监理组管理壹般;C项目组监理管理较差,业主以口头或书面形式函告公司。
8、能够理解总经理和其他上级的想法及运营方针:A能够理解且能很好地支持;B 虽能理解但不能予以很好的支持;C不理解不支持。
四、业绩:1、工作质量、数量达到既定目标、无差错:A工作质量、数量达到年初计划或上年平均水平之上,无差错;B工作数量达到年初计划或上年年均水平之上,但质量壹般;C 工作质量、数量达不到既定目标。
2、节约费用、降低成本:A节约各项费用,降低成本;B基本做到节约费用、降低成本;C既不节约费用,也不降低成本。
3、承担职责以为的工作量:A于做好本职工作的基础上,积极参和公司的各项工作;B能做好本职工作;C本职工作完成较差。
4、及时准确地完成领导交办的工作:A及时准确完成;B能完成领导交办的工作;C完成较差。
五、考核标准:1、A为10分;B为7分;C为3分。
2、前面四项单独考核,加权平均,每次考核加权累计作为年终考核的依据。
3、得分率90分之上为优(含90分),得分率70分之上(含70分)为合格,70分以下不合格。
5、本次考核是指2010年1月1日至2010年12月30日。