零件品质履历表
- 格式:doc
- 大小:47.00 KB
- 文档页数:2
汽车零部件质量问题履历表报告
章节一:汽车零部件质量问题的起源
汽车零部件质量问题的起源可以追溯到20世纪初期。
当时,汽车工业刚刚兴起,零部件生产商的技术水平和生产能力都比较低。
由于生产工艺不完善,原材料质量不稳定等原因,汽车零部件的质量问题时有发生,给汽车行业带来了很大的困扰。
章节二:汽车零部件质量问题的发展与演变
随着汽车工业的不断发展,汽车零部件的种类越来越多,质量问题也逐渐变得复杂和多样化。
在20世纪50年代到70年代,汽车工业进入了高速发展期,汽车零部件的质量问题也随之增多。
其中,最为典型的就是轮胎爆胎问题和刹车失灵问题,这些问题给汽车行业带来了很大的安全隐患。
章节三:汽车零部件质量问题的应对措施
为了解决汽车零部件质量问题,汽车行业采取了一系列应对措施。
首先,加强了对零部件生产商的监管,对不合格产品进行严格的处罚。
其次,加强了对零部件生产过程的控制,提高了生产工艺和技术水平。
同时,加强了对原材料的检测和筛选,确保原材料的质量稳定。
此外,汽车行业还建立了完善的质量管理体系,
加强了对产品的质量控制和监督。
章节四:汽车零部件质量问题的影响与启示
汽车零部件质量问题的影响是深远的。
首先,它给汽车行业带来了很大的安全隐患,对消费者的生命财产安全造成了威胁。
其次,它也给汽车行业带来了很大的经济损失,影响了汽车行业的发展和竞争力。
对此,我们应该认识到汽车零部件质量问题的严重性,加强对质量的控制和管理,提高产品的质量和安全性,为汽车行业的可持续发展做出贡献。
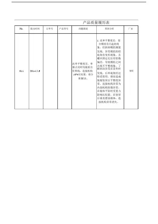
产品质量履历表
No.提出时间订单号产品型号问题描述原因分析厂家
此单平整度差,单
箱点亮时均能看出0112014.5.6有黑线,连接机构
10%比较紧,请分
析解决。
1.此单平整度差,部
分模组有凸起的现
象,经拆卸模组测量
发现,异常模组的铝
底架有变形现象,且
螺丝固定孔位有轻微
偏差,导致模组之间
出现不平整现象,了
解到该异常在首件时
翰锭发现,后率底架经过
特采使用,继而造成
装箱竖屏后平整度异
常,连接机构异常为
内部机构轻微异常,
在箱体平防时受重力
影响比较紧,在竖屏
后垂直摆放箱体,连
接机构异常消失。
可检视成
责任单位后期对策问题归属损失发生原因改善措施责任人完成时间
果
我司制作
专用治
出货时校具,保证
正不到销钉孔位
位,包装中心距,
运输后晃同时出货
本批特采动导致平时全部校
品质部面度超正出货,已完成来料
处理。
差,引起严把平面
变形,从度。
在包
而导致孔装时保证
位超差,产品与产
影响装配品之间没
有空隙导
致晃动。