起重机代号表
- 格式:xls
- 大小:34.00 KB
- 文档页数:2
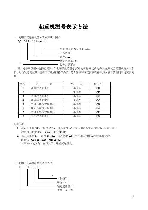
起重机型号大全Company Document number:WUUT-WUUY-WBBGB-BWYTT-1982GT起重机型号表示方法一.通用桥式起重机型号表示方法:例如QD 20/5t— A6 □用处:室外加W,室内省略,工作级别跨度,m,额定起重量,t,代号,见下表注:对于可供用户选择的要素,如电磁吸盘的型号,抓斗的规格,确切的起升高度,司机室的型式及入口方向,运行轨道的型号,机构工作级别的特殊要求,是否提供制冷或供热装置等,应另在订货合同中用文字说明。
标记示例:1.额定起重量20/5t,跨度,工作级别A5,室内用吊钩桥式起重机,应标记为:起重机 QD 20/ GB/T144052.额定起重量5t, 跨度,工作级别A6,室外用三用桥式起重机,标记为:起重机 GB/T14405序号5∽7的名称,亦可称为二用桥式起重机。
二.通用门式起重机型号表示方法:□□—□□,工作级别跨度,m,额定起重量,t,代号,见下表注:对于可供用户选择的要素,如电磁吸盘的型号,抓斗的规格,确切的起升高度,司机室的型式及入口方向,运行轨道的型号,大车导电型式,机构工作级别的特殊要求,是否提供制冷或供热装置等,应另在订货合同中用文字说明。
标记示例:1.额定起重量20/5t,跨度22m,工作级别A4,单主梁吊钩门式起重机,应标记为:起重机 MDG 20/5-22A4 GB/T144062.额定起重量50/10+50/101t, 跨度35m,工作级别A4,双梁,双小车吊钩门式起重机,标记为:起重机 ME50/10+50/10-35A4 GB/T14406序号5∽6,12∽13的名称,亦可称为二用门式起重机。
三.手动梁式起重机型号表示方法:SL □—□—□起升高度,m,跨度,m,额定起重量,t,产品代号,标记示例:起重量5t,跨度,起升高度3m 的手动梁式起重机标记为:起重机 JB/T1114-94四.手动桥式起重机型号表示方法:SQ □—□—□起升高度,m,跨度,m,额定起重量,t,产品代号,标记示例:起重量16t,跨度,起升高度的手动桥式起重机标记为:起重机 JB/T1115-94五.电动单梁起重机型号表示方法:□□—□□□操纵方式:地面 D,司机室 S,工作级别跨度,m,额定起重量,t,产品代号,如下:产品代号:1.电动葫芦小车在主梁下翼缘运行,电动葫芦布置在主梁下方的起重机,其产品代号为 LD。
起重机型号表示方法一.通用桥式起重机型号表示方法:例如QD 20/5t—22.5m A6 □用处:室外加W,室内省略,工作级别跨度,m,额定起重量,t,代号,见下表注:对于可供用户选择的要素,如电磁吸盘的型号,抓斗的规格,确切的起升高度,司机室的型式及入口方向,运行轨道的型号,机构工作级别的特殊要求,是否提供制冷或供热装置等,应另在订货合同中用文字说明。
标记示例:1.额定起重量20/5t,跨度19.5m,工作级别A5,室内用吊钩桥式起重机,应标记为:起重机QD 20/5—19.5A5 GB/T144052.额定起重量5t,跨度16。
5m,工作级别A6,室外用三用桥式起重机,标记为:起重机QS5-16。
5A6 GB/T14405序号5∽7的名称,亦可称为二用桥式起重机.二.通用门式起重机型号表示方法:□□—□□,工作级别跨度,m,额定起重量,t,代号,见下表注:对于可供用户选择的要素,如电磁吸盘的型号,抓斗的规格,确切的起升高度,司机室的型式及入口方向,运行轨道的型号,大车导电型式,机构工作级别的特殊要求,是否提供制冷或供热装置等,应另在订货合同中用文字说明。
标记示例:1.额定起重量20/5t,跨度22m,工作级别A4,单主梁吊钩门式起重机,应标记为:起重机MDG 20/5-22A4 GB/T144062.额定起重量50/10+50/101t,跨度35m,工作级别A4,双梁,双小车吊钩门式起重机,标记为:起重机ME50/10+50/10—35A4 GB/T14406序号5∽6,12∽13的名称,亦可称为二用门式起重机。
三.手动梁式起重机型号表示方法:SL □- □-□起升高度,m,跨度,m,额定起重量,t,产品代号,标记示例:起重量5t,跨度10.5m,起升高度3m 的手动梁式起重机标记为:起重机SL5-10.5—3 JB/T1114—94四.手动桥式起重机型号表示方法:SQ □—□—□起升高度,m,跨度,m,额定起重量,t,产品代号,标记示例:起重量16t,跨度16。
序号种类作业项目代号序号种类1 特种设备相关管理特种设备安全管理负责人A15 压力管道作业压力管特种设备质量管理负责人A2 带压封锅炉压力容器压力管道安全管理A3 带压密电梯安全管理A46 电梯作业电梯机起重机械安全管理A5 电梯电客运索道安全管理A6 电梯司大型游乐设施安全管理A77 起重机械作业起重机场(厂)内专用机动车辆安全管理A8 起重机2 锅炉作业一级锅炉司炉G1 起重机二级锅炉司炉G2 桥门式三级锅炉司炉G3 塔式起一级锅炉水质处理G4 门座式二级锅炉水质处理G5 缆索式锅炉能效作业G6 流动式3 压力容器作业固定式压力容器操作R1 升降机移动式压力容器充装R2 机械式氧舱维护保养R38 客运索道作业客运索4 气瓶作业永久气体气瓶充装P1 客运索液化气体气瓶充装P2 客运索溶解乙炔气瓶充装P3 客运索液化石油气瓶充装P4 9 大型游乐设施作业大型游车用气瓶充装P5 大型游9 大型游乐设施作业大型游乐设施操作Y311 安全附件维修作业安全阀水上游乐设施操作与维修Y4 安全阀10 场(厂)内专用机动车辆作业车辆维修N112 特种设备焊接作业金属焊叉车司机N2 非金属搬运车牵引车推顶车司机N3内燃观光车司机N4蓄电池观光车司机N5注:1. 特种设备焊接作业(金属焊接操作和非金属焊接操作)人员代号按照《特种设备焊接操作人员考核细则》的规定执行。
2.表中A1、A2、A6、A7、G6、R3、D2、D3、S1、S2、S3、S4、Y1、F1、F2项目和金属焊接操作项目中的长输管道、非金属焊接操作项目的考试机构由总局指定,其它项目的考试机构由省局指定。
桥式起重机编写人张盼目录第一节:起重机概述 (3)1、简介 (3)2、发展历史 (3)3、国内现状 (4)4、起重机的主要分类: (4)第二节桥式起重机的技术参数 (5)1、桥式起重机简介 (5)2、桥式起重机型号表示方法 (6)3、桥式起重机的技术参数 (6)第三节桥式起重机结构、机构和电气系统 (7)1、金属结构 (8)1. 1 桥架 (8)1. 2 小车架 (11)1. 3导轨 (11)1. 4 操纵室 (12)2 、工作机构 (12)2.1大车移行机构 (13)2.2小车移行机构 (14)2.3 起升机构 (15)3、电气部分 (16)3.1 电气设备 (16)3.2电气回路 (17)第四节:桥式起重机的厂商简介 (20)1、部分生产厂家基本信息 (20)2、报价参考 (23)第一节:起重机概述1、简介:起重机是起重机械的一种,指在一定范围内垂直提升和水平搬运重物的多动作起重机械。
又称吊车。
属于物料搬运的机械。
起重机的工作特点是一种作循环、间歇运动。
一个工作循环包括:取物装置从取物地把物品提起,然后水平移动到指定地点降下物品,接着进行反向运动,使取物装置返回原位,以便进行下一次循环。
通常起重机械由起升机构(使物品上下运动) 、运行机构(使起重机械移动) 、变幅机构和回转机构(使物品作水平移动),再加上金属机构,动力装置,操纵控制及必要的辅助装置组合而成。
2、发展历史:自有人类文明以来,物料搬运变成了人类活动的重要组成部分,公元前10年,古罗马建筑师维特鲁维斯曾在其建筑手册里描述了一种起重机械。
这种机械有一根桅杆,杆顶装有滑轮,由牵索固定桅杆的位置,用绞盘拉动通过滑轮的缆索,以吊起重物。
有些超重机械可用两根桅杆,构成人字形,把吊起物横向移动,但幅度很小,操作也十分吃力。
到15世纪,意大利发明了转臂式起重机(图1.2.1),才解决这个问题。
这种起重机有根倾斜的悬臂,臂顶装有滑轮,既可升降又可旋转。
起重机型号为贯彻落实《起重机械型式试验规程(试行)》(国质检锅[2003]305号),加强起重机械行业型号管理,保护企业的知识产权,维护用户的合法利益,全国起重机械标准化技术委员会对起重机械产品型号实施备案管理。
起重机型号(代号)在起重机相关标准中有所规定,但这不是强制的。
作为起重机的制造单位、使用单位、管理部门应尽可能按照相关标准规定,使用起重机型号(代号),对于一些变异的非标产品的型号也应参照相关标准及全国起重机械标准化技术委员会推荐的《起重机械产品型号编制方法》(见附件)制定产品的型号(代号),这样便于识别和统一管理。
现行相关标准中规定的起重机型号(代号)见下表。
附件:起重机械产品型号编制方法(推荐)产品名称代号用大写印刷体汉语拼音字母表示。
企业特定代号(企业自主选择),采用大写汉语拼音字母表示,推荐采用下标结构型式代号,企业根据产品结构型式自行确定注:1、本方法规定的产品型号,由产品名称代号、结构型式代号和企业特定代号构成,供设计制造、使用、销售、检测、管理等部门使用。
2、起重机械型号示例如下:a) 天津××××厂生产的电动单梁起重机,其电动葫芦安装在角形小车上,型号表示为:型LDPTQb) 武汉××××厂生产的电动单梁起重机,其电动葫芦布置在主梁侧面,型号表示为:型LDCWQ3、对于型号后面的规格(参数),由企业根据相应产品标准中推荐的优先数值表示,若企业产品规格(参数)没有与相应标准中对应的优先数值时,由企业自定。
例如:起重量16/3.2t,跨度13.5m,工作级别A5的吊钩桥式起重机,其型号为:QD16/3.2-13.5A5。
附件一
建筑起重机械备案编号规则
1、建筑起重机械备案编号:
XXX-X XXXXX
(1)(2)(3)
其中:
(1)起重机械备案属地代号——第一位“X”表示省(区)的简称;第二位“X”为设区市的英文字母代号;第三位“X”为区、市(县)的英文字母代号。
设区市的代号以及区、市(县)的代号,由各省(区)自行确定。
(2)起重机械规格型号——“X”表示起重机械类别英文字母代号(代号对照表见表A)。
(3)起重机械备案序号——“XXXXX”表示五位阿拉伯数字备案序号,由区、市(县)从00001开始编号。
2、示例:苏AB-T00001
表示:江苏A市B县进行起重机械备案的一台塔式起重机,备案序号为00001号。
3、代号对照表表A。
起重机型号表示方法一.通用桥式起重机型号表示方法:例如QD 20/5t—22.5m A6 □用处:室外加W,室内省略,工作级别跨度,m,额定起重量,t,代号,见下表注:对于可供用户选择的要素,如电磁吸盘的型号,抓斗的规格,确切的起升高度,司机室的型式及入口方向,运行轨道的型号,机构工作级别的特殊要求,是否提供制冷或供热装置等,应另在订货合同中用文字说明。
标记示例:1.额定起重量20/5t,跨度19.5m,工作级别A5,室内用吊钩桥式起重机,应标记为:起重机QD 20/5-19.5A5 GB/T144052.额定起重量5t, 跨度16.5m,工作级别A6,室外用三用桥式起重机,标记为:起重机QS5-16.5A6 GB/T14405序号5∽7的名称,亦可称为二用桥式起重机。
二.通用门式起重机型号表示方法:□□—□□,工作级别跨度,m,额定起重量,t,代号,见下表注:对于可供用户选择的要素,如电磁吸盘的型号,抓斗的规格,确切的起升高度,司机室的型式及入口方向,运行轨道的型号,大车导电型式,机构工作级别的特殊要求,是否提供制冷或供热装置等,应另在订货合同中用文字说明。
标记示例:1.额定起重量20/5t,跨度22m,工作级别A4,单主梁吊钩门式起重机,应标记为:起重机MDG 20/5-22A4 GB/T144062.额定起重量50/10+50/101t, 跨度35m,工作级别A4,双梁,双小车吊钩门式起重机,标记为:起重机ME50/10+50/10-35A4 GB/T14406序号5∽6,12∽13的名称,亦可称为二用门式起重机。
三.手动梁式起重机型号表示方法:SL □—□—□起升高度,m,跨度,m,额定起重量,t,产品代号,标记示例:起重量5t,跨度10.5m,起升高度3m 的手动梁式起重机标记为:起重机SL5-10.5-3 JB/T1114-94四.手动桥式起重机型号表示方法:SQ □—□—□起升高度,m,跨度,m,额定起重量,t,产品代号,标记示例:起重量16t,跨度16.5m,起升高度12.5m 的手动桥式起重机标记为:起重机SQ16-16.5-12.5 JB/T1115-94五.电动单梁起重机型号表示方法:□□—□□□操纵方式:地面D,司机室S,工作级别跨度,m,额定起重量,t,产品代号,如下:产品代号:1.电动葫芦小车在主梁下翼缘运行,电动葫芦布置在主梁下方的起重机,其产品代号为LD。
目录5t/14m龙门式起重机起重性能技术参数 (2)10t/20m龙门式起重机性能技术参数 (3)MG2020龙门式起重机性能技术参数 (4)MG3242龙门起重机的主要技术性能 (6)MQ442龙门起重机的主要技术性能 (7)MQ642龙门起重机的主要技术性能 (8)DBQ630型塔式起重机(可作为炉顶吊用) (10)DBQ1000型塔式起重机(可作为炉顶吊用) (14)DBQ3000型塔式起重机 (16)QUY50型液压履带式起重机 (29)7150型液压履带起重机 (39)LS-248RH5液压履带起重机 (54)尼渤海尔LR1200型200吨履带式起重机 (68)M250液压履带起重机 (80)QY-8型汽车起重机 (143)QY20型汽车起重机 (145)TL-252型汽车起重机 (149)TG-500E型汽车起重机 (153)NK-500E-V型汽车起重机 (157)TG-900E型汽车起重机 (161)钢索液压提升装置GYT-200(Ⅱ) (166)SCD200J施工升降机 (167)5t/16.8m龙门式起重机起重性能技术参数5t电动葫芦起重量:5t大跑行走速度:22m/min起升速度:7m/min起升高度:6.8m轨距:16.8m总长×宽×高=19m×4.77m×9m起重机轮压6t5t/20m龙门式起重机起重性能技术参数5t电动葫芦起重量:5t大跑行走速度:26m/min起升速度:7m/min起升高度:6.8m轨距:16.8m总长×宽×高=19m×4.77m×9m起重机轮压7t10t/15m龙门式起重机起重性能技术参数10t电动葫芦起重量:10t大跑行走速度:26m/min起升速度:7m/min起升高度:6.8m轨距:16.8m总长×宽×高=19m×4.77m×9m起重机轮压7t10t/20m龙门式起重机性能技术参数起重量:10t最大起升高度:10.105m起升速度:7m/min主钩行走速度:20m/min大跑行走速度:25m/min大跑行走轨道:50kg/m大跑行走范围:150m轨距:20m总长×宽×高=28m×8.951m×13.32m在龙门吊上单只行走轮允许负载不大于8t;吊车最大组件重7.2t。
序号种类作业项目代号序号种类1 特种设备相关管理特种设备安全管理负责人A15 压力管道作业压力管特种设备质量管理负责人A2 带压封锅炉压力容器压力管道安全管理A3 带压密电梯安全管理A46 电梯作业电梯机起重机械安全管理A5 电梯电客运索道安全管理A6 电梯司大型游乐设施安全管理A77 起重机械作业起重机场(厂)内专用机动车辆安全管理A8 起重机2 锅炉作业一级锅炉司炉G1 起重机二级锅炉司炉G2 桥门式三级锅炉司炉G3 塔式起一级锅炉水质处理G4 门座式二级锅炉水质处理G5 缆索式锅炉能效作业G6 流动式3 压力容器作业固定式压力容器操作R1 升降机移动式压力容器充装R2 机械式氧舱维护保养R38 客运索道作业客运索4 气瓶作业永久气体气瓶充装P1 客运索液化气体气瓶充装P2 客运索溶解乙炔气瓶充装P3 客运索液化石油气瓶充装P4 9 大型游乐设施作业大型游车用气瓶充装P5 大型游9 大型游乐设施作业大型游乐设施操作Y311 安全附件维修作业安全阀水上游乐设施操作与维修Y4 安全阀10 场(厂)内专用机动车辆作业车辆维修N112 特种设备焊接作业金属焊叉车司机N2 非金属搬运车牵引车推顶车司机N3内燃观光车司机N4蓄电池观光车司机N5注:1. 特种设备焊接作业(金属焊接操作和非金属焊接操作)人员代号按照《特种设备焊接操作人员考核细则》的规定执行。
2.表中A1、A2、A6、A7、G6、R3、D2、D3、S1、S2、S3、S4、Y1、F1、F2项目和金属焊接操作项目中的长输管道、非金属焊接操作项目的考试机构由总局指定,其它项目的考试机构由省局指定。
特种设备作业人员证书项目代号新旧对照表特种设备作业人员证书项目代号新旧对照表种类原作业人员项目与代号新作业人员项目与代号说明作业项目项目代号作业项目项目代号特种设备相关管理特种设备安全管理负责人 A1 特种设备安全管理 A特种设备质量管理负责人 A2 锅炉压力容器压力管道安全管理 A3 电梯安全管理 A4 起重机械安全管理 A5 客运索道安全管理 A6 大型游乐设施安全管理 A7 场(厂)内专用机动车辆安全管理 A8 锅炉作业一级锅炉司炉 G1 工业锅炉司炉G1 原一级锅炉司炉变更为工业锅炉司炉;原二、三级锅炉司炉依据持证人申请或实际操作锅炉情况,变更为工业锅炉司炉或电站锅炉司炉二级锅炉司炉 G2 工业锅炉司炉或电站锅炉司炉 G1 或 G2 三级锅炉司炉 G3 一级锅炉水质处理 G4 锅炉水处理 G3二级锅炉水质处理 G5 锅炉能效作业 G6 取消种类原作业人员项目与代号新作业人员项目与代号说明作业项目项目代号作业项目项目代号压力容器作业固定式压力容器操作 R1 快开门式压力容器操作 R1 依承诺具有实际快开门容器操作经验的持证人移动式压力容器充装 R2 移动式压力容器充装 R2氧舱维护保养 R3 氧舱维护保养 R3气瓶作业永久气体气瓶充装 P1 气瓶充装 P液化气体气瓶充装 P2 溶解乙炔气瓶充装 P3 液化石油气瓶充装 P4 车用气瓶充装 P5 压力管道作业压力管道巡检维护 D1 取消带压封堵 D2 带压密封 D3 电梯作业电梯机械安装维修 T1 电梯修理 T电梯电气安装维修 T2 电梯司机 T3 取消起重机械作业起重机械机械安装维修 Q1 取消起重机械电气安装维修 Q2 起重机械指挥 Q3 起重机指挥 Q1 桥门式起重机司机 Q4 起重机司机 Q2 依据原持证项目根据新版《特种设备作业人员资格认定分类与项目》的规定标注限制范围。
塔式起重机司机 Q5 门座式起重机司机 Q6 缆索式起重机司机 Q7 流动式起重机司机 Q8 升降机司机 Q9 机械式停车设备司机 Q10 取消种类原作业人员项目与代号新作业人员项目与代号说明作业项目项目代号作业项目项目代号客运索道作业客运索道安装 S1 客运索道修理 S1 客运索道维修 S2 客运索道修理 S1 原客运索道维修(限电气维修)项目依据持证人申请可以同时换发客运索道修理、客运索道司机两个项目。
1 特种设备安全管理负责人A12 特种设备质量管理负责人A23 锅炉压力容器压力管理安全管理A34 电梯安全管理A45 起重机械安全管理A56 客运索道安全管理A67 大型游乐设施安全管理A78 场(厂)内专用机动车辆安全管理A89 一级锅炉司炉G110 二级锅炉司炉G211 三级锅炉司炉G312 一级锅炉水质处理G413 二级锅炉水处理G514 锅炉效能作业G615 固定式压力容器操作R116 移动式压力容器充装R217 氧舱维护保养R318 永久气体气瓶充装P119 液化气体气瓶充装P220 溶解乙炔气瓶充装P321 液化石油气瓶充装P422 车用气瓶充装P523 压力管道巡检维护D124 带压封堵D225 带压密封D326 电梯机械安装维修T127 电梯电气安装维修T228 电梯司机T329 起重机械机械安装维修Q130 起重机械电气安装维修Q231 起重机械指挥Q332 桥门式起重机司机Q433 塔式起重机司机Q534 门座式起重机司机Q635 缆索式起重机司机Q736 流动式起重机司机Q837 升降机升司机Q938 机械式停车设备司机Q1039 客运索道安装S140 客运索道维修S241 客运索道司机S342 客运索道编索S443 大型游乐设施安装Y144 大型游乐设施维修Y245 大型游乐设施操作Y346 水上游乐设施操作与维修Y447 车辆维修N148 叉车司机N249 搬运车牵引车推顶车司机N350 内燃观光车司机N451 蓄电池观光车司机N552 安全阀校验F153 安全阀维修F2。