高压旋喷桩地基处理计算方法
- 格式:pdf
- 大小:233.21 KB
- 文档页数:2
高压旋喷桩贯入度计算公式引言。
高压旋喷桩是一种常用的地基处理方法,它通过高压旋喷机将水泥浆或混凝土喷射到地下土层中,形成一根坚固的桩体,用于支撑建筑物或其他结构。
在施工过程中,需要对旋喷桩的贯入度进行计算,以确保其达到设计要求。
本文将介绍高压旋喷桩贯入度的计算公式及其应用。
高压旋喷桩贯入度计算公式。
高压旋喷桩的贯入度是指旋喷桩在地下土层中的穿透深度,通常用来评估桩的稳定性和承载能力。
计算高压旋喷桩贯入度的常用公式如下:贯入度 = 桩的总长度未进入土层的长度。
其中,桩的总长度是指旋喷桩的实际长度,未进入土层的长度是指桩在施工过程中未能完全贯入土层的部分。
这个公式简单直观,可以帮助工程师快速计算旋喷桩的贯入度。
应用举例。
为了更好地理解高压旋喷桩贯入度计算公式的应用,我们可以通过一个实际的案例来说明。
假设某工程需要使用高压旋喷桩进行地基处理,设计要求旋喷桩的贯入度为10米。
在施工过程中,工程师发现旋喷桩的总长度为12米,但有2米的部分未能完全贯入土层。
那么,根据上述公式,可以计算出旋喷桩的贯入度为:贯入度 = 12米 2米 = 10米。
这表明旋喷桩达到了设计要求的贯入度,可以满足工程的需要。
总结。
高压旋喷桩贯入度计算公式是工程施工中非常重要的一部分,它可以帮助工程师及时评估旋喷桩的贯入情况,确保其满足设计要求。
在实际施工中,工程师可以根据具体情况灵活运用这个公式,对旋喷桩的贯入度进行准确计算。
同时,需要注意的是,在计算贯入度时,还应考虑土层的性质、桩头的形状等因素,以获得更准确的结果。
综上所述,高压旋喷桩贯入度计算公式在工程实践中具有重要的意义,它可以帮助工程师及时评估旋喷桩的贯入情况,保证工程的安全和稳定。
希望本文能够对读者有所帮助,谢谢阅读!。
高压旋喷桩系利用高压泵将水泥浆液通过钻杆端头的特制喷头,以高速水平喷入土体,借助液体的冲击力切削土层,同时钻杆一面以一定的速度(20r/min)旋转,一面低速(15~30cm/min)徐徐提升,使土体与水泥浆充分搅拌混合凝固,形成具有一定强度(0.5~8.0MPa)的圆柱固结体(即旋喷桩),从而使地基得到加固。
旋喷桩的特点是:可提高地基的抗剪强度;能利用小直径钻孔旋喷成比孔大8~10倍的大直径固结体;可用于已有建筑物地基加固而不扰动附近土体;施工噪声低,振动小;可用于任何软弱土层,可控制加固范围;设备较简单、轻便,机械化程度高;料源广阔,施工简便、粉土、砂、湿陷性黄土、人工填土及碎石土等的地基加固;既有建筑和新建筑的地基处理,深基坑侧壁挡土或挡水,基坑底部加固防止管涌与隆起,坝的加固与防水帷幕等工程。
一、材料要求水泥应采用325号或32.5强度等级普通水泥,要求新鲜无结块,一般泥浆水灰比为1:1~1.5。
为消除离析,一般再加入水泥用量3%的陶土、0.9‰的碱。
浆液宜在旋喷前1h以内配制,使用时滤去硬块、砂石等,以免堵塞管路和喷嘴。
二、主要机具设备主要机具设备包括:高压泵、钻机、浆液搅拌器等;辅助设备包括操纵控制系统、高压管路系统、材料储存系统以及各种管材、阀门接头安全设施等。
高压喷身注法施工常用主要机具设备规格、技术性能、要求见表3-16。
旋喷施工常用机具、设备参考表表3-16规格性能用途高压泥1、SNC-H300型黄河压浆车旋喷注浆钻机1、无锡30型钻机2、XJ100型振动钻机旋喷用旋喷管单管、42mm地质钻杆旋喷直径0.32~0.4m注浆成桩单管法高压胶工作压力31Mpa、9Mpa,内径19mm高压泵1、3W-TB4高压柱塞泵,带压力流量仪表高压水助喷三重管法泥浆泵1、BW250/50型,压力3~5Mpa,排量150~250L/min2、200/40型,压力4Mpa,排量120~200L/min型浆车旋喷注浆空压机压力0.55~0.70Mpa,排量6~9m3/min旋喷用气钻机1、无锡30型钻机2、XJ100型振动钻机旋喷用,成孔用旋喷管三重管,泥浆压力2Mpa、水压20Mpa,气压0.5Mpa水、气、浆成桩高压胶工作压力31Mpa、9Mpa、内径19mm高压水泥浆用三重管法其他搅拌管、各种压力、流量仪表等控制压力流量注:1、钻机的转速和提升速度,根据需要应附设调整装置,或增设慢速卷扬机;2、二重管法选用高压泥浆泵、空压机和高压胶管等可参照上世纪列规格选用;3、三重管法尚需配备搅拌罐(一次搅拌量3.5m3)、旋转及提升装置、吊车、集泥箱、指挥信号装置等;4、其他尚需配各种压力、流量仪表等。
广元市利州区利元国有投资有限公司快乐人家项目高压旋喷桩地基加固处理方案(第二版)中国建筑西南勘察设计研究院有限公司2014年4月15日广元市利州区利元国有投资有限公司快乐人家项目高压旋喷桩地基加固处理方案(第二版)工程编号:B13-0730 总经理:赵翔总工程师:康景文审定:朱丹审核:晏宾设计:王新刘小俊中国建筑西南勘察设计研究院有限公司2014年4月15日目录1、工程概况.................................................................................................................... - 1 -2、场地条件.................................................................................................................... - 1 -2.1场地位置、地形地貌 ......................................................................................... - 1 -2.2地层结构及分布 ................................................................................................... - 2 -2.3场地水文条件 ....................................................................................................... - 4 -3、高压旋喷桩复合地基设计........................................................................................ - 5 -3.1设计依据 ............................................................................................................... - 5 -3.2地基加固技术要求 ............................................................................................... - 5 -3.3旋喷桩加固设计计算 ........................................................................................... - 5 -3.4旋喷桩布置 ......................................................................................................... - 10 -3.5旋喷桩桩长 ......................................................................................................... - 10 -3.6褥垫层 ................................................................................................................. - 10 -3.7设计工程量 ......................................................................................................... - 10 -3.8旋喷桩施工工艺及施工方法 ............................................................................. - 11 -3.9施工控制参数 ..................................................................................................... - 12 -4、旋喷地基加固质量检测.......................................................................................... - 12 - 附:高压旋喷桩桩位平面布置图 (3张)1、工程概况广元市利州区快乐人家项目由广元市利州区利元国有投资有限公司投资建设,由广元工程设计院进行建筑设计。
南昌市港口大道配套工程下庄湖路工程软基处理(高压旋喷桩)试桩方案编制:复核:审核:中铁七局集团有限公司南昌市港口大道配套工程项目经理部目录一、编制依据........................................................................................ - 1 -二、设计概述........................................................................................ - 1 -三、试桩目的........................................................................................ - 1 -四、试桩总体计划及要求 ................................................................... - 2 -五、试桩暂定施工参数、施工机具 ................................................... - 3 -六、高压旋喷桩的施工工艺及主要施工方法 ................................... - 3 -七、试桩施工要点 ............................................................................... - 7 -八、试桩注意事项 ............................................................................... - 9 -九、旋喷桩试桩施工质量检验 ........................................................... - 9 -十、试桩结果及总结 ......................................................................... - 10 -十一、质量保证措施 ......................................................................... - 10 -十二、安全、环保及文明施工措施 ................................................. - 12 -高压旋喷桩试桩施工方案一、编制依据1、南昌市港口大道配套工程下庄湖路工程(港口大道~昌北大道)施工图;2、南昌市经开区下庄湖路(港口大道~昌北大道)道路工程地质勘察报告;3、《建筑地基基础设计规范》(GB50007-2011);4、《建筑地基处理技术规范》(JGJ79-2012);5、《建筑地基基础工程施工质量验收规范》(GB50202-2002);6、《建筑工程施工质量验收统一标准》(GB50300-2013);7、《建筑施工安全检查标准》(JGJ59-2011)。
高压旋喷桩地基加固技术方案1、工程概述通让线K100+276.23新建1-7。
0m顶进框构桥,桥址地质:自上而下依次为素填土、粉质粘土、粉土、细砂、粉砂,地基承载力[δ]=100—120kPa,设计为高压旋喷桩进行加固,加固体直径为600mm,桩长5m,孔位间距为1。
2m,共计300根。
既有线下路基设计为路基边坡斜向钻孔,与水平线交角10。
8°—34。
2°,桩长为4。
84-4.24m.桩体设计强度为2。
5MPa,加固后复合地基试验承载力[δ]≥150kPa,桩体单桩竖向承载力特征值Ra=282KN。
2、旋喷桩加固机理所谓高压旋喷桩,就是利用钻机把带有特殊喷嘴的注浆管钻至土层的预定位置后,以高压设备使水泥浆液以高压流从喷嘴中喷射出来,冲击破坏土体,当能量大、速度快和呈脉动状的喷射流的动压超过土体结构强度时,土粒从土体剥离下来,除部分土粒随水泥浆冒出水面,其余土粒在喷射流的冲击力、离心力和重力等作用下,与水泥浆搅拌混合并按一定的浆土比例和质量大小有规律的重新排列。
水泥浆凝固后在土中形成一个固结体,从而使地基得到加固.旋喷时喷嘴以20MPa左右的压力喷射,同时以一定速度(20-22r/min)旋转和(15-30cm/min)徐徐提升,形成圆柱状固结体提高地基的抗剪强度及改善土的变形性质.使其在上部结构荷载直接作用下,不会产生破坏或较大变形;并可形成封闭的帷幕.3、施工方案选择3.1方案选择高压旋喷桩注浆法分为单管法、二重管法、三重管法。
从施工过程中来看,单管法施工时,是以水泥浆高速喷射冲击破坏土体,从单管喷射高压水泥浆为喷射流;二重管法、三重管法施工时,是以水泥浆、水或压缩空气等介质高速喷射冲击破坏土体,形成喷射流。
本框构地基为软弱泥沙质土层且含水量较大,如在施工过程中排水量较大时,对软弱土层的物理力学性质起到软化和泥化的不良作用。
本框构桥采用单管法进行地基加固处理。
3。
2机具人员配置机具:MJG—50型锚杆钻机2台,GPB—90型高压注浆泵2台,WJG-80型制浆机4台,一千升浆桶1个。
高压旋喷桩专项方案1. 方案背景高压旋喷桩是一种常用的地基处理方法,广泛应用于土木工程中,可提供稳定的地基支撑和抗震能力。
本文档旨在介绍高压旋喷桩的专项方案,包括方案的设计原则、施工步骤和注意事项。
2. 设计原则高压旋喷桩的设计需要遵循以下原则:•地质勘察:进行详细的地质勘察,包括土壤类型、地下水位等信息,以便合理选择旋喷桩的参数和施工方案。
•荷载计算:根据工程荷载计算旋喷桩的长度和间距,确保地基的稳定性和承载能力。
•配置参数:选择适当的旋喷桩直径、层数和预应力力度,以满足实际工程的要求。
•周边环境:考虑周边环境因素,如旋喷桩与建筑物、管道等的保持距离,防止影响周边结构物的安全。
3. 施工步骤高压旋喷桩的施工步骤包括以下几个阶段:3.1. 准备工作在施工前,需要进行充分的准备工作,包括:•确定施工区域:根据设计要求确定旋喷桩的施工区域。
•检查设备:检查旋喷桩设备和相关工具的工作状态,确保其正常运行。
•安全措施:制定施工安全措施,并提供必要的防护装备。
•材料准备:准备好所需的旋喷桩材料,包括钢筋、水泥和砂浆等。
3.2. 钻孔施工按照设计要求进行钻孔施工,包括以下步骤:1.定位标记:根据设计要求,在施工区域标记出钻孔位置。
2.钻孔设备:使用合适的钻孔设备,在标记位置进行钻孔。
3.钻孔深度:根据设计要求,控制钻孔的深度和直径。
4.检查孔内:钻孔完成后,检查孔内的地质情况,并进行必要的清理。
3.3. 旋喷桩施工旋喷桩施工是高压旋喷桩的核心步骤,具体操作如下:1.立柱准备:根据设计要求,准备好旋喷桩的立柱和钢筋等材料。
2.准备旋喷桩设备:检查旋喷桩设备的工作状态,并连接好供水和供气管道。
3.施工操作:按照旋喷桩的设计要求进行操作,包括旋喷、加固和预应力等步骤。
4.检查质量:在施工过程中,定期检查旋喷桩的质量,确保施工符合要求。
5.预应力处理:根据设计要求,进行旋喷桩的预应力处理,并记录相关数据。
3.4. 现场清理施工完成后,需要对施工现场进行清理和整理工作,包括:•清理材料:清除施工过程中产生的废弃材料,保持施工现场的整洁。
高压旋喷桩泥浆比重计算公式高压旋喷桩是一种常见的地基处理方法,通过将水泥浆喷射到土壤中形成具有一定强度的地基。
而泥浆的比重是决定旋喷桩工艺稳定性和成孔效果的重要参数之一、下面将介绍高压旋喷桩泥浆比重计算的公式以及相关注意事项。
泥浆比重(g/cm^3)= (水泥重量(kg) + 浮选土重量(kg)) / (水泥体积(L) + 浮选土体积(L))其中,水泥重量为在泥浆中所添加的水泥重量,单位为千克;浮选土重量为在泥浆中所添加的浮选土重量,单位为千克;水泥体积为泥浆中所添加的水泥体积,单位为升;浮选土体积为泥浆中所添加的浮选土体积,单位为升。
需要注意的是,泥浆比重的计算需要准确测量泥浆中所添加的水泥和浮选土的重量和体积。
水泥的重量可以通过称重的方法进行测量,浮选土的重量可以通过称重或比重法测量。
水泥和浮选土的体积可以通过容器法测量,即将水泥和浮选土装入已知容积的容器中,测量容器的重量差,再除以泥浆的密度得到体积。
在进行高压旋喷桩泥浆比重的计算时,还需要注意以下几点:1.泥浆比重的选择应根据实际工程需求和土壤条件进行确定。
一般来说,泥浆比重较大可以提高泥浆的稳定性和成孔效果,但也会增加施工难度和成本。
2.泥浆比重的计算需要准确测量水泥和浮选土的重量和体积,以保证计算结果的准确性。
3.在实际施工中,泥浆比重的调整可以通过调整水泥和浮选土的添加量来实现。
如果泥浆比重过大或过小,可以适量增加或减少水泥和浮选土的添加量,以达到理想的泥浆比重。
4.在进行泥浆比重调整时,需要注意控制水泥和浮选土的均匀混合,避免泥浆中出现水泥球或浮选土团。
综上所述,高压旋喷桩泥浆比重的计算公式为通过测量水泥和浮选土的重量和体积来计算,需要保证测量结果的准确性。
在实际施工中,需要根据工程需求和土壤条件选择合适的泥浆比重,并通过调整水泥和浮选土的添加量来实现。
同时,需要注意控制水泥和浮选土的均匀混合,确保泥浆的稳定性和成孔效果。
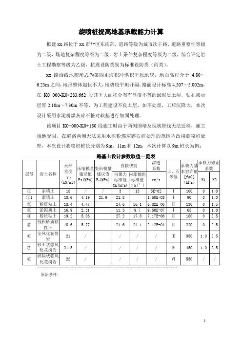
旋喷桩提高地基承载能力计算拟建xx路位于xx市**区东南部,道路等级为城市次干路,道路重要性等级为二级,场地复杂程度等级为二级,岩土条件复杂程度等级为二级,综合评定岩土工程勘察等级为乙级,抗震设防类别为标准设防类(丙类)。
xx路沿线地貌形式为第四系海积冲洪积平原地貌,地面高程介于4.80~6.23m之间,地形整体起伏不大,地势较平坦开阔,路面设计标高4.507~5.002m,在K0+000-K0+283.662段其下大面积分布有厚度不等的淤泥质土层,钻孔揭示层厚2.10m~7.30m不等,为工程建设不良土层,如不处理,工后沉降大,本次设计采用水泥粉煤灰碎石桩对软基进行加固处理。
该项目K0+000-K0+180段施工时由于两侧围墙及现状管线无法迁移,施工场地受限,在道路两侧无法采用水泥粉煤灰碎石桩处理的范围内改用旋喷桩处理,本次设计旋喷桩桩长分别为9m、11m和12m,本次计算以9m桩长为例:---------------------------------------------------------------------- 原始条件:计算目标: 计算沉降、承载力和稳定路堤设计高度: 1.120(m)路堤设计顶宽: 30.000(m)路堤边坡坡度: 1:0.000工后沉降基准期结束时间: 240(月) 荷载施加级数: 2序号起始时间 (月) 终止时间(月) 填土高度(m) 是否作稳定计算1 0.000 6.000 0.000 是2 6.000 12.000 1.120 是路堤土层数: 2 超载个数: 0层号层厚度(m) 重度(kN/m3) 内聚力(kPa) 内摩擦角(度)1 0.620 23.000 40.000 30.0002 0.500 18.000 30.000 30.000地基土层数: 3 地下水埋深: 1.000(m)钻孔数: 5钻孔位置(m): 0.000 20.000 40.000 60.000 80.000层号孔01层厚孔02层厚孔03层厚孔04层厚孔05层厚重度饱和重度地基承载力快剪C 快剪固结快剪竖向固结系水平固结系排水层(m) (m) (m) (m) (m) (kN/m3) (kN/m3) (kPa) (kPa) (度) (度) 数(cm2/s) 数(cm2/s)1 1.000 1.000 1.000 1.000 1.000 18.400 20.000 130.000 24.600 16.100 16.100 0.00150 0.00150 否2 7.000 7.000 7.000 7.000 7.000 16.900 20.000 65.000 11.300 9.700 11.000 0.00150 0.00150 否3 10.000 10.000 10.000 10.000 10.000 19.200 20.000 180.000 27.200 17.800 15.000 0.00150 0.00150 否层号 e( 0) e( 50) e(100) e(200) e(300) e(400) e(500) e(600) e(800)1 0.754 0.698 0.664 0.626 0.595 0.560 0.500 0.450 0.2502 0.754 0.698 0.664 0.626 0.595 0.560 0.500 0.450 0.2503 0.754 0.698 0.664 0.626 0.595 0.560 0.500 0.450 0.250砂垫层砂垫层厚度: 0.500(m)砂垫层的重度: 21.000(kN/m3)砂垫层的C: 0.000(kPa)砂垫层的: 30.000(度)加固土桩加固土桩布置形式:等边三角形加固土桩间距: 1.500(m)加固土桩的长度 9.000(m)加固土桩桩土应力比: 3.500加固土桩直径: 0.600(m)加固土桩的抗剪强度: 15.000(kPa)加固土桩布置起始坐标: 0.000(m)加固土桩布置宽度: 30.000(m)承载力计算参数:承载力验算公式: p ≤γR[fa]验算点距离中线距离: 0.000(m)承载力抗力系数γR: 1.00复合地基计算公式: fspk = mRa/Ap + (1-m)fsk单桩承载力Ra: 160.00(kN)桩间土承载力折减系数: 1.00桩间土承载力提高系数: 1.00承载力修正公式: [fa] = [fa0] + 2(h-h0)基准深度h0: 0.000(m)固结度计算参数:地基土层底面: 不是排水层固结度计算采用方法: 微分方程数值解法多级加荷固结度修正时的荷载增量定义为“填土高*容重”填土-时间-固结度输出位置距离中线距离: 0.000(m) 填土-时间-固结度输出位置深度: 0.000(m)沉降计算参数:地基总沉降计算方法: 经验系数法主固结沉降计算方法: e-p曲线法沉降计算不考虑超载沉降修正系数: 1.200沉降计算的分层厚度: 0.500(m)分层沉降输出点距中线距离: 0.000(m)压缩层厚度判断应力比 = 15.000%基底压力计算方法:按多层土实际容重计算加固区主固结沉降计算方法:公路软基规范法计算时不考虑弥补地基沉降引起的路堤增高量工后基准期起算时间: 最后一级加载(路面施工)结束时稳定计算参数:稳定计算方法: 有效固结应力法稳定计算不考虑超载稳定计算考虑地震力地震烈度: 7度地震作用综合系数: 0.250地震作用重要性系数: 1.000稳定计算目标: 自动搜索最危险滑裂面条分法的土条宽度: 1.000(m)搜索时的圆心步长: 1.000(m)搜索时的半径步长: 0.500(m)============================================================================ (一) 各级加荷的沉降计算第1级加荷,从0.0~6.0月加载开始时,路基计算高度 = 0.000(m),沉降 = 0.000(m)加载结束时,路基计算高度 = 0.000(m),沉降 = 0.000(m) 第2级加荷,从6.0~12.0月加载开始时,路基计算高度 = 0.000(m),沉降 = 0.000(m)加载结束时,路基计算高度 = 1.120(m),沉降 = 0.033(m)============================================================================ (二) 路面竣工时及以后的沉降计算基准期开始时刻: 最后一级加载(路面施工)结束时刻不考虑沉降影响,路堤的实际计算高度为 = 1.120(m)路面竣工时,地基沉降 = 0.033(m)路面竣工后,基准期内的残余沉降 = 0.049(m)基准期结束时,地基沉降 = 0.083(m)最终地基总沉降 = 1.200*0.085 = 0.102(m)路面竣工时,路基横断面各点的沉降(中线为原点)坐标当时沉降两点间沉降与路堤中心(m) (m) 差(m) 沉降差(m)-21.000 0.000 0.000 0.033-19.500 0.000 0.000 0.033-18.000 0.000 0.000 0.033-16.500 0.000 0.000 0.033-15.000 0.014 0.014 0.019-13.500 0.026 0.012 0.007-12.000 0.029 0.003 0.004-10.500 0.030 0.001 0.003-9.000 0.032 0.001 0.002-7.500 0.032 0.000 0.001-6.000 0.033 0.001 0.001-4.500 0.033 0.001 0.000-3.000 0.033 0.000 0.000-1.500 0.033 0.000 0.0000.000 0.033 0.000 0.0001.500 0.033 -0.000 0.0003.000 0.033 -0.000 0.0004.500 0.033 -0.000 0.0006.000 0.033 -0.001 0.0017.500 0.032 -0.001 0.0019.000 0.032 -0.000 0.00210.500 0.030 -0.001 0.00312.000 0.029 -0.001 0.00413.500 0.026 -0.003 0.00715.000 0.014 -0.012 0.01916.500 0.000 -0.014 0.03318.000 0.000 0.000 0.03319.500 0.000 0.000 0.03321.000 0.000 0.000 0.033路堤竣工时,由于地基沉降引起路堤填筑面积增量:(1) 由各点计算沉降梯形积分方法得ΔV = 0.915(m2)(2) 按照《铁路路基手册》方法得Δs = 0.033(m) ΔV = 0.667(m2)按照《铁路路基手册》方法,路堤顶面单侧加宽量: ΔW = 0.000 ~ 0.000(m) 基准期结束时,路基横断面各点的沉降(中线为原点)坐标当时沉降两点间沉降与路堤中心(m) (m) 差(m) 沉降差(m)-21.000 0.000 0.000 0.083-19.500 0.000 0.000 0.083-18.000 0.000 0.000 0.083-16.500 0.000 0.000 0.083-15.000 0.032 0.032 0.050-13.500 0.056 0.024 0.026-12.000 0.067 0.010 0.016-10.500 0.071 0.005 0.011-9.000 0.076 0.005 0.006-7.500 0.077 0.001 0.005-6.000 0.080 0.002 0.003-4.500 0.082 0.002 0.001-3.000 0.082 0.000 0.000-1.500 0.083 0.000 0.0000.000 0.083 0.000 0.0001.500 0.083 -0.000 0.0003.000 0.082 -0.000 0.0004.500 0.082 -0.000 0.0016.000 0.080 -0.002 0.0037.500 0.077 -0.002 0.0059.000 0.076 -0.001 0.00610.500 0.071 -0.005 0.01112.000 0.067 -0.005 0.01613.500 0.056 -0.010 0.02615.000 0.032 -0.024 0.05016.500 0.000 -0.032 0.08318.000 0.000 0.000 0.08319.500 0.000 0.000 0.08321.000 0.000 0.000 0.083路基横断面各点的最终沉降(中线为原点)坐标当时沉降两点间沉降与路堤中心(m) (m) 差(m) 沉降差(m)-21.000 0.000 0.000 0.102-19.500 0.000 0.000 0.102-18.000 0.000 0.000 0.102-16.500 0.000 0.000 0.102-15.000 0.036 0.036 0.065-13.500 0.064 0.028 0.038-12.000 0.078 0.014 0.024-10.500 0.084 0.006 0.017-9.000 0.092 0.007 0.010-7.500 0.094 0.002 0.008-6.000 0.097 0.004 0.004-4.500 0.101 0.003 0.001-3.000 0.101 0.001 0.000-1.500 0.102 0.000 0.0000.000 0.102 0.000 0.0001.500 0.102 -0.000 0.0003.000 0.101 -0.000 0.0004.500 0.101 -0.001 0.0016.000 0.097 -0.003 0.0047.500 0.094 -0.004 0.0089.000 0.092 -0.002 0.01010.500 0.084 -0.007 0.01712.000 0.078 -0.006 0.02413.500 0.064 -0.014 0.03815.000 0.036 -0.028 0.06516.500 0.000 -0.036 0.10218.000 0.000 -0.000 0.10219.500 0.000 -0.000 0.10221.000 0.000 -0.000 0.102路面竣工时,距路基中线0.000(m)处各层的沉降层底深层厚自重应力(kPa ) 附加应力全应力(kPa) 固结度层最终层当前分层主固层累计主压缩模沉降经(m) (m) (孔隙比) (kPa) (孔隙比) 沉降mSc(m) 沉降(m) 结沉降(m) 固结沉降(m) 量(MPa) 验系数0.500 0.500 4.6( 0.749) 22.3 26.9( 0.724) 0.9054 0.0063 0.00580.0052 0.0052 1.56 1.400(1.100)1.000 0.500 13.8( 0.739) 22.3 36.1( 0.714) 0.7162 0.0063 0.00480.0053 0.0105 1.55 1.400(1.100)1.500 0.500 20.9( 0.731) 22.3 43.2( 0.706) 0.5270 0.0063 0.0038 0.0053 0.0158 1.55 1.400(1.100)2.000 0.500 25.9( 0.725) 22.2 48.1( 0.700) 0.3378 0.0064 0.0028 0.0053 0.0211 1.54 1.400(1.100)2.500 0.500 30.9( 0.719) 22.2 53.1( 0.696) 0.2559 0.0060 0.0023 0.0050 0.0261 1.63 1.400(1.100)3.000 0.500 35.9( 0.714) 22.2 58.1( 0.692) 0.1860 0.0055 0.0018 0.0046 0.0307 1.79 1.400(1.100)3.500 0.500 40.9( 0.708) 22.2 63.1( 0.689) 0.1160 0.0049 0.0013 0.0041 0.0348 1.98 1.400(1.100)4.000 0.500 45.9( 0.703) 22.1 68.0( 0.686) 0.0626 0.0044 0.0010 0.0036 0.0384 2.24 1.400(1.100)4.500 0.500 50.9( 0.697) 22.1 73.0( 0.682) 0.0475 0.0039 0.0008 0.0032 0.0416 2.50 1.400(1.100)5.000 0.500 55.9( 0.694) 22.0 77.9( 0.679) 0.0325 0.0039 0.0008 0.0032 0.0449 2.49 1.400(1.100)5.500 0.500 60.9( 0.691) 21.9 82.8( 0.676) 0.0175 0.0039 0.0007 0.0032 0.0481 2.49 1.400(1.100)6.000 0.500 65.9( 0.687) 21.8 87.7( 0.672) 0.0113 0.0039 0.0007 0.0032 0.0513 2.48 1.400(1.100)6.500 0.500 70.9( 0.684) 21.7 92.6( 0.669) 0.0090 0.0039 0.0007 0.0032 0.0545 2.48 1.400(1.100)7.000 0.500 75.9( 0.680) 21.6 97.5( 0.666) 0.0066 0.0038 0.0007 0.0032 0.0577 2.47 1.400(1.100)7.500 0.500 80.9( 0.677) 21.4 102.3( 0.663) 0.0045 0.0036 0.0006 0.0030 0.0608 2.59 1.394(1.094)8.000 0.500 85.9( 0.674) 21.3 107.2( 0.661) 0.0040 0.0032 0.0006 0.0027 0.0635 2.89 1.374(1.074)8.500 0.500 90.9( 0.670) 21.1 112.0( 0.659) 0.0036 0.0028 0.0005 0.0024 0.0658 3.28 1.348(1.048)9.000 0.500 95.9( 0.667) 20.9 116.8( 0.658) 0.0031 0.0033 0.0006 0.0028 0.0686 3.80 1.313(1.013)9.500 0.500 100.9( 0.664) 20.8 121.7( 0.656) 0.0028 0.0028 0.0005 0.0024 0.0710 4.38 1.262(0.962)10.000 0.500 105.9( 0.662) 20.6 126.5( 0.654) 0.0025 0.0028 0.0005 0.0024 0.0733 4.37 1.263(0.963)10.500 0.500 110.9( 0.660) 20.4 131.3( 0.652) 0.0022 0.0028 0.0005 0.0023 0.0757 4.37 1.263(0.963)11.000 0.500 115.9( 0.658) 20.2 136.1( 0.650) 0.0020 0.0028 0.0005 0.0023 0.0780 4.36 1.264(0.964)11.500 0.500 120.9( 0.656) 19.9 140.8( 0.648) 0.0017 0.0027 0.0005 0.0023 0.0802 4.36 1.264(0.964)12.000 0.500 125.9( 0.654) 19.7 145.6( 0.647) 0.0015 0.0027 0.0005 0.0023 0.0825 4.35 1.265(0.965)12.500 0.500 130.9( 0.652) 19.5 150.4( 0.645) 0.0012 0.0027 0.0005 0.0022 0.0848 4.35 1.265(0.965)最下面分层附加应力与自重应力之比 = 14.895% <= 15.000%压缩模量当量值 = 2.460Mpa, 按地基规范GB50007-2002表5.3.5 的沉降计算经验系数 = 1.400(1.100)============================================================================(三) 填土--时间--沉降曲线输出位置,相对于路堤中线 0(m)(即X=15.000(m))时间(月) 设计填土高度实际填土高度当时沉降(m) (m) (m)0.00 0.000 0.000 0.0000.60 0.000 0.000 0.0001.20 0.000 0.000 0.0001.80 0.000 0.000 0.0002.40 0.000 0.000 0.0003.00 0.000 0.000 0.0003.60 0.000 0.000 0.0004.20 0.000 0.000 0.0004.80 0.000 0.000 0.0005.40 0.000 0.000 0.0006.00 0.000 0.000 0.0006.60 0.112 0.112 0.0007.20 0.224 0.224 0.0027.80 0.336 0.336 0.0048.40 0.448 0.448 0.0079.00 0.560 0.560 0.0119.60 0.672 0.672 0.01410.20 0.784 0.784 0.01810.80 0.896 0.896 0.02311.40 1.008 1.008 0.02812.00 1.120 1.120 0.03336.00 1.120 1.120 0.05260.00 1.120 1.120 0.06084.00 1.120 1.120 0.066108.00 1.120 1.120 0.070132.00 1.120 1.120 0.073156.00 1.120 1.120 0.076180.00 1.120 1.120 0.078204.00 1.120 1.120 0.080228.00 1.120 1.120 0.081252.00 1.120 1.120 0.083============================================================================(四) 填土--时间--固结度曲线输出位置,相对于路堤中线 0.000(m)(即X=15.000(m))输出深度为 0.000(m)时间(月) 设计填土高度固结度(m)0.00 0.000 0.0000.60 0.000 0.0001.20 0.000 0.0001.80 0.000 0.0002.40 0.000 0.0003.00 0.000 0.0003.60 0.000 0.0004.20 0.000 0.0004.80 0.000 0.0005.40 0.000 0.0006.00 0.000 0.0006.60 0.112 0.1007.20 0.224 0.2007.80 0.336 0.3008.40 0.448 0.4009.00 0.560 0.5009.60 0.672 0.60010.20 0.784 0.70010.80 0.896 0.80011.40 1.008 0.90012.00 1.120 1.00036.00 1.120 1.00060.00 1.120 1.00084.00 1.120 1.000108.00 1.120 1.000132.00 1.120 1.000156.00 1.120 1.000180.00 1.120 1.000204.00 1.120 1.000228.00 1.120 1.000252.00 1.120 1.000============================================================================ (五) 稳定计算(1) 第1级加荷,从0.0~6.0月,路基设计高度0.000(m), 路基计算高度(不考虑沉降影响)0.000(m),加载结束时稳定结果最不利滑动面:滑动圆心 = (0.000000,0.000000)(m)滑动半径 = 0.000000(m)滑动安全系数 = 10001.000总的下滑力 = 0.000(kN)总的抗滑力 = 0.000(kN)土体部分下滑力 = 0.000(kN)土体部分抗滑力 = 0.000(kN)筋带的抗滑力 = 0.000(kN)地震作用下滑力 = 0.000(kN)(2) 第2级加荷,从6.0~12.0月,路基设计高度1.120(m), 路基计算高度(不考虑沉降影响)1.120(m),加载结束时稳定结果η= 0.145 μc=2.568 μs=0.734 τc=15.000(kPa)抗滑力抗滑力抗滑力土条起始x 土条面土条自条上荷总重αi Sinαi Cosαi Woi CqiΦi Ui Φgi Wli 下滑力 WoiCosαi CiLi σliCos编号 (m) 积(m2) 重(kN) 重(kN) (kN) (度) (kN) (kPa) (度) (度) (kN) (kN) tgΦi αitgΦgi-------------------------------------------------------------------------------------------------------------1 -14.40 0.34 6.19 0.00 6.19 -56.07 -0.83 0.56 6.19 24.60 16.10 0.8085 16.10 0.0 -5.1 1.0 29.7 0.02 -13.73 1.58 24.06 0.00 24.06 -51.38 -0.78 0.62 24.06 11.30 9.70 0.3850 11.00 0.0 -18.8 2.6 17.8 0.03 -12.75 2.69 35.11 0.00 35.11 -46.33 -0.72 0.69 35.11 11.30 9.70 0.1858 11.00 0.0 -25.4 4.1 16.0 0.04 -11.77 3.62 44.43 0.00 44.43 -41.71 -0.67 0.75 44.43 11.30 9.70 0.0641 11.00 0.0 -29.6 5.7 14.8 0.05 -10.79 4.42 52.39 0.00 52.39 -37.40 -0.61 0.79 52.39 11.30 9.70 0.0397 11.00 0.0 -31.8 7.1 14.0 0.06 -9.80 5.10 59.23 0.00 59.23 -33.34 -0.55 0.84 59.23 11.30 9.70 0.0187 11.00 0.0 -32.5 8.5 13.3 0.07 -8.82 5.69 65.10 0.00 65.10 -29.45 -0.49 0.87 65.10 11.30 9.70 0.0110 11.00 0.0 -32.0 9.7 12.7 0.08 -7.84 6.19 70.13 0.00 70.13 -25.71 -0.43 0.90 70.13 11.30 9.70 0.0086 11.00 0.0 -30.4 10.8 12.3 0.09 -6.86 6.62 74.39 0.00 74.39 -22.08 -0.38 0.93 74.39 11.30 9.70 0.0066 11.00 0.0 -28.0 11.8 12.0 0.010 -5.88 6.97 77.96 0.00 77.96 -18.55 -0.32 0.95 77.96 11.30 9.70 0.0049 11.00 0.0 -24.8 12.6 11.7 0.011 -4.90 7.26 80.87 0.00 80.87 -15.09 -0.26 0.97 80.87 11.30 9.70 0.0043 11.00 0.0 -21.0 13.3 11.5 0.012 -3.92 7.49 83.16 0.00 83.16 -11.68 -0.20 0.98 83.16 11.30 9.70 0.0041 11.00 0.0 -16.8 13.9 11.3 0.013 -2.94 7.66 84.85 0.00 84.85 -8.31 -0.14 0.99 84.85 11.30 9.70 0.0040 11.00 0.0 -12.3 14.4 11.2 0.014 -1.96 7.77 85.97 0.00 85.97 -4.98 -0.09 1.00 85.97 11.30 9.70 0.0039 11.00 0.0 -7.5 14.6 11.1 0.015 -0.98 7.83 86.53 0.00 86.53 -1.66 -0.03 1.00 86.53 11.30 9.70 0.0038 11.00 0.0 -2.5 14.8 11.1 0.0土条起始x 土条面土条自条上荷总重αi Sinαi Cosαi li Ci ΦiΦgi Ui Wli Woi 下滑力抗滑力编号 (m) 积(m2) 重(kN) 重(kN) (kN) (度) (m) (kPa) (kN) (kN) (kN) (kN)---------------------------------------------------------------------------------转为总应力法16 0.00 8.93 108.35 0.00 108.35 1.66 1.00 0.03 0.98 11.30 9.7011.00 0.00 21.83 86.53 3.13 27.44转为总应力法17 0.98 8.87 107.80 0.00 107.80 4.98 1.00 0.09 0.98 11.30 9.7011.00 0.00 21.83 85.97 9.35 27.34转为总应力法18 1.96 8.76 106.68 0.00 106.68 8.31 0.99 0.14 0.99 11.30 9.7011.00 0.00 21.83 84.85 15.42 27.16转为总应力法19 2.94 8.59 104.98 0.00 104.98 11.68 0.98 0.20 1.00 11.30 9.7011.00 0.00 21.83 83.16 21.25 26.88转为总应力法20 3.92 8.36 102.69 0.00 102.69 15.09 0.97 0.26 1.02 11.30 9.7011.00 0.00 21.83 80.87 26.73 26.51转为总应力法21 4.90 8.07 99.78 0.00 99.78 18.55 0.95 0.32 1.03 11.30 9.7011.00 0.00 21.83 77.96 31.74 26.07转为总应力法22 5.88 7.71 96.22 0.00 96.22 22.08 0.93 0.38 1.06 11.30 9.7011.00 0.01 21.83 74.39 36.18 25.56转为总应力法23 6.86 7.29 91.96 0.00 91.96 25.71 0.90 0.43 1.09 11.30 9.7011.00 0.01 21.83 70.13 39.89 24.99转为总应力法24 7.84 6.78 86.93 0.00 86.93 29.45 0.87 0.49 1.13 11.30 9.7011.00 0.01 21.83 65.10 42.74 24.39转为总应力法25 8.82 6.20 81.05 0.00 81.05 33.34 0.84 0.55 1.17 11.30 9.7011.00 0.02 21.83 59.22 44.54 23.79转为总应力法26 9.80 5.51 74.21 0.00 74.21 37.40 0.79 0.61 1.23 11.30 9.7011.00 0.04 21.83 52.39 45.08 23.23转为总应力法27 10.79 4.72 66.25 0.00 66.25 41.71 0.75 0.67 1.31 11.30 9.7011.00 0.06 21.83 44.43 44.08 22.78转为总应力法28 11.77 3.79 56.93 0.00 56.93 46.33 0.69 0.72 1.42 11.30 9.7011.00 0.19 21.83 35.11 41.18 22.56转为总应力法29 12.75 2.68 45.88 0.00 45.88 51.38 0.62 0.78 1.57 11.30 9.70 11.00 0.39 21.83 24.06 35.85 22.7930 13.73 1.09 21.16 0.00 21.16 56.07 0.56 0.83 1.21 24.60 16.10 16.10 0.8085 14.97 6.19 17.56 31.02土条起始x 土条面土条自条上荷总重αi Sinαi Cosαi Cqi Φi 下滑力抗滑力抗滑力编号 (m) 积(m2) 重(kN) 重(kN) (kN) (度) (kPa) (度) (kN) WiCosαitgΦ CiLi-----------------------------------------------------------------------------------------------------------31 14.40 0.26 5.09 0.00 5.09 59.09 0.86 0.51 0.00 30.00 4.37 1.51 0.0032 14.70 0.04 0.71 0.00 0.71 60.31 0.87 0.50 40.00 30.00 0.62 0.20 5.5333 14.77 0.07 1.22 0.00 1.22 61.50 0.88 0.48 30.00 30.00 1.07 0.34 17.07最不利滑动面:滑动圆心 = (0.000000,8.960000)(m)滑动半径 = 16.959438(m)滑动安全系数 = 3.736总的下滑力 = 204.073(kN)总的抗滑力 = 762.420(kN)土体部分下滑力 = 142.223(kN)土体部分抗滑力 = 762.420(kN)筋带的抗滑力 = 0.000(kN)地震作用下滑力 = 61.850(kN)============================================================================地基承载力计算1. 基础底面处地基承载力计算1) 基础底面处各点地基承载力计算计算点 m pk fsk fspk ftg(m) (kPa) (kPa) (kPa)0.00 0.1451 22.3 130.0 193.3 1.0002.00 0.1451 22.3 130.0 193.3 1.0004.00 0.1451 22.3 130.0 193.3 1.0006.00 0.1451 22.3 130.0 193.3 1.0008.00 0.1451 22.3 130.0 193.3 1.00010.00 0.1451 22.3 130.0 193.3 1.00012.00 0.1451 22.3 130.0 193.3 1.00014.00 0.1451 22.3 130.0 193.3 1.00016.00 0.1451 22.3 130.0 193.3 1.00018.00 0.1451 22.3 130.0 193.3 1.00020.00 0.1451 22.3 130.0 193.3 1.00022.00 0.1451 22.3 130.0 193.3 1.00024.00 0.1451 22.3 130.0 193.3 1.00026.00 0.1451 22.3 130.0 193.3 1.00028.00 0.1451 22.3 130.0 193.3 1.00030.00 0.1451 22.3 130.0 193.3 1.0002) 验算给定点基础底面处承载力计算点 m pk fsk fspk ftg(m) (kPa) (kPa) (kPa)0.00 0.1451 22.3 130.0 193.3 1.000计算点xi = 0.000m,p ≤γRfa;此点承载力满足!***m -- 桩土面积置换率***pk -- 基础底部压应力(kPa)***fsk -- 地基土的地基承载力值(kPa)***fspk -- 复合地基的地基承载力值(kPa)***ftg -- 考虑固结引起的地基承载力值提高系数2. 地基处理深度范围内土层的承载力验算计算点深度 pz pcz pz + pcz faz ftg (m) (m) (kPa) (kPa) (kPa) (kPa)0.00 1.00 11.1 18.4 29.5 156.1 1.000 0.00 8.00 11.0 158.4 169.4 394.4 1.000 2.00 1.00 21.8 18.4 40.2 156.1 1.000 2.00 8.00 14.4 158.4 172.8 394.4 1.000 4.00 1.00 22.2 18.4 40.6 156.1 1.000 4.00 8.00 17.1 158.4 175.5 394.4 1.000 6.00 1.00 22.2 18.4 40.6 156.1 1.000 6.00 8.00 18.9 158.4 177.3 394.4 1.000 8.00 1.00 22.3 18.4 40.7 156.1 1.000 8.00 8.00 20.0 158.4 178.4 394.4 1.000 10.00 1.00 22.3 18.4 40.7 156.1 1.000 10.00 8.00 20.7 158.4 179.1 394.4 1.000 12.00 1.00 22.3 18.4 40.7 156.1 1.000 12.00 8.00 21.0 158.4 179.4 394.4 1.000 14.00 1.00 22.3 18.4 40.7 156.1 1.000 14.00 8.00 21.2 158.4 179.6 394.4 1.000 16.00 1.00 22.3 18.4 40.7 156.1 1.000 16.00 8.00 21.2 158.4 179.6 394.4 1.000 18.00 1.00 22.3 18.4 40.7 156.1 1.000 18.00 8.00 21.0 158.4 179.4 394.4 1.00022.00 1.00 22.3 18.4 40.7 156.1 1.00022.00 8.00 20.0 158.4 178.4 394.4 1.00024.00 1.00 22.2 18.4 40.6 156.1 1.00024.00 8.00 18.9 158.4 177.3 394.4 1.00026.00 1.00 22.2 18.4 40.6 156.1 1.00026.00 8.00 17.1 158.4 175.5 394.4 1.00028.00 1.00 21.8 18.4 40.2 156.1 1.00028.00 8.00 14.4 158.4 172.8 394.4 1.00030.00 1.00 11.1 18.4 29.5 156.1 1.00030.00 8.00 11.0 158.4 169.4 394.4 1.000验算给定点的承载力计算点深度 pz pcz pz + pcz γRfaz 是否满足 (m) (m) (kPa) (kPa) (kPa) (kPa)0.00 1.00 11.1 18.4 29.5 156.1满足!0.00 8.00 11.0 158.4 169.4 394.4满足!3. 下卧土层承载力验算计算点深度 pz pcz pz + pcz faz ftg(m) (m) (kPa) (kPa) (kPa) (kPa)0.00 9.00 11.0 178.4 189.4 358.4 1.0000.00 18.00 10.4 358.4 368.8 538.4 1.0002.00 9.00 14.0 178.4 192.4 358.4 1.0002.00 18.00 11.9 358.4 370.3 538.4 1.0004.00 9.00 16.6 178.4 195.0 358.4 1.0004.00 18.00 13.2 358.4 371.6 538.4 1.0006.00 9.00 18.4 178.4 196.8 358.4 1.0006.00 18.00 14.4 358.4 372.8 538.4 1.0008.00 9.00 19.5 178.4 197.9 358.4 1.0008.00 18.00 15.3 358.4 373.7 538.4 1.00010.00 9.00 20.2 178.4 198.6 358.5 1.00010.00 18.00 16.1 358.4 374.5 538.4 1.00012.00 9.00 20.7 178.4 199.1 358.5 1.00012.00 18.00 16.5 358.4 374.9 538.4 1.00014.00 9.00 20.8 178.4 199.2 358.5 1.00014.00 18.00 16.8 358.4 375.2 538.4 1.00016.00 9.00 20.8 178.4 199.2 358.5 1.00016.00 18.00 16.8 358.4 375.2 538.4 1.00018.00 9.00 20.7 178.4 199.1 358.5 1.00018.00 18.00 16.5 358.4 374.9 538.4 1.00020.00 9.00 20.2 178.4 198.6 358.5 1.00020.00 18.00 16.1 358.4 374.5 538.4 1.00022.00 9.00 19.5 178.4 197.9 358.4 1.00024.00 18.00 14.4 358.4 372.8 538.4 1.00026.00 9.00 16.6 178.4 195.0 358.4 1.00026.00 18.00 13.2 358.4 371.6 538.4 1.00028.00 9.00 14.0 178.4 192.4 358.4 1.00028.00 18.00 11.9 358.4 370.3 538.4 1.00030.00 9.00 11.0 178.4 189.4 358.4 1.00030.00 18.00 10.4 358.4 368.8 538.4 1.000验算给定点下卧土层承载力计算点深度 pz pcz pz + pcz γRfaz 是否满足 (m) (m) (kPa) (kPa) (kPa) (kPa)0.00 9.00 11.0 178.4 189.4 358.4满足!0.00 18.00 10.4 358.4 368.8 538.4满足!pz -- 下卧层顶面处的附加应力值(kPa)pcz -- 下卧层顶面处土的自重压力值(kPa)faz -- 下卧层顶面处经深度修正后的地基承载力值(kPa)ftg -- 考虑固结引起的地基承载力值提高系数。
---------------------------------------------------------------------- 计算项目: 地基处理计算 5---------------------------------------------------------------------- [ 计算简图 ]---------------------------------------------------------------------- [ 计算条件 ]---------------------------------------------------------------------- [ 基本参数 ]地基处理方法:高压喷射注浆法[ 基础参数 ]基础类型:矩形基础基础埋深: 6.300(m)基础宽度: 15.000(m)基础长度: 10.000(m)基础覆土容重: 20.000(kN/m3)竖向荷载: 620.0(kN)弯矩Mx: 16.0(kN.m)[ 土层参数 ]土层层数: 4地下水埋深: 2.700(m)压缩层深度: 23.000(m)沉降经验系数: 0.400地基承载力修正公式:承载力修正基准深度d0: 0.500(m)序号土类型土层厚容重饱和容重压缩模量承载力鏱鏳(m) (kN/m^3) (kN/m^3) (MPa) (kPa)1 素填土 6.300 18.0 19.0 3.940 110.0 0.000 1.0002 粉砂 12.300 17.7 19.0 2.810 100.0 0.000 1.0003 淤泥 9.200 16.8 19.0 2.370 60.0 0.000 1.0004 淤泥质土 15.700 17.2 19.0 2.810 75.0 0.000 1.000***鏱-- 基础宽度地基承载力修正系数***鏳-- 基础深度地基承载力修正系数[ 高压喷射注浆法参数 ]桩布置形式:矩形桩竖向间距: 1.700(m)桩水平间距: 1.700(m)桩直径: 800(mm)桩长: 15.000(m)承载力计算公式:单桩承载力特征值: 365.681(kN)桩间土承载力折减系数: 1.000垫层厚度: 300(mm)垫层超出桩外侧的距离: 300(mm)基础边缘外桩的排数(横向): 1基础边缘外桩的排数(竖向): 1[ 处理土层参数 ]土层天然土层f f提高系数k 桩间土fsk 天然土层Es 复合地基Es 天然土层复合地基è2 100.0 1.100 110.0 2.810 5.800 23.0 23.03 60.0 1.100 66.0 2.370 5.436 23.0 23.0***f -- 表示原始土层承载力特征值(kPa)***fsk -- 表示桩间土承载力特征值(kPa)***Es -- 表示压缩模量(MPa)***-- 表示压力扩散角(度)*** 承载力提高系数和复合地基压力扩散角为交互参数;*** 天然土层的承载力、压缩模量为土层参数,列在这里便于对比;*** 天然土层的压力扩散角、桩间土fsk和复合地基压缩模量为计算中间结果。
高压旋喷桩地基加固技术方案1、工程概述通让线K100+276.23新建1-7.0m顶进框构桥,桥址地质:自上而下依次为素填土、粉质粘土、粉土、细砂、粉砂,地基承载力[δ]=100-120kPa,设计为高压旋喷桩进行加固,加固体直径为600mm,桩长5m,孔位间距为1.2m,共计300根。
既有线下路基设计为路基边坡斜向钻孔,与水平线交角10.8°-34.2°,桩长为4.84-4.24m。
桩体设计强度为2.5MPa,加固后复合地基试验承载力[δ]≥150kPa,桩体单桩竖向承载力特征值Ra=282KN。
2、旋喷桩加固机理所谓高压旋喷桩,就是利用钻机把带有特殊喷嘴的注浆管钻至土层的预定位置后,以高压设备使水泥浆液以高压流从喷嘴中喷射出来,冲击破坏土体,当能量大、速度快和呈脉动状的喷射流的动压超过土体结构强度时,土粒从土体剥离下来,除部分土粒随水泥浆冒出水面,其余土粒在喷射流的冲击力、离心力和重力等作用下,与水泥浆搅拌混合并按一定的浆土比例和质量大小有规律的重新排列。
水泥浆凝固后在土中形成一个固结体,从而使地基得到加固。
旋喷时喷嘴以20MPa左右的压力喷射,同时以一定速度(20-22r/min)旋转和(15-30cm/min)徐徐提升,形成圆柱状固结体提高地基的抗剪强度及改善土的变形性质。
使其在上部结构荷载直接作用下,不会产生破坏或较大变形;并可形成封闭的帷幕。
3、施工方案选择3.1方案选择高压旋喷桩注浆法分为单管法、二重管法、三重管法。
从施工过程中来看,单管法施工时,是以水泥浆高速喷射冲击破坏土体,从单管喷射高压水泥浆为喷射流;二重管法、三重管法施工时,是以水泥浆、水或压缩空气等介质高速喷射冲击破坏土体,形成喷射流。
本框构地基为软弱泥沙质土层且含水量较大,如在施工过程中排水量较大时,对软弱土层的物理力学性质起到软化和泥化的不良作用。
本框构桥采用单管法进行地基加固处理。
3.2机具人员配置机具:MJG-50型锚杆钻机2台,GPB-90型高压注浆泵2台,WJG-80型制浆机4台,一千升浆桶1个。
高压旋喷桩水泥掺入量30%计算
高压旋喷桩是一种常用的地基处理方法,通过高速旋转的喷射器将水泥浆注入地下,形成强固的桩体,以增加地基的承载力和稳定性。
在进行高压旋喷桩施工时,水泥的掺入量是一个重要的参数,对于施工效果和工程质量有着直接的影响。
水泥掺入量是指在喷射过程中,水泥浆与水的比例。
一般来说,水泥掺入量越高,桩体的强度越高,但也会增加成本和施工难度。
根据经验,水泥掺入量在20%到40%之间是比较合适的
范围。
如果确定高压旋喷桩的水泥掺入量为30%,那么就需要计算
出在施工过程中需要使用的水泥和水的比例。
假设需要喷射1000立方米的桩体,根据水泥掺入量为30%,可以得到以下
计算公式:
水泥用量 = 1000 * 30% = 300立方米
水用量 = 1000 - 300 = 700立方米
根据以上计算,施工过程中需要使用300立方米的水泥和700
立方米的水。
在实际施工中,需要根据具体情况进行调整,确保施工过程中的浆液浓度和流动性能。
水泥掺入量的选择需要考虑多个因素,包括地质条件、桩体设计要求、施工难度等。
在某些情况下,可能需要根据实际情况进行调整,以达到最佳的施工效果和工程质量。
总之,高压旋喷桩水泥掺入量为30%时,在施工过程中需要使用30%的水泥和70%的水。
这个比例可以根据具体情况进行调整,以满足工程要求。
在实际施工中,需要严格控制水泥掺入量,确保施工过程中的浆液浓度和流动性能,以保证高压旋喷桩的施工质量和效果。
一、94定额1)说明:13.深层水泥搅拌桩适用于桩长16米内,桩径500毫米内,水泥掺入量按加固土重的12%考虑的,如设计不同时按每增减1%定额计算。
2)工程量计算规则:7.深层水泥搅拌桩工程量按桩全长乘以桩径截面面积计算,桩全长+设计桩长+50厘米。
二、2003定额:1)说明:十七、深层水泥搅拌桩的水泥掺量按加固土重(1800kg/m3)的13%考虑,如设计不同时按每增减1%定额计算。
空搅部分按相应定额人工及搅拌桩机台班乘系数0.5 计算。
2)工程量计算规则:十、深层水泥搅拌桩工程量按桩径截面积乘桩长计算。
桩长按设计桩顶标高至桩底长度另加0.50m计算;若设计桩顶标高至自然地坪小于0.5m或已达自然地坪时,另加长度应小于0.5m或不计。
空搅部分的长度按设计桩顶标高至自然地坪的长度减去另加长度计算。
十一、高压旋喷桩工程量,钻孔按自然地坪至设计桩底的长度计算,喷浆按设计加固桩截面面积乘以设计桩长计算。
三、2010定额1)说明:七、地基加固、围护桩及其他:2.水泥搅拌桩的水泥掺入量按加固土重(1800)的13%考虑,如设计不同时按每增减1%定额计算。
3.单、双头深层水泥搅拌桩定额已综合了正常施工工艺需要的重复喷浆(粉)和搅拌。
空搅部分按相应定额的人工及搅拌桩机台班乘以系数0.5计算7.高压旋喷桩定额已综合接头处的复喷工料;高压旋喷桩中设计水泥用量与定额不同时应予调整。
2)工程量计算规则:九、水泥搅拌桩:1.水泥搅拌桩工程量按桩长乘以桩径截面积计算。
桩径截面积应扣除重叠部分面积。
桩长按设计桩顶标高至桩底长度另加0.5m计算;若设计桩顶标高至打桩前的自然地坪标高小于0.5m或已达打桩前的自然地坪标高时,另加长度应按实际长度计算或不计。
2.空搅部分的长度按设计桩顶标高至打桩前的自然地坪标高的长度减去另加长度计算。
十、高压旋喷桩工程量,引(钻)孔按自然地坪标高至设计桩底的长度计算,喷浆按设计加固桩截面面积乘以设计桩长计算。
旋喷桩提高地基承载能力计算拟建XX路位于xx市**区东南部,道路等级为城市次干路,道路重要性等级为二级,场地复杂程度等级为二级,岩土条件复杂程度等级为二级,综合评定岩土工程勘察等级为乙级,抗震设防类别为标准设防类(丙类)。
XX路沿线地貌形式为第四系海积冲洪积平原地貌,地面高程介于4.80- 6.23m之间,地形整体起伏不大,地势较平坦开阔,路面设计标高 4.507-5.002m,在K0+000-K0+283.662段其下大面积分布有厚度不等的淤泥质土层,钻孔揭示层厚2.10m-7.30m不等,为工程建设不良土层,如不处理,工后沉降大,本次设计采用水泥粉煤灰碎石桩对软基进行加固处理。
该项目K0+000-K0+180段施工时由于两侧围墙及现状管线无法迁移,施工场地受限,在道路两侧无法采用水泥粉煤灰碎石桩处理的范围内改用旋喷桩处理,本次设计旋喷桩桩长分别为9m、11m和12m,本次计算以9m桩长为例:路基土设计参数取值一览表TI)(10()计算目标:计算沉降、承载力和稳定路堤设计高度:1.120(m)路堤设计顶宽:30.000(m)路堤边坡坡度:1:0.000工后沉降基准期结束时间:240(月) 荷载施加级数:2序号起始时间(月)终止时间(月)填土高度(m)是否作稳定计算1 0.000 6.000 0.000 是2 6.000 12.000 1.120 是路堤土层数:2 超载个数:0层号层厚度(m) 重度(kN/m3) 内聚力(kPa) 内摩擦角(度)1 0.620 23.000 40.000 30.0002 0.500 18.000 30.000 30.000地基土层数:3 地下水埋深:1.000(m)钻孔数:5钻孔位置(m): 0.000 20.000 40.000 60.000 80.000层号孔01层厚孔02层厚孔03层厚孔04层厚孔05层厚重度饱和重度地基承载力快剪C快剪固结快剪竖向固结系水平固结系排水层(m) (m) (m) (m) (m) (kN/m3) (kN/m3) (kPa) (kPa) (度) (度) 数(cm2/s) 数(cm2/s)1 1.000 1.000 1.000 1.000 1.00018. 400 20.000 130.00024.600 16.100 16 .100 0.00150 0.00150 否2 7.000 7.000 7.000 7.000 7.00016. 900 20.000 65.00011.300 9.700 11.000 0.00150 0.00150 否3 10.000 10.000 10.000 10.000 10.00019. 200 20.000 180.00027.200 17.800 15 .000 0.00150 0.00150 否层号e( 0) e( 50) e(100) e(200) e(300) e(400) e(500) e(600) e(800)1 0.754 0.698 0.664 0.626 0.595 0.560 0.500 0.450 0.2502 0.754 0.698 0.664 0.626 0.595 0.560 0.500 0.450 0.2503 0.754 0.698 0.664 0.626 0.595 0.560 0.500 0.450 0.250砂垫层砂垫层厚度:0.500(m)砂垫层的重度:21.000(kN/m3)砂垫层的C: 0.000(kPa)砂垫层的:30.000(度)加固土桩加固土桩布置形式:等边三角形加固土桩间距:1.500(m)加固土桩的长度9.000(m)加固土桩桩土应力比:3.500加固土桩直径:0.600(m)加固土桩的抗剪强度:15.000(kPa)加固土桩布置起始坐标:0.000(m)加固土桩布置宽度:30.000(m)承载力计算参数:承载力验算公式:P<YRfa]验算点距离中线距离:0.000(m)承载力抗力系数YR: 1.00复合地基计算公式:fspk = mRa/Ap + (l-m)fsk单桩承载力Ra: 160.00(kN)桩间土承载力折减系数:1.00桩间土承载力提高系数:1.00承载力修正公式:[fa] = [fa0] + 2(h-h0)基准深度h0: 0.000(m)固结度计算参数:地基土层底面:不是排水层固结度计算采用方法:微分方程数值解法多级加荷固结度修正时的荷载增量定义为“填土高*容重” 填土-时间-固结度输出位置距离中线距离:0.000(m) 填土-时间-固结度输出位置深度:0.000(m)沉降计算参数:地基总沉降计算方法:经验系数法主固结沉降计算方法:e-p曲线法沉降计算不考虑超载沉降修正系数:1.200沉降计算的分层厚度:0.500(m)分层沉降输出点距中线距离:0.000(m)压缩层厚度判断应力比=15.000%基底压力计算方法:按多层土实际容重计算加固区主固结沉降计算方法:公路软基规范法计算时不考虑弥补地基沉降引起的路堤增高量工后基准期起算时间:最后一级加载(路面施工)结束时稳定计算参数:稳定计算方法:有效固结应力法稳定计算不考虑超载稳定计算考虑地震力地震烈度:7度地震作用综合系数:0.250地震作用重要性系数:1.000稳定计算目标:自动搜索最危险滑裂面条分法的土条宽度:1.000(m)搜索时的圆心步长:1.000(m) 搜索时的半径步长:0.500(m)(一)各级加荷的沉降计算第1级加荷,从0.0〜6. 0月加载开始时,路基计算高度=0.000(m),沉降=0.000(m)加载结束时,路基计算高度=0.000(m),沉降=0.000(m) 第2级加荷,从6.0〜12.0月加载开始时,路基计算高度=0.000(m),沉降=0.000(m)加载结束时,路基计算高度=1.120(m),沉降=0.033(m)(二)路面竣工时及以后的沉降计算基准期开始时刻:最后一级加载(路面施工)结束时刻不考虑沉降影响,路堤的实际计算高度为=1.120(m) 路面竣工时,地基沉降=0.033(m)路面竣工后,基准期内的残余沉降=0.049(m)基准期结束时,地基沉降=0.083(m)最终地基总沉降=1.200*0.085 = 0.102(m)路面竣工时,路基横断面各点的沉降(中线为原点)坐标当时沉降两点间沉降与路堤中心(m) (m) 差(m) 沉降差(m)-21.000 0.000 0.000 0.033-19.500 0.000 0.000 0.033-18.000 0.000 0.000 0.033-16.500 0.000 0.000 0.033-15.000 0.014 0.014 0.019-13.500 0.026 0.012 0.007-12.000 0.029 0.003 0.004-10.500 0.030 0.001 0.003-9.000 0.032 0.001 0.002-7.500 0.032 0.000 0.001-6.000 0.033 0.001 0.001-4.500 0.033 0.001 0.000-3.000 0.033 0.000 0.000-1.500 0.033 0.000 0.0000.000 0.033 0.000 0.0001.500 0.033 -0.000 0.0003.000 0.033 -0.000 0.0004.500 0.033 -0.000 0.0006.000 0.033 -0.001 0.0017.500 0.032 -0.001 0.0019.000 0.032 -0.000 0.00210.500 0.030 -0.001 0.00312.000 0.029 -0.001 0.00413.500 0.026 -0.003 0.00715.000 0.014 -0.012 0.01916.500 0.000 -0.014 0.03318.000 0.000 0.000 0.03319.500 0.000 0.000 0.03321.000 0.000 0.000 0.033路堤竣工时,由于地基沉降引起路堤填筑面积增量:(1)由各点计算沉降梯形积分方法得AV = 0.915(m2)(2)按照《铁路路基手册》方法得As = 0.033(m) AV = 0.667(m2)按照《铁路路基手册》方法,路堤顶面单侧加宽量:AW = 0.000〜0.000(m) 基准期结束时,路基横断面各点的沉降(中线为原点)坐标(m) 当时沉降(m)两点间沉降差(m)与路堤中心沉降差(m)-21.000 0.000 0.000 0.083-19.500 0.000 0.000 0.083 -18.000 0.000 0.000 0.083-16.500 0.000 0.000 0.083 -15.000 0.032 0.032 0.050-13.500 0.056 0.024 0.026 -12.000 0.067 0.010 0.016-10.500 0.071 0.005 0.011 -9.000 0.076 0.005 0.006-7.500 0.077 0.001 0.005 -6.000 0.080 0.002 0.003-4.500 0.082 0.002 0.001 -3.000 0.082 0.000 0.000-1.500 0.083 0.000 0.0000.000 0.083 0.000 0.0001.500 0.083 -0.000 0.0003.000 0.082 -0.000 0.0004.500 0.082 -0.000 0.0016.000 0.080 -0.002 0.0037.500 0.077 -0.002 0.0059.000 0.076 -0.001 0.00610.500 0.071 -0.005 0.011 12.000 0.067 -0.005 0.01613.500 0.056 -0.010 0.02615.000 0.032 -0.024 0.05016.500 0.000 -0.032 0.08318.000 0.000 0.000 0.08319.500 0.000 0.000 0.08321.000 0.000 0.000 0.083路基横断面各点的最终沉降(中线为原点)坐标当时沉降两点间沉降与路堤中心(m) (m) 差(m) 沉降差(m)-21.000 0.000 0.000 0.102-19.500 0.000 0.000 0.102-18.000 0.000 0.000 0.102-16.500 0.000 0.000 0.102-15.000 0.036 0.036 0.065-13.500 0.064 0.028 0.038-12.000 0.078 0.014 0.024-10.500 0.084 0.006 0.017-9.000 0.092 0.007 0.010-7.500 0.094 0.002 0.008-6.000 0.097 0.004 0.004-4.500 0.101 0.003 0.001-3.000 0.101 0.001 0.000-1.500 0.102 0.000 0.0000.000 0.102 0.000 0.0001.500 0.102 -0.000 0.0003.000 0.101 -0.000 0.0004.500 0.101 -0.001 0.0016.000 0.097 -0.003 0.0047.500 0.094 -0.004 0.0089.000 0.092 -0.002 0.01010.500 0.084 -0.007 0.01712.000 0.078 -0.006 0.02413.500 0.064 -0.014 0.03815.000 0.036 -0.028 0.06516.500 0.000 -0.036 0.10218.000 0.000 -0.000 0.10219.500 0.000 -0.000 0.10221.000 0.000 -0.000 0.102路面竣工时,距路基中线0.000(m)处各层的沉降层底深层厚自重应力(kPa )附加应力全应力(kPa) 固结度层最终层当前分层主固层累计主压缩模沉降经(m) (m) (孔隙比)(kPa) (孔隙比)沉降mSc(m) 沉降(m) 结沉降(m)固结沉降(m) 量(MPa) 验系数0.500 0.500 4.6( 0.749) 22.3 26.9( 0.724) 0.9054 0.0063 0.00580.0052 0.0052 1.56 1.400(1. 100)1.000 0.500 13.8( 0.739) 22.3 36.1( 0.714) 0.7162 0.0063 0.00480.0053 0.0105 1.55 20.9( 1.400(1.100)0.731) 22.343.2( 0.706)0.52700.00630.0038 1.500 0.500 0.0053 0.0158 1.55 1.400(1.100)2.000 0.5000.0053 0.0211 25.9( 1.54 0.725) 22.2 1.400(1.100)48.1( 0.700) 0.3378 0.0064 0.0028 2.500 0.500 0.0050 0.0261 30.9( 1.63 0.719) 22.2 1.400(1.100) 53.1( 0.696) 0.2559 0.0060 0.0023 3.000 0.500 0.0046 0.0307 35.9( 1.79 0.714) 22.2 1.400(1.100) 58.1( 0.692) 0.1860 0.0055 0.0018 3.500 0.500 0.0041 0.0348 40.9( 1.98 0.708) 22.2 1.400(1.100) 63.1( 0.689) 0.1160 0.0049 0.0013 4.000 0.500 0.0036 0.0384 45.9( 2.24 0.703) 22.1 1.400(1.100) 68.0( 0.686) 0.0626 0.0044 0.0010 4.500 0.500 0.0032 0.0416 50.9( 2.50 0.697) 22.1 1.400(1.100) 73.0( 0.682) 0.0475 0.0039 0.0008 5.000 0.500 0.0032 0.0449 55.9( 2.49 0.694) 22.0 1.400(1.100) 77.9( 0.679) 0.0325 0.0039 0.0008 5.500 0.500 0.0032 0.0481 60.9( 2.49 0.691) 21.9 1.400(1.100) 82.8( 0.676) 0.0175 0.0039 0.0007 6.000 0.500 0.0032 0.0513 65.9( 2.48 0.687) 21.8 1.400(1.100) 87.7( 0.672) 0.0113 0.0039 0.0007 6.500 0.500 0.0032 0.0545 70.9( 2.48 0.684) 21.7 1.400(1.100) 92.6( 0.669) 0.0090 0.0039 0.0007 7.000 0.500 0.0032 0.0577 75.9( 2.47 0.680) 21.61.400(1.100)97.5( 0.666)0.0066 0.0038 0.0007 7.500 0.500 0.0030 0.0608 80.9( 2.59 0.677) 21.4 1.394(1.094) 102.3( 0.663) 0.0045 0.0036 0.0006 8.000 0.500 0.0027 0.0635 85.9( 2.89 0.674) 21.3 1.374(1.074) 107.2( 0.661) 0.0040 0.0032 0.0006 8.500 0.500 0.0024 0.0658 90.9( 3.28 0.670) 21.1 1.348(1.048) 112.0( 0.659) 0.0036 0.0028 0.0005 9.000 0.500 0.0028 0.0686 95.9( 3.80 0.667) 20.9 1.313(1.013) 116.8( 0.658) 0.0031 0.0033 0.0006 9.500 0.500 0.0024 0.0710 100.9( 4.38 0.664) 20.8 1.262(0.962) 121.7( 0.656) 0.0028 0.0028 0.0005 10.000 0.500 0.0024 0.0733 105.9( 4.37 0.662) 20.6 1.263(0.963) 126.5( 0.654) 0.0025 0.0028 0.0005 10.500 0.500 0.0023 0.0757 110.9( 4.37 0.660) 20.4 1.263(0.963) 131.3( 0.652) 0.0022 0.0028 0.0005 11.000 0.500 0.0023 0.0780 115.9( 4.36 0.658) 20.2 1.264(0.964) 136.1( 0.650) 0.0020 0.0028 0.0005 11.500 0.500 0.0023 0.0802 120.9( 4.36 0.656) 19.9 1.264(0.964) 140.8( 0.648) 0.0017 0.0027 0.0005 12.000 0.5000.00230.0825 125.9( 4.350.654)19.7 1.265(0.965)145.6( 0.647)0.00150.00270.000512.500 0.500 130.9( 0.652) 19.5 150.4( 0.645) 0.0012 0.0027 0.0005 0.0022 0.0848 4.35 1.265(0.965)最下面分层附加应力与自重应力之比=14.895% <= 15.000%压缩模量当量值=2.460Mpa,按地基规范GB50007-2002表5.3.5的沉降计算经验系数= 1.400(1.100)(三)填土一时间一沉降曲线输出位置,相对于路堤中线0(m)(即X=15.000(m))时间(月)设计填土高度实际填土高度当时沉降(m) (m) (m)0.00 0.000 0.000 0.0000.60 0.000 0.000 0.0001.20 0.000 0.000 0.0001.80 0.000 0.000 0.0002.40 0.000 0.000 0.0003.00 0.000 0.000 0.0003.60 0.000 0.000 0.0004.20 0.000 0.000 0.0004.80 0.000 0.000 0.0005.40 0.000 0.000 0.0006.00 0.000 0.000 0.0006.60 0.112 0.112 0.0007.20 0.224 0.224 0.0027.80 0.336 0.336 0.0048.40 0.448 0.448 0.0079.00 0.560 0.560 0.0119.60 0.672 0.672 0.01410.20 0.784 0.784 0.01810.80 0.896 0.896 0.02311.40 1.008 1.008 0.02812.00 1.120 1.120 0.03336.00 1.120 1.120 0.05260.00 1.120 1.120 0.06084.00 1.120 1.120 0.066108.00 1.120 1.120 0.070132.00 1.120 1.120 0.073156.00 1.120 1.120 0.076180.00 1.120 1.120 0.078204.00 1.120 1.120 0.080228.00 1.120 1.120 0.081252.00 1.120 1.120 0.083(四)填土一时间一固结度曲线输出位置,相对于路堤中线0.000(m)(即X=15.000(m))输出深度为0.000(m)时间(月)设计填土高度固结度(m)0.00 0.000 0.0000.60 0.000 0.0001.20 0.000 0.0001.80 0.000 0.0002.40 0.000 0.0003.00 0.000 0.0003.60 0.000 0.0004.20 0.000 0.0004.80 0.000 0.0005.40 0.000 0.0006.00 0.000 0.0006.60 0.112 0.1007.20 0.224 0.2007.80 0.336 0.3008.40 0.448 0.4009.00 0.560 0.5009.60 0.672 0.60010.20 0.784 0.70010.80 0.896 0.80011.40 1.008 0.90012.00 1.120 1.00036.00 1.120 1.00060.00 1.120 1.00084.00 1.120 1.000108.00 1.120 1.000132.00 1.120 1.000156.00 1.120 1.000180.00 1.120 1.000204.00 1.120 1.000228.00 1.120 1.000252.00 1.120 1.000(五)稳定计算(1)第1级加荷,从0.0〜6. 0月,路基设计高度0.000(m),路基计算高度(不考虑沉降影响)0.000(m),加载结束时稳定结果最不利滑动面:滑动圆心滑动半径滑动安全系数总的下滑力总的抗滑力土体部分下滑力=(0.000000,0.000000)(m) =0.000000(m)=10001.000=0.000(kN)=0.000(kN)=0.000(kN)土体部分抗滑力=0.000(kN)筋带的抗滑力=0.000(kN)地震作用下滑力=0.000(kN)(2)第2级加荷,从6.0〜12.0月,路基设计高度1.120(m),路基计算高度(不考虑沉降影响)1.120(m),加载结束时稳定结果n= 0.145 以c=2.568 以s=0.734 T c=15.000(kPa)抗滑力抗滑力抗滑力土条起始x 土条面土条自条上荷总重a i Sinai Cos a i Woi Cqi① i Ui ①gi Wli 下滑力WoiCos a i CiLi bliCos编号(m) 积(m2) 重(kN)重(kN) (kN) (度) (kN) (kPa)(度)(度) (kN) (kN) tg①i aitg①gi1 -14.40 0.34---6.19 0.00 6.19 -56.07 -0.83 0.56 6.19 24.60 16.100.8085 16.10 0.0 -5.1 1.0 29.7 0.02 -13.73 0.3850 11.00 1.580.024.06-18.80.002.624.06 -51.38 -0.7817.8 0.00.62 24.06 11.30 9.703 -12.75 0.1858 11.00 2.690.035.11-25.40.004.135.11 -46.33 -0.7216.0 0.00.69 35.1111.30 9.704 -11.77 0.0641 11.00 3.620.044.43-29.60.005.744.43 -41.71 -0.6714.8 0.00.75 44.43 11.30 9.705 -10.79 0.0397 11.00 4.420.052.39-31.80.007.152.39 -37.40 -0.6114.0 0.00.79 52.39 11.30 9.706 -9.80 0.0187 11.00 5.100.059.23-32.50.008.559.23 -33.34 -0.5513.3 0.00.84 59.23 11.30 9.707 -8.82 0.0110 11.00 5.690.065.10-32.00.009.765.10 -29.45 -0.4912.7 0.00.87 65.10 11.30 9.708 -7.84 0.0086 11.00 6.190.070.13-30.40.0010.870.13 -25.71 -0.4312.3 0.00.90 70.13 11.30 9.709 -6.86 0.0066 11.00 6.620.074.39-28.00.0011.874.39 -22.08 -0.3812.0 0.00.93 74.39 11.30 9.7010 -5.88 0.0049 11.00 6.970.077.96-24.80.0012.677.96 -18.55 -0.3211.7 0.00.95 77.96 11.30 9.7011 -4.90 0.0043 11.00 7.260.080.87-21.00.0013.380.87 -15.09 -0.2611.5 0.00.97 80.87 11.30 9.7012 -3.92 0.0041 11.00 7.490.083.16-16.80.0013.983.16 -11.68 -0.2011.3 0.00.98 83.16 11.30 9.7013 -2.94 0.0040 11.00 7.660.084.85-12.30.0014.484.85 -8.31 -0.1411.2 0.00.99 84.85 11.30 9.7014 -1.96 0.0039 11.00 7.770.085.97-7.50.0014.685.97 -4.98 -0.0911.1 0.01.00 85.97 11.30 9.7015 -0.98 0.0038 11.00 7.830.086.53-2.50.0014.886.53 -1.66 -0.0311.1 0.01.00 86.53 11.30 9.70土条起始x 土条面土条自条上荷总重a i Sinai Cos a i li Ci ①i ①gi Ui Wli Woi 下滑力抗滑力编号(m)积(m2) 重(kN) 重(kN) (kN)(度)(m) (kPa) (kN) (kN) (kN)(kN)转为总应力法16 0.00 8.93 108.35 0.00 108.35 1.66 1.00 0.03 0.98 11.30 9.7011.00 0.00转为总应力法17 0.98 21.838.8786.53107.803.130.0027.44107.80 4.98 1.00 0.09 0.98 11.30 9.7011.00 0.00转为总应力法18 1.96 21.838.7685.97106.689.350.0027.34106.68 8.31 0.99 0.14 0.99 11.30 9.7011.00 0.00转为总应力法19 2.94 21.838.5984.85104.9815.420.0027.16104.98 11.68 0.98 0.20 1.00 11.30 9.7011.00 0.00转为总应力法20 3.92 21.838.3683.16102.6921.250.0026.88102.69 15.09 0.97 0.26 1.02 11.30 9.7011.00 0.00转为总应力法21 4.90 21.838.0780.8799.7826.730.0026.5199.78 18.55 0.95 0.32 1.03 11.30 9.7011.00 0.00转为总应力法22 5.88 21.837.7177.9696.2231.740.0026.0796.22 22.08 0.93 0.38 1.06 11.30 9.7011.00 0.01转为总应力法23 6.86 21.837.2974.3991.9636.180.0025.5691.96 25.71 0.90 0.43 1.09 11.30 9.7011.00 0.01转为总应力法24 7.84 21.836.7870.1386.9339.890.0024.9986.93 29.45 0.87 0.49 1.13 11.30 9.7011.00 0.01转为总应力法25 8.82 21.836.2065.1081.0542.740.0024.3981.05 33.34 0.84 0.55 1.17 11.30 9.7011.00 0.02转为总应力法26 9.80 21.835.5159.2274.2144.540.0023.7974.21 37.40 0.79 0.61 1.23 11.30 9.7011.00 0.04 转为总应力法27 10.79 21.834.7252.3966.2545.080.0023.2366.25 41.71 0.75 0.67 1.31 11.30 9.7011.00 0.06 转为总应力法28 11.77 21.833.7944.4356.9344.080.0022.7856.93 46.33 0.69 0.72 1.42 11.30 9.7011.00 0.19 21.83 35.11 41.18 22.56转为总应力法29 12.75 2.68 45.88 0.00 45.88 51.38 0.62 0.78 1.57 11.30 9.7011.00 0.39 21.83 24.06 35.85 22.7930 13.73 1.09 21.16 0.00 21.16 56.07 0.56 0.83 1.21 24.60 16.1016.10 0.8085 14.97 6.19 17.56 31.02土条起始x 土条面土条自条上荷总重 a i Sin a i Cos a i Cqi ①i 下滑力抗滑力抗滑力编号(m)积(m2)重(kN) 重(kN) (kN) (度)(kPa)(度)(kN) WiCosaitg① CiLi31 14.40 0.26 5.09 0.00 5.09 59.09 0.86 0.51 0.00 30.00 4.37 1.51 0.0032 14.70 0.04 0.71 0.00 0.71 60.31 0.87 0.50 40.00 30.00 0.62 0.20 5.5333 14.77 0.07 1.22 0.00 1.22 61.50 0.88 0.48 30.00 30.00 1.07 0.34 17.07最不利滑动面:滑动圆心=(0.000000,8.960000)(m)滑动半径=16.959438(m)滑动安全系数=3.736总的下滑力=204.073(kN)总的抗滑力=762.420(kN)土体部分下滑力=142.223(kN)土体部分抗滑力=762.420(kN)筋带的抗滑力=0.000(kN)地震作用下滑力=61.850(kN)地基承载力计算1.基础底面处地基承载力计算1)基础底面处各点地基承载力计算计算点m pk fsk fspk ftg(m) (kPa) (kPa) (kPa)0.00 0.1451 22.3 130.0 193.3 1.0002.00 0.1451 22.3 130.0 193.3 1.0004.00 0.1451 22.3 130.0 193.3 1.0006.00 0.1451 22.3 130.0 193.3 1.0008.00 0.1451 22.3 130.0 193.3 1.00010.00 0.1451 22.3 130.0 193.3 1.00012.00 0.1451 22.3 130.0 193.3 1.00014.00 0.1451 22.3 130.0 193.3 1.00016.00 0.1451 22.3 130.0 193.3 1.00018.00 0.1451 22.3 130.0 193.3 1.00020.00 0.1451 22.3 130.0 193.3 1.00022.00 0.1451 22.3 130.0 193.3 1.00024.00 0.1451 22.3 130.0 193.3 1.00026.00 0.1451 22.3 130.0 193.3 1.00028.00 0.1451 22.3 130.0 193.3 1.00030.00 0.1451 22.3 130.0 193.3 1.0002)验算给定点基础底面处承载力计算点m pk fsk fspk ftg(m) (kPa) (kPa) (kPa)0.00 0.1451 22.3 130.0 193.3 1.000计算点xi = 0.000m, p < YRfa;此点承载力满足!***m --桩土面积置换率***pk --基础底部压应力(kPa)***fsk --地基土的地基承载力值(kPa)***fspk --复合地基的地基承载力值(kPa)***ftg --考虑固结引起的地基承载力值提高系数2.地基处理深度范围内土层的承载力验算计算点深度pz pcz pz + pcz faz ftg(m) (m) (kPa) (kPa) (kPa) (kPa)0.00 1.00 11.1 18.4 29.5 156.1 1.0000.00 8.00 11.0 158.4 169.4 394.4 1.0002.00 1.00 21.8 18.4 40.2 156.1 1.0002.00 8.00 14.4 158.4 172.8 394.4 1.0004.00 1.00 22.2 18.4 40.6 156.1 1.0004.00 8.00 17.1 158.4 175.5 394.4 1.0006.00 1.00 22.2 18.4 40.6 156.1 1.0006.00 8.00 18.9 158.4 177.3 394.4 1.0008.00 1.00 22.3 18.4 40.7 156.1 1.0008.00 8.00 20.0 158.4 178.4 394.4 1.00010.00 1.00 22.3 18.4 40.7 156.1 1.00010.00 8.00 20.7 158.4 179.1 394.4 1.00012.00 1.00 22.3 18.4 40.7 156.1 1.00012.00 8.00 21.0 158.4 179.4 394.4 1.00014.00 1.00 22.3 18.4 40.7 156.1 1.00014.00 8.00 21.2 158.4 179.6 394.4 1.00016.00 1.00 22.3 18.4 40.7 156.1 1.00016.00 8.00 21.2 158.4 179.6 394.4 1.00018.00 1.00 22.3 18.4 40.7 156.1 1.00018.00 8.00 21.0 158.4 179.4 394.4 1.00020.00 1.00 22.3 18.4 40.7 156.1 1.00020.00 8.00 20.7 158.4 179.1 394.4 1.00022.00 1.00 22.3 18.4 40.7 156.1 1.00022.00 8.00 20.0 158.4 178.4 394.4 1.00024.00 1.00 22.2 18.4 40.6 156.1 1.00024.00 8.00 18.9 158.4 177.3 394.4 1.00026.00 1.00 22.2 18.4 40.6 156.1 1.00026.00 8.00 17.1 158.4 175.5 394.4 1.00028.00 1.00 21.8 18.4 40.2 156.1 1.00028.00 8.00 14.4 158.4 172.8 394.4 1.00030.00 1.00 11.1 18.4 29.5 156.1 1.00030.00 8.00 11.0 158.4 169.4 394.4 1.000验算给定点的承载力计算点深度pz pcz pz + pcz Y Rfaz 是否满足(m) (m) (kPa) (kPa) (kPa) (kPa)0.00 1.00 11.1 18.4 29.5 156.1 满足!0.00 8.00 11.0 158.4 169.4 394.4 满足!3.下卧土层承载力验算计算点深度pz pcz pz + pcz faz ftg(m) (m) (kPa) (kPa) (kPa) (kPa)0.00 9.00 11.0 178.4 189.4 358.4 1.0000.00 18.00 10.4 358.4 368.8 538.4 1.0002.00 9.00 14.0 178.4 192.4 358.4 1.0002.00 18.00 11.9 358.4 370.3 538.4 1.0004.00 9.00 16.6 178.4 195.0 358.4 1.0004.00 18.00 13.2 358.4 371.6 538.4 1.0006.00 9.00 18.4 178.4 196.8 358.4 1.0006.00 18.00 14.4 358.4 372.8 538.4 1.0008.00 9.00 19.5 178.4 197.9 358.4 1.0008.00 18.00 15.3 358.4 373.7 538.4 1.00010.00 9.00 20.2 178.4 198.6 358.5 1.00010.00 18.00 16.1 358.4 374.5 538.4 1.00012.00 9.00 20.7 178.4 199.1 358.5 1.00012.00 18.00 16.5 358.4 374.9 538.4 1.00014.00 9.00 20.8 178.4 199.2 358.5 1.00014.00 18.00 16.8 358.4 375.2 538.4 1.00016.00 9.00 20.8 178.4 199.2 358.5 1.00016.00 18.00 16.8 358.4 375.2 538.4 1.00018.00 9.00 20.7 178.4 199.1 358.5 1.00018.00 18.00 16.5 358.4 374.9 538.4 1.00020.00 9.00 20.2 178.4 198.6 358.5 1.00020.00 18.00 16.1 358.4 374.5 538.4 1.00022.00 9.00 19.5 178.4 197.9 358.4 1.00022.00 18.00 15.3 358.4 373.7 538.4 1.00024.00 9.00 18.4 178.4 196.8 358.4 1.00024.00 18.00 14.4 358.4 372.8 538.4 1.00026.00 9.00 16.6 178.4 195.0 358.4 1.00026.00 18.00 13.2 358.4 371.6 538.4 1.00028.00 9.00 14.0 178.4 192.4 358.4 1.00028.00 18.00 11.9 358.4 370.3 538.4 1.00030.00 9.00 11.0 178.4 189.4 358.4 1.00030.00 18.00 10.4 358.4 368.8 538.4 1.000验算给定点下卧土层承载力计算点深度pz pcz pz + pcz Y Rfaz 是否满足(m) (m) (kPa) (kPa) (kPa) (kPa)0.00 9.00 11.0 178.4 189.4 358.4 满足!0.00 18.00 10.4 358.4 368.8 538.4 满足!pz --下卧层顶面处的附加应力值(kPa)pcz --下卧层顶面处土的自重压力值(kPa)faz --下卧层顶面处经深度修正后的地基承载力值(kPa)ftg --考虑固结引起的地基承载力值提高系数。
钻孔灌注桩高压旋喷桩方案钻孔灌注桩(diameter enlarged bored pile,简称dipile)和高压旋喷桩(high pressure rotary jet grouting pile)是两种常用的地基处理技术,常用于土壤较差、不稳定或需要加固的工程项目。
1.钻孔灌注桩可以应用于各种地质条件下,适用于不同类型的土层;2.钻孔灌注桩的质量可靠,具有较高的承载力和刚度,可以达到预期的设计要求;3.施工方便,可以选择不同形式的桩型,如圆形、方形等。
高压旋喷桩是一种通过高压旋喷泥浆将混凝土砂浆喷射到地下,形成加固桩的方法。
高压旋喷桩主要有以下优点:1.高压旋喷桩施工速度快,可以大大缩短工期;2.灌注的砂浆与地下土壤混合,能够提高地基的稳定性和承载力;3.桩身成为一体,具有较高的抗剪和承载能力,可用于复杂地质条件下的工程项目。
综合考虑以上两种地基处理方法的优点,下面是一个钻孔灌注桩+高压旋喷桩方案的示例:1.方案设计首先,根据工程要求和现场地质条件,确定每根钻孔灌注桩的直径和深度。
根据地质勘探结果和承载力计算,确定高压旋喷桩的间距和深度。
2.施工准备准备所需材料和设备,包括钻机、抽水泵、搅拌车、灌浆泵等。
同时需要进行现场清理和围护。
3.钻孔灌注桩施工根据设计要求选择合适的钻杆和钻头,在地表钻孔到预定的深度。
施工过程中,需要进行钻孔灌注桩的标准操作,如引入钢筋和灌注混凝土等。
4.高压旋喷桩施工在完成钻孔灌注桩后,根据设计要求选择合适的高压旋喷桩设备和工艺。
将喷射泥浆注入地下,形成高压旋喷桩。
喷射的砂浆与地下土壤混合,提高地基的稳定性和承载力。
5.质量控制与检测在施工过程中,根据相关标准和规范,进行质量控制和检测。
包括对钻孔灌注桩和高压旋喷桩的直径、深度、混凝土强度等进行检测,确保达到设计要求。
通过以上方案,可以综合利用钻孔灌注桩和高压旋喷桩的优点,有效地改善地基的稳定性,提高承载力和刚度,确保工程项目的安全和稳定性。
工程量计算规则一、地基处理。
1.填料加固按设计图示尺寸以体积计算。
2.地基强夯按设计图示强夯处理范围以面积计算。
设计无规定时,按建筑物外围轴线每边各加4m计算。
3.低锤满拍按实际面积计算。
4.振冲桩按设计桩截面乘以桩长以体积计算。
5.沉管灌注砂石桩按设计桩顶至桩尖长度加超灌长度(设计没有明确的按0.25m)乘以设计桩截面积以体积计算,不扣除桩尖虚体积。
6.水泥搅拌桩:(1)深层水泥搅拌桩、双轴水泥搅拌桩、三轴水泥搅拌桩按设计桩长加0.5m(设计有明确的按设计长度)乘以设计桩外径截面积,以体积计算。
(2)空孔部分按设计桩顶标高到自然地坪标高减导向沟的深度(设计未明确时按1m考虑)以体积计算。
(3)插拔型钢按设计图示尺寸以质量计算。
(4)水泥搅拌桩凿桩头按凿桩长度乘桩截面积以体积计算,套用第三章桩基础工程凿桩头灌注钢筋混凝土桩子目,其中,人工、机械乘以系数0.6。
7.高压旋喷桩:设计桩长加上超灌长度计算。
若设计未明确超灌长度的,桩的超灌长度按0.5m计算;凿桩头按凿桩长度乘桩截面积以体积计算,套用第三章桩基础工程凿桩头灌注钢筋混凝土桩子目,其中,人工、机械乘以系数0.6。
<勘误一>8.注浆地基:(1)分层注浆钻孔数量按设计图示以钻孔深度计算。
注浆数量按设计图纸注明加固土体的体积计算。
(2)压密注浆钻孔数量按设计图示以钻孔深度计算。
注浆数量按下列规定计算:①设计图纸明确加固土体体积的,按设计图纸注明的体积计算。
②设计图纸以布点形式图示土体加固范围的,则按两孔间距的一半作为扩散半径,以布点边线各加扩散半径,形成计算的平面,计算注浆体积。
③如果设计图纸注浆点在钻孔灌注桩之间,按两注浆孔的一半作为每孔的扩散半径,依此圆柱体积计算注浆体积。
二、基坑与边坡支护。
1.打、拔槽型钢板桩按单根钢板桩全长的理论重量乘以钢板桩根数以质量计算。
2.砂浆土钉、砂浆锚杆的钻孔、注浆,按设计文件或经批准的施工组织设计,按钻孔深度以长度计算。
高压旋喷桩地基处理计算方法
发表时间:2017-07-04T10:33:45.747Z 来源:《防护工程》2017年第4期作者:雷万里[导读] 本人通过铁路开发江油某路苑楼盘的实际工程案列,阐述了地基处理中高压旋喷桩的计算方法。
成都铁路局成都铁路工程总承包有限责任公司四川成都 610000 摘要:本人通过铁路开发江油某路苑楼盘的实际工程案列,阐述了地基处理中高压旋喷桩的计算方法。
通过算例分析的方式,并基于静力平衡方程,推导普遍表达式,进一步验证计算方法的合理性。
关键字:地基处理;旋喷桩
一、引言
高压旋喷桩具有很多的优点,例如其的经济实用性、设计方法较为简便、在施工中能够达到低碳环保的要求而不对环境带来二次污染,这些优点都使得高压旋喷桩地基处理方法成为了一种应用最广的施工方法。
在进行高压旋喷桩地基处理的过程中,需要对地基的承载力和沉降量进行科学、合理的计算,这对工程的顺利完成具有十分重要的意义。
在工程开始之前,对于沉降的量有一个具体、明确的认识是必不可少的,一般来说,使用荷载试验能够有效地确定地基准确的承载力,但是这一方法耗资高、耗时长,只会在很少的较为重要的工程中使用,在普通的工程中并不适用。
更为普遍的测量方法使通过勘察收集资料,并且通过计算获得最终结果,这就对勘察的精确度提出了很高的要求。
当前对于复合地基进行计算的手段还不成熟、理论也不够完善,有时即使依据同样的原始数据采用不同的计算方法都会使得计算值与实际值之间产生比较大的差异。
为了解决这一问题,研究复合地基承载力和沉降量的计算值和实际值之间产生差异的原因,找出它们之间的某种联系,能够对承载力和沉降量计算值的精确度的提升有很大的帮助。
本文就以铁路开发江油某路苑楼盘的实际工程为案例,阐述了更有效的高压旋喷桩地基处理计算方法。
二、工程案例地基处理计算过程
根据《江油某路苑 1#、2#、3#、4#、5#、6#、7#楼岩土工程勘察报告》及《建筑地基处理技术规范》(JGJ79-2012),复合地基承载力特征值计算如下: 1.确定桩间土承载力特征值fsk
根据本场地岩土工程勘察报告中的地层条件和土的物理力学参数,桩间土主要为卵石层,加固后桩间土承载力特征值根据经验取fsk=200kPa。
2.估算单桩承载力特征值Ra
借用《建筑地基处理技术规范》(JGJ79-2012)第 7.1 节,按下列式计算且结合地区经验确定。
4.确定桩距
(1)条形基础:
根据面积置换率公式:m=d2/de2,得de=1.376m。
按正方形布置: S≤de/1.13=1. 376/1.13=1.218m 按矩形布置: S1×S2≤d e 2/1.132 =1.3762/1.132=1.483m2 按等边三角形布置: S≤de/1.05=1. 376/1.05=1.311m 根据计算结果,即按正方形布置边长不大于 1.2m,按矩形布置纵横布桩间距乘积不大于 1.45m2,按等边三角形布置边长不大于
1.3m。
(2)独立基础:
根据面积置换率公式m=d2/de2,得de=1.1228m。
按正方形布置:
S≤de/1.13=1. 1228/1.13=0.994m
按矩形布置:
S1×S2≤d e 2/1.132 =1.12282/1.132=0.987m2
按等边三角形布置:
S≤de/1.05=1. 1228/1.05=1.069m
根据计算结果,即按正方形布置边长不大于 0.95m,按矩形布置纵横布桩间距乘积不大于 0.95m2,按等边三角形布置边长不大于1.0m。
最终桩间距取不大于0.9m,条形基础实际最小置换率为 52.8%,独立基础实际最小置换率为 79.33%。
5.估算复合地基承载力特征值
条形基础:m按面积置换率 52.80%计算,Ra值取 2880KN,
fspk=λmRa/Ap =1937.1kPa>1917.0kPa
经初步估算,在满足单桩承载力特征值的情况下,此种布桩方式满足建筑复合地基承载力设计要求,实际复合地基承载力根据最终检测确定。
独立基础:
m按面积置换率 79.33%计算,Ra值取 2880KN,
fspk=λmRa/Ap =2910.5kPa>2880.0kPa
经初步估算,在满足单桩承载力特征值的情况下,此种布桩方式满足建筑复合地基承载力设计要求,实际复合地基承载力根据最终检测确定。
6.计算桩体强度
=4×1.0×2950/(3.14×0.52)=14.5 MPa
要求桩身强度不小于 14.5MPa。
7.桩长核算:
根据《建筑地基处理技术规范》(JGJ79-2012)中旋喷注浆法相关规定:本工程只需在基础范围内布桩。
根据地勘资料设计计算,截桩后有效桩长不小于 7.0m,桩端进入中风化泥岩不小于一倍桩径。
三、结束语
当前我国的建筑建设事业发展迅速,高压旋喷桩地基处理的相关施工技术和工艺必将成为设计人员和施工单位关注的重点之一。
科学技术的发展使得越来越多的工作可以由机器完成,在未来可以考虑将高压旋喷桩地基处理的计算方法使用计算机技术进行优化,来减少人力工作的负担。
地基建设属于各类建筑和公路建设中的较为隐蔽的环节,但却具有十分重要的作用。
如果地基的建设达不到相应的规定标准,日后会为建筑物带来极大的安全隐患,及时在日后发现了问题也难以及时补救,所以在施工的各个关节中都不能够怠慢,才能够确保工程的质量达到规范。
目前,高压旋喷桩施工单位的技术水平参差不齐,且大多数为私营企业,一旦缺乏管理就会带来一些负面的后果。
因此必须要注重在施工过程中对于工作人员和施工步骤进行正确的管理,最好能够实行全天候、全方位的监督,以使得施工质量有了更加多重的保障。
本文通过实际工程案列,对于地基处理中高压旋喷桩的详细的计算方法进行了具体的、严密的阐述,希望能对以后的类似工程起到一定的借鉴意义。
值得注意的是,当前随着科学技术的发展,能够有效地对软基进行处理的的新方法、新工艺变得越来越多;而在具体的工程中,不能够一味地追求新颖,而是要根据工程的实际情况,因地制宜,选择合理的处理方法,在确保提高工程的质量,增加承载力和稳定性的同时,还应该对虑施工工期,经济效益等因素进行综合地考量,以求能够花费最少的时间和经费,取得最好的建设效果。
参考文献
[1]建筑地基基础设计规范(GB50007-2011)[S].中国建筑工业出版社,2012.
[2]建筑地基处理技术规范(JGJ79-2012)[S].中国建筑工业出版社,2012.[2]建筑桩基技术规范(JGJ94-2008)[S].中国建筑工业出版社,2008.作者简介:
雷万里男(1979-08)硕士工程师主要从事施工设计管理方面工作。