高压旋喷桩计算书要点
- 格式:doc
- 大小:118.00 KB
- 文档页数:15
高压旋喷桩计算规则
高压旋喷桩计算规则?以下带来关于高压旋喷桩计算规则的相关资料,供以参考。
高压旋喷桩计算规则的水泥搅拌桩的水泥掺入量按加固土重的13%考虑,如设计不同时按每增减1%定额计算。
高压旋喷桩计算规则的单、双头深层水泥搅拌桩定额已综合了正常施工工艺需要的重复喷浆和搅拌。
空搅部分按相应定额的人工及搅拌桩机台班乘以系数0.5计算,高压旋喷桩定额已综合接头处的复喷工料;高压旋喷桩中设计水泥用量与定额不同时应予调整。
高压旋喷桩计算规则:水泥搅拌桩工程量按桩长乘以桩径截面积计算。
桩径截面积应扣除重叠部分面积。
桩长按设计桩顶标高至桩底长度另加0.5m计算;若设计桩顶标高至打桩前的自然地坪标高小于0.5m或已达打桩前的自然地坪标高时,另加长度应按实际长度计算或不计。
空搅部分的长度按设计桩顶标高至打桩前的自然地坪标高的长度减去另加长度计算。
高压旋喷桩工程量,引孔按自然地坪标高至
设计桩底的长度计算,喷浆按设计加固桩截面面积乘以设计桩长计算。
以上是下面为建筑人士收集整理的关于“高压旋喷桩计算规则”等建筑相关的知识可以登入建设通进行查询。
高压旋喷桩CFG桩计算水泥搅拌桩计算高压旋喷桩是一种利用高压水和压缩空气混合旋喷施工技术的地基处
理方法。
它的计算过程包括两个方面:承载力计算和稳定性计算。
首先,
对于高压旋喷桩的承载力计算,可以通过考虑其受力形式和桩身的受力特点,采用经验公式计算其承载力。
其次,稳定性计算主要考虑桩体的抗倾
覆能力和抗滑移能力。
这一部分可以通过进行力学分析和计算,确定桩体
的稳定性。
CFG桩是一种制作粒径较小、密实度较高的混凝土成型桩,常用于弱
土层地基处理。
CFG桩的计算包括承载力计算和变形计算。
承载力计算可
以通过确定桩的摩擦阻力和端阻力,使用相应的理论公式进行计算。
变形
计算主要考虑桩的沉降和侧向变位。
根据实测资料和经验公式,可以进行
变形计算,估算桩体的变形情况。
水泥搅拌桩是一种利用水泥和粉煤灰等物料混合搅拌而成的桩体,常
用于软土地基的加固处理。
水泥搅拌桩的计算包括承载力计算和变形计算。
承载力计算主要考虑桩身与土体的相互作用,采用经验公式或者数值模拟
的方法进行计算。
变形计算主要考虑桩体的沉降和侧向变形。
根据桩体材
料的性质参数、地层特点和开挖孔径等信息,可以使用理论计算方法或者
进行现场监测,估算桩体的变形情况。
总之,高压旋喷桩、CFG桩计算以及水泥搅拌桩计算是地基处理过程
中关键的环节。
对于不同的地基处理方法,其计算原理和步骤有所不同,
但都需要综合考虑承载力和变形性能。
只有通过合理的计算和设计,才能
保证地基处理方法的有效性和工程的稳定性。
高压旋喷桩贯入度计算公式引言。
高压旋喷桩是一种常用的地基处理方法,它通过高压旋喷机将水泥浆或混凝土喷射到地下土层中,形成一根坚固的桩体,用于支撑建筑物或其他结构。
在施工过程中,需要对旋喷桩的贯入度进行计算,以确保其达到设计要求。
本文将介绍高压旋喷桩贯入度的计算公式及其应用。
高压旋喷桩贯入度计算公式。
高压旋喷桩的贯入度是指旋喷桩在地下土层中的穿透深度,通常用来评估桩的稳定性和承载能力。
计算高压旋喷桩贯入度的常用公式如下:贯入度 = 桩的总长度未进入土层的长度。
其中,桩的总长度是指旋喷桩的实际长度,未进入土层的长度是指桩在施工过程中未能完全贯入土层的部分。
这个公式简单直观,可以帮助工程师快速计算旋喷桩的贯入度。
应用举例。
为了更好地理解高压旋喷桩贯入度计算公式的应用,我们可以通过一个实际的案例来说明。
假设某工程需要使用高压旋喷桩进行地基处理,设计要求旋喷桩的贯入度为10米。
在施工过程中,工程师发现旋喷桩的总长度为12米,但有2米的部分未能完全贯入土层。
那么,根据上述公式,可以计算出旋喷桩的贯入度为:贯入度 = 12米 2米 = 10米。
这表明旋喷桩达到了设计要求的贯入度,可以满足工程的需要。
总结。
高压旋喷桩贯入度计算公式是工程施工中非常重要的一部分,它可以帮助工程师及时评估旋喷桩的贯入情况,确保其满足设计要求。
在实际施工中,工程师可以根据具体情况灵活运用这个公式,对旋喷桩的贯入度进行准确计算。
同时,需要注意的是,在计算贯入度时,还应考虑土层的性质、桩头的形状等因素,以获得更准确的结果。
综上所述,高压旋喷桩贯入度计算公式在工程实践中具有重要的意义,它可以帮助工程师及时评估旋喷桩的贯入情况,保证工程的安全和稳定。
希望本文能够对读者有所帮助,谢谢阅读!。
高压旋喷桩计算书(总14页)--本页仅作为文档封面,使用时请直接删除即可----内页可以根据需求调整合适字体及大小--旋喷桩提高地基承载能力计算拟建xx路位于xx市**区东南部,道路等级为城市次干路,道路重要性等级为二级,场地复杂程度等级为二级,岩土条件复杂程度等级为二级,综合评定岩土工程勘察等级为乙级,抗震设防类别为标准设防类(丙类)。
xx路沿线地貌形式为第四系海积冲洪积平原地貌,地面高程介于~之间,地形整体起伏不大,地势较平坦开阔,路面设计标高~,在K0+000-K0+段其下大面积分布有厚度不等的淤泥质土层,钻孔揭示层厚~不等,为工程建设不良土层,如不处理,工后沉降大,本次设计采用水泥粉煤灰碎石桩对软基进行加固处理。
该项目K0+000-K0+180段施工时由于两侧围墙及现状管线无法迁移,施工场地受限,在道路两侧无法采用水泥粉煤灰碎石桩处理的范围内改用旋喷桩处理,本次设计旋喷桩桩长分别为9m、11m和12m,本次计算以9m桩长为例:----------------------------------------------------------------------原始条件:计算目标: 计算沉降、承载力和稳定路堤设计高度: (m)路堤设计顶宽: (m)路堤边坡坡度: 1:工后沉降基准期结束时间: 240(月) 荷载施加级数: 2序号起始时间 (月) 终止时间(月) 填土高度(m) 是否作稳定计算1 是2 是路堤土层数: 2 超载个数: 0层号层厚度(m) 重度(kN/m3) 内聚力(kPa) 内摩擦角(度)12地基土层数: 3 地下水埋深: (m)钻孔数: 5钻孔位置(m):层号孔01层厚孔02层厚孔03层厚孔04层厚孔05层厚重度饱和重度地基承载力快剪C 快剪固结快剪竖向固结系水平固结系排水层(m) (m) (m) (m) (m) (kN/m3) (kN/m3) (kPa) (kPa) (度) (度) 数(cm2/s) 数(cm2/s)1 否2 否3 否层号 e( 0) e( 50) e(100) e(200) e(300) e(400) e(500) e(600) e(800)123砂垫层砂垫层厚度: (m)砂垫层的重度: (kN/m3)砂垫层的C: (kPa)砂垫层的: (度)加固土桩加固土桩布置形式:等边三角形加固土桩间距: (m)加固土桩的长度 (m)加固土桩桩土应力比:加固土桩直径: (m)加固土桩的抗剪强度: (kPa)加固土桩布置起始坐标: (m)加固土桩布置宽度: (m)承载力计算参数:承载力验算公式: p ≤γR[fa]验算点距离中线距离: (m)承载力抗力系数γR:复合地基计算公式: fspk = mRa/Ap + (1-m)fsk单桩承载力Ra: (kN)桩间土承载力折减系数:桩间土承载力提高系数:承载力修正公式: [fa] = [fa0] + 2(h-h0)基准深度h0: (m)固结度计算参数:地基土层底面: 不是排水层固结度计算采用方法: 微分方程数值解法多级加荷固结度修正时的荷载增量定义为“填土高*容重”填土-时间-固结度输出位置距离中线距离: (m)填土-时间-固结度输出位置深度: (m)沉降计算参数:地基总沉降计算方法: 经验系数法主固结沉降计算方法: e-p曲线法沉降计算不考虑超载沉降修正系数:沉降计算的分层厚度: (m)分层沉降输出点距中线距离: (m)压缩层厚度判断应力比 = %基底压力计算方法:按多层土实际容重计算加固区主固结沉降计算方法:公路软基规范法计算时不考虑弥补地基沉降引起的路堤增高量工后基准期起算时间: 最后一级加载(路面施工)结束时稳定计算参数:稳定计算方法: 有效固结应力法稳定计算不考虑超载稳定计算考虑地震力地震烈度: 7度地震作用综合系数:地震作用重要性系数:稳定计算目标: 自动搜索最危险滑裂面条分法的土条宽度: (m)搜索时的圆心步长: (m)搜索时的半径步长: (m)============================================================================ (一) 各级加荷的沉降计算第1级加荷,从~月加载开始时,路基计算高度 = (m),沉降 = (m)加载结束时,路基计算高度 = (m),沉降 = (m)第2级加荷,从~月加载开始时,路基计算高度 = (m),沉降 = (m)加载结束时,路基计算高度 = (m),沉降 = (m)============================================================================ (二) 路面竣工时及以后的沉降计算基准期开始时刻: 最后一级加载(路面施工)结束时刻不考虑沉降影响,路堤的实际计算高度为 = (m)路面竣工时,地基沉降 = (m)路面竣工后,基准期内的残余沉降 = (m)基准期结束时,地基沉降 = (m)最终地基总沉降 = * = (m)路面竣工时,路基横断面各点的沉降(中线为原点)坐标当时沉降两点间沉降与路堤中心(m) (m) 差(m) 沉降差(m)路堤竣工时,由于地基沉降引起路堤填筑面积增量:(1) 由各点计算沉降梯形积分方法得ΔV = (m2)(2) 按照《铁路路基手册》方法得Δs = (m) ΔV = (m2)按照《铁路路基手册》方法,路堤顶面单侧加宽量: ΔW = ~ (m)基准期结束时,路基横断面各点的沉降(中线为原点)坐标当时沉降两点间沉降与路堤中心(m) (m) 差(m) 沉降差(m)路基横断面各点的最终沉降(中线为原点)坐标当时沉降两点间沉降与路堤中心(m) (m) 差(m) 沉降差(m)路面竣工时,距路基中线(m)处各层的沉降层底深层厚自重应力(kPa ) 附加应力全应力(kPa) 固结度层最终层当前分层主固层累计主压缩模沉降经(m) (m) (孔隙比) (kPa) (孔隙比) 沉降mSc(m) 沉降(m) 结沉降(m) 固结沉降(m) 量(MPa) 验系数( (( (( (( (( (( (( (( (( (( (( (( (( (( (( (( (( (( (( (( (( (( (( (( (( (最下面分层附加应力与自重应力之比 = % <= %压缩模量当量值 = , 按地基规范GB50007-2002表的沉降计算经验系数 ============================================================================= (三) 填土--时间--沉降曲线输出位置,相对于路堤中线 0(m)(即X=(m))时间(月) 设计填土高度实际填土高度当时沉降(m) (m) (m)============================================================================ (四) 填土--时间--固结度曲线输出位置,相对于路堤中线 (m)(即X=(m))输出深度为 (m)时间(月) 设计填土高度固结度(m)============================================================================ (五) 稳定计算(1) 第1级加荷,从~月,路基设计高度(m), 路基计算高度(不考虑沉降影响)(m),加载结束时稳定结果最不利滑动面:滑动圆心 = ,(m)滑动半径 = (m)滑动安全系数 =总的下滑力 = (kN)总的抗滑力 = (kN)土体部分下滑力 = (kN)土体部分抗滑力 = (kN)筋带的抗滑力 = (kN)地震作用下滑力 = (kN)(2) 第2级加荷,从~月,路基设计高度(m), 路基计算高度(不考虑沉降影响)(m),加载结束时稳定结果η= μc= μs= τc=(kPa)抗滑力抗滑力抗滑力土条起始x 土条面土条自条上荷总重αi Sinαi Cosαi Woi Cqi Φi Ui Φgi Wli 下滑力 WoiCosαi CiLi σliCos编号 (m) 积(m2) 重(kN) 重(kN) (kN) (度) (kN) (kPa) (度) (度) (kN) (kN) tgΦi αitgΦgi-------------------------------------------------------------------------------------------------------------123456789101112131415土条起始x 土条面土条自条上荷总重αi Sinαi Cosαi li Ci Φi Φgi Ui Wli Woi 下滑力抗滑力编号 (m) 积(m2) 重(kN) 重(kN) (kN) (度) (m) (kPa) (kN) (kN) (kN) (kN)---------------------------------------------------------------------------------转为总应力法16转为总应力法17转为总应力法18转为总应力法19转为总应力法20转为总应力法21转为总应力法22转为总应力法23转为总应力法24转为总应力法25转为总应力法26转为总应力法27转为总应力法28转为总应力法2930土条起始x 土条面土条自条上荷总重αi Sinαi Cosαi Cqi Φi 下滑力抗滑力抗滑力编号 (m) 积(m2) 重(kN) 重(kN) (kN) (度) (kPa) (度) (kN) WiCosαitgΦ CiLi-----------------------------------------------------------------------------------------------------------313233最不利滑动面:滑动圆心 = ,(m)滑动半径 = (m)滑动安全系数 =总的下滑力 = (kN)总的抗滑力 = (kN)土体部分下滑力 = (kN)土体部分抗滑力 = (kN)筋带的抗滑力 = (kN)地震作用下滑力 = (kN)============================================================================地基承载力计算1. 基础底面处地基承载力计算1) 基础底面处各点地基承载力计算计算点 m pk fsk fspk ftg(m) (kPa) (kPa) (kPa)2) 验算给定点基础底面处承载力计算点 m pk fsk fspk ftg(m) (kPa) (kPa) (kPa)计算点xi = ,p ≤γRfa;此点承载力满足!***m -- 桩土面积置换率***pk -- 基础底部压应力(kPa)***fsk -- 地基土的地基承载力值(kPa)***fspk -- 复合地基的地基承载力值(kPa)***ftg -- 考虑固结引起的地基承载力值提高系数2. 地基处理深度范围内土层的承载力验算计算点深度 pz pcz pz + pcz faz ftg(m) (m) (kPa) (kPa) (kPa) (kPa)验算给定点的承载力计算点深度 pz pcz pz + pcz γRfaz 是否满足 (m) (m) (kPa) (kPa) (kPa) (kPa)满足!满足!3. 下卧土层承载力验算计算点深度 pz pcz pz + pcz faz ftg(m) (m) (kPa) (kPa) (kPa) (kPa)验算给定点下卧土层承载力计算点深度 pz pcz pz + pcz γRfaz 是否满足 (m) (m) (kPa) (kPa) (kPa) (kPa)满足!满足!pz -- 下卧层顶面处的附加应力值(kPa)pcz -- 下卧层顶面处土的自重压力值(kPa)faz -- 下卧层顶面处经深度修正后的地基承载力值(kPa) ftg -- 考虑固结引起的地基承载力值提高系数。
高压旋喷桩计算方法
高压旋喷桩计算方法?以下带来关于高压旋喷桩计算方法的坡度,相关内容供以参考。
1.百分比法:表示坡度最为常用的方法,即两点的高程差与其水平距离的百分比,其计算公式如下:坡度=(高程差/水平距离)x100%
使用百分比表示时
即:i=h/l×100%
例如:坡度3% 是指水平距离每100米,垂直方向上升(下降)3米;1%是指水平距离每100米,垂直方向上升(下降)1米。
以次类推!
2.度数法:用度数来表示坡度,利用反三角函数计算而得,其公
式如下:
tanα(坡度)=高程差/水平距离
所以α(坡度)=tan-1 (高程差/水平距离) 不同角度的正切及正弦坡度
角度正切正弦
0°0% 0%
5°9% 9%
10°18% 17%
30°58% 50%
45°100% 71%
60°173% 87%
以上是下面为建筑人士收集整理的关于“高压旋喷桩计算方法”等建筑相关的知识可以登入建设通进行查询。
旋喷桩提高地基承载能力计算拟建xx路位于xx市**区东南部,道路等级为城市次干路,道路重要性等级为二级,场地复杂程度等级为二级,岩土条件复杂程度等级为二级,综合评定岩土工程勘察等级为乙级,抗震设防类别为标准设防类(丙类)。
xx路沿线地貌形式为第四系海积冲洪积平原地貌,地面高程介于4.80~6.23m之间,地形整体起伏不大,地势较平坦开阔,路面设计标高4.507~5.002m,在K0+000-K0+283.662段其下大面积分布有厚度不等的淤泥质土层,钻孔揭示层厚2.10m~7.30m不等,为工程建设不良土层,如不处理,工后沉降大,本次设计采用水泥粉煤灰碎石桩对软基进行加固处理。
该项目K0+000-K0+180段施工时由于两侧围墙及现状管线无法迁移,施工场地受限,在道路两侧无法采用水泥粉煤灰碎石桩处理的范围内改用旋喷桩处理,本次设计旋喷桩桩长分别为9m、11m和12m,本次计算以9m桩长为例:---------------------------------------------------------------------- 原始条件:计算目标: 计算沉降、承载力和稳定路堤设计高度: 1.120(m)路堤设计顶宽: 30.000(m)路堤边坡坡度: 1:0.000工后沉降基准期结束时间: 240(月) 荷载施加级数: 2序号起始时间 (月) 终止时间(月) 填土高度(m) 是否作稳定计算1 0.000 6.000 0.000 是2 6.000 12.000 1.120 是路堤土层数: 2 超载个数: 0层号层厚度(m) 重度(kN/m3) 内聚力(kPa) 内摩擦角(度)1 0.620 23.000 40.000 30.0002 0.500 18.000 30.000 30.000地基土层数: 3 地下水埋深: 1.000(m)钻孔数: 5钻孔位置(m): 0.000 20.000 40.000 60.000 80.000层号孔01层厚孔02层厚孔03层厚孔04层厚孔05层厚重度饱和重度地基承载力快剪C 快剪固结快剪竖向固结系水平固结系排水层(m) (m) (m) (m) (m) (kN/m3) (kN/m3) (kPa) (kPa) (度) (度) 数(cm2/s) 数(cm2/s)1 1.000 1.000 1.000 1.000 1.000 18.400 20.000 130.000 24.600 16.100 16.100 0.00150 0.00150 否2 7.000 7.000 7.000 7.000 7.000 16.900 20.000 65.000 11.300 9.700 11.000 0.00150 0.00150 否3 10.000 10.000 10.000 10.000 10.000 19.200 20.000 180.000 27.200 17.800 15.000 0.00150 0.00150 否层号 e( 0) e( 50) e(100) e(200) e(300) e(400) e(500) e(600) e(800)1 0.754 0.698 0.664 0.626 0.595 0.560 0.500 0.450 0.2502 0.754 0.698 0.664 0.626 0.595 0.560 0.500 0.450 0.2503 0.754 0.698 0.664 0.626 0.595 0.560 0.500 0.450 0.250砂垫层砂垫层厚度: 0.500(m)砂垫层的重度: 21.000(kN/m3)砂垫层的C: 0.000(kPa)砂垫层的: 30.000(度)加固土桩加固土桩布置形式:等边三角形加固土桩间距: 1.500(m)加固土桩的长度 9.000(m)加固土桩桩土应力比: 3.500加固土桩直径: 0.600(m)加固土桩的抗剪强度: 15.000(kPa)加固土桩布置起始坐标: 0.000(m)加固土桩布置宽度: 30.000(m)承载力计算参数:承载力验算公式: p ≤γR[fa]验算点距离中线距离: 0.000(m)承载力抗力系数γR: 1.00复合地基计算公式: fspk = mRa/Ap + (1-m)fsk单桩承载力Ra: 160.00(kN)桩间土承载力折减系数: 1.00桩间土承载力提高系数: 1.00承载力修正公式: [fa] = [fa0] + 2(h-h0)基准深度h0: 0.000(m)固结度计算参数:地基土层底面: 不是排水层固结度计算采用方法: 微分方程数值解法多级加荷固结度修正时的荷载增量定义为“填土高*容重”填土-时间-固结度输出位置距离中线距离: 0.000(m) 填土-时间-固结度输出位置深度: 0.000(m)沉降计算参数:地基总沉降计算方法: 经验系数法主固结沉降计算方法: e-p曲线法沉降计算不考虑超载沉降修正系数: 1.200沉降计算的分层厚度: 0.500(m)分层沉降输出点距中线距离: 0.000(m)压缩层厚度判断应力比 = 15.000%基底压力计算方法:按多层土实际容重计算加固区主固结沉降计算方法:公路软基规范法计算时不考虑弥补地基沉降引起的路堤增高量工后基准期起算时间: 最后一级加载(路面施工)结束时稳定计算参数:稳定计算方法: 有效固结应力法稳定计算不考虑超载稳定计算考虑地震力地震烈度: 7度地震作用综合系数: 0.250地震作用重要性系数: 1.000稳定计算目标: 自动搜索最危险滑裂面条分法的土条宽度: 1.000(m)搜索时的圆心步长: 1.000(m)搜索时的半径步长: 0.500(m)============================================================================ (一) 各级加荷的沉降计算第1级加荷,从0.0~6.0月加载开始时,路基计算高度 = 0.000(m),沉降 = 0.000(m)加载结束时,路基计算高度 = 0.000(m),沉降 = 0.000(m) 第2级加荷,从6.0~12.0月加载开始时,路基计算高度 = 0.000(m),沉降 = 0.000(m)加载结束时,路基计算高度 = 1.120(m),沉降 = 0.033(m)============================================================================ (二) 路面竣工时及以后的沉降计算基准期开始时刻: 最后一级加载(路面施工)结束时刻不考虑沉降影响,路堤的实际计算高度为 = 1.120(m)路面竣工时,地基沉降 = 0.033(m)路面竣工后,基准期内的残余沉降 = 0.049(m)基准期结束时,地基沉降 = 0.083(m)最终地基总沉降 = 1.200*0.085 = 0.102(m)路面竣工时,路基横断面各点的沉降(中线为原点)坐标当时沉降两点间沉降与路堤中心(m) (m) 差(m) 沉降差(m)-21.000 0.000 0.000 0.033-19.500 0.000 0.000 0.033-18.000 0.000 0.000 0.033-16.500 0.000 0.000 0.033-15.000 0.014 0.014 0.019-13.500 0.026 0.012 0.007-12.000 0.029 0.003 0.004-10.500 0.030 0.001 0.003-9.000 0.032 0.001 0.002-7.500 0.032 0.000 0.001-6.000 0.033 0.001 0.001-4.500 0.033 0.001 0.000-3.000 0.033 0.000 0.000-1.500 0.033 0.000 0.0000.000 0.033 0.000 0.0001.500 0.033 -0.000 0.0003.000 0.033 -0.000 0.0004.500 0.033 -0.000 0.0006.000 0.033 -0.001 0.0017.500 0.032 -0.001 0.0019.000 0.032 -0.000 0.00210.500 0.030 -0.001 0.00312.000 0.029 -0.001 0.00413.500 0.026 -0.003 0.00715.000 0.014 -0.012 0.01916.500 0.000 -0.014 0.03318.000 0.000 0.000 0.03319.500 0.000 0.000 0.03321.000 0.000 0.000 0.033路堤竣工时,由于地基沉降引起路堤填筑面积增量:(1) 由各点计算沉降梯形积分方法得ΔV = 0.915(m2)(2) 按照《铁路路基手册》方法得Δs = 0.033(m) ΔV = 0.667(m2)按照《铁路路基手册》方法,路堤顶面单侧加宽量: ΔW = 0.000 ~ 0.000(m) 基准期结束时,路基横断面各点的沉降(中线为原点)坐标当时沉降两点间沉降与路堤中心(m) (m) 差(m) 沉降差(m)-21.000 0.000 0.000 0.083-19.500 0.000 0.000 0.083-18.000 0.000 0.000 0.083-16.500 0.000 0.000 0.083-15.000 0.032 0.032 0.050-13.500 0.056 0.024 0.026-12.000 0.067 0.010 0.016-10.500 0.071 0.005 0.011-9.000 0.076 0.005 0.006-7.500 0.077 0.001 0.005-6.000 0.080 0.002 0.003-4.500 0.082 0.002 0.001-3.000 0.082 0.000 0.000-1.500 0.083 0.000 0.0000.000 0.083 0.000 0.0001.500 0.083 -0.000 0.0003.000 0.082 -0.000 0.0004.500 0.082 -0.000 0.0016.000 0.080 -0.002 0.0037.500 0.077 -0.002 0.0059.000 0.076 -0.001 0.00610.500 0.071 -0.005 0.01112.000 0.067 -0.005 0.01613.500 0.056 -0.010 0.02615.000 0.032 -0.024 0.05016.500 0.000 -0.032 0.08318.000 0.000 0.000 0.08319.500 0.000 0.000 0.08321.000 0.000 0.000 0.083路基横断面各点的最终沉降(中线为原点)坐标当时沉降两点间沉降与路堤中心(m) (m) 差(m) 沉降差(m)-21.000 0.000 0.000 0.102-19.500 0.000 0.000 0.102-18.000 0.000 0.000 0.102-16.500 0.000 0.000 0.102-15.000 0.036 0.036 0.065-13.500 0.064 0.028 0.038-12.000 0.078 0.014 0.024-10.500 0.084 0.006 0.017-9.000 0.092 0.007 0.010-7.500 0.094 0.002 0.008-6.000 0.097 0.004 0.004-4.500 0.101 0.003 0.001-3.000 0.101 0.001 0.000-1.500 0.102 0.000 0.0000.000 0.102 0.000 0.0001.500 0.102 -0.000 0.0003.000 0.101 -0.000 0.0004.500 0.101 -0.001 0.0016.000 0.097 -0.003 0.0047.500 0.094 -0.004 0.0089.000 0.092 -0.002 0.01010.500 0.084 -0.007 0.01712.000 0.078 -0.006 0.02413.500 0.064 -0.014 0.03815.000 0.036 -0.028 0.06516.500 0.000 -0.036 0.10218.000 0.000 -0.000 0.10219.500 0.000 -0.000 0.10221.000 0.000 -0.000 0.102路面竣工时,距路基中线0.000(m)处各层的沉降层底深层厚自重应力(kPa ) 附加应力全应力(kPa) 固结度层最终层当前分层主固层累计主压缩模沉降经(m) (m) (孔隙比) (kPa) (孔隙比) 沉降mSc(m) 沉降(m) 结沉降(m) 固结沉降(m) 量(MPa) 验系数0.500 0.500 4.6( 0.749) 22.3 26.9( 0.724) 0.9054 0.0063 0.00580.0052 0.0052 1.56 1.400(1.100)1.000 0.500 13.8( 0.739) 22.3 36.1( 0.714) 0.7162 0.0063 0.00480.0053 0.0105 1.55 1.400(1.100)1.500 0.500 20.9( 0.731) 22.3 43.2( 0.706) 0.5270 0.0063 0.0038 0.0053 0.0158 1.55 1.400(1.100)2.000 0.500 25.9( 0.725) 22.2 48.1( 0.700) 0.3378 0.0064 0.0028 0.0053 0.0211 1.54 1.400(1.100)2.500 0.500 30.9( 0.719) 22.2 53.1( 0.696) 0.2559 0.0060 0.0023 0.0050 0.0261 1.63 1.400(1.100)3.000 0.500 35.9( 0.714) 22.2 58.1( 0.692) 0.1860 0.0055 0.0018 0.0046 0.0307 1.79 1.400(1.100)3.500 0.500 40.9( 0.708) 22.2 63.1( 0.689) 0.1160 0.0049 0.0013 0.0041 0.0348 1.98 1.400(1.100)4.000 0.500 45.9( 0.703) 22.1 68.0( 0.686) 0.0626 0.0044 0.0010 0.0036 0.0384 2.24 1.400(1.100)4.500 0.500 50.9( 0.697) 22.1 73.0( 0.682) 0.0475 0.0039 0.0008 0.0032 0.0416 2.50 1.400(1.100)5.000 0.500 55.9( 0.694) 22.0 77.9( 0.679) 0.0325 0.0039 0.0008 0.0032 0.0449 2.49 1.400(1.100)5.500 0.500 60.9( 0.691) 21.9 82.8( 0.676) 0.0175 0.0039 0.0007 0.0032 0.0481 2.49 1.400(1.100)6.000 0.500 65.9( 0.687) 21.8 87.7( 0.672) 0.0113 0.0039 0.0007 0.0032 0.0513 2.48 1.400(1.100)6.500 0.500 70.9( 0.684) 21.7 92.6( 0.669) 0.0090 0.0039 0.0007 0.0032 0.0545 2.48 1.400(1.100)7.000 0.500 75.9( 0.680) 21.6 97.5( 0.666) 0.0066 0.0038 0.0007 0.0032 0.0577 2.47 1.400(1.100)7.500 0.500 80.9( 0.677) 21.4 102.3( 0.663) 0.0045 0.0036 0.0006 0.0030 0.0608 2.59 1.394(1.094)8.000 0.500 85.9( 0.674) 21.3 107.2( 0.661) 0.0040 0.0032 0.0006 0.0027 0.0635 2.89 1.374(1.074)8.500 0.500 90.9( 0.670) 21.1 112.0( 0.659) 0.0036 0.0028 0.0005 0.0024 0.0658 3.28 1.348(1.048)9.000 0.500 95.9( 0.667) 20.9 116.8( 0.658) 0.0031 0.0033 0.0006 0.0028 0.0686 3.80 1.313(1.013)9.500 0.500 100.9( 0.664) 20.8 121.7( 0.656) 0.0028 0.0028 0.0005 0.0024 0.0710 4.38 1.262(0.962)10.000 0.500 105.9( 0.662) 20.6 126.5( 0.654) 0.0025 0.0028 0.0005 0.0024 0.0733 4.37 1.263(0.963)10.500 0.500 110.9( 0.660) 20.4 131.3( 0.652) 0.0022 0.0028 0.0005 0.0023 0.0757 4.37 1.263(0.963)11.000 0.500 115.9( 0.658) 20.2 136.1( 0.650) 0.0020 0.0028 0.0005 0.0023 0.0780 4.36 1.264(0.964)11.500 0.500 120.9( 0.656) 19.9 140.8( 0.648) 0.0017 0.0027 0.0005 0.0023 0.0802 4.36 1.264(0.964)12.000 0.500 125.9( 0.654) 19.7 145.6( 0.647) 0.0015 0.0027 0.0005 0.0023 0.0825 4.35 1.265(0.965)12.500 0.500 130.9( 0.652) 19.5 150.4( 0.645) 0.0012 0.0027 0.0005 0.0022 0.0848 4.35 1.265(0.965)最下面分层附加应力与自重应力之比 = 14.895% <= 15.000%压缩模量当量值 = 2.460Mpa, 按地基规范GB50007-2002表5.3.5 的沉降计算经验系数 = 1.400(1.100)============================================================================(三) 填土--时间--沉降曲线输出位置,相对于路堤中线 0(m)(即X=15.000(m))时间(月) 设计填土高度实际填土高度当时沉降(m) (m) (m)0.00 0.000 0.000 0.0000.60 0.000 0.000 0.0001.20 0.000 0.000 0.0001.80 0.000 0.000 0.0002.40 0.000 0.000 0.0003.00 0.000 0.000 0.0003.60 0.000 0.000 0.0004.20 0.000 0.000 0.0004.80 0.000 0.000 0.0005.40 0.000 0.000 0.0006.00 0.000 0.000 0.0006.60 0.112 0.112 0.0007.20 0.224 0.224 0.0027.80 0.336 0.336 0.0048.40 0.448 0.448 0.0079.00 0.560 0.560 0.0119.60 0.672 0.672 0.01410.20 0.784 0.784 0.01810.80 0.896 0.896 0.02311.40 1.008 1.008 0.02812.00 1.120 1.120 0.03336.00 1.120 1.120 0.05260.00 1.120 1.120 0.06084.00 1.120 1.120 0.066108.00 1.120 1.120 0.070132.00 1.120 1.120 0.073156.00 1.120 1.120 0.076180.00 1.120 1.120 0.078204.00 1.120 1.120 0.080228.00 1.120 1.120 0.081252.00 1.120 1.120 0.083============================================================================(四) 填土--时间--固结度曲线输出位置,相对于路堤中线 0.000(m)(即X=15.000(m))输出深度为 0.000(m)时间(月) 设计填土高度固结度(m)0.00 0.000 0.0000.60 0.000 0.0001.20 0.000 0.0001.80 0.000 0.0002.40 0.000 0.0003.00 0.000 0.0003.60 0.000 0.0004.20 0.000 0.0004.80 0.000 0.0005.40 0.000 0.0006.00 0.000 0.0006.60 0.112 0.1007.20 0.224 0.2007.80 0.336 0.3008.40 0.448 0.4009.00 0.560 0.5009.60 0.672 0.60010.20 0.784 0.70010.80 0.896 0.80011.40 1.008 0.90012.00 1.120 1.00036.00 1.120 1.00060.00 1.120 1.00084.00 1.120 1.000108.00 1.120 1.000132.00 1.120 1.000156.00 1.120 1.000180.00 1.120 1.000204.00 1.120 1.000228.00 1.120 1.000252.00 1.120 1.000============================================================================ (五) 稳定计算(1) 第1级加荷,从0.0~6.0月,路基设计高度0.000(m), 路基计算高度(不考虑沉降影响)0.000(m),加载结束时稳定结果最不利滑动面:滑动圆心 = (0.000000,0.000000)(m)滑动半径 = 0.000000(m)滑动安全系数 = 10001.000总的下滑力 = 0.000(kN)总的抗滑力 = 0.000(kN)土体部分下滑力 = 0.000(kN)土体部分抗滑力 = 0.000(kN)筋带的抗滑力 = 0.000(kN)地震作用下滑力 = 0.000(kN)(2) 第2级加荷,从6.0~12.0月,路基设计高度1.120(m), 路基计算高度(不考虑沉降影响)1.120(m),加载结束时稳定结果η= 0.145 μc=2.568 μs=0.734 τc=15.000(kPa)抗滑力抗滑力抗滑力土条起始x 土条面土条自条上荷总重αi Sinαi Cosαi Woi CqiΦi Ui Φgi Wli 下滑力 WoiCosαi CiLi σliCos编号 (m) 积(m2) 重(kN) 重(kN) (kN) (度) (kN) (kPa) (度) (度) (kN) (kN) tgΦi αitgΦgi-------------------------------------------------------------------------------------------------------------1 -14.40 0.34 6.19 0.00 6.19 -56.07 -0.83 0.56 6.19 24.60 16.10 0.8085 16.10 0.0 -5.1 1.0 29.7 0.02 -13.73 1.58 24.06 0.00 24.06 -51.38 -0.78 0.62 24.06 11.30 9.70 0.3850 11.00 0.0 -18.8 2.6 17.8 0.03 -12.75 2.69 35.11 0.00 35.11 -46.33 -0.72 0.69 35.11 11.30 9.70 0.1858 11.00 0.0 -25.4 4.1 16.0 0.04 -11.77 3.62 44.43 0.00 44.43 -41.71 -0.67 0.75 44.43 11.30 9.70 0.0641 11.00 0.0 -29.6 5.7 14.8 0.05 -10.79 4.42 52.39 0.00 52.39 -37.40 -0.61 0.79 52.39 11.30 9.70 0.0397 11.00 0.0 -31.8 7.1 14.0 0.06 -9.80 5.10 59.23 0.00 59.23 -33.34 -0.55 0.84 59.23 11.30 9.70 0.0187 11.00 0.0 -32.5 8.5 13.3 0.07 -8.82 5.69 65.10 0.00 65.10 -29.45 -0.49 0.87 65.10 11.30 9.70 0.0110 11.00 0.0 -32.0 9.7 12.7 0.08 -7.84 6.19 70.13 0.00 70.13 -25.71 -0.43 0.90 70.13 11.30 9.70 0.0086 11.00 0.0 -30.4 10.8 12.3 0.09 -6.86 6.62 74.39 0.00 74.39 -22.08 -0.38 0.93 74.39 11.30 9.70 0.0066 11.00 0.0 -28.0 11.8 12.0 0.010 -5.88 6.97 77.96 0.00 77.96 -18.55 -0.32 0.95 77.96 11.30 9.70 0.0049 11.00 0.0 -24.8 12.6 11.7 0.011 -4.90 7.26 80.87 0.00 80.87 -15.09 -0.26 0.97 80.87 11.30 9.70 0.0043 11.00 0.0 -21.0 13.3 11.5 0.012 -3.92 7.49 83.16 0.00 83.16 -11.68 -0.20 0.98 83.16 11.30 9.70 0.0041 11.00 0.0 -16.8 13.9 11.3 0.013 -2.94 7.66 84.85 0.00 84.85 -8.31 -0.14 0.99 84.85 11.30 9.70 0.0040 11.00 0.0 -12.3 14.4 11.2 0.014 -1.96 7.77 85.97 0.00 85.97 -4.98 -0.09 1.00 85.97 11.30 9.70 0.0039 11.00 0.0 -7.5 14.6 11.1 0.015 -0.98 7.83 86.53 0.00 86.53 -1.66 -0.03 1.00 86.53 11.30 9.70 0.0038 11.00 0.0 -2.5 14.8 11.1 0.0土条起始x 土条面土条自条上荷总重αi Sinαi Cosαi li Ci ΦiΦgi Ui Wli Woi 下滑力抗滑力编号 (m) 积(m2) 重(kN) 重(kN) (kN) (度) (m) (kPa) (kN) (kN) (kN) (kN)---------------------------------------------------------------------------------转为总应力法16 0.00 8.93 108.35 0.00 108.35 1.66 1.00 0.03 0.98 11.30 9.7011.00 0.00 21.83 86.53 3.13 27.44转为总应力法17 0.98 8.87 107.80 0.00 107.80 4.98 1.00 0.09 0.98 11.30 9.7011.00 0.00 21.83 85.97 9.35 27.34转为总应力法18 1.96 8.76 106.68 0.00 106.68 8.31 0.99 0.14 0.99 11.30 9.7011.00 0.00 21.83 84.85 15.42 27.16转为总应力法19 2.94 8.59 104.98 0.00 104.98 11.68 0.98 0.20 1.00 11.30 9.7011.00 0.00 21.83 83.16 21.25 26.88转为总应力法20 3.92 8.36 102.69 0.00 102.69 15.09 0.97 0.26 1.02 11.30 9.7011.00 0.00 21.83 80.87 26.73 26.51转为总应力法21 4.90 8.07 99.78 0.00 99.78 18.55 0.95 0.32 1.03 11.30 9.7011.00 0.00 21.83 77.96 31.74 26.07转为总应力法22 5.88 7.71 96.22 0.00 96.22 22.08 0.93 0.38 1.06 11.30 9.7011.00 0.01 21.83 74.39 36.18 25.56转为总应力法23 6.86 7.29 91.96 0.00 91.96 25.71 0.90 0.43 1.09 11.30 9.7011.00 0.01 21.83 70.13 39.89 24.99转为总应力法24 7.84 6.78 86.93 0.00 86.93 29.45 0.87 0.49 1.13 11.30 9.7011.00 0.01 21.83 65.10 42.74 24.39转为总应力法25 8.82 6.20 81.05 0.00 81.05 33.34 0.84 0.55 1.17 11.30 9.7011.00 0.02 21.83 59.22 44.54 23.79转为总应力法26 9.80 5.51 74.21 0.00 74.21 37.40 0.79 0.61 1.23 11.30 9.7011.00 0.04 21.83 52.39 45.08 23.23转为总应力法27 10.79 4.72 66.25 0.00 66.25 41.71 0.75 0.67 1.31 11.30 9.7011.00 0.06 21.83 44.43 44.08 22.78转为总应力法28 11.77 3.79 56.93 0.00 56.93 46.33 0.69 0.72 1.42 11.30 9.7011.00 0.19 21.83 35.11 41.18 22.56转为总应力法29 12.75 2.68 45.88 0.00 45.88 51.38 0.62 0.78 1.57 11.30 9.70 11.00 0.39 21.83 24.06 35.85 22.7930 13.73 1.09 21.16 0.00 21.16 56.07 0.56 0.83 1.21 24.60 16.10 16.10 0.8085 14.97 6.19 17.56 31.02土条起始x 土条面土条自条上荷总重αi Sinαi Cosαi Cqi Φi 下滑力抗滑力抗滑力编号 (m) 积(m2) 重(kN) 重(kN) (kN) (度) (kPa) (度) (kN) WiCosαitgΦ CiLi-----------------------------------------------------------------------------------------------------------31 14.40 0.26 5.09 0.00 5.09 59.09 0.86 0.51 0.00 30.00 4.37 1.51 0.0032 14.70 0.04 0.71 0.00 0.71 60.31 0.87 0.50 40.00 30.00 0.62 0.20 5.5333 14.77 0.07 1.22 0.00 1.22 61.50 0.88 0.48 30.00 30.00 1.07 0.34 17.07最不利滑动面:滑动圆心 = (0.000000,8.960000)(m)滑动半径 = 16.959438(m)滑动安全系数 = 3.736总的下滑力 = 204.073(kN)总的抗滑力 = 762.420(kN)土体部分下滑力 = 142.223(kN)土体部分抗滑力 = 762.420(kN)筋带的抗滑力 = 0.000(kN)地震作用下滑力 = 61.850(kN)============================================================================地基承载力计算1. 基础底面处地基承载力计算1) 基础底面处各点地基承载力计算计算点 m pk fsk fspk ftg(m) (kPa) (kPa) (kPa)0.00 0.1451 22.3 130.0 193.3 1.0002.00 0.1451 22.3 130.0 193.3 1.0004.00 0.1451 22.3 130.0 193.3 1.0006.00 0.1451 22.3 130.0 193.3 1.0008.00 0.1451 22.3 130.0 193.3 1.00010.00 0.1451 22.3 130.0 193.3 1.00012.00 0.1451 22.3 130.0 193.3 1.00014.00 0.1451 22.3 130.0 193.3 1.00016.00 0.1451 22.3 130.0 193.3 1.00018.00 0.1451 22.3 130.0 193.3 1.00020.00 0.1451 22.3 130.0 193.3 1.00022.00 0.1451 22.3 130.0 193.3 1.00024.00 0.1451 22.3 130.0 193.3 1.00026.00 0.1451 22.3 130.0 193.3 1.00028.00 0.1451 22.3 130.0 193.3 1.00030.00 0.1451 22.3 130.0 193.3 1.0002) 验算给定点基础底面处承载力计算点 m pk fsk fspk ftg(m) (kPa) (kPa) (kPa)0.00 0.1451 22.3 130.0 193.3 1.000计算点xi = 0.000m,p ≤γRfa;此点承载力满足!***m -- 桩土面积置换率***pk -- 基础底部压应力(kPa)***fsk -- 地基土的地基承载力值(kPa)***fspk -- 复合地基的地基承载力值(kPa)***ftg -- 考虑固结引起的地基承载力值提高系数2. 地基处理深度范围内土层的承载力验算计算点深度 pz pcz pz + pcz faz ftg (m) (m) (kPa) (kPa) (kPa) (kPa)0.00 1.00 11.1 18.4 29.5 156.1 1.000 0.00 8.00 11.0 158.4 169.4 394.4 1.000 2.00 1.00 21.8 18.4 40.2 156.1 1.000 2.00 8.00 14.4 158.4 172.8 394.4 1.000 4.00 1.00 22.2 18.4 40.6 156.1 1.000 4.00 8.00 17.1 158.4 175.5 394.4 1.000 6.00 1.00 22.2 18.4 40.6 156.1 1.000 6.00 8.00 18.9 158.4 177.3 394.4 1.000 8.00 1.00 22.3 18.4 40.7 156.1 1.000 8.00 8.00 20.0 158.4 178.4 394.4 1.000 10.00 1.00 22.3 18.4 40.7 156.1 1.000 10.00 8.00 20.7 158.4 179.1 394.4 1.000 12.00 1.00 22.3 18.4 40.7 156.1 1.000 12.00 8.00 21.0 158.4 179.4 394.4 1.000 14.00 1.00 22.3 18.4 40.7 156.1 1.000 14.00 8.00 21.2 158.4 179.6 394.4 1.000 16.00 1.00 22.3 18.4 40.7 156.1 1.000 16.00 8.00 21.2 158.4 179.6 394.4 1.000 18.00 1.00 22.3 18.4 40.7 156.1 1.000 18.00 8.00 21.0 158.4 179.4 394.4 1.00022.00 1.00 22.3 18.4 40.7 156.1 1.00022.00 8.00 20.0 158.4 178.4 394.4 1.00024.00 1.00 22.2 18.4 40.6 156.1 1.00024.00 8.00 18.9 158.4 177.3 394.4 1.00026.00 1.00 22.2 18.4 40.6 156.1 1.00026.00 8.00 17.1 158.4 175.5 394.4 1.00028.00 1.00 21.8 18.4 40.2 156.1 1.00028.00 8.00 14.4 158.4 172.8 394.4 1.00030.00 1.00 11.1 18.4 29.5 156.1 1.00030.00 8.00 11.0 158.4 169.4 394.4 1.000验算给定点的承载力计算点深度 pz pcz pz + pcz γRfaz 是否满足 (m) (m) (kPa) (kPa) (kPa) (kPa)0.00 1.00 11.1 18.4 29.5 156.1满足!0.00 8.00 11.0 158.4 169.4 394.4满足!3. 下卧土层承载力验算计算点深度 pz pcz pz + pcz faz ftg(m) (m) (kPa) (kPa) (kPa) (kPa)0.00 9.00 11.0 178.4 189.4 358.4 1.0000.00 18.00 10.4 358.4 368.8 538.4 1.0002.00 9.00 14.0 178.4 192.4 358.4 1.0002.00 18.00 11.9 358.4 370.3 538.4 1.0004.00 9.00 16.6 178.4 195.0 358.4 1.0004.00 18.00 13.2 358.4 371.6 538.4 1.0006.00 9.00 18.4 178.4 196.8 358.4 1.0006.00 18.00 14.4 358.4 372.8 538.4 1.0008.00 9.00 19.5 178.4 197.9 358.4 1.0008.00 18.00 15.3 358.4 373.7 538.4 1.00010.00 9.00 20.2 178.4 198.6 358.5 1.00010.00 18.00 16.1 358.4 374.5 538.4 1.00012.00 9.00 20.7 178.4 199.1 358.5 1.00012.00 18.00 16.5 358.4 374.9 538.4 1.00014.00 9.00 20.8 178.4 199.2 358.5 1.00014.00 18.00 16.8 358.4 375.2 538.4 1.00016.00 9.00 20.8 178.4 199.2 358.5 1.00016.00 18.00 16.8 358.4 375.2 538.4 1.00018.00 9.00 20.7 178.4 199.1 358.5 1.00018.00 18.00 16.5 358.4 374.9 538.4 1.00020.00 9.00 20.2 178.4 198.6 358.5 1.00020.00 18.00 16.1 358.4 374.5 538.4 1.00022.00 9.00 19.5 178.4 197.9 358.4 1.00024.00 18.00 14.4 358.4 372.8 538.4 1.00026.00 9.00 16.6 178.4 195.0 358.4 1.00026.00 18.00 13.2 358.4 371.6 538.4 1.00028.00 9.00 14.0 178.4 192.4 358.4 1.00028.00 18.00 11.9 358.4 370.3 538.4 1.00030.00 9.00 11.0 178.4 189.4 358.4 1.00030.00 18.00 10.4 358.4 368.8 538.4 1.000验算给定点下卧土层承载力计算点深度 pz pcz pz + pcz γRfaz 是否满足 (m) (m) (kPa) (kPa) (kPa) (kPa)0.00 9.00 11.0 178.4 189.4 358.4满足!0.00 18.00 10.4 358.4 368.8 538.4满足!pz -- 下卧层顶面处的附加应力值(kPa)pcz -- 下卧层顶面处土的自重压力值(kPa)faz -- 下卧层顶面处经深度修正后的地基承载力值(kPa)ftg -- 考虑固结引起的地基承载力值提高系数。
旋喷桩提高地基承载能力计算拟建xx路位于xx市**区东南部,道路等级为城市次干路,道路重要性等级为二级,场地复杂程度等级为二级,岩土条件复杂程度等级为二级,综合评定岩土工程勘察等级为乙级,抗震设防类别为标准设防类(丙类)。
xx路沿线地貌形式为第四系海积冲洪积平原地貌,地面高程介于~之间,地形整体起伏不大,地势较平坦开阔,路面设计标高~,在K0+000-K0+段其下大面积分布有厚度不等的淤泥质土层,钻孔揭示层厚~不等,为工程建设不良土层,如不处理,工后沉降大,本次设计采用水泥粉煤灰碎石桩对软基进行加固处理。
该项目K0+000-K0+180段施工时由于两侧围墙及现状管线无法迁移,施工场地受限,在道路两侧无法采用水泥粉煤灰碎石桩处理的范围内改用旋喷桩处理,本次设计旋喷桩桩长分别为9m、11m和12m,本次计算以9m桩长为例:----------------------------------------------------------------------原始条件:计算目标: 计算沉降、承载力和稳定路堤设计高度: (m)路堤设计顶宽: (m)路堤边坡坡度: 1:工后沉降基准期结束时间: 240(月) 荷载施加级数: 2序号起始时间 (月) 终止时间(月) 填土高度(m) 是否作稳定计算1 是2 是路堤土层数: 2 超载个数: 0层号层厚度(m) 重度(kN/m3) 内聚力(kPa) 内摩擦角(度)12地基土层数: 3 地下水埋深: (m)钻孔数: 5钻孔位置(m):层号孔01层厚孔02层厚孔03层厚孔04层厚孔05层厚重度饱和重度地基承载力快剪C 快剪固结快剪竖向固结系水平固结系排水层(m) (m) (m) (m) (m) (kN/m3) (kN/m3) (kPa) (kPa) (度) (度) 数(cm2/s) 数(cm2/s)1 否2 否3 否层号 e( 0) e( 50) e(100) e(200) e(300) e(400) e(500) e(600) e(800)123砂垫层砂垫层厚度: (m)砂垫层的重度: (kN/m3)砂垫层的C: (kPa)砂垫层的: (度)加固土桩加固土桩布置形式:等边三角形加固土桩间距: (m)加固土桩的长度 (m)加固土桩桩土应力比:加固土桩直径: (m)加固土桩的抗剪强度: (kPa)加固土桩布置起始坐标: (m)加固土桩布置宽度: (m)承载力计算参数:承载力验算公式: p ≤γR[fa]验算点距离中线距离: (m)承载力抗力系数γR:复合地基计算公式: fspk = mRa/Ap + (1-m)fsk单桩承载力Ra: (kN)桩间土承载力折减系数:桩间土承载力提高系数:承载力修正公式: [fa] = [fa0] + 2(h-h0)基准深度h0: (m)固结度计算参数:地基土层底面: 不是排水层固结度计算采用方法: 微分方程数值解法多级加荷固结度修正时的荷载增量定义为“填土高*容重”填土-时间-固结度输出位置距离中线距离: (m)填土-时间-固结度输出位置深度: (m)沉降计算参数:地基总沉降计算方法: 经验系数法主固结沉降计算方法: e-p曲线法沉降计算不考虑超载沉降修正系数:沉降计算的分层厚度: (m)分层沉降输出点距中线距离: (m)压缩层厚度判断应力比 = %基底压力计算方法:按多层土实际容重计算加固区主固结沉降计算方法:公路软基规范法计算时不考虑弥补地基沉降引起的路堤增高量工后基准期起算时间: 最后一级加载(路面施工)结束时稳定计算参数:稳定计算方法: 有效固结应力法稳定计算不考虑超载稳定计算考虑地震力地震烈度: 7度地震作用综合系数:地震作用重要性系数:稳定计算目标: 自动搜索最危险滑裂面条分法的土条宽度: (m)搜索时的圆心步长: (m)搜索时的半径步长: (m)============================================================================ (一) 各级加荷的沉降计算第1级加荷,从~月加载开始时,路基计算高度 = (m),沉降 = (m)加载结束时,路基计算高度 = (m),沉降 = (m)第2级加荷,从~月加载开始时,路基计算高度 = (m),沉降 = (m)加载结束时,路基计算高度 = (m),沉降 = (m)============================================================================ (二) 路面竣工时及以后的沉降计算基准期开始时刻: 最后一级加载(路面施工)结束时刻不考虑沉降影响,路堤的实际计算高度为 = (m)路面竣工时,地基沉降 = (m)路面竣工后,基准期内的残余沉降 = (m)基准期结束时,地基沉降 = (m)最终地基总沉降 = * = (m)路面竣工时,路基横断面各点的沉降(中线为原点)坐标当时沉降两点间沉降与路堤中心(m) (m) 差(m) 沉降差(m)路堤竣工时,由于地基沉降引起路堤填筑面积增量:(1) 由各点计算沉降梯形积分方法得ΔV = (m2)(2) 按照《铁路路基手册》方法得Δs = (m) ΔV = (m2)按照《铁路路基手册》方法,路堤顶面单侧加宽量: ΔW = ~ (m)基准期结束时,路基横断面各点的沉降(中线为原点)坐标当时沉降两点间沉降与路堤中心(m) (m) 差(m) 沉降差(m)路基横断面各点的最终沉降(中线为原点)坐标当时沉降两点间沉降与路堤中心(m) (m) 差(m) 沉降差(m)路面竣工时,距路基中线(m)处各层的沉降层底深层厚自重应力(kPa ) 附加应力全应力(kPa) 固结度层最终层当前分层主固层累计主压缩模沉降经(m) (m) (孔隙比) (kPa) (孔隙比) 沉降mSc(m) 沉降(m) 结沉降(m) 固结沉降(m) 量(MPa) 验系数( (( (( (( (( (( (( (( (( (( (( (( (( (( (( (( (( (( (( (( (( (( (( (( (( (最下面分层附加应力与自重应力之比 = % <= %压缩模量当量值 = , 按地基规范GB50007-2002表的沉降计算经验系数 ============================================================================= (三) 填土--时间--沉降曲线输出位置,相对于路堤中线 0(m)(即X=(m))时间(月) 设计填土高度实际填土高度当时沉降(m) (m) (m)============================================================================ (四) 填土--时间--固结度曲线输出位置,相对于路堤中线 (m)(即X=(m))输出深度为 (m)时间(月) 设计填土高度固结度(m)============================================================================(五) 稳定计算(1) 第1级加荷,从~月,路基设计高度(m), 路基计算高度(不考虑沉降影响)(m),加载结束时稳定结果最不利滑动面:滑动圆心 = ,(m)滑动半径 = (m)滑动安全系数 =总的下滑力 = (kN)总的抗滑力 = (kN)土体部分下滑力 = (kN)土体部分抗滑力 = (kN)筋带的抗滑力 = (kN)地震作用下滑力 = (kN)(2) 第2级加荷,从~月,路基设计高度(m), 路基计算高度(不考虑沉降影响)(m),加载结束时稳定结果η= μc= μs= τc=(kPa)抗滑力抗滑力抗滑力土条起始x 土条面土条自条上荷总重αi Sinαi Cosαi Woi CqiΦi Ui Φgi Wli 下滑力 WoiCosαi CiLi σliCos编号 (m) 积(m2) 重(kN) 重(kN) (kN) (度) (kN) (kPa) (度) (度) (kN) (kN) tgΦi αitgΦgi-------------------------------------------------------------------------------------------------------------123456789101112131415土条起始x 土条面土条自条上荷总重αi Sinαi Cosαi li Ci ΦiΦgi Ui Wli Woi 下滑力抗滑力编号 (m) 积(m2) 重(kN) 重(kN) (kN) (度) (m) (kPa) (kN) (kN) (kN) (kN)---------------------------------------------------------------------------------转为总应力法16转为总应力法17转为总应力法18转为总应力法19转为总应力法20转为总应力法21转为总应力法22转为总应力法23转为总应力法24转为总应力法25转为总应力法26转为总应力法27转为总应力法28转为总应力法2930土条起始x 土条面土条自条上荷总重αi Sinαi Cosαi Cqi Φi下滑力抗滑力抗滑力编号 (m) 积(m2) 重(kN) 重(kN) (kN) (度) (kPa) (度) (kN)WiCosαitgΦ CiLi-----------------------------------------------------------------------------------------------------------313233最不利滑动面:滑动圆心 = ,(m)滑动半径 = (m)滑动安全系数 =总的下滑力 = (kN)总的抗滑力 = (kN)土体部分下滑力 = (kN)土体部分抗滑力 = (kN)筋带的抗滑力 = (kN)地震作用下滑力 = (kN)============================================================================地基承载力计算1. 基础底面处地基承载力计算1) 基础底面处各点地基承载力计算计算点 m pk fsk fspk ftg(m) (kPa) (kPa) (kPa)2) 验算给定点基础底面处承载力计算点 m pk fsk fspk ftg(m) (kPa) (kPa) (kPa)计算点xi = ,p ≤γRfa;此点承载力满足!***m -- 桩土面积置换率***pk -- 基础底部压应力(kPa)***fsk -- 地基土的地基承载力值(kPa)***fspk -- 复合地基的地基承载力值(kPa)***ftg -- 考虑固结引起的地基承载力值提高系数2. 地基处理深度范围内土层的承载力验算计算点深度 pz pcz pz + pcz faz ftg(m) (m) (kPa) (kPa) (kPa) (kPa)验算给定点的承载力计算点深度 pz pcz pz + pcz γRfaz 是否满足 (m) (m) (kPa) (kPa) (kPa) (kPa)满足!满足!3. 下卧土层承载力验算计算点深度 pz pcz pz + pcz faz ftg(m) (m) (kPa) (kPa) (kPa) (kPa)验算给定点下卧土层承载力计算点深度 pz pcz pz + pcz γRfaz 是否满足 (m) (m) (kPa) (kPa) (kPa) (kPa)满足!满足!pz -- 下卧层顶面处的附加应力值(kPa)pcz -- 下卧层顶面处土的自重压力值(kPa)faz -- 下卧层顶面处经深度修正后的地基承载力值(kPa) ftg -- 考虑固结引起的地基承载力值提高系数。
---------------------------------------------------------------------- 计算项目: 地基处理计算 5---------------------------------------------------------------------- [ 计算简图 ]---------------------------------------------------------------------- [ 计算条件 ]---------------------------------------------------------------------- [ 基本参数 ]地基处理方法:高压喷射注浆法[ 基础参数 ]基础类型:矩形基础基础埋深: 6.300(m)基础宽度: 15.000(m)基础长度: 10.000(m)基础覆土容重: 20.000(kN/m3)竖向荷载: 620.0(kN)弯矩Mx: 16.0(kN.m)[ 土层参数 ]土层层数: 4地下水埋深: 2.700(m)压缩层深度: 23.000(m)沉降经验系数: 0.400地基承载力修正公式:承载力修正基准深度d0: 0.500(m)序号土类型土层厚容重饱和容重压缩模量承载力鏱鏳(m) (kN/m^3) (kN/m^3) (MPa) (kPa)1 素填土 6.300 18.0 19.0 3.940 110.0 0.000 1.0002 粉砂 12.300 17.7 19.0 2.810 100.0 0.000 1.0003 淤泥 9.200 16.8 19.0 2.370 60.0 0.000 1.0004 淤泥质土 15.700 17.2 19.0 2.810 75.0 0.000 1.000***鏱-- 基础宽度地基承载力修正系数***鏳-- 基础深度地基承载力修正系数[ 高压喷射注浆法参数 ]桩布置形式:矩形桩竖向间距: 1.700(m)桩水平间距: 1.700(m)桩直径: 800(mm)桩长: 15.000(m)承载力计算公式:单桩承载力特征值: 365.681(kN)桩间土承载力折减系数: 1.000垫层厚度: 300(mm)垫层超出桩外侧的距离: 300(mm)基础边缘外桩的排数(横向): 1基础边缘外桩的排数(竖向): 1[ 处理土层参数 ]土层天然土层f f提高系数k 桩间土fsk 天然土层Es 复合地基Es 天然土层复合地基è2 100.0 1.100 110.0 2.810 5.800 23.0 23.03 60.0 1.100 66.0 2.370 5.436 23.0 23.0***f -- 表示原始土层承载力特征值(kPa)***fsk -- 表示桩间土承载力特征值(kPa)***Es -- 表示压缩模量(MPa)***-- 表示压力扩散角(度)*** 承载力提高系数和复合地基压力扩散角为交互参数;*** 天然土层的承载力、压缩模量为土层参数,列在这里便于对比;*** 天然土层的压力扩散角、桩间土fsk和复合地基压缩模量为计算中间结果。
旋喷桩提高地基承载能力计算拟建xx路位于xx市**区东南部,道路等级为城市次干路,道路重要性等级为二级,场地复杂程度等级为二级,岩土条件复杂程度等级为二级,综合评定岩土工程勘察等级为乙级,抗震设防类别为标准设防类(丙类)。
xx路沿线地貌形式为第四系海积冲洪积平原地貌,地面高程介于 4.80~6.23m之间,地形整体起伏不大,地势较平坦开阔,路面设计标高4.507~5.002m,在K0+000-K0+283.662段其下大面积分布有厚度不等的淤泥质土层,钻孔揭示层厚2.10m~7.30m不等,为工程建设不良土层,如不处理,工后沉降大,本次设计采用水泥粉煤灰碎石桩对软基进行加固处理。
该项目K0+000-K0+180段施工时由于两侧围墙及现状管线无法迁移,施工场地受限,在道路两侧无法采用水泥粉煤灰碎石桩处理的范围内改用旋喷桩处理,本次设计旋喷桩桩长分别为9m、11m和12m,本次计算以9m桩长为例:----------------------------------------------------------------------原始条件:计算目标: 计算沉降、承载力和稳定路堤设计高度: 1.120(m)路堤设计顶宽: 30.000(m)路堤边坡坡度: 1:0.000工后沉降基准期结束时间: 240(月) 荷载施加级数: 2序号起始时间 (月) 终止时间(月) 填土高度(m) 是否作稳定计算1 0.000 6.000 0.000 是2 6.000 12.000 1.120 是路堤土层数: 2 超载个数: 0层号层厚度(m) 重度(kN/m3) 内聚力(kPa) 内摩擦角(度)1 0.620 23.000 40.000 30.0002 0.500 18.000 30.000 30.000地基土层数: 3 地下水埋深: 1.000(m)钻孔数: 5钻孔位置(m): 0.000 20.000 40.000 60.000 80.000层号孔01层厚孔02层厚孔03层厚孔04层厚孔05层厚重度饱和重度地基承载力快剪C 快剪固结快剪竖向固结系水平固结系排水层(m) (m) (m) (m) (m) (kN/m3) (kN/m3) (kPa) (kPa) (度) (度) 数(cm2/s) 数(cm2/s)1 1.000 1.000 1.000 1.000 1.000 18.400 20.000 130.000 24.600 16.100 16.100 0.00150 0.00150 否2 7.000 7.000 7.000 7.000 7.000 16.900 20.000 65.000 11.300 9.700 11.000 0.00150 0.00150 否3 10.000 10.000 10.000 10.000 10.000 19.200 20.000 180.000 27.200 17.800 15.000 0.00150 0.00150 否层号 e( 0) e( 50) e(100) e(200) e(300) e(400) e(500) e(600) e(800)1 0.754 0.698 0.664 0.626 0.595 0.560 0.500 0.450 0.2502 0.754 0.698 0.664 0.626 0.595 0.560 0.500 0.450 0.2503 0.754 0.698 0.664 0.626 0.595 0.560 0.500 0.450 0.250砂垫层砂垫层厚度: 0.500(m)砂垫层的重度: 21.000(kN/m3)砂垫层的C: 0.000(kPa)砂垫层的: 30.000(度)加固土桩加固土桩布置形式:等边三角形加固土桩间距: 1.500(m)加固土桩的长度 9.000(m)加固土桩桩土应力比: 3.500加固土桩直径: 0.600(m)加固土桩的抗剪强度: 15.000(kPa)加固土桩布置起始坐标: 0.000(m)加固土桩布置宽度: 30.000(m)承载力计算参数:承载力验算公式: p ≤γR[fa]验算点距离中线距离: 0.000(m)承载力抗力系数γR: 1.00复合地基计算公式: fspk = mRa/Ap + (1-m)fsk单桩承载力Ra: 160.00(kN)桩间土承载力折减系数: 1.00桩间土承载力提高系数: 1.00承载力修正公式: [fa] = [fa0] + 2(h-h0)基准深度h0: 0.000(m)固结度计算参数:地基土层底面: 不是排水层固结度计算采用方法: 微分方程数值解法多级加荷固结度修正时的荷载增量定义为“填土高*容重”填土-时间-固结度输出位置距离中线距离: 0.000(m)填土-时间-固结度输出位置深度: 0.000(m)沉降计算参数:地基总沉降计算方法: 经验系数法主固结沉降计算方法: e-p曲线法沉降计算不考虑超载沉降修正系数: 1.200沉降计算的分层厚度: 0.500(m)分层沉降输出点距中线距离: 0.000(m)压缩层厚度判断应力比 = 15.000%基底压力计算方法:按多层土实际容重计算加固区主固结沉降计算方法:公路软基规范法计算时不考虑弥补地基沉降引起的路堤增高量工后基准期起算时间: 最后一级加载(路面施工)结束时稳定计算参数:稳定计算方法: 有效固结应力法稳定计算不考虑超载稳定计算考虑地震力地震烈度: 7度地震作用综合系数: 0.250地震作用重要性系数: 1.000稳定计算目标: 自动搜索最危险滑裂面条分法的土条宽度: 1.000(m)搜索时的圆心步长: 1.000(m)搜索时的半径步长: 0.500(m)============================================================================ (一) 各级加荷的沉降计算第1级加荷,从0.0~6.0月加载开始时,路基计算高度 = 0.000(m),沉降 = 0.000(m)加载结束时,路基计算高度 = 0.000(m),沉降 = 0.000(m)第2级加荷,从6.0~12.0月加载开始时,路基计算高度 = 0.000(m),沉降 = 0.000(m)加载结束时,路基计算高度 = 1.120(m),沉降 = 0.033(m)============================================================================ (二) 路面竣工时及以后的沉降计算基准期开始时刻: 最后一级加载(路面施工)结束时刻不考虑沉降影响,路堤的实际计算高度为 = 1.120(m)路面竣工时,地基沉降 = 0.033(m)路面竣工后,基准期内的残余沉降 = 0.049(m)基准期结束时,地基沉降 = 0.083(m)最终地基总沉降 = 1.200*0.085 = 0.102(m)路面竣工时,路基横断面各点的沉降(中线为原点)坐标当时沉降两点间沉降与路堤中心(m) (m) 差(m) 沉降差(m)-21.000 0.000 0.000 0.033-19.500 0.000 0.000 0.033-18.000 0.000 0.000 0.033-16.500 0.000 0.000 0.033-15.000 0.014 0.014 0.019-13.500 0.026 0.012 0.007-12.000 0.029 0.003 0.004-10.500 0.030 0.001 0.003-9.000 0.032 0.001 0.002-7.500 0.032 0.000 0.001-6.000 0.033 0.001 0.001-4.500 0.033 0.001 0.000-3.000 0.033 0.000 0.000-1.500 0.033 0.000 0.0000.000 0.033 0.000 0.0001.500 0.033 -0.000 0.0003.000 0.033 -0.000 0.0004.500 0.033 -0.000 0.0006.000 0.033 -0.001 0.0017.500 0.032 -0.001 0.0019.000 0.032 -0.000 0.00210.500 0.030 -0.001 0.00312.000 0.029 -0.001 0.00413.500 0.026 -0.003 0.00715.000 0.014 -0.012 0.01916.500 0.000 -0.014 0.03318.000 0.000 0.000 0.03319.500 0.000 0.000 0.03321.000 0.000 0.000 0.033路堤竣工时,由于地基沉降引起路堤填筑面积增量:(1) 由各点计算沉降梯形积分方法得ΔV = 0.915(m2)(2) 按照《铁路路基手册》方法得Δs = 0.033(m) ΔV = 0.667(m2)按照《铁路路基手册》方法,路堤顶面单侧加宽量: ΔW = 0.000 ~ 0.000(m)基准期结束时,路基横断面各点的沉降(中线为原点)坐标当时沉降两点间沉降与路堤中心(m) (m) 差(m) 沉降差(m)-21.000 0.000 0.000 0.083-19.500 0.000 0.000 0.083-18.000 0.000 0.000 0.083-16.500 0.000 0.000 0.083-15.000 0.032 0.032 0.050-13.500 0.056 0.024 0.026-12.000 0.067 0.010 0.016-10.500 0.071 0.005 0.011-9.000 0.076 0.005 0.006-7.500 0.077 0.001 0.005-6.000 0.080 0.002 0.003-4.500 0.082 0.002 0.001-3.000 0.082 0.000 0.000-1.500 0.083 0.000 0.0000.000 0.083 0.000 0.0001.500 0.083 -0.000 0.0003.000 0.082 -0.000 0.0004.500 0.082 -0.000 0.0016.000 0.080 -0.002 0.0037.500 0.077 -0.002 0.0059.000 0.076 -0.001 0.00610.500 0.071 -0.005 0.01112.000 0.067 -0.005 0.01613.500 0.056 -0.010 0.02615.000 0.032 -0.024 0.05016.500 0.000 -0.032 0.08318.000 0.000 0.000 0.08319.500 0.000 0.000 0.08321.000 0.000 0.000 0.083路基横断面各点的最终沉降(中线为原点)坐标当时沉降两点间沉降与路堤中心(m) (m) 差(m) 沉降差(m)-21.000 0.000 0.000 0.102-19.500 0.000 0.000 0.102-18.000 0.000 0.000 0.102-16.500 0.000 0.000 0.102-15.000 0.036 0.036 0.065-13.500 0.064 0.028 0.038-12.000 0.078 0.014 0.024-10.500 0.084 0.006 0.017-9.000 0.092 0.007 0.010-7.500 0.094 0.002 0.008-6.000 0.097 0.004 0.004-4.500 0.101 0.003 0.001-3.000 0.101 0.001 0.000-1.500 0.102 0.000 0.0000.000 0.102 0.000 0.0001.500 0.102 -0.000 0.0003.000 0.101 -0.000 0.0004.500 0.101 -0.001 0.0016.000 0.097 -0.003 0.0047.500 0.094 -0.004 0.0089.000 0.092 -0.002 0.01010.500 0.084 -0.007 0.01712.000 0.078 -0.006 0.02413.500 0.064 -0.014 0.03815.000 0.036 -0.028 0.06516.500 0.000 -0.036 0.10218.000 0.000 -0.000 0.10219.500 0.000 -0.000 0.10221.000 0.000 -0.000 0.102路面竣工时,距路基中线0.000(m)处各层的沉降层底深层厚自重应力(kPa ) 附加应力全应力(kPa) 固结度层最终层当前分层主固层累计主压缩模沉降经(m) (m) (孔隙比) (kPa) (孔隙比) 沉降mSc(m) 沉降(m) 结沉降(m) 固结沉降(m) 量(MPa) 验系数0.500 0.500 4.6( 0.749) 22.3 26.9( 0.724) 0.9054 0.0063 0.00580.0052 0.0052 1.56 1.400(1.100)1.000 0.500 13.8( 0.739) 22.3 36.1( 0.714) 0.7162 0.0063 0.00480.0053 0.0105 1.55 1.400(1.100)1.500 0.500 20.9( 0.731) 22.3 43.2( 0.706) 0.5270 0.0063 0.0038 0.0053 0.0158 1.55 1.400(1.100)2.000 0.500 25.9( 0.725) 22.2 48.1( 0.700) 0.3378 0.0064 0.0028 0.0053 0.0211 1.54 1.400(1.100)2.500 0.500 30.9( 0.719) 22.2 53.1( 0.696) 0.2559 0.0060 0.0023 0.0050 0.0261 1.63 1.400(1.100)3.000 0.500 35.9( 0.714) 22.2 58.1( 0.692) 0.1860 0.0055 0.0018 0.0046 0.0307 1.79 1.400(1.100)3.500 0.500 40.9( 0.708) 22.2 63.1( 0.689) 0.1160 0.0049 0.0013 0.0041 0.0348 1.98 1.400(1.100)4.000 0.500 45.9( 0.703) 22.1 68.0( 0.686) 0.0626 0.0044 0.0010 0.0036 0.0384 2.24 1.400(1.100)4.500 0.500 50.9( 0.697) 22.1 73.0( 0.682) 0.0475 0.0039 0.0008 0.0032 0.0416 2.50 1.400(1.100)5.000 0.500 55.9( 0.694) 22.0 77.9( 0.679) 0.0325 0.0039 0.0008 0.0032 0.0449 2.49 1.400(1.100)5.500 0.500 60.9( 0.691) 21.9 82.8( 0.676) 0.0175 0.0039 0.0007 0.0032 0.0481 2.49 1.400(1.100)6.000 0.500 65.9( 0.687) 21.8 87.7( 0.672) 0.0113 0.0039 0.0007 0.0032 0.0513 2.48 1.400(1.100)6.500 0.500 70.9( 0.684) 21.7 92.6( 0.669) 0.0090 0.0039 0.0007 0.0032 0.0545 2.48 1.400(1.100)7.000 0.500 75.9( 0.680) 21.6 97.5( 0.666) 0.0066 0.0038 0.0007 0.0032 0.0577 2.47 1.400(1.100)7.500 0.500 80.9( 0.677) 21.4 102.3( 0.663) 0.0045 0.0036 0.0006 0.0030 0.0608 2.59 1.394(1.094)8.000 0.500 85.9( 0.674) 21.3 107.2( 0.661) 0.0040 0.0032 0.0006 0.0027 0.0635 2.89 1.374(1.074)8.500 0.500 90.9( 0.670) 21.1 112.0( 0.659) 0.0036 0.0028 0.0005 0.0024 0.0658 3.28 1.348(1.048)9.000 0.500 95.9( 0.667) 20.9 116.8( 0.658) 0.0031 0.0033 0.0006 0.0028 0.0686 3.80 1.313(1.013)9.500 0.500 100.9( 0.664) 20.8 121.7( 0.656) 0.0028 0.0028 0.0005 0.0024 0.0710 4.38 1.262(0.962)10.000 0.500 105.9( 0.662) 20.6 126.5( 0.654) 0.0025 0.0028 0.0005 0.0024 0.0733 4.37 1.263(0.963)10.500 0.500 110.9( 0.660) 20.4 131.3( 0.652) 0.0022 0.0028 0.0005 0.0023 0.0757 4.37 1.263(0.963)11.000 0.500 115.9( 0.658) 20.2 136.1( 0.650) 0.0020 0.0028 0.0005 0.0023 0.0780 4.36 1.264(0.964)11.500 0.500 120.9( 0.656) 19.9 140.8( 0.648) 0.0017 0.0027 0.0005 0.0023 0.0802 4.36 1.264(0.964)12.000 0.500 125.9( 0.654) 19.7 145.6( 0.647) 0.0015 0.0027 0.0005 0.0023 0.0825 4.35 1.265(0.965)12.500 0.500 130.9( 0.652) 19.5 150.4( 0.645) 0.0012 0.0027 0.0005 0.0022 0.0848 4.35 1.265(0.965)最下面分层附加应力与自重应力之比 = 14.895% <= 15.000%压缩模量当量值 = 2.460Mpa, 按地基规范GB50007-2002表5.3.5 的沉降计算经验系数 = 1.400(1.100)============================================================================(三) 填土--时间--沉降曲线输出位置,相对于路堤中线 0(m)(即X=15.000(m))时间(月) 设计填土高度实际填土高度当时沉降(m) (m) (m)0.00 0.000 0.000 0.0000.60 0.000 0.000 0.0001.20 0.000 0.000 0.0001.80 0.000 0.000 0.0002.40 0.000 0.000 0.0003.00 0.000 0.000 0.0003.60 0.000 0.000 0.0004.20 0.000 0.000 0.0004.80 0.000 0.000 0.0005.40 0.000 0.000 0.0006.00 0.000 0.000 0.0006.60 0.112 0.112 0.0007.20 0.224 0.224 0.0027.80 0.336 0.336 0.0048.40 0.448 0.448 0.0079.00 0.560 0.560 0.0119.60 0.672 0.672 0.01410.20 0.784 0.784 0.01810.80 0.896 0.896 0.02311.40 1.008 1.008 0.02812.00 1.120 1.120 0.03336.00 1.120 1.120 0.05260.00 1.120 1.120 0.06084.00 1.120 1.120 0.066108.00 1.120 1.120 0.070132.00 1.120 1.120 0.073156.00 1.120 1.120 0.076180.00 1.120 1.120 0.078204.00 1.120 1.120 0.080228.00 1.120 1.120 0.081252.00 1.120 1.120 0.083============================================================================(四) 填土--时间--固结度曲线输出位置,相对于路堤中线 0.000(m)(即X=15.000(m))输出深度为 0.000(m)时间(月) 设计填土高度固结度(m)0.00 0.000 0.0000.60 0.000 0.0001.20 0.000 0.0001.80 0.000 0.0002.40 0.000 0.0003.00 0.000 0.0003.60 0.000 0.0004.20 0.000 0.0004.80 0.000 0.0005.40 0.000 0.0006.00 0.000 0.0006.60 0.112 0.1007.20 0.224 0.2007.80 0.336 0.3008.40 0.448 0.4009.00 0.560 0.5009.60 0.672 0.60010.20 0.784 0.70010.80 0.896 0.80011.40 1.008 0.90012.00 1.120 1.00036.00 1.120 1.00060.00 1.120 1.00084.00 1.120 1.000108.00 1.120 1.000132.00 1.120 1.000156.00 1.120 1.000180.00 1.120 1.000204.00 1.120 1.000228.00 1.120 1.000252.00 1.120 1.000============================================================================ (五) 稳定计算(1) 第1级加荷,从0.0~6.0月,路基设计高度0.000(m), 路基计算高度(不考虑沉降影响)0.000(m),加载结束时稳定结果最不利滑动面:滑动圆心 = (0.000000,0.000000)(m)滑动半径 = 0.000000(m)滑动安全系数 = 10001.000总的下滑力 = 0.000(kN)总的抗滑力 = 0.000(kN)土体部分下滑力 = 0.000(kN)土体部分抗滑力 = 0.000(kN)筋带的抗滑力 = 0.000(kN)地震作用下滑力 = 0.000(kN)(2) 第2级加荷,从6.0~12.0月,路基设计高度1.120(m), 路基计算高度(不考虑沉降影响)1.120(m),加载结束时稳定结果η= 0.145 μc=2.568 μs=0.734 τc=15.000(kPa)抗滑力抗滑力抗滑力土条起始x 土条面土条自条上荷总重αi Sinαi Cosαi Woi CqiΦi Ui Φgi Wli 下滑力 WoiCosαi CiLi σliCos编号 (m) 积(m2) 重(kN) 重(kN) (kN) (度) (kN) (kPa) (度) (度) (kN) (kN) tgΦi αitgΦgi-------------------------------------------------------------------------------------------------------------1 -14.40 0.34 6.19 0.00 6.19 -56.07 -0.83 0.56 6.19 24.60 16.10 0.8085 16.10 0.0 -5.1 1.0 29.7 0.02 -13.73 1.58 24.06 0.00 24.06 -51.38 -0.78 0.62 24.06 11.30 9.70 0.3850 11.00 0.0 -18.8 2.6 17.8 0.03 -12.75 2.69 35.11 0.00 35.11 -46.33 -0.72 0.69 35.11 11.30 9.70 0.1858 11.00 0.0 -25.4 4.1 16.0 0.04 -11.77 3.62 44.43 0.00 44.43 -41.71 -0.67 0.75 44.43 11.30 9.70 0.0641 11.00 0.0 -29.6 5.7 14.8 0.05 -10.79 4.42 52.39 0.00 52.39 -37.40 -0.61 0.79 52.39 11.30 9.70 0.0397 11.00 0.0 -31.8 7.1 14.0 0.06 -9.80 5.10 59.23 0.00 59.23 -33.34 -0.55 0.84 59.23 11.30 9.70 0.0187 11.00 0.0 -32.5 8.5 13.3 0.07 -8.82 5.69 65.10 0.00 65.10 -29.45 -0.49 0.87 65.10 11.30 9.70 0.0110 11.00 0.0 -32.0 9.7 12.7 0.08 -7.84 6.19 70.13 0.00 70.13 -25.71 -0.43 0.90 70.13 11.30 9.70 0.0086 11.00 0.0 -30.4 10.8 12.3 0.09 -6.86 6.62 74.39 0.00 74.39 -22.08 -0.38 0.93 74.39 11.30 9.70 0.0066 11.00 0.0 -28.0 11.8 12.0 0.010 -5.88 6.97 77.96 0.00 77.96 -18.55 -0.32 0.95 77.96 11.30 9.70 0.0049 11.00 0.0 -24.8 12.6 11.7 0.011 -4.90 7.26 80.87 0.00 80.87 -15.09 -0.26 0.97 80.87 11.30 9.70 0.0043 11.00 0.0 -21.0 13.3 11.5 0.012 -3.92 7.49 83.16 0.00 83.16 -11.68 -0.20 0.98 83.16 11.30 9.70 0.0041 11.00 0.0 -16.8 13.9 11.3 0.013 -2.94 7.66 84.85 0.00 84.85 -8.31 -0.14 0.99 84.85 11.30 9.70 0.0040 11.00 0.0 -12.3 14.4 11.2 0.014 -1.96 7.77 85.97 0.00 85.97 -4.98 -0.09 1.00 85.97 11.30 9.70 0.0039 11.00 0.0 -7.5 14.6 11.1 0.015 -0.98 7.83 86.53 0.00 86.53 -1.66 -0.03 1.00 86.53 11.30 9.70 0.0038 11.00 0.0 -2.5 14.8 11.1 0.0土条起始x 土条面土条自条上荷总重αi Sinαi Cosαi li Ci ΦiΦgi Ui Wli Woi 下滑力抗滑力编号 (m) 积(m2) 重(kN) 重(kN) (kN) (度) (m) (kPa) (kN) (kN) (kN) (kN)---------------------------------------------------------------------------------转为总应力法16 0.00 8.93 108.35 0.00 108.35 1.66 1.00 0.03 0.98 11.30 9.7011.00 0.00 21.83 86.53 3.13 27.44转为总应力法17 0.98 8.87 107.80 0.00 107.80 4.98 1.00 0.09 0.98 11.30 9.7011.00 0.00 21.83 85.97 9.35 27.34转为总应力法18 1.96 8.76 106.68 0.00 106.68 8.31 0.99 0.14 0.99 11.30 9.7011.00 0.00 21.83 84.85 15.42 27.16转为总应力法19 2.94 8.59 104.98 0.00 104.98 11.68 0.98 0.20 1.00 11.30 9.7011.00 0.00 21.83 83.16 21.25 26.88转为总应力法20 3.92 8.36 102.69 0.00 102.69 15.09 0.97 0.26 1.02 11.30 9.7011.00 0.00 21.83 80.87 26.73 26.51转为总应力法21 4.90 8.07 99.78 0.00 99.78 18.55 0.95 0.32 1.03 11.30 9.7011.00 0.00 21.83 77.96 31.74 26.07转为总应力法22 5.88 7.71 96.22 0.00 96.22 22.08 0.93 0.38 1.06 11.30 9.7011.00 0.01 21.83 74.39 36.18 25.56转为总应力法23 6.86 7.29 91.96 0.00 91.96 25.71 0.90 0.43 1.09 11.30 9.7011.00 0.01 21.83 70.13 39.89 24.99转为总应力法24 7.84 6.78 86.93 0.00 86.93 29.45 0.87 0.49 1.13 11.30 9.7011.00 0.01 21.83 65.10 42.74 24.39转为总应力法25 8.82 6.20 81.05 0.00 81.05 33.34 0.84 0.55 1.17 11.30 9.7011.00 0.02 21.83 59.22 44.54 23.79转为总应力法26 9.80 5.51 74.21 0.00 74.21 37.40 0.79 0.61 1.23 11.30 9.7011.00 0.04 21.83 52.39 45.08 23.23转为总应力法27 10.79 4.72 66.25 0.00 66.25 41.71 0.75 0.67 1.31 11.30 9.7011.00 0.06 21.83 44.43 44.08 22.78转为总应力法28 11.77 3.79 56.93 0.00 56.93 46.33 0.69 0.72 1.42 11.30 9.7011.00 0.19 21.83 35.11 41.18 22.56转为总应力法29 12.75 2.68 45.88 0.00 45.88 51.38 0.62 0.78 1.57 11.30 9.70 11.00 0.39 21.83 24.06 35.85 22.7930 13.73 1.09 21.16 0.00 21.16 56.07 0.56 0.83 1.21 24.60 16.10 16.10 0.8085 14.97 6.19 17.56 31.02土条起始x 土条面土条自条上荷总重αi Sinαi Cosαi Cqi Φi 下滑力抗滑力抗滑力编号 (m) 积(m2) 重(kN) 重(kN) (kN) (度) (kPa) (度) (kN) WiCosαitgΦ CiLi-----------------------------------------------------------------------------------------------------------31 14.40 0.26 5.09 0.00 5.09 59.09 0.86 0.51 0.00 30.00 4.37 1.51 0.0032 14.70 0.04 0.71 0.00 0.71 60.31 0.87 0.50 40.00 30.00 0.62 0.20 5.5333 14.77 0.07 1.22 0.00 1.22 61.50 0.88 0.48 30.00 30.00 1.07 0.34 17.07最不利滑动面:滑动圆心 = (0.000000,8.960000)(m)滑动半径 = 16.959438(m)滑动安全系数 = 3.736总的下滑力 = 204.073(kN)总的抗滑力 = 762.420(kN)土体部分下滑力 = 142.223(kN)土体部分抗滑力 = 762.420(kN)筋带的抗滑力 = 0.000(kN)地震作用下滑力 = 61.850(kN)============================================================================地基承载力计算1. 基础底面处地基承载力计算1) 基础底面处各点地基承载力计算计算点 m pk fsk fspk ftg(m) (kPa) (kPa) (kPa)0.00 0.1451 22.3 130.0 193.3 1.0002.00 0.1451 22.3 130.0 193.3 1.0004.00 0.1451 22.3 130.0 193.3 1.0006.00 0.1451 22.3 130.0 193.3 1.0008.00 0.1451 22.3 130.0 193.3 1.00010.00 0.1451 22.3 130.0 193.3 1.00012.00 0.1451 22.3 130.0 193.3 1.00014.00 0.1451 22.3 130.0 193.3 1.00020.00 0.1451 22.3 130.0 193.3 1.00022.00 0.1451 22.3 130.0 193.3 1.00024.00 0.1451 22.3 130.0 193.3 1.00026.00 0.1451 22.3 130.0 193.3 1.00028.00 0.1451 22.3 130.0 193.3 1.00030.00 0.1451 22.3 130.0 193.3 1.0002) 验算给定点基础底面处承载力计算点 m pk fsk fspk ftg(m) (kPa) (kPa) (kPa)0.00 0.1451 22.3 130.0 193.3 1.000计算点xi = 0.000m,p ≤γRfa;此点承载力满足!***m -- 桩土面积置换率***pk -- 基础底部压应力(kPa)***fsk -- 地基土的地基承载力值(kPa)***fspk -- 复合地基的地基承载力值(kPa)***ftg -- 考虑固结引起的地基承载力值提高系数2. 地基处理深度范围内土层的承载力验算计算点深度 pz pcz pz + pcz faz ftg (m) (m) (kPa) (kPa) (kPa) (kPa)0.00 1.00 11.1 18.4 29.5 156.1 1.000 0.00 8.00 11.0 158.4 169.4 394.4 1.000 2.00 1.00 21.8 18.4 40.2 156.1 1.000 2.00 8.00 14.4 158.4 172.8 394.4 1.000 4.00 1.00 22.2 18.4 40.6 156.1 1.000 4.00 8.00 17.1 158.4 175.5 394.4 1.000 6.00 1.00 22.2 18.4 40.6 156.1 1.000 6.00 8.00 18.9 158.4 177.3 394.4 1.000 8.00 1.00 22.3 18.4 40.7 156.1 1.000 8.00 8.00 20.0 158.4 178.4 394.4 1.000 10.00 1.00 22.3 18.4 40.7 156.1 1.000 10.00 8.00 20.7 158.4 179.1 394.4 1.000 12.00 1.00 22.3 18.4 40.7 156.1 1.000 12.00 8.00 21.0 158.4 179.4 394.4 1.000 14.00 1.00 22.3 18.4 40.7 156.1 1.000 14.00 8.00 21.2 158.4 179.6 394.4 1.000 16.00 1.00 22.3 18.4 40.7 156.1 1.000 16.00 8.00 21.2 158.4 179.6 394.4 1.000 18.00 1.00 22.3 18.4 40.7 156.1 1.000 18.00 8.00 21.0 158.4 179.4 394.4 1.000 20.00 1.00 22.3 18.4 40.7 156.1 1.000 20.00 8.00 20.7 158.4 179.1 394.4 1.00024.00 1.00 22.2 18.4 40.6 156.1 1.00024.00 8.00 18.9 158.4 177.3 394.4 1.00026.00 1.00 22.2 18.4 40.6 156.1 1.00026.00 8.00 17.1 158.4 175.5 394.4 1.00028.00 1.00 21.8 18.4 40.2 156.1 1.00028.00 8.00 14.4 158.4 172.8 394.4 1.00030.00 1.00 11.1 18.4 29.5 156.1 1.00030.00 8.00 11.0 158.4 169.4 394.4 1.000验算给定点的承载力计算点深度 pz pcz pz + pcz γRfaz 是否满足 (m) (m) (kPa) (kPa) (kPa) (kPa)0.00 1.00 11.1 18.4 29.5 156.1满足!0.00 8.00 11.0 158.4 169.4 394.4满足!3. 下卧土层承载力验算计算点深度 pz pcz pz + pcz faz ftg(m) (m) (kPa) (kPa) (kPa) (kPa)0.00 9.00 11.0 178.4 189.4 358.4 1.0000.00 18.00 10.4 358.4 368.8 538.4 1.0002.00 9.00 14.0 178.4 192.4 358.4 1.0002.00 18.00 11.9 358.4 370.3 538.4 1.0004.00 9.00 16.6 178.4 195.0 358.4 1.0004.00 18.00 13.2 358.4 371.6 538.4 1.0006.00 9.00 18.4 178.4 196.8 358.4 1.0006.00 18.00 14.4 358.4 372.8 538.4 1.0008.00 9.00 19.5 178.4 197.9 358.4 1.0008.00 18.00 15.3 358.4 373.7 538.4 1.00010.00 9.00 20.2 178.4 198.6 358.5 1.00010.00 18.00 16.1 358.4 374.5 538.4 1.00012.00 9.00 20.7 178.4 199.1 358.5 1.00012.00 18.00 16.5 358.4 374.9 538.4 1.00014.00 9.00 20.8 178.4 199.2 358.5 1.00014.00 18.00 16.8 358.4 375.2 538.4 1.00016.00 9.00 20.8 178.4 199.2 358.5 1.00016.00 18.00 16.8 358.4 375.2 538.4 1.00018.00 9.00 20.7 178.4 199.1 358.5 1.00018.00 18.00 16.5 358.4 374.9 538.4 1.00020.00 9.00 20.2 178.4 198.6 358.5 1.00020.00 18.00 16.1 358.4 374.5 538.4 1.00022.00 9.00 19.5 178.4 197.9 358.4 1.00022.00 18.00 15.3 358.4 373.7 538.4 1.00024.00 9.00 18.4 178.4 196.8 358.4 1.00026.00 18.00 13.2 358.4 371.6 538.4 1.00028.00 9.00 14.0 178.4 192.4 358.4 1.00028.00 18.00 11.9 358.4 370.3 538.4 1.00030.00 9.00 11.0 178.4 189.4 358.4 1.00030.00 18.00 10.4 358.4 368.8 538.4 1.000验算给定点下卧土层承载力计算点深度 pz pcz pz + pcz γRfaz 是否满足(m) (m) (kPa) (kPa) (kPa) (kPa)0.00 9.00 11.0 178.4 189.4 358.4满足!0.00 18.00 10.4 358.4 368.8 538.4满足!pz -- 下卧层顶面处的附加应力值(kPa)pcz -- 下卧层顶面处土的自重压力值(kPa)faz -- 下卧层顶面处经深度修正后的地基承载力值(kPa)ftg -- 考虑固结引起的地基承载力值提高系数友情提示:本资料代表个人观点,如有帮助请下载,谢谢您的浏览!。
高压旋喷桩室内配合比计算方法设计桩直径0.8m,土的湿密度1.49g/cm3,天然含水量82.4%,水泥用量325㎏/m、350㎏/m,水灰比0.8,按水泥用量加入3%的氯化钙。
计算方法下:1)已知桩直径0.8m、高1m,计算每米桩的体积:3.14*(0.4*0.4)*1=0.502m3/m2)已知每米水泥用量325kg、水灰比0.8,按水泥用量加入3%的氯化钙,计算每米水、氯化钙用量;325×0.8=260kg/m(水)325×0.03=9.75(氯化钙)3)已知水泥325kg、水260kg、氯化钙9.75,计算水泥浆重量并测出水泥浆密度;325+260+9.75=594.75kg/m水泥浆密度:1.57 g/cm34)已知水泥浆重量594.75kg、水泥浆密度:1.57 g/cm3计算水泥浆每米所占体积;594.75÷1.57÷1000=0.379 m3/m5)已知水泥浆体积0.379 m3/m,每米桩的体积0.502m3/m,土的密度:1.49g/cm3,计算每米土的质量(0.502-0.379)×1.49×1000=183kg/m6)配合比:水泥土氯化钙水325 183 9.75 260 (单位:kg/m)1)已知桩直径0.8m、高1m,计算每米桩的体积:3.14*(0.4*0.4)*1=0.502m3/m2)已知每米水泥用量350kg、水灰比0.8,按水泥用量加入3%的氯化钙,计算每米水、氯化钙用量;350×0.8=280kg/m(水)350×0.03=10.5(氯化钙)3)已知水泥350kg、水280kg、氯化钙10.5,计算水泥浆重量并测出水泥浆密度;350+280+10.5=640.5kg/m水泥浆密度:1.57 g/cm34)已知水泥浆重量640.5kg、水泥浆密度:1.57 g/cm3计算水泥浆每米所占体积;640.5÷1.57÷1000=0.408m3/m5)已知水泥浆体积0.408 m3/m,每米桩的体积0.502m3/m,土的密度:1.49g/cm3,计算每米土的质量(0.502-0.408)×1.49×1000=140kg/m6)配合比:水泥土氯化钙水350 140 10.5 280 (单位:kg/m1。
高压旋喷桩水泥用量计算方法
1.确定桩身直径和长度:
首先需要确定高压旋喷桩的设计参数,包括桩身直径和长度。
这些参
数通常根据地基情况、设计要求和施工条件等综合考虑确定。
2.计算桩体体积:
根据桩身直径和长度,可以计算高压旋喷桩的体积。
一般情况下,桩
体的体积可以用公式V=πR²L来计算,其中V表示桩体体积,π表示圆
周率,R表示桩身半径,L表示桩身长度。
3.确定单桩水泥用量:
在计算单桩水泥用量时,需要考虑水泥浆的配合比和混凝土强度等因素。
一般来讲,单桩水泥用量可以用公式Q=V×C/S来计算,其中Q表示
单桩水泥用量,V表示桩体体积,C表示水泥浆的混凝土强度等级,S表
示水泥浆的单位体积用水量。
4.考虑浪费因素:
在实际施工过程中,由于各种原因,例如施工浪费、强度提高需求等,可能需要适当增加水泥用量。
因此,在计算水泥用量时,需要考虑浪费因素。
一般来说,可以根据经验和实际情况,增加一定的浪费系数来进行计算。
总结起来,高压旋喷桩水泥用量的计算方法主要包括确定桩身直径和
长度、计算桩体体积、确定单桩水泥用量,考虑浪费因素等步骤。
这些计
算方法需要综合考虑桩基设计要求、地基情况和施工条件等因素,以确保
施工质量和桩体的稳定性。
邯郸市第一医院塔吊地基处理承载力计算书一、设计要求:塔吊安装地耐力要求Ra≥250KPa;二、设计依据:岩土工程勘察报告,《建筑地基处理技术规范》,《建筑地基基础设计规范》。
三、地质情况:3.1地层分布4层粉质粘土[Q42(al+pl)]:褐灰色,可塑,含有机质、青瓦片,夹粉土薄层,无摇震反应,稍有光泽,干强度中等,韧性中等。
压缩系数平均值为0.33MPa-1,为中等压缩性。
厚度:2.30~6.80m,平均 3.96m;层底标高:45.50~47.85m,平均46.93m;层底埋深:9.50~11.80m,平均10.40m。
4-1层粉土[Q42(al+pl)]:褐黄色,密实,湿,含云母碎屑,夹粉质粘土和细砂薄层,局部相变为细砂,摇震反应中等-迅速,无光泽反应,干强度低,韧性低。
压缩系数平均值为0.24MPa-1,为中等压缩性。
厚度:0.50~2.30m,平均 1.40m;层底标高:47.21~49.50m,平均48.33m;层底埋深:7.80~10.30m,平均9.02m。
5层粉质粘土[Q41(al+pl)]:褐黄色,硬塑,局部可塑,含姜石,无摇震反应,稍有光泽,干强度中等,韧性中等。
压缩系数平均值为0.24MPa-1,为中等压缩性。
厚度:1.00~2.90m,平均 2.07m;层底标高:43.81~46.20m,平均44.86m;层底埋深:11.00~13.70m,平均12.47m。
6层粉土[Q42(al+pl)]:褐黄色,密实,湿,含云母碎屑,混砂颗粒,夹粉质粘土、细砂和中砂薄层,局部相变为粉砂,摇震反应中等,无光泽反应,干强度低,韧性低。
压缩系数平均值为0.20MPa-1,为中等压缩性。
厚度:1.30~4.50m,平均2.53m;层底标高:41.21~43.50m,平均42.32m;层底埋深:13.70~16.00m,平均15.01m。
6-1层粉质粘土[Q41(al+pl)]:褐黄色,硬塑-坚硬,含姜石,偶见砾石,夹粘土薄层,无摇震反应,稍有光泽,干强度中等,韧性中等。
高压旋喷桩施工要点及注意事项导言高压旋喷桩,是以高压旋转的喷嘴将水泥浆喷入土层与土体混合,形成连续搭接的水泥加固体。
施工占地少、振动小、噪声较低,但易污染环境,成本较高,对于特殊的不能使喷出浆液凝固的土质不宜采用。
一、施工要点1.在设计文件提供的各种技术资料的基础上作补充工程地质勘探,进一步了解各施工工点地基土的性质、埋藏条件。
2.准备充足的水泥加固料和水。
水泥的品种、规格、出厂时间经试验室检验符合国家规范及设计要求,并有质量合格证。
严禁使用过期、受潮、结板、变质的加固料,酸碱度适中,pH值在5~10之间。
3.根据补充勘探资料,在选择的试验工点加固范围内的各代表性地层用薄壁。
4.应根据地质情况和设计桩径选择适宜的施工方法,并配备相应的机具。
5.施工前应根据桩体设计强度和旋喷参数,从现场取各层土样在室内做不同含水量和配合比的强度试验,优选出最佳浆液配方;并在现场做试桩2~3根,查明桩径、强度、修正室内配方,确定旋喷工艺和参数。
6.桩体质量检验应在成桩28d后进行,检验方法可采用开挖、钻孔取芯、标准贯入、荷载试验等方法。
二、注意事项1.在高压旋喷施工过程中,钻孔可能因不同原因出现事故,从而导致变更移位。
移位力求最小,并放慢提速、增大喷射范围,保证质量。
2.喷射作业前要检查高压设备和管路系统,设备压力和排量须满足设计要求,不得有杂物且管道系统密封良好。
3.钻杆旋转和提升须连续不中断,拆卸接长钻杆或继续旋喷时要保持钻杆有10~20cm的搭接长度,避免出现断桩。
4.在钻进过程中,钻孔可能会发生土体塌落,以致钻杆难以自由下落,出现喷头被堵的情况。
可采用喷头带钻头的方法解决。
复合地基地基承载力计算书土层性质参考ZK111(孔口标高2.83m ),由上至下分别为:2-2砂质粉土的桩端阻力特征值取150kPa 。
采用Ø800二重管高压旋喷桩加固,桩长为6m ,桩距为1.1x1.1m 。
注意施工前须先将1层素填土夯实或压实,地基承载力达到2-1层粉质粘土的地基承载力。
1、单桩竖向承载力特征值:由桩周土和桩端土的抗力所提供的单桩承载力:1 3.140.8 2.721 3.3150 3.140.40.4425.8kNn a p si i p p i R u q l q A ==+=⨯⨯⨯+⨯+⨯⨯⨯=∑(26)——①由桩身材料强度确定的单桩承载力0.33800 3.140.40.4132.6kN a cu p R f A η==⨯⨯⨯⨯=——②取①、②两者中较小值,R a =132.6kN ;式中 cu f —与旋喷桩桩身水泥土配比相同的室内加固土试块(边长为70.7mm 的立方体)在标准养护条件下28d 龄期的立方体抗压强度平均值(kPa ); a R —单桩竖向承载力特征值(kN );p u —桩的周长(m ); p A —桩的截面积(m 2);η—桩身强度折减系数,可取0.33;n —桩长范围内所划分的土层数;si q —桩周第i 层土的侧阻力特征值(kPa );i l —桩周第i 层土的厚度(m );p q —桩端地基土未经修正的承载力特征值(kPa )。
2、复合地基承载力特征值spk 132.6f (1)0.41520.75(10.4152)110157.820.5024a sk p R m m f kPa A β=+-=⨯+⨯-⨯= 23.140.40.4m 0.41521.1⨯⨯== 式中 spk f —复合地基承载力特征值(kPa );m —面积置换率;a R —单桩竖向承载力特征值(kN );p A —桩的截面积(m 2);β—桩间土承载力折减系数,宜按地区经验取值,如无经验时可取0.75~0.95,天然地基承载力较高时取大值。
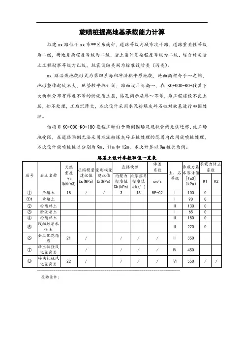
旋喷桩提高地基承载能力计算拟建xx路位于xx市**区东南部,道路等级为城市次干路,道路重要性等级为二级,场地复杂程度等级为二级,岩土条件复杂程度等级为二级,综合评定岩土工程勘察等级为乙级,抗震设防类别为标准设防类(丙类)。
xx路沿线地貌形式为第四系海积冲洪积平原地貌,地面高程介于 4.80~6.23m之间,地形整体起伏不大,地势较平坦开阔,路面设计标高 4.507~5.002m,在K0+000-K0+283.662段其下大面积分布有厚度不等的淤泥质土层,钻孔揭示层厚2.10m~7.30m不等,为工程建设不良土层,如不处理,工后沉降大,本次设计采用水泥粉煤灰碎石桩对软基进行加固处理。
该项目K0+000-K0+180段施工时由于两侧围墙及现状管线无法迁移,施工场地受限,在道路两侧无法采用水泥粉煤灰碎石桩处理的范围内改用旋喷桩处理,本次设计旋喷桩桩长分别为9m、11m和12m,本次计算以9m桩长为例:路基土设计参数取值一览表层号岩土名称天然重度γ0(kN/m3)压缩模量建议值Es(MPa)变形模量建议值E0(MPa)直接快剪渗透系数土、石等级承载力基本容许值[fa0](kPa)承载力修正系数内聚力标准值Ck(kPa)内摩擦角标准值фk(°)cm/s K1 K2①杂填土18 / / 3 15 5E-02 Ⅰ100 0 1.0①1 素填土18.6 4.19 21.9 21.8 1.50E-03 Ⅰ90 0 1.0②粉质粘土18.4 4.47 24.6 16.1 6.82E-06 Ⅱ130 0 1.5③淤泥质土16.9 2.31 11.3 9.7 9.50E-07 Ⅰ65 0 1.0④粉质粘土19.2 5.06 27.2 17.8 7.17E-06 Ⅱ180 0 2.5⑤残积砂质粘性土18.6 5.77 21.6 24.1 2.12E-04 Ⅱ220 0 2.5⑥全风化花岗岩21 / / / / Ⅲ350 1.0 2.5⑦砂土状强风化花岗岩21.5 / / / / Ⅳ450 1.0 2.5⑧碎块状强风化花岗岩22 / / / / Ⅵ550 / / ----------------------------------------------------------------------原始条件:计算目标: 计算沉降、承载力和稳定路堤设计高度: 1.120(m)路堤设计顶宽: 30.000(m)路堤边坡坡度: 1:0.000工后沉降基准期结束时间: 240(月) 荷载施加级数: 2序号起始时间 (月) 终止时间(月) 填土高度(m) 是否作稳定计算1 0.000 6.000 0.000 是2 6.000 12.000 1.120 是路堤土层数: 2 超载个数: 0层号层厚度(m) 重度(kN/m3) 内聚力(kPa) 内摩擦角(度)1 0.620 23.000 40.000 30.0002 0.500 18.000 30.000 30.000地基土层数: 3 地下水埋深: 1.000(m)钻孔数: 5钻孔位置(m): 0.000 20.000 40.000 60.000 80.000层号孔01层厚孔02层厚孔03层厚孔04层厚孔05层厚重度饱和重度地基承载力快剪C 快剪固结快剪竖向固结系水平固结系排水层(m) (m) (m) (m) (m) (kN/m3) (kN/m3) (kPa)(kPa) (度) (度) 数(cm2/s) 数(cm2/s)1 1.000 1.000 1.000 1.000 1.000 18.400 20.000 130.00024.600 16.100 16.100 0.00150 0.00150 否2 7.000 7.000 7.000 7.000 7.000 16.900 20.000 65.00011.300 9.700 11.000 0.00150 0.00150 否3 10.000 10.000 10.000 10.000 10.000 19.200 20.000 180.00027.200 17.800 15.000 0.00150 0.00150 否层号 e( 0) e( 50) e(100) e(200) e(300) e(400) e(500) e(600) e(800)1 0.754 0.698 0.664 0.626 0.595 0.560 0.500 0.450 0.2502 0.754 0.698 0.664 0.626 0.595 0.560 0.500 0.450 0.2503 0.754 0.698 0.664 0.626 0.595 0.560 0.500 0.450 0.250砂垫层砂垫层厚度: 0.500(m)砂垫层的重度: 21.000(kN/m3)砂垫层的C: 0.000(kPa)砂垫层的: 30.000(度)加固土桩加固土桩布置形式:等边三角形加固土桩间距: 1.500(m)加固土桩的长度 9.000(m)加固土桩桩土应力比: 3.500加固土桩直径: 0.600(m)加固土桩的抗剪强度: 15.000(kPa)加固土桩布置起始坐标: 0.000(m)加固土桩布置宽度: 30.000(m)承载力计算参数:承载力验算公式: p ≤γR[fa]验算点距离中线距离: 0.000(m)承载力抗力系数γR: 1.00复合地基计算公式: fspk = mRa/Ap + (1-m)fsk单桩承载力Ra: 160.00(kN)桩间土承载力折减系数: 1.00桩间土承载力提高系数: 1.00承载力修正公式: [fa] = [fa0] + 2(h-h0)基准深度h0: 0.000(m)固结度计算参数:地基土层底面: 不是排水层固结度计算采用方法: 微分方程数值解法多级加荷固结度修正时的荷载增量定义为“填土高*容重”填土-时间-固结度输出位置距离中线距离: 0.000(m)填土-时间-固结度输出位置深度: 0.000(m)沉降计算参数:地基总沉降计算方法: 经验系数法主固结沉降计算方法: e-p曲线法沉降计算不考虑超载沉降修正系数: 1.200沉降计算的分层厚度: 0.500(m)分层沉降输出点距中线距离: 0.000(m)压缩层厚度判断应力比 = 15.000%基底压力计算方法:按多层土实际容重计算加固区主固结沉降计算方法:公路软基规范法计算时不考虑弥补地基沉降引起的路堤增高量工后基准期起算时间: 最后一级加载(路面施工)结束时稳定计算参数:稳定计算方法: 有效固结应力法稳定计算不考虑超载稳定计算考虑地震力地震烈度: 7度地震作用综合系数: 0.250地震作用重要性系数: 1.000稳定计算目标: 自动搜索最危险滑裂面条分法的土条宽度: 1.000(m)搜索时的圆心步长: 1.000(m)搜索时的半径步长: 0.500(m)============================================================================ (一) 各级加荷的沉降计算第1级加荷,从0.0~6.0月加载开始时,路基计算高度 = 0.000(m),沉降 = 0.000(m)加载结束时,路基计算高度 = 0.000(m),沉降 = 0.000(m) 第2级加荷,从 6.0~12.0月加载开始时,路基计算高度 = 0.000(m),沉降 = 0.000(m)加载结束时,路基计算高度 = 1.120(m),沉降 = 0.033(m)============================================================================ (二) 路面竣工时及以后的沉降计算基准期开始时刻: 最后一级加载(路面施工)结束时刻不考虑沉降影响,路堤的实际计算高度为 = 1.120(m)路面竣工时,地基沉降 = 0.033(m)路面竣工后,基准期内的残余沉降 = 0.049(m)基准期结束时,地基沉降 = 0.083(m)最终地基总沉降 = 1.200*0.085 = 0.102(m)路面竣工时,路基横断面各点的沉降(中线为原点)坐标当时沉降两点间沉降与路堤中心(m) (m) 差(m) 沉降差(m)-21.000 0.000 0.000 0.033-19.500 0.000 0.000 0.033-18.000 0.000 0.000 0.033-16.500 0.000 0.000 0.033-15.000 0.014 0.014 0.019-13.500 0.026 0.012 0.007-12.000 0.029 0.003 0.004-10.500 0.030 0.001 0.003-9.000 0.032 0.001 0.002-7.500 0.032 0.000 0.001-6.000 0.033 0.001 0.001-4.500 0.033 0.001 0.000-3.000 0.033 0.000 0.000-1.500 0.033 0.000 0.0000.000 0.033 0.000 0.0001.500 0.033 -0.000 0.0003.000 0.033 -0.000 0.0004.500 0.033 -0.000 0.0006.000 0.033 -0.001 0.0017.500 0.032 -0.001 0.0019.000 0.032 -0.000 0.00210.500 0.030 -0.001 0.00312.000 0.029 -0.001 0.00413.500 0.026 -0.003 0.00715.000 0.014 -0.012 0.01916.500 0.000 -0.014 0.03318.000 0.000 0.000 0.03319.500 0.000 0.000 0.03321.000 0.000 0.000 0.033路堤竣工时,由于地基沉降引起路堤填筑面积增量:(1) 由各点计算沉降梯形积分方法得ΔV = 0.915(m2)(2) 按照《铁路路基手册》方法得Δs = 0.033(m) ΔV = 0.667(m2)按照《铁路路基手册》方法,路堤顶面单侧加宽量: ΔW = 0.000 ~ 0.000(m) 基准期结束时,路基横断面各点的沉降(中线为原点)坐标当时沉降两点间沉降与路堤中心(m) (m) 差(m) 沉降差(m)-21.000 0.000 0.000 0.083-19.500 0.000 0.000 0.083-18.000 0.000 0.000 0.083-16.500 0.000 0.000 0.083-15.000 0.032 0.032 0.050-13.500 0.056 0.024 0.026-12.000 0.067 0.010 0.016-10.500 0.071 0.005 0.011-9.000 0.076 0.005 0.006-7.500 0.077 0.001 0.005-6.000 0.080 0.002 0.003-4.500 0.082 0.002 0.001-3.000 0.082 0.000 0.000-1.500 0.083 0.000 0.0000.000 0.083 0.000 0.0001.500 0.083 -0.000 0.0003.000 0.082 -0.000 0.0004.500 0.082 -0.000 0.0016.000 0.080 -0.002 0.0037.500 0.077 -0.002 0.0059.000 0.076 -0.001 0.00610.500 0.071 -0.005 0.01112.000 0.067 -0.005 0.01613.500 0.056 -0.010 0.02615.000 0.032 -0.024 0.05016.500 0.000 -0.032 0.08318.000 0.000 0.000 0.08319.500 0.000 0.000 0.08321.000 0.000 0.000 0.083路基横断面各点的最终沉降(中线为原点)坐标当时沉降两点间沉降与路堤中心(m) (m) 差(m) 沉降差(m)-21.000 0.000 0.000 0.102-19.500 0.000 0.000 0.102-18.000 0.000 0.000 0.102-16.500 0.000 0.000 0.102-15.000 0.036 0.036 0.065-13.500 0.064 0.028 0.038-12.000 0.078 0.014 0.024-10.500 0.084 0.006 0.017-9.000 0.092 0.007 0.010-7.500 0.094 0.002 0.008-6.000 0.097 0.004 0.004-4.500 0.101 0.003 0.001-3.000 0.101 0.001 0.000-1.500 0.102 0.000 0.0000.000 0.102 0.000 0.0001.500 0.102 -0.000 0.0003.000 0.101 -0.000 0.0004.500 0.101 -0.001 0.0016.000 0.097 -0.003 0.0047.500 0.094 -0.004 0.0089.000 0.092 -0.002 0.01010.500 0.084 -0.007 0.01712.000 0.078 -0.006 0.02413.500 0.064 -0.014 0.03815.000 0.036 -0.028 0.06516.500 0.000 -0.036 0.10218.000 0.000 -0.000 0.10219.500 0.000 -0.000 0.10221.000 0.000 -0.000 0.102路面竣工时,距路基中线0.000(m)处各层的沉降层底深层厚自重应力(kPa ) 附加应力全应力(kPa) 固结度层最终层当前分层主固层累计主压缩模沉降经(m) (m) (孔隙比) (kPa) (孔隙比) 沉降mSc(m) 沉降(m) 结沉降(m) 固结沉降(m) 量(MPa) 验系数0.500 0.500 4.6( 0.749) 22.3 26.9( 0.724) 0.9054 0.0063 0.00580.0052 0.0052 1.56 1.400(1.100)1.000 0.500 13.8( 0.739) 22.3 36.1( 0.714) 0.7162 0.0063 0.00480.0053 0.0105 1.55 1.400(1.100)1.500 0.500 20.9( 0.731) 22.3 43.2( 0.706) 0.5270 0.0063 0.0038 0.0053 0.0158 1.55 1.400(1.100)2.000 0.500 25.9( 0.725) 22.2 48.1( 0.700) 0.3378 0.0064 0.0028 0.0053 0.0211 1.54 1.400(1.100)2.500 0.500 30.9( 0.719) 22.2 53.1( 0.696) 0.2559 0.0060 0.0023 0.0050 0.0261 1.63 1.400(1.100)3.000 0.500 35.9( 0.714) 22.2 58.1( 0.692) 0.1860 0.0055 0.0018 0.0046 0.0307 1.79 1.400(1.100)3.500 0.500 40.9( 0.708) 22.2 63.1( 0.689) 0.1160 0.0049 0.0013 0.0041 0.0348 1.98 1.400(1.100)4.000 0.500 45.9( 0.703) 22.1 68.0( 0.686) 0.0626 0.0044 0.0010 0.0036 0.0384 2.24 1.400(1.100)4.500 0.500 50.9( 0.697) 22.1 73.0( 0.682) 0.0475 0.0039 0.0008 0.0032 0.0416 2.50 1.400(1.100)5.000 0.500 55.9( 0.694) 22.0 77.9( 0.679) 0.0325 0.0039 0.0008 0.0032 0.0449 2.49 1.400(1.100)5.500 0.500 60.9( 0.691) 21.9 82.8( 0.676) 0.0175 0.0039 0.0007 0.0032 0.0481 2.49 1.400(1.100)6.000 0.500 65.9( 0.687) 21.8 87.7( 0.672) 0.0113 0.0039 0.0007 0.0032 0.0513 2.48 1.400(1.100)6.500 0.500 70.9( 0.684) 21.7 92.6( 0.669) 0.0090 0.0039 0.0007 0.0032 0.0545 2.48 1.400(1.100)7.000 0.500 75.9( 0.680) 21.6 97.5( 0.666) 0.0066 0.0038 0.0007 0.0032 0.0577 2.47 1.400(1.100)7.500 0.500 80.9( 0.677) 21.4 102.3( 0.663) 0.0045 0.0036 0.0006 0.0030 0.0608 2.59 1.394(1.094)8.000 0.500 85.9( 0.674) 21.3 107.2( 0.661) 0.0040 0.0032 0.0006 0.0027 0.0635 2.89 1.374(1.074)8.500 0.500 90.9( 0.670) 21.1 112.0( 0.659) 0.0036 0.0028 0.0005 0.0024 0.0658 3.28 1.348(1.048)9.000 0.500 95.9( 0.667) 20.9 116.8( 0.658) 0.0031 0.0033 0.0006 0.0028 0.0686 3.80 1.313(1.013)9.500 0.500 100.9( 0.664) 20.8 121.7( 0.656) 0.0028 0.0028 0.0005 0.0024 0.0710 4.38 1.262(0.962)10.000 0.500 105.9( 0.662) 20.6 126.5( 0.654) 0.0025 0.0028 0.0005 0.0024 0.0733 4.37 1.263(0.963)10.500 0.500 110.9( 0.660) 20.4 131.3( 0.652) 0.0022 0.0028 0.0005 0.0023 0.0757 4.37 1.263(0.963)11.000 0.500 115.9( 0.658) 20.2 136.1( 0.650) 0.0020 0.0028 0.0005 0.0023 0.0780 4.36 1.264(0.964)11.500 0.500 120.9( 0.656) 19.9 140.8( 0.648) 0.0017 0.0027 0.0005 0.0023 0.0802 4.36 1.264(0.964)12.000 0.500 125.9( 0.654) 19.7 145.6( 0.647) 0.0015 0.0027 0.0005 0.0023 0.0825 4.35 1.265(0.965)12.500 0.500 130.9( 0.652) 19.5 150.4( 0.645) 0.0012 0.0027 0.00050.0022 0.0848 4.35 1.265(0.965)最下面分层附加应力与自重应力之比 = 14.895% <= 15.000%压缩模量当量值 = 2.460Mpa, 按地基规范GB50007-2002表5.3.5 的沉降计算经验系数 = 1.400(1.100)============================================================================ (三) 填土--时间--沉降曲线输出位置,相对于路堤中线 0(m)(即X=15.000(m))时间(月) 设计填土高度实际填土高度当时沉降(m) (m) (m)0.00 0.000 0.000 0.0000.60 0.000 0.000 0.0001.20 0.000 0.000 0.0001.80 0.000 0.000 0.0002.40 0.000 0.000 0.0003.00 0.000 0.000 0.0003.60 0.000 0.000 0.0004.20 0.000 0.000 0.0004.80 0.000 0.000 0.0005.40 0.000 0.000 0.0006.00 0.000 0.000 0.0006.60 0.112 0.112 0.0007.20 0.224 0.224 0.0027.80 0.336 0.336 0.0048.40 0.448 0.448 0.0079.00 0.560 0.560 0.0119.60 0.672 0.672 0.01410.20 0.784 0.784 0.01810.80 0.896 0.896 0.02311.40 1.008 1.008 0.02812.00 1.120 1.120 0.03336.00 1.120 1.120 0.05260.00 1.120 1.120 0.06084.00 1.120 1.120 0.066108.00 1.120 1.120 0.070132.00 1.120 1.120 0.073156.00 1.120 1.120 0.076180.00 1.120 1.120 0.078204.00 1.120 1.120 0.080228.00 1.120 1.120 0.081252.00 1.120 1.120 0.083============================================================================ (四) 填土--时间--固结度曲线输出位置,相对于路堤中线 0.000(m)(即X=15.000(m))输出深度为 0.000(m)时间(月) 设计填土高度固结度(m)0.00 0.000 0.0000.60 0.000 0.0001.20 0.000 0.0001.80 0.000 0.0002.40 0.000 0.0003.00 0.000 0.0003.60 0.000 0.0004.20 0.000 0.0004.80 0.000 0.0005.40 0.000 0.0006.00 0.000 0.0006.60 0.112 0.1007.20 0.224 0.2007.80 0.336 0.3008.40 0.448 0.4009.00 0.560 0.5009.60 0.672 0.60010.20 0.784 0.70010.80 0.896 0.80011.40 1.008 0.90012.00 1.120 1.00036.00 1.120 1.00060.00 1.120 1.00084.00 1.120 1.000108.00 1.120 1.000132.00 1.120 1.000156.00 1.120 1.000180.00 1.120 1.000204.00 1.120 1.000228.00 1.120 1.000252.00 1.120 1.000============================================================================ (五) 稳定计算(1) 第1级加荷,从0.0~6.0月,路基设计高度0.000(m), 路基计算高度(不考虑沉降影响)0.000(m),加载结束时稳定结果最不利滑动面:滑动圆心 = (0.000000,0.000000)(m)滑动半径 = 0.000000(m)滑动安全系数 = 10001.000总的下滑力 = 0.000(kN)总的抗滑力 = 0.000(kN)土体部分下滑力 = 0.000(kN)土体部分抗滑力 = 0.000(kN)筋带的抗滑力 = 0.000(kN)地震作用下滑力 = 0.000(kN)(2) 第2级加荷,从6.0~12.0月,路基设计高度 1.120(m), 路基计算高度(不考虑沉降影响)1.120(m),加载结束时稳定结果η= 0.145 μc=2.568 μs=0.734 τc=15.000(kPa)抗滑力抗滑力抗滑力土条起始x 土条面土条自条上荷总重αi Sinαi Cosαi Woi CqiΦi Ui Φgi Wli 下滑力 WoiCosαi CiLi σliCos编号 (m) 积(m2) 重(kN) 重(kN) (kN) (度) (kN) (kPa) (度) (度) (kN) (kN) tgΦi αitgΦgi-------------------------------------------------------------------------------------------------------------1 -14.40 0.34 6.19 0.00 6.19 -56.07 -0.83 0.56 6.19 24.60 16.100.8085 16.10 0.0 -5.1 1.0 29.7 0.02 -13.73 1.58 24.06 0.00 24.06 -51.38 -0.78 0.62 24.06 11.30 9.700.3850 11.00 0.0 -18.8 2.6 17.8 0.03 -12.75 2.69 35.11 0.00 35.11 -46.33 -0.72 0.69 35.11 11.30 9.700.1858 11.00 0.0 -25.4 4.1 16.0 0.04 -11.77 3.62 44.43 0.00 44.43 -41.71 -0.67 0.75 44.43 11.30 9.700.0641 11.00 0.0 -29.6 5.7 14.8 0.05 -10.79 4.42 52.39 0.00 52.39 -37.40 -0.61 0.79 52.39 11.30 9.700.0397 11.00 0.0 -31.8 7.1 14.0 0.06 -9.80 5.10 59.23 0.00 59.23 -33.34 -0.55 0.84 59.23 11.30 9.700.0187 11.00 0.0 -32.5 8.5 13.3 0.07 -8.82 5.69 65.10 0.00 65.10 -29.45 -0.49 0.87 65.10 11.30 9.700.0110 11.00 0.0 -32.0 9.7 12.7 0.08 -7.84 6.19 70.13 0.00 70.13 -25.71 -0.43 0.90 70.13 11.30 9.700.0086 11.00 0.0 -30.4 10.8 12.3 0.09 -6.86 6.62 74.39 0.00 74.39 -22.08 -0.38 0.93 74.39 11.30 9.700.0066 11.00 0.0 -28.0 11.8 12.0 0.010 -5.88 6.97 77.96 0.00 77.96 -18.55 -0.32 0.95 77.96 11.30 9.700.0049 11.00 0.0 -24.8 12.6 11.7 0.011 -4.90 7.26 80.87 0.00 80.87 -15.09 -0.26 0.97 80.87 11.30 9.700.0043 11.00 0.0 -21.0 13.3 11.5 0.012 -3.92 7.49 83.16 0.00 83.16 -11.68 -0.20 0.98 83.16 11.30 9.700.0041 11.00 0.0 -16.8 13.9 11.3 0.013 -2.94 7.66 84.85 0.00 84.85 -8.31 -0.14 0.99 84.85 11.30 9.700.0040 11.00 0.0 -12.3 14.4 11.2 0.014 -1.96 7.77 85.97 0.00 85.97 -4.98 -0.09 1.00 85.97 11.30 9.700.0039 11.00 0.0 -7.5 14.6 11.1 0.015 -0.98 7.83 86.53 0.00 86.53 -1.66 -0.03 1.00 86.53 11.30 9.700.0038 11.00 0.0 -2.5 14.8 11.1 0.0土条起始x 土条面土条自条上荷总重αi Sinαi Cosαi li Ci Φi Φgi Ui Wli Woi 下滑力抗滑力编号 (m) 积(m2) 重(kN) 重(kN) (kN) (度) (m) (kPa)(kN) (kN) (kN) (kN)---------------------------------------------------------------------------------转为总应力法16 0.00 8.93 108.35 0.00 108.35 1.66 1.00 0.03 0.98 11.30 9.7011.00 0.00 21.83 86.53 3.13 27.44转为总应力法17 0.98 8.87 107.80 0.00 107.80 4.98 1.00 0.09 0.98 11.30 9.7011.00 0.00 21.83 85.97 9.35 27.34转为总应力法18 1.96 8.76 106.68 0.00 106.68 8.31 0.99 0.14 0.99 11.30 9.7011.00 0.00 21.83 84.85 15.42 27.16转为总应力法19 2.94 8.59 104.98 0.00 104.98 11.68 0.98 0.20 1.00 11.30 9.7011.00 0.00 21.83 83.16 21.25 26.88转为总应力法20 3.92 8.36 102.69 0.00 102.69 15.09 0.97 0.26 1.02 11.30 9.7011.00 0.00 21.83 80.87 26.73 26.51转为总应力法21 4.90 8.07 99.78 0.00 99.78 18.55 0.95 0.32 1.03 11.30 9.7011.00 0.00 21.83 77.96 31.74 26.07转为总应力法22 5.88 7.71 96.22 0.00 96.22 22.08 0.93 0.38 1.06 11.30 9.7011.00 0.01 21.83 74.39 36.18 25.56转为总应力法23 6.86 7.29 91.96 0.00 91.96 25.71 0.90 0.43 1.09 11.30 9.7011.00 0.01 21.83 70.13 39.89 24.99转为总应力法24 7.84 6.78 86.93 0.00 86.93 29.45 0.87 0.49 1.13 11.30 9.7011.00 0.01 21.83 65.10 42.74 24.39转为总应力法25 8.82 6.20 81.05 0.00 81.05 33.34 0.84 0.55 1.17 11.30 9.7011.00 0.02 21.83 59.22 44.54 23.79转为总应力法26 9.80 5.51 74.21 0.00 74.21 37.40 0.79 0.61 1.23 11.30 9.7011.00 0.04 21.83 52.39 45.08 23.23转为总应力法27 10.79 4.72 66.25 0.00 66.25 41.71 0.75 0.67 1.31 11.30 9.7011.00 0.06 21.83 44.43 44.08 22.78转为总应力法28 11.77 3.79 56.93 0.00 56.93 46.33 0.69 0.72 1.42 11.30 9.7011.00 0.19 21.83 35.11 41.18 22.56转为总应力法29 12.75 2.68 45.88 0.00 45.88 51.38 0.62 0.78 1.57 11.30 9.7011.00 0.39 21.83 24.06 35.85 22.7930 13.73 1.09 21.16 0.00 21.16 56.07 0.56 0.83 1.21 24.60 16.1016.10 0.8085 14.97 6.19 17.56 31.02土条起始x 土条面土条自条上荷总重αi Sinαi Cosαi Cqi Φi 下滑力抗滑力抗滑力编号 (m) 积(m2) 重(kN) 重(kN) (kN) (度) (kPa) (度) (kN) WiCosαitgΦ CiLi-----------------------------------------------------------------------------------------------------------31 14.40 0.26 5.09 0.00 5.09 59.09 0.86 0.51 0.00 30.004.37 1.51 0.0032 14.70 0.04 0.71 0.00 0.71 60.31 0.87 0.50 40.00 30.000.62 0.20 5.5333 14.77 0.07 1.22 0.00 1.22 61.50 0.88 0.48 30.00 30.001.07 0.34 17.07最不利滑动面:滑动圆心 = (0.000000,8.960000)(m)滑动半径 = 16.959438(m)滑动安全系数 = 3.736总的下滑力 = 204.073(kN)总的抗滑力 = 762.420(kN)土体部分下滑力 = 142.223(kN)土体部分抗滑力 = 762.420(kN)筋带的抗滑力 = 0.000(kN)地震作用下滑力 = 61.850(kN)============================================================================地基承载力计算1. 基础底面处地基承载力计算1) 基础底面处各点地基承载力计算计算点 m pk fsk fspk ftg(m) (kPa) (kPa) (kPa)0.00 0.1451 22.3 130.0 193.3 1.0002.00 0.1451 22.3 130.0 193.3 1.0004.00 0.1451 22.3 130.0 193.3 1.0006.00 0.1451 22.3 130.0 193.3 1.0008.00 0.1451 22.3 130.0 193.3 1.00010.00 0.1451 22.3 130.0 193.3 1.00012.00 0.1451 22.3 130.0 193.3 1.00014.00 0.1451 22.3 130.0 193.3 1.00016.00 0.1451 22.3 130.0 193.3 1.00018.00 0.1451 22.3 130.0 193.3 1.00020.00 0.1451 22.3 130.0 193.3 1.00022.00 0.1451 22.3 130.0 193.3 1.00024.00 0.1451 22.3 130.0 193.3 1.00026.00 0.1451 22.3 130.0 193.3 1.00028.00 0.1451 22.3 130.0 193.3 1.00030.00 0.1451 22.3 130.0 193.3 1.0002) 验算给定点基础底面处承载力计算点 m pk fsk fspk ftg(m) (kPa) (kPa) (kPa)0.00 0.1451 22.3 130.0 193.3 1.000计算点xi = 0.000m,p ≤γRfa;此点承载力满足! ***m -- 桩土面积置换率***pk -- 基础底部压应力(kPa)***fsk -- 地基土的地基承载力值(kPa)***fspk -- 复合地基的地基承载力值(kPa)***ftg -- 考虑固结引起的地基承载力值提高系数2. 地基处理深度范围内土层的承载力验算计算点深度 pz pcz pz + pcz faz ftg(m) (m) (kPa) (kPa) (kPa) (kPa)0.00 1.00 11.1 18.4 29.5 156.1 1.0000.00 8.00 11.0 158.4 169.4 394.4 1.0002.00 1.00 21.8 18.4 40.2 156.1 1.0002.00 8.00 14.4 158.4 172.8 394.4 1.0004.00 1.00 22.2 18.4 40.6 156.1 1.0004.00 8.00 17.1 158.4 175.5 394.4 1.0006.00 1.00 22.2 18.4 40.6 156.1 1.0006.00 8.00 18.9 158.4 177.3 394.4 1.0008.00 1.00 22.3 18.4 40.7 156.1 1.0008.00 8.00 20.0 158.4 178.4 394.4 1.00010.00 1.00 22.3 18.4 40.7 156.1 1.00010.00 8.00 20.7 158.4 179.1 394.4 1.00012.00 1.00 22.3 18.4 40.7 156.1 1.00012.00 8.00 21.0 158.4 179.4 394.4 1.00014.00 1.00 22.3 18.4 40.7 156.1 1.00014.00 8.00 21.2 158.4 179.6 394.4 1.00016.00 1.00 22.3 18.4 40.7 156.1 1.00016.00 8.00 21.2 158.4 179.6 394.4 1.00018.00 1.00 22.3 18.4 40.7 156.1 1.00018.00 8.00 21.0 158.4 179.4 394.4 1.00022.00 1.00 22.3 18.4 40.7 156.1 1.00022.00 8.00 20.0 158.4 178.4 394.4 1.00024.00 1.00 22.2 18.4 40.6 156.1 1.00024.00 8.00 18.9 158.4 177.3 394.4 1.00026.00 1.00 22.2 18.4 40.6 156.1 1.00026.00 8.00 17.1 158.4 175.5 394.4 1.00028.00 1.00 21.8 18.4 40.2 156.1 1.00028.00 8.00 14.4 158.4 172.8 394.4 1.00030.00 1.00 11.1 18.4 29.5 156.1 1.00030.00 8.00 11.0 158.4 169.4 394.4 1.000验算给定点的承载力计算点深度 pz pcz pz + pcz γRfaz 是否满足 (m) (m) (kPa) (kPa) (kPa) (kPa)0.00 1.00 11.1 18.4 29.5 156.1满足!0.00 8.00 11.0 158.4 169.4 394.4满足!3. 下卧土层承载力验算计算点深度 pz pcz pz + pcz faz ftg(m) (m) (kPa) (kPa) (kPa) (kPa)0.00 9.00 11.0 178.4 189.4 358.4 1.0000.00 18.00 10.4 358.4 368.8 538.4 1.0002.00 9.00 14.0 178.4 192.4 358.4 1.0002.00 18.00 11.9 358.4 370.3 538.4 1.0004.00 9.00 16.6 178.4 195.0 358.4 1.0004.00 18.00 13.2 358.4 371.6 538.4 1.0006.00 9.00 18.4 178.4 196.8 358.4 1.0006.00 18.00 14.4 358.4 372.8 538.4 1.0008.00 9.00 19.5 178.4 197.9 358.4 1.0008.00 18.00 15.3 358.4 373.7 538.4 1.00010.00 9.00 20.2 178.4 198.6 358.5 1.00010.00 18.00 16.1 358.4 374.5 538.4 1.00012.00 9.00 20.7 178.4 199.1 358.5 1.00012.00 18.00 16.5 358.4 374.9 538.4 1.00014.00 9.00 20.8 178.4 199.2 358.5 1.00014.00 18.00 16.8 358.4 375.2 538.4 1.00016.00 9.00 20.8 178.4 199.2 358.5 1.00016.00 18.00 16.8 358.4 375.2 538.4 1.00018.00 9.00 20.7 178.4 199.1 358.5 1.00018.00 18.00 16.5 358.4 374.9 538.4 1.00020.00 9.00 20.2 178.4 198.6 358.5 1.00020.00 18.00 16.1 358.4 374.5 538.4 1.00022.00 9.00 19.5 178.4 197.9 358.4 1.00024.00 18.00 14.4 358.4 372.8 538.4 1.00026.00 9.00 16.6 178.4 195.0 358.4 1.00026.00 18.00 13.2 358.4 371.6 538.4 1.00028.00 9.00 14.0 178.4 192.4 358.4 1.00028.00 18.00 11.9 358.4 370.3 538.4 1.00030.00 9.00 11.0 178.4 189.4 358.4 1.00030.00 18.00 10.4 358.4 368.8 538.4 1.000验算给定点下卧土层承载力计算点深度 pz pcz pz + pcz γRfaz 是否满足 (m) (m) (kPa) (kPa) (kPa) (kPa)0.00 9.00 11.0 178.4 189.4 358.4满足!0.00 18.00 10.4 358.4 368.8 538.4满足!pz -- 下卧层顶面处的附加应力值(kPa)pcz -- 下卧层顶面处土的自重压力值(kPa)faz -- 下卧层顶面处经深度修正后的地基承载力值(kPa)ftg -- 考虑固结引起的地基承载力值提高系数。
旋喷桩提高地基承载能力计算拟建xx路位于xx市**区东南部,道路等级为城市次干路,道路重要性等级为二级,场地复杂程度等级为二级,岩土条件复杂程度等级为二级,综合评定岩土工程勘察等级为乙级,抗震设防类别为标准设防类(丙类)。
xx路沿线地貌形式为第四系海积冲洪积平原地貌,地面高程介于4.80~6.23m之间,地形整体起伏不大,地势较平坦开阔,路面设计标高4.507~5.002m,在K0+000-K0+283.662段其下大面积分布有厚度不等的淤泥质土层,钻孔揭示层厚2.10m~7.30m不等,为工程建设不良土层,如不处理,工后沉降大,本次设计采用水泥粉煤灰碎石桩对软基进行加固处理。
该项目K0+000-K0+180段施工时由于两侧围墙及现状管线无法迁移,施工场地受限,在道路两侧无法采用水泥粉煤灰碎石桩处理的范围内改用旋喷桩处理,本次设计旋喷桩桩长分别为9m、11m和12m,本次计算以9m桩长为例:---------------------------------------------------------------------- 原始条件:计算目标: 计算沉降、承载力和稳定路堤设计高度: 1.120(m)路堤设计顶宽: 30.000(m)路堤边坡坡度: 1:0.000工后沉降基准期结束时间: 240(月) 荷载施加级数: 2序号起始时间 (月) 终止时间(月) 填土高度(m) 是否作稳定计算1 0.000 6.000 0.000 是2 6.000 12.000 1.120 是路堤土层数: 2 超载个数: 0层号层厚度(m) 重度(kN/m3) 内聚力(kPa) 内摩擦角(度)1 0.620 23.000 40.000 30.0002 0.500 18.000 30.000 30.000地基土层数: 3 地下水埋深: 1.000(m)钻孔数: 5钻孔位置(m): 0.000 20.000 40.000 60.000 80.000层号孔01层厚孔02层厚孔03层厚孔04层厚孔05层厚重度饱和重度地基承载力快剪C 快剪固结快剪竖向固结系水平固结系排水层(m) (m) (m) (m) (m) (kN/m3) (kN/m3) (kPa) (kPa) (度) (度) 数(cm2/s) 数(cm2/s)1 1.000 1.000 1.000 1.000 1.000 18.400 20.000 130.000 24.600 16.100 16.100 0.00150 0.00150 否2 7.000 7.000 7.000 7.000 7.000 16.900 20.000 65.000 11.300 9.700 11.000 0.00150 0.00150 否3 10.000 10.000 10.000 10.000 10.000 19.200 20.000 180.000 27.200 17.800 15.000 0.00150 0.00150 否层号 e( 0) e( 50) e(100) e(200) e(300) e(400) e(500) e(600) e(800)1 0.754 0.698 0.664 0.626 0.595 0.560 0.500 0.450 0.2502 0.754 0.698 0.664 0.626 0.595 0.560 0.500 0.450 0.2503 0.754 0.698 0.664 0.626 0.595 0.560 0.500 0.450 0.250砂垫层砂垫层厚度: 0.500(m)砂垫层的重度: 21.000(kN/m3)砂垫层的C: 0.000(kPa)砂垫层的: 30.000(度)加固土桩加固土桩布置形式:等边三角形加固土桩间距: 1.500(m)加固土桩的长度 9.000(m)加固土桩桩土应力比: 3.500加固土桩直径: 0.600(m)加固土桩的抗剪强度: 15.000(kPa)加固土桩布置起始坐标: 0.000(m)加固土桩布置宽度: 30.000(m)承载力计算参数:承载力验算公式: p ≤γR[fa]验算点距离中线距离: 0.000(m)承载力抗力系数γR: 1.00复合地基计算公式: fspk = mRa/Ap + (1-m)fsk单桩承载力Ra: 160.00(kN)桩间土承载力折减系数: 1.00桩间土承载力提高系数: 1.00承载力修正公式: [fa] = [fa0] + 2(h-h0)基准深度h0: 0.000(m)固结度计算参数:地基土层底面: 不是排水层固结度计算采用方法: 微分方程数值解法多级加荷固结度修正时的荷载增量定义为“填土高*容重”填土-时间-固结度输出位置距离中线距离: 0.000(m) 填土-时间-固结度输出位置深度: 0.000(m)沉降计算参数:地基总沉降计算方法: 经验系数法主固结沉降计算方法: e-p曲线法沉降计算不考虑超载沉降修正系数: 1.200沉降计算的分层厚度: 0.500(m)分层沉降输出点距中线距离: 0.000(m)压缩层厚度判断应力比 = 15.000%基底压力计算方法:按多层土实际容重计算加固区主固结沉降计算方法:公路软基规范法计算时不考虑弥补地基沉降引起的路堤增高量工后基准期起算时间: 最后一级加载(路面施工)结束时稳定计算参数:稳定计算方法: 有效固结应力法稳定计算不考虑超载稳定计算考虑地震力地震烈度: 7度地震作用综合系数: 0.250地震作用重要性系数: 1.000稳定计算目标: 自动搜索最危险滑裂面条分法的土条宽度: 1.000(m)搜索时的圆心步长: 1.000(m)搜索时的半径步长: 0.500(m)============================================================================ (一) 各级加荷的沉降计算第1级加荷,从0.0~6.0月加载开始时,路基计算高度 = 0.000(m),沉降 = 0.000(m)加载结束时,路基计算高度 = 0.000(m),沉降 = 0.000(m) 第2级加荷,从6.0~12.0月加载开始时,路基计算高度 = 0.000(m),沉降 = 0.000(m)加载结束时,路基计算高度 = 1.120(m),沉降 = 0.033(m)============================================================================ (二) 路面竣工时及以后的沉降计算基准期开始时刻: 最后一级加载(路面施工)结束时刻不考虑沉降影响,路堤的实际计算高度为 = 1.120(m)路面竣工时,地基沉降 = 0.033(m)路面竣工后,基准期内的残余沉降 = 0.049(m)基准期结束时,地基沉降 = 0.083(m)最终地基总沉降 = 1.200*0.085 = 0.102(m)路面竣工时,路基横断面各点的沉降(中线为原点)坐标当时沉降两点间沉降与路堤中心(m) (m) 差(m) 沉降差(m)-21.000 0.000 0.000 0.033-19.500 0.000 0.000 0.033-18.000 0.000 0.000 0.033-16.500 0.000 0.000 0.033-15.000 0.014 0.014 0.019-13.500 0.026 0.012 0.007-12.000 0.029 0.003 0.004-10.500 0.030 0.001 0.003-9.000 0.032 0.001 0.002-7.500 0.032 0.000 0.001-6.000 0.033 0.001 0.001-4.500 0.033 0.001 0.000-3.000 0.033 0.000 0.000-1.500 0.033 0.000 0.0000.000 0.033 0.000 0.0001.500 0.033 -0.000 0.0003.000 0.033 -0.000 0.0004.500 0.033 -0.000 0.0006.000 0.033 -0.001 0.0017.500 0.032 -0.001 0.0019.000 0.032 -0.000 0.00210.500 0.030 -0.001 0.00312.000 0.029 -0.001 0.00413.500 0.026 -0.003 0.00715.000 0.014 -0.012 0.01916.500 0.000 -0.014 0.03318.000 0.000 0.000 0.03319.500 0.000 0.000 0.03321.000 0.000 0.000 0.033路堤竣工时,由于地基沉降引起路堤填筑面积增量:(1) 由各点计算沉降梯形积分方法得ΔV = 0.915(m2)(2) 按照《铁路路基手册》方法得Δs = 0.033(m) ΔV = 0.667(m2)按照《铁路路基手册》方法,路堤顶面单侧加宽量: ΔW = 0.000 ~ 0.000(m) 基准期结束时,路基横断面各点的沉降(中线为原点)坐标当时沉降两点间沉降与路堤中心(m) (m) 差(m) 沉降差(m)-21.000 0.000 0.000 0.083-19.500 0.000 0.000 0.083-18.000 0.000 0.000 0.083-16.500 0.000 0.000 0.083-15.000 0.032 0.032 0.050-13.500 0.056 0.024 0.026-12.000 0.067 0.010 0.016-10.500 0.071 0.005 0.011-9.000 0.076 0.005 0.006-7.500 0.077 0.001 0.005-6.000 0.080 0.002 0.003-4.500 0.082 0.002 0.001-3.000 0.082 0.000 0.000-1.500 0.083 0.000 0.0000.000 0.083 0.000 0.0001.500 0.083 -0.000 0.0003.000 0.082 -0.000 0.0004.500 0.082 -0.000 0.0016.000 0.080 -0.002 0.0037.500 0.077 -0.002 0.0059.000 0.076 -0.001 0.00610.500 0.071 -0.005 0.01112.000 0.067 -0.005 0.01613.500 0.056 -0.010 0.02615.000 0.032 -0.024 0.05016.500 0.000 -0.032 0.08318.000 0.000 0.000 0.08319.500 0.000 0.000 0.08321.000 0.000 0.000 0.083路基横断面各点的最终沉降(中线为原点)坐标当时沉降两点间沉降与路堤中心(m) (m) 差(m) 沉降差(m)-21.000 0.000 0.000 0.102-19.500 0.000 0.000 0.102-18.000 0.000 0.000 0.102-16.500 0.000 0.000 0.102-15.000 0.036 0.036 0.065-13.500 0.064 0.028 0.038-12.000 0.078 0.014 0.024-10.500 0.084 0.006 0.017-9.000 0.092 0.007 0.010-7.500 0.094 0.002 0.008-6.000 0.097 0.004 0.004-4.500 0.101 0.003 0.001-3.000 0.101 0.001 0.000-1.500 0.102 0.000 0.0000.000 0.102 0.000 0.0001.500 0.102 -0.000 0.0003.000 0.101 -0.000 0.0004.500 0.101 -0.001 0.0016.000 0.097 -0.003 0.0047.500 0.094 -0.004 0.0089.000 0.092 -0.002 0.01010.500 0.084 -0.007 0.01712.000 0.078 -0.006 0.02413.500 0.064 -0.014 0.03815.000 0.036 -0.028 0.06516.500 0.000 -0.036 0.10218.000 0.000 -0.000 0.10219.500 0.000 -0.000 0.10221.000 0.000 -0.000 0.102路面竣工时,距路基中线0.000(m)处各层的沉降层底深层厚自重应力(kPa ) 附加应力全应力(kPa) 固结度层最终层当前分层主固层累计主压缩模沉降经(m) (m) (孔隙比) (kPa) (孔隙比) 沉降mSc(m) 沉降(m) 结沉降(m) 固结沉降(m) 量(MPa) 验系数0.500 0.500 4.6( 0.749) 22.3 26.9( 0.724) 0.9054 0.0063 0.00580.0052 0.0052 1.56 1.400(1.100)1.000 0.500 13.8( 0.739) 22.3 36.1( 0.714) 0.7162 0.0063 0.00480.0053 0.0105 1.55 1.400(1.100)1.500 0.500 20.9( 0.731) 22.3 43.2( 0.706) 0.5270 0.0063 0.0038 0.0053 0.0158 1.55 1.400(1.100)2.000 0.500 25.9( 0.725) 22.2 48.1( 0.700) 0.3378 0.0064 0.0028 0.0053 0.0211 1.54 1.400(1.100)2.500 0.500 30.9( 0.719) 22.2 53.1( 0.696) 0.2559 0.0060 0.0023 0.0050 0.0261 1.63 1.400(1.100)3.000 0.500 35.9( 0.714) 22.2 58.1( 0.692) 0.1860 0.0055 0.0018 0.0046 0.0307 1.79 1.400(1.100)3.500 0.500 40.9( 0.708) 22.2 63.1( 0.689) 0.1160 0.0049 0.0013 0.0041 0.0348 1.98 1.400(1.100)4.000 0.500 45.9( 0.703) 22.1 68.0( 0.686) 0.0626 0.0044 0.0010 0.0036 0.0384 2.24 1.400(1.100)4.500 0.500 50.9( 0.697) 22.1 73.0( 0.682) 0.0475 0.0039 0.0008 0.0032 0.0416 2.50 1.400(1.100)5.000 0.500 55.9( 0.694) 22.0 77.9( 0.679) 0.0325 0.0039 0.0008 0.0032 0.0449 2.49 1.400(1.100)5.500 0.500 60.9( 0.691) 21.9 82.8( 0.676) 0.0175 0.0039 0.0007 0.0032 0.0481 2.49 1.400(1.100)6.000 0.500 65.9( 0.687) 21.8 87.7( 0.672) 0.0113 0.0039 0.0007 0.0032 0.0513 2.48 1.400(1.100)6.500 0.500 70.9( 0.684) 21.7 92.6( 0.669) 0.0090 0.0039 0.0007 0.0032 0.0545 2.48 1.400(1.100)7.000 0.500 75.9( 0.680) 21.6 97.5( 0.666) 0.0066 0.0038 0.0007 0.0032 0.0577 2.47 1.400(1.100)7.500 0.500 80.9( 0.677) 21.4 102.3( 0.663) 0.0045 0.0036 0.0006 0.0030 0.0608 2.59 1.394(1.094)8.000 0.500 85.9( 0.674) 21.3 107.2( 0.661) 0.0040 0.0032 0.0006 0.0027 0.0635 2.89 1.374(1.074)8.500 0.500 90.9( 0.670) 21.1 112.0( 0.659) 0.0036 0.0028 0.0005 0.0024 0.0658 3.28 1.348(1.048)9.000 0.500 95.9( 0.667) 20.9 116.8( 0.658) 0.0031 0.0033 0.0006 0.0028 0.0686 3.80 1.313(1.013)9.500 0.500 100.9( 0.664) 20.8 121.7( 0.656) 0.0028 0.0028 0.0005 0.0024 0.0710 4.38 1.262(0.962)10.000 0.500 105.9( 0.662) 20.6 126.5( 0.654) 0.0025 0.0028 0.0005 0.0024 0.0733 4.37 1.263(0.963)10.500 0.500 110.9( 0.660) 20.4 131.3( 0.652) 0.0022 0.0028 0.0005 0.0023 0.0757 4.37 1.263(0.963)11.000 0.500 115.9( 0.658) 20.2 136.1( 0.650) 0.0020 0.0028 0.0005 0.0023 0.0780 4.36 1.264(0.964)11.500 0.500 120.9( 0.656) 19.9 140.8( 0.648) 0.0017 0.0027 0.0005 0.0023 0.0802 4.36 1.264(0.964)12.000 0.500 125.9( 0.654) 19.7 145.6( 0.647) 0.0015 0.0027 0.0005 0.0023 0.0825 4.35 1.265(0.965)12.500 0.500 130.9( 0.652) 19.5 150.4( 0.645) 0.0012 0.0027 0.0005 0.0022 0.0848 4.35 1.265(0.965)最下面分层附加应力与自重应力之比 = 14.895% <= 15.000%压缩模量当量值 = 2.460Mpa, 按地基规范GB50007-2002表5.3.5 的沉降计算经验系数 = 1.400(1.100)============================================================================(三) 填土--时间--沉降曲线输出位置,相对于路堤中线 0(m)(即X=15.000(m))时间(月) 设计填土高度实际填土高度当时沉降(m) (m) (m)0.00 0.000 0.000 0.0000.60 0.000 0.000 0.0001.20 0.000 0.000 0.0001.80 0.000 0.000 0.0002.40 0.000 0.000 0.0003.00 0.000 0.000 0.0003.60 0.000 0.000 0.0004.20 0.000 0.000 0.0004.80 0.000 0.000 0.0005.40 0.000 0.000 0.0006.00 0.000 0.000 0.0006.60 0.112 0.112 0.0007.20 0.224 0.224 0.0027.80 0.336 0.336 0.0048.40 0.448 0.448 0.0079.00 0.560 0.560 0.0119.60 0.672 0.672 0.01410.20 0.784 0.784 0.01810.80 0.896 0.896 0.02311.40 1.008 1.008 0.02812.00 1.120 1.120 0.03336.00 1.120 1.120 0.05260.00 1.120 1.120 0.06084.00 1.120 1.120 0.066108.00 1.120 1.120 0.070132.00 1.120 1.120 0.073156.00 1.120 1.120 0.076180.00 1.120 1.120 0.078204.00 1.120 1.120 0.080228.00 1.120 1.120 0.081252.00 1.120 1.120 0.083============================================================================(四) 填土--时间--固结度曲线输出位置,相对于路堤中线 0.000(m)(即X=15.000(m))输出深度为 0.000(m)时间(月) 设计填土高度固结度(m)0.00 0.000 0.0000.60 0.000 0.0001.20 0.000 0.0001.80 0.000 0.0002.40 0.000 0.0003.00 0.000 0.0003.60 0.000 0.0004.20 0.000 0.0004.80 0.000 0.0005.40 0.000 0.0006.00 0.000 0.0006.60 0.112 0.1007.20 0.224 0.2007.80 0.336 0.3008.40 0.448 0.4009.00 0.560 0.5009.60 0.672 0.60010.20 0.784 0.70010.80 0.896 0.80011.40 1.008 0.90012.00 1.120 1.00036.00 1.120 1.00060.00 1.120 1.00084.00 1.120 1.000108.00 1.120 1.000132.00 1.120 1.000156.00 1.120 1.000180.00 1.120 1.000204.00 1.120 1.000228.00 1.120 1.000252.00 1.120 1.000============================================================================ (五) 稳定计算(1) 第1级加荷,从0.0~6.0月,路基设计高度0.000(m), 路基计算高度(不考虑沉降影响)0.000(m),加载结束时稳定结果最不利滑动面:滑动圆心 = (0.000000,0.000000)(m)滑动半径 = 0.000000(m)滑动安全系数 = 10001.000总的下滑力 = 0.000(kN)总的抗滑力 = 0.000(kN)土体部分下滑力 = 0.000(kN)土体部分抗滑力 = 0.000(kN)筋带的抗滑力 = 0.000(kN)地震作用下滑力 = 0.000(kN)(2) 第2级加荷,从6.0~12.0月,路基设计高度1.120(m), 路基计算高度(不考虑沉降影响)1.120(m),加载结束时稳定结果η= 0.145 μc=2.568 μs=0.734 τc=15.000(kPa)抗滑力抗滑力抗滑力土条起始x 土条面土条自条上荷总重αi Sinαi Cosαi Woi CqiΦi Ui Φgi Wli 下滑力 WoiCosαi CiLi σliCos编号 (m) 积(m2) 重(kN) 重(kN) (kN) (度) (kN) (kPa) (度) (度) (kN) (kN) tgΦi αitgΦgi-------------------------------------------------------------------------------------------------------------1 -14.40 0.34 6.19 0.00 6.19 -56.07 -0.83 0.56 6.19 24.60 16.10 0.8085 16.10 0.0 -5.1 1.0 29.7 0.02 -13.73 1.58 24.06 0.00 24.06 -51.38 -0.78 0.62 24.06 11.30 9.70 0.3850 11.00 0.0 -18.8 2.6 17.8 0.03 -12.75 2.69 35.11 0.00 35.11 -46.33 -0.72 0.69 35.11 11.30 9.70 0.1858 11.00 0.0 -25.4 4.1 16.0 0.04 -11.77 3.62 44.43 0.00 44.43 -41.71 -0.67 0.75 44.43 11.30 9.70 0.0641 11.00 0.0 -29.6 5.7 14.8 0.05 -10.79 4.42 52.39 0.00 52.39 -37.40 -0.61 0.79 52.39 11.30 9.70 0.0397 11.00 0.0 -31.8 7.1 14.0 0.06 -9.80 5.10 59.23 0.00 59.23 -33.34 -0.55 0.84 59.23 11.30 9.70 0.0187 11.00 0.0 -32.5 8.5 13.3 0.07 -8.82 5.69 65.10 0.00 65.10 -29.45 -0.49 0.87 65.10 11.30 9.70 0.0110 11.00 0.0 -32.0 9.7 12.7 0.08 -7.84 6.19 70.13 0.00 70.13 -25.71 -0.43 0.90 70.13 11.30 9.70 0.0086 11.00 0.0 -30.4 10.8 12.3 0.09 -6.86 6.62 74.39 0.00 74.39 -22.08 -0.38 0.93 74.39 11.30 9.70 0.0066 11.00 0.0 -28.0 11.8 12.0 0.010 -5.88 6.97 77.96 0.00 77.96 -18.55 -0.32 0.95 77.96 11.30 9.70 0.0049 11.00 0.0 -24.8 12.6 11.7 0.011 -4.90 7.26 80.87 0.00 80.87 -15.09 -0.26 0.97 80.87 11.30 9.70 0.0043 11.00 0.0 -21.0 13.3 11.5 0.012 -3.92 7.49 83.16 0.00 83.16 -11.68 -0.20 0.98 83.16 11.30 9.70 0.0041 11.00 0.0 -16.8 13.9 11.3 0.013 -2.94 7.66 84.85 0.00 84.85 -8.31 -0.14 0.99 84.85 11.30 9.70 0.0040 11.00 0.0 -12.3 14.4 11.2 0.014 -1.96 7.77 85.97 0.00 85.97 -4.98 -0.09 1.00 85.97 11.30 9.70 0.0039 11.00 0.0 -7.5 14.6 11.1 0.015 -0.98 7.83 86.53 0.00 86.53 -1.66 -0.03 1.00 86.53 11.30 9.70 0.0038 11.00 0.0 -2.5 14.8 11.1 0.0土条起始x 土条面土条自条上荷总重αi Sinαi Cosαi li Ci ΦiΦgi Ui Wli Woi 下滑力抗滑力编号 (m) 积(m2) 重(kN) 重(kN) (kN) (度) (m) (kPa) (kN) (kN) (kN) (kN)---------------------------------------------------------------------------------转为总应力法16 0.00 8.93 108.35 0.00 108.35 1.66 1.00 0.03 0.98 11.30 9.7011.00 0.00 21.83 86.53 3.13 27.44转为总应力法17 0.98 8.87 107.80 0.00 107.80 4.98 1.00 0.09 0.98 11.30 9.7011.00 0.00 21.83 85.97 9.35 27.34转为总应力法18 1.96 8.76 106.68 0.00 106.68 8.31 0.99 0.14 0.99 11.30 9.7011.00 0.00 21.83 84.85 15.42 27.16转为总应力法19 2.94 8.59 104.98 0.00 104.98 11.68 0.98 0.20 1.00 11.30 9.7011.00 0.00 21.83 83.16 21.25 26.88转为总应力法20 3.92 8.36 102.69 0.00 102.69 15.09 0.97 0.26 1.02 11.30 9.7011.00 0.00 21.83 80.87 26.73 26.51转为总应力法21 4.90 8.07 99.78 0.00 99.78 18.55 0.95 0.32 1.03 11.30 9.7011.00 0.00 21.83 77.96 31.74 26.07转为总应力法22 5.88 7.71 96.22 0.00 96.22 22.08 0.93 0.38 1.06 11.30 9.7011.00 0.01 21.83 74.39 36.18 25.56转为总应力法23 6.86 7.29 91.96 0.00 91.96 25.71 0.90 0.43 1.09 11.30 9.7011.00 0.01 21.83 70.13 39.89 24.99转为总应力法24 7.84 6.78 86.93 0.00 86.93 29.45 0.87 0.49 1.13 11.30 9.7011.00 0.01 21.83 65.10 42.74 24.39转为总应力法25 8.82 6.20 81.05 0.00 81.05 33.34 0.84 0.55 1.17 11.30 9.7011.00 0.02 21.83 59.22 44.54 23.79转为总应力法26 9.80 5.51 74.21 0.00 74.21 37.40 0.79 0.61 1.23 11.30 9.7011.00 0.04 21.83 52.39 45.08 23.23转为总应力法27 10.79 4.72 66.25 0.00 66.25 41.71 0.75 0.67 1.31 11.30 9.7011.00 0.06 21.83 44.43 44.08 22.78转为总应力法28 11.77 3.79 56.93 0.00 56.93 46.33 0.69 0.72 1.42 11.30 9.7011.00 0.19 21.83 35.11 41.18 22.56转为总应力法29 12.75 2.68 45.88 0.00 45.88 51.38 0.62 0.78 1.57 11.30 9.70 11.00 0.39 21.83 24.06 35.85 22.7930 13.73 1.09 21.16 0.00 21.16 56.07 0.56 0.83 1.21 24.60 16.10 16.10 0.8085 14.97 6.19 17.56 31.02土条起始x 土条面土条自条上荷总重αi Sinαi Cosαi Cqi Φi 下滑力抗滑力抗滑力编号 (m) 积(m2) 重(kN) 重(kN) (kN) (度) (kPa) (度) (kN) WiCosαitgΦ CiLi-----------------------------------------------------------------------------------------------------------31 14.40 0.26 5.09 0.00 5.09 59.09 0.86 0.51 0.00 30.00 4.37 1.51 0.0032 14.70 0.04 0.71 0.00 0.71 60.31 0.87 0.50 40.00 30.00 0.62 0.20 5.5333 14.77 0.07 1.22 0.00 1.22 61.50 0.88 0.48 30.00 30.00 1.07 0.34 17.07最不利滑动面:滑动圆心 = (0.000000,8.960000)(m)滑动半径 = 16.959438(m)滑动安全系数 = 3.736总的下滑力 = 204.073(kN)总的抗滑力 = 762.420(kN)土体部分下滑力 = 142.223(kN)土体部分抗滑力 = 762.420(kN)筋带的抗滑力 = 0.000(kN)地震作用下滑力 = 61.850(kN)============================================================================地基承载力计算1. 基础底面处地基承载力计算1) 基础底面处各点地基承载力计算计算点 m pk fsk fspk ftg(m) (kPa) (kPa) (kPa)0.00 0.1451 22.3 130.0 193.3 1.0002.00 0.1451 22.3 130.0 193.3 1.0004.00 0.1451 22.3 130.0 193.3 1.0006.00 0.1451 22.3 130.0 193.3 1.0008.00 0.1451 22.3 130.0 193.3 1.00010.00 0.1451 22.3 130.0 193.3 1.00012.00 0.1451 22.3 130.0 193.3 1.00014.00 0.1451 22.3 130.0 193.3 1.00016.00 0.1451 22.3 130.0 193.3 1.00018.00 0.1451 22.3 130.0 193.3 1.00020.00 0.1451 22.3 130.0 193.3 1.00022.00 0.1451 22.3 130.0 193.3 1.00024.00 0.1451 22.3 130.0 193.3 1.00026.00 0.1451 22.3 130.0 193.3 1.00028.00 0.1451 22.3 130.0 193.3 1.00030.00 0.1451 22.3 130.0 193.3 1.0002) 验算给定点基础底面处承载力计算点 m pk fsk fspk ftg(m) (kPa) (kPa) (kPa)0.00 0.1451 22.3 130.0 193.3 1.000计算点xi = 0.000m,p ≤γRfa;此点承载力满足!***m -- 桩土面积置换率***pk -- 基础底部压应力(kPa)***fsk -- 地基土的地基承载力值(kPa)***fspk -- 复合地基的地基承载力值(kPa)***ftg -- 考虑固结引起的地基承载力值提高系数2. 地基处理深度范围内土层的承载力验算计算点深度 pz pcz pz + pcz faz ftg (m) (m) (kPa) (kPa) (kPa) (kPa)0.00 1.00 11.1 18.4 29.5 156.1 1.000 0.00 8.00 11.0 158.4 169.4 394.4 1.000 2.00 1.00 21.8 18.4 40.2 156.1 1.000 2.00 8.00 14.4 158.4 172.8 394.4 1.000 4.00 1.00 22.2 18.4 40.6 156.1 1.000 4.00 8.00 17.1 158.4 175.5 394.4 1.000 6.00 1.00 22.2 18.4 40.6 156.1 1.000 6.00 8.00 18.9 158.4 177.3 394.4 1.000 8.00 1.00 22.3 18.4 40.7 156.1 1.000 8.00 8.00 20.0 158.4 178.4 394.4 1.000 10.00 1.00 22.3 18.4 40.7 156.1 1.000 10.00 8.00 20.7 158.4 179.1 394.4 1.000 12.00 1.00 22.3 18.4 40.7 156.1 1.000 12.00 8.00 21.0 158.4 179.4 394.4 1.000 14.00 1.00 22.3 18.4 40.7 156.1 1.000 14.00 8.00 21.2 158.4 179.6 394.4 1.000 16.00 1.00 22.3 18.4 40.7 156.1 1.000 16.00 8.00 21.2 158.4 179.6 394.4 1.000 18.00 1.00 22.3 18.4 40.7 156.1 1.000 18.00 8.00 21.0 158.4 179.4 394.4 1.00022.00 1.00 22.3 18.4 40.7 156.1 1.00022.00 8.00 20.0 158.4 178.4 394.4 1.00024.00 1.00 22.2 18.4 40.6 156.1 1.00024.00 8.00 18.9 158.4 177.3 394.4 1.00026.00 1.00 22.2 18.4 40.6 156.1 1.00026.00 8.00 17.1 158.4 175.5 394.4 1.00028.00 1.00 21.8 18.4 40.2 156.1 1.00028.00 8.00 14.4 158.4 172.8 394.4 1.00030.00 1.00 11.1 18.4 29.5 156.1 1.00030.00 8.00 11.0 158.4 169.4 394.4 1.000验算给定点的承载力计算点深度 pz pcz pz + pcz γRfaz 是否满足 (m) (m) (kPa) (kPa) (kPa) (kPa)0.00 1.00 11.1 18.4 29.5 156.1满足!0.00 8.00 11.0 158.4 169.4 394.4满足!3. 下卧土层承载力验算计算点深度 pz pcz pz + pcz faz ftg(m) (m) (kPa) (kPa) (kPa) (kPa)0.00 9.00 11.0 178.4 189.4 358.4 1.0000.00 18.00 10.4 358.4 368.8 538.4 1.0002.00 9.00 14.0 178.4 192.4 358.4 1.0002.00 18.00 11.9 358.4 370.3 538.4 1.0004.00 9.00 16.6 178.4 195.0 358.4 1.0004.00 18.00 13.2 358.4 371.6 538.4 1.0006.00 9.00 18.4 178.4 196.8 358.4 1.0006.00 18.00 14.4 358.4 372.8 538.4 1.0008.00 9.00 19.5 178.4 197.9 358.4 1.0008.00 18.00 15.3 358.4 373.7 538.4 1.00010.00 9.00 20.2 178.4 198.6 358.5 1.00010.00 18.00 16.1 358.4 374.5 538.4 1.00012.00 9.00 20.7 178.4 199.1 358.5 1.00012.00 18.00 16.5 358.4 374.9 538.4 1.00014.00 9.00 20.8 178.4 199.2 358.5 1.00014.00 18.00 16.8 358.4 375.2 538.4 1.00016.00 9.00 20.8 178.4 199.2 358.5 1.00016.00 18.00 16.8 358.4 375.2 538.4 1.00018.00 9.00 20.7 178.4 199.1 358.5 1.00018.00 18.00 16.5 358.4 374.9 538.4 1.00020.00 9.00 20.2 178.4 198.6 358.5 1.00020.00 18.00 16.1 358.4 374.5 538.4 1.00022.00 9.00 19.5 178.4 197.9 358.4 1.00024.00 18.00 14.4 358.4 372.8 538.4 1.00026.00 9.00 16.6 178.4 195.0 358.4 1.00026.00 18.00 13.2 358.4 371.6 538.4 1.00028.00 9.00 14.0 178.4 192.4 358.4 1.00028.00 18.00 11.9 358.4 370.3 538.4 1.00030.00 9.00 11.0 178.4 189.4 358.4 1.00030.00 18.00 10.4 358.4 368.8 538.4 1.000验算给定点下卧土层承载力计算点深度 pz pcz pz + pcz γRfaz 是否满足 (m) (m) (kPa) (kPa) (kPa) (kPa)0.00 9.00 11.0 178.4 189.4 358.4满足!0.00 18.00 10.4 358.4 368.8 538.4满足!pz -- 下卧层顶面处的附加应力值(kPa)pcz -- 下卧层顶面处土的自重压力值(kPa)faz -- 下卧层顶面处经深度修正后的地基承载力值(kPa)ftg -- 考虑固结引起的地基承载力值提高系数。