Q5000超微量核酸蛋白测定仪
- 格式:pdf
- 大小:379.64 KB
- 文档页数:5
核酸蛋白测定仪规格参数1. 介绍核酸蛋白测定仪是一种用于测定样品中核酸和蛋白质浓度的仪器。
它可以通过分析样品中的核酸或蛋白质与特定试剂的反应,从而确定其浓度。
核酸蛋白测定仪广泛应用于生物研究、生物制药、临床诊断等领域。
在选择核酸蛋白测定仪时,了解仪器的规格参数是非常重要的。
本文将从波长范围、检测技术、测量精度、自动化程度以及使用方便性等方面介绍核酸蛋白测定仪的规格参数。
2. 规格参数2.1 波长范围核酸蛋白测定仪通常会配备有多个波长的滤光片或光栅,用于选择合适的波长进行测量。
不同的试剂和样品需要不同的波长来进行测定。
一般来说,核酸测定常使用260 nm波长,蛋白测定常使用280 nm波长。
因此,核酸蛋白测定仪的波长范围应包括260nm和280nm两个波长,以满足不同测定需求。
2.2 检测技术核酸蛋白测定仪的检测技术通常包括吸光度测定和荧光测定两种。
吸光度测定是通过测量样品溶液对特定波长光的吸收来测定核酸和蛋白质的浓度。
荧光测定则是通过测量样品溶液中某种荧光标记物的荧光强度来确定浓度。
吸光度测定较为常见且简单,但在样品含有多种组分时可能出现干扰。
荧光测定则对样品的选择性较好,适用于复杂样品的测定。
因此,一个全面的核酸蛋白测定仪应同时具备吸光度测定和荧光测定的功能。
2.3 测量精度核酸蛋白测定仪的测量精度是评估仪器性能优劣的指标之一。
测量精度可以通过仪器的线性范围和检测限来表示。
线性范围指的是仪器可以准确测量的核酸或蛋白质浓度范围。
一般来说,线性范围越宽,仪器的测量范围越广。
检测限是仪器可以检测到的最低浓度。
通常以信噪比为标准,即测量信号与背景噪声之比。
检测限越低,说明仪器对低浓度样品的检测能力越强。
合格的核酸蛋白测定仪应具备较宽的线性范围和较低的检测限,以保证测量结果的准确性和可靠性。
2.4 自动化程度自动化程度是衡量仪器操作便捷程度的指标之一。
一个高度自动化的核酸蛋白测定仪可以提高实验效率,减少操作失误。
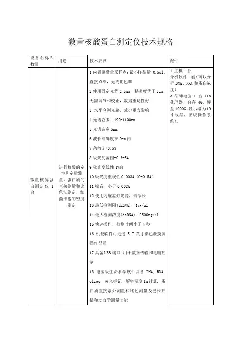
超微量核酸蛋白测定仪技术参数1.用途:用于核酸,蛋白浓度定量分析2、技术参数2.1样品检测体积范围:至少为 0.5~2uL;2.2 波长范围:至少为190nm~840nm;2.3 波长准确度:≤1nm;2.4 吸光率精度:≤0.002A(1mm光程);2.5 吸光率准确性:≤2%(0.76A,257nm条件下);2.6 吸光率范围:至少为0.02~3002.7检测时间:≤5秒2.8 检测范围:至少为2ng/μL~15000ng/μL(双链DNA);0.1 mg/ml~100mg/ml(BSA);2.9 光程:至少包括 0.05,0.1,0.2,1mm, 且可自动校正2.10 样品台清洁方式:擦镜纸擦拭2.11 线型硅CCD阵列检测器:至少为2048像素2.12 软件:永久免费升级2.12.1自动分析功能:具备2.12.2结果存储、输出功能:具备2.12.3自动计算、显示260/280,260/230比值的功能:具备2.13 比色杯检测指标:2.13.1 加热控温精度: ≤±0.5℃ (37℃)2.13.2 搅拌速度范围:至少为150—850 rpm2.13.3 光路径:至少包括10, 5, 2, 1 mm;2.13.4 检测下限:≤0.4 ng/μl (dsDNA);2.13.5检测上限:≥750 ng/µl (dsDNA);2.13.6检测时间:< 3 s2.14配套专用电脑:配套专用电脑1台3售后及技术服务3.1安装、调试及培训3.1.1在货物到达使用现场后,卖方按买方通知时间派技术人员到买方的项目现场,在买方技术人员在场的情况下开箱清点货物,组织安装、调试,直至设备正常运行,并承担因此发生的一切费用。
3.1.2卖方负责对买方技术人员、操作人员进行现场免费培训,培训内容包括设备操作、设备维护及简单的设备维修等,直至技术人员、操作人员能够熟练掌握为止。
设备软件更新需按照厂家日程安排与客户及时沟通,完成培训。
超微量核酸定量仪的原理超微量核酸定量仪是一种用于测量核酸样本浓度和纯度的仪器。
它采用紫外分光光度法,通过检测溶液中的核酸分子吸收紫外光的能力来确定其浓度。
本文将介绍超微量核酸定量仪的原理和工作方式。
超微量核酸定量仪的原理基于比尔-朗伯定律,该定律描述了溶液中溶质浓度与其吸光度之间的关系。
根据比尔-朗伯定律,溶液中溶质的吸光度与其摩尔吸光系数、光程和溶质浓度成正比。
超微量核酸定量仪利用这一原理,通过测量核酸样本对紫外光的吸收来确定其浓度。
超微量核酸定量仪通常采用双光束设计,其中一个光束照射样品,另一个光束则作为参比光束。
两个光束透过样品后进入光电二极管,光电二极管将光信号转换为电信号。
然后,电信号经过放大和滤波处理后,传送到计算机上进行数据处理和分析。
在测量过程中,样品溶液首先通过一个微量吸光池,吸光池中有一个窄通道,用来容纳样品。
样品溶液的体积通常在1-2微升之间。
光束经过样品后,被样品中的核酸分子吸收一部分能量,其余的光能则透过样品继续传播。
参比光束也经过相同的通道,但没有样品,因此其吸光度为零。
超微量核酸定量仪测量的核酸样品通常是DNA或RNA。
这些核酸分子在紫外光波长范围内(通常是260nm)具有最大吸收峰。
因此,超微量核酸定量仪一般选择在260nm处进行测量。
测量结果显示在计算机屏幕上,通常以吸光度值的形式表示。
为了准确测量核酸浓度,超微量核酸定量仪通常需要校正因子。
校正因子是根据已知浓度的核酸标准溶液测量得到的。
通过测量一系列已知浓度的标准溶液,可以绘制出标准曲线,从而根据待测样品的吸光度值确定其浓度。
除了测量核酸浓度,超微量核酸定量仪还可以评估核酸样品的纯度。
核酸样品的纯度可以通过测量在280nm处的吸光度与在260nm处的吸光度之比来评估。
纯度比值(A260/A280)通常在1.8-2.0之间,表示核酸样品中没有受到污染。
超微量核酸定量仪利用紫外分光光度法测量核酸样品的浓度和纯度。
微量核酸蛋白浓度测定仪使用方法下载提示:该文档是本店铺精心编制而成的,希望大家下载后,能够帮助大家解决实际问题。
文档下载后可定制修改,请根据实际需要进行调整和使用,谢谢!本店铺为大家提供各种类型的实用资料,如教育随笔、日记赏析、句子摘抄、古诗大全、经典美文、话题作文、工作总结、词语解析、文案摘录、其他资料等等,想了解不同资料格式和写法,敬请关注!Download tips: This document is carefully compiled by this editor. I hope that after you download it, it can help you solve practical problems. The document can be customized and modified after downloading, please adjust and use it according to actual needs, thank you! In addition, this shop provides you with various types of practical materials, such as educational essays, diary appreciation, sentence excerpts, ancient poems, classic articles, topic composition, work summary, word parsing, copy excerpts, other materials and so on, want to know different data formats and writing methods, please pay attention!一、准备工作1. 确保测定仪处于稳定的工作状态,接通电源并等待预热。
五种核酸提取仪的比较 Document number:NOCG-YUNOO-BUYTT-UU986-1986UT
五种核酸自动提取仪的比较
百泰克仪器如何避免样品交叉污染
1、百泰克仪器的设计使每个样本在提取过程中有独立的空间,整个过程中,带有DNA的磁棒只
在规定的6个孔移动,不经过其他样本的上空,所以不会产生滴液污染。
百泰克仪器相对于其他仪器的优势
1、百泰克仪器相对于其他仪器有明显的优势,从上述对比表格中很清楚的得出结论,最明显的优势是我们的仪器不管对于任何样本都可以提取,不会受样本类型的影响,不会产生吸附柱堵住,移液器枪头堵住导致裂解不好等影响,纯度和得率高于对方一筹。
Quawell Q5000中文操作手册2010 V1.01.安装2.软件操作2.1 主菜单2.2 核酸浓度测量2.3 微阵列测量2.4 蛋白质(A280)测量2.5 标记蛋白测量2.6 紫外-可见全波长检测2.7 细胞密度测量3.注意事项4.维护1.安装1.1装箱单主机1台USB连接线1条电源线1条变压器1个1.2 计算机要求CPU:600MHz以上内存:128M以上硬盘:1Gb以上可用空间接口:USB2.0操作系统:Window Xp或Vista1.3 软件安装a. 将配套的CD光盘放进计算机内,软件自动运行(或者双击光盘根目录下的“setup.exe”,根据弹出窗口的指示逐步完成安装。
b. 用配套的USB线,连接Q5000主机的背部及计算机的USB接口。
计算机检测到新硬件,并自动安装驱动程序。
如果驱动程序没有自动安装,请手动选择光盘根目录下的“SMA4000.cab”。
2.软件操作2.1 主菜单双击桌面上的Q5000图标,出现软件主菜单,如下:2.2 核酸浓度测量2.2.1 单击“Nucleic Acid”,进入核酸测量模块,如下:当前结果区曲线图功能键结果数据表当前结果区:显示当前样品的各项测量结果;曲线图:显示出连续波长内的光吸收值图谱;功能键:包括”Blank”(空白),”Clear data”(清空数据表),”Save graph”(保存曲线图),”Report”(输出报告),”Measure”(测量)等功能;结果数据表:显示出本次测试所有样品的测量结果;2.2.2 核酸测量模块参数340nm baseline:勾选此项,代表测量结果都用340nm的吸光值做校正Sample ID-#: 样品名称及序号,默认名称为“My Sample”,默认序号由“1”开始Sample Type-EC:样品类型及系数。
可以选择“dsDNA”(双链DNA),“ssDNA”(单链DNA)及“RNA”3种样品类型,对应的浓度系数分别为:50,40和33SW:用户选择的波长260nm Abs(10mm):样品有260nm的吸光值(换算成10mm光径)280nm Abs(10mm):样品有280nm的吸光值(换算成10mm光径)260/280:260nm与280nm吸光值的比值260/230:260nm与280nm吸光值的比值2.2.3 测量a. 拉开测试臂,用移液器取2-5ul空白样品(如水,TE),滴加到下检测表面上,合上测试臂;b. 按“blank“键进行空白校正;c. 用擦镜纸擦干上下平台上的空白样品,重新加2-5ul空白样品到下检测表面上,合上测试臂;d. 按“measure“键进行测量;e. 若测量结果中“260nm Abs(10mm)”显示值小于0.04,说明空白校正通过,可以继续进行样品测试。
超微量分光光度计集团企业公司编码:(LL3698-KKI1269-TM2483-LUI12689-ITT289-(伯赫)的Colib ri (科乐比)微量光度计(德国)单机操作:基于软件用户互动方式:触摸屏和按键预设程序:DNA,RNA,蛋白,细胞裂解物,UV-VIS数据输出形式:有数据有图表,宽度为112mm的打印输出显示屏:3.7”彩色触摸屏接口:3个USB端口额外的数据输入:鼠标或者键盘数据输出:USB存储盘,CSV格式的数据或者表格:光学参数:光路径:0.2mm和1mm两种可选:波长范围:20-850nm光源:氙闪灯光源检测器:2048像素阵列波长精确度:<1nm波长分辨率:3nm检测范围:0.02-75OD(等同于10mm光程时)检测准确度:(1.0OD/430nm)可以被测量。
样品添加的位点采用疏水环的设计,因此测量后,样品能被轻松擦掉或者回收。
高动态范围0.2和1mm两个光路径可选。
马达高精度的将样品室定位到设定的间隔距离。
对于某些程序,可设置为自动选择合适的光路径。
精确、可重复的测量和传统的设备相比,该设备的样品位为惰性材料制作,从而可以避免因液体蒸发而导致浓度上升或其他错误的结果。
不同于传统设备,它不需要对样品位表面做频繁的处理。
直观的触摸屏操作直观的彩色触摸屏界面,根据用户的喜好,程序可由按键输入,或者也可以连接计算机鼠标或者外置的键盘。
方便快捷的设置流程准备好样品后,打Colibri,不需要额外的PC,样品杯,也不需要连接任何其他设备。
全面的在线软件包每个项目的测读数据能够被保存,且随时可以被调用,设备配有2GB的可储存空蛋白质测量范围:0.1~100mg/ml(200,400可选,BSA)样品测量时间:?小于5秒仪器外形尺寸:?21cm×17cm×11cm仪器重量:???1.35kg凯奥的K5600超微量分光光度计光程:????1mm、0.2mm(0.1、0.05可选)样品体积要求:0.3~2μL光源:????氙灯检测器:???2048-元素线性硅化CCD阵列波长范围:??200~850nm比色皿规格(光程):1mm,2mm,5mm,10mm波长精度:???±1nm波长分辨率:??2nm(FWHMatHg546nm)吸光率精确度:?0.002Abs吸光率准确度:?1%(0.76吸光率在350nm)吸光率范围:??0.002~75(150,300可选,等效于10mm)核酸测量范围:?0.4~3750ng/μl(7500,15000可选,dsDNA)蛋白质测量范围:0.01~100mg/ml(200,400可选,BSA)样品测量时间:???小于5秒仪器外形尺寸:???24cm×21cm×11cm仪器重量:???????1.92kg样品用量少(0.3~2μL)!使用比色皿或检测平台两种测量形式!紫外-可见全波长扫描(200~850nm)!无需预热,可随时检测!检测速度快!直接显示浓度值!样品无需稀释,可测样品的浓度范围是常规紫外-可见分光光计的200倍!数据统计软件方便容易掌握!德国IMPLE N超微量分光光度计1、NP80、NP80?Touch、NP80Mobile----同时具备微量和常规分光光度计功能。
Quawell Q5000中文操作手册2010 V1.01.安装2.软件操作2.1 主菜单2.2 核酸浓度测量2.3 微阵列测量2.4 蛋白质(A280)测量2.5 标记蛋白测量2.6 紫外-可见全波长检测2.7 细胞密度测量3.注意事项4.维护1.安装1.1装箱单主机1台USB连接线1条电源线1条变压器1个1.2 计算机要求CPU:600MHz以上内存:128M以上硬盘:1Gb以上可用空间接口:USB2.0操作系统:Window Xp或Vista1.3 软件安装a. 将配套的CD光盘放进计算机内,软件自动运行(或者双击光盘根目录下的“setup.exe”,根据弹出窗口的指示逐步完成安装。
b. 用配套的USB线,连接Q5000主机的背部及计算机的USB接口。
计算机检测到新硬件,并自动安装驱动程序。
如果驱动程序没有自动安装,请手动选择光盘根目录下的“SMA4000.cab”。
2.软件操作2.1 主菜单双击桌面上的Q5000图标,出现软件主菜单,如下:2.2 核酸浓度测量2.2.1 单击“Nucleic Acid”,进入核酸测量模块,如下:当前结果区曲线图功能键结果数据表当前结果区:显示当前样品的各项测量结果;曲线图:显示出连续波长内的光吸收值图谱;功能键:包括”Blank”(空白),”Clear data”(清空数据表),”Save graph”(保存曲线图),”Report”(输出报告),”Measure”(测量)等功能;结果数据表:显示出本次测试所有样品的测量结果;2.2.2 核酸测量模块参数340nm baseline:勾选此项,代表测量结果都用340nm的吸光值做校正Sample ID-#: 样品名称及序号,默认名称为“My Sample”,默认序号由“1”开始Sample Type-EC:样品类型及系数。
可以选择“dsDNA”(双链DNA),“ssDNA”(单链DNA)及“RNA”3种样品类型,对应的浓度系数分别为:50,40和33SW:用户选择的波长260nm Abs(10mm):样品有260nm的吸光值(换算成10mm光径)280nm Abs(10mm):样品有280nm的吸光值(换算成10mm光径)260/280:260nm与280nm吸光值的比值260/230:260nm与280nm吸光值的比值2.2.3 测量a. 拉开测试臂,用移液器取2-5ul空白样品(如水,TE),滴加到下检测表面上,合上测试臂;b. 按“blank“键进行空白校正;c. 用擦镜纸擦干上下平台上的空白样品,重新加2-5ul空白样品到下检测表面上,合上测试臂;d. 按“measure“键进行测量;e. 若测量结果中“260nm Abs(10mm)”显示值小于0.04,说明空白校正通过,可以继续进行样品测试。
超微量核酸分析仪安全操作及保养规程前言超微量核酸分析仪是分子生物学实验室中重要的实验仪器之一。
在使用过程中,应按照规范的操作流程来进行工作,保证实验结果的准确性。
同时,在保证实验安全的前提下,应加强设备的保养和维护,延长设备的使用寿命。
本文将重点介绍超微量核酸分析仪的安全操作及保养规程。
1. 安全操作规程1.1 环境要求超微量核酸分析仪应放置在干燥、通风好的实验室内,避免暴露在阳光下和潮湿的环境中。
同时,应保持仪器周围的清洁和整洁,以防出现不必要的故障和危险。
1.2 电源输入超微量核酸分析仪的电源输入应符合设备的电源要求。
在接通电源之前,应检查电源线路和插头是否正常。
未经核实的电力线路和设备电源可能会对人员和设备造成严重危害。
1.3 操作要求在使用超微量核酸分析仪之前,应注意以下几点:•应仔细阅读设备的操作手册,并按照操作要求进行操作。
•严格遵守实验室的安全规范,穿戴好个人防护设备。
如戴手套、口罩、护目镜等。
•遵循标准的样品制备和处理方法,确保样品的质量和纯度。
•确保工作区域的干净和整洁,减少实验误差和危险。
1.4 故障处理若在使用超微量核酸分析仪过程中遇到故障,应妥善处理,确保设备安全。
•当发现设备出现明显故障时,应首先停止操作,并立即切断电源。
•在科学实验室负责人的指导下,进行基础维修,必要时请专业技术人员处理。
•如果发现故障无法解决,则应及时联系设备供应商和生产厂家,获得专业技术支持。
2. 保养规程2.1 日常保养超微量核酸分析仪的日常保养是设备安全和寿命延长的关键。
保养人员应定期清洗和维护仪器,如:•定期进行卫生清洗、消毒和防潮处理,避免外来介质污染设备和对设备造成不良影响。
•定期检查和更换设备的滤波器、透镜、灯管等易损件,确保精度和稳定性。
•定期对设备进行全面检查和维护,包括控制系统、电源系统、通讯系统及其他硬件设施等。
2.2 长期保养超微量核酸分析仪一旦购买,生产商和销售商便会提供设备的长期保养服务,提供翻新、升级和保修服务。
超微量紫外可见光分光光度计(微量核酸蛋白分析系统)1.品名、数量及用途1.1品名:超微量紫外可见光分光光度计1.2数量:1台1.3用途:1.3.1常规核酸检测、蛋白浓度检测、检测芯片实验中探针的标记效率、悬浮细胞检测以及全光谱扫描2.工作条件2.1温度要求:15~45℃2.2工作环境湿度:30~80%2.3电源:90~350V AC,47~63Hz。
3. 主要技术指标*3.1波长范围: 190-840nm;3.2波长精度: 1nm;3.3分辨率: <1.8 nm (FWHM at Hg 253.7 nm);3.4光程: 1mm光程长度(可自动切换到0.05mm);3.5检测下限:≤2ng/μl(dsDNA);*3.6检测上限:≥15000ng/μl(dsDNA);3.7吸光率精确度:0.002 absorbance (1mm光程);3.8吸光率准确性:2%(at 0.76 at 257 nm);3.9吸光率范围:0.02-300 (相当于10mm光程);3.10核酸检测周期:< 5s;*3.11检测样本体积:≤0.5μl;4. 基本配置4.1主机 1 台4.2标配电脑 1台5. 技术服务5.1安装、调试及培训5.1.1到货后15日内现场免费安装调试,验收合格。
5.1.2提供现场的使用指导,提供现场设备仪器使用、维护方面的技术培训5.2验收及验收标准5.2.1验收标准:生产厂家的产品说明书、合格证书及技术资料等;国家及行业规范;采购文件的约定,满足所有购置的清单要求。
5.2.2验收程序:货物验收分供应商出厂检验、货到初步验收及最终验收三个阶段。
5.2.3出厂检验:供货方在货物出厂前,应按产品技术标准规定的检验项目和试验方法进行全面检验,供货方应随同货物提供出厂检验报告、产品质量合格证。
5.2.4 货到初步验收:货物到达后,由需求方会同有关部门进行基本质量、数量及规格型号的验收(但不作为最终合格的保证),进口件应提供海关单及制造厂的证明文件。
核酸蛋白检测仪使用方法一、仪器介绍1.1 仪器概述1.2 主要特点1.3 技术原理二、操作步骤2.1 准备工作2.1.1 样品准备2.1.2 试剂准备2.1.3 仪器准备2.2 样品处理2.2.1 样品加样2.2.2 样品处理步骤2.3 仪器操作2.3.1 仪器开机2.3.2 仪器设置2.3.3 仪器运行2.4 数据分析2.4.1 数据导出2.4.2 数据解读三、注意事项3.1 仪器使用环境要求3.2 仪器维护与保养3.2.1 日常清洁3.2.2 仪器校准3.3 安全注意事项一、仪器介绍1.1 仪器概述核酸蛋白检测仪是一种高级生化分析仪器,主要用于核酸和蛋白质的检测和分析。
它采用先进的光学技术和数据处理算法,能够准确、快速地检测样品中的核酸和蛋白质含量,具有高灵敏度、高精度和高通量的特点。
1.2 主要特点核酸蛋白检测仪具有以下主要特点: - 高灵敏度:能够检测到非常低浓度的核酸和蛋白质,满足各种实验需求。
- 高精度:采用先进的校准算法,确保测量结果准确可靠。
- 高通量:支持同时处理多个样品,提高实验效率。
- 自动化操作:仪器配备了智能化的操作界面和样品处理系统,简化了操作流程,降低了人为误差。
- 数据分析功能:配备了强大的数据分析软件,能够对测量结果进行快速的分析和解读。
1.3 技术原理核酸蛋白检测仪基于特定的光学原理和分子识别技术。
通过测量样品在特定波长下的吸光度或荧光信号,可以得到样品中核酸和蛋白质的含量。
仪器采用了高灵敏度的光电传感器和精确的光路调节系统,能够保证测量结果的准确性和稳定性。
二、操作步骤2.1 准备工作在操作核酸蛋白检测仪之前,需要进行以下准备工作:2.1.1 样品准备根据实验需求准备好待测样品,样品应符合实验要求,并按照要求进行预处理。
2.1.2 试剂准备根据实验方案准备好所需的试剂,按照说明书中的要求进行试剂的配制和稀释。
2.1.3 仪器准备•检查仪器是否正常工作,确保电源连接稳定。
Q5000微量紫外分光光度计Q3000微量紫外分光光度计
概述
Q5000
微量紫外分光光度计
(波长:200-850nm)
微量紫外分光光度计--Quawell 5000,采用用液体体柱技术,在5S内就可以完成样品测定,样品体积仅需0.5-2.5ul,且具有较高的精确度和重复性。
应用:
核酸检测
纯化蛋白A280检测
蛋白荧光染色检测
微阵列分析
细胞及微生物浓度分析
常规紫外分光光度分析
操作界面(dsDNA):
Q3000
微量紫外分光光度计
(波长:260nm,280nm,380nm)
Quawell Q3000是专门检测的核酸和蛋白的微量紫外分光光度计。
可在2S内完成对样品的测定,样品体积仅需0.5-2.5ul,并且具有较高的精确度和重复性。
应用:
核酸检测(DsDNA,ssDNA,RNA)
蛋白检测( BSA,IgG,溶解酵素(Lysozyme),1Abs=1mg/ml )
测量数据:Abs260,Abs280, 260/280和浓度
只需轻松一点,即可将所测数据转化成Excel表格形式
操作界面(dsDNA):
特有技术(专利申请中)
图1:首先,加入样品,压下上臂。
图2:在驱动器的作用下抬起上臂,由于分子效应,样品被分成两部分,一部分连接到下表面,一部分连到上表面。
图3:到达固定位置后,上臂降低,两滴液体接触连接成液体柱。
在此位置完成检测,无需移动上臂位置。
技术参数:。
403文章编号:1671-7104(2020)05-0403-06赵小玉1,许俊杰21 华中科技大学同济医学院附属梨园医院 器材科,武汉市,4300772 武汉大学人民医院,武汉市,430060介绍了一种基于朗伯-比尔定律,采用紫外分光光度法,由紫外单色光发生器、光电信号检测模块、涡旋混匀器、触摸屏、嵌入式中央控制器组成的核酸蛋白测定仪。
针对超微量测定,硬件部分设计了一种连续波长全光谱的分光光度检测电路,利用硅光电二极管采集透射光信号,经后续电路放大处理并经A/D 转换后以传输至CortexTM-M4内核的单片机STM32F407VGT6,辅助相关软件检测算法对核酸蛋白浓度和纯度进行评估。
该测定仪具有使用灵活、操作简单、灵敏度高、检测效率高的特点。
实验结果表明,该仪器具有良好的灵敏度、重复性和准确性,适用于核酸样本浓度和纯度、蛋白浓度的超微量测量分析。
朗伯-比尔定律;紫外全光谱分光;光电信号检测;核酸蛋白检测TH776Adoi: 10.3969/j.issn.1671-7104.2020.05.006ZHAO Xiaoyu 1, XU Junjie 21 Department of Equipment, LiYuan Hospital, Tongji Medical College, Huazhong University of Sicence and Technology, Wuhan, 4300772 Renmin Hospital of Wuhan University, Wuhan, 430060In this paper, a nucleic acid protein analyzer based on Lambert-Beer law and ultravioletspectrophotometry is introduced, which is composed of ultraviolet monochromatic light generator, photoelectric signal detection module, vortex mixer, touch screen and embedded central controller. For ultra-micro measurement, a continuous-wavelength full-spectrum spectrophotometric detection circuit is designed in the hardware part. The transmitted light signal is collected by silicon photodiode, amplified and processed by subsequent circuit, and then transmitted to a single chip computer STM32F407VGT6 with CortexTM-M4 core after A/D conversion. The concentration and purity of nucleic acid protein are evaluated by assistant software detection algorithm. The instrument has the characteristics of compact size, flexible use, simple operation, high sensitivity and high detection efficiency. The experimental results show that the instrument has good sensitivity, repeatability and accuracy, and is suitable for the ultra-micro measurement of nucleic acid sample concentration, purity and protein concentration.Lambert Beer law, UV full spectrum spectroscopy, photoelectric signal detection, nucleic acid andprotein detection超微量核酸蛋白测定仪的设计与实现【作 者】【摘 要】【关 键 词】【中图分类号】【文献标志码】【 Writers 】【 Abstract 】【Key words 】Design and Implementation of Ultra-microNucleic Acid Protein Analyzer作者简介:赵小玉,E-mail:****************通信作者:许俊杰,E-mail:****************0 引言随着我国经济的快速发展,生命科学与生物技术成为我国发展最为迅速的领域之一,基因治疗、疾病诊断和药物研制的研究将对我国社会的发展产生深远的影响。
核酸蛋白检测仪的产品特点核酸蛋白检测仪,是一种高科技产品,可以用于快速检测核酸蛋白的存在及其数量。
最近因为新冠病毒的爆发,核酸蛋白检测仪被广泛应用于临床诊断及疫情监测等领域。
本文将介绍核酸蛋白检测仪的产品特点,帮助读者更好地了解该产品。
1. 高效、快速核酸蛋白检测仪具有高效、快速的特点。
它可以在几分钟内完成核酸检测过程,相对于传统的核酸检测方法而言,节约了大量时间。
同时,在疫情等突发事件中,快速核酸检测可以更快、更准确地掌握疫情的发展情况,以便采取相应的防控措施。
2. 高精度、高灵敏度核酸蛋白检测仪具有高精度、高灵敏度的特点。
它可以对样本中极微小的核酸分子进行检测,能够准确地检测出病原体的存在及其数量。
这对于疫情防控和临床医疗等方面,具有非常重要的意义。
3. 自动化、智能化程度高核酸蛋白检测仪具有自动化、智能化程度高的特点。
它具有自动化样本处理、核酸分离、扩增、检测等功能,可以自动化地完成整个核酸检测的过程。
同时,它还可以根据特定的样本类型或检测需求,智能地调整检测参数,提高检测的准确性和可靠性。
4. 操作简单、易上手核酸蛋白检测仪的操作非常简单,易于上手。
操作者只需要按照仪器的操作说明进行操作即可,不需要专业技能背景,也不需要很多经验。
这对于临床医师、实验室技术员等人员而言,非常便利,可以更好地支持他们的工作。
5. 适用范围广核酸蛋白检测仪的适用范围非常广。
它可以用于疫情监测、传染病诊断、遗传病筛查、植物和动物病疫病害检测等领域,具有非常广泛的应用价值。
同时,随着技术的不断发展,其应用领域还将不断扩大。
结语通过以上介绍,我们可以看到,核酸蛋白检测仪作为一种高科技产品,具有非常明显的优势和特点,是科学家、医师、实验室技术员等人士必须掌握的一种工具。
未来,随着技术的不断发展和应用场景的不断扩大,核酸蛋白检测仪的应用前景将会更加广阔。