实验一电力拖动自动控制系统实验报告
- 格式:doc
- 大小:1.19 MB
- 文档页数:8
电⼒拖动⾃动控制系统实验报告电⼒拖动⾃动控制系统实验实验⼀转速反馈控制直流调速系统的仿真⼀、实验⽬的1、了解MATLAB下SIMULINK软件的操作环境和使⽤⽅法。
2、对转速反馈控制直流调速系统进⾏仿真和参数的调整。
⼆、转速反馈控制直流调速系统仿真根据课本的操作步骤可得到如下的仿真框图:图 1 仿真框图1、运⾏仿真模型结果如下:图2 电枢电流随时间变化的规律图3 电机转速随时间变化的规律2、调节参数Kp=0.25 1/τ=3 系统转速的响应⽆超调但调节时间长3、调节参数Kp=0.8 1/τ=15 系统转速的响应的超调较⼤,但快速性较好实验⼩结通过本次实验初步了解了MATLAB下SIMULINK的基本功能,对仿真图的建⽴了解了相关模块的作⽤和参数设置。
并可将其⽅法推⼴到其他类型控制系统的仿真中。
实验⼆转速、电流反馈控制直流调速系统仿真⼀、实验⽬的及内容了解使⽤调节器的⼯程设计⽅法,是设计⽅法规范化,⼤⼤减少⼯作计算量,但⼯程设计是在⼀定近似条件下得到的,⽤MATLAB仿真可根据仿真结果对设计参数进⾏必要的修正和调整。
转速、电流反馈控制的直流调速系统是静、动态性能优良、应⽤最⼴泛的直流调速系统,对于需要快速正、反转运⾏的调速系统,缩短起动、制动过程的时间成为提⾼⽣产效率的关键。
为了使转速和电流两种负反馈分别起作⽤,可在系统⾥设置两个调节器,组成串级控制。
⼀、双闭环直流调速系统两个调节器的作⽤1)转速调节器的作⽤(1)使转速n跟随给定电压*mU变化,当偏差电压为零时,实现稳态⽆静差。
(2)对负载变化起抗扰作⽤。
(3)其输出限幅值决定允许的最⼤电流。
2)电流调节器的作⽤(1)在转速调节过程中,使电流跟随其给定电压*iU变化。
(2)对电⽹电压波动起及时抗扰作⽤。
(3)起动时保证获得允许的最⼤电流,使系统获得最⼤加速度起动。
(4)当电机过载甚⾄于堵转时,限制电枢电流的最⼤值,从⽽起⼤快速的安全保护作⽤。
当故障消失时,系统能够⾃动恢复正常。
电力拖动实验报告————————————————————————————————作者:————————————————————————————————日期:本科生实验报告实验课程电力拖动与控制学院名称核技术与自动化工程学院专业名称电气工程及其自动化学生姓名学生学号指导教师刘伟实验地点6c603实验成绩二〇一六年五月二〇一六年六月实验一晶闸管直流调速系统开环机械特性测试一.实验目的1.熟悉晶闸管直流调速系统组成及各主要单元部件的原理。
2.掌握晶闸管可控整流电路和触发电路的调试方法。
3.掌握直流电动机机械特性的测试方法二.实验项目1.触发电路触发脉冲的测试2.触发电路初始相位a0的调试3.三相桥式全控整流电路的调试4.晶闸管主电路输出波形的测试5.直流电动机开环机械特性曲线的测试三.实验系统组成及工作原理1)主电路:三相电源,晶闸管桥式是可控整流调速装置,平波电抗器、电动机-发电机组,可调电阻负载等组成。
2)控制电路:据赤膊触发电路四.实验设备及仪器1.MCL系列教学实验台主控制屏。
2.MCL—31组件3.MCL—33组件4.MEL-11挂箱5.MEL—03三相可调电阻(或自配滑线变阻器)。
6.电机导轨及测速发电机、直流发电机M01(或电机导轨及测功机、MEL—13组件,直流电动机M03。
7.双踪示波器。
五.注意事项1.直流电动机启动前必须先加上励磁2.测取静特性时,必须注意主电路电流不许超过直流电动机的额定电流。
3.不允许突加给定信号Ug启动电动机4.起动电机时,需把负载电阻RP1阻值调到最大,以免带负载起动。
5.改变接线时,必须先按下主控制屏总电源开关的“断开”红色按钮,同时使系统的给定为零。
6.双踪示波器的两个探头地线通过示波器外壳短接,故在使用时,必须使两探头的地线同电位(只用一根地线即可),以免造成短路事故。
六. 实验方法1.触发电路的测试。
(1)用示波器观察双脉冲观察孔,应有间隔均匀,幅度相同的双脉冲(2)偏移电压的调整在Ug=0的情况下,用示波器测量同步电压观察孔的同步电压波形和脉冲波形的相位关系,调节偏移电压电位器,使脉冲初始相位a0=150°2.三相桥式全控整流电路的测试在Ug=0的情况下,闭合交流侧回路电源和电动机励磁电源,电动机处于静止状态,调节Ug 由0逐渐增大,直流电动机启动升速,当n=1000转/分左右时,用示波器测量直流电动机电枢两端或整流电路输出端电压波形,在360°中应有六个整流波头,必须间隔相等,波形稳定3.测定直流电动机特性1)控制特性改变Ug的大小,记录直流电动机电枢电压Ua和对应的控制电压UgUa (V) 1Ug (V) 1.65 1.8 1.9 2.4 2.9 32).开环机械特性反复调节Ug和直流发电机负载,使n0=1000r/min,I=1.1A,Ug保持恒定,逐渐减小发电机负载转速升高,记录直流电级转速n和电枢电流Ia的值,共5-7点n(r/min) 1I(A) 1.65 1.8 1.9 2.4 2.9 34.系统动态波形的观察用二踪慢扫描示波器观察动态波形,用光线示波器记录动态波形。
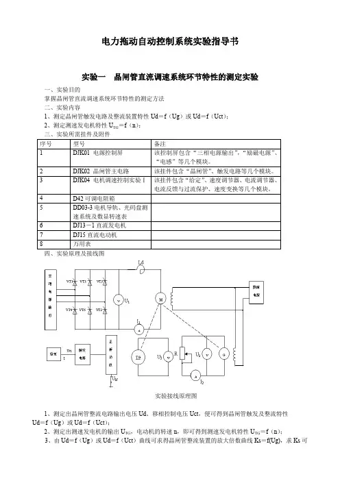
电力拖动自动控制系统实验指导书实验一晶闸管直流调速系统环节特性的测定实验一、实验目的掌握晶闸管直流调速系统环节特性的测定方法二、实验内容1、测定晶闸管触发电路及整流装置特性Ud=f(Ug)或Ud=f(Uct);2、测定测速发电机特性U TG=f(n);四、实验原理及接线图实验接线原理图1、测定出晶闸管整流电路输出电压Ud、移相控制电压Uct,便可得到晶闸管触发及整流特性Ud=f(Ug)或Ud=f(Uct);2、测定出测速发电机的输出U TG,电动机的转速n,即可得到测速发电机特性U TG=f(n);3、由Ud=f(Ug)或Ud=f(Uct)曲线可求得晶闸管整流装置的放大倍数曲线Ks=f(Ug),求Ks可用公式Ks =UgUd∆∆求得。
五、实验方法与步骤将电动机加额定励磁,使其空载运行,逐渐增加控制电压Ug(Uct),分别读取对应的Ug 、U TG 、Ud 、n 的数值若干组,即可描绘出特性曲线Ud =f (Ug )及U TG =f (n ),由Ud =f (Ug )或Ud =f (Uct )曲线可求得晶闸管整流装置的放大倍数曲线Ks =f(Ug),求Ks 可用公式Ks =UgUd∆∆求得。
六、数据记录与处理将数据记录于下表,并绘出Ud =f (Ug )、U TG =f (n )、Ks =f(Ug)三条曲线;七、注意事项1、给定单元的RP1从最小值处调起,每次停机前将RP1调回到最小值;2、由于电动机电枢回路、励磁回路未串接电阻,不要接短路;3、因U TG 、Ug(Uct)的数值较小,用万用表的直流电压10V 或50V 档测量。
4、由于实验时装置处于开环状态,电流和电压可能有波动,可取平均读数。
八、思考题比较三条曲线,各曲线有什么特点,为什么?实验二 晶闸管直流调速系统主要单元的测试一、实验目的熟悉直流调速系统主要单元部件的工作原理及调速系统对其提出的要求,学会按要求调试各单元 二、实验内容1、速度调节器的调试;2、电流调节器的调试;3、“零电平检测”及“转矩极性鉴别”单元的调试; 4 、反号器的调试;5、逻辑控制单元的调试; 三、实验所需挂件及附件四、实验原理及接线图在直流调速系统中,往往采用闭环控制,需要对电流、转速等信号进行反馈,以便稳速和限流,需要用到速度调节器和电流调节器,在可逆调速系统中,在电动机改变转向时,要对电枢电流、转矩极性进行鉴别,通过逻辑控制电路控制正、反桥电路的切换,以防止正、反桥同时工作,避免正、反桥之间出现环流,损坏电源,故要将“零电平检测”、“转矩极性鉴别”、“反号器”、“逻辑控制单元”状态调节好。
电力拖动自动控制系统实验陈说之迟辟智美创作实验一双闭环可逆直流脉宽调速系统 一,实验目的:1.掌握双闭环可逆直流脉宽调速系统的组成、原理及各主要单位部件的工作原理.2.熟悉直流PWM 专用集成电路SG3525的组成、功能与工作原理.3.掌握双闭环可逆直流脉宽调速系统的调试步伐、方法及参数整定.二,实验内容:1. PWM 控制器SG3525的性能测试.2. 控制单位调试.3. 测定开环和闭环机械特性n=f(Id).4.闭环控制特性n=f(Ug)的测定.三.实验系统的组成和工作原理图6—10 双闭环脉宽调速系统的原理图在中小容量的直流传动系统中,采纳自关断器件的脉宽调速系统比相控系统具有更多的优越性,因而日益获得广泛应用.双闭环脉宽调速系统的原理框图如图6—10所示.图中可逆PWM 变换器主电路系采纳MOSFET 所构成的H 型结构形式,UPW 为脉宽调制器,DLD 为逻辑延时环节,GD 为TAU U iASR ACR UPW DLDGD PWMFA GM++ TGMMOS管的栅极驱动电路,FA为瞬时举措的过流呵护.脉宽调制器UPW采纳美国硅通用公司(Silicon General)的第二代产物SG3525,这是一种性能优良,功能全、通用性强的单片集成PWM控制器.由于它简单、可靠及使用方便灵活,年夜年夜简化了脉宽调制器的设计及调试,故获得广泛使用.四.实验设备及仪器1.MCL系列教学实验台主控制屏.2.MCL—18组件(适合MCL—Ⅱ)或MCL—31组件(适合MCL—Ⅲ).3.MCL—10组件或MCL—10A组件.4.MEL11挂箱5.MEL—03三相可调电阻(或自配滑线变阻器).6.机电导轨及测速发机电、直流发机电M01(或机电导轨及测功机、MEL—13组件.7.直流电念头M03.8.双踪示波器.五.注意事项1.直流电念头工作前,必需先加上直流激磁.2.接入ASR构成转速负反馈时,为了防止振荡,可预先把ASR的RP3电位器逆时针旋究竟,使调节器放年夜倍数最小,同时,ASR的“5”、“6”端接入可调电容(预置7μF).3.测取静特性时,须注意主电路电流禁绝超越机电的额定值(1A).4.系统开环连接时,不允许突加给定信号Ug起念头电. 5.起念头电时,需把MEL13的测功机加载旋钮逆时针旋究竟,以免带负载起动.6.改变接线时,必需先按下主控制屏总电源开关的“断开”红色按钮,同时使系统的给定为零.7.双踪示波器的两个探头地线通过示波器外壳短接,故在使用时,必需使两探头的地线同电位(只用一根地线即可),以免造成短路事故.8.实验时需要特别注意起动限流电路的继电器有否吸合,如该继电器未吸合,进行过流呵护电路调试或进行加负载试验时,就会烧坏起动限流电阻.六.实验方法采纳MCL—10组件1.SG3525性能测试分别连接“3”和“5”、“4”和“6”、“7”和“27”、“31”和“22”、“32”和“23”,然后翻开面板右下角的电源开关.(1)用示波器观察“25”真个电压波形,记录波形的周期,幅度(需记录S1开关拨向“通”和“断”两种情况)(2)S5开关打向“OV”, 用示波器观察“30”端电压波形,调节RP2电位器,使方波的占空比为50%.S5开关打向“给定”分别调节RP3、RP4,记录“30”端输出波形的最年夜占空比和最小占空比.(分别记录S2打向“通”和“断”两种情况)2.控制电路的测试(1)逻辑延时时间的测试S5开关打向“0V”,用示波器观察“33”和“34”真个输出波形.并记录延时时间.td=(2)同一桥臂上下管子驱动信号死区时间测试分别连接“7”和“8”、“10”和“11”,“12”和“13”、“14”和“15”、“16”和“17”、“18”和“19”,用双踪示波器分别丈量VVT1.GS和VVT2.GS以及VVT3.GS和VVT4.GS的死区时间.td.VT1.VT2=td.VT3.VT4=注意,测试完毕后,需拆失落“7”和“8”以及“10”和“11”的连线.3.开环系统调试(1)速度反馈系数的调试断开主电源,并逆时针调节调压器旋钮究竟,断开“9”、“10”所接的电阻,接入直流电念头M03,机电加上励磁.S4开关扳向上,同时逆时针调节RP3电位器究竟,合上主电源,调节交流电压输出至220V左右.调节RP3电位器使机电转速逐渐升高,并到达1400r/min,调节FBS的反馈电位器RP,使速度反馈电压为2V.注:如您选购的产物为MCL—Ⅲ、Ⅴ,无三相调压器,直接合上主电源.以下均同.(2)系统开环机械特性测定参照速度反馈系数调试的方法,使机电转速达1400r/min,改变测功机加载旋钮(或直流发机电负载电阻Rd),在空载至额定负载范围内测取7—8个点,记录相应的转速n和转矩M(或直流发机电电流id)1.SG3525性能测试测试示波器观察25端电压波形,开通时,T=105.5us,V=2.22v;关断时,T=52.5us,V=2.22v.S5开关打向给定,30端输出波形,开通时,最年夜占空比0.5,最小0;关断时最年夜0.618,最小0.2.控制电路测试逻辑延时时间td=2.9us,VT1\VT2死区时间 2.9us,VT3\VT4死区时间2.9us.3.开环系统调试系统开环机械特性测定正给定负给定4.闭环系统调试将ASR,ACR均接成PI调节器接入系统,形成双闭环不成逆系统.按图6—11接线(1)速度调节器的调试(a)反馈电位器RP3逆时针旋究竟,使放年夜倍数最小;(b)“5”、“6”端接入MEL—11电容器,预置5~7μF;(c)调节RP1、RP2使输出限幅为±2V.(2)电流调节器的调试(a)反馈电位器RP3逆时针旋究竟,使放年夜倍数最小;(b)“5”、“6”端接入MEL—11电容器,预置5~7μF;(c)S5开关打向“给定”,S4开关扳向上,调节MCL10的RP3电位器,使ACR输出正饱和,调整ACR的正限幅电位器RP1,用示波器观察“30”的脉冲,不成移出范围.S5开关打向“给定”,S4开关打向下至“负给定”,调节MCL10的RP4电位器,使ACR输出负饱和,调整ACR 的负限幅电位器RP2,用示波器观察“30”的脉冲,不成移出范围.4.系统静特性测试,机械特性正给定负给定闭环控制特性正给定负给定思考题1.为了防坠上下桥臂直通,有人把上下桥臂驱动信号死区时间调的很年夜,这样做行不成,为什么?你认为死区时间长短由哪些参数决定?答:不成,死区长会影响输出波形失真,谐波成份增多.死区时间长短与功率管自身的开通、关断时间以及对输出波形要求有关2.与采纳晶闸管的移相控制直流调速系统相比较,试归纳采纳自关断器件的脉宽调速系统优点.答:1.功率因素高,谐波污染小;2.主电路结构简单;3开关频率高,频带宽,响应速度和稳速精度好,电枢电流容易连续;4调速范围宽实验心得与体会:通过本次实验,我们学习了掌握双闭环可逆直流脉宽调速系统的组成、原理及各主要单位部件的工作原理.熟悉直流PWM专用集成电路SG3525的组成、功能与工作原理.掌握双闭环可逆直流脉宽调速系统的调试步伐、方法及参数整定.还学习了死区时间的调节长短对输出波形的影响.以及分歧晶闸管和器件之间的区别等.对双闭环脉宽调速系统的原理图有了更形象的理解,只要做到了理论联系实际,把课堂上的工具运用到做实验中来.在实验的过程中使理论实践化,提高了我们的入手能力,而且能初步分析实验过程中遇到的问题并解决他们.在做实验的过程中还有一些的缺乏,但坚信,通过不竭的积累才会越来月熟悉.实验二双闭三相异步电念头调压调速系统一.实验目的1.熟悉相位控制交流调压调速系统的组成与工作.2.了解并熟悉双闭环三相异步电念头调压调速系统原理.3.了解绕线试异步电念头转子串电阻时在调节定子电压调速似的机械特性.4.通过测定系统的静特性和动特性进一步了解交流调压系统中电流环和转速环的作用二.实验内容1.测定绕线试异步电念头转子串电阻时的人为机械特性.2.测定双闭环交流调压调速系统的静特性.3.测定双闭环交流调压调速系统的静态特性.三.实验设备及仪表1.教学实验台主控制屏.2.NMCL—31组件.3.NMCL—33组件4.NMEL—03三相可调电阻.5.NMCL—18组件6.NMCL—09组件2.求取调速系统在无转速负反馈时的开环工作机械特性.a.断开ASR的“3”至Uct的连接线,G(给定)直接加至Uct,且Ug调至零,直流机电励磁电源开关闭合.b.合上主控制屏的绿色按钮开关,调节三相调压器的输出,使Uuv、Uvw、Uwu=200V.注:如您选购的产物为MCL—Ⅲ、Ⅴ,无三相调压器,直接合上主电源.以下均同.c.调节给定电压Ug,使直流机电空载转速n0=1500转/分,调节测功机加载旋钮(或直流发机电负载电阻),在空载至额定负载的范围内测取7~8点,读取整流装置输出电压Ud3a.断开G(给定)和Uct的连接线,ASR的输出接至Uct,把ASR的“5”、“6”点短接.b.合上主控制屏的绿色按钮开关,调节Uuv,Uvw,Uwu为200伏.c.调节给定电压Ug至2V,调整转速变换器RP电位器,使被测电念头空载转速n0=1500转/分,调节ASR的调节电容以及反馈电位器RP3,使机电稳定运行.调节测功机加载旋钮(或直流发机电负载电阻),在空载至额定负载范围内测取7~8点,读取Ud、id、n.4静特性a.断开ASR的“5”、“6”短接线,“5”、“6”端接MEL—11电容器,可预置7μF,使ASR成为PI(比例—积分)调节器.b.调节给定电压Ug,使机电空载转速n0=1500转/分.在四.实验心得通过本次实验,我们学习了相位控制交流调压调速系统的组成与工作.对双闭环三相异步电念头调压调速系统原理有了一定的了解.了解绕线试异步电念头转子串电阻时在调节定子电压调速似的机械特性.还通过测定系统的静特性和动特性进一步了解交流调压系统中电流环和转速环的作用一.实验目的2.加深理解用单片机通过软件生成SPWM波形的工作原理与特点.以及分歧调制方式对系统性能的影响3.熟悉电压空间矢量控制(磁链跟踪控制)的工作原理与特点.4.掌握异步电念头变压变频调速系统的调试方法.二.实验内容1.连接有关线路,构成一个实用的异步电念头变频调速系统.2.过压呵护、过流呵护环节测试.3.采纳SPWM数字控制时,分歧输出频率、分歧调制方式(同步、异步、混合调制)时的磁通分量、磁通轨迹、定子电流与电压、IGBT两端电压波形测试.4.采纳电压空间矢量控制时,分歧输出频率、分歧调制方式时的磁通分量、磁通轨迹、定子电流与电压、IGBT两端电压波形测试.5.低频赔偿特性测试.三.实验系统组成及工作原理变频调速系统原理框图如图7—3所示.它由交直交电压源型变频器,16位单片机80C196MC所构成的数字控制器,控制键盘与运行指示、磁通丈量与呵护环节等部份组成.逆变器功率器件采纳智能功率模块IPM(Intel Ligent Power Modules),型号为PM10CSJ060(10A/600V).IPM 是一种由六个高速、低功耗的IGBT,优化的门极驱动和各种呵护电路集成为一体的混合电路器件.由于采纳了能连续监测电流的有传感功能的IGBT芯片,从而实现高效的过流和短路呵护,同时IPM还集成了欠压锁定和过流呵护电路.该器件的使用,使变频系统硬件简单紧凑,并提高了系统的可靠性.数字控制器采纳Intel公司专为机电高速控制而设计的通用性16位单片机80C196MC.它由一个C196核心、一个三相波形发生器以及其它片内外设构成.其它片内外设中包括有按时器、A/D转换器、脉宽调制单位与事件处置阵列等.在实验系统中80C196MC的硬件资源分配如下:1.P3、P4口:用于构成外部法式存储器的16 bit 数据和地址总线.2.WG1~WG3和WG1~WG3:用于输出三相PWM波形,控制构成逆变器的IPM.3.EXTINT:用于过流、过压呵护.4.通过接于A/D转换器输入端ACH2和ACH1设之输入频率和改变u/f(低频赔偿).5.利用P0和P1口的P0.4~P0.7和P1.0~P1.3 ,外接按钮开关,用于起动、停止、故障复位两种调制方法,三种调制模式的选择.6.利用P2、P5、P6口的P2.4~P2.7,P5.4与P6.6,P6.7,外接指示灯,用于指示系统所处状态.7.磁通观测器用于机电气隙磁通丈量.其前半部份为3/2变换电路,将三相电压VA、VB、VC从三相静止坐标系A、B、C变换到二相静止坐标系α、β上,成为Vα、Vβ.电路的后半部份则分别对Vα、Vβ积分.在忽略定子漏磁和定子电阻压降的前提下,两个积分器的输出分别是二相静止坐标系中机电气隙磁通在α、β轴上的分量φα与φβ;它们的波形形状相似,相位差90°.将两个积分的输出分别接入示波器的X轴输入和Y轴输入,即可获得机电气隙磁通的圆形轨迹.四.实验设备和仪器1.MCL—ⅠI型机电控制教学实验台2.MCL—09变频调速系统组件3.机电导轨及测速发机电4.慢扫描示波器5.双踪示波器五.实验方法按图7—4连接线路,经检查无误后,合上电源,实验系统缺省设置为SPWM控制,同法式制方式,对应指示灯亮.若指示灯与上述不符,可按复位按钮,使系统处于上述缺省状态,此时系统即可进行实验.若系统采纳SPWM控制并工作在同法式制方式,即可按起动按钮,电念头即可起动,起动后可调节频率设定电位器,即可改变电念头转速.在电念头运行中,如按了空间矢量、异法式制,混合调制等按钮,系统将不会响应,必需先按停止按钮,使电念头停止运行,才华转到空间矢量控制以及其它调制方式.低频赔偿电位器在机电运行时,可按需要任意调节.系统呈现故障停机时,可在裁撤故障条件下,按故障复位按钮,使红色故障指示灯灭,系统即可按要求继续运行.1.过压与过流呵护环节测试.(这时只需合上控制电源,主回路电源不加.)(1)断开过压呵护检测线,红色故障指示灯发亮,同时微机输出驱动脉冲被封锁,暗示过压呵护环节工作正常.测试完毕后,按一下故障复位按钮,故障指示灯灭.(2)断开过流检测线,红色故障指示灯发亮,同时驱动脉冲被封锁,暗示过流呵护环节工作正常.测试完毕后,按一下复位按钮,故障指示灯灭.2.采纳SPWM控制,分别在输出频率为50Hz、30Hz 条件下,丈量与描绘分歧调制方式时的机电气隙磁通分量、机电气隙磁通轨迹、定子电流、IGBT两端波形(输出U、V、W与N端之间)与定子端电压等波形,以及观察机电运行的平稳与噪声年夜小.(1)同法式制:系统设定的载波比N=12.(2)异法式制:系统设定的载波频率ft=600Hz.(3)混合调制:分三段执行.第一段0Hz~12.5Hz,载波比N1=100;第二段12.5 Hz~25 Hz,载波比N2=80;第三段,25 Hz~50 Hz,载波比N3=60.当在低频2Hz时,若机电无法转动时,可调节低频赔偿电位器(顺时针旋转时,低频赔偿电压增年夜),直到电念头能旋转时止.3.采纳电压空间矢量控制实验条件及观察与描绘的波形同方法2.4.低频赔偿性能测试低频时定子压降的赔偿度可通过电位器连续调节,在输出频率为1~2Hz时,调节赔偿度直到电念头能均匀旋转时止,同时观察与记录直流母线电流的变动.六.实验结果及分析SPWM控制,同法式制 SPWM控制,异法式制SPWM控制,混合法式制空间矢量控制,同法式制空间矢量控制,异法式制空间矢量控制,混合调制低频赔偿性能测试:机电不转动时初始电流为 1.5mA,频率为1.6HZ,我们调节赔偿度直到电念头能均匀旋转时止,电流上升为2.6mA.实验心得:通过本次实验,我们学习了异步电念头变压变频调速系统的组成及工作原理.对用单片机通过软件生成SPWM波形的工作原理与特点有了更深刻的理解.对分歧调制方式对系统性能的影响有了更好的认识更加熟悉电压空间矢量控制(磁链跟踪控制)的工作原理与特点..掌握异步电念头变压变频调速系统的调试方法.此次实验涉及到晶闸管,磁通轨迹,输出频率等,变频调速系统,数字控制器等一系列的知识,把以前用到的知识再拿回来用.以前的书本知识有很好的帮手.根据实验获得的数据,进行对呵护功能的研讨和分析,是有助于提高本门学科的知识掌握水平,以及自己的分析能力.实验四晶闸管直流调速系统开环机械特性测试一.实验目的1.熟悉晶闸管直流调速系统组成及各主要单位部件的原理.2.掌握晶闸管可控整流电路和触发电路的调试方法.3.掌握直流电念头机械特性的测试方法二.实验内容1.触发电路触发脉冲的测试2.触发电路初始相位a0的调试3.三相桥式全控整流电路的调试4.晶闸管主电路输出波形的测试5.直流电念头开环机械特性曲线的测试三.实验系统组成及工作原理1)主电路:三相电源,晶闸管桥式是可控整流调速装置,平波电抗器、电念头发机电组,可调电阻负载等组成.2)控制电路:据赤膊触发电路四.实验设备及仪器1.MCL系列教学实验台主控制屏.2. MCL—31组件3.MCL—33组件4.MEL11挂箱5.MEL—03三相可调电阻(或自配滑线变阻器).6.机电导轨及测速发机电、直流发机电M01(或机电导轨及测功机、MEL—13组件.7.直流电念头M03.8.双踪示波器.五.注意事项1.直流电念头启动前必需先加上励磁2.测取静特性时,必需注意主电路电流禁绝超越直流电念头的额定电流.3.不允许突加给定信号Ug启动电念头4.起念头电时,需把负载电阻RP1阻值调到最年夜,以免带负载起动.5.改变接线时,必需先按下主控制屏总电源开关的“断开”红色按钮,同时使系统的给定为零.6.双踪示波器的两个探头地线通过示波器外壳短接,故在使用时,必需使两探头的地线同电位(只用一根地线即可),以免造成短路事故.六. 实验方法1.触发电路的测试.(1)用示波器观察双脉冲观察孔,应有间隔均匀,幅度相同的双脉冲(2)偏移电压的调整在Ug=0的情况下,用示波器丈量同步电压观察孔的同步电压波形和脉冲波形的相位关系,调节偏移电压电位器,使脉冲初始相位a0=150°2.三相桥式全控整流电路的测试在Ug=0的情况下,闭合交流侧回路电源和电念头励磁电源,电念头处于静止状态,调节Ug由0逐渐增年夜,直流电念头启动升速,当n=1000转/分左右时,用示波器丈量直流电念头电枢两端或整流电路输出端电压波形,在360°中应有六个整流波头,必需间隔相等,波形稳定1)控制特性改变Ug的年夜小,记录直流电念头电枢电压Ua和对应反复调节Ug和直流发机电负载,使n0=1000r/min,I=1.1A,Ug坚持恒定,逐渐减小发机电负载转速升高,记录七.实验心得通过本次实验,我们学习了晶闸管直流调速系统组成及各主要单位部件的原理.对晶闸管可控整流电路和触发电路的调试方法有了较好的掌握.对直流电念头机械特性的测试方法也有了更好的认识.此次实验中我们涉猎了可控整流调速装置,平波电抗器的使用,电念头发机电配套系。
电力拖动实验报告电力拖动实验报告学生实验报告课程名称:电力拖动基础实验教师:实验室名称:教学单位:电气信息工程学院专业:电气班级:091姓名:学号:实验日期:20xx.5.4实验成绩:批阅教师:日期:一、实验项目名称:电力拖动继电接触控制实验二、实验目的:1、通过对三相异步电动机点动控制、自锁控制线路、正反转控制线路、工作台自动往返循环控制线路、各种不同顺序控制线路、两地控制线路的实际安装接线,掌握由电气原理图变换成安装接线图的知识。
2、通过实验进一步加深理解点动控制和自锁控制的特点以及在机床控制。
3、掌握三相异步电动机正反转的原理和方法。
4、掌握手动控制正反转控制、接触器联锁正反转、按钮联锁正反转控制及按钮和接触器双重联锁正反转控制线路的不同接法,并熟悉在操作过程中有哪些不同之处。
5、掌握行程控制中行程开关的作用、以及在机床电路中的应用。
6、掌握两地控制的特点,使学生对机床控制中两地控制有感性的认识。
三、实验设备及配套软件:DDSZ-1型电机及电气技术试验装置三相鼠笼异步电动机(DJ24)继电接触控制(一)(DJ61-2)继电接触控制(二)(DJ62-2)四、实验内容:实验前要检查控制屏左侧端面上的调压器旋钮须在零位。
开启“电源总开关”,按下启动按钮,旋转调压器旋钮将三相交流电源输出端U、V、W 的线电压调到220V。
再按下控制屏上的“关”按钮以切断三相交流电源。
以后在实验接线之前都应如此。
1、三相异步电动机既可点动又可自锁控制线路如图13①FU为过电流保护用(电流过大FU熔断器断路),FR1过热保护用(电路过热开关FR1断开,则电动机停止工作),Q1电源总开关②接通Q1,按下SB2,KM1线圈得电,则KM1常开主开关闭合,电动机转,同时KM1常开辅佐开光闭合,当SB2断开,KM1线圈继续得电,达到自锁控制。
③按下SB3,常开开光闭合,KM1线圈继续得电,常闭开光断开,自锁支路断开,松开SB3,则KM1线圈断电,电机停止转动。
电力拖动自动控制系统Matlab仿真实验报告实验一单闭环转速反馈控制直流调速系统一.【实验目的】1. 加深对比例积分控制的无静差直流调速系统的理解;2. 研究反馈控制环节对系统的影响和作用 .二.【实验步骤和内容】1. 仿真模型的建立:打开模型编辑窗口,复制相关模块,修改模块参数,模块连接。
2. 仿真模型的运行;仿真过程的启动,仿真参数的设置 .转速负反馈闭环调速系统 :直流电动机:额定电压U N=220V,额定电流I dN =55A,额定转速n N=1000r/min电动机电动势系数C e=0.192V.min/r, 假定晶闸管整流装置输出电流可逆,装置的放大系数K s=44,滞后时间常数T s =0.00167s,电枢回路总电阻R=1.0Ω,电枢回路电磁时间常数T1 =0.00167s,电力拖动系统机电时间常数Tm=0.075s,转速反馈系数α=0.01V.min/r对应额定转速时的给定电压U n∗ =10V 比例积分控制的直流调速系统的仿真框图如图 5-1 所示。
图 5-1 比例积分控制的直流调速系统的仿真框图图 5-2 开环比例控制直流调速系统仿真模型图图 5-3 开环空载启动转速曲线图图 5-4 开环空载启动电流曲线图图 5-5 闭环比例控制直流调速系统仿真模型图在比例控制直流调速系统中,分别设置闭环系统开环放大系数 k=0.56 , 2.5, 30 ,观察转速曲线图,随着 K 值的增加,稳态速降减小,但当 K 值大于临界值时,系统将发生震荡并失去稳定,所以 K 值的设定要小于临界值。
当电机空载启动稳定运行后,加负载时转速下降到另一状态下运行,电流上升也随之上升。
图 5-6 k=0.56 转速曲线图图 5-7 k=0.56 电流曲线图图 5-8 k= 2.5 转速曲线图图 5-9 k= 30 转速曲线图图 5-10 闭环比例积分控制直流调速系统仿真模型图图 5-11 PI 控制转速 n 曲线图图 5-12 PI 控制电流曲线图在闭环比例积分( PI )控制下,可以实现对系统无静差调节,即, 提高了系统的稳定性。
电力拖动实训报告一、实训目的。
本次实训旨在通过对电力拖动系统的学习和实践,掌握电力拖动系统的基本原理、结构和工作过程,提高学生对电力拖动系统的认识和应用能力,为将来从事相关工作打下坚实的基础。
二、实训内容。
1. 电力拖动系统的基本原理。
电力拖动系统是利用电动机作为动力源,通过传动装置将动力传递给机械设备,实现设备的运动和控制。
学生需要深入了解电动机的工作原理、传动装置的结构和工作原理,以及电力拖动系统的组成和工作过程。
2. 电力拖动系统的结构和特点。
学生需要学习电力拖动系统的结构组成,包括电动机、传动装置、控制装置等部件的结构和功能。
同时,还需要了解电力拖动系统的特点,如高效、精密、可靠等特点。
3. 电力拖动系统的调试和维护。
在实训过程中,学生需要学习电力拖动系统的调试方法和技巧,掌握系统的调试步骤和注意事项。
同时,还需要了解电力拖动系统的日常维护和保养,包括清洁、润滑、检查等工作。
三、实训过程。
1. 理论学习。
学生首先通过课堂学习,了解电力拖动系统的基本原理、结构和特点,掌握相关的理论知识。
2. 实际操作。
学生在实训场地进行实际操作,通过实操课程,学习电力拖动系统的调试和维护技能,提高实际操作能力。
3. 实训总结。
学生在实训结束后,进行实训总结,对所学知识进行梳理和总结,加深对电力拖动系统的理解和掌握。
四、实训效果。
通过本次实训,学生将掌握电力拖动系统的基本原理、结构和工作过程,提高了对电力拖动系统的认识和应用能力。
同时,学生还将掌握电力拖动系统的调试和维护技能,提高了实际操作能力,为将来从事相关工作打下了坚实的基础。
五、实训建议。
针对本次实训,建议学校加强对电力拖动系统的理论学习,增加实际操作的机会,提供更多的实训设备和场地,以提高学生的实际操作能力。
同时,也建议学生在实训结束后,加强对所学知识的总结和复习,以加深对电力拖动系统的理解和掌握。
六、结语。
通过本次实训,学生将对电力拖动系统有了更深入的了解,掌握了相关的理论知识和实际操作技能,为将来的工作打下了坚实的基础。
电力拖动自动控制系统仿真实验报告课程名称:电力拖动自动控制系统课程编号:年级/专业/班:姓名:学号:任课老师:实验总成绩:电力拖动自动控制系统仿真实验报告实验项目名称:转速反馈控制直流调速系统实验指导老师:一、实验目的:1、进一步学习利用MA TLAB下的SIMULINK来对控制系统进行仿真。
2、掌握转速、电流反馈控制直流调速系统的原理。
3、学会利用工程的方法设计ACR、ASR调节器的方法。
二、仿真实验电路模型:比例积分控制的无静差直流调速系统的仿真模型三、实验设备及使用仪器:安装windows系统和MATLAB软件的计算机一台四、仿真实验步骤(按照实际建模操作过程填写):1、打开模型相关编辑窗口:通过单击SIMULINK工具栏中新模型的图标或选择File —New—Model菜单项实现。
复制相关原器件:双击所需要子模块图标,以鼠标左键选中所需的子模块,拖入模型编辑窗口。
2、模块连接:以鼠标左键单击起点模块输出端,拖动鼠标至终点模块输入端处,则在两模块间产生—>线。
修改相关参数:双击模型图案,则出现关于该图案的对话框,通过修改对话框内容来设定模块的参数。
3、仿真过程的启动:单击启动仿真工具的按钮或选择Simulation—Strat菜单栏,则可启动仿真过程,再双击Scope模块就可以显示仿真结果。
4、仿真参数的设置:为了清晰地观测仿真结果,需要对示波器显示格式作一个修改,对示波器的默认值注意改动,这里把Strat time和Stop time栏分别填写仿真的起始时间和结束时间,把默认时间从10.0s修改为0.6s。
重新启动仿真。
5、调节其参数的调整:根据工程的要求,选择一个合适的PI参数。
Kp=0.25,1/t=3,系统转速的相应无超调,但调节时间很长;当Kp=0.8,1/t=15,系统转速的相应的超调较大,但快速性较好。
五、实验数据、图表或计算等:修改控制参数后的仿真结果Kp=0.25,1/t=3,系统转速的相应无超调,但调节Kp=0.8,1/t=15,系统转速的相应的超调较大,但快速性较好。
实训一晶闸管直流调速系统主要单元的调试一、实训目的(1) 熟悉直流调速系统主要单元部件的工作原理及调速系统对其提出的要求。
(2) 掌握直流调速系统主要单元部件的调试步骤和方法。
二、实训所需挂箱及附件序号型号备注1 MEC01 电源控制屏该控制屏包含“三相电源输出”模块2 PAC31调速控制组件I 该挂相连包含“调节器Ⅰ”、“调节器Ⅱ”、“速度变换”、“电流反馈与过流保护”、“电压隔离器”等模块3 PAC09A 交直流电源、变压器及二极管组件该挂箱包含“±15V”、“±12V”、“0~±15V”、直流电源等几个模块4 慢扫描示波器自备5 万用表自备三、实训内容(1) 调节器Ⅰ的调试(2) 调节器Ⅱ的调试(3) 反号器的调试(4) 各模块的排故练习四、实训方法将PAC09A挂箱的10芯电源线与控制屏连接,PAC09A的“±15V”、“±12V”直流电源输出与PAC31的直流电源输入端口一一对应连接,打开电源开关,即可以开始实训。
(1) 各模块的故障设置与分析请参考第二章相关内容。
(2) “调节器Ⅰ”的调试①调零将PAC31中“调节器Ⅰ”所有输入端接地,再将RP1电位器顺时针旋到底(逆时针旋到底为0,顺时针旋到底为10K),用导线将“5”、“6”短接,使“调节器Ⅰ”成为P (比例)调节器。
调节面板上的调零电位器RP2,用万用表的毫伏档测量调节器Ⅰ“7”端的输出,使调节器的输出电压尽可能接近于零。
②调整输出正、负限幅值把“5”、“6”短接线去掉,此时调节器Ⅰ成为PI (比例积分)调节器,然后将PAC12的给定输出端接到调节器Ⅰ的“3”端,当加一定的正给定时,调整负限幅电位器RP4,观察输出负电压的变化,当调节器输入端加负给定时,调整正限幅电位器RP3,观察调节器输出正电压的变化。
③测定输入输出特性再将反馈网络中的电容短接(将“5”、“6”端短接),使调节器Ⅰ为P(比例)调节器,在调节器的输入端分别逐渐加入正负电压,测出相应的输出电压,直至输出限幅,并画出曲线。
电力与拖动实验报告1. 引言电力与拖动是物理学中的重要实验内容之一。
通过实验可以了解电力的作用规律以及对物体的拖动效应。
本次实验旨在通过对电流通过导线产生的磁力的测量,探究电力的作用规律,并验证库仑定律。
2. 实验仪器和材料- 直流电源- 线圈- 刻度尺- 磁力计- 万用表3. 实验原理当电流通过导线时,会产生磁场。
根据电磁感应定律,导线产生的磁场会对其周围的物体施加力,即电磁力。
电磁力的大小与电流强度、导线长度、磁场强度及导线所在的磁场方向有关。
库仑定律指出,两个电荷之间的作用力与它们之间的距离成反比,与它们的电量乘积成正比。
在本实验中,通过改变电流强度和导线长度,我们可以验证库仑定律对电力的适用性。
4. 实验步骤1. 搭建实验装置:将导线绕在线圈上,将线圈悬挂在支架上,连接直流电源和万用表。
2. 测量实验数据:调节直流电源,分别将电流强度设为不同数值,用刻度尺测量线圈移动的距离,并记录磁力计示数。
3. 数据处理:根据实验数据计算电流通过导线产生的磁力,绘制电流强度与磁力之间的关系曲线,并进行拟合。
4. 比较分析:根据实验结果比较电流强度和磁力之间的关系与库仑定律的符合程度。
5. 实验结果与分析根据实验数据计算得到电流强度和磁力之间的关系曲线如下所示:电流强度(A)磁力(N)1 0.52 1.03 1.54 2.05 2.5通过观察曲线可以看出,电流强度与磁力之间呈线性关系,证实了库仑定律对电力的适用性。
从实验数据可以推测,在实验所用的线圈和磁力计的极限范围内,电流强度越大,磁力越大。
6. 结论通过本次实验,我们验证了库仑定律对电力的适用性。
实验结果表明,在一定范围内,电流强度越大,导线产生的磁力越大。
这一实验结果与理论推导相符,进一步验证了库仑定律的准确性。
7. 总结电力与拖动实验是物理学中的经典实验之一。
通过本次实验,我们加深了对电力作用规律的理解,并验证了库仑定律。
实验中我们使用了直流电源、线圈、磁力计等仪器,通过测量电流强度和磁力大小的关系,得出了电流强度与磁力呈线性关系的结论。
信息工程学院电力拖动与控制系统课程设计报告书题目: 电力拖动与自动控制实验设计专业:电气工程及其自动化班级: 0311405学号: 031140526学生姓名:田仁波指导教师:钟建伟2014年5月5日信息工程学院课程设计任务书目录1 转速反馈控制直流调速系统的仿真 (1)1.1实验目的 (1)1.2转速反馈控制直流调速系统仿真 (1)实验小结 (3)2 转速、电流反馈控制直流调速系统仿真 (3)1.1实验目的及内容 (3)1.2双闭环直流调速系统两个调节器的作用 (4)1.3电流环仿真模型设计 (4)1.4转速环仿真模型设计 (4)1.5转速环的系统仿真 (5)实验小结 (6)3 基于MATLAB的SIMULINK下的3/2变换 (7)1.1根据步骤可得仿真图 (7)实验小结 (8)4双闭环晶闸管不可逆直流调速系统实验 (8)1.1实验目的 (8)1.2实验原理 (8)1.3实验内容 (9)1.4实验仿真 (9)1.5系统的仿真、仿真结果和输出及结果分析 (10)实验小结 (12)5参考文献 (12)1 转速反馈控制直流调速系统的仿真1.1实验目的(1)了解MA TLAB下SIMULINK软件的操作环境和使用方法。
(2)对转速反馈控制直流调速系统进行仿真和参数的调整。
1.2转速反馈控制直流调速系统仿真根据课本的操作步骤可得到如下的仿真框图:图 1 仿真框图(1)运行仿真模型结果如下:图2 电枢电流随时间变化的规律图3 电机转速随时间变化的规律(2)调节参数Kp=0.25 1/τ=3 系统转速的响应无超调但调节时间长(3)调节参数Kp=0.8 1/τ=15 系统转速的响应的超调较大,但快速性较好实验小结通过本次实验初步了解了MATLAB下SIMULINK的基本功能,对仿真图的建立了解了相关模块的作用和参数设置。
并可将其方法推广到其他类型控制系统的仿真中。
2转速、电流反馈控制直流调速系统仿真1.1实验目的及内容了解使用调节器的工程设计方法,是设计方法规范化,大大减少工作计算量,但工程设计是在一定近似条件下得到的,用MA TLAB仿真可根据仿真结果对设计参数进行必要的修正和调整。
电力拖动自动控制系统---Matlab仿真实验报告实验一二极管单相整流电路一.【实验目的】1.通过对二极管单相整流电路的仿真,掌握由电路原理图转换成仿真电路的基本知识;2.通过实验进一步加深理解二极管单向导通的特性。
图1-1 二极管单相整流电路仿真模型图二.【实验步骤与内容】1.仿真模型的建立①打开模型编辑窗口;②复制相关模块;③修改模块参数;④模块连接;2.仿真模型的运行①仿真过程的启动;②仿真参数的设置;3.观察整流输出电压、电流波形并作比较,如图1-2、1-3、1-4所示。
三.【实验总结】由于负载为纯阻性,故输出电压与电流同相位,即波形相同,但幅值不等,如图1-4所示。
图1-2 整流电压输出波形图图1-3 整流电流输出波形图图1-4 整形电压、电流输出波形图实验二三相桥式半控整流电路一.【实验目的】1.通过对三相桥式半控整流电路的仿真,掌握由电路原理图转换成仿真电路的基本知识;2.研究三相桥式半控整流电路整流的工作原理与全过程。
二.【实验步骤与内容】1.仿真模型的建立:打开模型编辑窗口,复制相关模块,修改模块参数,模块连接。
2.仿真模型的运行;仿真过程的启动,仿真参数的设置。
相应的参数设置:(1)交流电压源参数U=100 V,f=25 Hz,三相电源相位依次延迟120°。
(2)晶闸管参数Rn=0、001 Ω,Lon=0、000 1 H,Vf=0 V,Rs=50 Ω,Cs=250e-6 F。
(3)负载参数R=10 Ω,L=0 H,C=inf。
(4)脉冲发生器的振幅为5 V, 周期为0、04 s ( 即频率为25 Hz), 脉冲宽度为2。
图2-1 三相桥式半控整流电路仿真模型图当α=0°时, 设为0、003 3s,0、016 6s,0、029 9 s。
图2-2 α=0°整流输出电压等波形图当α=60°时,触发信号初相位依次设为0、01s,0、0233s,0、0366s。
实验一晶闸管直流调速系统参数和环节特性的测定一.实验目的1.了解MCL-II电机及控制教学实验台的结构及布线情况。
2.熟悉晶闸管直流调速系统的组成及其基本结构。
3.掌握晶闸管直流调速系统参数及反馈环节测定方法。
二.实验内容1.测定晶闸管直流调速系统主电路电阻R2.测定晶闸管直流调速系统主电路电感L3.测定直流电动机—直流发电机—测速发电机组(或光电编码器)的飞轮惯量GD24.测定晶闸管直流调速系统主电路电磁时间常数Td5.测定直流电动机电势常数Ce和转矩常数CM6.测定晶闸管直流调速系统机电时间常数TM7.测定晶闸管触发及整流装置特性Ud = f (Uct)8.测定测速发电机特性UTG = f (n)三.实验系统组成和工作原理晶闸管直流调速系统由三相调压器,晶闸管整流调速装置,平波电抗器,电动机——发电机组等组成。
本实验中,整流装置的主电路为三相桥式电路,控制回路可直接由给定电压Ug 作为触发器的移相控制电压,改变Ug的大小即可改变控制角,从而获得可调的直流电压和转速,以满足实验要求。
四.实验设备及仪器1.电机导轨及测速发电机、直流发电机2.MCL—01挂箱3.MCL—02挂箱4.直流电动机M035.MEL—03三相可调电阻器(或自配滑线变阻器)6.双踪示波器7.万用表五.注意事项1.由于实验时装置处于开环状态,电流和电压可能有波动,可取平均读数。
2.为防止电枢过大电流冲击,每次增加Ug须缓慢,且每次起动电动机前给定电位器应调回零位,以防过流。
3.电机堵转时,大电流测量的时间要短,以防电机过热。
六.实验方法1.电枢回路电阻R的测定电枢回路的总电阻R包括电机的电枢电阻Ra,平波电抗器的直流电阻RL和整流装置的内阻Rn,即R=Ra+RL+Rn为测出晶闸管整流装置的电源内阻,可采用伏安比较法来测定电阻,其实验线路如图2-1所示。
将变阻器RP(可采用两只900Ω电阻并联)接入被测系统的主电路,并调节电阻负载至最大。
《电力拖动自控系统实验》报告书专业班级学生姓名同组同学实验地点报告日期电力拖动自控系统实验班级姓名学号摘要:100到200字关键词:3到5个第一章概述1.1实验性质1.2实验装置1.3实验情况简介第二章双闭环直流调速系统固有参数和环节特性测定2.1主电路总电阻测量(1)电路图及测量原理(2)测量过程及原始数据记录(3)数据处理2.2电磁时间常数测量(1)电路图及测量原理(2)测量过程及原始数据记录(3)数据处理2.3机电时间常数测量(1)电路图及测量原理(2)测量过程及原始数据记录(3)数据处理2.4电势常数测量(1)电路图及测量原理(2)测量过程及原始数据记录(3)数据处理2.5晶闸管输入输出特性测量(1)电路图及测量原理(2)测量过程及原始数据记录(3)数据处理第三章双闭环直流调速系统主要环节的整定与调试3.1移相控制电压调节范围的确定(1)移相控制电压调节范围的含义(2)确定过程及原始数据记录3.2调节器调试(1)调节器调零调节器调零的目的、确定过程(2)调节器限幅调节器限幅的目的、确定过程3.3电流反馈系数整定整定过程及结果3.4转速反馈系数整定整定过程及结果第四章调节器设计4.1已知条件已有电力电子综合实验台及所需挂件、电机机组(直流电动机-测速发电机)、示波器、万用表、可变电阻器和开关导线等实验设备。
直流电动机数据如下:额定转速1600r/min、额定电压220V、额定电流1.2A、额定功率185w、允许过载倍数=1.5。
其它参数如下:…………4.2 设计要求(1)要求系统能进行平滑的速度调节,系统在工作范围内能稳定工作(2)系统静特性良好,静差小、电流超调量≤5%(3)动态性能指标:空载启动到额定转速时转速超调量δn≤20%。
4.3 设计过程4.3.1 电流调节器设计(1)(2).......4.3.2 转速调节器设计(1)(2).......第五章系统调试与动静态性能分析5.1系统静特性测定(1)电路图(2)调试、测量过程及原始数据记录(3)数据处理(包括绘制静特性曲线等)用第四章设计的结果拿到系统上去测量5.2系统动态特性观察(1)电路图(2)调试、测量过程及原始数据记录(3)数据处理(包括绘制动态特性曲线等)用第四章设计的结果拿到系统上去测量第六章总结6.1 对双闭环直流调速系统动静态特性的认识6.2 实验过程中遇到的问题及解决措施6.3 对一些问题的分析附录组员及分工表DJDK-1型电力电子技术及电机控制实验装置实验指导书。
电力拖动实验报告电力拖动实验报告引言:电力拖动是一种利用电力驱动机械设备运转的技术,广泛应用于工业生产和交通运输领域。
本实验旨在通过搭建一个简单的电力拖动系统,探究电力拖动的原理和应用。
一、实验装置和原理实验装置由电源、电动机、传动装置和负载组成。
电源提供电能,电动机将电能转化为机械能,传动装置将机械能传递给负载,实现运动。
1. 电源:本实验采用直流电源,通过调节电压和电流大小,控制电动机的输出功率。
电源的稳定性和安全性对实验结果具有重要影响。
2. 电动机:电动机是实验中的核心部件,将电能转化为机械能。
根据实验需求,我们选择了直流电动机。
电动机的转速和输出扭矩可以通过调节电源电压和电流来控制。
3. 传动装置:传动装置将电动机的旋转运动转化为负载的线性或旋转运动。
常见的传动装置包括齿轮传动、皮带传动和链条传动等。
实验中,我们选择了齿轮传动作为传动装置。
4. 负载:负载是电力拖动系统中被驱动的设备或机械部件。
在实验中,我们可以通过改变负载的阻力大小来观察电动机的运行情况。
二、实验步骤和结果分析1. 实验步骤:(1)连接电源和电动机,确保电路连接正确并稳定。
(2)调节电源电压和电流,使电动机转速适中。
(3)观察电动机的运行情况,记录转速和输出扭矩。
(4)改变负载的阻力大小,观察电动机的运行情况。
2. 结果分析:通过实验观察和数据记录,我们得出以下结论:(1)电动机的转速与电源电压和电流成正比,输出扭矩与电流成正比。
这说明电动机的运行速度和输出功率可以通过调节电源的电压和电流来控制。
(2)当负载阻力增大时,电动机的转速下降,输出扭矩增大。
这是因为负载阻力增大会使电动机需要更大的力矩来克服阻力,从而降低转速。
三、电力拖动的应用电力拖动技术在工业生产和交通运输领域有着广泛的应用。
以下是几个常见的应用案例:1. 工业生产:电力拖动技术在工厂生产线上广泛应用,如机械加工、装配线、输送带等。
通过电力拖动,可以实现设备的自动化和高效运作,提高生产效率。
电力拖动自动控制系统实验报告一、实验目的本实验旨在通过搭建电力拖动自动控制系统,实现对电动机的控制,加深对电力拖动控制原理的理解,并学会使用电力拖动自动控制系统进行实际操作。
二、实验仪器1.电力拖动自动控制系统2.电动机3.控制器4.电源5.测量仪器:电流表、电压表三、实验原理电力拖动自动控制系统是一种通过电动机驱动负载进行工作的自动控制系统。
该系统的基本原理是通过控制电动机的转速和负载之间的关系,从而实现对负载的控制。
电动机在工作时,根据控制信号调整输出转矩或转速,进一步改变负载运行状态。
拖动自动控制系统的调速效果主要由电机的调速功能(转矩与负载相关)、控制器和反馈传感器等设备共同决定。
四、实验步骤1.搭建电力拖动自动控制系统将电动机与电源、控制器等设备连接起来,确保电路连接正常,并通过电流表和电压表监测电流和电压的变化。
2.调节控制器参数根据实际需求,调节控制器的参数,如PID控制器的比例系数、积分系数和微分系数等,以控制电动机的速度和负载的运行状态。
3.实际运行测试打开电源,启动电机,观察电动机的转速和负载的运行状态,记录相关数据,并进行分析。
4.调整控制器参数根据实际观察到的数据结果,进一步调整控制器参数,以达到更好的控制效果。
五、实验结果与分析通过实验观察,我们发现调整控制器参数可以直接影响电动机的转速和负载的运行状态。
当比例系数增大时,电动机的加速度增加,但易产生震动;当积分系数增大时,电动机的速度稳定性增加,但容易产生超调;当微分系数增大时,电动机的速度调整时间缩短,但对于噪声信号的敏感性增加。
因此,需要根据实际情况进行综合考虑,调整合适的参数。
六、实验总结通过本次实验,我们对电力拖动自动控制系统的原理和操作有了更深入的了解。
通过调节控制器参数,我们成功实现了对电动机的控制,并观察到了不同参数对电动机转速和负载运行状态的影响。
同时,我们也了解到了参数调整需要综合考虑各个因素,并根据实际需求进行调整。
第五章仿真及实验
第一节晶闸管直流调速系统参数和环节特性的测定
一、实验目的
1 熟悉晶闸管直流调速系统的组成及其基本结构。
2掌握晶闸管直流调速系统参数及反馈环节测定方法。
二、实验原理
晶闸管直流调速系统由整流变压器、晶闸管整流跳水装置、平波电抗器、电动机-发电机组等组成。
在本实验中,整流装置的主电路喂三相桥式电路,控制电路可直接由给定电压Ug作为触发器的移相控制电压Ua。
改变Ug的大小即可改变控制角a,从而获得可调的直流电压,以满足实验要求。
实验系统的组成原理如图5.1所示。
三.实验内容
1测定晶闸管直流调速系统主电路总电阻值R。
2测定晶闸管直流系统电路电感值L..
3测定直流电机-直流发电机-测速发电机的飞轮惯量GD的平方。
4测定晶闸管直流调速系统主电路电磁时间常数Td。
5测定直流电动机电势常数Ce和转矩常数Cm。
6测定晶闸管直流调速系统机电时间常数Tm。
7测定晶闸管触发及整流装置特性Ud=f(Ue)。
8测定测速发电机特性Utg=f(n)。
四.实验仿真
晶闸管直流调速系统的原理如图5.1所示。
该系统由给定信号、同步脉冲触发器、晶闸管整流桥、平波电抗器、直流电动机等部分组成。
图5.2势采用面向电气原理图方法构成的晶闸管直流系统的仿真模型。
下面介绍各部分建模与参数设置过程。
1.系统的建模和模型参数设置
系统的建模包括主电路的建模和控制电路的建模俩部分。
1)主电路的建模和参数设置
由图5.2可见,开环直流调速系统的主电路由三相对称交流电压器、晶闸管整流桥、平波电抗器、直流电动机等部分组成。
由于同步脉冲与晶闸管整流桥是不可分割的两个环节,通常作为一个组合体讨论,所以将触发器归到主电路进行建模。
2)三相整流桥时,桥臂数取3,A,B,C三相交流电源接到整流桥的输入端,
电力电子元件选择晶闸管,参数设置的原则是:如果是针对某个具体的变流装置进行参数设置,对话框中的Cs ,Ron,Ion ,Vf应取该装置中晶闸管元件的实际值;如果是一般情况,不针对某个具体的变流装置,这些参数可先取默认值,若仿真结果理想,就可认可这些参数,这一参数设置原则对其他原价的参数设置也是实用的。
3)平波电抗器的建模和参数设置。
首先从元件模块组中选取“Series RLC Branch ”模块,并将模块标签改为“平波电抗器”。
然后打开平波电抗器参数设置对话框,参数设置如图5.5 所示,平波电抗器的电感值是通过仿真实验比较后得到的优化参数,
4)直流电动机的建模和参数设置。
首先从电动机系统模块组中选取“DC Machine ”模快,并将模块标签改为直流电动机。
直流电动机的励磁绕组“F+-F-”接直流恒顶励磁电源,励磁电源可从电源模块组中选取直流电压源模块,并将电压参数设置为220V,电枢绕组“A+-A-”经平波电抗器接晶闸管整流桥的输出,电动机经TL端口接恒转矩负载,直流电动机的输出参数有转速n,电枢电流Ia 励磁电流It ,电磁转矩Tt,通过“示波器”模块可观察仿真输出图形。
进行直流电动机参数设置时,先双击直流电动机图标,打开直流电动机的参数对话框,直流电动机的参数设置如图5.6所示,其参数设置的原则与晶闸管整流桥相同。
图5.5 平波电抗器参数设置
图5.6直流电动机参数设置
5)同步脉冲触发器的建模和参数设置。
同步脉冲触发器包括同步电源和6脉冲触发器两部分。
根据图5.1主电路的连接关系,即可建立起如图5.2所示的主电路仿真模型。
图中触发器开关信号为“0”时,开放触发器;开关信号为“1”时,封锁触发器。
2)控制电路的建模和参数设置
晶闸管直流调速系统的控制电路只有一个定环节,它从输入源模块组中选取“Constant”模块,并将模块标签改为“给定信号”,然后双击该模块图标,打开参数设置对话筐,将参数设置为50rad/s。
实际调速时,给定信号是在一定范围内变化的,读者可通过仿真实验,确定给定信号允许的变化范围。
将主电路和控制电路的仿真模型图5.1所示系统原理图的连接关系进行模型连接,即可得到图5.2所示的晶闸管直流调速系统仿真模型。
2.系统的仿真参数设置
在MATLAB的模型窗口打开“Simulatiom”菜单,进行“Simulatiom Parameters”设置,如图5.7所示。
图5.7 仿真参数设置
单击“Simulatiom Parameters”菜单后,得到仿真参数设置对话框,参数设置如图5.8所示。
仿真中所选择的算法为odc23s。
由于实际系统的多样性,不同的系统需要采用不同的仿真算法,到底采用哪一种算法,可通过仿真实验进行比较选择。
仿真的“Start time”一般设为0,“Stop time”根据实际需要而定。
图5.8 仿真参数设置对话框及参数设置
3.系统的仿真、仿真结果的输出及结果分析
当建模和参数设置完成后,即可开始进行仿真。
在MATLAB的模型窗口打开
“Simulation”
菜单,单击“Start”命令后,系统开始仿真,仿真结束后可输出结果,单击“示波器”命令后,通过“示波器”模块观察仿真输出图形,如图5.9所示,其中图5.9(a)、(b)、(c)、(d)分别表示直流电动机的电磁转矩T
e
曲线、电枢电
流I
a 曲线、角频率ω曲线和角频率与电枢电流I
a
的关系曲线曲线。
根据图5.2的仿真模型,只要在系统模型图上双击“示波器”图标即可观察仿真输出结果,并可对其输出图形进行编辑。
最终可得编辑后的输出图形如图5.10所示。
(a)直流电动机的电磁转矩T
e
曲线
(b)直流电动机的电枢电流I
a
曲线
(c)直流电动机的角频率ω曲线
(d)直流电动机的角频率ω与电枢电流I
的关系曲线曲线
a
图5.10显示的分别是晶闸管直流调速系统的电流曲线和转速曲线。
可以看出,这个结果和实际电动机运行的结果相似,系统的建模与仿真时成功的。
图5.10 编辑后的晶闸管直流调速系统的电流曲线和转速曲线
4.建模与参数设这的原理和方法
(1)系统建模时,将其分成主电路和控制电路两部分分别建模。
(2)在进行参数设置时,晶闸管整流桥、平波电抗器、直流电动机等装置(固有环节)的参数设置原则是:如果针对某个具体的装置进行参数设置,则对话
框中的有关参数应该为装置的实际值。
如果不针对某个具体装置的一般情况,课先去这些装置的参数默认值进行仿真。
若仿真结果理想,可以认可这些设置的参数;若结果不理想,则通过仿真实验,不断进行西安书优化,最后确定其参数。
(3)给定信号的变化范围、调节器的的参数和反馈检测环节的反馈系数(闭环系统中使用)等可调参数的设置,其一般方法是通过仿真实验,不断进行参数优化。
具体方法是分别设置这些参数的一个较大值个较小值进行仿真,弄清他们对系统性能影响的趋势,据此逐步将参数进行优化。
(4)
仿真时间根据实际需要确定,已能够仿真出完整的波形为前提。
(5) 由于实验系统的多样性,没有一种仿真算法是万能的。
不同的系统采用不
同仿真算法,到底采用哪一种算法更好,这需要通过仿真实验,从仿真能否进行,仿真的速度,仿真的精度等方面进行比较选择。
上述内容具有一般指导意义,在讨论后面各种系统时,遇到类似问题就不再细述。
(1)
作出实验所得的各种曲线,计算有关参数。
(2) 由()s g K f U 特性,分析晶闸管装置的非线性现象。