铝型材配件介绍及截面图解析
- 格式:docx
- 大小:5.23 MB
- 文档页数:30
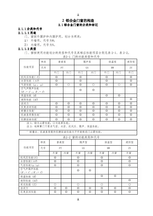
2 铝合金门窗的构造2.1铝合金门窗的分类和标记2.1.1分类和代号2.1.1.1用途门、窗按外围护和内围护用,划分为两类:1)外墙用,代号为W;2)内墙用,代号为N。
2.1.1.2类型门、窗按使用功能划分的类型和代号及其相应性能项目分别见表2-1、表2-2。
按开启形式划分门、窗品种与代号分别见表2-3、表2-4。
2.1.1.4产品系列以门、窗框在洞口深度方向的设计尺寸—门、窗框厚度构造尺寸(代号为C2,单位为毫米)划分。
门、窗框厚度构造尺寸符合1/10M(10mm)的建筑分模数数列值的为基本系列;基本系列中按5mm进级插入的数值为辅助系列。
门、窗框厚度构造尺寸小于某一基本系列或辅助系列值时,按小于该系列值的前一级标示其产品系列。
(如门、窗框厚度构造尺寸为72mm时,其产品系列为70系列;门、窗框厚度构造尺寸为69mm时,其产品系列为65系列)2.1.1.5 规格以门窗宽、高的设计尺寸—门、窗的宽度构造尺寸(B2)和高度构造尺寸(A2)的千、百、十位数字,前后顺序排列的六位数字表示。
例如,门窗的B2、A2分别为1150mm和1450mm 时,其尺寸规格型号为115145。
2.1.2 命名和标记2.1.2.1命名方法按门窗用途(可省略)、功能、系列、品种、产品简称(铝合金门,代号LM;铝合金窗,代号LC)的顺序命名。
2.1.2.2标记方法按产品的简称、命名代号—尺寸规格型号、物理性能符号与等级或指标值(抗风压性能P3-水密性能ΔP-气密性能q1 /q2-空气声隔声性能R w C tr/R w C-保温性能K-遮阳性能SC—采光性能T r)、标准代号的顺序进行标记。
2.1.2.3命名与标记示例示例1:命名—(外墙用)普通型50系列平开铝合金窗,该产品规格型号为115145,抗风压性能5级,水密性能3级,气密性能7级,其标记为:铝合金窗 WPT50PLC-115145(P35-ΔP3-q17) GB/T ×××-200×。
赶紧收藏!铝及铝合⾦⾼清⾦相图谱铝合⾦是⼯业中应⽤最⼴泛的⼀类有⾊⾦属结构材料,在航空、航天、汽车、机械制造、船舶及化学⼯业中已⼤量应⽤。
⼯业经济的飞速发展,对铝合⾦焊接结构件的需求⽇益增多,使铝合⾦的焊接性研究也随之深⼊。
⽬前铝合⾦是应⽤最多的合⾦。
纯铝分冶炼品和压⼒加⼯品两类,前者以化学成份Al表⽰,后者⽤汉语拼⾳LV(铝、⼯业⽤的)表⽰。
铝合⾦按加⼯⽅法可以分为形变铝合⾦和铸造铝合⾦两⼤类:形变铝合⾦能承受压⼒加⼯。
可加⼯成各种形态、规格的铝合⾦材。
主要⽤于制造航空器材、建筑⽤门窗等。
形变铝合⾦⼜分为不可热处理强化型铝合⾦和可热处理强化型铝合⾦。
不可热处理强化型不能通过热处理来提⾼机械性能,只能通过冷加⼯变形来实现强化,它主要包括⾼纯铝、⼯业⾼纯铝、⼯业纯铝以及防锈铝等。
可热处理强化型铝合⾦可以通过淬⽕和时效等热处理⼿段来提⾼机械性能,它可分为硬铝、锻铝、超硬铝和特殊铝合⾦等。
铸造铝合⾦按化学成分可分为铝硅合⾦,铝铜合⾦,铝镁合⾦,铝锌合⾦和铝稀⼟合⾦,其中铝硅合⾦⼜有过共晶硅铝合⾦,共晶硅铝合⾦,单共晶硅铝合⾦,铸造铝合⾦在铸态下使⽤。
铝合⾦形变铝合⾦⼀系:1000系列铝合⾦代表 1050、1060 、1100系列。
在所有系列中1000系列属于含铝量最多的⼀个系列。
纯度可以达到99.00%以上。
由于不含有其他技术元素,所以⽣产过程⽐较单⼀,价格相对⽐较便宜,是⽬前常规⼯业中最常⽤的⼀个系列。
市场上流通的⼤部分为1050以及1060系列。
1000系列铝板根据最后两位阿拉伯数字来确定这个系列的最低含铝量,⽐如1050系列最后两位阿拉伯数字为50,根据国际牌号命名原则,含铝量必须达到99.5%以上⽅为合格产品。
我国的铝合⾦技术标准(gB/T3880-2006)中也明确规定1050含铝量达到99.5%.同样的道理1060系列铝板的含铝量必须达到99.6%以上。
⼆系:2000系列铝合⾦代表2024、2A16(LY16)、 2A02(LY6)。
断桥铝型材截面
断桥铝型材是一种比较常见的建筑材料,通常用于门窗等构件的制造。
断桥铝型材的截面形状根据不同的厂家和规格而有所不同,下面以某知名厂家为例,简单介绍一下其产品的型材截面情况:
1. 断桥铝门窗型材截面:60mm系列、70mm系列和80mm系列三种系列型材,分别对应着不同的断桥宽度和玻璃厚度,主要截面形状包括U型、开槽V型、方管型和双平面中空型等。
2. 断桥铝推拉门窗型材截面:60mm系列、70mm系列和80mm系列三种系列型材,主要截面形状包括U型、开槽V型、方管型和双平面中空型等。
这些断桥铝型材的截面形状均呈现出多边形或类似多边形结构。
由于每个厂家的产品型号和规格不同,其型材截面也可能存在差异。
因此,在选择和使用断桥铝型材时,需要根据具体情况选购相应规格的型材。
产品编号:FW100x50产品重量:4.216KG/M产品尺寸:100×50产品说明:——铝型材截面图产品编号:FW113产品重量:0.39KG/M产品尺寸:35×25产品说明:——铝型材截面图产品编号:FW8021产品重量:2.426KG/M产品尺寸:45×56产品说明:——铝型材截面图产品编号:FW8598产品重量:2.045KG/M产品尺寸:40×40产品说明:——铝型材截面图八棱柱铝型材价格:29.00/米八棱柱铝型材八棱柱铝型材∙详细说明∙∙莱特镁展览展示器材厂专业生产八棱柱、方柱,扁铝,展板,锁头,托架,调节底脚等多种铝合金型材,以及各种形状规格锁头连接件,拥有多项专利。
公司产品多年来全部出口欧洲,深受外方好评!如今为了开拓国内市场,除了推广已有铝合金型材、锁头连接件外,凭借出口欧洲的有利技术条件,我厂还不断开发适合国内市场的展览展示产品。
如:专门开发了冷轧钢二卡锁头连接件。
该锁头外壳采用冷轧钢一次性模具成形,比目前市场上铁皮锁头采用的二次成型外壳坚固、美观;另锁头结构中,担负起锁住铝合金型材的锁簧,按照出口的标准做,防锈、牢固且能长久反复使用。
我们的检验标准是将锁头锁在八棱柱上,用大力扳动锁头,直至八棱柱扳坏,但锁头却完好如初!以上产品适合大型展览会、博览会、世博会专用,也可广泛用于展览器材、展示器材、展示柜、展示厅、展示架、展架、促销台、精品展柜、商品陈列柜、商场货架、超市货架、广告牌、标示牌、指示牌、灯箱、舞台搭建、会场搭建、高档家具、办公家具、等展览展示广告装潢工程。
通用型材角铝系列[点击返回]型号A (mm )T(mm) 重量(kg/m) XE0301 10 0.8 0.040 XE0302 12 0.8 0.050 XE0303 20 0.8 0.080 XE030420 1.0 0.105 XE0305 25 0.8 0.106 XE0306 25 2.0 0.259 XE0307 25 2.5 0.321 XE0308 25 3.0 0.381 XE0309 30 2.0 0.313 XE0310 30 3.0 0.462 XE0311383.00.591型号A(mm)B(mm)T(mm)重量(kg/m)QC1010A 37.7 12.3 1.0 0.133 QC1010 37.7 12.3 1.4 0.184 A513 100 80 9.0 4.171 XE0404 30 20 3.0 0.381 XE0405 30 25 3.0 0.421 XE0406 38 19 3.0 0.437 XE0407 38 19 4.0 0.574 XE0408 38 25 3.0 0.486 XE0409 50 25 3.0 0.583 XE0410 25 12 2.2 0.197 XE0411 25 20 2.0 0.218 XA70315 25 17 2.0 0.217 XA1016 40 20 1.5 0.238。
(整理)铝型材截⾯图产品编号:FW100x50产品重量:4.216KG/M产品尺⼨:100×50产品说明:——铝型材截⾯图产品编号:FW113产品重量:0.39KG/M 产品尺⼨:35×25产品说明:——铝型材截⾯图产品编号:FW8021产品重量:2.426KG/M 产品尺⼨:45×56产品说明:——铝型材截⾯图产品编号:FW8598产品重量:2.045KG/M 产品尺⼨:40×40产品说明:——铝型材截⾯图⼋棱柱铝型材价格:29.00/⽶⼋棱柱铝型材⼋棱柱铝型材详细说明莱特镁展览展⽰器材⼚专业⽣产⼋棱柱、⽅柱,扁铝,展板,锁头,托架,调节底脚等多种铝合⾦型材,以及各种形状规格锁头连接件,拥有多项专利。
公司产品多年来全部出⼝欧洲,深受外⽅好评!如今为了开拓国内市场,除了推⼴已有铝合⾦型材、锁头连接件外,凭借出⼝欧洲的有利技术条件,我⼚还不断开发适合国内市场的展览展⽰产品。
如:专门开发了冷轧钢⼆卡锁头连接件。
该锁头外壳采⽤冷轧钢⼀次性模具成形,⽐⽬前市场上铁⽪锁头采⽤的⼆次成型外壳坚固、美观;另锁头结构中,担负起锁住铝合⾦型材的锁簧,按照出⼝的标准做,防锈、牢固且能长久反复使⽤。
我们的检验标准是将锁头锁在⼋棱柱上,⽤⼤⼒扳动锁头,直⾄⼋棱柱扳坏,但锁头却完好如初!以上产品适合⼤型展览会、博览会、世博会专⽤,也可⼴泛⽤于展览器材、展⽰器材、展⽰柜、展⽰厅、展⽰架、展架、促销台、精品展柜、商品陈列柜、商场货架、超市货架、⼴告牌、标⽰牌、指⽰牌、灯箱、舞台搭建、会场搭建、⾼档家具、办公家具、等展览展⽰⼴告装潢⼯程。
通⽤型材⾓铝系列[点击返回]型号A (mm )T(mm) 重量(kg/m) XE0301 10 0.8 0.040 XE0302 12 0.8 0.050 XE0303 20 0.8 0.080 XE030420 1.0 0.105 XE0305 25 0.8 0.106 XE0306 25 2.0 0.259 XE0307 25 2.5 0.321 XE0308 25 3.0 0.381 XE0309 30 2.0 0.313 XE0310 30 3.0 0.462 XE0311383.00.591型号A(mm)B(mm)T(mm)重量(kg/m)QC1010A 37.7 12.3 1.0 0.133 QC1010 37.7 12.3 1.4 0.184 A513 100 80 9.0 4.171 XE0404 30 20 3.0 0.381 XE0405 30 25 3.0 0.421 XE0406 38 19 3.0 0.437 XE0407 38 19 4.0 0.574 XE0408 38 25 3.0 0.486 XE0409 50 25 3.0 0.583 XE0410 25 12 2.2 0.197 XE0411 25 20 2.0 0.218 XA70315 25 17 2.0 0.217 XA1016 40 20 1.5 0.238。
铝型材配件介绍及截里图之阳早格格创做
铝型材是指通过热熔、挤压而死产的分歧型号的铝资料,不妨动做门窗、集热器以及货架类的铝型材.根据用途、大小的分歧,铝型材分为分歧的系列,其配件也分为分歧的型号.那些铝型材及其配件的型号尺度皆举止过统一,分别有着分歧的称呼.那样,便当人们对于产品举止买买、替换、调养、维建.
归纳归纳起去,铝型材有以下几大系列:角件系列、欧标系列、启盖、接洽、推脚、隔断快、合页、可拆、半轴连交件、角槽、三维连交、转背链交、一字条连交、活动链交等.而其配件则有螺栓类、螺母类、角件类、连交件、合页、附件等.用户正在买买替换配件时,该当分离产品证明书籍小心确认铝型材配件的型号.贝派铝型材主要进止工业类铝型材模具启垦挤压死产及深加工.
贝派安排加工组拆百般设备机架、工业围栏、输收线、流火线处事台、板滞防尘罩、造药设备、电气柜、货架、商业展示架、非标自动化设备铝合金框架等.。
40国标铝型材截面40国标铝型材截面是指符合国家标准的一种铝型材的横截面形状,本文将对40国标铝型材截面进行介绍。
40国标铝型材截面的外形尺寸为40mm×40mm,是一种正方形的截面形状。
这种截面形状具有较大的面积,可以承受较大的荷载,适用于各种建筑、机械设备和电子设备等领域。
40国标铝型材截面的壁厚为 1.5mm,壁厚的大小直接影响到铝型材的强度和刚度。
壁厚越大,铝型材的强度和刚度越高,能够承受更大的荷载。
而40国标铝型材的壁厚为1.5mm,既能够保证足够的强度和刚度,又能够保持较轻的重量。
40国标铝型材截面的槽宽为8mm,槽宽是指铝型材截面中的槽的宽度。
槽的作用是用于安装附件,如螺栓、垫圈等。
槽宽越大,安装附件的选择范围越广。
40国标铝型材的槽宽为8mm,可以满足一般情况下的安装需求。
40国标铝型材截面的孔径为φ4.2mm,孔径是指铝型材截面中的孔的直径。
孔的作用是用于连接不同的铝型材或附件。
孔径的大小直接影响到连接的牢固程度和稳定性。
40国标铝型材的孔径为φ4.2mm,可以满足一般情况下的连接需求。
40国标铝型材截面的角度为90°,角度是指铝型材截面中各边的夹角。
角度的大小决定了铝型材的形状和结构。
40国标铝型材的角度为90°,形状简洁规整,可以方便地进行组装和安装。
总结起来,40国标铝型材截面是一种正方形的截面形状,具有较大的面积和适当的壁厚,可以承受较大的荷载。
槽宽和孔径的大小可以满足一般情况下的安装和连接需求。
角度为90°,形状简洁规整,方便组装和安装。
这些特点使得40国标铝型材截面在各个领域都有广泛的应用。
工业铝型材配件有限公司_ PS-6-1530材file15*306mm槽宽的工业铝型材系列说明Application:业铝型材制作框架时,经常需要各种规格和尺寸要型材,如制作门窗边框、物料架围框、走线槽、槽条及面板导轨等,除此常用规格外,用户可直接与或比迪公司代理商联系。
数据:材料Material 铝Aluminum(6063-T5)单位质量Weight0.70 kg/m长度Length5.02m、6.02m集合惯性s of Inertialx: 1.47cm4??ly: 0.70cm4 截面惯性on ModulusZx: 0.98cm3??Zy: 0.93cm3 订货号rder No. APS-6-1530应用APS-6-1530 的成品系列其它产品:PS-6-1530PS-8-1640PS-8-8-40PS-10-10PS-T9090PS-T4141PS-L5050PS-L7070PS-L8080PS-8-1640材file16*408mm槽宽的工业铝型材系列说明Application:业铝型材制作框架时,经常需要各种规格和尺寸要型材,如制作门窗边框、物料架围框、走线槽、槽条及面板导轨等,除此常用规格外,用户可直接与或比迪公司代理商联系。
数据:材料Material 铝Aluminum(6063-T5)单位质量Weight1.20 kg/m长度Length5.02m、6.02m集合惯性lx: 7.26cm4??ly: 1.13cm4截面惯性on ModulusZx: 3.62cm 3??Zy: 1.42cm3 订货号rder No.APS-8-1640PS-8-8-40材file8*88mm槽宽的工业铝型材系列数据:材料Material 铝Aluminum(6063-T5)单位质量Weight0.50 kg/m长度Length5.02m、6.02m集合惯性s of Inertialx: 0.10cm4??ly: 0.33cm4on ModulusZx: 0.20cm3??Zy: 0.33cm3订货号rder No.APS-8-8-40PS-10-10材file10*1010mm槽宽的工业铝型材系列说明Application:业铝型材制作框架时,经常需要各种规格和尺寸要型材,如制作门窗边框、物料架围框、走线槽、槽条及面板导轨等,除此常用规格外,用户可直接与或比迪公司代理商联系。
产品编号:FW40x25y产品重量:0.56KG/M产品尺寸:40×25产品说明:——铝型材截面图产品编号:FW50x30x产品重量:0.5KG/M产品尺寸:50×30产品说明:——产品编号:FW100x50产品重量:4.216KG/M产品尺寸:100×50产品说明:——铝型材截面图产品编号:FW113产品重量:0.39KG/M产品尺寸:35×25产品说明:——铝型材截面图产品编号:FW8021产品重量:2.426KG/M产品尺寸:45×56产品说明:——铝型材截面图产品编号:FW8598产品重量:2.045KG/M产品尺寸:40×40产品说明:——铝型材截面图产品编号:FWa006产品重量:0.3KG/M产品尺寸:92.2×9产品说明:——铝型材截面图产品编号:FWa007产品重量:1.65KG/M产品尺寸:108.7×55产品说明:——铝型材截面图产品编号:FWa008产品重量:0.3KG/M产品尺寸:56×20产品说明:——铝型材截面图产品编号:FWa010产品重量:0.5KG/M产品尺寸:60×17产品说明:——八棱柱铝型材价格:29.00/米八棱柱铝型材八棱柱铝型材∙详细说明∙∙莱特镁展览展示器材厂专业生产八棱柱、方柱,扁铝,展板,锁头,托架,调节底脚等多种铝合金型材,以及各种形状规格锁头连接件,拥有多项专利。
公司产品多年来全部出口欧洲,深受外方好评!如今为了开拓国内市场,除了推广已有铝合金型材、锁头连接件外,凭借出口欧洲的有利技术条件,我厂还不断开发适合国内市场的展览展示产品。
如:专门开发了冷轧钢二卡锁头连接件。
该锁头外壳采用冷轧钢一次性模具成形,比目前市场上铁皮锁头采用的二次成型外壳坚固、美观;另锁头结构中,担负起锁住铝合金型材的锁簧,按照出口的标准做,防锈、牢固且能长久反复使用。
我们的检验标准是将锁头锁在八棱柱上,用大力扳动锁头,直至八棱柱扳坏,但锁头却完好如初!以上产品适合大型展览会、博览会、世博会专用,也可广泛用于展览器材、展示器材、展示柜、展示厅、展示架、展架、促销台、精品展柜、商品陈列柜、商场货架、超市货架、广告牌、标示牌、指示牌、灯箱、舞台搭建、会场搭建、高档家具、办公家具、等展览展示广告装潢工程。
铝型材配件介绍及截面图
铝型材是指通过热熔、挤压而生产的不同型号的铝材料,可以作为门窗、散热器以及货架类的铝型材。
根据用途、大小的不同,铝型材分为不同的系列,其配件也分为不同的型号。
这些铝型材及其配件的型号标准都进行过统一,分别有着不同的称呼。
这样,方便人们对产品进行购买、替换、保养、维修。
总结归纳起来,铝型材有以下几大系列:角件系列、欧标系列、封盖、挂钩、拉手、间隔快、合页、可拆、半轴连接件、角槽、三维连接、转向链接、一字条连接、活动链接等。
而其配件则有螺栓类、螺母类、角件类、连接件、合页、附件等。
用户在购买替换配件时,应该结合产品说明书仔细确认铝型材配件的型号。
贝派铝型材主要从事工业类铝型材模具开发挤压生产及深加工。
贝派设计加工组装各种设备机架、工业围栏、输送线、流水线工作台、机械防尘罩、制药设备、电气柜、货架、商业展示架、非标自动化设备铝合金框架等。