学校直饮水机日常监督检查表
- 格式:doc
- 大小:36.00 KB
- 文档页数:1
生活饮用水卫生监督协管巡查记录表被监督人法定代表人/负责人地址水源类型:□地表水□地下水联系电话供水人口(万人):巡查中发现如下问题:□1、没有建立生活饮用水卫生管理制度。
□2、没有水质污染事件报告制度和突发事件应急处理预案。
□3、没有索取与生活饮用水接触的输、配水设备、水处理材料和防护材料等产品卫生许可批件、产品检验合格证明等相关资料。
□4、没有在水源防护地带设置固定的告示牌。
□5、没有配备水净化设施、设备。
□6、没有配备消毒设备、设施。
□7、直接从事供、管水人员没有取得有效的健康证明和卫生知识培训合格证明。
□8、没有本年度水质检测报告书。
□未发现以上问题。
被监督人:卫生监督协管员:年月日年月日备注:检查情况符合内容的在□内打“√”,不符合的在□内打“╳”。
兖州市卫生局制定公共场所卫生监督协管巡查记录表被检查人:地址:法定代表人、负责人:电话:检查时间:年月日时分检查地点:巡查中发现如下问题:1、持有效卫生许可证(有效期至年月日)是□否□2、共有从业人员名,其中未出示有效健康证和培训证上岗证的名,()。
是□否□3、有健全的卫生管理制度及专(兼)职卫生管理人员是□否□4、公共场所使用的消毒产品符合卫生标准和要求是□否□5、有专用清洗消毒间是□否□6、有清洗消毒设施是□否□7、消毒方法正确是□否□8、清洗、消毒程序正确是□否□9、有布草间、公共用品用具保洁设施是□否□10、公共用品用具数量配备符合要求是□否□11、公共用品用具一客一换一消毒,有清洗、消毒、更换登记是□否□12、供顾客使用化妆品符合国家卫生标准和要求是□否□以上记录我看过,情况属实被检查人(陪同人)签名:卫生监督协管员:年月日年月日备注:检查情况符合内容的在□内打“√”,不符合的在□内打“╳”。
兖州市卫生局制定学校卫生监督协管巡查记录表被监督人:法定代表人/负责人:地址:联系电话:巡查中发现如下问题:□1、未成立以学校校长为第一责任人的学校传染病防控管理机构或部门。
学校自建设施供水单位监督检查表供水单位名称:法人(负责人):供水单位地址:经营管理负责人:联系电话:取得卫生许可证:是☐,证号否☐供水覆盖人口:平均日供水量:吨水源类型:地面水:河流□湖泊□其他□地下水:深井□泉水□浅井□供水工艺流程:检查内容检查结果备注设置生活饮用水管理部门,有专兼职人员负责生活饮用水卫生管是()否()理工作建立饮用水卫生管理档案是()否()制订饮用水突发污染事故应急处理预案及饮用水卫生管理制度是()否()使用的涉水产品持有卫生许可批件是()否()直接从事供管水的人员取得体检合格证是()否()根据水源类型和地理位置因地制宜的设置井房、蓄水池、围墙、是()否()警示牌等水源防护设施水井或水源取水点30米防护范围内无旱厕、污水坑、垃圾堆、有是()否()毒化学物品等污染源,井房设置有门,加锁,指定专人管理配备水质净化设施并运转正常,净化工艺:是()否()配备水质消毒设施并运转正常,消毒方式:是()否()消毒设施或措施运行正常,消毒方式:液氯□漂白粉□二氧化氯□其他是()否()设立水质检验室或委托有资质的检验机构开展水质检验检验人是()否()员人,可检验常规项目项,非常规项目项定期对水质进行检验检验频次:检验项目:是()否()对蓄水设施的清洗消毒频次不少于1次/年,频次:是()否()被检查单位(签字):卫生监督员(签字):、日期:年月日检查日期:年月日2017年学校教学环境生活设施卫生监督检查表学校名称: 地址: 负 责 人: 联系电话:被检查人员: 检查人员: 、 检查时间: 年 月 日检查项目检 查 内 容 检查结果 学习时间 小学不超过六小时,中学不超过八小时,大学不超过十小时。
教室人均面积 小学不低于1.15米,中学不低于1.12米课桌椅 最前排课桌椅前缘与黑板的水平距离不小于2米;最后排课桌后缘与黑板的水平距离:小学不大于8米,中学不大于8.5米,教室最后设不小于60厘米的横向走道,纵向走道宽度均不小于55厘米,课桌端部与墙面的距离不小于12厘米。
学校生活饮用水卫生安全检查表
校名:地址:法人或负责人:
检查内容(在所选项后括号内打√):
1、供水方式:市政供水,集中式供水,分散式供水,二次供水,自备水;
2、卫生许可证:有效(),过期(),无()。
3、学校饮水卫生安全管理工作领导小组:有(),无()。
4、学校饮水卫生安全突发事件应急预案:有(),无()。
5、学校饮水卫生安全管理人员(查看文件或会议纪要等):有(),无()。
6、学校生活饮用水卫生安全管理制度建立并上墙:是(),否()。
7、若系学校自备水源,防护措施(现场查看):有(),无()。
8、学校用水池周边污染源(现场查看):有(),无()。
9、水池定期清洗(查看清洗记录):有(),无()。
10、水质净化消毒药剂配置:有,药剂名称,使用非涉水产品情况:有(),无();净化消毒处理记录:有(),
无();水质检测报告单:有(),无()。
12、学生饮水:自备(),学校开水(),桶装水()。
13,桶装水按要求索取供货商提供的有效证件:索取(),齐全(),不齐全(),未索证()。
饮水机是否定期消毒:是(),否()。
15、饮具“一人一具”专用:是(),否();保洁符合要求:是(),否()。
16、本年度至检查之日较大的介水传染病疫情:有,起,无()。
陪同检查人:检查人员:
年月日年月日。
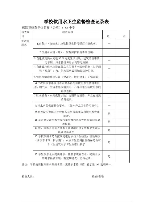
学校饮用水卫生监督检查记录表
学校名称:
学校地址:
一、饮用水卫生
1、供水方式:市政供水二次供水自备供水分布式供水其它:
2、是否制定饮用水卫生管理制度:
有无饮用水卫生管理人员:专职/兼职
3、市政供水
饮水设施设备是否定期消毒:
有无消毒记录:
使用的消毒产品:有无卫生许可批件:
是否提供开水:
4、自备供水
是否持有效卫生许可证:
管水人员是否持有效健康证明:
水源:地面水地下水
有无水源卫生防护:是否合格:
蓄水设施是否定期清洗消毒:
使用的消毒产品:有无卫生许可批件:
是否定期监测水质:
是否提供开水:
5、二次供水
是否持有效卫生许可证:
管水人员是否持有效健康证明:
蓄水设施是否定期清洗消毒:
使用的消毒产品:有无卫生许可批件:
供水设备周围有无污染物:
是否提供开水:
6、分布式供水
水源:地面水地下水
有无水源卫生防护:是否合格:
使用前是否消毒
使用的消毒产品:有无卫生许可批件:
是否定期监测水质:
是否提供开水:
7、其它供水方式具体情况:(直饮水清洁消毒桶装水索证等)
陪同人:检查人:检查日期:。