评定表9.8.2 箱涵浇筑评定
- 格式:xls
- 大小:37.50 KB
- 文档页数:1
箱涵分项工程质量检验表
(编号: ) B-6-18合同号:HNJ-2009/XW/SG-003 工程部位:涵洞分部工程名称:引道工程施工单位:中国水电建设集团十五工程局有限公司理
建设项目:南水北调中线一期总干渠黄河北-羑河北(委托建管项目)新卫段第三施工标段监单位:河南科光工程建设监理有限公司
实用文档
箱涵分项工程质量检验表评定表实用文档
(编号: ) C—8.6.3合同号:HNJ-2009/XW/SG-003 工程部位:涵洞分部工程名称:引道工程施工单位:中国水电建设集团十五工程局有限公司理
建设项目:南水北调中线一期总干渠黄河北-羑河北(委托建管项目)新卫段第三施工标段监单位:河南科光工程建设监理有限公司
实用文档
实用文档
实用文档。
承包单位监理单位
合同段:
编号:
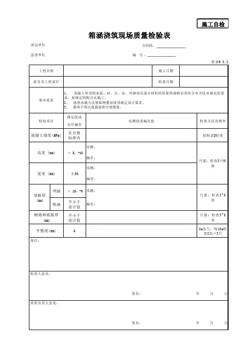
检表9.8.2
工程名称施工日期桩号及工程部位检查日期
基本要求1、混凝土所用的水泥、砂、石、水、外掺剂及混合材料的质量和规格必须符合有关技术规范的要求,按规定的配合比施工。
2、地基承载力及基础埋置深度须满足设计要求。
3、箱体不得出现露筋和空洞现象。
检验项目
规定值或
允许偏差
实测值或偏差值检查方法及频率
混凝土强度(MPa) 在合格
标准内
按附录D检查
高度 (mm) ﹢ 5,-10
实测:
偏差:
尺量:检查3个断
面
宽度 (mm) ±30
实测:
偏差:
顶板厚(mm) 明涵﹢ 10,-0实测:
偏差:
尺量:检查3~5
处
暗涵
不小于
设计值
侧墙和底板厚
(mm) 不小于
设计值
尺量:检查3~5
处
平整度(mm) 5 2m直尺:每10m检查2处×3尺
备注:
检查人意见:
签名:年月日质检负责人意见:
签名:年月日。
9 涵洞工程9.1 一般规定9.1.1 每道涵洞为一个分部工程,包含洞身各部分构件和洞口、填土等分项工程。
9.1.2 跨径或全长符合涵洞标准的通道,按本章的规定进行评定。
9.1.3 带有急流槽的涵洞,急流槽作为涵洞的一个分项工程,按本标准第6.10节评定。
9.1.4 钢筋混凝土涵洞除按本章规定评定外,还应包括钢筋加工及安装分项工程。
9.1.5 明涵的铺装可按本标准第8.12节的有关规定评定。
9.1.6 涵台若设桩基础,按本标准第8.5.2或8.5.3条评定。
9.2 涵洞总体9.2.1 基本要求1) 涵洞施工应严格按照设计图纸、施工规范和有关技术操作规程要求进行。
2) 各接缝、沉降缝位置正确,填缝无空鼓,裂缝、漏水现象:若有预制构件其接缝须与沉降缝吻合。
3) 涵洞内不得遗留建筑垃圾等杂物。
9.2.2 实测项目见表9.2.2。
表9.2.2 涵洞总体实测项目注:实际工程无项次3时,该项不参与评定。
9.2.3 外观鉴定1) 洞身顺直,进出口、洞身、沟槽等衔接平顺,无阻水现象。
不符合要求时减1~3分。
2) 帽石、一字墙或八字墙等应平直,与路线边坡、线形匹配,棱角分明。
不符合要求时减1~3分。
3) 涵洞处路面平顺,无跳车现象。
不符合要求时减2~4分。
4) 外露混凝土表面平整,色泽一致。
不符合要求时减1~3分。
9.3 涵台9.3.1 基本要求1) 所用的水泥、砂、石、水、外掺剂、混合材料及石料的强度、质量和规格必须符合有关技术规范的要求,按规定的配合比施工。
2) 地基承载力及基础埋置深度须满足设计要求。
3) 混凝土不得出现露筋和空洞现象。
4) 砌块应错缝、坐浆挤紧,嵌缝料和砂浆饱满,无空洞、宽缝、大堆砂浆填隙和假缝。
9.3.2 实测项目见表9.3.2。
表9.3.2 涵台实测项目1) 涵台线条顺直,表面平整。
不符合要求时减1~3分。
2) 蜂窝、麻面面积不得超过该面面积的0.5%,不符合要求时,每超过0.5%减3分;深度超过1cm者必须处理。
9 涵洞工程9.1 一般规定9.1.1 每道涵洞为一个分部工程,包含洞身各部分构件和洞口、填土等分项工程。
9.1.2 跨径或全长符合涵洞标准的通道,按本章的规定进行评定。
9.1.3 带有急流槽的涵洞,急流槽作为涵洞的一个分项工程,按本标准第6.10节评定。
9.1.4 钢筋混凝土涵洞除按本章规定评定外,还应包括钢筋加工及安装分项工程。
9.1.5 明涵的铺装可按本标准第8.12节的有关规定评定。
9.1.6 涵台若设桩基础,按本标准第8.5.2或8.5.3条评定。
9.2 涵洞总体9.2.1 基本要求1) 涵洞施工应严格按照设计图纸、施工规范和有关技术操作规程要求进行。
2) 各接缝、沉降缝位置正确,填缝无空鼓,裂缝、漏水现象:若有预制构件其接缝须与沉降缝吻合。
3) 涵洞内不得遗留建筑垃圾等杂物。
9.2.2 实测项目见表9.2.2。
表9.2.2 涵洞总体实测项目注:实际工程无项次3时,该项不参与评定。
9.2.3 外观鉴定1) 洞身顺直,进出口、洞身、沟槽等衔接平顺,无阻水现象。
不符合要求时减1~3分。
2) 帽石、一字墙或八字墙等应平直,与路线边坡、线形匹配,棱角分明。
不符合要求时减1~3分。
3) 涵洞处路面平顺,无跳车现象。
不符合要求时减2~4分。
4) 外露混凝土表面平整,色泽一致。
不符合要求时减1~3分。
9.3 涵台9.3.1 基本要求1) 所用的水泥、砂、石、水、外掺剂、混合材料及石料的强度、质量和规格必须符合有关技术规范的要求,按规定的配合比施工。
2) 地基承载力及基础埋置深度须满足设计要求。
3) 混凝土不得出现露筋和空洞现象。
4) 砌块应错缝、坐浆挤紧,嵌缝料和砂浆饱满,无空洞、宽缝、大堆砂浆填隙和假缝。
9.3.2 实测项目见表9.3.2。
表9.3.2 涵台实测项目9.3.3 外观鉴定1) 涵台线条顺直,表面平整。
不符合要求时减1~3分。
2) 蜂窝、麻面面积不得超过该面面积的0.5%,不符合要求时,每超过0.5%减3分;深度超过1cm者必须处理。
...单元工程施工质量报验单(承包 [顺浚]质报号)合同名称:广安市广安区七一水库扩改建及渠系配套工程合同编号:GQKGS2012-3致:四川腾越建设监理有限公司1号公路涵砼衬砌单元工程已按合同要求完成施工,经自检合格,报请贵方核验。
附:混凝土、模板、钢筋、基础面和施工缝(K0+515-K0+535)单元工程质量评定表。
承包人:(全称及盖章)项目经理:(签名)日期:年月日(核验意见)经核验,单元工程的质量:□ 合格;□ 按附言提供补充材料、证明文件或重做、补做检验;□ 不合格,提交《施工质量缺陷处理措施报审表》。
附言:监理机构:(全称及盖章)监理工程师:(签名)日期:年月日说明:本表一式份,由承包人填写,监理机构审签后,承包人 2 份,监理机构、发包人各 1 份。
四川省渠道工程表 1.5软基开挖单元工程质量评定表单位工程名称 施工三标段单元工程名称、 桩号施工单位 广东顺浚工程有限公司分部工程名称 挡墙单元工程量检验日期年 月日项 保证项目质量 标准检验记录次符合设计要求。
建基面内无草 1 地基清理和处理皮、树根、乱石、坟墓及其他建筑。
泉眼、水井、洞穴已按设计要求处理2 取样检验 符合设计3 岸坡坡度符合设计4截水槽(墙)嵌入基础深度及岩面排水符合设计要求开挖后不及时砌筑或回填5预留保护层时,预留 0.2 ~ 0.3m 厚保护层 6 弃土位置及高度符合设计要求项 允许偏差 设计允许 实测 值合格数 合格率值 偏差(点)( %)次项 目(m)(mm)12 3 4 5 6 7 8 9 10 1基≤10m+100 /////// ///砼 坑 -50或 长+1502砌或 > 10m//////////石 宽-50基基坑底部+503础///////// 坑高 程/4平整度 100 / /////////基+505 铪 坑≤ 10m类 长6 基 或> 10m+100 础 宽的基坑底部 +1007 基坑高 程8平整度100共检测点,其中合格 点,合格率%评定意见单元工程质量等级保证项目全部符合质量标准,基本项目达到标准,检测项目实测 点, 合格率%施工单位建设(监理)单位四川省渠道工程表 1.4岩基开挖单元工程质量评定表单位工程名称施工三标段单元工程名称、施工单位广东顺浚工程有限公司桩号分部工程名称箱涵单元工程量检验日期年月日项保证项目质量标准检验记录次1保护层开挖采用浅孔、密孔、少药量火炮爆破方法或人工开挖2建基面无松动岩块、裂隙光面、陡坎尖角3裂隙密集带按设计处理、并实地测绘及软弱夹层4弃碴位置及符合设计要求堆高项基本项目质量标准检验记录质量等级次合格优良合格优良裂隙、节理及处理方法基本符合设处理方法1符合设计岩溶洞穴计要求要求允许偏合格合格项允许偏差实测值数率设计值 (m)差次项目(点)(%)(mm)123456789101砼基≤+150//////////或坑 10m-50砌长>+2002石或////////// 10m-100基宽3础基坑底+100//////////的部高程-504基基坑开挖200//////////坑平整度5基≤+100铪坑 10m0类长>+2006基或10m0础宽7的基坑底+200基部高程08坑基坑开挖100平整度共检测点,其中合格点,合格率%评定意见单元工程质量等级保证项目全部符合质量标准,基本项目达到标准,检测项目实测点,合格率%施工单位建设(监理)单位施工放样报验单(承包[顺浚]放样号)合同名称:广安市广安区七一水库扩改建及渠系配套工程合同编号: GQKGS2012-3致:四川腾越建设监理有限公司根据施工合同要求,我方已完成公路涵的施工放样工作,请贵方核验。
9 涵洞工程9.1 一般规定9.1.1 每道涵洞为一个分部工程,包含洞身各部分构件和洞口、填土等分项工程。
9.1.2 跨径或全长符合涵洞标准的通道,按本章的规定进行评定。
9.1.3 带有急流槽的涵洞,急流槽作为涵洞的一个分项工程,按本标准第6.10节评定。
9.1.4 钢筋混凝土涵洞除按本章规定评定外,还应包括钢筋加工及安装分项工程。
9.1.5 明涵的铺装可按本标准第8.12节的有关规定评定。
9.1.6 涵台若设桩基础,按本标准第8.5.2或8.5.3条评定。
9.2 涵洞总体9.2.1 基本要求1) 涵洞施工应严格按照设计图纸、施工规范和有关技术操作规程要求进行。
2) 各接缝、沉降缝位置正确,填缝无空鼓,裂缝、漏水现象:若有预制构件其接缝须与沉降缝吻合。
3) 涵洞内不得遗留建筑垃圾等杂物。
9.2.2 实测项目见表9.2.2。
表9.2.2 涵洞总体实测项目注:实际工程无项次3时,该项不参与评定。
9.2.3 外观鉴定1) 洞身顺直,进出口、洞身、沟槽等衔接平顺,无阻水现象。
不符合要求时减1~3分。
2) 帽石、一字墙或八字墙等应平直,与路线边坡、线形匹配,棱角分明。
不符合要求时减1~3分。
3) 涵洞处路面平顺,无跳车现象。
不符合要求时减2~4分。
4) 外露混凝土表面平整,色泽一致。
不符合要求时减1~3分。
9.3 涵台9.3.1 基本要求1) 所用的水泥、砂、石、水、外掺剂、混合材料及石料的强度、质量和规格必须符合有关技术规范的要求,按规定的配合比施工。
2) 地基承载力及基础埋置深度须满足设计要求。
3) 混凝土不得出现露筋和空洞现象。
4) 砌块应错缝、坐浆挤紧,嵌缝料和砂浆饱满,无空洞、宽缝、大堆砂浆填隙和假缝。
9.3.2 实测项目见表9.3.2。
表9.3.2 涵台实测项目9.3.3 外观鉴定1) 涵台线条顺直,表面平整。
不符合要求时减1~3分。
2) 蜂窝、麻面面积不得超过该面面积的0.5%,不符合要求时,每超过0.5%减3分;深度超过1cm者必须处理。