1-5 主井炮眼布置图爆破参数表 改- 副本
- 格式:doc
- 大小:48.00 KB
- 文档页数:1
3428爆 破 条 件序号 名称数量 序号 名称数量 1 巷道掘进断面(㎡)9.4 9 循环进尺(m ) 1.2 2 掏槽方式楔形掏槽 10 每循环煤岩实体(m 3)11.28 3 每次钻眼深度(m ) 1.3 11 岩(煤)硬度系数f3—54 炮眼个数(个) 34 12 炸药种类 二级煤矿许用水胶炸药5 炸药消耗量(k g/m ) 10.06 13 雷管型号 煤矿许用毫秒电雷管6 雷管消耗量(个/m ) 28 14 炮眼利用率(%) 927 每循环炸药消耗量(kg ) 12.075 15 瓦斯情况(m 3/min ) 0 8每循环雷管消耗量(个)3416 煤尘爆炸指数(%)爆 破 说 明 书序号 炮眼名称 炮眼 编号 眼深(m ) 眼距(m )抵抗线(m ) 装药量 角度(°)炮泥长度(m ) 爆破顺序连线方式 说明 眼数(个) 孔装药量(kg ) 总装药量(kg )水平 垂直 左 右 仰 俯 1 掏槽眼 1~4 1.5 1.0 0.7 4 0.6 2.4 72 72 90 90 ≥0.7 Ⅰ 串 联2 辅助眼 5~14 1.3 0..6 0.6 10 0.45 4.5 90 90 90 90 ≥0.7 Ⅱ 3 周边眼 15~31 1.3 0.45 0.45 17 0.225 3.825 85 85 85 85 ≥1.0 Ⅲ4 底眼 32~34 1.3 0.6 0.6 3 0.45 1.35 85 85 85 85 ≥0.7 Ⅳ合计34 12.0752240爆 破 条 件序号 名称数量 序号 名称数量 1 巷道掘进断面(㎡)5.33 9 循环进尺(m ) 1.2 2 掏槽方式楔形掏槽 10 每循环煤岩实体(m 3) 6.396 3 每次钻眼深度(m ) 1.3 11 岩(煤)硬度系数ff=3—54 炮眼个数(个) 25 12 炸药种类 二级煤矿许用水胶炸药 5 炸药消耗量(k g/m ) 6.69 13 雷管型号 煤矿许用毫秒电雷管6 雷管消耗量(个/m ) 21 14 炮眼利用率(%) 927 每循环炸药消耗量(kg ) 8.025 15 瓦斯情况(m 3/min ) 0 8每循环雷管消耗量(个)2516 煤尘爆炸指数(%)爆 破 说 明 书序 号 炮眼 名称 炮眼 编号 眼深(m ) 眼距(m ) 抵抗线(m ) 装药量 角度(°)炮泥长度(m ) 爆破顺序 连线方式说明 眼数(个) 孔装药量(kg ) 总装药量(kg ) 水平 垂直左 右 仰俯 1 掏槽眼 1~4 1.5 1.0 0.5 4 0.6 2.4 72 72 90 90 ≥0.7 Ⅰ 串 联2 辅助眼 5~7 1.3 0.55 0.5 3 0.3 0.9 90 90 90 90 ≥0.9 Ⅱ 3 周边眼 8~22 1.3 0.40 0.5 15 0.225 0.3.375 85 85 85 85 ≥1.0 Ⅲ4 底眼 23~25 1.3 0.56 0.5 3 0.45 1.35 90 90 90 85 ≥0.7 Ⅳ合计258.0253000爆 破 条 件序号 名称数量 序号 名称数量 1 巷道掘进断面(㎡)8.034 9 循环进尺(m ) 1.2 2 掏槽方式楔形掏槽 10 每循环煤岩实体(m 3)9.64 3 每次钻眼深度(m ) 1.30 11 煤硬度系数f f=3—54 炮眼个数(个) 30 12 炸药种类 二级煤矿许用水胶炸药5 炸药消耗量(k g/m ) 8.94 13 雷管型号 煤矿许用毫秒电雷管6 雷管消耗量(个/m ) 25 14 炮眼利用率(%) 927 每循环炸药消耗量(kg ) 10.725 15 瓦斯情况(m 3/min ) 0 8每循环雷管消耗量(个)3016煤尘爆炸指数(%)爆 破 说 明 书序 号 炮眼 名称 炮眼 编号 眼深(m ) 眼距(m ) 抵抗线(m ) 装药量 角度(°)炮泥长度(m ) 爆破顺序 连线方式说明眼数(个) 孔装药量(kg ) 总装药量(kg ) 水平 垂直左 右 仰 俯 1 掏槽眼 1~4 1.5 1.00 0.5 4 0.6 2.4 72 72 90 90 ≥0.7 Ⅰ 串 联2 辅助眼 5~12 1.3 0.6 0.6 8 0.45 3.6 90 90 90 90 ≥0.7 Ⅱ 3 周边眼 13~27 1.3 0.45 0.60 15 0.225 3.375 85 85 85 85 ≥1.0 Ⅲ4 底眼 28~30 1.3 0.6 0.55 3 0.45 1.35 90 90 85 85 ≥0.7 Ⅳ合计30 10.7253928爆 破 条 件序号 名称数量 序号 名称数量 1 巷道掘进断面(㎡)10.7 9 循环进尺(m ) 1.2 2 掏槽方式楔形掏槽 10 每循环煤岩实体(m 3)12.84 3 每次钻眼深度(m ) 1.30 11 煤硬度系数f f=3—54 炮眼个数(个) 38 12 炸药种类 二级煤矿许用水胶炸药5 炸药消耗量(k g/m ) 11.19 13 雷管型号 煤矿许用毫秒电雷管6 雷管消耗量(个/m ) 32 14 炮眼利用率(%) 927 每循环炸药消耗量(kg ) 13.43 15 瓦斯情况(m 3/min ) 0 8每循环雷管消耗量(个)3816煤尘爆炸指数(%)爆 破 说 明 书序 号 炮眼 名称 炮眼 编号 眼深(m ) 眼距(m ) 抵抗线(m ) 装药量 角度(°)炮泥长度(m ) 爆破顺序 连线方式说明眼数(个) 孔装药量(kg ) 总装药量(kg ) 水平 垂直左 右 仰 俯 1 掏槽眼 1~4 1.5 1.20 0.6 4 0.6 2.4 70 70 90 90 ≥0.7 Ⅰ 串 联2 辅助眼 5~14 1.3 0.6 0.6 10 0.45 4.5 90 90 90 90 ≥0.7 Ⅱ 3 周边眼 15~33 1.3 0.45 0.60 19 0.225 4.275 85 85 85 85 ≥1.0 Ⅲ4 底眼 34~38 1.3 0.6 0.55 5 0.45 2.25 90 90 85 85 ≥0.7 Ⅳ合计38 13.4253740爆 破 条 件序号 名称数量 序号 名称数量 1 巷道掘进断面(㎡)10.7 9 循环进尺(m ) 1.2 2 掏槽方式楔形掏槽 10 每循环煤岩实体(m 3)12.84 3 每次钻眼深度(m ) 1.30 11 煤硬度系数f f=3—54 炮眼个数(个) 37 12 炸药种类 二级煤矿许用水胶炸药5 炸药消耗量(k g/m ) 10.625 13 雷管型号 煤矿许用毫秒电雷管6 雷管消耗量(个/m ) 31 14 炮眼利用率(%) 927 每循环炸药消耗量(kg ) 13.43 15 瓦斯情况(m 3/min ) 0 8每循环雷管消耗量(个)3716煤尘爆炸指数(%)爆 破 说 明 书序 号 炮眼 名称 炮眼 编号 眼深(m ) 眼距(m ) 抵抗线(m ) 装药量 角度(°)炮泥长度(m ) 爆破顺序 连线方式说明眼数(个) 孔装药量(kg ) 总装药量(kg ) 水平 垂直左 右 仰 俯 1 掏槽眼 1~4 1.5 1.0 0.6 4 0.6 2.4 72 72 90 90 ≥0.7 Ⅰ 串 联2 辅助眼 5~14 1.3 0.6 0.6 10 0.45 4.05 90 90 90 90 ≥0.7 Ⅱ 3 周边眼 15~32 1.3 0.45 0.60 18 0.225 4.05 85 85 85 85 ≥1.0 Ⅲ4 底眼 33~37 1.3 0.6 0.55 5 0.45 2.25 90 90 85 85 ≥0.7 Ⅳ合计37 12.75序号 名称数量 序号 名称数量 1 巷道掘进断面(㎡)11.6 9 循环进尺(m ) 1.2 2 掏槽方式楔形掏槽 10 每循环煤岩实体(m 3)13.92 3 每次钻眼深度(m ) 1.30 11 煤硬度系数f f=3—54 炮眼个数(个) 39 12 炸药种类 二级煤矿许用水胶炸药5 炸药消耗量(k g/m ) 11.75 13 雷管型号 煤矿许用毫秒电雷管6 雷管消耗量(个/m ) 32.5 14 炮眼利用率(%) 927 每循环炸药消耗量(kg ) 14.1 15 瓦斯情况(m 3/min ) 0 8每循环雷管消耗量(个)3916煤尘爆炸指数(%)爆 破 说 明 书序 号 炮眼 名称 炮眼 编号 眼深(m ) 眼距(m ) 抵抗线(m ) 装药量 角度(°)炮泥长度(m ) 爆破顺序 连线方式说明眼数(个) 孔装药量(kg ) 总装药量(kg ) 水平 垂直左 右 仰 俯 1 掏槽眼 1~4 1.5 1.0 0.6 4 0.6 2.4 72 72 90 90 ≥0.7 Ⅰ 串 联2 辅助眼 5~16 1.3 0.6 0.6 12 0.45 5.4 90 90 90 90 ≥0.7 Ⅱ 3 周边眼 17~34 1.3 0.45 0.60 18 0.225 4.05 85 85 85 85 ≥1.0 Ⅲ 4 底眼 35~39 1.3 0.6 0.55 5 0.45 2.25 90 90 85 85 ≥0.7 Ⅳ合计39 14.1序号 名称数量 序号 名称数量 1 巷道掘进断面(㎡)16.3 9 循环进尺(m ) 1.2 2 掏槽方式楔形掏槽 10 每循环煤岩实体(m 3)19.56 3 每次钻眼深度(m ) 1.30 11 煤硬度系数f f=3—54 炮眼个数(个) 56 12 炸药种类 二级煤矿许用水胶炸药5 炸药消耗量(k g/m ) 15.56 13 雷管型号 煤矿许用毫秒电雷管6 雷管消耗量(个/m ) 46.67 14 炮眼利用率(%) 92 7 每循环炸药消耗量(kg ) 18.675 15 瓦斯情况(m 3/min ) 0 8每循环雷管消耗量(个)5616煤尘爆炸指数(%)爆 破 说 明 书序 号 炮眼 名称 炮眼 编号 眼深(m ) 眼距(m ) 抵抗线(m ) 装药量 角度(°)炮泥长度(m ) 爆破顺序 连线方式说明眼数(个) 孔装药量(kg ) 总装药量(kg ) 水平 垂直左 右 仰 俯 1 掏槽眼 1~4 1.5 1.0 0.6 4 0.6 2.4 72 72 90 90 ≥0.7 Ⅰ 串 联2 辅助眼一 5~14 1.3 0.6 0.6 10 0.45 4.5 90 90 90 90 ≥0.7 Ⅱ 3 辅助眼二 15~27 1.3 0.6 0.60 13 0.3 3.9 90 90 90 90 ≥0.9 Ⅲ4 周边眼 28~50 1.3 0.45 0.55 23 0.225 5.175 85 85 85 85 ≥1.0 Ⅳ 底眼 51~561.3 0.6 0.6 6 0.452.7 90 90 85 85 ≥0.7 Ⅴ合计5618.675序号 名称数量 序号 名称数量 1 巷道掘进断面(㎡)10.1 9 循环进尺(m ) 1.0 2 掏槽方式楔形掏槽 10 每循环煤岩实体(m 3)10.1 3 每次钻眼深度(m ) 1.10 11 煤硬度系数f f=2—34 炮眼个数(个) 37 12 炸药种类 三级煤矿许用水胶炸药5 炸药消耗量(k g/m ) 12.75 13 雷管型号 煤矿许用毫秒电雷管6 雷管消耗量(个/m ) 37 14 炮眼利用率(%) 85 7 每循环炸药消耗量(kg ) 12.75 15 瓦斯情况(m 3/min ) 0 8每循环雷管消耗量(个)3716煤尘爆炸指数(%)爆 破 说 明 书序 号 炮眼 名称 炮眼 编号 眼深(m ) 眼距(m ) 抵抗线(m ) 装药量 角度(°)炮泥长度(m ) 爆破顺序 连线方式说明眼数(个) 孔装药量(kg ) 总装药量(kg ) 水平 垂直左 右 仰 俯 1 掏槽眼 1~4 1.3 1.0 0.6 4 0.6 2.4 72 72 90 90 ≥0.6 Ⅰ 串 联2 辅助眼 5~14 1.1 0.6 0.6 10 0.45 4.05 90 90 90 90 ≥0.6 Ⅱ3 周边眼 15~32 1.1 0.45 0.60 18 0.225 4.05 85 85 85 85 ≥0.8 Ⅲ4 底眼 33~37 1.1 0.6 0.55 5 0.45 2.25 90 90 85 85 ≥0.6 Ⅳ合计37 12.75序号 名称数量 序号 名称数量 1 巷道掘进断面(㎡)10.99 9 循环进尺(m ) 1.2 2 掏槽方式楔形掏槽 10 每循环煤岩实体(m 3)13.188 3 每次钻眼深度(m ) 1.30 11 煤硬度系数f f=2—34 炮眼个数(个) 38 12 炸药种类 三级煤矿许用水胶炸药5 炸药消耗量(k g/m ) 10.875 13 雷管型号 煤矿许用毫秒电雷管6 雷管消耗量(个/m ) 31.67 14 炮眼利用率(%) 92 7 每循环炸药消耗量(kg ) 13.05 15 瓦斯情况(m 3/min ) 0 8每循环雷管消耗量(个)3816煤尘爆炸指数(%)爆 破 说 明 书序 号 炮眼 名称 炮眼 编号 眼深(m ) 眼距(m ) 抵抗线(m ) 装药量 角度(°)炮泥长度(m ) 爆破顺序 连线方式说明眼数(个) 孔装药量(kg ) 总装药量(kg ) 水平垂直左 右 仰 俯 1 掏槽眼 1~4 1.5 1.0 0.6 4 0.6 2.4 72 72 90 90 ≥0.7 Ⅰ 串 联2 辅助眼一 5~6 1.3 0.6 0.6 2 0.45 0.9 90 90 90 90 ≥0.7 Ⅱ 3 辅助眼二 7~16 1.3 0.6 0.60 10 0.3 3.0 90 90 90 90 ≥0.9 Ⅲ4 周边眼 17~30 1.3 0.45 0.55 14 0.225 3.15 85 85 85 85 ≥1.0 Ⅳ 底眼 31~38 1.3 0.6 0.6 8 0.45 3.6 90 90 85 85 ≥0.7 Ⅴ合计3813.05。
Ⅴ级围岩爆破设计一、分部开挖钻爆设计: Ⅴ级围岩爆破开挖顺序图如下:(一) 爆破参数设计 1.“1”部位爆破参数1) 炮眼直径炮眼直径采用:d=42mm2) 掏槽方式:掏槽眼采用斜眼掏槽,其他炮眼采用直眼掏槽; 3) 炮眼深度及角度① 掏槽眼: 深1.8m ;角度75°。
② 崩落眼:深1.7m ;角度90°。
③ 周边眼和二圈眼:深1.7m ,87°。
4)循环进尺循环进尺为1.5m ,炮眼利用率0.9。
5)掏槽眼掏槽形式及孔网参数如下图:掏槽孔装药量计算:按装药系数确定直孔掏槽的炮孔装药量:Q=ηlq1 =0.50×1.8×0.78=0.702kg,取Q=0.75kg。
6)崩落孔爆破及参数参数抵抗线:根据经验取抵抗线W=700mm。
炮孔间距取:a r=(0.8~1.3)Wa r=1.0×700=770mm,在实际爆破过程中取a r=750mm。
崩落孔装药量:Q=qa r wl=0.7×0.75×0.70×1.5=0.55kg,取Q=0.60kg。
7)周边孔爆破及参数周边孔参数按经验公式计算孔间距:E=(8~12)d,在计算时取E=12×42=504mm,故取E=500mm。
抵抗线:W=(1.0~1.5)E,在计算时取W=1.2×500=600mm。
装药集中度:q=0.04~0.19kg/m,取q=0.13kg/m,故Q=0.13×1.5=0.195kg,取Q=0.30kg。
8)炮孔堵塞长度l0的计算l0=(0.2~0.5)W,取l0=0.3×0.8=0.24m,在实际施工中取l0=300mm。
2.“2”和“3”部位爆破参数1)炮眼直径炮眼直径采用:d=42mm2)循环进尺循环进尺为1.5m,炮眼利用率0.9。
3) 炮眼深度及角度①崩落眼:深1.7m;角度90°。
炮眼布置图(半圆拱断面)比例:1:50这要看炮采还是炮掘,1、炮采工作面。
一般常用的炮眼布置有以下三种:1、单排眼,一般用于薄煤层或煤质软、节理发育的煤层。
2、双排眼,其布置形式有对眼、三花眼和三角眼等,一般适用于采高较小的中厚煤层。
煤质中硬时可用对眼,煤质软时可用三花眼,煤层上部煤质软或顶板破碎时可用三角眼。
3、三排眼,亦称五花眼,用于煤质坚硬或采高较大的中厚煤层。
炮眼角度应满足下列要求:(1)、炮眼与煤壁的水平夹角一般为50度至80度,软煤取大值,硬煤取小值。
为了不崩倒支架,应使水平方向的最小抵抗线朝向两柱之间的空档。
(2)、顶眼在垂直面上向顶板方向仰起5度至10度,要视煤质软硬和煤层粘顶情况而定,应保证不破坏顶板的完整性;(3)、底眼在垂直面上向底板方向保持10度至20度的俯角,眼底接近底板,以不丢底煤为原则。
炮眼深度根据每次的进度而定。
一般每次进度有0.8米、1米、1.2米三种。
每个炮眼的装药量根据煤质软硬、炮眼位置和深度以与爆破次序而定,通常为150至600克。
爆破采用串联法联线。
每次起爆的炮眼数目,应根据顶板稳定性、工作面安全情况而定。
条件好时,可同时起爆数十个眼;如果条件差,顶板不稳定,每次只能爆破几个眼,甚至采用留煤垛间隔爆破的办法。
2、炮掘工作面掘进工作面的炮眼,按其用途和位置可分为掏槽眼、辅助眼和周边眼三类。
各类炮眼在工作面上的位置不同,爆破顺序不同,因而在爆破工作中所起的作用不同,布置原则也不同。
(1)掏槽眼。
掏槽眼的作用是首先在工作面上将某一部分岩石破碎并抛出,在第一个自由面的基础上崩出第二个自由面,为其他炮眼的爆破创造有利条件。
掏槽效果的好坏对循环进尺起着决定性的作用。
因此,掏槽眼的布置最为关键。
掏槽眼一般布置在巷道断面中央偏下靠近底板处,这样便于钻眼时掌握方向,并有利于其他多数炮眼能借助岩石的自重崩落。
在掘进断面中如果存在有显著易爆的软弱岩层时,则应将掏槽眼布置在这些软弱岩层中。
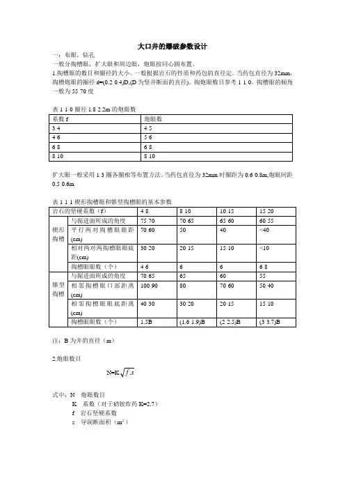
大口井的爆破参数设计一:布眼,钻孔一般分掏槽眼,扩大眼和周边眼,炮眼按同心圆布置。
1.掏槽眼的数目和圈径的大小。
一般根据岩石的性质和药包的直径定。
当药包直径为32mm,掏槽炮眼的圈径d=(0.2-0.4)D,(D为竖井断面的直径)。
掏炮眼数目参考1-1-0。
掏槽眼的倾角一般为55-70度扩大眼一般采用1-3圈各圈相等布置方法。
当药包直径为32mm时圈距为0.6-0.8m,炮眼间距0.5-0.6m注:B为井的直径(m)2.炮眼数目f.N=K s式中:N---炮眼数目K---系数(对于硝铵炸药K=2.7)f---岩石坚硬系数s---导洞断面积(m²)表1-1-2岩石的坚硬系数与单位耗药量h=(0.4-0.8)B式中:B---井的直径表1-1-3(0.4—0.8)与岩石的坚硬系数有关见4.钻孔(1)钻孔方向尽量垂直于层里面(2)直眼掏槽一般都布置不装药的空眼作为爆破时的第二个临空面。
(3)直眼掏槽采用五孔掏槽。
其中间孔为空孔,一般不装药,为确保掏槽抛碴,可在底部少量装药,最后起爆抛槽渣。
(4)楔形掏槽采用六孔掏槽。
二. 药量计算、装药方法、装药结构及炮孔堵塞.1.单孔药量(1)最小抵抗线W为W=L2+1/2L1=2/3L式中:L2----堵塞炮孔长度,L2=1/3LL1----装药长度L1=2/3LL----孔深(2)炮孔药量Q为Q=qW³=8/27qL³式中:q---正常松动爆破的单位耗药量,见表1-1-22.装药方法采用人工用木制炮棍装药3.装药结构周边眼采用光面或预裂爆破,装药结构为间隔装药;掏槽孔和掘进孔、底板孔采用连续装药结构。
4. 炮孔堵塞:炮孔采用人工堵塞,堵塞材料为粘性土卷(需提前加工),用木制炮棍压紧。
堵塞长度一般不小于25~30厘米;严禁不堵孔爆破。
三:网络设计及起爆方法1. 起爆网络采用并簇连法,按如下顺序连接:孔内雷管分组→周边孔导爆索并接→同段非电雷管双发簇连→双发火雷管起爆。
巷道开挖爆破优化设计(爆破警戒示意图+炮孔布置图+网络敷设图+巷道断面图+装药结构图)-课程设计巷道开挖爆破优化设计(爆破警戒示意图+炮孔布置图+网络敷设图+巷道断面图+装药结极图)忙碌了一个多星期终于完成了爆破课程设计,说难也不难,可是自己真的做起来确实觉得到处碰壁,当初拿到题目时,脑子里真的想不出该怎么去做,应该说是无从下手了,于是就想着老师能给我们一些范本,好参照着做,结果也没有拿到,于是自己跑到图书管寻觅着相关资料,好不容易借了3本书,一阵幸喜之后便开始翻阅,从中找到了许多有用的设计资料,就这样不会了从书上慢慢找回需要的知识,在这样的过程中终于做完了我的爆破设计。
做完设计,自己收获很多,收获的不仅是平时没有见过或者很陌生的知识,尤其是通过自己的努力作出的成果的那种乐趣,我的设计题目是《道开挖优化爆破设计》,采用全断面一次爆破,运用光面爆破的方法进行设计。
由于光面爆破能减少超挖,爆破后形成规模,以及爆破后隧道轮廓外的围岩不产生或很少产生爆破裂缝,有效保持了围岩的稳定性等特点,在隧、巷道掘进中,光面爆破已全面推广,并成为一种标准的施工方法。
光面爆破技术的关键是更好准确的确定光爆参数,包括周面眼的布置,最小抵抗线,装药系数,以及不偶合系数的确定,根据确定的参数进行布孔和装药,近而为后来的施工开挖做准备。
通过本次设计我基本上了解到了一些爆破施工设计的方法、步骤以及注意事项。
更重要的是通过这次设计,使我发现了自己以前在学习这门课程中的不足。
爆破工程不是一门只注重理论的课程,事实上,一个好的爆破设计并不是单单靠书本知识就可以做出来的,它实际上是一个指导理论与实践经验的产物。
在爆破过程中,安全问题的重要性随时都体现着。
整个爆破环节中只要是出现一个小小的错误,都可能导致爆破的失败及危险的出现,更有可能造成人员伤亡。
爆破器材的运输、保管以及正常使用更是有着严格的规定。
所以在爆破实际施工过程中,一定要保持严谨、认真的态度,结合以往经验及实际情况进行设计施工。
Ⅴ级围岩爆破设计一、分部开挖钻爆设计: Ⅴ级围岩爆破开挖顺序图如下:(一) 爆破参数设计 1.“1”部位爆破参数1) 炮眼直径炮眼直径采用:d=42mm2) 掏槽方式:掏槽眼采用斜眼掏槽,其他炮眼采用直眼掏槽; 3) 炮眼深度及角度① 掏槽眼: 深1.8m ;角度75°。
② 崩落眼:深1.7m ;角度90°。
③ 周边眼和二圈眼:深1.7m ,87°。
4)循环进尺循环进尺为1.5m ,炮眼利用率0.9。
5)掏槽眼掏槽形式及孔网参数如下图:掏槽孔装药量计算:按装药系数确定直孔掏槽的炮孔装药量:Q=ηlq1=0.50×1.8×0.78=0.702kg,取Q=0.75kg。
6)崩落孔爆破及参数参数抵抗线:根据经验取抵抗线W=700mm。
炮孔间距取:ar=(0.8~1.3)War =1.0×700=770mm,在实际爆破过程中取ar=750mm。
崩落孔装药量:Q=qarwl=0.7×0.75×0.70×1.5=0.55kg,取Q=0.60kg。
7)周边孔爆破及参数周边孔参数按经验公式计算孔间距:E=(8~12)d,在计算时取E=12×42=504mm,故取E=500mm。
抵抗线:W=(1.0~1.5)E,在计算时取W=1.2×500=600mm。
装药集中度:q=0.04~0.19kg/m,取q=0.13kg/m,故Q=0.13×1.5=0.195kg,取Q=0.30kg。
8)炮孔堵塞长度l的计算l 0=(0.2~0.5)W,取l=0.3×0.8=0.24m,在实际施工中取l=300mm。
2.“2”和“3”部位爆破参数1)炮眼直径炮眼直径采用:d=42mm2)循环进尺循环进尺为1.5m,炮眼利用率0.9。
3) 炮眼深度及角度①崩落眼:深1.7m;角度90°。
②周边眼和二圈眼:深1.7 m,87°。
东庞矿井下组煤开采技术改造项目主井井筒﹙北风井﹚爆破施工设计方案中煤河北煤炭四处编制说明1.认真执行国家现行的规范、标准及行业的有关规定,在确保安全和工程质量的前提下,科学合理安排工程进度,优质、快速施工。
2.科学合理安排各工序施工顺序,优化施工方法,采取技术组织措施和质量保证措施,精心组织三类工程平行交叉作业。
3.提高矿井机械化水平,改善劳动条件,提高劳动生产率。
4.认真贯彻“安全第一,预防为主”的方针,制定可行的安全技术措施,确保施工人员的安全和矿井施工的顺利进行。
把防瓦斯、防水、防火、火工品防爆、井帮防片落等自然灾害防治工作贯穿到各工序中,做到防治结合。
第一章工程概况一、工程概况河北金牛能源股份有限公司东庞矿井下组煤开采技术改造项目主井井筒(北风井)凿井工程位于河北省邢台市内邱县东庞矿境内,东庞矿交通十分便利,京广铁路、京深高速公路和107国道由井田的东侧穿过;东庞矿工业广场距邢台市约23km;井田为地势平坦的陆地,本矿地区属温带大陆性气候,本区多年平均气温为12~15℃,最低气温-23.5℃,近年最高气温42.6℃,年平均降雨量650mm,最大降雨量1552.2mm,降雨多集中在6~9月份;结冻期一般在11月至次年2月解冻,最大冻土深度为440mm。
主要风2.4~3.7m/s, 最大风速20m/s。
主井井筒(北风井)由邯郸工业设计院设计,井筒表土段及基岩风化带采用冻结法施工,冻结深度招标书暂定115m。
东庞矿主井井筒(北风井)工程技术特征表表1第二章施工准备一、施工准备原则①施工准备期间,各工序、各工种之间交叉频繁,采用统筹的方法,运用网络技术,紧抓关键工程,采取交叉平行作业。
②技术准备是工程准备和其它各项准备的前提,将在施工准备前期完成。
③建筑安装工程采取交叉平行作业,安排工程进度时,考虑劳动力和设备的平衡。
二、现场施工条件施工用水:在建设单位指定位置取水,我方自行铺设管路至各用水点。
第145页平行空眼直线掏槽于楔形掏槽(倾斜眼掏槽)的爆破效果比较列于表8-4.该数据是在断面为2.4m×2。
1m,长度为600m的不同岩层掘进时监测的。
由表8—4看出:(1)楔形掏槽优点有:一是所需炮眼数目少;二是炸药单耗低;三是爆破单位体积岩石所需的炮眼长度低。
(2)直眼掏槽优点有:一是炮眼利用率高;二是眼深不受巷道断面限制;三是破碎块度均匀;四是钻眼方便,准确性高.这两种方法的优缺点正好相反。
直眼掏槽在单位炸药消耗量和爆破单位体积岩石所需的炮眼长度方面都比楔形掏槽高,其主要原因是直眼掏槽槽腔的炸药单耗和炮眼数目明显偏高。
因此,直眼掏槽的爆破效率在小断面掘进工作要比楔形掏槽的爆破效率低,但在中等和大断面的掘进工作面,由于槽腔面积所占掘进面积的比例小,直眼掏槽爆破效率明显提高.c 混合式掏槽混合式掏槽是指两种以上的掏槽方式混合使用,在遇到岩石特别坚硬或巷道断面较大时,可以采用桶形与锥形混合掏槽。
B 辅助眼和周边眼的布置原则辅助眼和周边眼的布置原则:(1)布眼均匀,既要充分利用炸药能量,又要保证岩石按设计轮廓线崩落。
其间距根据岩石性质而定,一般辅助眼取0.4-0。
8m,周边眼取0。
5-1.0m,周边眼距巷道轮廓线取0。
1-0。
2m。
(2)底眼布置较为困难,有积水时容易产生瞎炮,因此要注意以下几点:1)眼间距一般为0。
4-0.7m,抛炸爆破时,底眼采用较小间距;2)底眼眼口应比巷道底板高出0。
1—0。
2m,但其眼底应低于底板0。
1-0。
2m,抛炸爆破时,应将炮孔深度加深0.2m左右;3)底眼装药量介于掏槽眼和辅助眼之间,装药长度为眼深的0.5—0。
7倍,抛炸爆破时,每孔增加1-2个药卷.目前,在一些质量要求较高的井巷掘进中,大都采用光面爆破或预裂爆破技术。
有关参数设计可参考第7.4节“预裂爆破和光面爆破"中的内容,在此不重复.第146页工作面的炮眼布置图如图8-9所示。
巷道断面面积3mx3m,图中数字为起爆顺序图未做8.1。