扣件式钢管脚手架验收规范.pptx
- 格式:pptx
- 大小:255.59 KB
- 文档页数:9
扣件式钢管脚手架验收规范一、构配件检查与验收1.1 新钢管的检查应符合下列规定:1、应有产品质量合格证;2、应有质量检验报告,钢管材质检验方法应符合现行国家标准,金属拉伸试验方法<GB/T 228>的有关规定,质量应符合本规范第1.1 条的规定;3、钢管表面应平直光滑,不应有裂缝、结疤、分层、错位、硬弯、毛刺、压痕和深的划道;4、钢管外径、壁厚、端面等的偏差,应分别符合本规范表1.5的规定;5、钢管必须涂有防锈漆;1.2 旧钢管的检查应符合下列规定:1、表面锈蚀深度应符合本规范表1.5 序号3 的规定,锈蚀检查应每年一次。
检查时,应在锈蚀严重的钢管中抽取三根,在每根锈蚀严重的部位横向截断取样检查,当锈蚀深度超过规定值时不得使用;2、钢管弯曲变形应符合本规范表1.5 序号4 的规定;1.3 扣件的验收应符合下列规定:1、新扣件应有生产许可证、法定检测单位的测试报告和产品质量合格证,当对扣件质量有怀疑时,应按现行国家标准钢管脚手架扣件<GB--15831>的规定抽样检测;2、旧扣件使用前应进行质量检查,有裂必须更换;3、新、旧扣件均应进行防锈处理;1.4 脚手板的检查应符合下列规定:1、冲压钢脚手板的检查应符合下列规定:1>新脚手板应有产品质量合格证;2>尺寸偏差应符合本规范表1.5 序号5 的规定;3>新、旧脚手板均应涂防锈漆;2、木脚手板的检查应符合下列规定:1>木脚手板的宽度不宜小于200mm 厚度,腐朽的脚手板不得使用;2>竹笆脚手板、竹串片脚手板的材料应符合要求;构配件的偏差应符合表1.5 的规定二、脚手架检查与验收2.1、脚手架及其地基基础应在下列阶段进行检查与验收:1>基础完工后及脚手架搭设前;2>作业层上施加荷载前;3>每搭设完10~13m 高度后;4>达到设计高度后;5>遇有六级大风与大雨后,寒冷地区开冻后;6>停用超过一个月;2.2、进行脚手架检查、验收时应根据下列技术文件:1>本规范第2.3、2.5 条的规定2>施工组织设计及变更文件;3>技术交底文件;2.3、脚手架使用中,应定期检查下列项目:1、杆件的设置和连接连墙件支撑门洞桁架等的构造是否符合要求;2、地基是否积水、底座是否松动、立杆是否悬空;3、扣件螺栓是否松动;4、高度在24m 以上的脚手架,其立杆的沉降与垂直度的偏差是否符合本规范表2.4 项次1、2 的规定;5、安全防护措施是否符合要求;6、是否超载;2.4、脚手架搭设的技术要求、允许偏差与检验方法,应符合规定;2.5、安装后的扣件螺栓拧紧扭力矩应采用扭力扳手检查,抽样方法应按随机分布原则进行。
扣件式钢管足脚架查支典型之阳早格格创做一、构配件查看与查支1.1 新钢管的查看应切合下列确定:1、应有产品本量合格证;2、应有本量考验报告,钢管材量考验要领应切合现止国家尺度,金属推伸考查要领 (GB/T 228)的有闭确定,本量应切合本典型第1.1 条的确定;3、钢管表面应笔直光润,没有该有缝隙、结疤、分层、错位、硬直、毛刺、压痕战深的划讲;4、钢管中径、壁薄、端里等的偏偏好,应分别切合本典型表1.5的确定;5、钢管必须涂有防锈漆;1.2 旧钢管的查看应切合下列确定:1、表面锈蚀深度应切合本典型表1.5 序号3 的确定,锈蚀查看应每年一次.查看时,应正在锈蚀宽重的钢管中抽与三根,正在每根锈蚀宽重的部位横背截断与样查看,当锈蚀深度超出确定值时没有得使用;2、钢管蜿蜒变形应切合本典型表1.5 序号 4 的确定;1.3 扣件的查支应切合下列确定:1、新扣件应有死产许可证、法定检测单位的尝试报告战产品本量合格证,当对于扣件本量有猜疑时,应按现止国家尺度钢管足脚架扣件 (GB--15831)的确定抽样检测;2、旧扣件使用前应举止本量查看,有裂必须调换;3、新、旧扣件均应举止防锈处理;1.4 足脚板的查看应切合下列确定:1、冲压钢足脚板的查看应切合下列确定:1)新足脚板应有产品本量合格证;2)尺寸偏偏好应切合本典型表1.5 序号 5 的确定;3)新、旧足脚板均应涂防锈漆;2、木足脚板的查看应切合下列确定:1)木足脚板的宽度没有宜小于200mm 薄度,腐朽的足脚板没有得使用;2)竹笆足脚板、竹串片足脚板的资料应切合央供;构配件的偏偏好应切合表1.5 的确定两、足脚架查看与查支2.1、足脚架及其天基前提应正在下列阶段举止查看与查支:1)前提完工后及足脚架拆设前;2)做业层上施加荷载前;3)每拆设完 10~13m 下度后;4)达到安排下度后;5)逢有六级大风与大雨后,热热天区启冻后;6)停用超出一个月;2.2、举止足脚架查看、查支时应根据下列技能文献:1)本典型第2.3、2.5 条的确定2)动工构制安排及变动文献;3)技能接底文献;2.3、足脚架使用中,应定期查看下列名目:1、杆件的树坐战对接连墙件支撑门洞桁架等的构制是可切合央供;2、天基是可积火、底座是可紧动、坐杆是可悬空;3、扣件螺栓是可紧动;4、下度正在 24m 以上的足脚架,其坐杆的重落与笔直度的偏偏好是可切合本典型表2.4 项次1、2 的确定;5、仄安防备步伐是可切合央供;6、是可超载;2.4、足脚架拆设的技能央供、允许偏偏好与考验要领,应切合确定;2.5、拆置后的扣件螺栓拧紧扭力矩应采与扭力扳脚查看,抽样要领应按随机分散准则举止.抽样查看数目与本量判决尺度,应按表2.5 的确定决定,分歧格的必须重新拧紧,直至合格为止.三、仄安管制3.1、足脚架拆设人员必须是通过按现止国家尺度《特种做业人员仄安技能考核管制准则》(GB-5036)考核合格的博业架子工.上岗人员应定期体检,合格者圆可持证上岗;3.2、拆设足脚架人员必须戴仄安帽、系仄安戴、脱防滑鞋;3.3、足脚架的构配件本量与拆设本量应按本典型第一章的确定举止检考查支,合格后圆准使用;3.4、做业层上的动工荷载应切合安排央供,没有得超载,没有得将模板支架、缆风绳、泵支混凝土战砂浆的输支管等牢固正在足脚架上,宽禁悬挂起重设备;3.5、当有六级及六级以上大风战雾、雨、雪天气时应停止足脚架拆设与裁撤做业;雨、雪后上架做业应有防滑步伐,并应扫除积雪;3.6、足脚架的仄安查看与维护,应按本典型第2.2 、2.5 条的确定举止,仄安网应按有闭确定拆设或者裁撤;3.7、正在足脚架使用功夫,宽禁裁撤下列杆件:1)主节面处的纵、横背火仄杆,纵、横背扫天杆;2)连墙件;3.8、没有得正在足脚架前提及其相近处举止掘掘做业,可则应采与仄安步伐,并报主管部分接受;3.9、临街拆设足脚架时,中侧应有预防坠物伤人的防备步伐;3.10、正在足脚架上举止电、气焊做业时,必须有防火步伐战博人瞅守;3.11、工天临时用电线路的架设及足脚架接天、躲雷步伐等,应按现止止业尺度《动工现场临时用电仄安技能典型》(JGJ 46)的有闭确定实止;3.12、拆拆足脚架时,大天应设围栏战警戒标记,并派博人瞅守.宽禁非支配人员进内 .。
扣件式钢管脚⼿架验收规范标准扣件式钢管脚⼿架验收规范⼀、构配件检查与验收1.1新钢管的检查应符合下列规定:1、应有产品质量合格证;2、应有质量检验报告,钢管材质检验⽅法应符合现⾏国家标准,⾦属拉伸试验⽅法(GB/T 228)的有关规定,质量应符合本规范第1.1 条的规定;3、钢管表⾯应平直光滑,不应有裂缝、结疤、分层、错位、硬弯、⽑刺、压痕和深的划道;4、钢管外径、壁厚、端⾯等的偏差,应分别符合本规范表1.5的规⽦;5、钢管必须涂有防锈漆;1.2旧钢管的检查应符合下列规定:1、表⾯锈蚀深度应符合本规范表 1.5序号3的规定,锈蚀检查应每年⼀次。
检查时,应在锈蚀严重的钢管中抽取三根,在每根锈蚀严重的部位横向截断取样检查,当锈蚀深度超过规定值时不得使⽤;2、钢管弯曲变形应符合本规范表1.5序号4的规定;1.3扣件的验收应符合下列规定:1、新扣件应有⽣产许可证、法定检测单位的测试报告和产品质量合格证,当对扣件质量有怀疑时,应按现⾏国家标准钢管脚⼿架扣件(GB--15831)的规定抽样检测;2、旧扣件使⽤前应进⾏质量检查,有裂必须更换;3、新、旧扣件均应进⾏防锈处理;1.4脚⼿板的检查应符合下列规定:1、冲压钢脚⼿板的检查应符合下列规定:1)新脚⼿板应有产品质量合格证;2)尺⼨偏差应符合本规范表1.5序号5的规定;3)新、旧脚⼿板均应涂防锈漆;2、⽊脚⼿板的检查应符合下列规定:1)⽊脚⼿板的宽度不宜⼩于200mm厚度,腐朽的脚⼿板不得使⽤;2)⽵笆脚⼿板、⽵串⽚脚⼿板的材料应符合要求;构配件的偏差应符合表1.5的规定器杯-k 尺⼉备种HfrfflS的鬧器殍曲lWi-Stn虹⽴杆fflffflf曲3ni p J> Imhn ;K6.5ih⼭⽔平杆.MW ⽢殍曲l<6Jmrstfi⾯握曲I > lltl(任-fim起i ■:5-12<2?训板尺钢松尺⼆、脚⼿架检查与验收2.1、脚⼿架及其地基基础应在下列阶段进⾏检查与验收:1)基础完⼯后及脚⼿架搭设前;2)作业层上施加荷载前;3)每搭设完10~13m ⾼度后;4)达到设计⾼度后;5)遇有六级⼤风与⼤⾬后,寒冷地区开冻后;6)停⽤超过⼀个⽉;2.2、进⾏脚⼿架检查、验收时应根据下列技术⽂件:1)本规范第2.3、2.5条的规定2)施⼯组织设计及变更⽂件;3)技术交底⽂件;2.3、脚⼿架使⽤中,应定期检查下列项⽬:1、杆件的设置和连接连墙件⽀撑门洞桁架等的构造是否符合要求;2、地基是否积⽔、底座是否松动、⽴杆是否悬空;3、扣件螺栓是否松动;4、⾼度在24m以上的脚⼿架,其⽴杆的沉降与垂直度的偏差是否符合本规范表2.4项次1、2的规定;5、安全防护措施是否符合要求;6、是否超载;2.4、脚⼿架搭设的技术要求、允许偏差与检验⽅法,应符合规定;5专业word可编辑?和in的技楫求,nm与斛能次⽤BA (mm)冠jft⽤帖⽅粘⼯H1拙ImAH祕輙不㈱不帥-10*中利巧次⽤城⼊注:业纵撇205020⼟⼟⼟映尺纵向⽔平⼀視⼘的两端制跨内两榊煤刈⽔¥朴⾎总取fit JW于梨橫向朴外神⾠度怕差外忡T Qfhnni±20±10⽔T厲哑⽔平尺创槪尺rt技术嬰求fcil僞⽜Aturn) IJ 100携设中检査輪望的咼度仙〕町⽽度50 HI40 m 2ft m检》汰f jlJl11=2"1011=2011=5011= W11=50±7:20±44±60+ B0±100±25±50±75±100+ 7上100专业word 可编辑Jft (I允许技术ft? 8* △Qnm]检低疗法与 j: JI主节点中⼼点tilM 上的时樓⼭件⾄主节加曲离纵向出半⼘上的对搂枷IT 乍IF 点的酥 MM rr.^h i 叫⼑拧斜⼘?'j 地U Wj 50 mm.■' 5WitntiU <:h/3JO -65N * A\IKK帕尺Pl/j 1ST 和尺。
扣件式钢管脚手架验收规范一、构配件检查与验收1.1 新钢管的检查应符合下列规定:1、应有产品质量合格证;2、应有质量检验报告,钢管材质检验方法应符合现行国家标准,金属拉伸试验方法(GB/T 228)的有关规定,质量应符合本规范第1.1 条的规定;3、钢管表面应平直光滑,不应有裂缝、结疤、分层、错位、硬弯、毛刺、压痕和深的划道;4、钢管外径、壁厚、端面等的偏差,应分别符合本规范表1.5的规定;5、钢管必须涂有防锈漆;1.2 旧钢管的检查应符合下列规定:1、表面锈蚀深度应符合本规范表1.5 序号3 的规定,锈蚀检查应每年一次。
检查时,应在锈蚀严重的钢管中抽取三根,在每根锈蚀严重的部位横向截断取样检查,当锈蚀深度超过规定值时不得使用;2、钢管弯曲变形应符合本规范表1.5 序号4 的规定;1.3 扣件的验收应符合下列规定:1、新扣件应有生产许可证、法定检测单位的测试报告和产品质量合格证,当对扣件质量有怀疑时,应按现行国家标准钢管脚手架扣件(GB--15831)的规定抽样检测;2、旧扣件使用前应进行质量检查,有裂必须更换;3、新、旧扣件均应进行防锈处理;1.4 脚手板的检查应符合下列规定:1、冲压钢脚手板的检查应符合下列规定:1)新脚手板应有产品质量合格证;2)尺寸偏差应符合本规范表1.5 序号5 的规定;3)新、旧脚手板均应涂防锈漆;2、木脚手板的检查应符合下列规定:1)木脚手板的宽度不宜小于200mm 厚度,腐朽的脚手板不得使用;2)竹笆脚手板、竹串片脚手板的材料应符合要求;构配件的偏差应符合表1.5 的规定二、脚手架检查与验收2.1、脚手架及其地基基础应在下列阶段进行检查与验收:1)基础完工后及脚手架搭设前;2)作业层上施加荷载前;3)每搭设完10~13m 高度后;4)达到设计高度后;5)遇有六级大风与大雨后,寒冷地区开冻后;6)停用超过一个月;2.2、进行脚手架检查、验收时应根据下列技术文件:1)本规范第2.3、2.5 条的规定2)施工组织设计及变更文件;3)技术交底文件;2.3、脚手架使用中,应定期检查下列项目:1、杆件的设置和连接连墙件支撑门洞桁架等的构造是否符合要求;2、地基是否积水、底座是否松动、立杆是否悬空;3、扣件螺栓是否松动;4、高度在24m 以上的脚手架,其立杆的沉降与垂直度的偏差是否符合本规范表2.4 项次1、2 的规定;5、安全防护措施是否符合要求;6、是否超载;2.4、脚手架搭设的技术要求、允许偏差与检验方法,应符合规定;2.5、安装后的扣件螺栓拧紧扭力矩应采用扭力扳手检查,抽样方法应按随机分布原则进行。
扣件式钢管脚手架验收规范一、构配件检查与验收1.1 新钢管的检查应符合下列规定:1、应有产品质量合格证;2、应有质量检验报告,钢管材质检验方法应符合现行国家标准,金属拉伸试验方法(GB/T 228)的有关规定,质量应符合本规范第1.1 条的规定;3、钢管表面应平直光滑,不应有裂缝、结疤、分层、错位、硬弯、毛刺、压痕和深的划道;4、钢管外径、壁厚、端面等的偏差,应分别符合本规范表1.5的规定;5、钢管必须涂有防锈漆;1.2 旧钢管的检查应符合下列规定:1、表面锈蚀深度应符合本规范表1.5 序号3 的规定,锈蚀检查应每年一次。
检查时,应在锈蚀严重的钢管中抽取三根,在每根锈蚀严重的部位横向截断取样检查,当锈蚀深度超过规定值时不得使用;2、钢管弯曲变形应符合本规范表1.5 序号4 的规定;1.3 扣件的验收应符合下列规定:1、新扣件应有生产许可证、法定检测单位的测试报告和产品质量合格证,当对扣件质量有怀疑时,应按现行国家标准钢管脚手架扣件(GB--15831)的规定抽样检测;2、旧扣件使用前应进行质量检查,有裂必须更换;3、新、旧扣件均应进行防锈处理;1.4 脚手板的检查应符合下列规定:1、冲压钢脚手板的检查应符合下列规定:1)新脚手板应有产品质量合格证;2)尺寸偏差应符合本规范表1.5 序号5 的规定;3)新、旧脚手板均应涂防锈漆;2、木脚手板的检查应符合下列规定:1)木脚手板的宽度不宜小于200mm 厚度,腐朽的脚手板不得使用;2)竹笆脚手板、竹串片脚手板的材料应符合要求;构配件的偏差应符合表1.5 的规定二、脚手架检查与验收2.1、脚手架及其地基基础应在下列阶段进行检查与验收:1)基础完工后及脚手架搭设前;2)作业层上施加荷载前;3)每搭设完10~13m 高度后;4)达到设计高度后;5)遇有六级大风与大雨后,寒冷地区开冻后;6)停用超过一个月;2.2、进行脚手架检查、验收时应根据下列技术文件:1)本规范第2.3、2.5 条的规定2)施工组织设计及变更文件;3)技术交底文件;2.3、脚手架使用中,应定期检查下列项目:1、杆件的设置和连接连墙件支撑门洞桁架等的构造是否符合要求;2、地基是否积水、底座是否松动、立杆是否悬空;3、扣件螺栓是否松动;4、高度在24m 以上的脚手架,其立杆的沉降与垂直度的偏差是否符合本规范表2.4 项次1、2 的规定;5、安全防护措施是否符合要求;6、是否超载;2.4、脚手架搭设的技术要求、允许偏差与检验方法,应符合规定;2.5、安装后的扣件螺栓拧紧扭力矩应采用扭力扳手检查,抽样方法应按随机分布原则进行。
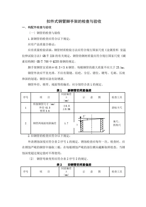
扣件式钢管脚手架的检查与验收一.构配件检查与验收〔一〕钢管的检查与验收1.新钢管的检查应符合以下规定:应有产品质量合格证;应有质量检验讲演,钢管材质检验方法应符合现行国家尺度《金属资料室温拉伸试验方法》GB/T 228的有关规定,钢管的钢材质量应符合现行国家尺度《碳素结构钢》GB/T 700中Q235级钢的规定。
脚手架钢管宜采纳φ48.3×3.6钢管。
每根钢管的最大质量不应大于25.kg。
钢管外表应平直光滑,不应有裂缝、结疤、分层、错位、硬弯、毛刺、压痕和深的划道;钢管应涂有防锈漆。
钢管外径、壁厚、端面等的偏差,应分别符合表1的规定。
外表锈蚀深度应符合表2序号1的规定。
锈蚀检查应每年一次。
检查时,应在锈蚀严峻的钢管中抽取三根,在每根锈蚀严峻的部位横向截断取样检查,当锈蚀深度超过规定值时不得使用;〔2〕钢管弯曲变形应符合表2序号2的规定。
扣件应有生产许可证、法定检测单位的测试讲演和产品质量合格证。
当对扣件质量有疑心时,应按现行国家尺度《钢管脚手架扣件》GB 15831的规定抽样检测;新、旧扣件均应进行防锈处理。
扣件进入施工现场应检查产品合格证,并应进行抽样复试,技术性能应符合现行国家尺度《钢管脚手架扣件》GB15831的规定。
扣件在使用前应逐个选择,有裂缝、变形、螺栓出现滑丝的严禁使用。
〔三〕脚手板的检查应符合以下规定:1.冲压钢脚手板的检查应符合以下规定:1〕新脚手板应有产品质量合格证;2〕尺寸偏差应符合本尺度表3的规定,且不得有裂纹、开焊与硬弯。
4〕应有防滑措施。
2.木脚手板、竹脚手板的检查应符合以下规定:木脚手板材质应符合现行国家尺度《木结构设计尺度》GB50005〕中Ⅱa级材质的规定。
脚手板厚度不应小于50mm,两端宜各设直径不小于4mm的镀锌钢丝箍两道。
宽度、厚度同意偏差应符合现行国家尺度《木结构工程施工质量验收尺度》GB50206的规定;不得使用扭曲变形、劈裂、腐朽的脚手板;竹脚手板宜采纳由毛竹或楠竹制作的竹串片板、竹笆板;竹串片脚手板应符合现行行业尺度《建筑施工脚手架平安技术尺度》JGJ464的相关规定。