特种设备目录(全)
- 格式:pdf
- 大小:308.07 KB
- 文档页数:19
附件特种设备目录代码种类类别品种1000 锅炉锅炉,是指利用各种燃料、电或者其他能源,将所盛装的液体加热到一定的参数,并通过对外输出介质的形式提供热能的设备,其范围规定为设计正常水位容积大于或者等于30L,且额定蒸汽压力大于或者等于0.1MPa(表压)的承压蒸汽锅炉;出口水压大于或者等于0.1MPa(表压),且额定功率大于或者等于0.1MW的承压热水锅炉;额定功率大于或者等于0.1MW的有机热载体锅炉。
1100 承压蒸汽锅炉1200 承压热水锅炉1300 有机热载体锅炉1310 有机热载体气相炉1320 有机热载体液相炉— 4 —代码种类类别品种2000 压力容器压力容器,是指盛装气体或者液体,承载一定压力的密闭设备,其范围规定为最高工作压力大于或者等于0.1MPa(表压)的气体、液化气体和最高工作温度高于或者等于标准沸点的液体、容积大于或者等于30L且内直径(非圆形截面指截面内边界最大几何尺寸)大于或者等于150mm的固定式容器和移动式容器;盛装公称工作压力大于或者等于0.2MPa (表压),且压力与容积的乘积大于或者等于1.0MPa•L的气体、液化气体和标准沸点等于或者低于60℃液体的气瓶;氧舱。
2100 固定式压力容器2110 超高压容器2130 第三类压力容器2150 第二类压力容器2170 第一类压力容器— 5 —代码种类类别品种2200 移动式压力容器2210 铁路罐车2220 汽车罐车2230 长管拖车2240 罐式集装箱2250 管束式集装箱2300 气瓶2310 无缝气瓶— 6 —代码种类类别品种2320 焊接气瓶23T0 特种气瓶(内装填料气瓶、纤维缠绕气瓶、低温绝热气瓶)2400 氧舱2410 医用氧舱2420 高气压舱8000 压力管道压力管道,是指利用一定的压力,用于输送气体或者液体的管状设备,其范围规定为最高工作压力大于或者等于0.1MPa(表压),介质为气体、液化气体、蒸汽或者可燃、易爆、有毒、有腐蚀性、最高工作温度高于或者等于标准沸点的液体,且公称直径大于或者等于50mm的管道。
特种设备目录特种设备目录1.执法设备- 电击器:用于制止暴力行为或对违法行为作出反应的电击装置,包括警棍、电击盾牌等。
- 防暴装备:用于保护执法人员免受暴力袭击的装备,包括防弹背心、头盔等。
- 车载警报灯:用于标识警务车辆身份和警示交通参与者的灯光装置。
2.救援设备- 消防器械:用于灭火或进行救援工作的工具,包括水龙、消防车辆等。
- 救生设备:用于救援落水者或其他遇险人员的装备,包括救生衣、浮筒等。
- 医疗设备:用于急救或进行紧急医疗处理的设备,包括急救箱、心电监护仪等。
3.特种交通设备- 特种车辆:用于执行特殊任务的专门车辆,包括消防车、救护车、警车等。
- 特种摩托车:用于快速响应或特殊任务的摩托车,包括缉毒摩托车、警用摩托车等。
- 地铁警示系统:用于向地铁乘客提供紧急警示和相关信息的设备。
4.安全检查设备- 金属探测器:用于检测携带金属物品的人员,以便确保公共场所的安全。
- X射线机器:用于扫描行李或包裹以检测任何潜在的危险品。
- 爆炸物检测仪器:用于检测携带或隐藏爆炸物的人员或物品。
5.军事设备- 武器系统:用于战争或冲突中的作战行动的设备,包括坦克、战斗机、导弹等。
- 通信设备:用于军队内部或与其他军队进行通信的设备,包括无线电和卫星通信系统。
- 侦察器材:用于获取敌军情报的设备,包括无人机、侦察卫星等。
6.其他特种设备- 水下探测器:用于水下勘探和搜索行动的设备,包括声纳和潜水器材。
- 高空作业设备:用于在高空执行作业任务的设备,包括抬升平台、绳降器等。
- 核辐射探测器:用于检测和测量核辐射的装备,包括放射性探测器、辐射防护服等。
注:特种设备的使用和管理必须符合相关法律法规,并由合格的人员进行操作和维护。
特种设备是指用于特定领域或特殊任务的工具、装备或设备。
它们的设计和功能都与常规设备有所不同,以满足特殊需求和特殊环境条件。
这类设备通常由专门的机构或单位负责使用和管理,以保障公共安全、执行执法任务或应对紧急情况。
特种设备目录通知各省、自治区、直辖市质量技术监督局,以及有关部门,XXX制定了《特种设备目录》,并公布该目录。
该目录根据《特种设备安全监察条例》制定,经国务院批准。
如在执行过程中发现问题,请及时报告XXX。
特种设备目录如下:锅炉类别:1000:锅炉1100:承压蒸汽锅炉1110:电站锅炉1120:工业锅炉1130:生活锅炉1200:承压热水锅炉1300:有机热载体锅炉1310:有机热载体气相炉1320:有机热载体液相炉B100:锅炉部件B210:封头B110:锅筒B120:集箱B130:锅炉过热器B140:锅炉再热器B150:锅炉省煤器B160:锅炉膜式水冷壁C100:锅炉材料C110:锅炉用钢板C120:锅炉用钢管C130:特种设备用焊接材料压力类别:2000:压力2100:固定式压力2110:超高压2120:高压2130:第三类中压2140:第三类低压2150:第二类中压2160:第二类低压2170:第一类压力2200:移动式压力2210:铁路罐车2220:汽车罐车2230:长管拖车2240:罐式集装箱B200:气瓶B210:无缝气瓶C200:焊接气瓶C210:液化石油气钢瓶C230:溶解乙炔气瓶B220:车用气瓶B230:低温绝热气瓶B240:缠绕气瓶B250:非重复充装气瓶B260:特种气瓶B270:氧舱C220:医用氧舱C240:高气压舱8000:压力管道8100:长输(油气)管道8110:输油管道8120:输气管道8200:公用管道8210:燃气管道8220:热力管道8300:工业管道8310:工艺管道8320:动力管道8330:制冷管道7000压力管道元件分为管子、管件、阀门、补偿器、支承件、密封元件、特种元件、防腐元件、阻火器、元件组合装置和材料等几类。
其中管子分为无缝钢管和焊接钢管,品种包括有色金属管和铸铁管等。
管件包括无缝管件、有缝管件、锻制管件、铸造管件、汇管、过滤器和非金属材料管件等。
特种设备目录代码种类类别品种 1000 锅炉1100 承压蒸汽锅炉 1110 电站锅炉1120 工业锅炉1130 生活锅炉1200 承压热水锅炉 1300 有机热载体锅炉 1310 有机热载体气相炉 1320 有机热载体液相炉 B100 锅炉部件B210 封头B110 锅筒B120 集箱B130 锅炉过热器 B140 锅炉再热器 B150 锅炉省煤器 B160 锅炉膜式水冷壁C100 锅炉材料C110 锅炉用钢板 C120 锅炉用钢管 C130 特种设备用焊接材料 2000 压力容器2100 固定式压力容器 2110 超高压容器 2120 高压容器2130 第三类中压容器 2140 第三类低压容器 2150 第二类中压容器 2160 第二类低压容器 2170 第一类压力容器 2200 移动式压力容器 2210 铁路罐车2220 汽车罐车2230 长管拖车代码种类类别品种 2240 罐式集装箱 2300 气瓶2310 无缝气瓶2320 焊接气瓶代码种类类别品种 2330 液化石油气钢瓶 2340 溶解乙炔气瓶 2350 车用气瓶2360 低温绝热气瓶 2370 缠绕气瓶2380 非重复充装气瓶 23T0 特种气瓶2400 氧舱2410 医用氧舱2420 高气压舱2430 再压舱2440 高海拔试验舱 2450 潜水钟B200 压力容器部件 B210 封头C200 压力容器材料 C210 压力容器用钢板 C230 气瓶用钢板 C240 气瓶用钢管 8000 压力管道8100 长输(油气)管道 8110 输油管道8120 输气管道8200 公用管道8210 燃气管道8220 热力管道8300 工业管道8310 工艺管道8320 动力管道8330 制冷管道7000 压力管道元件 7100 压力管道管子 7110 无缝钢管7120 焊接钢管代码种类类别品种 7130 有色金属管 7140 铸铁管71F0 非金属材料管 7200 压力管道管件 7210 无缝管件7220 有缝管件代码种类类别品种 7230 锻制管件7240 铸造管件7250 汇管7260 过滤器72F0 非金属材料管件 7300 阀门7310 安全阀7320 调压阀7330 调节阀7340 闸阀7350 球阀7360 蝶阀7370 截止阀7380 止回阀7390 疏水阀73A0 隔膜阀73F0 非金属材料阀门 73T0 特种阀门7400 法兰7410 钢制法兰74F0 非金属材料法兰 7500 补偿器7510 金属波纹膨胀节75T0 特种型式金属膨胀节 75F0 非金属材料膨胀节 7520 金属波纹管7600 压力管道支承件 7610 支架7620 吊架7700 压力管道密封元件 7710 金属密封元件 77F0 非金属密封元件代码种类类别品种 7720 紧固件7T00 压力管道特种元件 7T10 防腐管道元件 7T20 阻火器7TZ0 元件组合装置 C800 压力管道材料 C810 压力管道用钢板 3000 电梯代码种类类别品种 3100 乘客电梯3110 曳引式客梯3120 强制式客梯3130 无机房客梯3140 消防电梯3150 观光电梯3160 防爆客梯3170 病床电梯3200 载货电梯3210 曳引式货梯3220 强制式货梯3230 无机房货梯3240 汽车电梯3250 防爆货梯3300 液压电梯3310 液压客梯3320 防爆液压客梯3330 液压货梯3340 防爆液压货梯3400 杂物电梯3500 自动扶梯3600 自动人行道B300 电梯部件B310 绳头组合B320 电梯导轨B330 电梯耐火层门B340 电梯玻璃门B350 电梯玻璃轿壁B360 电梯液压泵站B370 杂物电梯驱动主机代码种类类别品种 B380 自动扶梯梯级B390 自动人行道踏板 B3A0 梯级踏板链B3B0 自动扶梯自动人行道驱动主机B3CO 自动扶梯自动人行道滚轮 B3DO 自动扶梯自动人行道扶手带B3EO 自动扶梯自动人行道控制屏4000 起重机械4100 桥式起重机代码种类类别品种 4110 通用桥式起重机 4120 电站桥式起重机 4130 防爆桥式起重机 4140 绝缘桥式起重机 4150 冶金桥式起重机 4160 架桥机4170 电动单梁起重机 4180 电动单梁悬挂起重机 4190 电动葫芦桥式起重机41A0 防爆梁式起重机 4200 门式起重机4210 通用门式起重机4220 水电站门式起重机 4230 轨道式集装箱门式起重机 4240 万能杠件拼装式龙门起重机4250 岸边集装箱起重机 4260 造船门式起重机 4270 电动葫芦门式起重机4280 装卸桥4300 塔式起重机4310 普通塔式起重机 4320 电站塔式起重机 4330 塔式皮带布料机 4400 流动式起重机4410 轮胎起重机4420 履带起重机4430 全路面起重机代码种类类别品种 4440 集装箱正面吊运起重机 4450 集装箱侧面吊运起重机 4460 集装箱跨运车4470 轮胎式集装箱门式起重机 4480 汽车起重机4490 随车起重机4600 铁路起重机4610 蒸汽铁路起重机 4620 内燃铁路起重机 4630 电力铁路起重机 4700 门座起重机代码种类类别品种 4710 港口门座起重机 4720 船厂门座起重机 4730 带斗门座式起重机 4740 电站门座起重机 4750 港口台架起重机 4760 固定式起重机4770 液压折臂起重机 4800 升降机4810 曲线施工升降机 4820 锅炉炉膛检修平台 4830 钢索式液压提升装置4840 电站提滑模装置 4850 升船机4860 施工升降机4870 简易升降机4880 升降作业平台 4890 高空作业车4900 缆索起重机4910 固定式缆索起重机 4920 摇摆式缆索起重机 4930 平移式缆索起重机4940 辐射式缆索起重机 4A00 桅杆起重机4A10 固定式桅杆起重机 4A20 移动式桅杆起重机 4B00 旋臂式起重机 4B10 柱式旋臂式起重机代码种类类别品种 4B20 壁式旋臂式起重机 4B30 平衡悬臂式起重机 4C00 轻小型起重设备 4C10 输变电施工用抱杆 4C20 电站牵张设备4C30 内燃平衡重式叉车 4C40 蓄电池平衡重式叉车 4C50 内燃侧面叉车 4C60 插腿式叉车4C70 前移式叉车4C80 三向堆垛叉车 4C90 托盘堆垛车4CA0 防爆叉车代码种类类别品种 4CB0 钢丝绳电动葫芦 4CC0 防爆钢丝绳电动葫芦4CD0 环链电动葫芦4CE0 气动葫芦4CF0 防爆气动葫芦4CG0 带式电动葫芦4D00 机械式停车设备4D10 升降横移类机械式停车设备 4D20 垂直循环类机械式停车设备 4D30 多层循环类机械式停车设备 4D40 平面移动类机械式停车设备 4D50 巷道堆垛类机械式停车设备 4D60 水平循环类机械式停车设备 4D70 垂直升降类机械式停车设备4D80 简易升降类机械式停车设备 4D90 汽车专用升降机类停车设备 9000 客运索道9100 客运架空索道9110 往复式客运架空索道 9120 循环式客运架空索道 9200 客运缆车9210 往复式客运缆车9220 循环式客运缆车9300 客运拖牵索道9310 低位客运拖牵索道代码种类类别品种9320 高位客运拖牵索道B900 客运索道部件B100 客运索道驱动迂回装置 B200 客运索道抱索器B210 客运索道运载工具B220 客运索道托压索轮组 6000 大型游乐设施6100 观览车类6110 观览车系列6120 飞毯系列6130 太空船系列6140 摩天环车6150 海盗船系列6160 组合式观览车系列 6200 滑行车类代码种类类别品种 6210 单车滑行车系列 6220 多车滑行车系列 6230 滑道系列6240 激流勇进6250 弯月飞车系列 6260 组合式滑行车系列 6300 架空游览车类 6310 电力单轨列车系列 6320 电力双轨列车系列 6330 组合式架空游览车系统 6340 脚踏车系列6400 陀螺类6410 陀螺系列6420 组合式陀螺系列 6500 飞行塔类6510 旋转飞椅系列 6520 青蛙跳系列6530 探空飞梭系列 6540 观览塔系列6550 组合式飞行塔系列 6600 转马类6610 转马系列6620 荷花杯系列代码种类类别品种 6630 滚摆舱系列6640 爱情快车系列 6650 组合式转马系列 6700 自控飞机类6710 自控飞机系列 6720 章鱼系列6730 组合式自控飞机系列 6800 赛车类6810 场地赛车系列 6820 越野赛车系列 6830 组合式赛车系列 6900 小火车类6910 内燃机驱动小火车 6920 电力驱动小火车 6A00 碰碰车类6A10 碰碰车系列6B00 电池车类代码种类类别品种 6B10 电池车系列6C00 观光车类6C10 内燃观光车系列 6C20 蓄电池观光车系列 6D00 水上游乐设施 6D10 峡谷漂流系列 6D20 水滑梯系列6D30 造浪机系列6D40 碰碰船系列6D50 水上自行车系列 6D60 组合式水上游乐设施 6E00 无动力游乐设施 6E10 高空蹦极系列 6E20 弹射蹦极系列 6E30 小蹦极系列6E40 滑索系列6E50 空中飞人系列 6E60 系留式观光气球系列 6E70 组合式无动力游乐设施B600 游乐设施部件 B610 蹦极绳代码种类类别品种 F000安全附件及安全保护装置7310 安全阀F110 水位表F120 水位控制报警装置 F130 压力控制报警装置 F140 温度控制报警装置F150 燃烧连锁保护装置 F210 液位计F220 爆破片F230 紧急切断阀F240 过流保护装置F250 快开门连锁保护装置 F260 气瓶瓶阀F270 气瓶减压阀F280 液位限制阀F2A0 氧舱测氧仪F710 超压限制装置F720 测压调压装置代码种类类别品种 F730 检漏装置F740 阴极保护装置F310 限速器F320 安全钳F330 缓冲器F340 电梯门锁装置F350 电梯轿厢上行超速保护装置 F360 含有电子元件的电梯安全电路F370 电梯限速切断阀 F380 电梯控制柜F390 曳引机F410 起重机械起重量限制器 F420 起重机械起重力矩限制器 F430 起重机械起升高度限制器 F440 起重机械防坠安全器 F450 起重机械制动器 F610 游乐设施安全压杆注:本目录所列的特种设备的参数范围按照《特种设备安全监察条例》第八十八条的规定.-------- 欢迎下载资料,下面是附带送个人简历资料用不了的话可以自己编辑删除,谢谢~X X X 个人简历个人资料姓名:xxxx 婚姻状况:未婚出生:1987-06-24 政治面貌:团员性别:男民族:汉照片学位:本科移动电话:专业:英语电子邮件:地址:教育背景2006.9-2010.6 吉林工程技术师范学院-----外国语言文学系主修课程大学英语精读,大学英语泛读,英语口语,英语听力,英语写作,英语口译,翻译学,词汇学,语法学,英美概况,英国文学,美国文学,语言学,本科阶段主修日语,中外名胜。
特种设备目录代码种类类别品种1000 锅炉锅炉,是指利用各种燃料、电或者其他能源,将所盛装的液体加热到一定的参数,并通过对外输出介质的形式提供热能的设备,其范围规定为设计正常水位容积大于或者等于30L,且额定蒸汽压力大于或者等于0.1MPa(表压)的承压蒸汽锅炉;出口水压大于或者等于0.1MPa(表压),且额定功率大于或者等于0.1MW的承压热水锅炉;额定功率大于或者等于0.1MW的有机热载体锅炉。
1100 承压蒸汽锅炉1200 承压热水锅炉1300 有机热载体锅炉1310 有机热载体气相炉1320 有机热载体液相炉2000 压力容器压力容器,是指盛装气体或者液体,承载一定压力的密闭设备,其范围规定为最高工作压力大于或者等于0.1MPa(表压)的气体、液化气体和最高工作温度高于或者等于标准沸点的液体、容积大于或者等于30L且内直径(非圆形截面指截面内边界最大几何尺寸)大于或者等于150mm的固定式容器和移动式容器;盛装公称工作压力大于或者等于0.2MPa(表压),且压力与容积的乘积大于或者等于1.0MPa•L的气体、液化气体和标准沸点等于或者低于60℃液体的气瓶;氧舱。
2100 固定式压力容器2110 超高压容器2130 第三类压力容器2150 第二类压力容器2170 第一类压力容器2200 移动式压力容器2210 铁路罐车2220 汽车罐车2230 长管拖车2240 罐式集装箱2250 管束式集装箱2300 气瓶2310 无缝气瓶2320 焊接气瓶23T0 特种气瓶(内装填料气瓶、纤维缠绕气瓶、低温绝热气瓶)2400 氧舱2410 医用氧舱2420 高气压舱8000 压力管道压力管道,是指利用一定的压力,用于输送气体或者液体的管状设备,其范围规定为最高工作压力大于或者等于0.1MPa(表压),介质为气体、液化气体、蒸汽或者可燃、易爆、有毒、有腐蚀性、最高工作温度高于或者等于标准沸点的液体,且公称直径大于或者等于50mm的管道。
附件特种设备目录代码种类类别品种1000锅炉锅炉,是指利用各种燃料、电或者其他能源,将所盛装的液体加热到一定的参数,并通过对外输出介质的形式提供热能的设备,其范围规定为设计正常水位容积大于或者等于30L,且额定蒸汽压力大于或者等于0.1MPa(表压)的承压蒸汽锅炉;出口水压大于或者等于0.1MPa(表压),且额定功率大于或者等于0.1MW的承压热水锅炉;额定功率大于或者等于0.1MW的有机热载体锅炉。
1100承压蒸汽锅炉1200承压热水锅炉1300有机热载体锅炉1310有机热载体气相炉1320有机热载体液相炉2000压力容器压力容器,是指盛装气体或者液体,承载一定压力的密闭设备,其范围规定为最高工作压力大于或者等于0.1MPa(表压)的气体、液化气体和最高工作温度高于或者等于标准沸点的液体、容积大于或者等于30L且内直径(非圆形截面指截面内边界最大几何尺寸)大于或者等于150mm的固定式容器和移动式容器;盛装公称工作压力大于或者等于0.2MPa(表压),且压力与容积的乘积大于或者等于1.0MPa•L的气体、液化气体和标准沸点等于或者低于60℃液体的气瓶;氧舱。
2100固定式压力容器2110超高压容器2130第三类压力容器2150第二类压力容器2170第一类压力容器2200移动式压力容器2210铁路罐车2220汽车罐车2230长管拖车2240罐式集装箱2250管束式集装箱2300气瓶2310无缝气瓶2320焊接气瓶23T0特种气瓶(内装填料气瓶、纤维缠绕气瓶、低温绝热气瓶)2400氧舱2410医用氧舱2420高气压舱8000压力管道压力管道,是指利用一定的压力,用于输送气体或者液体的管状设备,其范围规定为最高工作压力大于或者等于0.1MPa(表压),介质为气体、液化气体、蒸汽或者可燃、易爆、有毒、有腐蚀性、最高工作温度高于或者等于标准沸点的液体,且公称直径大于或者等于50mm的管道。
公称直径小于150mm,且其最高工作压力小于1.6MPa(表压)的输送无毒、不可燃、无腐蚀性气体的管道和设备本体所属管道除外。
附件:特种设备目录代码 种 类 类 别 品 种 1000 锅炉1100 承压蒸汽锅炉1110 电站锅炉1120 工业锅炉1130 生活锅炉1200 承压热水锅炉1300 有机热载体锅炉1310 有机热载体气相炉 1320 有机热载体液相炉 B100 锅炉部件B210 封头B110 锅筒B120 集箱B130 锅炉过热器B140 锅炉再热器B150 锅炉省煤器B160 锅炉膜式水冷壁 C100 锅炉材料C110 锅炉用钢板C120 锅炉用钢管C130 特种设备用焊接材料 2000 压力容器2100 固定式压力容器2110 超高压容器2120 高压容器2130 第三类中压容器 2140 第三类低压容器 2150 第二类中压容器 2160 第二类低压容器 2170 第一类压力容器 2200 移动式压力容器2210 铁路罐车2220 汽车罐车2230 长管拖车代码 种 类 类 别 品 种 2240 罐式集装箱2300 气瓶2310 无缝气瓶2320 焊接气瓶2330 液化石油气钢瓶 2340 溶解乙炔气瓶 2350 车用气瓶2360 低温绝热气瓶 2370 缠绕气瓶2380 非重复充装气瓶 23T0 特种气瓶2400 氧舱2410 医用氧舱2420 高气压舱2430 再压舱2440 高海拔试验舱 2450 潜水钟B200 压力容器部件B210 封头C200 压力容器材料C210 压力容器用钢板 C230 气瓶用钢板C240 气瓶用钢管 8000 压力管道8100 长输(油气)管道8110 输油管道8120 输气管道8200 公用管道8210 燃气管道8220 热力管道8300 工业管道8310 工艺管道8320 动力管道8330 制冷管道 压力管道元7000件7100 压力管道管子7110 无缝钢管7120 焊接钢管代码 种 类 类 别 品 种 7130 有色金属管 7140 铸铁管71F0 非金属材料管 7200 压力管道管件7210 无缝管件7220 有缝管件7230 锻制管件7240 铸造管件7250 汇管7260 过滤器72F0 非金属材料管件 7300 阀门7310 安全阀7320 调压阀7330 调节阀7340 闸阀7350 球阀7360 蝶阀7370 截止阀7380 止回阀7390 疏水阀73A0 隔膜阀73F0 非金属材料阀门 73T0 特种阀门7400 法兰7410 钢制法兰74F0 非金属材料法兰7500 补偿器7510 金属波纹膨胀节75T0 特种型式金属膨胀节 75F0 非金属材料膨胀节 7520 金属波纹管7600 压力管道支承件7610 支架7620 吊架7700 压力管道密封元件7710 金属密封元件77F0 非金属密封元件代码 种 类 类 别 品 种 7720 紧固件7T00 压力管道特种元件7T10 防腐管道元件7T20 阻火器7TZ0 元件组合装置C800 压力管道材料C810 压力管道用钢板 3000 电梯3100 乘客电梯3110 曳引式客梯 3120 强制式客梯 3130 无机房客梯 3140 消防电梯 3150 观光电梯 3160 防爆客梯 3170 病床电梯 3200 载货电梯3210 曳引式货梯 3220 强制式货梯 3230 无机房货梯 3240 汽车电梯 3250 防爆货梯 3300 液压电梯3310 液压客梯 3320 防爆液压客梯 3330 液压货梯 3340 防爆液压货梯 3400 杂物电梯3500 自动扶梯3600 自动人行道B300 电梯部件B310 绳头组合B320 电梯导轨B330 电梯耐火层门B340 电梯玻璃门B350 电梯玻璃轿壁B360 电梯液压泵站B370 杂物电梯驱动主机代码 种 类 类 别 品 种B380 自动扶梯梯级B390 自动人行道踏板B3A0 梯级踏板链B3B0 自动扶梯自动人行道驱动主机B3CO 自动扶梯自动人行道滚轮 B3DO 自动扶梯自动人行道扶手带B3EO 自动扶梯自动人行道控制屏4000 起重机械4100 桥式起重机4110 通用桥式起重机4120 电站桥式起重机4130 防爆桥式起重机4140 绝缘桥式起重机4150 冶金桥式起重机4160 架桥机4170 电动单梁起重机4180 电动单梁悬挂起重机 4190 电动葫芦桥式起重机41A0 防爆梁式起重机4200 门式起重机4210 通用门式起重机4220 水电站门式起重机4230 轨道式集装箱门式起重机 4240 万能杠件拼装式龙门起重机4250 岸边集装箱起重机4260 造船门式起重机4270 电动葫芦门式起重机 4280 装卸桥4300 塔式起重机4310 普通塔式起重机4320 电站塔式起重机4330 塔式皮带布料机4400 流动式起重机4410 轮胎起重机4420 履带起重机4430 全路面起重机代码 种 类 类 别 品 种4440 集装箱正面吊运起重机 4450 集装箱侧面吊运起重机 4460 集装箱跨运车4470 轮胎式集装箱门式起重机 4480 汽车起重机4490 随车起重机4600 铁路起重机4610 蒸汽铁路起重机4620 内燃铁路起重机4630 电力铁路起重机4700 门座起重机4710 港口门座起重机4720 船厂门座起重机4730 带斗门座式起重机4740 电站门座起重机4750 港口台架起重机4760 固定式起重机4770 液压折臂起重机4800 升降机4810 曲线施工升降机4820 锅炉炉膛检修平台 4830 钢索式液压提升装置 4840 电站提滑模装置 4850 升船机4860 施工升降机4870 简易升降机4880 升降作业平台4890 高空作业车4900 缆索起重机4910 固定式缆索起重机 4920 摇摆式缆索起重机 4930 平移式缆索起重机 4940 辐射式缆索起重机4A00 桅杆起重机4A10 固定式桅杆起重机4A20 移动式桅杆起重机4B00 旋臂式起重机4B10 柱式旋臂式起重机 代码 种 类 类 别 品 种4B20 壁式旋臂式起重机4B30 平衡悬臂式起重机4C00 轻小型起重设备4C10 输变电施工用抱杆4C20 电站牵张设备4C30 内燃平衡重式叉车4C40 蓄电池平衡重式叉车4C50 内燃侧面叉车4C60 插腿式叉车4C70 前移式叉车4C80 三向堆垛叉车4C90 托盘堆垛车4CA0 防爆叉车4CB0 钢丝绳电动葫芦4CC0 防爆钢丝绳电动葫芦4CD0 环链电动葫芦4CE0 气动葫芦4CF0 防爆气动葫芦4CG0 带式电动葫芦4D00 机械式停车设备4D10 升降横移类机械式停车设备4D20 垂直循环类机械式停车设备4D30 多层循环类机械式停车设备4D40 平面移动类机械式停车设备4D50 巷道堆垛类机械式停车设备4D60 水平循环类机械式停车设备4D70 垂直升降类机械式停车设备4D80 简易升降类机械式停车设备4D90 汽车专用升降机类停车设备9000 客运索道9100 客运架空索道9110 往复式客运架空索道 9120 循环式客运架空索道 9200 客运缆车9210 往复式客运缆车9220 循环式客运缆车9300 客运拖牵索道9310 低位客运拖牵索道代码 种 类 类 别 品 种9320 高位客运拖牵索道B900 客运索道部件B100 客运索道驱动迂回装置B200 客运索道抱索器B210 客运索道运载工具B220 客运索道托压索轮组 大型游乐设6000施6100 观览车类6110 观览车系列6120 飞毯系列6130 太空船系列6140 摩天环车6150 海盗船系列6160 组合式观览车系列 6200 滑行车类6210 单车滑行车系列6220 多车滑行车系列6230 滑道系列6240 激流勇进6250 弯月飞车系列6260 组合式滑行车系列 6300 架空游览车类6310 电力单轨列车系列 6320 电力双轨列车系列 6330 组合式架空游览车系统6340 脚踏车系列6400 陀螺类6410 陀螺系列6420 组合式陀螺系列 6500 飞行塔类6510 旋转飞椅系列6520 青蛙跳系列6530 探空飞梭系列6540 观览塔系列6550 组合式飞行塔系列 6600 转马类6610 转马系列6620 荷花杯系列代码 种 类 类 别 品 种 6630 滚摆舱系列6640 爱情快车系列6650 组合式转马系列 6700 自控飞机类6710 自控飞机系列6720 章鱼系列6730 组合式自控飞机系列6800 赛车类6810 场地赛车系列6820 越野赛车系列6830 组合式赛车系列 6900 小火车类6910 内燃机驱动小火车 6920 电力驱动小火车6A00 碰碰车类6A10 碰碰车系列6B00 电池车类6B10 电池车系列6C00 观光车类6C10 内燃观光车系列6C20 蓄电池观光车系列6D00 水上游乐设施6D10 峡谷漂流系列6D20 水滑梯系列6D30 造浪机系列6D40 碰碰船系列6D50 水上自行车系列6D60 组合式水上游乐设施6E00 无动力游乐设施6E10 高空蹦极系列6E20 弹射蹦极系列6E30 小蹦极系列6E40 滑索系列6E50 空中飞人系列6E60 系留式观光气球系列6E70 组合式无动力游乐设施 B600 游乐设施部件B610 蹦极绳代码 种 类 类 别 品 种F000 安全附件及安全保护装置7310 安全阀F110 水位表F120 水位控制报警装置 F130 压力控制报警装置 F140 温度控制报警装置 F150 燃烧连锁保护装置 F210 液位计F220 爆破片F230 紧急切断阀F240 过流保护装置F250 快开门连锁保护装置F260 气瓶瓶阀F270 气瓶减压阀F280 液位限制阀F2A0 氧舱测氧仪F710 超压限制装置F720 测压调压装置F730 检漏装置F740 阴极保护装置F310 限速器F320 安全钳F330 缓冲器F340 电梯门锁装置F350 电梯轿厢上行超速保护装置含有电子元件的电梯安全电F360路F370 电梯限速切断阀F380 电梯控制柜F390 曳引机F410 起重机械起重量限制器 F420 起重机械起重力矩限制器 F430 起重机械起升高度限制器 F440 起重机械防坠安全器F450 起重机械制动器F610 游乐设施安全压杆 注:本目录所列的特种设备的参数范围按照《特种设备安全监察条例》第八十八条的规定。
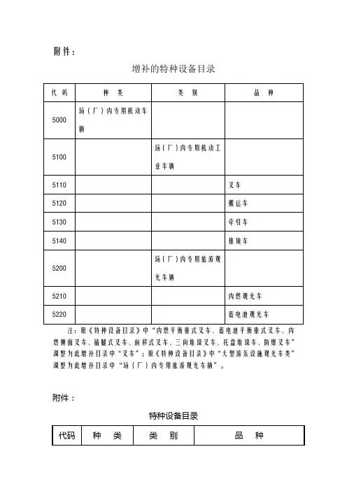
附件:增补的特种设备目录代 码 种 类 类 别 品 种5000 场(厂)内专用机动车辆5100 场(厂)内专用机动工业车辆5110 叉车 5120 搬运车 5130 牵引车 5140 推顶车5200 场(厂)内专用旅游观光车辆5210 内燃观光车5220 蓄电池观光车 注:原《特种设备目录》中“内燃平衡重式叉车、蓄电池平衡重式叉车、内燃侧面叉车、插腿式叉车、前移式叉车、三向堆垛叉车、托盘堆垛车、防爆叉车”调整为此增补目录中“叉车”;原《特种设备目录》中“大型游乐设施观光车类”调整为此增补目录中“场(厂)内专用旅游观光车辆”。