一体机设备详细技术参数与功能要求.doc
- 格式:doc
- 大小:142.02 KB
- 文档页数:3
设备技术参数要求:一、智慧教学教师一体机套装智慧教学大屏1.屏体尺寸86英寸,液晶1ED,A规屏,显示比(16:9);2.外形尺寸:2034*1216*118mm(长宽厚);3.亮度:≥500cd∕cm2;4.对比度:≥5000:1;5.触摸灵敏度:单点V7ms,双点V12ms;响应速度V3ms;6.防眩光功能:采用4mm厚AG钢化玻璃,防眩光,减少玻璃反射光的影响,反射率小于1%;(需提供权威检测机构出具的检测报告加盖原厂公章);7.双边物理快捷键:在钢化玻璃面板左右两侧,在液晶显示区域以外,各设计有不少于17个物理快捷功能键;支持点击任意快捷键,即可调出白板软件;使用物理快捷键可对PPT演示文档进行上下翻页控制,方便老师使用。
(需提供权威检测机构出具的检测报告加盖原厂公章);8.触摸技术:红外感应技术,10点触控,支持安卓、windows系统10笔或以上同时书写。
(需提供权威检测机构出具的检测报告加盖原厂公章);9.接口要求:输入接口:TVRF*1、HDM1*1、AVIN*1、YPbPr*1、VGA*1、Touch-USB*1、TVUSB*1、RJ45*1∖RS232*hWIFI*1、PCAudio*1、MICIN*1;输出接口:AVOUT*1、耳机*1、SPDIF*1;10.前置接口:HDMI*1,TouchUSB*1,Typc-C*1USB23且USB支持同时在Windows及Android系统下被读取(需提供权威检测机构出具的检测报告加盖原厂公章);11.一键锁定/解锁功能:支持通过遥控器一键或按键组合键锁定/解锁触摸功能及前置按键,防止课间学生擅自操作电脑;12.红外框防光干扰:在触摸屏的各个角度用白炽灯发射200K1UX光强度的光进行干扰,然后进行正常书写功能测试灯与屏的垂直距离为1m,此种情况下设备可正常工作(需提供权威检测机构出具的检测报告加盖原厂公章);13.智能光控及温控功能:整机能感应并自动调节屏幕亮度来达到在不同光照环境下的最佳显示效果;支持自动温度监测;14.无信号源自动关机:整机在开机的状态下,若检测不到信号源,设备将自动关机;15.防撞击功能:用1040g±25g的钢球在垂直高度为IOOOmm的高度进行自由落体撞击试验,防护玻璃表面无损伤破裂;16.插拔式OPS微型PC设计,Inte1Core15CPU、8GB内存、256G固态硬盘;开放式可插接INTE1规范接口(OPS接口),双面合计80针;17.系统配置:出厂须同时自带Android9.0、WindOWS1o正版操作系统。
液晶触控一体机技术参数物品规格要求主要技术参数数量55英寸液晶触控一体机技术要求整体设计要求1、内置一体化设计,外部无可见内部功能模块的连接线。
2、安全性外观设计,采用铝合金面框,表面无尖锐边缘或突起。
3、电源要求:AC 220V±20%,100~240V宽电压输入确保设备运行的稳定性。
4、整机厚度≤12cmA、显示器参数1、屏幕尺寸(对角线):55英寸LED A规液晶屏2、显示面积:1209.6 (H) x 680.4(V)3、对比度≥5000:14、可视角度176°5、图像模式:16:9/全屏6、亮度≥500cd/m27、图像物理高清分辨率1920×1080 (1:1 Map点对点显示)满足数字全高清要求。
(相关技术证明文件复印件加盖投标单位公章)8、输入:2路VGA;1路AV;1路S-Video;1路YPbPr;2路HDMI;1路TV;1路USB;1路Mic;1路RS232接口;1路RJ45;输出:1路VGA;1路AV;1路耳机。
(大于等于此参数)9、TV功能支持PAL、SECAM制式。
10、可实现图像模式、通道切换、频道切换、亮度、音量、对比度调节。
11、支持USB无电脑播放图片及音视频文件,支持文件格式:JPG,BMP,MPEG1、2、3、4,RMVB,MP3等。
12、通道模式自动记忆功能。
13、显示屏寿命不低于50000小时。
14、内置音箱四扬声器,具备2高音扬声器和2中低音扬声器。
15、书写屏采用4mm厚防爆全钢化玻璃屏,防划防撞;表面防撞击,屏幕表面可承受500克钢球在0.71米高度自由下落撞击。
(相关技术证明文件复印件加盖投标单位公章)16、内部电脑采用HDMI传输音频和视频(全数字模式),并且具备侧面VGA模拟输出,可外接投影仪设备,实现镜像功能;外接电脑采用VGA、HDMI等多种接入方式。
17、绿色节能功能。
在不关闭整机电源的情况下实现节电功能,并可以通过触24套摸屏幕实现开启背光。
希沃55寸65寸交互一体机技术参数希沃交互一体机是一款融合了液晶显示、计算机处理和触摸互动等多种功能的智能设备。
希沃公司推出的55寸和65寸交互一体机具有以下技术参数:一、外观设计:1. 尺寸:55寸交互一体机尺寸大约为1271mm×740mm×83mm,65寸交互一体机尺寸大约为1522mm×878mm×110mm,外观时尚简约;2. 重量:55寸交互一体机重量约为34.5kg,65寸交互一体机重量约为45kg,轻便易携带;3.材质:机身采用高强度铝合金材质,结构坚固耐用。
二、显示屏:1.尺寸:55寸交互一体机采用55英寸显示屏,65寸交互一体机采用65英寸显示屏,显示面积更大、更清晰;2.分辨率:55寸交互一体机分辨率一般为1920×1080,65寸交互一体机分辨率一般为3840×2160,支持高清影像显示;3. 亮度:55寸交互一体机亮度通常为350cd/m²,65寸交互一体机亮度通常为450cd/m²,屏幕显示效果明亮锐利。
三、触控技术:1.触摸方式:支持多点触控技术,可实现多用户同时操作;3.反应速度:触摸一体机响应速度快,可以满足用户手势操作需求。
四、计算及存储:1. 处理器:交互一体机通常配置高性能Intel Core i5或i7处理器,运行速度快;2.内存:一般配置8GB或16GBDDR4内存,可以满足多任务处理需求;3.存储:交互一体机一般内置256GB或512GBSSD固态硬盘,读写速度快;4. 操作系统:支持Windows 10或Linux等常见操作系统。
五、连接与传输:1.网络:支持有线网口和Wi-Fi无线网络连接,方便上网浏览;B接口:具备多个USB3.0接口,支持外接设备;3.HDMI接口:可以连接外部高清显示设备,实现大屏幕显示;4.蓝牙:支持蓝牙5.0技术,便于与其他设备进行无线连接。
触控一体机技术参数要求1、1ED背光源,有效显示尺寸265英寸,分辨率21920X1080,亮度:≥350cd∕m2,对比度:24000:1;屏幕比例:16:9;整机功率≤180W;外观结构:金属拉铝面框结构,全金属后壳,带圆孔通风散热;转角采用圆弧设计;采用超薄超轻超窄边设计。
2、音响22X15W;采用高中低音箱体喇叭,声音效果好,具有环绕音效。
3、面板前置可直接接驳(拒绝带盖板,及延长线前置)端口不少于:HDMI*1>TOUCh*1、双系统USB接口*3路(其中至少1路USB3.0)。
4、表面必须采用防眩光玻璃,其可见光透射比(GB∕T5137.2-2002)N88%,可见光反射比(GB∕T2680-94)<8.3%,雾度(JC∕T2166-2013)≤3.3%,投标人须提供国家级玻璃质量监督检测中心出具的防眩玻璃检测报告复印件(检验报告中的检测结果满足以上要求)。
5、高精度触摸框,红外触控技术,双系统都支持10人或以上同写,不跳笔不断笔,触摸分辨率232768*32768,最小识别物体大小W3mm,免驱动、自动识别;触摸技术稳定先进,即能够有效延长触摸框使用寿命。
6、内置安卓系统配置不低于:CPU:ARMA53*4(四核);运行内存:DDR32G;存储8G;安卓版本6.0以上;整机不少于三根W1F1天线。
外置双ToUCH(不包含前置)。
7、整机具有硬件自检功能,温度监测的功能,内存加速功能。
8、前置27个物理按键;机身侧面端口少于:HDMI×2>RFX1、USBX2、DP×1>TOUCH×2>RJ45INX1、RJ45OUTX1>VGAX1>RS232×1.AV1NX1、AV0UTX1;一体机内部开关电源模块通过独立3C认证,提供证书复印件,电源模块制造商与一体机制造商为同一企业。
9、Windows和安卓可通过一根网线同时上网。
多媒体教学一体机技术参数
的膨胀螺栓固定,要求安装结实、平安可靠〔也可根据用户要求安装〕。
4、其他要求:
产品须具有市级或以上质量检测部门出具的检验报告。
多媒体教学设备整体要求:
〔1〕投标时提供推拉黑板及多媒体箱整套产品样品,所有产品必须符合招标要求;
〔2〕整套产品高度集成,无需布线。
固定安装在教室墙壁上,不占用教室空间。
〔3〕所有产品需三年质保及厂家效劳,需提供厂家授权原件及售后效劳承诺,提供安装现场设备使用集中培训。
产品图示如下:
1、展开效果
2、闭合效果
两用计算机教室教学设备技术参数
页脚下载后可删除,如有侵权请告知删除!
页脚下载后可删除,如有侵权请告知删除!
页脚下载后可删除,如有侵权请告知删除!
页脚下载后可删除,如有侵权请告知删除!
页脚下载后可删除,如有侵权请告知删除!
笔记本电脑技术参数
彩色喷墨打印机技术参数
【本文档内容可以自由复制内容或自由编辑修改内容期待你的好评和关注,我们将会做得更好】。
液晶触摸一体机技术参数一、技术参数(一)基本配置1.显示屏:70英寸(不接受小于70寸的),原装进口液晶LED(A规屏),显示比例(16:9),分辨率≥1920×1080,可视角度≥178°;2.防眩光处理:采用AG钢化玻璃(防眩光),减少玻璃反射光的影响。
反射率小于1%。
3.触摸技术:采用红外十点触控技术,支持10笔同时书写。
4.智能光控功能:整机能感应并自动调节屏幕亮度来达到在不同光照环境下的最佳显示效果。
5.边写边擦功能,支持用手指将画面缩放、漫游、握拳当板擦等手势识别功能。
6.输入接口:HDMI输入*4,USB TOUCH *2,TV USB输入*1个,VGA输入*1, PC AUDIO*1,YPbPr*1,AV输入*2,ANT(RF)*1 TV USB输入*4(含一路,一路USB3.0)、RJ45接口*1,SD卡插口*1,RS232接口*1,麦克风输入*1。
7.输出接口:Spdif/光纤输出*1、AV输出*1,声音输出端口*1。
8.内置WIFI模块:一体机内置WIFI模块。
9.前置按键:前面板不少于8个功能物理按键,其中包括安卓系统切换按键,可方便快速进行安卓和windows两种系统的切换,包括一键开关机键,方便快速开启和关掉一体机,为便于用户操作,防止按错,系统切换键下标注安卓图标,一键开关机键以红颜色进行区分。
10.屏幕校准定位: 支持4点、5点、9点、16点等多种方式。
11.有效区域内触摸:在触摸有效区域内,触摸笔在任何位置时,都能检测到触摸笔的信号。
12.抗静电功能:设备具备抗静电干扰功能,确保外联设备间的信号稳定及设备安全。
13.防撞击功能:用1000G以上的钢球在1米高度进行自由落体撞击试验,防护玻璃表面无损伤破裂。
14.防扭曲功能:即使损坏部分元器件或触摸屏扭曲变形达到10度,仍然可以多点触控,触摸屏抗扭曲,在部分元器件和机身分离的情况下仍可正常多点触控。
希沃55寸、65寸交互一体机技术参数序号规格要求主要技术参数1 整体设计要求1.内置一体化设计,外部无任何可见内部功能模块的连接线。
2.采用铝合金面框(散热性能好,坚固耐用,有效保护触摸单元),弧形转角采用无尖锐边缘连接。
3.为便于后期维护及升级,触摸框采用前拆式设计,无需任何工具,即可在不取下一体机的情况下手动拆卸触摸框。
4.屏幕表面采用防眩光全钢化玻璃,防划防撞且有效保证观看效果5.设备自带嵌入式安卓操作系统,在该系统下可实现白板书写、PPT课件播放、多媒体播放、网页浏览,与内置/外接电脑后形成双系统冗余备份。
系统采用高清智能双核芯片,需达到Android 4.2以上版本,Rom 8G以上,Ram 1.5G以上。
6.★整机电视开关、电脑开关和节能待机键三合一,操作便捷。
在节能待机状态下可实现节能70%以上(需提供相关权威检测报告),并可通过敲击屏幕重新唤醒7.★整机两侧边框无物理快捷按键,防止老师误碰,影响教学活动,方便后期升级维护。
8.内置触摸中控功能菜单,将设备常用的信号源切换、亮度调节、对比度调节、声音调节、图像比例调节、TV频道切换、节能设置(自动感光功能开关、主动节能开关)等功能整合到同一中控菜单下,无须任何实体按键,任意通道下(如电视通道或VGA通道)可通过手势在屏幕上调取该触摸菜单,并可通过手势滑动切换不同功能模块,方便快捷,避免繁琐操作。
9.★当老师外接笔记本时,设备能(自动)识别并切换到对应视频信号通道,且断开后能回到内置电脑通道,不接受手动切换方案。
10.自动节能功能:当设备在五分钟内处于无信号接收状态且无人操作时,将会自动关机,节省能耗。
11.智能亮度调节:整机能感应并自动调节屏幕亮度来达到在不同光照环境下的最佳显示效果。
此功能可自行开启或关闭。
12.无线智能遥控功能:人性化设计具备电视遥控功能和电脑键盘常用的F1—F12功能快捷键及Alt+F4、Alt+Tab、Space、Esc、Enter等组合按键,可实现一键开启平板交互软件,支持PPT翻页笔功能,能够进行上下翻页(内置电脑及外置电脑皆可控制)、一键锁定/解锁触摸及整机实体按键。
一体机建议参数要求----市场上大部分都可满足一、一体机参数1、整机采用三拼接平面一体化设计,无推拉式结构及外露连接线,外观简洁。
整机采用一体设计,外部无任何硬件参数2.整机屏幕采用86英寸 uiD超高清LED 液晶屏,显示比例16:9,屏幕图像分辨率3840*2160,具备防眩光效果。
可见内部功能模块连接线。
3.整机采用全金属外壳设计,有效屏蔽内部电路器件辐射;防潮耐盐雾蚀锈,适应多种教学环境。
4.整机两侧副屏可支持以下媒介(普通粉笔、液体粉笔、成膜笔)进行板书书写。
5.侧置输入接口具备2路HDMI、1路RS232、1路USB接口;侧置输出接口具备1路音频输出、1路触控USB输出;前置输入接口3路USB接口(包含1路Type-C、2路USB)。
6.支持红外触控,支持Windows系统中进行20点或以上触控,支持Android系统中进行10点或以上触控。
支持红外笔书写。
7.嵌入式系统版本不低于Android11,内存≥2GB,存储空间>8GB。
8.钢化玻璃厚度≤4mm,钢化玻璃表面硬度>9H。
9.整机屏幕触摸有效识别高度不超过3.5mm,即触摸物体距离玻璃外表面高度不超过 3.5mm 时,触摸屏识别头点击操作。
10.整机内置2.2声道扬声器,位于设备上边框,顶置朝前发声,前朝向10W高音扬声器2个,上朝向20W中低音扬声器2个,额定总功率60W。
支持标准、听力、观影三种音效模式调节。
11.整机关机状态下,通过长按电源键进入设置界面后,可点击屏幕选择故障检测、系统还原功能,系统还原可单独还原PC系统,单独还原整机系统。
12.为方便教师使用,整机具备不多于6个前置按键,实现老师开机、调出中控菜单、音量"- 护眼、录屏的操作。
设备支持5个自定义的貿接键,“设置”、“音量-”,“音量+”,“录屏”“护眼”按键,可通过自定义设置实现前置面板功能接键。
键启用任一全局小工具(批注、截屏、计时、降半屏、放大镜、倒数曰、日历)、快捷开关(节能模式、纸质护眼模式、经典护眼模式、自动亮度模式)。
推拉黑板技术参数及功能特点
一.通用尺寸:4000×1300×110mm(可跟据电子白板的大小制作)二.材料参数:
1.外框滑道:采用110×36×1.2mm的电泳香槟色铝合金。
为保证黑板的灵活性和使用寿命下滑道要求平面,粉尘灰可直接掉下。
2.黑板边框:采用32×21×1mm的喷砂香槟色铝合金材料,两块黑板之间配有防尘毛条。
3.塑料角:采用ABS工程塑料模具成型。
4.面板:采用280℃高温烤漆板面,厚度≥0.35mm。
5.夹层:采用特制高密度泡沫板。
6.背板:采用≥0.27 mm厚的优质镀锌板。
7.吊轮:采用优质软性尼龙轮。
8.锁:特制定做钥匙通用。
9.安装片:采用优质5 mm钢板冲压成型。
10.在滑道终端配置让位缓冲弹簧,推开活动面板可减缓板体的冲击力度,不会使两侧的立框掉落。
三.功能特点:两块活动黑板之间必须有防尘毛条.可以保证电子白板表面的清洁度,滑道上必须采用伸缩防撞弹簧配件安装,维修电子白板不需拆掉整块黑板,1分钟就可直接随意取下或安装好电子白板。
序规格号要求
液晶一
体机1整体
设计
要求
液晶一
体机1电视
系统
参数
液晶一
体机触1
摸屏参
数
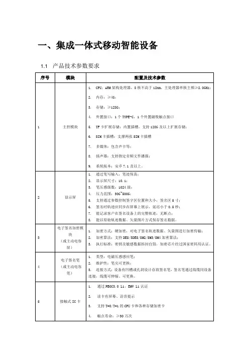
一体机设备详细技术参数及功能要求
主要技术参数
1.★内置一体化设计,外部无任何可见内部功能模块的连接线。
2. ★全铝合金边框设计,四条边框可以90 度翻转设计、便于维护。
3.★各模块能独立拆卸,避免整机拆除维修
4.电源要求: AC 220V± 20%, 100~ 240V 宽电压。
5.信号端子口具有抗静电干扰功能, 确保外连设备间的信号稳定及设备安全。
6. ★设备自带嵌入式操作系统( android4.2 或 IOS
7.1 以上版本),与内置 / 外接电脑后
形成双系统备份。
7.★整机电视开关、电脑开关和节能待机键三合一,操作便捷。
在节能待机状态下
可实现节能 80%以上(需提供相关权威检测报告),并可通过敲击重新唤醒屏幕。
8.★红外触摸屏具有“触摸点跟踪定位校正”技术。
需提供第三方检测或认证机构
的证明文件。
9、可根据环境光和灯光的变化,自动调整显示亮度,有效保护教师和学生视力。
10、设备可通过遥控器一键锁定 / 解锁触摸、按键,也可通过前置组合按键的形式锁定
/ 解锁触摸和按键,防止课间学生操作。
11、★嵌入式操作系统下可以进行可以进行三人同时书写,进行各功能模块的应用。
同时能够识别外接U盘的存储设备、能够对存储设备内容进行分自动分类。
★13、触摸框采用前置 90°翻盖式设计,只需翻开屏幕边框表面,即可在不取下一体
机的情况下手动拆卸触摸框,四条触摸边框可做独立拆卸。
1.★屏体类型: LED背光源, 55 寸液晶屏,提供 A 规屏证明。
2. ★提供相关权威测试报告证明屏幕可视角度达176°以上。
3.提供高清分辨率相关权威检测报告。
4.输入端子 : ≥ 2 路 VGA;≥ 2 路 Audio ;≥ 1 路 AV;≥ 3 路 HDMI;≥ 4 路 TV 多媒
体USB;≥ 1 路 RS232接口;≥ 1 路 RJ45。
5.输出端子:≥ 1 路耳机;≥ 1 路 VGA;≥ 1 路同轴输出。
6.喇叭输出功率:≥ 15 瓦 x2
7. ★ TV 多媒体具有 1 路 USB3.0 端口。
显示屏寿命不低于50000 小时。
1. ▲支持非接触式红外 10 点或以上触控技术,支持10 点或以上同时书写
2.触摸有效识别≥ 5 毫米
3.定位精度:± 0.5mm
4. 触摸精准性:整机屏幕触摸有效识别高度小于 3.5mm,,即触摸物体距离玻璃外
表面高度低于 3.5mm时,触摸屏识别为点击操作,保证触摸精准,提供相关权威检测报告。
5. △触摸屏具有防遮挡功能,触摸接收器在单点或多点遮挡后仍能正常书写,确保
老师课堂操作的流畅性,提供相关权威检测报告。
6.触摸屏具有防光干扰功能,能在照度 88K LUX(勒克司)环境下仍能正常工作,提供
相关权威检测报告。
▲液晶
一体机1
内置电
脑配置
教学软1
件7. 为保证触摸书写流畅度,书写延迟时间需控制在90ms 以内,提供相关权威检测
报告。
1.采用模块化电脑方案,实现无单独接线的插拔,低噪音热管传导散热设计。
2. 处理器: Intel Core i3,主频为双核四线程
3.0GHz 或以上
3.内存: 2G DDR3或以上配置
4.硬盘: 500G或以上配置
5.内置 WiFi : IEEE 802.11n 标准
6.内置网卡: 10M/100M/1000M
7. ★具有独立非外扩展的电脑USB接口:电脑上至少 6 个 USB 接口,其中至少 2
个为 USB3.0 接口; VGA 1 个或以上, HDMI 1 个或以上, mini DP 1个或以上。
设备前置面框处不少于 1 个电脑 USB接口。
★1、软件内置 FLISH 互动式操作说明视频演示和帮助文档。
★2、仿真实验:配套幼儿、小学、初中、高中仿真实验软件,实现实验教学与电子
白板教学完美结合;包括科学、物理、化学、生物四科;单个实验可同时提供实验
目的、实验器材、实验步骤、视频讲解、同步练习、探究活动等所需的辅助练习资
料和功能;实验数量超过100 个。
★3、多学科模式支持:提供语文、数学、英语、物理、化学教学场景,在各学科教
学场景中提供相应的教学工具。
★4、边写边擦:支持两到三个人在选择书写工具的状态下同时书写和擦除,互不影
响,方便不同学生在屏幕上同时书写。
5、颜色填充:支持对正页或任意封闭区域进行颜色填充。
6、桌面模式、通用模式、学科模式,三种模式自由切换
推拉黑板技术参数及功能特点
一.通用尺寸: 4000×1300×110mm(可跟据电子白板的大小制作)二.材料参数:
1.外框滑道:采用110×36×1.2mm 的电泳香槟色铝合金。
为保证黑板的灵活性和使用寿命下滑道要求平面,粉尘灰可直接掉下。
2.黑板边框:采用32×21×1mm 的喷砂香槟色铝合金材料,两块
黑板之间配有防尘毛条。
3.塑料角:采用ABS工程塑料模具成型。
4.面板:采用280℃高温烤漆板面,厚度≥05mm.3。
5.夹层:采用特制高密度泡沫板。
6.背板:采用≥ 0.27 mm厚的优质镀锌板。
7.吊轮:采用优质软性尼龙轮。
8.锁:特制定做钥匙通用。
9.安装片:采用优质5 mm钢板冲压成型。
10.在滑道终端配置让位缓冲弹簧,推开活动面板可减缓板体的冲
击力度,不会使两侧的立框掉落。
三.功能特点:两块活动黑板之间必须有防尘毛条.可以保证电子白板表面的清洁度,滑道上必须采用伸缩防撞弹簧配件安装,维修电子白板不需拆掉整块黑板, 1 分钟就可直接随意取下或安装好电子白板。