成果文件归档表格模板分解
- 格式:doc
- 大小:141.50 KB
- 文档页数:15
科技档案归档范围及保管期限表产品档案保管期限表序号基本范围保管期限1 计划决策阶段1.1 调查研究1.1.1 市场调查、技术调查、预测报告、调研综合报告短期1.1.2 技术、经济可行性研究报告长期1.2 决策1.2.1 发展建议书、技术建议书、协议书、委托书、合同永久1.2.2 专题分析报告、专题会议纪要长期1.2.3 研制计划、方案、方案论证报告长期2 设计阶段2.1 产品研究、设计计划及技术、经济初步评价长期2.2 研究试验大纲、试验报告长期2.3 产品设计标准永久2.4 技术设计说明书、专题技术请示报告长期2.5 产品设计图样、设计评审报告长期3 试制阶段3.1 试制3.1.1 试制计划、方案、规程、报告永久3.1.2 工艺研究报告、工艺总体方案论证永久3.1.3 试制工艺流程、工艺标准及工艺评审报告长期3.1.4 试制运行记录、化验记录及试制过程纪要长期3.1.5 原材料与半成品、成品检验方法批准书及技术标准协议、试制质量分析报告长期3.1.6 理化分析报告、化学配方、化学反应式、计算公式长期3.1.7 专题会议记录、纪要、决议及合理化建议长期3.1.8 重大故障分析和排除措施报告及试制总结报告长期3.2 试验3.2.1 试验计划、方案、规程及试验原始数据与资料永久3.2.2 试验所需仪器与设备清单、试验分项目记录长期3.2.3 试验分析报告及试验总结报告长期3.3 鉴定3.3.1 鉴定申请报告及批复、试制、试验鉴定大纲永久3.3.2 设计文件、标准化审查报告、可靠性试验情况报告长期3.3.3 产品质量和技术经济分析报告、试用或试运行报告短期3.3.4 技术鉴定资料(申请批复、评价资料、会议纪要)永久3.3.5 鉴定验收书、设计定型报告、证书永久4 生产阶段4.1 小批生产4.1.1 生产方案、计划及工序工程能力分析报告长期4.1.2 关键件、重要件、关键工序的质量控制及检测报告及历次更改与补充的设计及工艺文件和更改通知单长期4.1.3 小批生产总结报告、小批生产鉴定书永久4.1.4 产品设计评审报告、产品研制完成报告长期4.1.5 产品许可证、合格证、使用说明书、装箱单、样本长期4.2 批量生产4.2.1 申请正式投产报告、批复、通知永久4.2.2 生产技术规程、操作规程、安全生产规程、产品检验规范永久4.2.3 技术标准(国际、国家、部、企、内标)永久4.2.4 企业标准编制说明、审批书及修改、修订的通知永久4.2.5 生产定型(结构、配方)设计文件永久4.2.6 工艺方案及工艺规程长期4.2.7 管理用工艺文件及工艺作业指导书、工艺说明书、工艺装备文件、图样、说明书长期4.2.8 产品改进与更新建议书、合理化建议、QC成果及产品质量技术攻关会议记录、纪要和成果长期4.2.9 重大质量事故分析、质量异议处理结果长期4.2.10 各种操作记录、产品检验报告单长期4.2.11 明细表、汇总表、产品目录长期4.2.12 专利登记表、专利证书及商标注册资料永久5 评优阶段5.1 创优规划和措施及创优工艺操作规程长期5.2 创优申请、审批表、优质产品评定书长期5.3 获奖奖章、奖状、证书永久6 认证阶段6.1 认证申请书、认证检测报告、检查报告长期6.2 跟踪服务资料及产品检验报告长期6.3 各种认证证书永久科研档案保管期限表1 研究准备阶段1.1 申报项目的报告、批复、通知长期1.2 科研规划、调研报告、可行性研究报告、技术咨询与课题论证资料长期1.3 课题说明书、科研课题、经费申请报告及批件长期1.4 任务书、协议书、会议记录及重要来往文函永久1.5 科研课题研究计划、上级批示及有关课题的国内外动态、课题计划调整或课题撤销文件长期1.6 实验、试验方案、设计方案、调查考察方案、技术规程永久2 研究试验阶段2.1 试验任务书、试验大纲永久2.2 实验、试验测试记录、图表、照片、计划执行情况、调整和撤销的报告永久2.3 试制综合分析报告及总结永久2.4 计算文件、检验文件及计算机软件永久2.5 设计文件、图样、技术说明及工艺文件永久3 总结鉴定验收阶段3.1 课题完成最终(或中断)总结、鉴定大纲永久3.2 课题阶段工作总结及技术经济分析报告长期3.3 标准化审查报告永久3.4 鉴定证书、科学技术成果鉴定证书及鉴定会议记录、鉴定验收结论、函审原件永久4 成果申报阶段4.1 科技成果申报表及科技成果奖励申报及评审资料永久4.2 获奖证书及批件永久5 推广应用阶段5.1 推广应用方案、专利申请书、批准证书及技术转让合同、协议书永久5.3 论文、成果推广应用中形成的技术文件及工作总结、过户定型的鉴定资料长期5.4 国内外同行业评价及用户反馈意见短期5.7 标本、样品目录短期5.8 出席各级学术会议和发表在各种刊物上的论文、专题报告长期5.9 国外考察报告和对外技术交流资料等长期5.10 针对成果的推广应用进行的软件开发形成的文件资料长期基本建设档案保管期限表1 项目建议书、审批意见及国家政策性报批文件永久2 项目可研总体计划、可行性研究报告及可研审查会议纪要及其评估、报批文件永久3 对标杆企业、设计单位、主体设备供货单位进行考察,形成考察报告及可研委托永久4 初步设计4.1 设计任务书、计划任务书、报批文件永久4.2 设计基础文件(工程地质、水文地质、勘察设计、勘察报告、地质图、勘察记录、化验、试验报告、重要土、岩样、水文、气象、地震及说明永久4.3 设计文件、总体规划设计及方案设计、技术设计永久4.4 施工图设计长期4.5 技术秘密资料、专利文件永久4.6 工程设计计算书长期4.7 关键技术试验及设计评价、鉴定及审批永久5 项目管理文件5.1 建设前原始地形、地貌、状况图、照片永久5.2 计划、投资、统计、管理文件长期5.2.1 有关投资、进度、物资、工程量的建议计划、实施计划和调整计划长期5.2.2 工程概算、预算、标底、合同价、决算、审计及说明管理文件长期5.2.3 合同变更、索赔等涉及法律事务的文件长期5.2.4 规程、规范、标准、规划、方案、规定长期5.2.5 招标文件审查、技术设计审查、技术协议长期5.2.6 投资、进度、质量、安全、合同控制文件长期5.3 招标投标、承发包合同协议5.3.1 招标书、招标修改文件、招标补遗及答疑文件长期5.3.2 投标书、资质资料、履约类保函、委托授权书和投标澄清文件、修正文件永久5.3.3 开标议程、开标大会签字表、报价表、评标纪律、评标人长期员签字表、评标记录、报告5.3.4 中标通知书长期5.3.5 合同谈判纪要、合同审查文件、合同书、合同变更文件永久5.4 专项申请、批复文件5.4.1 环境保护、劳动安全、卫生、消防、人防、规划等文件,永久5.4.2 水、暖、电、煤气、通信、排水等配套协议文件长期5.4.3 原料、资料、燃料供应等来源协议文件长期6 施工文件6.1 建筑施工文件6.1.1 开工报告、工程技术要求、技术交底、图纸会审纪要长期6.1.2 施工组织设计、方案及报批文件、施工计划、施工技术及长期安全措施、施工工艺文件6.1.3 原材料及构件出厂证职、质量鉴定、复验单长期6.1.4 建筑资料试验报告长期6.1.5 设计变更、工程更改洽商单、资料代用核定审批手续、技永久术核定单、业务联系单、备忘录等6.1.6 施工定位(水准点、导线点、基准线、控制点等)测量、永久复核记录、地质勘探6.1.7 土、岩试验报告、基础处理、基础工程图、桩基工程记录、永久地基验销记录6.1.8 施工日记、大事记长期6.1.9 隐蔽工程验收记录永久各类工程记录及测试、沉降、位移、变形监测记录、事故永久处理报告工程质量检查、评定永久技术总结、施工预、决算永久交工验收记录证明永久竣工报告、竣工验收报告及竣工图永久声像资料长期6.2 设备及管线安装施工文件6.2.1 开工报告、工程技术要求、技术交底、图纸会审纪要长期6.2.2 施工组织设计、方案及其报批文件、施工计划、技术措施长期文件6.2.3 原材料及构件出厂证明、质量鉴定、复验单长期6.2.4 建筑资料试验报告长期6.2.5 设计变更通知、工程更改洽商单、资料、零部件、设备代永久用审批手续、技术核定单、业务联系单、备忘录等6.2.6 焊接试验记录、报告、施工检验、探伤记录永久6.2.7 隐蔽工程检查验收记录永久6.2.8 强度、密闭性试验报告长期6.2.9 设备、网络调试记录长期施工安装记录、安装质量检查、评定、事故处理报告长期系统调试、调试记录长期管线清洗、试压、通水、通气、消毒等记录短期管线标高、位置、坡度测量记录长期中间验收记录证明、工程质量评定永久竣工报告、竣工验收报告、施工预、决算永久竣工图永久6.3 电气、仪表安装施工文件6.3.1 开工报告、工程技术要求、技术交底、图纸会审纪要长期6.3.2 施工组织设计、施工及其报批文件、施工计划、技术措施长期文件6.3.3 原材料及构件出厂证明、质量鉴定、复验单长期6.3.4 建筑资料试验报告长期6.3.5 设计变更通知、工程更改洽商单、资料、零部件、设备代永久用审批手续、技术核定单、业务联系单、备忘录等6.3.6 系统测试、整定记录.长期6.3.7 绝缘、接地电阻等性能测试、校核长期6.3.8 资料设备明细表及检验记录、施工安装记录、质量检查评永久定、事故处理报告6.3.9 操作、联动试验长期电气装置交接记录长期中间交工验收记录、工程质量评定永久竣工报告、竣工验收报告及竣工图永久声像资料长期7 监理文件7.1 施工监理文件、资料7.1.1 监理合同协议、监理大纲、监理规划、细则及批复长期7.1.2 施工及设备器材供应单位资质审核、设备、资料报审长期7.1.3 施工组织设计、施工方案、施工计划、技术措施审核、施长期工进度、延长工期、索赔、及付款报审7.1.4 开(停、复、返)工令、许可证、中间验收证明书长期7.1.5 设计变更、资料、零部件、设备代用审批长期7.1.6 监理通知、协调会审纪要、监理工程师指令、指示、来往长期函件7.1.7 工程资料监理检查、复检、实验记录、报告长期7.1.8 监理日志、监理周(月、季、年)报、备忘录长期7.1.9 各项测控量成果及复核文件、外观、质量、文件等检查、长期抽查记录施工质量检查分析评估、工程质量事故、事故报告材料长期工程进度计划、实施、分析统计文件长期变更价格审查、支付审批、索赔处理文件长期工程检查及开工签证、工程分部、分项质量认证、评估长期主要资料及工程投资计划、完成报表长期7.2 设备采购、监造工作监理资料7.2.1 设备采购委托监理合同、采购方案、监造计划长期7.2.2 市场调查、考察报告长期7.2.3 设备制造的检验计划和检验要求、检验记录及试验报告、长期分包单位资格报审表7.2.4 原材料、零配件等的质量证明文件和检验报告长期7.2.5 开动、复工报审表、暂停令长期7.2.6 会议纪要、来往文件长期7.2.7 监理工程师通知单、监理工作联系单长期7.2.8 监理日志、监理月报长期7.2.9 质量事故处理文件、设备制造索赔文件长期设备验收、交接文件、支付证书和设备制造结算审核文件长期设备采购、监造工作总结长期7.3 监理工作声像资料长期8 工艺设备文件8.1 工艺说明、规程、路线、试验、技术总结长期8.2 产品检验、包装、工装图、检测记录长期8.3 设备、资料采购、招投标文件、合同、出厂质量合格证明长期8.4 设备、资料装箱单、开箱记录、工具单、备品备件单长期8.5 设备图纸、说明书、安装调试、测定数据、性能鉴定文件长期8.6 设备测绘、验收记录及索赔文件长期9 生产技术准备、试生产文件9.1 技术准备计划短期9.2 试生产管理、试生产产品质量鉴定报告及技术责任制短期9.3 设备试车、验收、运转、维护记录长期9.4 安全操作规程、事故分析报告长期9.5 运行记录及技术培训资料短期9.6 产品技术参数、性能、图纸永久9.7 工业卫生、劳动保护资料、环保、消防运行检测记录短期10 竣工验收文件10.1 项目竣工验收报告永久10.2 工程设计、施工及监理总结永久10.3 项目质量评审及工程现场声像文件永久10.4 工程审计文件、资料、决算报告永久10.5 环境保护、劳动安全卫生、消防、人防、规划、档案等验永久收审批文件10.6 竣工验收会议决议文件、验收证书及验收人员名册、签字、永久验收备案文件10.7 交付使用的固定资产、流动资产、无形资产、递延资产清册永久10.8 项目评优报奖申报资料、批准文件及证书永久设备档案保管期限表序号基本范围保管期限1 单台(套)设备仪器1.1 调研、考察材料长期1.2 购置合同、协议长期1.3 洽谈记录、纪要、备忘录、来往函件及商检材料长期1.4 设备仪器开箱验收记录长期1.5 设备仪器合格证、装箱单、出厂保修单、说明书等随机图样及文字材料长期1.6 设备仪器安装调试、试车记录、总结、竣工图样、检测验收等材料长期1.7 运行记录及重大事故分析处理报告长期1.8 设备仪器保养和大修计划、记录长期1.9 设备仪器检查记录、设备仪器履历表长期1.10 设备改造记录和总结材料长期1.11 技术、质量异议的处理结果材料永久1.12 设备仪器报废鉴定材料、申请、批复和处理结果长期2.1 设备台帐永久地质档案保管期限表序号基本范围保管期限1 区域地质1.1 出版底图、说明书底稿、区测报告的底图、底稿。
文件归档模板一、引言文件归档是日常工作中不可或缺的一环。
好的归档系统可以提高工作效率、方便信息查找和保护文件安全。
本文将介绍一个通用的文件归档模板,帮助您建立一个有效的文件归档系统。
二、文件分类1. 项目文件项目文件是指与特定项目相关的文件,包括项目计划、进度报告、会议记录等。
这些文件应按照项目名称和日期进行归档。
2. 客户文件客户文件包括客户合同、商务信函、客户反馈等文件。
根据客户名称和日期对其进行归档,方便查询和跟踪客户沟通记录。
3. 财务文件财务文件包括财务报表、发票、收据等。
应按照年度进行归档,并可根据具体财务科目再进行细分。
4. 人力资源文件人力资源文件包括员工合同、培训记录、绩效评估等。
可按照员工姓名和日期对其进行归档,方便管理和查阅。
5. 行政文件行政文件包括采购订单、办公用品清单、会议室预定等。
应按照文件类型和日期进行归档,方便行政管理和审计。
三、归档流程1. 文件准备在进行文件归档之前,应先将文件按照分类整理清楚,确保文件内容准确完整。
2. 文件标识使用归档标识,可以是文件编号、标题或者关键词,将文件标识清楚,方便后续查找和定位。
3. 文件存储选择适当的存储介质,可以是硬盘、云存储或者纸质档案。
根据归档的文件数量和重要性进行存储介质选择。
4. 归档记录建立归档记录表,记录文件归档的详细信息,包括文件标识、归档日期、存储位置等。
便于管理和维护系统。
5. 定期检查定期检查文件归档系统的完整性和准确性,及时进行文件的更新和调整,保证系统的可用性和有效性。
四、文件检索1. 关键词搜索利用文件标识的关键词进行搜索,可以快速定位所需文件。
如果有大量文件,可借助搜索工具提高效率。
2. 目录索引建立文件目录索引,包括按照分类和日期的索引,使文件的查找更加方便快捷。
3. 共享权限根据工作需要,设定不同人员的文件访问权限,保护文件安全。
同时也方便团队成员之间的文件共享与协作。
五、数据备份为了防止文件丢失或损坏,定期进行文件备份是至关重要的。
文件归档分类表
文件归档分类表
文件归档分类表
文件归档分类表
文件归档分类表
文件归档分类表
说明:SG-01-03-02
案卷编号
子类别代号
分类别代号
类别代号
ZS—证书类ZB—招投标与合同类GL—管理文件类SX—声像类
文件归档分类表
文件归档分类表
卷内目录
利建筑设计院;”检测单位“为大连大禹水工程质量检测有限公司。
卷内备考表
说明:卷号标注方法举例(转角楼灌区为例)
B- G S9-5 卷顺序号
总卷数标段代号施工单位资料
灌区工程卷内目录
注:1.责任者写简称如“庄河水建”为庄河市水利建筑工程有限公司;
“设计院”为庄河水利建筑勘测设计院;”天禹检测为“大连禹水工程质量检测有限公司(简称可自行编制,但要在说明简称的全称。
1.日期:如2011年5月20日,写为20110520,仅有年和月的文件,
如2011年4月写为20110400,仅有年份的文件,如2011写为20110000。
2.页号:如第一个文件18页,第一行页号填1,第二个文件12页第2行页号填19,依次类推。
4.本表订在案卷前
卷内备考表
本表订在案卷后。
档案归档文件目录表格模板归档文件目录件号责任者文件标题日期页数备注1 XXX 学校办学理念阐释学校章程学校素质教育实施方案学校实施幸福教育活动方案学校学困生辅导方案 2016.122 XXX 学校办学目标阐释学校中长期规划学校规章制度汇编 2016.123 XXX 学校机构设置,领导班子分工教代会资料三会一课档案 2016.124 XXX 家长委员会资料 2016.125 XXX 教职工考核 2016.126 XXX 各项规章制度学校校园文化建设学校网站建设2016.127 XXX 学校卫生工作制度、计划、总结、检查等过程性材料预防传染病、食物中毒的预案、制度、检查等过程性材料学校测试的体质检测表等过程性材料健康教育计划、总结、教案等过程性材料艾滋病防治的上级文件、通知、活动照片等过程性材料全面落实泰安市“十无”标准要求过程性材料2016.128 XXX 学校幸福教育工程实施方案幸福学生、幸福教师、幸福学校资料开全课程、开足课时各班张贴作息时间表每天体育活动一小时安排及资料学校节假日活动安排有关规定节假日具体安排活动资料 2016.129 XXX 考试规定学生素质教育评价方案严禁摊派和变相摊派辅导资料 2016.1210 XXX 教学改革方案教学改革过程资料教学改革成果展示资料 2016.12归档文件目录件号责任者文件标题日期页数备注1 XXX 学校办学理念、章程、素质教育、幸福教育、学困生辅导方案 2016.122 XXX 学校办学目标、规划、规章制度汇编 2016.123 XXX 学校机构设置、领导班子分工、教代会资料、三会一课档案 2016.124 XXX 家长委员会资料 2016.125 XXX 教职工考核 2016.126 XXX 各项规章制度、校园文化建设、网站建设 2016.127 XXX 学校卫生工作、预防传染病、体质检测、健康教育、艾滋病防治、全面落实泰安市“十无”标准要求过程性材料2016.128 XXX 学校幸福教育工程实施方案、幸福学生、幸福教师、幸福学校资料、开课程、安排体育活动及节假日活动资料2016.129 XXX 考试规定、素质教育评价方案、严禁摊派和变相摊派辅导资料 2016.1210 XXX 教学改革方案、过程资料、成果展示资料2016.12。
辽统监表A—10工程竣工验收报审表工程名称: 第( )号本表由施工单位填写,一式四份,施工单位、建设单位各一份,项目监理机构收存二份.辽统监表A—2施工组织设计(方案)报审表工程名称:穗港公园里三期第()号本表由施工单位填报,一式四份,经项目监理机构审核后,施工单位留存一份,项目监理机构收存三份。
归档编号:B1-6、B1—7 辽统监表A—-17施工单位申请书工程名称:穗港公园里三期第( )号本表由施工单位填写,一式四份,经项目监理机构签收全,施工单位留存一份,项目监理机构三份。
归档编号:B1-8 辽统监表B1—1监理工程师通知书工程名称:第()号本表由项目监理机构填写,份数依据具体情况决定,项目监理机构留存三份。
辽统监表C—5监理月报编报日期:第( )月份第页工程名称: 设计单位:建设单位:施工单位:建筑面积:项目经理:结构形式:总监理工程师:一工程形象进度(注:a。
计划进度; b。
实际进度。
)2。
对进度完成情况及采取措施效果的分析;巡统监表C—5监理月报编报日期:第()月份第2页二、工程质量三、工程计量与工程支付四、合同其它事项的处理情况五、本月监理工作小结辽统监表A—1工程开工/复工报审表工程名称:第()号本表由施工单位填报,一式四份,经项目监理机构审批后,施工单位留存一份,项目监理机构收存三份。
辽统监表C-5工程暂停令工程名称:第()号本表由项目监理机构填写,一式四份,经施工单位签收后,施工单位留存一份,项目监理机构收存三份.辽统监表A—12施工测量放线报验表工程名称:第()号辽统监表A—9材料/构配件/设备报验表工程名称:第()号归档编号:B5—3辽统监表A—6工程临时/最终延期申请表工程名称:第()号本表由施工单位填写,一式四份,经项目监理机构签收后,报建设单位一份,施工单位留存一份;项目监理机构收存二份。
归档编号:B3-4(5.6)辽统监表A—4工程报验审核表工程名称:第()号本表由施工单位填写,一式四份,经项目监理机构审批后,施工单位留存一份;项目监理机构收存三份。
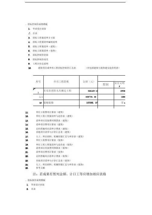
、招标控制价成果模板1、毕业设计封面2、目录3、招标工程量清单圭寸面4、招标工程量清单编制说明5、招标工程量清单(建筑)6、招标工程量清单(装饰)7、招标控制价封面8、招标控制价扉页9、工程计价总说明10、建筑项目或单项工程招标控制价汇总表(有包括建筑与装饰建安造价的表)11、单位工程费用计算表(建筑)12、单位工程工程量清单与造价表(建筑)13、清单项目直接费用预算表(建筑)14、清单项目费用计算表(建筑)15、总价措施项目清单计费表(建筑)16、其他项目清单与计价汇总表(建筑)17、人工、所以材料、机械用量汇总与单价表(建筑)18、单位工程费用计算表(装饰)19、单位工程工程量清单与造价表(装饰)20、清单项目直接费用预算表(装饰)21、清单项目费用计算表(装饰)22、总价措施项目清单计费表(装饰)23、其他项目清单与计价汇总表(装饰)24、人工、所以材料、机械用量汇总与单价表(装饰)25、参考文献注:若成果有暂列金额、计日工等应增加相应表格、投标报价成果模板1、毕业设计封面2、目录3、审核后招标工程量清单圭寸面审核肓招标工程量清单封面审核后招标工程量清虹4、审核后招标工程量清单编制说明审核后招标工程量编制说明.11、 单位工程费用计算表(建筑) 12、 单位工程工程量清单与造价表(建筑) 13、 清单项目直接费用预算表(建筑) 14、 清单项目费用计算表(建筑) 15、 总价措施项目清单计费表(建筑) 16、 其他项目清单与计价汇总表(建筑)(有包括建筑与装饰建安造价的表)5、 审核后招标工程量清单(建筑)6、 审核后招标工程量清单(装饰)7、 投标总价封面8、 投标总价扉页9、 工程计价总说明10、 建筑项目或单项工程招标控制价汇总表17、人工、所以材料、机械用量汇总与单价表(建筑)18、单位工程费用计算表(装饰)。
工程文件归档整理参考表(一)工程准备阶段文件(前期文件)开发经营部:1。
项目受理通知书、建设项目选址意见书(永久)2.项目建议书及批复(年度计划的通知等)(永久)3.可行性研究报告及批复意见(永久)4.水土保持方案报告书及批复意见、环境评估报告及审批意见书(永久)5.征地红线图、地籍图(含计算书),地块界线放样测量、土地勘察定界技术报告(永久)6.划拨或出让合同,征地文件(征收土地公告、补偿安置方案公告及批复等)(永久)7..国有土地使用证(永久)8..建设用地规划许可证及其附件(永久)前期开发部:9。
.扩初批复文件,扩初文本(永久)10.工程地质勘察报告及图表(永久)11..建设用地钉桩通知(单)书(包括规划总平面图“定位图”)(永久)12.有关行政主管部门(施工图设计文件审核报告及批准意见书、“消防、人防、防雷审核意见书”园林、市政、通讯等)批准文件或取得的有关协议(永久)13.勘察、设计招投标文件、中标通知书、合同(长期)14.建设工程规划许可证及其附件(永久)工程部: 15.施工招投标文件(标前会议纪要)、招标答凝、中标通知书、施工合同(长期)16.工程预算书(商务标、技术标)(短期)17.建设工程施工许可证(永久)现场办:18.工程质量监督书与白蚁防治合同(长期)施工单位:19.建设工程开工审查表、开工报告(永久)20.营业执照、资质证书、(负责人、技术人员名单及资格证书、项目经理证书与任命书)(长期)(二)土建(建筑与结构)工程(施工文件)⑴施工过程中形成的文件:1.验槽记录或地基处理记录(永久)2.“桩基与主体”中间验收报告(长期)3.桩基与基础、主体工程验收记录(中间验收记录);地下室工程验收报告及纪要(永久)4.工程质量事故处理记录(整改报告及回复单)(永久)5.分部(子分部)工程质量验收记录(永久)⑵质保证明文件、复试试验报告及报验单:(长期)1.钢筋(材)报验单、汇总表、试验报告、质保单等注:“放置在第一幢楼做卷”2.焊接报验单、试验汇总表、试(检)验报告、金属焊条(剂)合格证3.水泥报验单、汇总表、试验报告、质保单等㈡4.砖报验单、强度试验汇总表、强度试验报告、出厂合格证5.蛎灰(石灰)、石子、砂子试验报告6.砂浆(试块)抗压强度试验报告及汇总表、配合比7.基础、主体、楼地面、屋面、后浇带、栏板构造柱砼(试块)抗压强度试验报告及汇总表、配合比、抗渗、回弹检测等;砼评定,(结构实体检测报告)8.防水、挤塑板材料试验报告、质保书及合格证、建筑锚栓抗拉拔性能、屋面(挤塑板或其它材料)节能专项检测报告,饰面砖结粘强度报告9涂料及内墙内保温检测报告、烟道、隔墙及吊顶材料、花岗岩及屋面彩瓦等)10.外墙外保温:胶粉聚苯颗粒检测报告(同条件试块),产品材料检测报告、质保书及合格证,节能专项检测报告,(网格布、界面剂、聚苯颗粒、抗压砂浆等),保温钻芯检验报告11.:锚栓拉拔检验报告,(铝材、钢材、耐候胶、玻璃、密封胶、不锈钢螺栓、焊条等)检验报告及合格证,(幕墙:空气渗透性能、雨水渗漏性能和风压变形性能的12.检验报告及设计要求的其他性能),(三性)物理性检测报告及节能专项检测报告,图纸会审纪要、设计变更、工程联系单,竣工图,分部(子分部)分项工程质量验收记录13.阳台玻璃栏杆:锚栓抗拉拔性能检测报告,材料检验报告、质保书及合格证(三)竣工图:1.设计会议会审纪要(永久)、图纸会审纪要(长期)2.设计变更、工程联系单(永久)3.竣工图(结构、建筑)(永久)(四)竣工验收文件:1.工程竣工报告(包括沉降观测及大角倾斜记录)(永久)2.竣工验收纪要(永久)3.竣工验收报告(勘察、设计、建设单位、监理单位、施工单位质量检查报告)(永久)4.单位(子单位)工程质量验收记录、控制资料核查记录、安全和功能检验资料核查及主要功能抽查记录、观感质量检查记录(永久)5.专项验收报告(永久)6.单位工程竣工验收证书与工程竣工验收意见,竣工验收备案表(永久)7.环保“三同时”验收表,竣工综合验收证书,住宅质量保证书和使用说明书(永久)8.工程质量保修书,消防合格证书,人防竣工验收证书,防雷检测报告及准用证,空气检测报告,档案合格证及档案审核意见书,工程竣工测量记录(含测量图)(永久)9.工程决算书、结算清单(永久)水电资料:(参考)水施:1.单位资质、执照、技术人员登记表及资格证书(长期)2.管道试压、设备强度和严密性试验记录(长期)3.竣工图(包括图纸会审纪要、设计变更、工程联系单)(永久)电施:1.配线线路绝缘电阻测试记录(长期)2.安装隐验记录(长期)3.避雷隐验记录(长期)4.通电记录(长期)5.电缆敷设绝缘电阻测试记录(长期)6.接地电阻测试记录(如:配电箱、避雷带、栏杆、门窗、等电位箱、钢管等)(长期)7.电气检测、电气复查报告(长期)8.竣工图9.分部(子分部)工程质量验收记录(永久)10.工程决算书、结算清单(永久)消防、人防、通风、钢结构资料:(参考)消水:1..分包协议、单位资质、营业执照、技术人员登记表及资格证书(长期)2.管道试压试验记录、消火栓试射试验记录、(长期)3..自动喷水灭火系统联动试验记录、自动喷水灭火系统调试报告(长期)4.分部(子分部)分项工程验收记录5.竣工图(包括图纸会审纪要、设计变更、工程联系单)消电:1.线路绝缘电阻测试记录(长期)2.报警系统调试报告(长期)3.会审纪要、设计变更、联系单、竣工图4.消防验收申请表(长期)5.建筑消防设施检测报告,建筑消防电气检测报告(长期)6.分部(子分部)工程验收记录(给水、喷淋、电气)(永久)7.竣工图(永久)人防、通风资料:1.分部(子分部)工程验收记录(永久)2.竣工图(包括图纸会审纪要、设计变更、工程联系单)(永久)钢结构资料:1.施工图设计文件审查报告及审查合格证(长期)2.设计单位资质证书、营业执照(长期)3.分包合同,分包单位资质证书、营业执照、资格证书(长期)4.竣工验收报告及验收纪要,分部(子分部)工程质量验收记录(永久)5.竣工图(包括图纸会审纪要、设计变更、工程联系单)(永久)桩基(砼灌注桩、管桩等)工程:(参考)(一):前期文件:1.桩基分包合同(长期)2.桩机施工证、资格证(长期)3.工程预算书(商务标、技术标)(短期)4.资质证书、营业执照、上岗人员登记表及资格证书及监理审报单(长期)(二):施工文件:⑴施工过程中形成的文件:1.桩位定位测量记录,工程放线测量,工程验线回单(规划局测绘处)(长期)2.桩基动测报告,荷载试验报告,成孔质量检测报告(设计院盖单)(长期)3.试桩记录,钻孔灌注桩施工记录汇总表(桩号顺序);⑵质保证明文件、复试试验报告及报验单:(长期)1.钢筋汇总表、试验报告、质保单2.焊接试验汇总表、试(检)验报告、金属焊条(剂)合格证3.砼(试块)抗压强度试验报告、评定结果及汇总表、抽心检测报告4.管桩合格证(三):竣工图:1.设计会议会审纪要(永久)2.设计变更、工程联系单(永久)3.桩顶平面位置位竣工图(含桩位偏差表)(永久)(四):竣工验收文件:1.桩基验收记录,桩基分部(子分部)分项工程验收记录(永久)市政及附属工程:(道路、桥梁、驳坎等)(参考)一.前期文件:1.基建文件、规划许可证、设计方案的批复、扩初设计的批复、施工图审查意见(永久)2.招投标文件(含中标书)、会议纪要或小规模审批表(长期)3.施工合同或协议书(长期)4.工程预算书(商务标、技术标)(短期)5.工程质量委托书(长期)6.施工许可证(30万元以上),开工报告及审批表(永久)7.执照、资质、资格证书、技术人员登记表(长期)二.施工文件:1.地基验槽记录,2.中间验收记录(长期)3.工序质量评定表(单位工程、工程部位)(长期)4.整改报告及质量事故处理意见(永久)三.竣工图:1.竣工图(包括图纸会审,设计变更、工程联系单)(永久)四.竣工验收资料:1.竣工验收报告、竣工验收纪要(设计、建设、监理、施工单位竣工报告)2.关键部位工程质量验收证明书(永久)3.单位工程质量综合评分表,保证资料、实测实量、观感、井内高程管底测量等(永久)4.竣工验收意见表,竣工验收备案表,工程档案验收合格证,地下管线测量成果图表(永久)5.工程决算书、工程结算清单(永久)环境绿化工程:(参考)一.前期文件:1.基建文件、扩初设计的批复、规划红线图、工程设计证书、施工图审查意见(永久)2.招投标文件(含中标书)、会议纪要或小规模审批表(长期)3.施工合同或协议书(长期)4.工程预算书(商务标、技术标)(短期)5.工程质量委托书(长期)6.施工许可证(30万元以上),开工报告及审查表(永久)7.营业执照、资质证书、技术人员登记表、资格证书(长期)二.施工文件:1.地基验槽记录,工程定位测量、放样记录(长期)2.中间验收记录(长期)3.分部(子分部)工程验收记录”(永久)4.整改报告、质量事故处理意见(永久)5.养护计划(长期)三.施工材料及报审表:(长期)1.土壤(黄泥)取值试验报告、苗木汇总表,植物检疫证四.竣工图:1.设计变更、工程联系单,竣工图(目录)(永久)五.竣工验收资料:1.竣工验收报告、竣工验收纪要(永久)2.单位(子单位)工程质量验收记录(保证资料、观感、实测实量等)3.竣工验收意见表,竣工验收备案表,档案验收合格证,园林绿地面积测量报告(永久)4.工程决算书、工程结算清单(永久)智能化工程:(参考)一.前期文件:1.招投标文件(含中标书)、会议纪要或小规模审批表(长期)2.施工合同或协议书、设计合同(长期),工程预算书(商务标、技术标)(短期)3.工程质量委托书(长期)4.施工许可证(30万元以上),开工报告及审查表(永久)5.单位资格报审表、营业执照、资质证书、技术人员登记表、资格证书(长期)二.施工文件:1.试运行记录(长期)2.线材测试记录(绝缘电阻记录)(长期)3.中控接地电阻测试记录(长期)4.整改报告及质量事故处理意见(永久)三.设备材料:(长期)1.周界防越报警说明书、产品合格证、产品检验报告2.监控(硬盘录象、画面处理器)产品说明书、产品合格证、产品检验报告(或CE认证、报关单)3.家庭安防及四表远抄说明书、产品合格证、产品检验报告4.可视对讲说明书、产品合格证、产品检验报告5.电子巡更说明书、产品合格证、产品检验报告6.背景音乐说明书、产品合格证、产品检验报告7.停车场管理系统说明书、产品合格证、产品检验报告8.物业管理系统说明书、产品合格证、产品检验报告9.电子广告牌系统说明书、产品合格证、产品检验报告四.竣工图:1.竣工图(包括图纸会审纪要设计变更、工程联系单)(永久)五.竣工验收资料:1.竣工验收报告,竣工验收纪要(永久)2.单位工程质量综合评定表(分部质量验收记录)(永久)3.竣工验收备案表,工程档案验收合格证(永久),工程移交清单(物业)4.工程决算书、工程结算清单(永久)路灯工程:(参考)一.前期文件:1.招投标文件(含中标书)、会议纪要或小规模审批表(长期)2.施工合同或协议书(长期)工程预算书(商务标、技术标)(短期),3.质监委托书,(长期)4.施工许可证(30万元以上),开工报告及审查表(永久)5.营业执照、资质证书、技术人员登记表、资格证书(长期)二.施工文件:1.调试、通电记录(长期)2.接地电阻检测记录(长期)3.整改报告及质量事故处理意见(永久)三.竣工图纸:1.竣工图(包括图纸会审纪要设计变更、工程联系单)(永久)四.竣工验收文件:1.竣工验收报告、竣工验收纪要(永久)2.竣工验收鉴定书、工程移交表(单)(永久)3.工程竣工备案表,工程档案验收合格证(永久)4.工程决算书、工程结算清单(永久)分质供水工程:(参考)一.前期文件:1.招投标文件(含中标书)或会议纪要(长期)2.设计合同、施工合同(长期),工程预算书(商务标、技术标)(短期)3.工程质量委托书(长期)4.施工许可证(30万元以上),开工报告及审查表(永久)5.营业执照、资质证书、技术人员登记表、资格证书(长期)一.施工文件:1.设备运行记录(长期)2.室内、外管道试压记录(长期)3.工艺流程图(长期)4.操作说明书(长期)5.整改报告及质量事故处理意见(永久)三.竣工图:1.竣工图(包括图纸会审纪要设计变更、工程联系单)(永久)四.竣工验收资料:1.竣工验收总结报告、竣工验收纪要(永久)2.竣工验收鉴定书,工程竣工备案表,工程档案验收合格证(永久)3.卫生防疫部门检测报告(永久)4.工程决算书、工程结算清单(永久)室外给水工程:(参考)一.前期文件:1.招投标文件(含中标书)、会议纪要或小规模审批表(长期)2.施工合同或协议书(长期)3.工程预算书(商务标、技术标)(短期)4.工程质量委托书(长期)5.施工许可证(30万元以上),开工报告及[审查表(永久)6.营业执照、资质证书、技术人员登记表、资格证书(长期)二.施工文件:1.管道试压记录(长期)2.整改报告及质量事故处理意见(永久)三.竣工图纸:1.竣工图(包括图纸会审纪要设计变更、工程联系单)(永久)四.竣工验收资料:1.竣工验收报告,竣工验收纪要(永久)3.2.竣工验收鉴定书、工程移交表(单)(永久)3.工程验收备案表,工程档案验收合格证(永久)4.工程决算书、工程结算清单(永久)电梯工程:(参考)一.前期文件:1.招投标文件(含中标书)、会议纪要或小规模审批表(长期)2.施工合同或协议书(销售合同、安装合同等)(长期)3.工程预算书(商务标、技术标)(短期)4.工程质量委托书(长期)5.施工许可证(30万元以上),开工报告及审查表(永久)6.营业执照、资质证书、技术人员登记表、资格证书(长期)二.施工文件:1.设备试运行记录(长期)2.接地电阻、绝缘电阻测试记录(长期)3.平衡、运速、噪声调整试验报告(长期)4.安装指导、使用维修手册(长期)5.质量事故处理记录(永久)6.分部(子分部)工程质量验收记录(永久)三.竣工图:1.图纸会审纪要,设计变更、工程洽商、工程联系单(永久)2.竣工图(机房井道布置图、电气/原理敷线图、部件安装图等)(永久)四.竣工验收资料:1.工程竣工总结(永久)2.单位(子单位)工程质量验收记录、质量保证资料核查表3.安装验收证书、电梯试验(安装检验)报告、整机性能检测报告(永久)4.验收检验报告(安全检验合格证“准用证”)(永久)5.竣工验收备案表,工程档案验收合格证(永久),工程移交清单(物业)6.工程决算书、工程结算清单(永久)有线电视安装工程:(参考)一.前期文件:1.招投标文件(含中标书)、会议纪要或小规模审批表(长期)2.施工合同或协议书(长期)3.工程预算书(商务标、技术标)(短期)4.省有线广播电视工程设计、安装许可证,开工报告及审查表(永久)5.营业执照、资质证书、技术人员登记表、资格证书(长期)二.施工文件:1.电平测试数据(包括调试、测试记录)(长期)2.电缆及设备器材入网证、合格证、检测报告(pvc管检测报告)(长期)三.竣工图:1.竣工图(包括图纸会审纪要设计变更、工程联系单)(目录“室外总平、单体”)(永久)四.竣工验收文件:1.竣工验收报告,竣工验收纪要(永久)2.工程验收合格证,工程交接表,城建档案合格证((永久)3.工程决算书、结算清单(永久)电信安装工程:(参考)一.前期文件:1.招投标文件(含中标书)、会议纪要或小规模审批表(长期)2.施工合同或协议书(长期)3.工程预算书(商务标、技术标)(短期)4.省电信工程设计、安装许可证,开工报告及审查表(永久)5.营业执照、资质证书、技术人员登记表、资格证书(长期)二.施工文件:1.用户对照表(长期)2.电缆绝缘性能测试记录表(长期)三.竣工图:1.竣工图(包括图纸会审纪要设计变更、工程联系单)(目录“室外总平、单体”)(永久)四.竣工验收文件:1.竣工验收报告,竣工验收纪要(永久)2.工程验收合格证,工程交接表,城建档案合格证(永久)3.工程决算书、结算清单(永久)监理文件:(长期)(参考)一.前期文件a)监理招标文件(含中标通知书)b)监理委托合同c)授权书或任命书d)工程项目监理机构(工程项目部)营业执照、资质证书、技术人员登记表及资格证书、监理证书、上岗证书等二.监理规划,监理大纲1.监理规划2.监理实施细则三.监理月报中的有关质量问题(应增加目录),半年报、年终总结四.监理会议纪要中的有关质量问题(“桩基与主体”中间验收纪要、预验收纪要)(应增加目录)五.进度控制a)工程开工/复工审批表b)工程开工/复工暂停令六.质量控制a)不合格项目通知b)质量事故报告及处理意见(整改报告及回复单)七.分包资质a)分包单位资质材料b)供货单位资质材料c)试验等单位资质材料八.监理通知a)有关进度控制的监理通知b)有关质量控制的监理通知c)有关造价控制的监理通知十三. 监理工作总结1.专题总结2.月报总结3.工程竣工总结4.质量评价意见报告。
〔文书档案分 6 类:①党群管理类、②行政管理类、③经营管理类、④财务审计类、⑤人事劳资类、⑥生产技术管理类。
科技档案分 4 类:①根本建设类、②产品类、③设备仪器类、④科学研究类〕档案归档范围及保管期限表〔永久、长期30 年、短期 10 年〕表 A1.1 文书档案 -党群管理〔代码 0〕序号归档文件范围保管期限1党务工作党员代表大会、党委〔党支部〕会议及其他有关会议:会议通知、报告、换届选举结果、决议、通报、纪要等永久发言、简报、小组会议记录短期党务综合性工作:工作方案、总结、重要专项活开工作报告,重要的调研材料、党务工作大永久事记情况反映、工作简报及一般材料短期上级机关关于党务工作的文件:针对本企业重大问题的指示、批示文件永久对企业一般性、普发性的文件短期对下属单位关于党务工作请示的批复长期各项规章制度、管理方法与条例等长期2组织工作党员干部考察、考核、任免、政审决定等永久入党、转正、退党、转入、转出等决定及党员名册永久党委〔总支、支部〕组织工作的规章制度长期党群机构设置、调整、人员编制等方面的决定及通知长期党费收支与党组织关系介绍信及存根长期党员学习教育等活动形成的文件重要的永久一般的短期3共青团工作共青团工作规划、总结长期团代会、团委〔常委、扩大〕会会议文件:会议通知、报告、换届选举结果、决议、通报、纪要等永久发言、简报、小组会议记录等短期团员及团组织管理方面的决定、通知、批复长期团费收据与团组织关系介绍信及存根长期共青团工作统计报表:重要的长期一般的短期4工会工作工会工作规划、总结、规章制度、决定、通知、会议记录长期职工代表大会及有关会议文件:会议通知、报告、换届选举结果、决议、通报、纪要等永久发言、简报、小组会议记录等短期工会会员名册永久民主管理、劳动竞赛、表彰先进、劳保福利、职工维权方面的文件长期女工工作、文体活动等方面的文件:重要的长期一般的短期工会会费与财务管理材料长期工作统计报表:重要的长期一般的短期5宣传统战工作企业宣传统战工作报告、会议纪要、调研、方案、总结材料、各民主党派人员名单登记、活动记录重要的长期一般的短期单位编辑的出版物样本与定稿:重要的长期一般的短期反映本企业活动的报刊、各种工作活动宣传长期企业文化建设方面的文件〔包括社会公益事业、慈善事业的参与、投入的记录;赈灾、扶贫、献血、拥军优属、精神文明建设方面的文件〕重要的长期一般的短期表 A1.2 文书档案 -行政管理〔代码 1〕序归档文件范围保管号期限1行政事务上级机关颁发的本企业应执行的有关文件长期上级领导视察本企业的题词、指示、讲话材料重要的永久一般的短期行政工作方案、总结等永久经理办公会、行政办公会会议记录、纪要、决定等永久企业制发的行政决定、通报和签订的行政协议、合同永久工商行政管理方面的材料长期企业的设立、关、停、并、转及更名、启用与废止印模等方面的永久文件企业文秘、机要、保密、信访、综合治理等方面的文件重要的一般的企业编史修志方面的文件大事记、机构沿革等工作简报、情况反映、工作信息等后勤福利工作的通知、规定、会议纪要;办公用房管理;车辆管理;用水、用电、用汽管理;接待工作等文件2在治安管理、消防工作中形成的文件3外事工作发表的公告、签订的协议、协定、备忘录,重要的会谈记录、纪要等出访考察、参加国际会议、接待来访等外事活动、出访审批文件出口审批手续,执行日程安排,考察报告等一般性文件4档案和信息工作档案工作方案、总结档案工作的规划、规定等档案鉴定工作报告、移交清单、销毁清册档案利用、开发成果材料信息工作方案、总结信息管理工作的通知、规定等有关科技信息图书、资料工作材料统计报表5其它用印登记薄、介绍信、授权委托书、证明存根等表 A1.3 文书档案 -经营管理〔代码2〕序号归档文件范围1经营决策企业开展规划、经营战略决策、企业改革等文件转换经营机制、各项配套制度改革实施方案、请示与批复、总结、报告等厂务公开文件厂长〔经理〕责任制、任期目标等生产技术、经济指标完成情况分析2资产管理房产、土地方面的文件长期短期永久长期长期长期永久长期长期短期长期永久长期短期长期长期短期永久长期保管期限永久永久长期长期长期房地产的权属证明材料永久房地产的租赁、使用方面的合同、协议等文件长期对外投资工程:投资规划、决策等方面的材料永久国有资产管理、登记、统计、核查清算、交接等文件永久企业的产权变动产权变动的请示、批复方面的材料永久清产核资、资产评估工作的文件永久产权变动的协议、合同等永久资产处置方案、归属方面的材料永久因产权变动所致职工身份变化的材料永久多种经营管理经营机构的工作方案、汇报、总结长期内部承包章程、合同、协议长期经济核算材料永久境外工程管理境外工程的前期设计、规划、协议、合同等文件永久工程检查、竣工验收、重要的专项报告、审批意见等永久工作总结、方案、业务方面的一般来往函件长期3物资管理物资分配方案、记录短期物资采购、保管重要物资和生产资料的采购审批手续、保管及招投标合同、协议、永久来往函件、总结办公设备及用品、机动车等的采购方案、审批手续、招投标、购长期置,机动车调拨、保险、事故等一般性文件仓库管理规章制度、台账、统计报表长期4产品销售营销组织管理、网络建设材料长期产品销售方案、广告宣传、总结、会议记录与纪要等长期销售合同、协议、函件长期订货会、市场分析和用户调查材料长期售后效劳材料短期统计报表永久5合同管理商务合同正本及其补充件重要的永久一般的长期客户资信调查材料重要的长期一般的短期6信用管理企业认证、达标等活动的呈报、审批材料、合格证、资格证书等永久企业形象宣传、展览会文件长期企业客户资信调查材料长期7知识产权管理企业标识、商标标识方面的材料永久专利、商标和其他知识产权方面的申报、证明及管理方面材料永久表 A1.4 文书档案 -财务审计〔代码3〕序号归档文件范围保管期限1财务管理财务管理制度、规定、方法、通知长期财务管理方案、总结短期固定资产的新增、报废、调拨材料长期生产财务和本钱核算永久税务方面的材料永久2审计工作上级机关颁发的本企业应贯彻执行的有关审计工作文件长期审计意见、审计报告及批复等永久审计工作会议记录、纪要、方案、报告、总结、调查材料、方法、一般的长期请示与批复等专项审计通知、报告、批复、评价书〔结论〕、调查与证明等材料重要的永久一般的长期下级单位报送的审计工作文件短期表 A1.5 文书档案 -人事劳资〔代码4〕序号归档文件范围保管期限1劳动人事与人力资源管理上级机关颁发的本企业应贯彻执行的有关文件长期企业制定的劳动人事方面的规章制度、报告、决定等永久内部机构设置、名称更改、组织简那么、印信启用和作废、人员编制方面的永久有关文件干部职工的任免与招聘、升降、奖惩、考核、职称评聘等方面的文件永久职工名册、劳动人事工作方案、总结、报表及调资方案等永久劳动保护、职业平安卫生、方案生育、保险的方针、政策、规定、统计报永久表等职工奖励、处分工作形成的文件,劳动合同管理、劳开工资和社会保险文永久件、医疗、工伤保险、住房公积金劳资纠纷、仲裁方面的文件永久2教育培训工作上级机关颁发的本企业应贯彻执行的有关文件短期企业教育培训工作的方案、总结长期企业制定教育培训工作规章制度、请示与批复、决定等长期企业教育培训工作统计报表等长期企业干部职工进修培训名单、合同等长期表 A1.6 文书档案 -生产技术管理〔代码5〕序号归档文件范围保管期限1生产调度生产调度工作方案、总结、报告长期生产作业方案的编制、执行及调度工作情况短期生产调度会议记录长期生产调度的职责、制度、规程永久生产活动综合分析短期2质量管理质量管理方案、措施、总结短期质量管理制度、方法、规定、条例长期产品质量检测、化验、试验材料长期质量异议处理、事故分析及处理材料,质量认证、检查、评比材长期料全面质量管理工作形成的文件、质量体系运行及管理文件长期3能源管理能源管理的规定、方案、总结、请示、批复长期能源消耗定额管理材料长期节能工作方案、措施、总结长期统计报表长期4平安生产平安技术管理规定、通报、总结、会议纪要等长期事故报告、调查分析及处理材料长期平安教育活动的材料短期平安生产、消防方面的材料短期统计报表长期5科技管理科技开展规划、方案、总结,科技工作规定等长期技术革新和合理化建议文件短期新产品开发、科技成果管理、技术引进长期学术论文、考察报告、专题总结长期统计报表长期6环境保护环境保护规划、方案、总结长期环境保护制度、管理方法长期环境影响评价书、环境污染防治措施、总结、报告长期统计报表年度以上的统计报表永久半年、季度、月的统计报表短期7计量工作计量工作规划、方案、总结短期计量工作管理规定长期计量设备、仪器、器具资料及定期检查记录短期计量管理工作方面的材料短期统计报表年度以上的统计报表永久半年、季度、月的统计报表短期8标准化工作标准化管理的规划、制度、方法、规定长期标准化管理方案、总结长期生产技术标准、企业技术标准、企业工作标准、企业管理标准永久表 A2.1 科技档案 -根本建设类序号归档文件范围保管期限1工程前期资料立项文件工程建议书、工程建议书审批意见及前期工作通知书、可行性研究报告及附件、可行性研究报告审批意见、与立项有关的会议纪要、批复、领导讲永久话、专家建议文件、调查资料及工程评估研究材料建设用地、征地、拆迁文件选址申请及选址规划意见通知书,用地申请报告及县级以上人民政府城乡建设用地批准书、红线图,拆迁安置意见、协议、方案等,建设用地规划永久许可证及其附件,划拨建设用地文件勘察、测绘、设计及审批文件工程地质勘察报告,水文地质勘察报告、自然条件、地震调查,申报的规永久划设计条件和规划设计条件通知书初步设计图纸和说明、技术设计图纸和说明、审定设计方案通知书及审查长期意见有关行政主管部门〔人防、环保、节能、消防、交通、园林、市政、文物、通讯、保密、河湖、教育、白蚁防治、卫生等〕批准文件,政府有关部门永久对施工图设计文件的审批意见开工审批文件建设工程列入年度方案的申报文件、批复文件或年度方案工程表,规划审批申报表及报送的文件和图纸,建设工程规划许可证及其附件,建设工程永久开工审查表,建设工程施工许可证综合文件2招投标资料招标书、投标书、答疑、资质材料、履约类保函、委托授权书和投标澄清文件、修正书、招标、确定评委的请示及批复、评标记录和评标报告、中永久标通知书3设计资料厂区平面图、地下管线图永久4合同资料〔土建、设备、其它〕合同谈判纪要、合同审批文件、合同书、合同变更文件永久征、租用土地合同、协议永久勘察设计、施工承包及监理委托合同长期5施工文件资料开工报告工程开工 / 复工审批表长期工程开工 / 复工暂停令长期施工组织设计及审批表长期图纸会审、技术交底图纸会审记录长期技术交底长期设计变更、洽商记录长期设计变更通知单长期洽商记录长期原材料、成品、构配件设备出厂质量合格证及检〔试〕验报告主要原材料及构配件出厂证明及复试报告〔汇总〕目录长期水泥、砂、石、钢筋〔材〕、砌块、石灰、沥青、涂料、混凝土外加剂、防水材料、粘结材料、防腐保温材料、焊接材料等质量合格证书和出厂〔试〕长期验报告及复试报告水泥、石灰、粉煤灰混合料;沥青混合料、商品混凝土等出厂合格证和试长期验报告混凝土预制构件、管材、管件、钢结构构件等出厂合格证书和相应的施工长期技术资料厂站工程的成套设备、预应力混凝土张拉设备,各类地下管线井室设施,长期产品等出厂合格证书及安装使用说明、原理图。
成果文件归档表格一、引言成果文件归档表格是用于记录和管理各类成果文件的工具。
通过对成果文件进行系统化的归档和分类,可以方便地查找和检索相关文件,提高工作效率和信息管理水平。
本文将详细介绍成果文件归档表格的标准格式和相关要素。
二、表格格式成果文件归档表格通常包含以下几个主要要素:1. 文件编号:每一个成果文件都应有惟一的编号,便于标识和查找。
编号可以采用数字、字母或者组合的形式,具体根据实际情况而定。
2. 文件名称:成果文件的名称应简明扼要地概括其内容,方便用户快速理解文件的主题。
3. 文件类型:根据成果文件的性质和用途,可以将其归类为不同的类型,如报告、合同、设计图纸等。
4. 归档日期:记录成果文件归档的日期,便于追溯和管理。
5. 归档人员:记录归档该文件的责任人或者部门,方便联系和查询。
6. 文件存放位置:记录成果文件存放的具体位置,可以是文件柜、电子文档库等。
三、使用方法使用成果文件归档表格的步骤如下:1. 新建表格:根据实际需要,使用电子表格软件(如Excel)新建一个表格,设置好表头和列的格式。
2. 填写文件信息:按照表格的要求,逐个填写每一个成果文件的编号、名称、类型、归档日期、归档人员和存放位置等信息。
3. 文件归档:根据文件类型和归档日期,将成果文件按照一定的规则归档到相应的存储位置中,并在表格中记录存放位置。
4. 文件检索:当需要查找某个成果文件时,可以通过表格中的编号、名称、类型等信息进行检索,快速找到所需文件的存放位置。
5. 文件更新:当成果文件有更新或者变更时,应及时更新表格中的相关信息,保持表格的准确性和完整性。
四、注意事项在使用成果文件归档表格时,需要注意以下几点:1. 统一规范:制定统一的编号规则和文件命名规范,确保每一个文件都能被正确标识和归档。
2. 定期维护:定期检查表格中的信息是否准确和完整,及时更新和修正错误的记录。
3. 安全保密:对于涉及商业机密或者个人隐私的成果文件,要做好安全保密工作,限制查阅和访问权限。
附表1附表2卷内目录附表3建设工程造价咨询相关资料交接单委托单位:武汉××集团(公司)工程名称:××建设工程项目类别:结算审核附表4工程造价咨询项目实施方案项目负责人:编制日期:年月日附表5施工现场勘查记录附表6建设工程预算结算协调会议记录建设单位签字盖章:××施工单位签字盖章:××审核单位签字盖章:××附表7建设工程预结算材料价格签证单建设单位签字盖章:××施工单位签字盖章:××审核单位签字盖章:余××附表8建设工程造价咨询报告书武造字[2000]×××号关于××建设工程造价咨询报告××××:受贵单位咨询委托,对××工程××××竣工结算进行审核。
我公司遵循客观、公正、公平的原则,依法维护建设、施工单位的合法权益,如实确定建设工程造价。
参与本次咨询工作的造价工程郑重声明:1.我们在本咨询报告中陈述的事实是真实的和准确的;2.本咨询报告中的分析、意见和结论是我们自己公正的专业分析、意见和结论;3.建设工程造价存在固有的不确定性,本咨询报告的结果仅依据《建设工程造价咨询合同》约定的工作内容负责,对合同范围外的材价等市场变动因素造成的造价变化不予承担责任;4.我们与本咨询报告中的编审对象没有利害关系,也与有关当事人没有个人利害关系或偏见。
造价工程师(签章):执业资格证号:执业资格证号:一、建设单位名称:二、施工单位名称:三、建设工程名称:四、建设时间:五、建设规模:六、建设地点:七、审核责任:八、编制依据:九、审核方法:十、审核作业日期:十一、咨询说明:十二、咨询结论:项目负责人(签章):造价工程师执业资格证号:造价工程师执业资格证号:造价工程师执业资格证号:造价员执业资格证号:造价员执业资格证号:××工程造价咨询有限公司(工程造价咨询执业印章)年月日附表9造价咨询业务成果文件扉页格式(可与公司发文制度相结合)项目名称:造价咨询成果文件名称:项目编号造价咨询单位负责人:造价咨询单位技术总负责人:项目负责人:项目专业造价工程师:项目专业造价员:本成果文件签发人:日期:造价咨询单位名称:造价咨询单位资质等级:资质证书编号:注:项目负责人(造价工程师担任)为成果文件签发人。
附表1
1
附表2
卷内目录
附表3
建设工程造价咨询相关资料交接单
委托单位:武汉××集团(公司)
工程名称:××建设工程
项目类别:结算审核
委托方于2007年×月×日将下列资料交给咨询人:
1
附表4
工程造价咨询项目实施方案
项目负责人:编制日期:年月日
附表5
施工现场勘查记录
1
建设工程预算结算协调会议记录
建设工程预结算材料价格签证单
建设单位签字盖章:××施工单位签字盖章:××审核单位签字盖章:余××
1
建设工程造价咨询报告书
武造字[2000]×××号
关于××建设工程造价咨询报告
××××:
受贵单位咨询委托,对××工程××××竣工结算进行审核。
我公司遵循客观、公正、公平的原则,依法维护建设、施工单位的合法权益,如实确定建设工程造价。
参与本次咨询工作的造价工程郑重声明:
1.我们在本咨询报告中陈述的事实是真实的和准确的;
2.本咨询报告中的分析、意见和结论是我们自己公正的专业分析、意见和结论;
3.建设工程造价存在固有的不确定性,本咨询报告的结果仅依据《建设工程造价咨询合同》约定的工作内容负责,对合同范围外的材价等市场变动因素造成的造价变化不予承担责任;
4.我们与本咨询报告中的编审对象没有利害关系,也与有关当事人没有个人利害关系或偏见。
造价工程师(签章):执业资格证号:
执业资格证号:
一、建设单位名称:
二、施工单位名称:
三、建设工程名称:
四、建设时间:
五、建设规模:
六、建设地点:
七、审核责任:
八、编制依据:
九、审核方法:
十、审核作业日期:
十一、咨询说明:
十二、咨询结论:
项目负责人(签章):
造价工程师执业资格证号:
造价工程师执业资格证号:
造价工程师执业资格证号:
造价员执业资格证号:
造价员执业资格证号:
××工程造价咨询有限公司(工程造价咨询执业印章)
年月日
1
附表9
造价咨询业务成果文件扉页格式
(可与公司发文制度相结合)
项目名称:
造价咨询成果文件名称:
项目编号
造价咨询单位负责人:
造价咨询单位技术总负责人:
项目负责人:
项目专业造价工程师:
项目专业造价员:
本成果文件签发人:
日期:
造价咨询单位名称:
造价咨询单位资质等级:
资质证书编号:
注:项目负责人(造价工程师担任)为成果文件签发人。
附表10
造价咨询项目校审记录表
1
附表11
工程造价确认表
单位:元
14
附表12
成果文件交付登记表
签收单
兹收到武汉××工程造价咨询有限公司关于××公司(集团)××建设工程结算审核报告书一式贰份。
签收单位:××公司(集团)
经手人:×××
时间:2007年×月×日
1
造价咨询项目征询意见回访记录表
建设工程项目委托造价咨询评价书
1。