九年级物理内能单元测试卷 (word版,含解析)
- 格式:doc
- 大小:225.00 KB
- 文档页数:12
九年级上册物理 内能单元测试卷(解析版)一、初三物理 内能 易错压轴题(难)1.在探究“冰熔化时温度的变化规律”的实验中。
(1)将适量碎冰放入试管中,利用水给冰加热,目的是______;(2)某时刻观察到温度计的示数如图甲所示,为______°C ;(3)图乙是根据所测数据绘制成的图象。
由图象可知,冰的熔化特点是:持续吸热、______;AB 和CD 两段图象的倾斜程度不同,原因是______;(4)若不计热量损失,物质在AB 和BC 两段吸收的热量分别为Q 1和Q 2,则12:Q Q =______。
【答案】使冰受热均匀 -4 温度不变 该物质状态不同时比热容不同 2:3【解析】【分析】【详解】(1)[1]将装有冰的试管放入水中加热,这是水浴法,这样冰的温度变化比较均匀,并且变化比较慢,便于记录实验温度。
(2)[2]由图甲知,温度计的分度值是1°C ,此时是零下,液柱上表面对准了0°C 下面第4个小格处,读作−4°C 。
(3)[3]由图像知冰在熔化过程中持续吸热、温度不变。
[4]冰化成水质量不变,但比热容发生了变化,所以同样受热情况下,温度变化快慢不同。
(4)[5]因为同一加热装置,在相同的时间内吸收的热量相同,已知在AB 段时间为2min ,BC 段为3min ,则12:2:3Q Q2.如图所示,将初温和质量相等的色拉油和水,分别装到相同的烧杯中,探究不同物质吸热升温现象。
用酒精灯加热并不断搅拌,每隔0.5min 测量一次温度,数据记录表中。
(1)选用相同的酒精灯,为使单位时间内色拉油和水________相同,不断搅拌是使色拉油和水______。
(2)导致初始阶段色拉油温度随时间的变化图像不是直线的原因,除色拉油自身外,还有________要吸收热量;要尽量减小此因素的影响,改进的方案有________(写出一种)。
(3)画出水的温度随时间的变化图像______。
第十三章《内能》单元测试(时间:90分钟满分:100分)学校:__________ 班级:________ 姓名:__________一、选择题(每题4分,共40分)1.科学探究需要进行实验,在取得数据和事实后,再进行分析和推理。
因此,在科学探究中我们需要区分事实与推论。
下列叙述中,事实和推论分别是( )。
①在气体扩散实验中,抽去玻璃板后,红棕色的二氧化氮气体进入到空气中②在液体扩散实验中,红墨水滴入热水,热水很快变红③扩散现象表明,一切物质的分子都在不停地做无规则运动④温度越高,分子的无规则运动越剧烈A.①②是事实,③④是推论B.①②④是事实,③是推论C.①是事实,②③④是推论D.③④是事实,①②是推论2.小李喜欢喝咖啡,冲调咖啡时总能闻到浓浓的香味。
以下关于咖啡的说法不正确的是( )。
A.咖啡在变冷的过程中,内能不断增加B.咖啡在变冷的过程中,以热传递的方式改变了内能C.咖啡香飘四溢是扩散现象,说明分子在运动D.咖啡温度越高,分子的热运动越剧烈3.甲、乙两物体的比热容之比为2:3,吸收的热量之比为3:1,它们升高的温度相同,则甲、乙两物体的质量之比为( )A.9:2B.2:9C.1:2D.2:14.小明将两个底面削平、削干净的铅柱相互紧压,发现两者粘在一起,如图所示由此得出分子间存在引力。
小华认为此实验不能排除是大气压把两个铅柱压在一起下列实验中,能帮助小华释疑的是( )。
5.如图,将冰块放于单层的不锈钢盆中,并加入适量的盐,用筷子搅拌大约半分钟,盆中冰与盐水混合物的温度低于0℃。
将装有西瓜汁的小塑料杯放在盆中的冰块里,几分钟后西瓜汁变成了水果冰棍,这时观察到盆卜壁出现白霜。
下列说法正确的是()A.西瓜汁变成了冰棍,属于凝华B.西瓜汁变成冰棍的过程,内能增加C.白霜是盆周围的水蒸气放热形成的D.吃冰棍感觉凉爽,因为冰棍含有的热量少第5题第6题6.下图为海风形成的示意图海风形成的根本原因是与海洋相比,陆地的()A.比热容较小,在相同日照条件下升温较快气温较高B.比热容较小,在相同日照条件下升温较慢气温较低C.比热容较大,在相同日照条件下升温较快,气温较高D.比热容较大,在相同日照条件下升温较慢气温较低7.描述二十四节气的诗句中蕴含着丰富的物理知识,以下说法正确的是( )A.霜降:“一朝秋暮露成霜”,霜的形成需要吸热B.清明:“清明时节雨纷纷”,雨的形成是凝固现象C.秋分:“丹桂小菊万径香”,桂花飘香说明分子在永不停息地做无规则运动D.立春:“大地阳和暖气生”,大陆内能的增加是太阳通过做功的方式实现的。
九年级物理上册内能单元综合测试(Word版含答案)一、初三物理内能易错压轴题(难)1.(提出问题)水和空气哪种物质的导热性能好?(猜想与假设)小明进行了如下猜想:猜想一:水的导热性能好;猜想二:空气的导热性能好(设计与进行实验)小明用两个相同的牛奶瓶,都装入热牛奶,一个放在温度与室温相同的水中,另一个放在空气中,为了尽量减少其他因素的影响,他把两个瓶都用木块垫起来,放在同一个桌面上,如上图所示,实验时他每隔一定的时间记录一次甲、乙两温度计的示数,得到的数据如下表:(实验结论)(1)分析表中数据,可得出结论:_____(评估与交流)(2)对甲、乙两个瓶中的牛奶,除了要控制它们的初温相同外,还要控制它们的_____相同(3)热牛奶放在水中温度下降是通过_____方式来_____(选填“增加”或“减少”)内能(4)进一步分析表中甲的示数,小明又发现,在冷却过程中,牛奶冷却的快慢前后并不一致,是越来越___的(实验拓展)(5)如果有一天,你要喝一杯奶茶,下列两种冷却方法中,效果较好的是_____A.将滚烫的热茶冷却5分钟,然后加适量冷牛奶B.先将适量的冷牛奶加进滚烫的热茶中,然后冷却5min(6)物理学中我们用速度来表示物体运动的快慢,若小明用“冷却速度”来表示物体冷却快慢,则“冷却速度”可定义为:质量为1千克的物体,_____叫做冷却速度【答案】在水中冷却比在空气中冷却效果要好质量热传递减少慢A单位时间内降低的温度【解析】【详解】(1)分析可知,在相同时间内水中冷却速度更快,所以在水中比空气中冷却效果更好;(2)在研究空气和水的导热性时,应该保证其它条件相同,除了水的初温外还要保证水的质量相等;(3)由于水与牛奶瓶有温度差,所以要发生热传递,即牛奶温度下降是由于热量传递减少其内能;(4)这是由于随着牛奶温度下降,周围水的温度在升高,使牛奶冷却的速度变慢,因此牛奶冷却的快慢还会受到温度的影响.所以当实验时间较长时,相同时间内牛奶降温的速度逐渐变慢,就是指冷却速率变慢.(5)根据(4)中的结论,物体冷却随时间推移是先快后慢,本质原因是温差逐渐缩小,奶茶热的时候温度下降得快,开始快后来越来越慢,开始先让它保持较高的温度,可以在五分钟内放出更多的热量,然后加入冷牛奶,利用热传递使其再次降温。
物理九年级上册内能单元测试卷(含答案解析)一、初三物理内能易错压轴题(难)1.如图所示是“比较水和沙子吸热升温的属性”的实验装置.(1)除了图示的器材外,本实验要用到的测量工具还有_____;加热过程中,用搅棒搅动的目的是_____:水和沙子吸热的多少可以通过_____来反映的(选填“温度计示数的升高值”或“加热时间”)(2)在本实验中,可用来比较水和沙子吸热升温本领的方法是:若加热时间相同,比较_____;若温度计示数的升高值相同,比较_____.(3)关于该实验的变量控制,下列要求中不正确的是_____(填字母).A.采用相同的加热方法(如酒精灯火焰的大小,与易拉罐底的距离等)B.易拉罐中分别装入相同体积的水和沙C.使用相同的易拉罐.【答案】天平使物体受热均匀加热时间温度升高的读数加热时间 B【解析】【分析】【详解】(1)根据吸热公式Q=cm△t可知,实验还需要称质量的天平,用搅棒搅动的目的是为了让沙子和水受热均匀;放热设备相同,只能通过加热时间来控制水和沙子吸热,所以还需钟表.(2)在本实验中,可用来比较水和沙子吸热升温本领的方法是:若加热时间相同,比较温度计的示数升高值的多少;若温度计示数的升高值相同,比较加热时间;沿海地区昼夜气温变化比内陆地区气温变化小的原因是:水的比热容比泥土和沙子的比热容大.(3)该实验的变量控制,需要控制相同的加热方法(如酒精灯火焰的大小,与易拉罐底的距离等)、使用相同的易拉罐、水和沙子的质量;如果体积相等,他们的质量一定不同,所以不正确的是B.2.如图甲所示是某实验小组用初温相同、质量相等的水和煤油做“比较不同物质吸热的情况”的实验装置.(1)图甲实验装置中除了图示的器材外,还需要的测量工具有天平和________;加热过程中,水和煤油吸热的多少是通过_________________来确定的.(2)另一实验小组对图甲实验装置进行了改进,将分别装有质量相等的水和煤油的试管放在同一个盛水的烧杯内加热如图乙所示,而不是用两个酒精灯分别加热,这样做的好处是:______________________________________________。
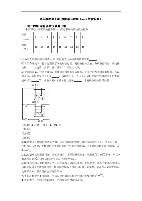
九年级物理上册内能单元试卷(word版含答案)一、初三物理内能易错压轴题(难)1.小军利用如图所示装置和器材,探究不同物质的吸热能力。
时间013456789(min)温度909294969798989898(℃)(1)小军设计的电路中的R甲、R乙的阻值大小必须满足的条件是______;(2)只闭合开关S2,他首先观察了水的加热过程,测得数据如上表。
分析数据可知,该地区气压______(选填“高于”或“低于”)标准大气压;(3)接着断开S2,待水冷却后,继续探究物质的吸热能力。
小军控制水和煤油的质量、初温都相同,他应首先闭合开关______,再闭合另外一个开关,同时控制加热过程中水的末温度应低于______℃。
实验表明:水的末温比煤油______,水的吸热能力比煤油强。
【答案】R甲=R乙低于 S1 98 低【解析】【分析】【详解】(1)[1]探究不同物质的吸热能力时,应选用相同的热源,由图示电路图可知,两电阻并联,它们的电压相等,要使电阻在相等时间内产生的热量相等,应控制两电阻的阻值相等,即R甲=R乙。
(2)[2]由表中实验数据可知,在水沸腾后,水不断吸收热量,但温度保持98℃不变,所以水的沸点是98℃,说明该地区气压低于标准大气压。
(3)[3]要探究水与油的吸热能力,应控制水与煤油的质量、初温相等,还要控制水与煤油在相同时间内吸收的热量相等,所以应控制两个电阻丝同时开始加热,则由图可知应先闭合支路开关S1,然后再闭合干路开关S2。
[4]实验过程中水不能沸腾,所以应控制加热过程中水的末温度应低于98℃。
[5]实验表明:水的末温比油低,水的吸热能力比煤油强。
2.某班同学利用图甲所示的实验装置探究“水和煤油的吸热能力”。
(1)在图甲中除了所给的实验器材外,还需要的测量工具有______________;加热过程中,水和煤油吸收热量的多少是通过______________来判断的;(2)实验中第1、2两个小组采用的研究对象都是初温为25℃的质量为200g的水和煤油,加热不同时间使末温都达到40℃,记录的实验数据如表格所示,通过分析实验数据,能够得出的结论是:___________;实验组别液体加热时间/min水13.51煤油 6.5水122煤油 5.5(3)使质量相同的水升高相同的温度,加热时间应该相同,但1、2两组的同学在交流实验数据时发现:第1小组的加热时间和第2小组不同,其原因可能是_________________;(4)这两组同学对图甲的装置进行了改进,将分别装有水和煤油的试管放在同一个烧杯中用水加热,如图乙所示,而不是用两个酒精灯分别加热,这样做的好处是_____________________。
九年级物理内能单元测试卷 (word 版,含解析)一、初三物理 内能 易错压轴题(难)1.在探究“冰熔化时温度的变化规律”的实验中。
(1)将适量碎冰放入试管中,利用水给冰加热,目的是______; (2)某时刻观察到温度计的示数如图甲所示,为______°C ;(3)图乙是根据所测数据绘制成的图象。
由图象可知,冰的熔化特点是:持续吸热、______;AB 和CD 两段图象的倾斜程度不同,原因是______; (4)若不计热量损失,物质在AB 和BC 两段吸收的热量分别为Q 1和Q 2,则12:Q Q =______。
【答案】使冰受热均匀 -4 温度不变 该物质状态不同时比热容不同 2:3 【解析】 【分析】 【详解】(1)[1]将装有冰的试管放入水中加热,这是水浴法,这样冰的温度变化比较均匀,并且变化比较慢,便于记录实验温度。
(2)[2]由图甲知,温度计的分度值是1°C ,此时是零下,液柱上表面对准了0°C 下面第4个小格处,读作−4°C 。
(3)[3]由图像知冰在熔化过程中持续吸热、温度不变。
[4]冰化成水质量不变,但比热容发生了变化,所以同样受热情况下,温度变化快慢不同。
(4)[5]因为同一加热装置,在相同的时间内吸收的热量相同,已知在AB 段时间为2min ,BC 段为3min ,则12:2:3Q Q2.铁板文蛤是南通的特色佳肴,由文蛤、佐料放在经加热发烫的铁板上制作而成,在体积相同的条件下,餐馆会尽量选择热容量大的炊具.热容量的定义是:物体的温度升高(或降低)1℃吸收(或放出)的热量.查阅资料知道:物体的热容量与物体的质量和物质的比热容有关,由此同学们对相同体积物体的热容量作如下猜想: 猜想1:物体的质量越大则物体的热容量越大;猜想2:物质的比热容越大则物体的热容量越大.同学们先用图甲所示装置,将体积相同的四个不同金属块浸没在烧杯内的水中,将水加热至沸腾,用温度计测出水的温度,示数如图乙;将四个金属块同时从水中取出,快速放入四个相同的保温杯中,杯中盛有质量和初温(约20℃)均相同的水,过一段时间后分别测出保温杯内水的末温,收集记录的数据如下表.(1)安装装置时应先固定线夹_______(选填“A”或“B”);图乙温度计示数为_______℃.(2)由表中数据可知:若金属块放出的热量完全被水吸收,则吸收热量最多的是放入了金属________的杯中的水;热容量最大的是_________金属块.(3)分析数据可判断:猜想1、猜想2都是_______的.请选择猜想1或猜想2,说出你对该猜想作出上述判断的理由:______________________.(4)请用热容量这个物理量,给比热容下定义:________________.【答案】B 99 铁铁错误猜想1:铁的热容量最大,但是铁的质量不是很大,铁的比热容不是最大物体的热容量与质量之比【解析】【详解】第一空.用酒精灯加热时,由于酒精灯的高度是固定的,所以安装装置时应先固定线夹B;第二空.图乙中温度计的分度值是1℃,示数是99℃;第三空.从表中数据可知,放入铁块的烧杯中水的末温最高,为48.1℃,第四空.由于放入铁块的水的末温最高,说明铁块放出的热量最多,即热容量最大的是铁块;第五空.分析数据可知,质量最大的铅块其热容量不是最大,比热容最大的铝块其热容量不是最大,故猜想1、猜想2都是错误的;第六空.猜想1:由数据可知,铁块的热容量最大,但是铁块的质量不是最大的,故猜想1错误;猜想2:由数据可知,铁块的热容量最大,但是铁的比热容不是最大的,故猜想2错误;第七空.物体的热容量与物体的质量之比叫做物质的比热容。
人教版物理九年级上册内能单元综合测试(Word版含答案)一、初三物理内能易错压轴题(难)1.(提出问题)水和空气哪种物质的导热性能好?(猜想与假设)小明进行了如下猜想:猜想一:水的导热性能好;猜想二:空气的导热性能好(设计与进行实验)小明用两个相同的牛奶瓶,都装入热牛奶,一个放在温度与室温相同的水中,另一个放在空气中,为了尽量减少其他因素的影响,他把两个瓶都用木块垫起来,放在同一个桌面上,如上图所示,实验时他每隔一定的时间记录一次甲、乙两温度计的示数,得到的数据如下表:(实验结论)(1)分析表中数据,可得出结论:_____(评估与交流)(2)对甲、乙两个瓶中的牛奶,除了要控制它们的初温相同外,还要控制它们的_____相同(3)热牛奶放在水中温度下降是通过_____方式来_____(选填“增加”或“减少”)内能(4)进一步分析表中甲的示数,小明又发现,在冷却过程中,牛奶冷却的快慢前后并不一致,是越来越___的(实验拓展)(5)如果有一天,你要喝一杯奶茶,下列两种冷却方法中,效果较好的是_____A.将滚烫的热茶冷却5分钟,然后加适量冷牛奶B.先将适量的冷牛奶加进滚烫的热茶中,然后冷却5min(6)物理学中我们用速度来表示物体运动的快慢,若小明用“冷却速度”来表示物体冷却快慢,则“冷却速度”可定义为:质量为1千克的物体,_____叫做冷却速度【答案】在水中冷却比在空气中冷却效果要好质量热传递减少慢A单位时间内降低的温度【解析】【详解】(1)分析可知,在相同时间内水中冷却速度更快,所以在水中比空气中冷却效果更好;(2)在研究空气和水的导热性时,应该保证其它条件相同,除了水的初温外还要保证水的质量相等;(3)由于水与牛奶瓶有温度差,所以要发生热传递,即牛奶温度下降是由于热量传递减少其内能;(4)这是由于随着牛奶温度下降,周围水的温度在升高,使牛奶冷却的速度变慢,因此牛奶冷却的快慢还会受到温度的影响.所以当实验时间较长时,相同时间内牛奶降温的速度逐渐变慢,就是指冷却速率变慢.(5)根据(4)中的结论,物体冷却随时间推移是先快后慢,本质原因是温差逐渐缩小,奶茶热的时候温度下降得快,开始快后来越来越慢,开始先让它保持较高的温度,可以在五分钟内放出更多的热量,然后加入冷牛奶,利用热传递使其再次降温。
九年级物理内能单元测试卷(word版,含解析)一、初三物理内能易错压轴题(难)1.小明在学习“物质的比热容”时,取相同质量的水和沙子,用相同的酒精灯加热,测得它们升高的温度如表,并在图乙中作出沙子升高的温度随时间变化的图线.(1)用温度计测量水的初温如图甲所示,其读数为__________℃。
(2)实验中选用相同的酒精灯加热,可以认为相同时间内水和沙子__________相同.(3)请利用表中数据在图乙中作出表示水升高的温度随时间变化规律的图线。
(4)沙子在1.0~1.5min内升高的温度有明显异常,其主要原因是__________。
(5)小明再用50g水和100g水做实验,以吸收的热量Q为纵坐标,升高的温度△t为横坐标,分别画出50g水和100g水的Q-△t图象.它们都是过原点的直线,即Q=k△t.进一步分析,发现这两条直线的k值与对应水的__________之比相等。
【答案】(1)18 (2)吸收的热量(3)答案如图所示(4)没有及时用玻璃棒搅拌,使沙子受热均匀(5)质量【解析】试题分析:物体吸热升温快慢与物质的种类、物体的质量、吸热的多少等因素有关。
在实验中要比较水和沙子吸热升温快慢就需要选择相同质量的水和沙子;采用相同的加热器,可以使水和沙子在相等时间内吸收热量相等。
在实验器材中还需要搅拌棒,沙子是固体,加热时间/min0.5 1.0 1.5 2.0 2.5升高的温度/℃水 2.0 4.0 6.08.010.0沙子 4.37.915.218.421.5加热时上下沙子受热不均匀,需要不断搅拌;水是液体,加热时通过对流使其受热均匀的。
吸收热量的多少可以利用Q=cm△t计算,水的比热是相同的,Q与△t是正比关系,所以画出来的是过原点的直线,利用Q=k△t表示它们的关系时,k=cm,c是比热容,是一个定值,实验中改变水的质量m,就是改变了k的值。
考点:比较质量相等的不同物质吸热升温快慢2.如图所示,将初温和质量相等的色拉油和水,分别装到相同的烧杯中,探究不同物质吸热升温现象。
物理九年级上册内能单元测试卷(word版,含解析)一、初三物理内能易错压轴题(难)1.如图所示是研究做功与能量转化关系的装置。
重物通过细绳与木块相连,细绳不可伸长,AQ为水平面,AP段光滑,PQ段粗糙。
实验开始时,质量为M的重物恰好置于地面。
将质量为m的木块从P向右拉至A,PA长为L,放手后木块向左运动,最终停在B 点,PB长为x,不计空气阻力、滑轮摩擦:(1)木块在AB段运动过程中,重物的重力做的功为_________(用字母表示);(2)观察实验,小明提出猜想:木块动能的变化与重物重力做功多少有关;(3)为了验证猜想,小明做了以下实验。
重物M=0.1kg,木块m=0.9kg,改变木块从P点右移的距离L,测得一组数据,记录如下:序号123456PA的长L/m0.10.150.20.350.430.5木块在P点的速度平方()221/-⋅v m s0.20.30.40.70.9 1.0①根据表中数据,在图乙中作出L与v2的图像。
已知物体动能的表达式为12mv2,分析木块动能的变化及重物的重力做功的大小,可知猜想是_________(正确/错误)的,由此得到的结论是________;②利用实验信息分析,当L =0.8m 时,木块在P 点获得的动能是_________J 。
【答案】mgL 正确 木块动能的变化随重物重力做功的增加而增大 0.72 【解析】 【分析】 【详解】(1)[1]由题知,细绳不可伸长,实验开始时,质量为M 的重物恰好置于地面。
将质量为m 的木块从P 向右拉至A ,PA 长为L ,所以重物被提起高度h= L ,所以木块在AB 段运动过程中,重物的重力做的功为W= Gh= mgh= mgL(3)[2][3]因为重物和木块质量一定,由表中数据和W= MgL 知,L 越大,重力对重物做越多,v 2越大,由动能的表达式212mv 知木块动能越大,由此可知猜想是正确的,得到的结论是:木块动能的变化随重物重力做功的增加而增大。
第十四章内能的利用单元测试一.选择题1.下列说法正确的是()A.冠状病毒的传播是扩散现象B.即使煤炭没有完全燃烧,其热值也不会改变C.一个物体的内能增加了,一定是它吸收了热量D.因为沙石的比热容比水小,所以吸收相同的热量,沙石比水升温快2.2020年6月23日,我国用长征三号乙运载火箭成功发射第55颗北斗导航卫星!收官之星,组网圆梦。
长征系列火箭使用液态氢作燃料,主要是由于该燃料()A.比热容大B.热值大C.所含热量多D.内能大3.下列对能量转化的描述不正确的是()A.蓄电池充电:电能﹣﹣化学能B.萤火虫发光:生物质能﹣﹣光能C.发电机工作:电能﹣﹣机械能D.内燃机工作:化学能﹣﹣内能﹣﹣机械能4.汽车已经成为现代生活中不可缺少的一部分,现代汽车多数采用四缸汽油发动机,每个气缸都进行四冲程循环。
如图所示是汽油机工作的四个冲程示意图,其中表示做功冲程的是()A.B.C.D.5.一台内燃机运行时各种能量损耗大致为:汽缸散热损失占25%,废气带走的能量占35%、摩擦等机械损耗占10%,则它的热机效率为()A.70% B.30% C.60% D.40%6.汽车发动机一般是汽油机,汽油的热值为4.6×107J/kg,阅读了某汽车发动机的说明书后,将内燃机的能量流向制成如图所示,下列回答错误的是()A.发动机压缩冲程把燃料燃烧产生的内能转化为机械能B.1kg的汽油完全燃烧能够释放4.6×107J 的能量C.为确保发动机正常工作,需用水对其冷却D.该内燃机的效率为30%7.甲、乙两台热机,甲的效率比乙的低,其含义是()A.甲热机消耗的燃料多B.甲热机比乙热机做功少C.做相同的有用功,甲损失的能量比乙损失的多D.甲热机的功率比乙热机的小8.一辆小轿车以某一速度在平直路面上匀速行驶100km,消耗汽油10L,若这些汽油完全燃烧放出的热量有30%用来驱动汽车做有用功,所用汽油的热值为4.6×107J/kg,密度为0.7×103kg/m3,则以下说法正确的是()①小轿车是将机械能转化为内能的机器②这些汽油完全燃烧放出的热量为3.22×108J③汽车消耗的有用热量即有用功为9.66×107J④这辆轿车以该速度匀速行驶时受到的阻力为966NA.①②③④均正确B.只有①②③正确C.只有②③④正确D.只有②④正确9.某个单缸四冲程汽油机的转速是3000转/分,那么每秒钟内燃气对活塞做功次数和活塞冲程数分别是(()A.25次,25个冲程B.100次,100个冲程C.25次,100个冲程D.100次,200个冲程10.能正确描述图中各物理量之间关系的是()A.B.C.D.二.填空题11.如图所示是汽油机的冲程,若汽油机的转速为3000r/min,则ls内汽油机对外做功次。
九年级上册物理内能单元试卷(word版含答案)一、初三物理内能易错压轴题(难)1.(提出问题)水和空气哪种物质的导热性能好?(猜想与假设)小明进行了如下猜想:猜想一:水的导热性能好;猜想二:空气的导热性能好(设计与进行实验)小明用两个相同的牛奶瓶,都装入热牛奶,一个放在温度与室温相同的水中,另一个放在空气中,为了尽量减少其他因素的影响,他把两个瓶都用木块垫起来,放在同一个桌面上,如上图所示,实验时他每隔一定的时间记录一次甲、乙两温度计的示数,得到的数据如下表:(实验结论)(1)分析表中数据,可得出结论:_____(评估与交流)(2)对甲、乙两个瓶中的牛奶,除了要控制它们的初温相同外,还要控制它们的_____相同(3)热牛奶放在水中温度下降是通过_____方式来_____(选填“增加”或“减少”)内能(4)进一步分析表中甲的示数,小明又发现,在冷却过程中,牛奶冷却的快慢前后并不一致,是越来越___的(实验拓展)(5)如果有一天,你要喝一杯奶茶,下列两种冷却方法中,效果较好的是_____A.将滚烫的热茶冷却5分钟,然后加适量冷牛奶B.先将适量的冷牛奶加进滚烫的热茶中,然后冷却5min(6)物理学中我们用速度来表示物体运动的快慢,若小明用“冷却速度”来表示物体冷却快慢,则“冷却速度”可定义为:质量为1千克的物体,_____叫做冷却速度【答案】在水中冷却比在空气中冷却效果要好质量热传递减少慢A单位时间内降低的温度【解析】【详解】(1)分析可知,在相同时间内水中冷却速度更快,所以在水中比空气中冷却效果更好;(2)在研究空气和水的导热性时,应该保证其它条件相同,除了水的初温外还要保证水的质量相等;(3)由于水与牛奶瓶有温度差,所以要发生热传递,即牛奶温度下降是由于热量传递减少其内能;(4)这是由于随着牛奶温度下降,周围水的温度在升高,使牛奶冷却的速度变慢,因此牛奶冷却的快慢还会受到温度的影响.所以当实验时间较长时,相同时间内牛奶降温的速度逐渐变慢,就是指冷却速率变慢.(5)根据(4)中的结论,物体冷却随时间推移是先快后慢,本质原因是温差逐渐缩小,奶茶热的时候温度下降得快,开始快后来越来越慢,开始先让它保持较高的温度,可以在五分钟内放出更多的热量,然后加入冷牛奶,利用热传递使其再次降温。
物理九年级上册内能单元试卷(word版含答案)一、初三物理内能易错压轴题(难)1.(提出问题)水和空气哪种物质的导热性能好?(猜想与假设)小明进行了如下猜想:猜想一:水的导热性能好;猜想二:空气的导热性能好(设计与进行实验)小明用两个相同的牛奶瓶,都装入热牛奶,一个放在温度与室温相同的水中,另一个放在空气中,为了尽量减少其他因素的影响,他把两个瓶都用木块垫起来,放在同一个桌面上,如上图所示,实验时他每隔一定的时间记录一次甲、乙两温度计的示数,得到的数据如下表:(实验结论)(1)分析表中数据,可得出结论:_____(评估与交流)(2)对甲、乙两个瓶中的牛奶,除了要控制它们的初温相同外,还要控制它们的_____相同(3)热牛奶放在水中温度下降是通过_____方式来_____(选填“增加”或“减少”)内能(4)进一步分析表中甲的示数,小明又发现,在冷却过程中,牛奶冷却的快慢前后并不一致,是越来越___的(实验拓展)(5)如果有一天,你要喝一杯奶茶,下列两种冷却方法中,效果较好的是_____A.将滚烫的热茶冷却5分钟,然后加适量冷牛奶B.先将适量的冷牛奶加进滚烫的热茶中,然后冷却5min(6)物理学中我们用速度来表示物体运动的快慢,若小明用“冷却速度”来表示物体冷却快慢,则“冷却速度”可定义为:质量为1千克的物体,_____叫做冷却速度【答案】在水中冷却比在空气中冷却效果要好质量热传递减少慢A单位时间内降低的温度【解析】【详解】(1)分析可知,在相同时间内水中冷却速度更快,所以在水中比空气中冷却效果更好;(2)在研究空气和水的导热性时,应该保证其它条件相同,除了水的初温外还要保证水的质量相等;(3)由于水与牛奶瓶有温度差,所以要发生热传递,即牛奶温度下降是由于热量传递减少其内能;(4)这是由于随着牛奶温度下降,周围水的温度在升高,使牛奶冷却的速度变慢,因此牛奶冷却的快慢还会受到温度的影响.所以当实验时间较长时,相同时间内牛奶降温的速度逐渐变慢,就是指冷却速率变慢.(5)根据(4)中的结论,物体冷却随时间推移是先快后慢,本质原因是温差逐渐缩小,奶茶热的时候温度下降得快,开始快后来越来越慢,开始先让它保持较高的温度,可以在五分钟内放出更多的热量,然后加入冷牛奶,利用热传递使其再次降温。
九年级内能单元测试卷(word版,含解析)一、初三物理内能易错压轴题(难)1.小明家买了一台太阳能热水器,他发现真空管是太阳能热水器的核心部件,那热水器内水吸收热量的多少与什么因素有关呢?他把问题告诉物理小组的成员,大家一起做出了如下猜想:猜想一:热水器内水吸收的热量多少与环境温度有关;猜想二:热水器内水吸收的热量多少与光照强度有关;猜想三:热水器内水吸收的热量多少与真空管的材料有关。
(1)经查阅资料发现,真空管在内玻璃管的表面上涂有吸收涂层,用来吸收太阳辐射,其中太阳能属于________(选填“可再生”或“不可再生”)能源。
经阳光照射,太阳能转化成内能,水从涂层吸收热量,水温升高,质量________,密度________(后两空均选填“变大”“变小”或“不变”),热水向上运动。
(2)实验小组在两根完全相同的真空管内装入初温、质量________的水,分别面对太阳光放入光照强度相同但温度不同的环境中,经过相同时间后测量水温,发现水温几乎相等。
由此得出猜想一是______(选填正确或错误)的。
(3)小组成员联系实际,想到夏天如果没有阳光,热水器的水温就较低,而冬天如果有太阳,热水器内水温就很热,于是他们得出结论:热水器内水吸收热量的多少与光照强度________(选填“无关”或“有关”)。
(4)在探究猜想三的实验中,该小组找到了三根外形相同但材料不同的真空管,给管内灌满水,面对阳光,每隔相同的时间检测罐内水的温度,得到的实验数据如下表所示,为了更好地利用太阳能,你建议他家应选择________制成的热水器。
【答案】可再生不变变小相同错误有关紫金管【解析】【分析】【详解】(1)[1]再生能源是不需人为参与,可以循环再生的能源,如太阳能、水能、风能、潮汐能、地热能等。
[2][3]水从涂层吸收热量,水温升高,水的多少没有变化,所以睡得质量不变,但由于水吸收热量,水的体积会增大,所以水的密度会变小。
(2)[4]实验要探究热水器内水吸收的热量多少与光照强度、环境温度、真空管的材料等因素的关系,要控制真空管内水的初温、质量相同。
九年级物理内能综合测试卷(word 含答案)一、初三物理 内能 易错压轴题(难)1.在探究“冰熔化时温度的变化规律”的实验中。
(1)将适量碎冰放入试管中,利用水给冰加热,目的是______;(2)某时刻观察到温度计的示数如图甲所示,为______°C ;(3)图乙是根据所测数据绘制成的图象。
由图象可知,冰的熔化特点是:持续吸热、______;AB 和CD 两段图象的倾斜程度不同,原因是______;(4)若不计热量损失,物质在AB 和BC 两段吸收的热量分别为Q 1和Q 2,则12:Q Q =______。
【答案】使冰受热均匀 -4 温度不变 该物质状态不同时比热容不同 2:3【解析】【分析】【详解】(1)[1]将装有冰的试管放入水中加热,这是水浴法,这样冰的温度变化比较均匀,并且变化比较慢,便于记录实验温度。
(2)[2]由图甲知,温度计的分度值是1°C ,此时是零下,液柱上表面对准了0°C 下面第4个小格处,读作−4°C 。
(3)[3]由图像知冰在熔化过程中持续吸热、温度不变。
[4]冰化成水质量不变,但比热容发生了变化,所以同样受热情况下,温度变化快慢不同。
(4)[5]因为同一加热装置,在相同的时间内吸收的热量相同,已知在AB 段时间为2min ,BC 段为3min ,则12:2:3Q Q2.小明在学习“物质的比热容”时,取相同质量的水和沙子,用相同的酒精灯加热,测得它们升高的温度如表,并在图乙中作出沙子升高的温度随时间变化的图线. 加热时间/min 0.5 1.0 1.5 2.0 2.5(1)用温度计测量水的初温如图甲所示,其读数为__________℃。
(2)实验中选用相同的酒精灯加热,可以认为相同时间内水和沙子__________相同.(3)请利用表中数据在图乙中作出表示水升高的温度随时间变化规律的图线。
(4)沙子在1.0~1.5min内升高的温度有明显异常,其主要原因是__________。
九年级物理内能单元测试卷 (word 版,含解析)一、初三物理 内能 易错压轴题(难)1.在“探究物质的吸热能力”的实验中,实验装置如图所示:(1)实验过程中温度计的玻璃泡不要碰到烧杯底部、侧壁和______;(2)实验中必须要选取初温相同且______(选填“质量”或“体积”)相等的甲、乙两种液体;选用规格相同的电加热器分别给甲和乙两种液体加热,这样做的目的是在相同时间内甲和乙两种液体______相同;(3)根据实验测得的数据分别描绘出了甲和乙两种液体的温度随加热时间变化的图象,如图丙所示,则______的吸热能力更强;(4)若甲液体的比热容为2.1×103J/(kg•°C ),则乙液体的比热容为______J/(kg•°C )。
【答案】电加热丝 质量 吸收的热量 乙 4.2×103【解析】【分析】【详解】(1)[1]实验过程中温度计的玻璃泡不要碰到烧杯底部、侧壁和电加热丝。
(2)[2]根据比较不同物质吸热能力的两种方法,要控制不同物质的质量相同,故实验中必须要选取初温相同且质量相等的甲、乙两种液体。
[3]选用规格相同的电加热器分别给甲和乙两种液体加热,根据转换法,这样做的目的是在相同时间内甲和乙两种液体吸收的热量相同。
(3)[4]根据实验测得的数据分别描绘出了甲和乙两种液体的温度随加热时间变化的图像,由图知,加热5分钟,甲升高的温度为60°C −20°C =40°C 乙升高的温度为40°C −20°C =20°C即乙升温小,故乙的吸热能力更强。
(4)[5]根据Q c m t=∆在质量和吸热相同的情况下,比热容与升高的温度成反比,结合(3)[4],故乙液体的比热容为()()3340C 2.110J/kg C 4.210J/kg C 20C c ︒=⨯⨯︒=⨯︒︒2.铁板文蛤是南通的特色佳肴,由文蛤、佐料放在经加热发烫的铁板上制作而成,在体积相同的条件下,餐馆会尽量选择热容量大的炊具.热容量的定义是:物体的温度升高(或降低)1℃吸收(或放出)的热量.查阅资料知道:物体的热容量与物体的质量和物质的比热容有关,由此同学们对相同体积物体的热容量作如下猜想:猜想1:物体的质量越大则物体的热容量越大;猜想2:物质的比热容越大则物体的热容量越大.同学们先用图甲所示装置,将体积相同的四个不同金属块浸没在烧杯内的水中,将水加热至沸腾,用温度计测出水的温度,示数如图乙;将四个金属块同时从水中取出,快速放入四个相同的保温杯中,杯中盛有质量和初温(约20℃)均相同的水,过一段时间后分别测出保温杯内水的末温,收集记录的数据如下表.(1)安装装置时应先固定线夹_______(选填“A”或“B”);图乙温度计示数为_______℃.(2)由表中数据可知:若金属块放出的热量完全被水吸收,则吸收热量最多的是放入了金属________的杯中的水;热容量最大的是_________金属块.(3)分析数据可判断:猜想1、猜想2都是_______的.请选择猜想1或猜想2,说出你对该猜想作出上述判断的理由:______________________.(4)请用热容量这个物理量,给比热容下定义:________________.【答案】B 99 铁铁错误猜想1:铁的热容量最大,但是铁的质量不是很大,铁的比热容不是最大物体的热容量与质量之比【解析】【详解】第一空.用酒精灯加热时,由于酒精灯的高度是固定的,所以安装装置时应先固定线夹B;第二空.图乙中温度计的分度值是1℃,示数是99℃;第三空.从表中数据可知,放入铁块的烧杯中水的末温最高,为48.1℃,第四空.由于放入铁块的水的末温最高,说明铁块放出的热量最多,即热容量最大的是铁块;第五空.分析数据可知,质量最大的铅块其热容量不是最大,比热容最大的铝块其热容量不是最大,故猜想1、猜想2都是错误的;第六空.猜想1:由数据可知,铁块的热容量最大,但是铁块的质量不是最大的,故猜想1错误;猜想2:由数据可知,铁块的热容量最大,但是铁的比热容不是最大的,故猜想2错误;第七空.物体的热容量与物体的质量之比叫做物质的比热容。
3.小明用相同的电加热器分别给水和食用油加热(如图甲),以探究水和食用油的吸热能力。
(1)本实验除了图甲中所给的实验器材外,还需要的测量工具有天平和______;(2)加热5min,水吸收的热量______(选填“大于”“小于”或“等于”)食用油吸收的热量;(3)比较不同物质的吸热能力,通常有两种方案方案一:取相同质量的两种物质,吸收相等的热量,比较温度的变化方案二:取相同质量的两种物质,升高相同的温度,比较吸收的热量下表是小明记录的部分实验数据液体名称液体质量m/g液体初温t1/℃液体末温t2/℃加热时间t/min 水10689820①分析表中信息可知小明采用的是______(选填“方案一”或“方案二”);②分析表中数据,可得出的结论______;(4)小明根据实验数据作出了水和食用油的温度随加热时间变化的图像(如图乙),由图像可知,水沸腾时的特点是______,食用油的比热容是______J/(kg ⋅℃)。
[c 水=4.2×103J/(kg ⋅℃)]【答案】秒表 等于 方案二 水的吸热能力强 吸热,温度不变 2.1×103【解析】【分析】(1)(2)物体吸收热量本领的大小,不仅与物体升高的温度多少有关,还与质量的大小有关,因此要保证两者质量相等,而物体吸收热量的多少通过加热时间的长短来体现,由此可以确定需要的测量工具。
(3)根据比较吸热能力的两种方法,由表中数据分析回答。
(4)加热时水保持不变的温度为沸点,根据如图乙水和食用油的温度随加热时间变化的图像可知水的沸点;由图可知,加热10min 温度升高30℃水和食用油所用时间,根据转换法结合=c Q m t∆在质量和升高温度相同的情况下,比热容c 与Q 成正比,据此求出食用油的比热容。
【详解】 (1)[1]实验中吸收热量的多少是由加热时间来反应的,所以还需用秒表记录时间。
(2)[2]加热相同的时间,酒精灯放出的热量相同,则水吸收的热量等于食用油吸收的热量。
(3)①[3]分析表中信息,质量相同,比较升高相同的温度所用加热时间,故小明采用的是方案二。
②[4]分析表中数据知,取相同质量的两种物质,升高相同的温度,水吸收的热量多,即水的吸热能力强。
(4)[5]根据如图乙水和食用油的温度随加热时间变化的图像可知,水的沸点是98℃,且继续加热但是温度保持不变,故水沸腾时的特点是吸热但温度保持不变。
[6]质量和初始温度均相同的两种液体,加热10min ,温度升高:98℃﹣68℃=30℃,水用20min ,食用油用时10min ,根据转换法,升高相同的温度,食用油吸收热量是水的一半,根据=c Q m t∆,在质量和升高温度相同的情况下,比热容c 与Q 成正比,故食用油的比热容是 3311== 4.210J /kg )C =2.110J /k ()g C 2(2c c ⨯⨯⋅⨯⋅油水 【点睛】本题比较不同物质的吸热能力,考查控制变量法、转换法的应用和比较吸热能力的方法和=cQm t∆的运用,为热学中的重要实验。
4.小明用稳定的热源(即单位时间内放出的热量相等)给一种固体物质均匀加热,且加热过程中质量不变。
其熔化图像如图所示,则:(1)这种物质是_____(选填“晶体”或“非晶体”),它熔化过程用了_____min;(2)该物质第5min末的内能_____第6min 末的内能(选填“小于”“等于”“大于”);(3)该物质在固态时的比热容与液态时的比热容之比是_____。
【答案】晶体 6 小于1:4【解析】【分析】【详解】(1)[1]从图象知,物质在熔化过程中吸收热量温度保持不变,此物质是晶体。
[2]此物质从2min开始熔化,到8min熔化完成,它熔化过程用时8min−2min=6min(2)[3]晶体熔化时,不断吸收热量,内能增加,温度保持不变,故该物质第5min 末的内能小于第6min 末的内能。
(3)[4]从图上可以看出,在质量不变的前提下,AB段温度升高40°C,CD段温度升高20°C,CD段加热时间是AB段加热时间的2倍,吸收热量之比为1:2,温度升高之比为2:1,根据Q cmΔt=计算可知该物体在固态时的比热与液态时的比热之比是1:4。
5.阅读短文,回答问题“鲲龙”AG600国产大型水陆两栖飞机“鲲龙”AG600成功实现水上起降,如图所示。
“鲲龙”AG600是国家为满足森林灭火和水上救援的迫切需要,研制的大型特种用途民用飞机,既能在陆地上起降,又能在水面上起降,是一艘会飞的船。
AG600可以在20秒内一次汲水12吨,单次投水救火面积可达4000余平方米,还可以在2米高海浪的复杂气象条件下实施水面救援行动,水上应急救援一次可救护50名遇险人员。
“鲲龙”AG600 除了像普通飞机在陆上起降外,在任何江河湖泊,只要给它一片长1500米、宽200米、深2.5米的水域,它都能“说走就走”。
最大巡航速度500公里/小时,最大航程4500公里,可从中国最北端黑龙江漠河直飞海南三亚,更可以从三亚往返中国最南端的曾母暗沙。
“鲲龙”AG600作为当今世界最大一款水陆两栖飞机,AG600飞机的机身长37米、翼展达38.8米,个头儿与波音737相当,采用单船身、悬臂上单翼和前三点可收放式起落架布局,选装4台涡桨发动机。
飞机发动机的热效率和推进效率是反映飞机性能的重要指标。
发动机的热效率是指发动机获得的机械能与燃料完全燃烧产生的内能之比,推进效率是指发动机传递给飞机的推进功(推力所做的功)与获得的机械能之比。
飞机的部分参数如下表所示:WJ6发动机数量4台M最大起飞质量53.5t最大巡航速度500km/h发动机巡航推力 4.6×104N发动机的热效率40%发动机的推进效率……(1)如图所示,机身下部制成“V”形,这样设计的目的还有______________;机翼设计成如图所示的截面图,当飞机水平飞行时,机翼上方空气速度大,压强________;(2)“鲲龙”AG600在水面降落的过程中,重力势能________,动能________(选填“增大”、“减小”或“不变”);(3)若“鲲龙”AG600某次执行任务时该飞机的总质量为48t,总体积约5×103m3。
该飞机停在水平地面时,起落架的触地总面积是1.2m2,对地面的压强_________Pa;停在水面上时,排开水的体积是_________m3;(g=10N/kg,ρ水=1×103kg/ m3)(4)若“鲲龙”AG600空载时质量为40t,在水面滑行测试中,“鲲龙”AG600蓄一定质量的水,发动机牵引力的实际总功率为2500kW,飞机在水面上以36km/h的速度匀速滑行了1min,滑行过程中所受阻力为总重的0.5倍,则飞机受到的阻力为_________N,所蓄水的质量为__________t;(5)“鲲龙”AG600 以最大速度满载巡航2h,消耗燃油5000kg,燃油完全燃烧获得的内能是_________J,此过程中发动机的推进效率为__________。