桥式起重机隐患排查表1
- 格式:pdf
- 大小:92.62 KB
- 文档页数:1
起重机械安全检查表一、起重机械概况1. 起重机械类型:2. 起重机械编号:3. 起重机械制造单位:4. 技术规范及执行标准:5. 起重机械使用单位:6. 起重机械使用地点:7. 起重机械使用环境条件:8. 起重机械运行时间:二、起重机械运行状况检查1. 起重机械运行是否正常:2. 起重机械运行是否平稳:3. 起重机械运行是否有异响:4. 起重机械运行是否有晃动:5. 起重机械运行是否有异常振动:6. 起重机械运行是否有异常温升:7. 起重机械运行是否有异常泄露:三、起重机械结构检查1. 起重机械主体结构是否完整:2. 起重机械安装基础是否牢固:3. 起重机械悬挂装置是否正常:4. 起重机械传动装置是否正常:5. 起重机械制动装置是否灵敏:7. 起重机械液压系统是否正常:8. 起重机械信号系统是否完善:9. 起重机械防护装置是否齐全有效:10. 起重机械附属设备是否完好:四、起重机械安全控制检查1. 起重机械安全控制系统是否正常:2. 起重机械限位装置是否灵敏准确:3. 起重机械报警装置是否正常:4. 起重机械紧急停机装置是否灵敏可靠:5. 起重机械速度控制是否准确可调:6. 起重机械起重量计量系统是否准确:7. 起重机械各种开关按钮是否正常:五、起重机械工作状况检查1. 起重机械载荷是否超过额定载荷:2. 起重机械是否运输超长或超重物件:3. 起重机械是否悬吊物件过高:4. 起重机械是否在限定动作范围内操作:5. 起重机械是否正确使用各种附属设备:6. 起重机械操作人员是否持证上岗:六、起重机械维护检查1. 起重机械定期维护是否按照要求进行:2. 起重机械维护记录是否完整准确:3. 起重机械维修是否及时有效:七、起重机械安全提示1. 提示操作人员遵守工作规程:2. 提示操作人员严禁超载操作:3. 提示操作人员正确使用安全控制装置:4. 提示操作人员定期参加起重机械安全培训:以上为起重机械安全检查表,对于起重机械的安全运行以及保障人员的生命安全具有重要作用,请各使用单位认真执行,并及时处理检查中发现的问题。
桥式起重机01《起重机械安全技术监察规程——桥式起重机第111条》:在用起重机应当进行定期检查,定期检验周期为每两年一次,其中吊运熔融和炽热金属的起重机每年一次。
检验机构根据各类别起重机械的作业环境、工作级别以及事故隐患风险程度等因素,经市(地)级质量技术监督部门或者省级质量技术监督部门统一,可以缩短定期检验周期。
02《起重机安全规程第一部分:总则》4.2.2.3当使用条件或操作方法会导致重物意外脱钩时,应采用防脱绳带闭锁装置的吊钩;当吊钩起升过程中有被其他物品钩住的危险时,应采用安全吊钩或采取其他有效措施。
03《起重吊钩第3部分:锻造吊钩使用检查》3.2.3:吊钩的磨损量不应超过基本尺寸的5%,否则吊钩应报废。
04《起重机安全规程第1部分:总则》4.2.4.1:钢丝绳在卷筒上应能按顺序整齐排列。
只缠绕一层钢丝绳的卷筒,应作出绳槽。
用于多层缠绕的卷筒,应采用适用的排绳装置或便于钢丝绳自动转层缠绕的凸缘导板结构等措施。
05《钢丝绳夹》附录A 1:钢丝绳夹应把夹座扣在钢丝绳的工作段上,U型螺栓扣在钢丝绳的尾段上。
钢丝绳卡不得在钢丝绳上交替布置。
06《起重机钢丝绳保养、维护、安装、检验和报废》3.5:钢丝绳的安全使用由一下情况判定:钢丝绳的内部和外部磨损及锈蚀、变形、绳端断丝、绳股断裂等。
07《起重机钢丝绳保养、维护、安装、检验和报废》3.3:钢丝绳在安装时应涂以润滑油脂。
钢丝绳应在必要的部位做清洗工作,二队在有规则额的时间间隔内重复使用的钢丝绳,特别是绕过滑轮的长度范围内的钢丝绳在显示干燥或锈蚀迹象之前,均应使用其保持良好的润滑状态。
08《起重机钢丝绳保养、维护、安装、检验和报废》附录A 2:钢丝绳直径小于等于18mm,绳夹最少3组,大于18~26mm最少四组,大于26~36mm最少五组,大于36mm~44mm最少6组,大于44mm~60mm最少7组。
09《起重机安全规程第1部分:总则》4.2.4.5卷筒出现下述情况之一时,应报废:影响性能的表面缺陷;筒壁磨损达原壁厚度20%。
起重安全隐患专项排查方案一、前言起重机械是工程施工中常用的机械设备,其在工程建设和运输领域中具有重要作用。
然而,起重机械在使用过程中存在一定的安全隐患,如果不及时发现和处理,将会对施工和运输安全造成严重影响。
为了规范起重机械的使用安全,保障人员和设备的安全,特制定本专项排查方案。
二、目的本专项排查方案的目的是为了及时有效地发现和处理起重机械使用中存在的安全隐患,保障工程施工和运输的安全。
具体目标包括:1. 安全隐患的全面排查,准确掌握起重机械存在的安全隐患;2. 制定整改措施,及时消除和处理安全隐患;3. 完善安全管理机制,提高起重机械的安全使用水平;4. 提供安全隐患排查的依据和指导,确保排查工作的有效进行。
三、排查范围本专项排查方案适用于工程施工和运输中使用的各类起重机械设备,包括但不限于:塔式起重机、门式起重机、桥式起重机、汽车起重机、履带式起重机等。
四、排查内容1. 设备完好性排查(1)检查设备的外观是否完好,是否存在裂纹、变形等情况;(2)检查设备的结构连接处是否牢固,螺栓螺母是否松动;(3)检查设备的各部位操作机构是否灵活可靠,不存在卡滞、断裂等情况;(4)检查设备的润滑系统是否正常,润滑油是否充足,运转是否平稳。
2. 电气系统排查(1)检查设备的电气系统是否完好,电缆是否老化、破损;(2)检查设备的控制按钮、开关、继电器等电气元件是否正常;(3)检查设备的电气接地是否良好,绝缘性能是否符合要求。
3. 安全防护设施排查(1)检查设备的安全防护装置是否完好,栏杆、护板等是否齐全;(2)检查设备的报警装置是否完善,声光报警是否正常;(3)检查设备的避雷装置是否有效,防雷地线是否可靠。
4. 使用证书排查(1)检查设备的使用证书是否齐全,是否在有效期内;(2)检查设备的年检记录是否符合规定,检测报告是否合格。
5. 操作人员排查(1)检查操作人员的操作证件是否齐全,是否具备相关资质;(2)检查操作人员的操作技能是否熟练,是否经过专业培训;(3)检查操作人员的操作行为是否规范,是否符合相关操作规程。
桥、门式起重机维修记录概述本文档为桥、门式起重机的维修记录,旨在记录维修过程中的问题与解决方法,为后续维护提供参考。
维修记录2021年7月1日维修对象:X公司厂房内一台桥式起重机。
维修问题:起重机吊钩下降速度过慢,影响使用效率。
维修方法:首先检查起重机前方的吊钩减速器和减速电机,发现减速器的润滑油已经失效,需要更换新的润滑油。
其次对电机的电路进行检查,并重新调整电机的额定电流和频率,使其适配现有的电源环境。
最后经过测试,起重机的吊钩下降速度已经恢复正常。
2021年8月8日维修对象:Y公司工业园内一台门式起重机。
维修问题:起重机起升速度过快,存在安全隐患。
维修方法:首先检查起重机起升的液压系统,发现系统中某个液压阀已经老化,需要更换。
其次对起重机的控制系统进行检查,发现起升电机的控制器存在故障,需要更换新的控制器。
最后经过测试,起重机的上升速度已经恢复正常,并且控制系统运行稳定。
2021年9月22日维修对象:Z公司生产车间内一台桥式起重机。
维修问题:起重机行走异常,存在晃动与抖动情况。
维修方法:首先检查起重机行走的轨道和轮子,发现部分轮子损坏严重,需要更换。
其次检查起重机的主要梁和支撑结构,发现部分焊接点出现裂缝,需要进行补焊处理。
最后经过测试,起重机行走稳定,不存在晃动和抖动情况。
以上为本次桥、门式起重机的维修记录,维修过程中发现问题较多,需要管理员和操作人员加强设备维护和日常保养,以确保设备的长期稳定运行。
同时,需要定期进行设备维护保养和故障排查,预防设备出现故障,提高工作效率和安全性。
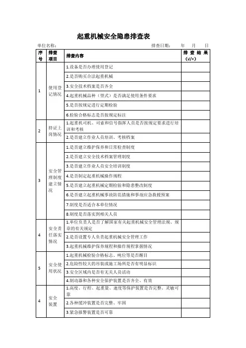
桥式起重机隐患排查表
时间:检查人员:
序号检查项目检查标准车间存在隐患备注
1 吊钩1、吊钩不得出现裂纹、磨损或者变形。
2、吊钩防脱器配置齐全。
2 电动机电机与联轴器连接牢固、电缆线绝缘良好。
3 控制盘、
电缆
控制盘固定螺栓牢固、电缆
线绝缘良好
4 钢丝绳无断丝断股现象,磨损不超标,固定压板牢固,无缺油。
5 制动器制动轮无裂纹、制动力矩符合要求
6 钢丝绳卷
筒滑轮
卷筒无裂纹、底座固定螺栓
紧固、联轴器紧固
7 减速机1、减速机无缺油、断齿、固定螺栓无松动、联轴器无松动现象。
2、减速机护罩齐全完好。
8 设备主体主梁、端梁、吊车横梁等无腐蚀、变形、裂痕,焊接可靠。
9 防护装置起升高度限位器、起重量限制器、力矩限制器等失效,导致冲顶、超载。
10 管控措施隐患排查清单中涉及电气系统的风险点、危险源及管控措施落实情况。