xps挤塑板外墙外保温系统施工方案
- 格式:docx
- 大小:26.26 KB
- 文档页数:13
第1篇一、工程概况本工程为某住宅小区外墙保温工程,建筑面积约10万平方米,外墙采用挤塑板(XPS)作为保温材料。
挤塑板具有良好的保温性能、防火性能和耐候性能,适用于各种气候条件下的外墙保温。
二、施工准备1. 材料准备- 挤塑板:应符合国家相关标准,表面平整,尺寸准确。
- 粘结砂浆:应选用具有良好粘结性能和耐候性的专用粘结砂浆。
- 找平层材料:如水泥砂浆、聚合物砂浆等。
- 保护层材料:如涂料、瓷砖等。
- 施工工具:切割机、水平尺、靠尺、锤子、电钻、扫帚、刷子等。
2. 人员准备- 施工队伍:应由专业的外墙保温施工队伍组成,具备相关资质和经验。
- 施工人员:应经过专业培训,熟悉施工工艺和安全操作规程。
3. 施工设备准备- 施工升降机、吊车等起重设备。
- 施工电梯、脚手架等辅助设施。
三、施工工艺1. 基层处理- 清理墙面:将墙面上的灰尘、油污、松散物等清理干净。
- 修补裂缝:对墙面的裂缝、孔洞等缺陷进行修补,确保墙面平整。
2. 找平层施工- 水平尺测量:用水平尺对墙面进行测量,确保墙面平整度符合要求。
- 水泥砂浆找平:用聚合物砂浆或水泥砂浆对墙面进行找平,厚度根据设计要求确定。
3. 粘结砂浆施工- 混合粘结砂浆:按产品说明书要求,将粘结砂浆与水混合均匀。
- 涂抹粘结砂浆:将粘结砂浆均匀涂抹在找平层上,厚度约为3-5mm。
- 粘贴挤塑板:将挤塑板按照设计要求粘贴在粘结砂浆上,确保板面平整,缝隙均匀。
4. 挤塑板固定- 钉固定:在挤塑板边缘每隔500mm左右钉入锚固钉,深度应大于板厚。
- 水平、垂直校正:用靠尺校正挤塑板,确保板面垂直、水平。
5. 保温层保护- 防水层施工:在挤塑板表面涂抹防水层,防止雨水渗透。
- 保护层施工:根据设计要求,在防水层上施工保护层,如涂料、瓷砖等。
四、施工质量控制1. 材料质量- 材料进场前应进行验收,确保材料质量符合设计要求。
- 施工过程中应定期检查材料质量,发现问题及时处理。
XPS挤塑板薄抹灰外墙外保温系统施工组织设计方案施工组织设计方案是指在XPS挤塑板薄抹灰外墙外保温系统施工过程中,针对工程的特点和技术要求,制定出详细的施工组织设计方案,以保证施工的顺利进行和施工质量的达标。
下面是一份XPS挤塑板薄抹灰外墙外保温系统施工组织设计方案的示例:一、工程概况本工程为XX项目的外墙外保温工程,施工地点位于XX地区,总面积为XX平方米。
主要工作内容包括XPS挤塑板的安装、薄抹灰层的施工以及外墙外保温系统的调试等。
二、施工组织机构2.1项目经理:负责全面组织、协调和管理施工过程,并与监理单位、设计单位等进行协调沟通。
2.3施工队伍:包括XPS挤塑板安装队、薄抹灰层施工队、系统调试队等。
每个队伍都有一名队长负责组织施工工作,并配备相应的工人和机具。
三、施工流程及措施3.1前期准备3.1.1建立项目组织机构,明确各岗位职责和工作分工。
3.1.2编制施工方案和施工图纸,并进行审核和调整。
3.1.3购买所需材料和设备,并做好储存和保管工作。
3.1.4制定施工计划,明确施工进度和工期,并与监理单位协商确认。
3.2XPS挤塑板的安装3.2.1按照施工图纸和技术要求,定义墙体保温层的位置和形状。
3.2.2检查墙体的垂直度和平整度,进行必要的修整工作。
3.2.3安装挤塑板,采用专用胶粘剂固定在墙体上,并使用木架支撑。
3.2.4对挤塑板进行检查,确保安装质量。
3.3薄抹灰层的施工3.3.1在挤塑板上刮涂粘结剂,以增加抹灰层和挤塑板的附着力。
3.3.2刮涂抹灰砂浆,确保抹灰层的平整度和厚度符合要求。
3.3.3进行砂浆抹平和抹光,以获得细致的表面效果。
3.3.4对抹灰成果进行检查和修整,确保施工质量达标。
3.4外墙外保温系统的调试3.4.1安装外保温系统的相关设备和管道。
3.4.2进行系统的压力测试和泄漏测试,确保系统运行的安全性和稳定性。
3.4.3调试系统的各项参数和功能,以满足设计要求。
3.4.4进行系统的性能测试,确保施工质量达标。
外墙保温工程施工方案目录一.工程概况及编制依据二.外墙外保温施工工艺三.质量标准四.实现质量目标措施五、实现质量目标的措施六.安全及文明施工措施七. 对甲方单位配合要求八.其他注意事项九. 外保温细部做法一.工程概况及编制依据(一)、工程概况1、本工程为,2、本工程采用“挤塑泡沫板外墙保温系统”,保温层采用为 cm厚挤塑板。
外饰面为面砖与涂料。
3、本工程工期要求为:天。
(二)、编制依据:参照依据如下:1. 河南省《05系列工程建设标准设计图集》2.《外墙外保温施工技术规程》JGJ144-20043、《膨胀聚苯薄抹灰外墙外保温系统》(JG149-2003)4、《民用建筑热工设计规范》GB50176-935、《民用建筑节能设计标准》JGJ26-936、《建筑工程施工质量验收统一标准》GB50300-20017、《建筑装饰装修工程质量验收标准》GB50210-20018、《河南省民用建筑节能设计标准实施细则(采暖居住部分)》二.外墙外保温施工工艺(一)、施工做法1.总则1.1 本规程是以聚苯乙烯泡沫塑料为保温材料,耐碱玻纤网格布为增强材料,ABW外墙外保温专用胶粘剂和ABW外墙外保温抹面胶浆作面层的建筑外墙外保温体系的施工标准和验收标准。
该外墙外保温体系基本构造见下图:1、胶粘剂2、XPS3、抹面胶浆4、镀锌电焊网5、涂料饰面层1、胶粘剂2、XPS3、抹面胶浆4、镀锌电焊网5、磁砖饰面涂料饰面结构图:磁砖饰面结构图:2. 材料准备2.1 材料(1)聚苯乙烯泡沫塑料板(以下简称挤塑板):挤塑板为阻燃型外墙保温专用xps板。
规格为60cm×120cm×3cm。
挤塑板技术性能要求如下:表1 挤塑板技术性能要求表面密度(kg/m3) 导热系数(w/m·k)修正系数厚度(mm)厚度偏差(mm)20--35 ≤0.00289 1.1 30 ±1.5(2)胶粘剂和抹面胶浆技术性能指标需符合表2和3要求。
挤塑聚苯乙烯泡沫板外墙保温施工方案一、工程概况该工程是一栋住宅楼的外墙保温工程,采用挤塑聚苯乙烯泡沫板(XPS)作为保温材料,目的是提高建筑物的保温性能和节能效果。
二、施工方案1.基层处理(1)清理基层表面的灰尘和脱落物。
(2)修补和处理基层表面的裂缝和不平整处。
(3)使用底漆涂刷在基层表面,增强附着力。
2.固定挤塑聚苯乙烯泡沫板(1)根据设计要求切割挤塑聚苯乙烯泡沫板,保证尺寸准确。
(2)使用专用胶粘剂在板材背面均匀涂抹,并将板材按照施工工艺要求粘贴在基层墙体上。
(3)采用机械固定方法,使用专用的密封胶在泡沫板之间进行连接。
3.硅酮胶填缝(1)在泡沫板之间、板与窗框、门框接缝处等位置涂抹硅酮胶,保证接缝处的密封性能。
(2)使用刮刀修整填缝胶条,使其与表面平齐。
4.网格布处理(1)在挤塑聚苯乙烯泡沫板表面涂刷一层专用胶水。
(2)将玻璃纤维增强网格布覆盖在胶水涂刷的泡沫板上,确保其平整、牢固。
(3)涂刷第二遍专用胶水,将网格布与泡沫板紧密粘合。
5.粘贴饰面砖(1)根据设计要求选择合适的饰面砖,并使用专用胶粘剂将其粘贴在挤塑聚苯乙烯泡沫板表面。
(2)保证饰面砖之间的间距一致,并使用水平仪进行测量调整。
6.饰面处理(1)对饰面砖进行清洁,保证其表面没有灰尘和污渍。
(2)填缝:使用专用灰缝剂填充饰面砖之间的缝隙,并使用刮刀修整,使其与砖面平齐。
(3)防水处理:在饰面砖表面涂刷一层专用的防水涂料,提高外墙的防水性能。
三、施工注意事项1.材料的选取应符合相关标准,并在施工前进行检验,确保质量合格。
2.进行施工前要有详细的施工方案,以确保施工的顺利进行。
3.施工过程中,要严格控制每个环节的施工质量,防止出现疏漏和质量问题。
4.施工结束后,对施工质量进行验收,确保符合设计要求和相关标准。
以上是挤塑聚苯乙烯泡沫板外墙保温施工方案的具体内容,详细的施工措施应根据具体工程情况来确定。
在施工过程中,要注重对施工质量的把控,确保工程的质量和安全性能。
薄抹灰保温系统施工方案河南顺达防水保温工程有限公司目录一、编制依据二、工程概况三、外墙外保温施工工艺四、后期维修五、质量标准六、质量保证措施七、安全、文明施工措施挤塑板薄抹灰保温系统施工方案第3页共10 页一、编制依据1、编制依据1.1、定型图:《外墙外保温建筑构造》(一) 02J121-1《外墙外保温构造》 05YJ3-7《建筑构造通用图集》(第2版) 88J2-91.2、公司ISO9000质量手册。
2、执行规范《建筑节能工程施工质量验收规范》 GB50411-2007《外墙外保温工程技术规程》 JGJ144-2004《外墙外保温工程技术规程》 DBJ01/50-2002《建筑工程质量检查评定统一标准》 GB50300-2001《建筑工程饰面面砖粘结强度检验标准》 JGJ110-1997《建筑工程质量检查评定标准》 GB/T50375-2006《建筑施工安全检查标准》 JGJ59-99《建设工程施工现场供用电安全规范》 GB50194-93《施工现场临时用电安全技术规范》 JGJ46-2005其他相关的规范、标准、规程等。
二、工程概况工程名称:三门峡市邮政局小区4#住宅楼建设地点:河南省三门峡市建设单位:河南省立奇置业有限公司监理单位:河南省万安建设监理有限公司施工单位:中建七局第四建筑有限公司三、板薄抹灰保温系统施工工艺1、施工做法挤塑板板薄抹灰保温系统,外墙饰面为涂料。
是以挤塑板板为保温材料,耐碱玻纤网格布为增强材料(外墙为瓷砖的用镀锌网作为增强材料),外墙外保温专用粘结砂浆和外墙外保温专用抹面砂浆作面层的建筑外墙外保温体系的施工标准和验收标准。
该外墙外保温体系基本构造见表1:表1外墙外保温基本构造2、施工条件外墙外门窗口施工及验收完毕,基层达到《建筑工程质量检验评定标准》的要求。
门窗边框与墙体连接应预留出外保温层的厚度。
外墙面上的雨水管卡,预埋铁件等提前安装完毕,并预留保温的厚度。
施工用吊篮或脚手架搭设牢固,安全检验合格。
XPS挤塑聚苯板外墙外保温施工方案XPS挤塑聚苯板是目前外墙外保温的一种常用材料,具有优良的保温性能和耐久性。
在进行XPS挤塑聚苯板外墙外保温施工时,需要进行一系列的工序和措施,以确保施工质量和效果。
下面将详细介绍XPS挤塑聚苯板外墙外保温的施工方案。
一、施工准备1.确定施工现场:施工前需要确定好施工现场,清理垃圾和杂物,保证施工环境整洁。
2.准备材料:准备好所需的XPS挤塑聚苯板、胶水、螺丝等施工所需材料。
3.准备工具:准备好切割机、胶枪、水平仪、钢尺等施工所需工具。
4.安全防护:施工人员需佩戴好安全帽、手套、口罩等防护用具。
二、施工步骤1.基层处理:对施工基层进行清理,确保平整、干燥、无尘。
如有裂缝和洞口应先修补。
2.排线定位:根据外墙尺寸和保温要求,利用水平仪在墙面上做出水平和垂直的标线。
3.喷涂胶水:在XPS挤塑聚苯板背面均匀喷涂胶水,确保胶水均匀粘贴。
4.粘贴XPS挤塑聚苯板:根据标线,将涂有胶水的XPS挤塑聚苯板粘贴在墙面上,用螺丝进行固定。
5.接缝处理:XPS挤塑聚苯板之间的接缝需要用专用的密封胶进行填充,确保保温层的密封性。
6.规整表面:用切割机将XPS挤塑聚苯板边缘切割整齐,使外墙表面平整。
7.批刮保温灰浆:在XPS挤塑聚苯板表面批刮一层保温灰浆,增加外墙保温层的牢固性。
8.防护层处理:在保温灰浆表面做好抗裂网布的处理,再进行防护层的施工,增加外墙保温层的防水性和耐久性。
9.表面装饰:根据设计需求选择合适的外墙装饰材料,进行表面的装饰施工。
三、施工注意事项1.施工环境:XPS挤塑聚苯板外墙外保温施工需在干燥、无风的天气条件下进行。
2.施工质量:保温层的粘贴和固定必须牢固可靠,表面平整,无空鼓和开裂。
3.施工工具:务必使用专业的施工工具,避免使用生锈或损坏的工具。
4.施工阶段:施工过程中需按照先基层处理,再XPS挤塑聚苯板粘贴,最后防护层处理的顺序进行,确保施工进度和效果。
通过以上施工方案,可以确保XPS挤塑聚苯板外墙外保温施工的顺利进行和工程质量的达标。
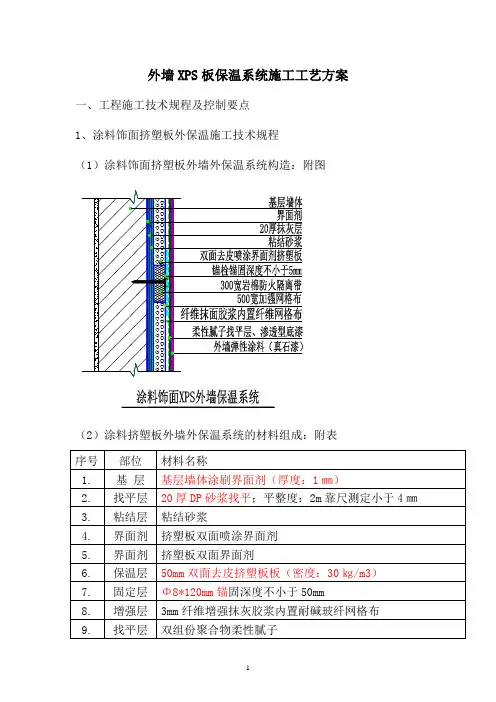
外墙XPS板保温系统施工工艺方案一、工程施工技术规程及控制要点1、涂料饰面挤塑板外保温施工技术规程(1)涂料饰面挤塑板外墙外保温系统构造:附图(2)涂料挤塑板外墙外保温系统的材料组成:附表二、涂料饰面挤塑板外保温系统施工方案(一)、操作流程图(附图(2))(二)、XPS板保温系统控制要点1.对施工环境的要求●施工环境、基层及使用的材料的温度不低于+5Cº。
不应在强风环境中或夏季高温阳光直射时墙面上施工,以避免外墙外保温体系在施工过程中结皮而影响施工质量。
●对尚未硬化的材料,应避免雨水的冲刷,必要时应对施工中的墙面加以保护。
●在外墙外保温体系中应使用公司提供或指定的配套材料,以确保材料的相容性及整个体系的质量。
2.建筑物和外墙体的要求●墙体的湿度不应高于其与环境的平衡湿度。
●墙体表面不得有污迹灰尘污或油脂类物质。
●墙体应达到设计要求的强度,特别是墙体表面应具有足够的附着力(≥0.3N/mm²)。
●内墙抹灰砂浆、干粉砂浆地坪应在外保温体系施工前完成,并达到干燥硬化的要求。
●门窗框、水平设置的构件(如窗套预制窗套、穿墙管等),必须在外保温体系施工之前安装完毕,外墙面设置的护拦、固定管道、空调等外挂件所用的支架也应预先安装完毕。
●对所有水平方向的构件(如跳檐、窗台板、女儿墙压顶、固定外墙面构件用的支架等)都需预留外保温体系所需的施工厚度,并做相应的滴水槽(线)和防锈处理。
3、保温施工前条件●屋面防水施工完毕保护层施工完毕,所有出墙管安装完毕(空调出墙管、燃气不锈钢管、新风管等),所有预埋铁件完成(落水管管卡),小露台防水施工完毕,顶层与首层窗框安装完毕。
4、节点防水●根据节点图对窗口四周、空调板迎水面阴角、飘窗板迎水面阴角、顶层飘窗板等需防水处理位置进行防水处理。
5.挂通线、弹控制线●在建筑外墙大角(阳角、阴角)及其他必要处挂垂直基准钢线,基准钢线之间挂水平线,以控制保温板粘贴的垂直度和平整度。
第1篇一、工程概况本工程位于XXX地区,建筑总面积为XXX平方米,外墙采用挤塑板保温系统。
挤塑板保温系统具有优良的保温隔热性能,能有效降低建筑能耗,提高建筑物的舒适度。
本方案针对外墙挤塑板保温板的施工进行详细规划,确保施工质量,达到预期效果。
二、施工准备1. 材料准备(1)挤塑板:应符合国家标准GB/T8813-2005的要求,厚度、密度、抗压强度等指标应符合设计要求。
(2)粘结剂:应选用环保型、耐候性强、粘结力好的外墙专用粘结剂。
(3)锚固件:应符合国家标准GB/T5280-2003的要求,用于固定挤塑板。
(4)网格布:应符合国家标准GB/T17657-2008的要求,用于增强挤塑板的抗裂性能。
(5)防水涂料:应选用耐候性强、抗裂性能好的外墙防水涂料。
2. 工具准备(1)切割工具:壁纸刀、壁纸剪、电热风枪等。
(2)粘结工具:抹子、刮板、水平尺等。
(3)锚固工具:电钻、扳手等。
(4)检验工具:卷尺、水平尺、钢卷尺等。
3. 人员准备(1)施工队伍:应由具备相关资质的施工队伍进行施工,施工人员应经过专业培训,熟悉施工工艺和质量要求。
(2)技术交底:施工前应对施工人员进行技术交底,确保施工人员了解施工工艺和质量要求。
三、施工工艺1. 施工流程(1)基层处理:清除墙面杂物、油污、松散的旧涂料等,确保墙面平整、干燥、干净。
(2)弹线:根据设计要求,在墙面上弹出水平线和垂直线,确保挤塑板安装的平整度。
(3)粘贴挤塑板:将挤塑板粘贴在墙面上,确保挤塑板平整、牢固。
(4)锚固件安装:在挤塑板孔位处安装锚固件,确保锚固件牢固。
(5)网格布铺贴:在挤塑板表面铺贴网格布,确保网格布与挤塑板粘结牢固。
(6)防水涂料施工:在网格布表面涂刷防水涂料,确保防水涂料均匀、饱满。
(7)检验:对施工质量进行检验,确保施工质量符合要求。
2. 施工要点(1)基层处理:墙面应平整、干燥、干净,无油污、松散的旧涂料等。
(2)弹线:水平线和垂直线应准确,间距应符合设计要求。
第1篇一、工程概况挤塑聚苯板(XPS)是一种高性能的保温隔热材料,具有优异的保温性能、防火性能和耐候性能。
本方案适用于新建或改造建筑物的外墙保温隔热工程,旨在提高建筑物的保温效果,降低能源消耗。
二、施工准备1. 施工人员准备(1)组织施工队伍,明确各工种人员职责。
(2)对施工人员进行技术交底和安全教育。
2. 材料准备(1)挤塑聚苯板:选择符合国家标准的挤塑聚苯板,确保其密度、抗压强度、导热系数等指标符合设计要求。
(2)粘结剂:选用环保型、耐候性好的粘结剂,确保其与挤塑聚苯板及基层材料的粘结强度。
(3)网格布:选用耐碱、耐候性好的网格布,增强挤塑聚苯板与基层材料的粘结强度。
(4)抹面砂浆:选用与挤塑聚苯板相匹配的抹面砂浆,确保其粘结强度和耐候性能。
(5)辅助材料:如切割机、水平尺、钢卷尺、锤子、剪刀等。
3. 工具准备(1)切割工具:用于切割挤塑聚苯板。
(2)搅拌机:用于搅拌粘结剂。
(3)抹子:用于涂抹粘结剂和抹面砂浆。
(4)水平尺:用于检测挤塑聚苯板平整度。
(5)钢卷尺:用于测量尺寸。
三、施工工艺1. 基层处理(1)清理基层:将基层表面的灰尘、油污、松散物等清理干净。
(2)修补裂缝:对基层裂缝进行修补,确保其平整度。
(3)涂刷界面剂:在基层表面涂刷界面剂,提高基层与粘结剂的粘结强度。
2. 挤塑聚苯板粘贴(1)放样:根据设计图纸,在基层上放出挤塑聚苯板的粘贴位置和尺寸。
(2)切割:使用切割机将挤塑聚苯板切割成所需尺寸。
(3)粘贴:将切割好的挤塑聚苯板粘贴在基层上,注意调整其平整度和垂直度。
(4)压实:使用锤子或抹子压实挤塑聚苯板,确保其与基层材料粘结牢固。
3. 网格布铺设(1)粘贴网格布:在挤塑聚苯板表面涂抹粘结剂,将网格布粘贴在挤塑聚苯板上。
(2)压实网格布:使用抹子压实网格布,确保其与挤塑聚苯板粘结牢固。
4. 抹面砂浆施工(1)搅拌砂浆:将抹面砂浆搅拌均匀。
(2)涂抹砂浆:将搅拌好的砂浆涂抹在网格布上,注意厚度均匀。
第1篇一、工程概况本工程位于XXX市,建筑总面积为XX万平方米,外墙采用挤塑板保温系统。
挤塑板保温系统具有优良的保温性能、防火性能和耐候性能,能够有效降低建筑能耗,提高居住舒适度。
二、施工准备1. 施工图纸和技术资料熟悉施工图纸,掌握设计要求,了解保温系统的构造和施工工艺。
收集相关技术资料,包括挤塑板、粘结剂、锚固件等材料的性能指标和施工规范。
2. 人员组织成立专门的施工队伍,包括项目经理、技术负责人、施工员、质检员等。
对施工人员进行专业培训,确保掌握施工技术和安全操作规程。
3. 材料设备(1)挤塑板:选用符合国家标准的挤塑板,厚度、密度、导热系数等指标应符合设计要求。
(2)粘结剂:选用环保型、耐候性好的粘结剂,粘结强度应符合国家标准。
(3)锚固件:选用符合国家标准的锚固件,确保锚固件的强度和耐久性。
(4)施工工具:电动切割机、冲击钻、电锤、水平尺、线锤、靠尺板、剪刀等。
4. 施工环境确保施工场地平整、干燥、通风,避免材料受潮或污染。
三、施工工艺流程1. 基层处理(1)清理墙面,去除松动、空鼓、油污等杂物。
(2)修补墙面裂缝,确保墙面平整、干净。
(3)检查墙面垂直度、水平度和阴阳角方正度,如有偏差应进行校正。
2. 放线定位(1)根据设计图纸,确定保温板的安装位置和尺寸。
(2)在墙面上弹出控制线,包括水平线、垂直线、阴阳角线等。
3. 粘贴挤塑板(1)将挤塑板裁切成所需尺寸,并检查板面是否有缺陷。
(2)在挤塑板背面均匀涂抹粘结剂,厚度约2-3mm。
(3)将挤塑板粘贴到墙面上,注意板面平整、密实,避免出现空鼓、翘曲等现象。
(4)使用水平尺和靠尺板检查板面平整度,如有偏差应进行调整。
4. 锚固固定(1)在挤塑板边缘及转角处,使用锚固件进行固定。
(2)将锚固件打入墙体内,确保锚固件与墙体连接牢固。
5. 表面处理(1)在挤塑板表面涂抹抗裂砂浆,厚度约2-3mm。
(2)待抗裂砂浆干燥后,进行表面找平。
6. 保护层施工(1)在保护层施工前,对挤塑板表面进行清理,确保无杂物。
XPS板外墙保温系统施工方案一、粘帖保温板1、粘帖挤塑板(点框法)1)用不锈钢抹子,沿途过界面剂的挤塑板周边涂抹配置好的粘结胶浆,其宽度为50mm,厚10mm,在板的下侧涂抹胶浆时,应在板中间留50mm不涂抹胶浆,采用标准尺寸(600mm×1200mm)挤塑板,应在板的中间部位均匀布置8个点,每个点直径为100mm,厚10mm,中心距100mm,当采用非标准尺寸板时,粘接胶浆的涂抹面积与挤塑板的面积之比不得小于1/3,中间部分不得少于3个点。
2)挤塑板抹完粘接胶浆后,应立即将板平贴在基层墙体上滑动就位。
粘贴时应轻柔、均匀挤压。
为保证板面的平整度,应随时用一根长度不小于2米的靠尺进行压平操作。
3)挤塑板施工应自下而上,沿水平方向横向铺粘,每排板错缝1/2板长。
4)在墙角处,挤塑板应垂直交错连接,保证拐角处板材安装的垂直度。
为保证交错连接,并保持阳角垂直,建议在一面贴每层板时,就把阳角与之搭接的另一面的一块板给贴上,并保持交错连接。
5)贴挤塑板应注意以下事项:①操作应迅速,在挤塑板安装就位之前,粘接胶浆不得有结皮。
②挤塑板的接颖应紧密且平齐,仅在挤塑板边需翻包网格布时,才可以在挤塑板的实用文档侧面涂抹粘接胶浆,其它情况下均不得在挤塑板侧面涂抹粘接胶浆或挤入粘接胶浆(包括嵌缝用的XPS板条),以免引起开裂。
③门窗洞口角部的挤塑板,应尽量采用整块裁出洞口,如有拼接,挤塑板必须至少距离门窗洞的角部200mm。
6)粘接挤塑板时,板缝应挤紧,相邻板间应平齐,板缝间不得大于2mm。
局部板缝间隙大于2mm时,板条不得粘接,更不得用粘接剂直接堵缝,板间高差大于1.6mm 的部位应打磨平整。
2、粘贴挤塑板(条粘法)用齿口鳗刀将粘接胶浆垂直方向均匀地涂抹在挤塑板上,条宽10mm,厚度10mm,间距50mm。
二、铺设网格布1、涂抹面层胶浆时,应先检查挤塑板是否干燥,表面是否平整,并去除板面的有害物质、杂质或表面变质部分。
粘贴XPS挤塑板外墙施工方案一、编制依据1、88J2-4墙身—-外墙保温。
2、FEWEISTM外墙外保温系统3、外墙外保温建筑构造图集99ZJ105(一)4、88J2—9墙身—-外墙保温(节能65%)二、施工条件(1)基层墙体经过工程验收达到质量标准,方可进行外墙外保温施工。
(2)基体墙体上的脱模剂、混凝土残渣、灰土等杂物必须清理干净,墙面平整超差部分应剔凿或修补。
(3)伸出墙面的(设备、管道)连接件已安装完毕,并留出外保温施工的余地。
(4)门窗洞口经过验收,洞口尺寸、位置达到设计和质量要求,门窗框或辅框应已立完.(5)建筑物基层在正负风压作用下其层间位移小于1/360.(6)外墙外保温施工的墙体基面的尺寸允许偏差:三、施工流程:基层处理→刷界面剂一遍→配专用粘结砂浆→粘贴挤塑板→挤塑板隐检验收→挤塑板打磨找平、清洁→刷界面剂一遍→钻孔及安装固定钢丝网片→配聚合物砂浆→抹聚合物砂浆→抹聚合物砂浆、验收。
四、主要施工方法:1、基层处理基层为钢筋混凝土墙、砌块墙、砖墙等,对不平整的墙面用1:3水泥砂浆做找平层。
1、配制聚合物粘结砂浆根据本厂生产的聚合物粘结砂浆粉料,按照粉料:水=1:0.25(重量比)的配合比配制粘结砂浆,严格计量,机械搅拌,确保搅拌均匀,拌好的粘结砂浆在静停十分钟后还需二次搅拌才能使用,配好的砂浆应注意防晒避风,一次配制量应控制在可操作时间内用完,一般不应超过2小时,超过可操作时间后不准再度加水(胶)使用。
2、粘贴挤塑板(1)粘贴挤塑板时应将基体墙体上的脱模剂、混凝土残渣、灰土等杂物必须清理干净,充分保证粘结砂浆与基层的侵湿渗透,提高砂浆的粘结强度.(2)粘贴挤塑板时,应将粘贴面采用界面剂处理,以增强挤塑板与墙体的粘结力。
粘结方法采用点框法,是在挤塑板的周边抹80-100MM 宽、10MM厚的粘结砂浆,并在周边留出50MM的排气通道,然后在中间抹直径100MM、10MM厚的粘结砂浆圆饼,其间距为200MM,且粘结砂浆的总铺面积不得少于挤塑板面积的30%。
xps 挤塑板外墙外保温系统施工方案(四) 、施工操作要点:基层处理:彻底清除基层墙体表面浮灰、油污、空鼓及风化物等影响粘结强度的材料。
为了增加挤塑板与基层及面层的粘结力,应在挤塑板表面涂刷专用界面剂,然后再用聚合物砂层。
浆作粘结剂或保护弹控制线:在外门窗洞口及伸缩缝处弹水平、垂直控制线。
外保温系统每层的伸缩缝位置根据建筑立面设计和面砖模数的情况留置。
配制专用粘结剂:(1) 砂浆,应边加砂浆边搅拌,然后用手持式电动搅拌器搅拌5 分钟,直到搅拌均匀,且稠度适中为止。
、将一份净水倒入干净的塑料桶,加入 5 份( 重量比) 干混(2) 、将配置的粘结齐愉置拌2 分钟即可使用,配制好的粘结齐忻在5 分钟,再搅1 小时内用完。
(3) 、专用粘结剂的配制只需加入净水,不得加入其它添加物(剂) 。
安装挤塑板:⑴、标准板尺寸为1200 mmx 600 mm挤塑板用工具刀切割。
(2) 、网格布翻包:门窗洞口、阳角、檐口等处预粘网格布,总宽度为200 mm翻包部分宽度为80 mm具体做法如下:网格布裁剪长度为200 mm首先在翻包部位抹宽度为80 mm,厚度为2 mm的专用粘结剂,然后压入80 mm长的网格布,余下的甩出备用。
(3)剂涂抹在挤塑板的背面,粘结剂压实厚度约为牢固,粘结方法可米取条点法。
、将配制好的专用粘结4 mm, 为保证粘结(4) 从边缘向中间逐渐加厚专用粘结砂浆,最厚处达10mm然后再在挤塑板上,抹3个直径为100 mm厚度为10 mm的和6个直径为80 mm,厚度为10 mm ffl形专用粘结砂浆。
、条点法:用抹子在每块挤塑板周边涂抹宽50 mm,(5) 、将抹好专用粘结剂的挤塑板迅速粘贴在墙上,以防止砂浆表面结皮而失去粘结作用。
不得在挤塑板侧面涂抹专用粘结剂。
塑板与基层墙面的粘结面积应在 30%--50%之间。
板与板之间要挤紧,不得有缝,板缝超出 挤塑板片填塞。
拼缝高差不大于1.5mm,否则应用打磨器打磨平整。
每贴完一块板,应将挤出的专用粘结剂清除。
7、抹底层聚合物砂浆:1) 、聚合物砂浆的配制同专用粘结剂。
(2)、清扫挤塑板面,滚涂界面剂,待晾干至粘手后将配制好的聚合物砂浆均匀的涂抹在挤 为 2mm 8、压入网格布:1) 、网格布应按工作面的长宽要求裁剪,并应留出搭接宽度。
网格布的裁剪应顺经纬向进行。
(2)网格布之 、在门窗等洞口四周网格布翻包,四角均应附加一层网格布加强,整幅网格布应在洞口 。
周边翻包及附加(3) 物砂浆) 、在洞口及网格布翻包部位的挤塑板正面和侧面,均涂抹聚合物砂浆(只允许此处的挤 将预先甩出的网格布沿板厚翻转,并压入聚合物砂浆中。
塑板端边抹聚合(4) 上、下两边将网格布抹平,使其贴紧。
网格布水平搭接宽度不小于 100mm !直方向搭接宽度不小于80 mm,搭接处用聚合物砂浆补充底层砂浆的空缺处,不得使网格布皱褶、空鼓、翘边。
、将整幅网格布沿水平方向绷直绷平,注意将网格布内曲的一面朝里,用抹子由中间向 1.5m m 时,用(7)、挤塑板粘贴应分段自下而上沿水平方向横向铺贴,最小错缝尺寸不得小于200 mmo8) 、在墙体阴阳角处,应先排好尺寸,裁切挤塑扳,使其粘贴时垂直交错连接,保证拐角 处顺直且垂直。
9)、在粘贴窗框四周的阳角和外墙阳角时,应先做出基准线,作为控制阳角上下竖直的依据。
安装固定件:(1) mm 占孔深度约为60 mm 固定件锚入基层墙体的深度约为、固定件在挤塑板粘结 8 小时后开始安装,按设计要求的位置用冲击钻钻孔,孔径 50 mm,以确保牢固可靠。
102) 、固定件个数按图集中固定件布置详图要求设置。
(3) 、固定件加密。
阳角、檐口下、孔洞边缘四周应加密,其间距不大于 小于 60mm300mn 距基层边缘不(4) 、自攻螺丝应用电动螺丝刀拧紧并将工程塑料膨胀钉的钉帽与挤塑板表面齐平或略拧入 钉尾部回拧,使其与基层墙体充分锚固。
一些,确保膨胀打磨:1) 、挤塑板接缝不平处应用粗砂纸打磨, 动作为轻柔的圆周运动, 不要沿着与挤塑板接缝 平行的方向打磨。
2)、打磨后及时将挤塑板碎屑及浮灰用刷子清理干净。
塑板上,厚度约(5)、在墙面施工预留孔洞四周 100 mm 范围内仅抹底层聚合物砂浆并压入网格布,暂不抹面层聚合物砂浆,待大面积施工完毕后修补。
9、抹面层聚合物砂浆:抹完底层聚合物砂浆并压入网格布后,待砂浆凝固至表面不粘手时 (一般宜在底层聚合物砂浆 抹完后第二天)开始抹面层聚合物砂浆,抹面厚度以盖住网格布为准,约 1mm 左右。
使砂浆保护层总厚度约为 2.5 ± 0.5mm 10、饰面层的施工:10. 1 面砖外饰面(1)根据气温和外界环境的不同,在聚合物砂浆施工完毕后 行。
(2) 、面砖(含粘结剂 )重量应小于 35kg/m2。
(3) 、粘结面砖应采用专用瓷砖粘结剂;勾缝应采用具有抗渗性的柔性材料,建议使用专用 瓷砖勾缝剂 (4)、外墙饰面砖粘贴应每一楼层设置水平向伸缩缝,位置可在窗洞口上、下或于楼层对应处,根据建筑立面设计和面砖模数的情况留置。
伸缩缝宽12mm 缝内填塞发泡聚乙烯圆棒,其直径为缝宽的 1.3 倍,外表面填嵌中性耐候硅酮密封膏,深度为缝宽的50%-70% 10.2 涂料外饰面(1) 涂料选用水溶性高弹涂料,若使用底涂和腻子,亦为水溶性弹性底涂和腻子。
(2)待基层墙面达到涂料施工的要求时方可进行涂料施工,施工方法与普通墙面涂料施工 工艺相同。
(五) 、质量检验标准1、主控项目:(1)、挤塑板、网格布的规格和各项技术指标,聚合物砂浆配制原料的质量必须符合欧文斯 关标准的要求。
检验方法:检查出厂合格证。
(2)、挤塑板必须与墙面粘贴牢固,无松动和虚粘现象。
A 、检验数量:按楼层每 20米长抽查一处,每处延长 3米,每层不少于3处。
B 、检查方法:观察和用手推拉检查。
(3)、聚合物砂浆与挤塑扳必须粘结紧密,无脱层、空鼓。
面层无爆灰和裂缝。
A 、检验数量:同(2) A 检查方法:用小锤轻击和观察检查。
、面砖饰面层,应8-14 天后方可进科宁标准图集及有2、一般项目:(1) 、每块挤塑板与基层面的总粘结面积为30— 50%。
检查数量:按楼层每 20 米长检查一处,但不少于 3处,每处检查不少于 2 块。
(2 ) 抹专用粘结剂及抹聚合物砂浆前检查界面剂是否已刷过。
(5) 、网格布应横向铺设,压贴密实、不能有空鼓、皱褶、翘边、外露等现象,搭接宽度左 右不小于 100 mm, 上下搭接宽度不小于 80 mm检查数量:按楼层每 20 米长抽查一处,但不少于 3处,每层检查不少于 2 块。
检查方法:观察及尺量检查。
(6)、聚合物砂浆面层厚度约为4 mm检查数量:按楼层每 20 米长抽查一处,但不少于 3处,每处检查不少于 2 块。
检查方法:尺量检查。
注:检验应在聚合物砂浆凝结前进行。
小窝”牌膨胀聚苯板、挤塑板外墙外保温系统简介及施工组织设计方案 ( 涂料做法 )&抹抗裂聚合物砂浆 (砂浆的配制可采用以下任何一种材料及配比方案 ) : (1)、抗裂砂浆的配制采用抗裂防水面层剂:(按照水泥:砂子=1: 2 重量比配检查数量:按楼层每 20 米长检查一处,但不少于 点。
检查方法:观察并触摸检查是否有粘手感。
(3)检查数量:按楼层每 20 米长抽查一处,但不少于 检查方法:退出自攻螺丝观察检查。
(4)、挤塑板碰头缝不抹粘结剂。
检查数量:按楼层每 20 米长抽查一处,但不少于 检查方法:观察检查。
3 处,每处检查不少于 2 块,且不少于 8、固定件胀塞部分进入结构墙体不小于 50 mm,3 处,每处不少于4 套。
3 处,每处检查不少于 2 块。
成的面层粉)=1:4-5 的比例均匀搅拌;静止5分钟视其和易性、粘稠度适中即可施工。
(2)、采用本厂成品砂浆粉料,按照粉料:水=1:0.23~0.25 (重量比)的配合比配制抗裂砂浆(粉料一般按照工厂配制成的胶粉料与砂子按照1: 2 重量比的比例配制均匀后使用,只有特殊应急时才在工厂配制成成品粉料使用,以防受潮,影响产品的质量),严格计量,机械搅拌,搅拌时间不低于8 分钟,确保搅拌均匀,拌好的抗裂砂浆在静停十分钟后还需二次搅拌才能使用,二次搅拌时间不低于5 分钟,配好的砂浆应注意防晒避风,一次配制量应控制在可操作时间内用完,一般不应超过 2 小时,超过可操作时间不准再度加水(胶)使用(2 聚苯板(挤塑板)粘贴完毕后,经检查验收合格后,方可进行抗裂聚合物砂浆施工抗裂聚合物砂浆抹灰分底层和面层,底层厚度为2-3mm 且厚度均匀。
3)按层高、窗台高和过梁高将玻璃纤维网格面布在施工前裁好备用,待底层抗裂聚合物砂浆未干前,立即将玻璃纤维网格布用铁抹子压入抗裂聚合物砂浆内,要求面层要揉出浆来,且要平整压实,严禁玻璃纤维网格布起皱,单张网格布长度不宜大于6m铺贴搭接时,必须满足横向100mn纵向80mm勺搭接长度要求,门窗洞口四角处应设附加网格布片,其规格为200X 400.(4)待底层抗裂聚合物砂浆稍晾后在其表面再抹一层抗裂聚合物砂浆,其厚度为1-2mm 仅以网格布均被覆盖,微风网格布轮廓为易,其抗裂聚合物砂浆总厚度控制在3-5mm内,面层砂浆切忌不停搓揉,以免形成空鼓。
砂浆抹灰施工间歇应在自然断开处,方便后续施工的搭接。
为在连续墙面上间歇施工,面层砂浆不应全部覆盖已铺好的网格布,应与网格布底层砂浆呈台阶形留茬间距不小于150mm以免网格布搭接处平整度超出偏差。
(5)在距窗框边应留出10mn tt 以备打胶用7、加强层做法根据某工程设计要求,考虑首层的抗冲击要求,在标准外保温做法的基础上,加铺一层网格布,并再抹一层抗裂聚合物砂浆罩面,以提高保温层的抗冲击强度,以满足设计要求的抗冲击强度为原则。
加强部位抗裂聚合物砂浆总厚度控制在5〜7mn并在同一墙面上,加强层与标准层相接部位应留伸缩缝。
六、质量标准1 、聚苯板质量标准(1)板的规格、尺寸、形状应与设计相符,棱角处不应有破损现象。
(2)聚苯板(挤塑板)应有出厂合格证及相应的检测报告(3) 聚苯板容重应控制在18Kg/m3〜20Kg/m3范围内(挤塑板质量应符合相关标准要求), 导热系数等其他指标应符合有关标准。
(4) 门窗洞口处聚苯板锯齿形缝隙用聚苯板片(1000X100X 10mm进行填补,严禁漏补。
(5) 聚苯板(挤塑板)粘贴完毕后要进行隐检。
隐检内容包括拼缝宽度、表面平整度、垂直度、接缝高差、锚固件等。
隐检合格后,方可进行下道工序。
聚苯板(挤塑板)安装质量标准详见聚苯板安装的允许偏差及检验方法。
2、网格布质量标准22(1) 外墙网格布采用高强耐碱型,比重》160g/ m2±15g/ m2(2) 网孔中心距为4-6mm长度95〜100m宽度1m.(3) 压入的网格布要平整压实,严禁网格布起皱、起鼓。