基础工程课程设计第四版
- 格式:doc
- 大小:232.00 KB
- 文档页数:10
基础工程第四版课程设计1. 前言基础工程是土木工程中最核心的学科之一。
其目的是通过对土体结构、力学性质和设计原理的研究,确保土体工程的稳定和可持续性。
基础工程第四版课程设计旨在探讨现代基础工程的最新发展,包括新材料、新方法和新技术等,以应对当今的城市化挑战。
本次课程设计基于中南大学土木工程学院基础工程委员会的基础工程第四版课程设计方案,并根据实际情况进行了适当修改。
2. 课程目标通过本课程设计,学生应该能够:•熟悉基础工程的基本原理和应用方法;•掌握常见的基础工程设计规程和标准;•熟练掌握主流的基础工程设计软件和工具;•能够进行实际的基础工程设计和工程方案评估。
3. 课程安排课程总计12周,包括以下部分:Week 1-2: 基础原理在第1-2周,我们将回顾基础工程的基本原理和应用方法,讨论土体结构、力学性质和设计原理等内容,为后续的课程设计做好铺垫。
Week 3-4: 基础设计规程在第3-4周,我们将介绍常见的基础工程设计规程和标准,包括《建筑基础设计规范》GB50007、《钢筋混凝土结构设计规范》GB50010、《地基基本设计规范》JGJ94等,帮助学生了解规范和标准在工程设计中的应用。
Week 5-6: 基础设计软件在第5-6周,我们将介绍主流的基础工程设计软件和工具,包括PLAXIS、AUTOPILOT、FLAC3D等,帮助学生学会使用这些软件进行基础工程分析和设计。
Week 7-8: 实际基础设计在第7-8周,我们将对学生进行实际的基础工程设计和工程方案评估。
学生需要按照指定的项目进行设计,并在规定时间内完成方案的评估和汇报。
Week 9-10: 基础加固工程在第9-10周,我们将介绍基础加固工程的设计原理和方法,包括基础加固、土钉加固、锚杆加固等,帮助学生了解加固技术在工程中的应用。
Week 11-12: 基础施工技术在第11-12周,我们将介绍基础施工技术和质量控制方法,包括混凝土浇筑、土石方开挖、基础沉降控制等,帮助学生学会如何进行实际的基础工程施工。
《基础工程课程设计》教学大纲(Course Design of Foundation Engineering )总学时数:1周学分数:1适用专业:土木工程(本科)一、课程设计的性质、目的和任务基础工程课程设计是学生在完成《地基与基础》课程学习后,所必须进行的重要实践性教学环节。
通过本次设计,培养学生综合运用基础设计理论和知识的能力,并具有独立分析及解决一般基础设计问题的能力,达到对学生综合能力培养目标的要求。
二、课程设计的基本要求基础工程课程设计必须强调理论与实践相结合,尽可能地联系工程实际。
其教学基本要求如下:(1)学生在教师的指导下,独立按时完成基础工程课程设计任务书所规定的全部内容和工作量。
(2)学生应完成满足工程设计要求的图件,其中施工图应布图合理、尺寸齐全、注文工整和线条清晰,符合国家制图标准及有关设计规范要求,并能正确表达设计意图。
(3)课程设计计算书一般不应少于1万字,要求计算正确、文理通顺、书写工整、装订整齐。
(4)通过课程设计要求能进一步训练和提高学生的理论分析、工程设计、工程制图的能力。
(5)通过课程设计要求使学生对基础工程的设计内容和过程有较全面的了解和掌握,使学生能熟悉有关基础工程方面的设计规范、规程、手册和工具书。
(6)通过课程设计要求能进一步培养学生严谨、勤奋、求实和创新的学风,增强学生的事业心和责任感。
三、课程设计各教学环节要求(1)选题应符合《地基与基础》课程培养目标和教学要求,同时也要面向经济建设,结合实际科研任务。
(2)课程任务书应包括设计题目、工程地点和规模、设计内容和要求以及工程技术条件等。
(3)课程指导书应包括拟定工程的方案、选型、布置、计算原则、绘图方法、进度安排及参考文献。
(4)成绩评定采用五级制。
四、课程设计与其它课程的联系先修课程:土力学,地基与基础,混凝土结构基本原理,工程制图五、教学参考书1.华南理工大学、浙江大学、湖南大学编.基础工程.中国建筑工业出版社,2003.2.王成华主编.基础工程学.天津:天津大学出版社,2002。
基础工程课程设计指导书《基础工程》课程设计指导书一、基础工程课程设计的目的和意义基础工程是土木工程专业的学科基础课,在土木工程学科的知识体系中占据了重要地位。
基础工程课程的特点在于它以较多的力学课程为基础,以土层中的复杂的基础结构为研究对象,又涉及到建筑、交通、水电等多个领域,这就决定了课程具有内容杂、概念多和理论较深的特点。
课程设计其主要目标是在学时有限的条件下,使学生能够对课程的知识体系有较为系统和整体的把握,重点掌握其基本理论和基本方法,并具有一定的工程概念和知识。
课程设计对理解和掌握工程基本原理具有十分重要的作用,也是同学们由理论学习通往工程实践的一座桥梁。
基础工程的知识来源于工程实践,反过来又对工程实践具有指导作用。
同学们在本科学习期间参与工程实践的机会是十分有限的,因而应该重视课程设计带给同学们的动手机会,通过课程设计更好地理解和巩固学习到的各种理论和方法,有意识地培养自己的工程意识和解决实际工程问题的能力。
二、基础工程课程设计的基本要求通过本次课程设计,要求同学了解地基基础设计的全过程,掌握一种常用的基础结构和地基的设计计算方法及设计能力。
基础设计的目的是根据上部结构的使用功能和结构形式在确定的场地条件下选择适宜的地基基础方案并确定其技术细节,使设计的地基基础在预定的使用期限内和规定的使用条件下能够安全正常地工作,在此基础上满足降低造价和保护环境的要求。
基础设计的总体目标可以概括为:安全适用、技术先进、经济合理、确保质量和保护环境。
基础工程设计的任务通常包含:1.方案设计:目的是确定地基基础的技术方案,包括地基持力层的选取和基础结构形式的确定。
2.技术设计:包括地基检算和基础结构设计两者。
其任务是通过力学计算和结构措施两方面的手段来保证所设计的地基基础满足设计总体目标的要求。
同学们在做课程设计时应充分发挥主动性,按时完成所要求的设计任务,实现基础工程设计的基本训练,为此要求:1.计算书必须字迹端正,书面整洁,条理清楚,便于查询校核。
《基础工程课程设计》课程简介课程编号:04304805课程名称:基础工程/ Foundation Engineering学分:1学时:1周(上机6时)适用专业:土木工程专业房屋建筑工程方向、道桥方向建议修读学期:5开课单位:建筑工程学院土木工程系先修课程:理论力学、材料力学、土力学、结构力学、混凝土结构设计原理考核方式与成绩评定标准:考核方式:考查成绩评定标准:根据提交的设计成果质量,按五级制评定方法进行评定教材与主要参考书目:参考书目:1.莫海虹,基础工程,中国建筑工业出版社,2014,第三版2. 建筑地基基础设计规范(GBJ50007-2012), 中华人民共和国住房和城乡建设部编,中国建筑工业出版社20113.公路桥涵地基基础设计规范((JTG D63-2007),中华人民共和国住房和城乡建设部编,人民交通出版社20174. 建筑桩基技术规范(JGJ94-2008)中华人民共和国住房和城乡建设部编中国建筑工业出版社20085. 赵明华,土力学基础工程,武汉理工大学出版社,2014,第4版6.建筑地基处理技术规范(JGF79-2012),中华人民共和国住房和城乡建设部编, 中国建筑工业出版社20137.郭继武,地基基础设计简明手册,机械工业出版社,20088.陈小川,土木工程专业土力学与地基基础课程设计指南,中国水利水电出版社, 2009内容概述:本课程设计内容包括:根据上部建(构)筑物及结构的特点,考虑地质条件的土层分布及各土层的物理力学参数,选用合适的基础材料和结构类型,对基础底面积、地基承载力、基础断面等相关的各项内容进行力学验算和设计,最后绘制相关设计图纸。
通过设计训练,使学生结合教材对所学的基础工程知识进行综合性运用,能够根据地基条件选用合适的基础材料和基础类型,能够进行基础工程的各项设计和计算,并绘制图纸,从而达到巩固学习内容和检验学习效果的目的,并为今后工作中的熟练应用打下坚实的基础。
基础工程课程设计一、教学目标本节课的教学目标是让学生掌握基础工程的基本概念、设计和施工方法。
具体来说,知识目标包括了解基础工程的基本概念、设计和施工方法;技能目标包括能够运用基础工程的知识解决实际问题;情感态度价值观目标包括培养学生对基础工程学科的兴趣和热情。
二、教学内容本节课的教学内容主要包括基础工程的基本概念、设计和施工方法。
具体来说,我们将讲解基础工程的定义、分类和功能,以及基础工程的设计原则和施工方法。
此外,我们还将通过案例分析,让学生了解基础工程在实际工程中的应用。
三、教学方法为了激发学生的学习兴趣和主动性,我们将采用多种教学方法。
包括讲授法、案例分析法和实验法。
在讲授法中,我们将通过生动的讲解和实例,让学生了解基础工程的基本概念和设计原则。
在案例分析法中,我们将引导学生分析实际工程中的基础工程问题,培养学生的解决问题的能力。
在实验法中,我们将学生进行基础工程的实验,让学生亲身体验基础工程的施工方法。
四、教学资源为了支持教学内容和教学方法的实施,我们将选择和准备适当的教学资源。
教材将是主要的教学资源,我们将选用权威的基础工程教材,确保学生能够获得准确的知识。
此外,我们还将准备相关的参考书籍、多媒体资料和实验设备,以丰富学生的学习体验。
五、教学评估本节课的教学评估将采用多元化的评估方式,以全面客观地评价学生的学习成果。
评估方式包括平时表现、作业和考试。
平时表现将根据学生在课堂上的参与度、提问和回答问题的表现进行评估。
作业将根据学生的完成质量和创新性进行评估。
考试将采用选择题和问答题的形式,测试学生对基础工程的基本概念、设计和施工方法的理解和应用能力。
六、教学安排本节课的教学安排将紧凑合理,确保在有限的时间内完成教学任务。
教学进度将按照教材的章节进行安排,每个章节安排相应的教学时间。
教学时间将根据学生的实际情况和需要进行调整,以确保教学内容能够适应学生的学习节奏和兴趣爱好。
教学地点将选择适合教学的环境,如教室或实验室,以便学生能够更好地进行学习和实践。
《基础工程》课程设计Design of Foundation Engineering设计题目:柱下钢筋混凝土桩基础适用专业:土木工程一、课程设计基本要求1、课程设计目的利用所学基础工程课程的理论知识,能够独立完成一个较完整的基础设计与计算过程,从而加深对所学理论的理解与应用。
2、课程设计建议在复习本学期课程理论知识后,收集并阅读相关设计规范和参考书后进行本课程设计任务。
二、课程设计设计资料1、工程设计概况某城市新区拟建一栋15层框架结构的办公楼,其场地位于临街地块居中部位,无其它邻近建筑物,地层层位稳定,场地地质剖面及桩基计算指标见工程地质资料。
试设计柱下独立承台桩基础。
(1)地基基础设计等级为乙级;(3)柱的截面尺寸为:450mm×600mm;(4)承台底面埋深:d=2.0m(也可自行按规范要求选定);(5)根据地质资料以及上部荷载情况,自行选择桩型、桩径和桩长;(6)桩基沉降量容许值:[s]= 200mm或查相关规范确定;(7)桩的类型:预制桩或者灌注桩(自行斟酌设定);(8)沉桩方式:静压或者打入(自行斟酌设定)。
(9)方案要求尽量先选择以粉质粘土为持力层,若不满足要求,再行选择卵石或岩石层作为持力层,并作简要对比说明。
2、荷载情况已知上部框架结构由柱子传至承台顶面的荷载效应标准组合:轴力F=(8300-10n)kN,弯矩M x=(80+2n)kN·m,M y=(750-n)kN。
(其中,M x、M y分别为沿柱截面短边和长边方向作用;n为学生学号最后两位数)。
3、工程地质资料建筑场地土层按其成因、土性特征和物理力学性质的不同,自上而下划分为5层,地质剖面与桩基计算指标见表1,勘察期间测得地下水水位埋深为2.2m。
地下水水质分析结果表明,本场地地下水无腐蚀性。
三、设计内容及要求(1)确定单桩竖向承载力特征值;(2)确定桩数,桩的平面布置,承台平面尺寸,单桩承载力验算;(3)若必要,进行软弱下卧层承载力验算;(4)桩基沉降验算;(5)桩身结构设计及验算;(6)承台结构设计及验算;(7)桩及承台施工图设计:包括桩平面布置图、桩身配筋图、承台配筋图、节点详图、钢筋图、钢筋表和必要的施工说明;表1 地质剖面与桩基计算指标四、设计成果及提交(1)计算说明书:计算说明书一律用A4幅面;装订顺序:封面(须注明:《基础工程》课程设计,专业班级,学号,姓名,日期),目录、设计任务书,计算说明书;(2)桩基础施工图:建议图纸采用A3幅面,表达要清楚,施工图(图纸折叠成A4大小)。
钻孔灌注桩方案课程设计的内容和步骤1)阅读工程资料,收集课程设计相关书籍;2)选择桩基础的类型、截面尺寸和桩长,初步选择承台埋深;3)确定单桩承载力;4)确定桩的根数,间距以及平面上的布置;5)桩基承载力(与变形验算);6)桩基中各桩受力与结构设计,包括各桩桩顶荷载分析,内力分析,桩身结构构造等;7)桩承台设计,包含承台抗弯,抗剪,抗冲切以及满足构造要求等;8)绘制施工图,包含桩基础布置图和桩基础桩身配筋大样图、承台大样图。
一、课程设计的要求按《建筑地基基础设计规范》(GB5007-2002)和《建筑桩基技术规范》(JGJ94-2008), 《公路桥涵地基与基础设计规范》(JTG D63-2007)的条文要求进行预制桩和灌注桩两种桩型进行设计计算。
计算书要求步骤清晰,内容完整,字迹工整,施工图绘制符合要求,图面布置合理,整洁,要求A2图纸。
工程概况某框架结构拟采用柱下桩基础型式。
柱网布置图如图1所示。
其中Z1柱截面尺寸为400mm×600mm,柱荷载设计值为:F k=2800kN,M k=140kN·m,H k=120kN(正常使用极限状态下荷载效应的标准组合值)。
Z2柱截面尺寸为500mm×500mm,柱荷载设计值为:F k=3500kN,M k=200kN·m,H k=120kN(正常使用极限状态下荷载效应的标准组合值)。
试按照乙级桩基设计桩基础。
场地工程地质勘察查明地基土层分布如下:表层为填土,松散,厚度为1.5m;第二层为粗砂,厚度4m;第三层为深厚可塑态粉质粘土,厚度10m;第四层为全风化板岩,厚度2m;第五层为强风化板岩,厚度3m;第六层为中风化板岩,未钻穿地下水位位于地面下2m,各层地基土的物理力学性质试验结果如附表2所示。
图一柱网布置图参考文献:《建筑地基基础设计规范》(GB5007-2002)《建筑桩基技术规范》(JGJ94-2008)《公路桥涵地基与基础设计规范》(JTG D63-2007)《基础工程(高等教育出版社)》。
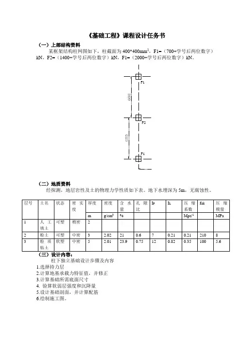
《基础工程》课程设计任务书(一)上部结构资料某框架结构柱网图如下,柱截面为400*400mm2,F1=(700+学号后两位数字)kN,F2=(1400+学号后两位数字)kN,F1=(2000+学号后两位数字)kN。
F2F3F2F3(二)地质资料经探测,地层岩性及土的物理力学性质如下表。
地下水埋深为5m,无腐蚀性。
柱下独立基础设计步骤及内容1.选择持力层2.计算地基承载力特征值,并修正3.计算基础所需底面尺寸4. 验算软弱层强度和沉降量5.设计基础剖面,并计算配筋6.绘制施工图。
基础工程课程设计《基础工程》课程设计任务书(一)上部结构资料某框架结构柱网图如下,柱截面为400*400mm2,F1=(700+学号后两位数字)kN,F2=(1400+学号后两位数字)kN,F3=(2000+学号后两位数字)kN。
(二)地质资料经探测,地层岩性及土的物理力学性质如下表。
地下水埋深为5m,无腐蚀性。
(三)设计内容:设计两种方案方案一:钢筋混凝土柱下独立基础;方案二:柱下条形基础或桩基础柱下独立基础设计步骤及内容1.选择持力层2.计算地基承载力特征值,并修正3.计算基础所需底面尺寸4. 验算软弱层强度和沉降量5.设计基础剖面,并计算配筋6.绘制施工图。
柱下条形基础设计步骤及内容 1.选择持力层2.计算地基承载力特征值,并修正3.确定基础底面尺寸和剖面尺寸(软弱层强度验算及沉降量验算可不做)4.计算基础内力(倒梁法或静定分析法或文克勒地基法)5.计算配筋6.绘制施工图。
桩基础设计步骤及内容1.选择桩的类型(预制桩)及截面尺寸(方桩400*400mm 2)2.选择桩端持力层,承台埋深,从而计算单桩竖向承载力3.确定桩数、间距及平面布置4.桩身结构设计(省)5.承台设计6.绘制施工图柱下独立基础1. 持力层的选择地基持力层选在第2层,粉土上。
取基础埋深2.0m2. 计算地基承载力特征值,并修正按规范承载力确定,由表可知,标准贯数为12,由《基础工程》表2—4得,对于粉砂,fak(N=10)=140Kpa, fak(N=15)=180Kpa,由内插法得:fak(N=12)=(180-140)×(12-10)/(15-10)+140=156kpa由于d=2m>0.5m,则进行修正,由表2—5得,b η=0.5 、d η=2.0 , 承载力计算公式:)5.0()3(-+-+=d b f f m d b ak a γηγη (1) 深度修正 )5.0()3(-+-+=d b f f m d b ak a γηγη=156+2.0*20.2*(2.0−0.5)=216.6kpab 为基础底面宽度当小于3m 时按3m 取值;3. 确定基础尺寸(1)对于A1、A4、C1、C4四个柱子基础为第一类 1.基础取方形,边长为b1 b1hWrW d rG fa Fk **1+-≥=0.2*2.206.21674.0*725-=1.74m则取b=2.0m<3.0m ,所以不需要进行承载力修正 2. 承载力验算K F =Fk+Gk=725⨯0.74+2.0×2.0×2.0×20.2=696.8KNK P =AF K=696.8/4=174.2KPa<fa=216.6KP 满足要求; 3. 软卧层强度验算由Es1/Es2=8/5.6=1.5,z/b=3/2=1.5>0.50查表2—7得,运用内插法得:θ=21.5,则tan θ=0.394 (1) 下卧层顶面处的附加应力:δz=)tan 2)(tan 2()(θθδz b z l cd pk lb ++-=)394.0322()394.0320.2()0.22.202.174(0.20.2⨯⨯+⋅⨯⨯+⨯-⨯⨯=28.1kpa(2) 下卧层顶面处的自重应力:δcz=5×20.2=101kpa (3) 下卧层承载力特征值:由表2—4得,fak=-40×1/5×(10-6.6)+140=112.8kpa 由于d=5.0>0.5m, d η=2.0则faz=112.8+20.2×(5-0.5)×2.0=294.6kpa则δz+δcz=28.1+101=129.6kpa<294.6kpa=faz,满足软卧层强度要求 (2)对于A2、A3、C2、C3、B1、B4六个柱子基础为第二类 1.基础取方形,边长为b2 B2hWrW d rG fa Fk **2+-≥=0.2*2.206.21674.0*1425-=2.44m则取b=2.44m<3.0m ,所以不需要进行承载力修正 2. 承载力验算竖向力 K F =Fk+Gk=1425+2.0×2.5×2.5×20.2=1307KNK P =AF K=1307/(2.5×2.5)=208.72KPa<fa=216.6KPa 满足要求; 3. 软卧层强度验算由Es1/Es2=8/5.6=1.5,z/b=3/2.5=1.2>0.5查表2—7得,运用内插法得:θ=21.5,则tan θ=0.394 (1) 下卧层顶面处的附加应力:δz=)tan 2)(tan 2()(θθδz b z l cd pk lb ++-=)394.0325.2()394.0325.2()5.22.207.208(5.25.2⨯⨯+⋅⨯⨯+⨯-⨯⨯=41.8kpa(2) 下卧层顶面处的自重应力:δcz=5×20.2=101kpa (3) 下卧层承载力特征值:由表2—4得,fak=-40×1/5×(10-6.6)+140=112.8kpa 由于d=5.0>0.5m, d η=2.0则faz=112.8+20.2×(5-0.5)×2.0=294.6kpa则δz+δcz=41.8+101=142.8kpa<294.6kpa=faz,满足软卧层强度要求(3)对于B2、B3二个柱子基础为第三类 1.基础取方形,边长为b3 b1hWrW d rG fa Fk **3+-≥=0.2*2.206.21674.0*2025-=2.91m则取b=3.0m=3.0m ,所以不需要进行承载力修正 2. 承载力验算竖向力 K F =Fk+Gk=2025⨯0.74+2.0×3.0×3.0×20.2=1858.5KNK P =AF K=1858.5/9=206.5KPa<fa=216.6KPa 满足要求; 3. 软卧层强度验算由Es1/Es2=8/5.6=1.5,z/b=3/2=1.5>0.50查表2—7得,运用内插法得:θ=21.5,则tan θ=0.394 (1) 下卧层顶面处的附加应力:δz=)tan 2)(tan 2()(θθδz b z l cd pk lb ++-=)394.0320.3()394.0320.3()0.32.205.206(0.30.3⨯⨯+⋅⨯⨯+⨯-⨯⨯=45.6kpa(2) 下卧层顶面处的自重应力:δcz=5×20.2=101kpa (3) 下卧层承载力特征值:由表2—4得,fak=-40×1/5×(10-6.6)+140=112.8kpa 由于d=5.0>0.5m, d η=2.0则faz=112.8+20.2×(5-0.5)×2.0=294.6kpa则δz+δcz=45.6+101=146.6kpa<294.6kpa=faz,满足软卧层强度要求 4.沉降验算0462.088.00.284.01E -120211=⨯⨯-==r b ωμδ,0370.088.05.284.01E -120222=⨯⨯-==r b ωμδ0308.088.00.384.01E -120233=⨯⨯-==r b ωμδ,0056.088.0684.01E -1202=⨯⨯-==r kj r ωμδmm F F S 3.490056.0142527250462.0221111=⨯⨯+⨯=⨯∙+∙=δδmm F F F S 2.720056.020257252(14250370.02312222=⨯+⨯+⨯=∙+⨯∙+∙=)δδδ mm F F F F S 1.760056.014252025725(14250370.02312222=⨯+++⨯=∙+∙+⨯∙+∙=')δδδδmm F F F S 7.970056.020*******(20250308.03323333=⨯+⨯+⨯=∙+⨯∙+∙=)δδδ则mm mm S S 1223-1212>==∆,mm mm S S 1227-1212>='='∆,mm mm S S 1225-2323>==∆,则基础均需要进行调整。
基础工程课程设计一、课程目标知识目标:1. 让学生理解基础工程的基本概念,掌握其分类和功能。
2. 使学生掌握基础工程的施工方法,了解各种施工工艺的优缺点。
3. 帮助学生了解基础工程在土木工程中的重要性,认识到基础工程对整个工程质量的影响。
技能目标:1. 培养学生运用基础工程知识解决实际问题的能力。
2. 提高学生分析基础工程案例的能力,学会从多角度评价工程方案的合理性。
3. 培养学生团队合作能力,通过小组讨论、汇报等形式,提高沟通与表达能力。
情感态度价值观目标:1. 培养学生热爱工程专业,增强对基础工程学科的兴趣。
2. 培养学生具备良好的职业道德,强调工程质量和安全意识。
3. 增强学生的环保意识,使其在工程实践中注重环境保护。
课程性质:本课程为基础工程学科的入门课程,旨在让学生了解基础工程的基本概念、分类、功能及施工方法,培养学生解决实际问题的能力。
学生特点:学生为初中年级,具备一定的物理和数学知识,对工程学科有一定的好奇心,但缺乏实际操作经验。
教学要求:注重理论与实践相结合,通过案例分析和课堂讨论,提高学生的实际操作能力和解决问题的能力。
同时,注重培养学生的职业道德和环保意识,使他们在未来的工程实践中能够为我国的基础工程建设做出贡献。
在教学过程中,将目标分解为具体的学习成果,以便进行后续的教学设计和评估。
二、教学内容1. 基础工程概念与分类:讲解基础工程的基本概念、功能及分类,包括浅基础、深基础、桩基础等。
教材章节:第一章 基础工程概述2. 基础工程施工方法:介绍基础工程的常用施工方法,如挖掘、浇筑、打桩等,分析各种施工方法的优缺点。
教材章节:第二章 基础工程施工技术3. 基础工程案例分析:分析典型的基础工程案例,使学生了解基础工程在实际工程中的应用。
教材章节:第三章 基础工程案例解析4. 基础工程质量管理:讲解基础工程质量控制措施,培养学生的工程质量意识。
教材章节:第四章 基础工程质量控制5. 基础工程环境保护:介绍基础工程中的环保措施,提高学生的环保意识。
《基础工程》(第四版、王晓谋主编)一、名词解释第一章1.地基:承担建筑物荷载的地层。
2.基础:介于上部结构与地基之间的部分,即建筑物最底下的一部分。
3.天然地基:自然状态下即可满足承担基础全部荷载要求,不需要人工处理的地基4.人工地基:天然地基的承载力不能承受基础传递的全部荷载,需经人工处理后作为地基的土体称为人工地基5.浅基础:基础埋深小于5m,在设计计算中可忽略基础侧面土体的摩阻力和侧向抗力的基础6.深基础:基础埋深大于5m,在设计计算中不能忽略基础侧面土体的摩阻力和侧向抗力的基础7.最不利荷载组合:参与组合起来的荷载,能产生相应的最大力学效能第二章1.刚性基础:不需配置受力钢筋的基础2.柔性基础:用钢筋砼修建的基础3.刚性角;刚性基础的宽度大小应能使所产生的基础截面弯曲,拉应力和剪应力不超过基础材料的强度极值,从而得到墩台边缘处的垂线与基底边缘的连线间的最大夹角。
4.刚性扩大基础;也叫无筋扩展基础,由砖,毛石,混凝土,灰土和三合土等材料组成的墙下条基或柱下独立基础5.地基容许承载力:指地基稳定有足够安全度的承载能力,它由地基极限承载力除以一个安全系数所得6.持力层:直接支承基础的土层。
其下的土层为下卧层。
7.下卧层:持力层地基承受的荷载是随着土体深度的加深而慢慢减小,到一定深度后土体承受的荷载就可以忽略不计了,这时我们就把这一层往下的土体叫做下卧层8.软弱下下卧层:地基由多层土组成时,持力层以下存在容许承载力小于持力层容许承载力的土层时,这样的土层叫做软弱下卧层9.桩的横向承载力:桩在与桩横轴线垂直方向受力时的承载力。
第三章1.高桩承台基础;承台在地面或冲刷线以上的基础2.低桩承台基础;承台在地面或冲刷线以下的基础3.基桩;就是指群桩基础中的单桩4.灌注桩;在现场地基中钻挖桩孔,然后在孔内放入钢筋骨架,再灌注桩身混凝土而成的桩5.端承桩;桩顶极限荷载绝大部分由桩端阻力承担,桩侧阻力可忽略不计的桩6.摩擦桩;桩顶极限荷载绝大部分都由桩侧阻力承担,桩端阻力可以忽略的桩7.柱桩;也称为端承桩8.单桩承载能力;单桩在荷载作用下,地基土和桩本身的强度和稳定性均能得到保证,变形也在容许范围内,以保证结构物的正常使用所能承受的最大荷载9.深度效应;桩的承载力(主要是桩端承载力)随着入土深度,特别是进入持力层的深度而变化,这种特性称之为深度效应10.单桩轴向承载能力:指单桩在外荷载作用下,不丧失稳定,不产生过大变形所能承受的最大荷载11.负摩阻力;当桩身穿越软弱土层支承在坚硬土层上,当软弱土层因某种原因发生地面沉降时,桩周围土体相对桩身产生向下位移,这样使桩身承受向下作用的摩擦力12.中性点:在ln深度处桩周土与桩截面沉降相等,两者无相对位移发生,其摩阻力为零,正、负摩阻力交换处为零的点即为中性点。
《基础工程》课程设计设计说明书一、设计资料1、地质及水文(1)河床土质:从地面(河床)至标高32.5m为软塑粘土,以下为密实粗砂,深度达30米。
(2)水文:地面(河床)标高为40.5m,一般冲刷线标高为38.5m,最大冲刷线为35.2m,常水位42.5m。
2、土质指标表1 土质指标规范规定:钻(挖)孔灌注的摩擦桩中心距不得小于2.5倍成孔直径,所以取:承台尺寸:7.0m×5.0m×2.0m。
(1)拟定采用四根桩,设计直径为1.0m。
(2)桩身及承台混凝土用20号,其受压弹性模量E h =2.6×104Mpa。
(3)平面布置图如下图1所示:图1 平面布置图4、荷载情况(1)上部为等跨25m的预应力梁桥,混凝土桥墩,承台顶面上纵桥向荷载为:恒载及一孔活载时:∑N=6103.4KN∑H=310.25KN(制动力及风力)∑M=4123.6KN(竖直力偏心、制动力、风力等引起的弯矩)恒载及二孔活载时∑N=6503.24KN(2)桩(直径 1.0m )自重每延米为 78.11154)0.1(2=⨯⨯=πq KN/m (已扣除浮力)(3) 故,作用在承台底面中心的荷载力为:∑N=6103.4+(7.0×5.0×2.0×25)=7853.4 KN∑H=310.25KN∑M=4123.6+310.25×2.0=4744.1KN •M恒载及二孔活载时:∑N=6503.24+(7.0×5.0×2.0×25)=8253.24KN (4)则拟定桩基础采用冲抓钻孔灌注桩基础,为摩擦桩。
二、 单桩容许承载力的确定根据《公路桥涵地基与基础设计规范》中确定单桩容许承载力的经验公式初步反算桩的长度,设该桩埋入最大冲刷线以下深度为h ,一般冲刷线以下深度为h 3,则:N h =[P]=21U ∑i i l τ +λm 0 A{[σ0]+K 2γ2(h 3-3)}当两跨活载时:N h =424.8253 + (38.5-35.2) ×11.78 +21×11.78h (kN) =2102.18 + 5.89h (kN)计算[P]时取以下数据:桩的设计桩径为1.0m ,冲抓锥成孔直径为1.15m ,U=π×1.15=3.61m ,A=π×1.02/4=0.785㎡ , λ=0.70 , m 0=0.8 , K 2=6.0 ,[σ0]=550kpaΥ2=7.2812)]5.322.35([12)5.325.40(-+⨯--+⨯-h h=hh++3.5126.63 (kN/㎡) (已扣除浮力)τ1=30kpa , τ2=110kpa[P]=21×3.61×[2.7×30 + (h-2.7)×110] + 0.7×0.8×0.785×{550 + 6.0×hh++3.5126.63(h+3.3-3)} = N h = 2102.18 + 5.89h所以,则解一元二次方程得:h=9.99m现取 h=10m ,桩底标高为25.20m ,桩的轴向承载力符合要求。
《基础工程》课程设计一、课程目标知识目标:1. 学生能够理解基础工程的基本概念,掌握其重要性和应用范围。
2. 学生能够掌握基础的工程材料和结构设计原理,并能够应用于解决实际问题。
3. 学生能够了解基础的施工工艺和工程管理方法,理解工程实施的流程和规范。
技能目标:1. 学生能够运用基础工程的知识,进行简单的工程设计和计算。
2. 学生能够通过实际案例分析,提高问题解决和决策制定的能力。
3. 学生能够运用工程图纸和施工图纸,进行基础的工程测量和施工操作。
情感态度价值观目标:1. 培养学生对基础工程学科的兴趣,激发学习的主动性和积极性。
2. 培养学生的团队合作意识,提高沟通与协作能力,培养解决工程问题的合作精神。
3. 培养学生具备质量意识、安全意识和环保意识,认识到工程对社会和环境的影响。
分析课程性质、学生特点和教学要求:本课程为基础工程学科的基础课程,旨在培养学生对工程实践的认识和理解。
学生处于年级阶段,具备一定的物理和数学基础,但实践经验不足。
因此,课程目标注重理论与实践相结合,提升学生的实际操作能力和问题解决能力。
教学要求注重启发式教学,激发学生思维,培养其创新能力和综合运用知识的能力。
二、教学内容1. 基础工程概述- 工程基本概念- 基础工程的重要性- 基础工程的分类及应用2. 工程材料- 常见工程材料的特点及用途- 材料的选择与合理应用3. 结构设计原理- 结构设计的基本原则- 常见结构类型及受力分析- 结构稳定性与强度计算4. 施工工艺与工程管理- 基础工程施工工艺流程- 工程项目管理的概念与方法- 工程质量、安全与环保管理5. 实践案例分析- 常见基础工程案例解析- 问题分析与解决方案设计- 案例讨论与经验总结教学大纲安排与进度:第一周:基础工程概述第二周:工程材料第三周:结构设计原理(一)第四周:结构设计原理(二)第五周:施工工艺与工程管理第六周:实践案例分析(一)第七周:实践案例分析(二)第八周:复习与总结教学内容与教材关联性:本教学内容紧密结合教材,按照教材章节顺序进行组织,确保学生能够系统地学习基础工程知识,同时注重实践案例分析,提高学生的实际操作能力。
《基础工程》课程设计任务书(一)上部结构资料某框架结构柱网图如下,柱截面为400*400mm 2,F1=724kN ,F2=1424kN ,F3=2024kN 。
(二)地质资料经探测,地层岩性及土的物理力学性质如下表。
地下水埋深为5m ,无腐蚀性。
F2F1F2F3钢筋混凝土柱下独立基础1、选择持力层设基础埋深d=2.5m ,这时地基持力层为粉土2、计算地基承载力特征值,并修正根据标贯击数N=12查表得:kPa f ak 156)140180(10151012140=-⨯--+=因为埋深d=2m>0.5m ,故还需对ak f 进行修正设基础底面宽度不大于3m 。
查表得修正系数ηb =0.5,ηd =2.0 则修正后的地基承载力特征值为f a =f ak + ηd γm (d-0.5)=156+2×20.2×(2.5-0.5)=236.8kPa3、计算基础所需底面尺寸基础埋深d=2m ,分析该框架结构柱网布置图可知,柱子受三种不同荷载,把受荷载为724KN 的基础作第一类基础,受荷载为1424KN 的基础为第二类基础,受荷载为2024KN 的基础为第三类基础 (1)、第一类基础,其轴心荷载F1=724KN ,则有:m d f F b G a 69.15.2208.23674.072411=⨯-⨯=-≥γ取1b =1.7m ,因b <3m ,不必进行承载力宽度修正(2)、第二类基础,其轴心荷载为F2=1424KN ,则有:m d f F b G a 38.25.2208.23674.0142422=⨯-⨯=-≥γ取2b =2.4m ,因b <3m ,不必进行承载力宽度修正(3)、第三类基础,其轴心荷载为2024KN ,则有:m d f F b G a 83.25.2208.23674.0202433=⨯-⨯=-≥γ取3b =2.9m ,因b<3m ,不必进行承载力宽度修正4、验算软弱层强度和沉降量(1)持力层承载力验算1)第一类基础kPa f a 8.236=基底处总竖向力:KNG F k k 26.6805.2207.174.07242=⨯⨯+⨯=+基基底平均压力:kPa f kPa A G F P a k k k 8.23638.2357.126.6802=<==+=(可以) 2)、第二类基础kPa f a 8.236=基底处总竖向力:KN G F k k 76.13415.2204.274.014242=⨯⨯+⨯=+ 基基底平均压力:kPa f kPa A G F P a k k k 8.23694.2324.276.13412=<==+=(可以)3)、第三类基础kPa f a 8.236=基底处总竖向力:KN G F k k 26.19185.2209.274.020242=⨯⨯+⨯=+ 基基底平均压力:kPa f kPa A G F P a k k k 8.23609.2289.226.19182=<==+=(可以)(2)软弱下卧层承载力验算1)第一类基础由43.16.5/8/21==s s E E 50.047.17.1/5.2/>==b z 查表得︒=47.21θ393.0tan =θ,下卧层顶面处的附加应力:kPa z b z l P lb cd k 78.39)393.05.227.1()5.22.2038.235(7.1)tan 2)(tan 2()(22z =⨯⨯+⨯-⨯=++-=θθσσ 下卧层顶面处的自重应力:kPa cz 1015.22.205.22.20=⨯+⨯=σ 下卧层承载力特征值:m KN zd czm /2.20=+=σγkPa f az 06.240)5.05(2.204.18.112=-⨯⨯+=验算:az z cz f kPa <=+=+78.14010178.39σσ(可以) 经验算,基础底面尺寸及埋深满足要求2)第二类基础由43.16.5/8/21==s s E E 50.004.14.2/5.2/>==b z 查表得︒=04.21θ385.0tan =θ,下卧层顶面处的附加应力:kPa z b z l P lb cd k 18.56)385.05.224.2()5.22.2094.232(4.2)tan 2)(tan 2()(22z =⨯⨯+⨯-⨯=++-=θθσσ 下卧层顶面处的自重应力:kPa cz 1015.22.205.22.20=⨯+⨯=σ 下卧层承载力特征值:mKN zd czm /2.20=+=σγkPa f az 06.240)5.05(2.204.18.112=-⨯⨯+=验算:az z cz f kPa <=+=+18.15710118.56σσ(可以) 经验算,基础底面尺寸及埋深满足要求 3)第三类基础由43.16.5/8/21==s s E E 50.086.09.2/5.2/>==b z 查表得︒=86.20θ381.0tan =θ,下卧层顶面处的附加应力:kPa z b z l P lb cd k 69.64)381.05.229.2()5.22.2009.228(9.2)tan 2)(tan 2()(22z =⨯⨯+⨯-⨯=++-=θθσσ 下卧层顶面处的自重应力:kPa cz 1015.22.205.22.20=⨯+⨯=σ 下卧层承载力特征值:m KN zd czm /2.20=+=σγkPa f az 06.240)5.05(2.204.18.112=-⨯⨯+=验算:az z cz f kPa <=+=+69.16510169.64σσ(可以)经验算,基础底面尺寸及埋深满足要求(3)、验算沉降量分析柱网布置图可得,只须验算四个基础的沉降量即可,分别设为a 、b 、c 、d ,如下图所示:1)、计算基础a 的沉降kN mm l E r a aa/0544.088.07.184.011202=⨯⨯-=-=ωμδkN mm r E ab /00557.06814.34.011202=⨯⨯-=-=πμδkN mm r E ad/00557.06814.34.011202=⨯⨯-=-=πμδ mmF F F s ad ab aa a 25.55142400557.0142400557.07240544.0221=⨯+⨯+⨯=⋅+⋅+⋅=δδδ 2)、计算基础b 的沉降kN mm l E r b bb /0385.088.04.284.011202=⨯⨯-=-=ωμδkN mm r E ba /00557.06814.34.011202=⨯⨯-=-=πμδkN mm r E bc /00557.06814.34.011202=⨯⨯-=-=πμδkN mm r E be /00557.06814.34.011202=⨯⨯-=-=πμδmmF F F F s be bc ab bb b 06.78142400557.020*******.072400557.014240385.02312=⨯+⨯+⨯+⨯=⋅+⋅+⋅+⋅=δδδδ 3)、计算基础c 的沉降kN mm l E r c cc /0319.088.09.284.011202=⨯⨯-=-=ωμδkN mm r E cb /00557.06814.34.011202=⨯⨯-=-=πμδkN mm r E ch /00557.06814.34.011202=⨯⨯-=-=πμδkN mm r E cf /00557.06814.34.011202=⨯⨯-=-=πμδkNmm r E cd /00557.06814.34.011202=⨯⨯-=-=πμδmmF F F F F s cd cf ch cb cc c 55.99142400557.0142400557.020*******.0142400557.020240319.022323=⨯+⨯+⨯+⨯+⨯=⋅+⋅+⋅+⋅+⋅=δδδδδ 4)、计算基础d 的沉降kN mm l E r b dd/0385.088.04.284.011202=⨯⨯-=-=ωμδ kN mm r E dg/00557.06814.34.011202=⨯⨯-=-=πμδ kN mm r E dc /00557.06814.34.011202=⨯⨯-=-=πμδkN mm r E da /00557.06814.34.011202=⨯⨯-=-=πμδmmF F F F s da dc dg dd d 23.7472400557.020*******.072400557.014240385.01312=⨯+⨯+⨯+⨯=⋅+⋅+⋅+⋅=δδδδ 5)、a 、b 两基础的沉降差mm s s a b ab 81.2225.5506.78=-=-=∆根据框架结构相邻柱基沉降差允许值可知:[∆]=mm l 12002.0=。
2011年度桥梁基础工程课程设计任务书题目:某公路桥梁桩基础设计1. 课程设计教案条件要求本设计对象为某公路桥梁,该桥梁的上部结构设计已经完成,本课程设计的任务是完成桥墩基础与地基的设计与检算。
要求同学选择(或由任课教师分配)一个基础,按给定的条件完成相关的设计和计算工作。
2. 课程设计任务2.1工程简况某公路桥梁设计采用桩(柱)式桥墩,初步拟定尺寸如图1所示。
该桥梁上部结构为25M钢筋混凝土装配式T梁桥。
桥面宽7M,两边各0.5M人行道。
该桥墩基础由两根钻孔桩组成,旋转钻成孔。
桩的设计直径d(即钻头直径,精确至0.1m)自选,桩底沉渣厚度控制为t=(0.2~0.4)d。
在局部冲刷线处设置横系梁,其断面尺寸可按构造等要求确定,高度约1.0m。
2.2 工程地质和水文地质地质资料:标高20.00以上桩侧土为软塑亚粘土,各物理性质指标为:容重γ =18.5kN/m3,土粒比重G s=2.70,天然含水量w=21%,液限w L=22.7%,塑限w p=16.3%;标高20.00以下桩侧及桩底均为硬塑性亚粘土,其物理性质指标为:容重γ =19.5kN/m3,土粒比重G s=2.70,天然含水量w=17.8%,液限w L=22.7%,塑限w p=16.3%。
2.3 设计荷载(1)一跨上部结构自重G1=2000×(L/20)1.2 kN(取整),其中L为跨径;(2)盖梁自重G2=350kN;(3)局部冲刷线以上桩重应分别考虑最低水位及常水位;汽车荷载应考虑最不利荷载组合(双孔和单孔布载);人群荷载尚应考虑最不利情况;荷载布载长度为梁长(L-0.1)m。
(4)设计汽车荷载为公路—Ⅱ级,汽车可能产生的横向偏心距为0.55m,。
;W1(风图22.4 材料桩身混凝土强度等级拟采用C25,混凝土弹性模量E h=2.85×104MPa,可选择的钢筋有HPB235和HRB335。
2.5 具体任务要求如下:(1)确定桩的长度,进行单桩承载力验算。
基础工程第四版课程设计1. 项目概述本课程设计旨在让学生在基础工程第四版教材的基础上,运用所学知识,设计并实现一个简单的基础工程项目。
通过本课程设计,学生将能够掌握基础工程实践技能,并深入了解基础工程实践中的各种问题和挑战。
2. 项目背景随着我国社会经济的发展,基础工程建设不断加快。
然而,基础工程建设中存在着很多问题和挑战,如土地规划、地质环境、施工技术等方面的挑战。
因此,有必要让学生深入了解基础工程实践中的各种问题和挑战,掌握基础工程实践技能。
3. 项目目标本课程设计的主要目标是,让学生通过运用所学知识,实现一个简单的基础工程项目,并了解基础工程实践中的各种问题和挑战。
具体目标包括:•了解基础工程建设中的各种问题和挑战;•掌握基础工程实践技能;•实现一个基础工程项目;•分析基础工程项目中所遇到的问题和挑战,并提出相应的解决方案。
4. 项目内容本课程设计主要包括以下内容:4.1 环境准备1.安装相关软件及工具:如代码编辑器、版本控制软件等;2.下载本课程设计所需文件,包括代码模板、文档模板等。
4.2 需求分析根据所选的基础工程项目,进行需求分析。
需求分析主要包括以下内容:1.确定项目的目标和范围;2.分析项目的主要任务;3.分析项目的可行性,确定项目进程和时间表;4.编写需求规格说明书。
4.3 设计方案根据需求分析阶段的结果,设计基础工程项目的整体结构和具体实现方案。
主要包括以下内容:1.项目整体结构设计;2.各个模块的设计方案;3.数据库设计方案(如果需要)。
4.4 项目实现根据设计方案,进行具体的实现工作。
1.编码工作;2.单元测试;3.集成测试。
4.5 项目总结对整个项目进行总结和分析。
主要包括以下内容:1.对项目结果进行评估;2.对项目中遇到的问题进行分析;3.提出改进方案;4.撰写项目总结报告。
5. 项目要求1.本次课程设计需要根据教师要求选择基础工程项目,确定课程设计内容和开发任务;2.项目实现中应当使用至少一种设计模式;3.程序代码需清晰,结构合理,有详细注释;4.应提供完整的用户操作手册和开发文档,需包括详细的需求分析规格说明书、设计方案并解释所使用的设计模式、项目测试计划与方案,最终总结报告。
基础工程课程设计本课程设计是基于“基础工程实验”,基础工程实验的目的是使我们能够更好地了解和熟悉基础工程的建设。
一、实验前的准备工作1.明白实验目的:通过实验深入了解基础工程的建设,掌握它的基本原理;2.选择合适的实验材料和场所:仔细检查基础工程的材料,尤其是实验所需的工具和材料,确认无误后再开始实验;3.按照正确流程制定实验方案:应确保实验步骤清晰、实验设备与实验材料符合要求;4.安全防范措施:在实验之前应预选安全设施,如安全面罩,并及时做好各项安全防护措施。
二、实验过程1.开展实验前的准备:先将基础构造物料安放到给定的位置,按照实验要求组装各部件;2.按照要求安装仪器、装置和传感器,使其与实验物位接触良好,拾取并记录相关的初始状态参数;3.按照实验设定的条件和参数进行实验,要注意实验操作人员的安全;4.在实验过程中,要随时检查实验参数,并对发现的异常情况及时作出反应;5.确认实验参数正常后,停止实验,拾取并记录停止实验时的各项状态参数。
三、实验的解释及总结1.解释实验结果:仔细分析、研究实验结果,正确解释实验结果;2.做出言明:从实验结果出发,做出合理的言明,引发更大深度思考;3.确定结论:结合实验结果及其解释,确定实验结论;4.对实验结果进行总结,归纳总结,提出改进意见。
四、实验后的技能锻炼1.实验后进行技能锻炼:通过技能锻炼来提升实验掌握程度;2.实验复现:进行实验复现,运用实验数据及安放位置进行模拟实验;3.考虑疑难问题:思考实验中可能遇到的或在复现中发现的问题,及时思考解决方案;4.创新实验:设计新的实验,基于新的实验条件设定,进行实验模拟等。
以上就是本次基础工程实验的详细课程设置,希望能够有助于大家更好地理解基础工程的知识,为技能提升打下坚实的基础。
基础工程课程设计任务书1. 课程设计教学条件要求本设计对象为某公路桥梁,该桥梁的上部结构设计已经完成,本课程设计的任务是完成桥墩基础与地基的设计与检算。
要求同学选择(或由任课教师分配)一个基础,按给定的条件完成相关的设计和计算工作。
2. 课程设计任务2.1工程概况某公路桥梁设计采用桩(柱)式桥墩,初步拟定尺寸如图1所示。
该桥梁上部结构为25米钢筋混凝土装配式T梁桥。
桥面宽7米,两边各0.5米人行道。
该桥墩基础由两根钻孔桩组成,旋转钻成孔。
桩的设计直径d(即钻头直径,精确至0.1m)自选,桩底沉渣厚度控制为t=(0.2~0.4)d。
在局部冲刷线处设置横系梁,其断面尺寸可按构造等要求确定,高度约1.0m。
2.2 工程地质和水文地质地质资料:标高20.00以上桩侧土为软塑亚粘土,各物理性质指标为:容重γ =18.5kN/m3,土粒比重G s=2.70,天然含水量w=21%,液限w L=22.7%,塑限w p=16.3%;标高20.00以下桩侧及桩底均为硬塑性亚粘土,其物理性质指标为:容重γ =19.5kN/m3,土粒比重G s=2.70,天然含水量w=17.8%,液限w L=22.7%,塑限w p=16.3%。
2.3 设计荷载(1)一跨上部结构自重G1=2000×(L/20)1.2 kN(取整),其中L为跨径;(2)盖梁自重G2=350kN;(3)局部冲刷线以上桩重应分别考虑最低水位及常水位;汽车荷载应考虑最不利荷载组合(双孔和单孔布载);人群荷载尚应考虑最不利情况;荷载布载长度为梁长(L-0.1)m。
(4)设计汽车荷载为公路—Ⅱ级,汽车可能产生的横向偏心距为0.55m,单。
)=5kN;图22.4 材料桩身混凝土强度等级拟采用C25,混凝土弹性模量E h=2.85×104MPa,可选择的钢筋有HPB235和HRB335。
2.5 具体任务要求如下:(1)确定桩的长度,进行单桩承载力验算。
具体计算时按如下不同标准跨径分组进行,同组人员的设计桩径、桩长不得全部相同。
(2和相应轴力,配置钢筋,验算截面强度;(3)计算主筋长度,螺旋钢筋长度,钢筋总用量;(4)初步决定修筑基础的施工方案(5)绘出桩的钢筋布置图。
将以上全部成果整理成设计计算说明书和设计施工图。
3. 课程设计报告书主要内容课程设计计算说明书通常应包含下述内容:(1)工程概况和设计任务。
包括:工程名称,场地位置,上部结构的类型、尺寸,本人承担的课程设计任务;(2)地质勘察资料;(3)设计荷载;(4)方案设计。
包括:基础选型,尺寸拟定,地基持力层的选取。
需要阐明自己的思路和考虑的因素并列出必要的说明;(5)技术设计的过程。
包括:计算项目,计算过程和计算结果,方案调整的理由和结果。
需要阐明参数选取的理由、考虑的因素并列出必要的说明;(6)由设计结果形成的施工图,该图用CAD制作完成;(7)施工方案(初步)。
包括:基础施工方式,主要施工机具。
4. 课程设计要求(1)学生按时到课程设计指定地点签到,遵守课程设计纪律。
(2)学生独立完成课程设计任务。
指导教师分时段验收学生完成的阶段任务。
(3)学生按时提交课程设计成果和打印的课程设计报告书。
基础工程课程设计报告书一 设计资料 1 地质资料标高20.00以上桩侧土为软塑亚粘土,各物理性质指标为:容重γ =18.5kN/m 3,土粒比重G s =2.70,天然含水量w =21%,液限w L =22.7%,塑限w p =16.3%;标高20.00以下桩侧及桩底均为硬塑性亚粘土,其物理性质指标为:容重γ =19.5kN/m 3,土粒比重G s =2.70,天然含水量w =17.8%,液限w L =22.7%,塑限w p =16.3%。
常水位标高为44.50m ,一般冲刷线标高为39.50m ,最大冲刷线标高为35.50m2 桩、墩尺寸与材料该桥墩基础由两根钻孔桩组成,旋转钻成孔。
桩的设计直径d =1.2m ,桩底沉渣厚度控制为t =0.3d 。
在局部冲刷线处设置横系梁,其断面尺寸可按构造等要求确定,高度约1.0m 。
桩身混凝土强度等级拟采用C25,混凝土弹性模量E h =2.85×104MPa ,可选择的钢筋有HPB235和HRB335。
3 荷载情况桥墩为单排双柱式,桥面宽7米,两边各0.5米人行道,上部为25-0.1=24.9m预应力钢筋混凝土梁(1)一跨上部结构自重G 1=2000×(L /20)1.2 =2602kN ,两跨自重反力kN G N 1301211==(2)盖梁自重反力kN G N 175222==;系梁自重反力kN N 125.28225.563== (3)两跨活载反力为758kN ,一跨活载反力为669kN ,所引起的弯矩M=200.7kN 。
常水位以上桩身自重kN N 6.1354=(4)设计汽车荷载为公路—Ⅱ级,汽车可能产生的横向偏心距为0.55m ,单孔活载时纵向偏心距为b=0.30m ,并应考虑冲击力。
行人荷载为3.5kPa 。
(5)单桩所受水平力如图所示。
其中:H T (制动力)=4.5kN ;W 1(风力)=5kN ;W 2(风力)=8kN图2(6)桩(直径1.5m )自重每延米kN q 96.161542.12=⨯⨯=π(7)拟定桩基础采用旋转钻孔灌注桩基础,为摩擦桩。
二 计算1、桩的周长计算根据《公路桥涵地基与基础设计规范》中确定单桩容许承载力的经验公式初步反算桩的长度,设该桩埋入最大冲刷线以下深度为h ,一般冲刷线以下深度为h 3,则:N h =[P]=21U ∑i i l τ +λm 0 A{[σ0]+K 2γ2(h 3-3)} 当两跨活载时:()hhN h 48.84.255096.162196.165.355.447586.135125.281751301+=⨯⨯+⨯-+++++= 计算[P]时取以下数据:桩的设计桩径为1.2m ,成孔直径为1.3m 桩周长m U 08.43.1=⨯=π,2213.142.1m A =⨯=π,7.0=λ,8.00=mm l 5.15205.351=-=501=τ,()m h l 5.152-=,702=τ,)(/91025.195.182扣除浮力m kN =-+=γ。
734.0613.0227.0613.021.0w -w w -w I pL p L1=--==234.0163.0227.0163.0178.02=--=--=w w w w I L ()73.011101=-+=P P w G e w S ;()598.011202=-+=PP w G e wS桩底为硬塑性亚粘土 73.0010==e e 查表得5.22=k[]kPa 4200=σ[]()[]()[]hh h P 48.84.2550338.4098.1423095.242013.18.07.0705.15505.1508.421+=-=-⨯⨯+⨯⨯⨯+⨯-+⨯⨯⨯=解得:h=22.03m取整h=22.5m 桩底标高为13m 在20m 以下满足低级二层土要求 即[]kN N P h 4.27485.2248.84.2550662.2803338.4095.228.142=⨯+=≥=-⨯=桩的轴向承载力满足。
2、桩的内力计算(1)确定桩的计算宽度()()m d K b 98.112.19.011=+⨯=+⨯= (2)计算桩—土变形系数19436192.1049087.01085.267.067.047=⨯⨯⨯⨯==I E EI h43.0194361998.115000551=⨯==EI mb α 其中m=15000 桩的换算深度 m h h 5.268.95.2243.0≥=⨯==α 所以按弹性桩计算(一) (3)计算墩柱顶外力i P 、i Q 、i M 及最大冲刷线处桩身弯矩0M ,水平力0Q ,及轴向力0P墩帽顶的外力(按一跨活载计算)()kNM kNQ kN N N P i i i 1.292905.1457.145.47.2005.955.41970669130161=-⨯+⨯+==+==+=+=换算到最大冲刷线处()[]()()()kNM kNQ kN P 34.53295.355.44805.145.355.44543.18.95.47.2005.17855.4365.24615.355.4496.166.135125.281751970000=+-⨯++-⨯+++⨯+==++==-⨯++++=(4)桩身最大弯矩位置及最大弯矩计算 由0=z Q 得:08.135.1734.53243.00=⨯==Q M C Q α由68.908.13==h C Q 及查表得343.0max =M z 故8.043.0343.0m ax ==z 由343.0max =M z 及68.9=h 查表得008.1=M Km kN M K M M ⋅=⨯==56.53634.532008.10m ax(5)桩的最大冲刷线以下各截面的横向土抗力计算 x x zx B z b M A z b Q 121αασ+=无量纲系数m m x x B A B A 查表得¦(6)桩顶纵向水平位移验算桩在最大冲刷线处水平位移和转角计算mmmm m B EIM A EI Q x X x 67.20027.062.1194361943.034.53244.2194361943.05.17232300≤==⨯⨯+⨯⨯=+=αα 符合规范要求radB EI M A EI Q 0019.0)75.1(194361943.034.532)62.1(194361943.05.172200-=-⨯⨯+-⨯⨯=+=ϕϕααϕ 该桩不是变截面,则n=1墩顶纵桥向水平位移的计算:m l 8.135.353.490=-=,m l 7.520=,m h 95.355.442=-=,m h 69.322=查表得 832.27,237.13811==ϕA A x()n n h A A x x -+=13321'1;()n n h A A B x -+==12221'1'1ϕϕ解得:832.27,237.138'1'1==x x B A故mmm MB A EI x x x 6.210216.0832.2756.536237.13843.00019.0194361943.0112'1'121==⎪⎭⎫⎝⎛⨯+⨯-⨯=⎪⎭⎫ ⎝⎛+=αϕα水平位移容许值[△]mm cm L 255.2255.05.0==⨯==>21.6mm墩顶位移符合要求。