实验三 触发器及其应用
- 格式:doc
- 大小:107.00 KB
- 文档页数:3
触发器功能实验报告触发器功能实验报告引言:触发器是数字电路中常见的重要元件,它能够在特定的输入条件下产生稳定的输出信号。
本实验旨在通过构建不同类型的触发器电路,探究触发器的基本原理和功能。
实验一:RS触发器RS触发器是最简单的一种触发器,由两个交叉连接的非门组成。
实验中我们使用了两个与非门来构建RS触发器电路,其中一个与非门的输出连接到另一个与非门的输入,反之亦然。
通过设置不同的输入状态,我们可以观察到RS触发器的两种稳定状态:置位和复位。
实验二:D触发器D触发器是一种常用的触发器,它具有单一输入和双输出。
实验中我们使用了两个与非门和一个或非门来构建D触发器电路。
通过输入信号的变化,我们可以观察到D触发器的工作原理:当输入信号为高电平时,输出保持之前的状态,当输入信号为低电平时,输出根据之前的状态进行切换。
实验三:JK触发器JK触发器是一种多功能的触发器,它具有两个输入和两个输出。
实验中我们使用了两个与非门和一个或非门来构建JK触发器电路。
通过设置不同的输入状态,我们可以观察到JK触发器的四种工作模式:置位、复位、切换和禁用。
实验四:T触发器T触发器是一种特殊的JK触发器,它只有一个输入和两个输出。
实验中我们使用了两个与非门和一个或非门来构建T触发器电路。
通过输入信号的变化,我们可以观察到T触发器的工作原理:当输入信号为高电平时,输出状态翻转,当输入信号为低电平时,输出保持不变。
实验五:应用实例在实验的最后,我们通过一个简单的应用实例来展示触发器的实际应用。
我们构建了一个二进制计数器电路,使用了多个D触发器和与非门。
通过输入脉冲信号,我们可以观察到计数器的工作原理:每次接收到脉冲信号,计数器的输出状态按照二进制规律进行变化。
结论:通过本次实验,我们深入了解了不同类型的触发器的功能和工作原理。
触发器在数字电路中具有重要的应用价值,能够实现各种逻辑功能和时序控制。
进一步的研究和实践将有助于我们更好地理解和应用触发器,提高数字电路设计的能力。
数字逻辑实验报告:触发器及其作用一、实验目的1. 学习触发器的基本概念、类型及其工作原理;2. 掌握触发器的电路实现方法;3. 掌握使用触发器进行时序逻辑设计的方法。
二、实验原理触发器(Flip-flop)是数字逻辑电路中最基本的存储元件。
它可以在电路中实现数据的存储、时序的生成、状态的转移等功能。
触发器从功能上分为两大类:时序逻辑触发器和状态逻辑触发器。
时序逻辑触发器是指根据输入信号的时序变化来激发触发器输出端口状态变化的触发器,常见的有SR触发器、D触发器和JK触发器等。
状态逻辑触发器是指触发器的输出值与输入值中的某些形式的关系有关,常见的有T触发器和R-S触发器等。
此实验主要介绍SR触发器、D触发器、JK触发器的实现及其作用。
1. SR触发器SR触发器也称为RS触发器,它的英文全称是Set-Reset Flip-flop。
SR触发器的输入有两个:S、R。
当S=1,R=0时,Q输出为1;当S=0,R=1时,Q输出为0;当S=R=1时,Q的状态就不确定了。
具有这个不确定状态的原因是因为在SR触发器中,S和R是可以同时为1的,这种情况会导致电路出现失效或过度充电的问题,故SR触发器不常用。
2. D触发器D触发器是指数据存储触发器,它有一个数据输入信号D,其输出信号Q与输入信号D同步,并且保持输出信号状态不变。
当时钟信号CK上升时,D触发器将数据D储存在内部存储器中,当时钟信号CK下降时,存储器中的数据被保持不变。
D触发器还具有一个反相输出信号Q',它与输出信号Q恰好相反。
3. JK触发器JK触发器是指一种利用J和K两个输入信号来控制输出状态的电路。
当J=K=0时,JK触发器不动;当J=1,K=0时,JK触发器转换到置“1”状态;当J=0,K=1时,JK触发器转换到复位“0”状态;当J=K=1时,JK触发器的状态与上一状态相反。
这里需要注意的是,当J=K=1时,JK触发器可以作为一个数字计数器或频率分带器使用。
实验名称:触发器的功能测试及其应用
一、实验目的:
1.熟悉基本R-S触发器、J-K触发器和D触发器的逻辑功能。
2.熟悉触发器的应用。
二、实验原理:
依据J-K触发器、D触发器的逻辑功能测试。
三、实验内容
1.测试基本R-S触发器的逻辑功能。
在实验箱上用74LS00组成下图所示电路,对基本R—S触发器的逻辑功能进行测试。
电路图如下:
逻辑功能如右表所示:
Rd Sd Q
0 0 不定
0 1 0
1 0 1
1 1 保持
2.测试J-K触发器的逻辑功能。
74LS112是双J-K触发器,利用试验箱上的0-1电平,高低电平指示和单脉冲测试74LS112中的一个J-K触发器的逻辑功能。
并构成2分频电路,实现2分频功能。
3.测试D触发器的逻辑功能。
74LS74是双D触发器,利用试验箱上的0-1电平,高低电平指示和单脉冲测试74LS74中的一个D触发器的逻辑功能。
用74LS74和74LS138译码器实现彩灯的循环电路,要求8只彩灯,7亮1暗,且这一暗灯可以循环移动。
四、实验总结
(学生根据自己实验情况,简要总结实验中遇到的问题及其解决办法)。
触发器的应用一. 实验目的1. 了解触发器的原理及74LS74芯片的功能; 2. 用基本触发器设计一个水泵开启关闭装置;要求:水面下降到A 以下时,F 输出1控制水泵注水,注水时水面淹没A 时,F 不改变。
3. 用74LS74芯片设计一个抢答装置,要求:主持人可以清空; 4. 用74LS74芯片设计一个二分频电路,并用示波器验证。
二. 实验原理1. 根据水泵控制电路的要求,列出真值表: i 观察真值表可得,水面上升时,BA 娶01时F 的值保持上次取值不变。
ii 基本触发器的电路图及真值表如下:水池Fiii观察两个真值表,可以令B和A分别输入基本触发器,便能在Q端得到F。
电路图如图一:图表12.根据抢答器的设计要求,电路图如图二:图表2*电路图中CLK端为R端d3. 根据二分频电路的设计要求,电路图如图三:图表3三.实验内容1.按图一搭建逻辑电路,并验证该电路,得到结果与水泵控制电路的真值表对照;2.⑴按图二搭建逻辑电路,并进行如下验证:A抢答后,B不能抢答,主持人端从高电平变为低电平时,抢答结果清除;B抢答后,A不能抢答,主持人端从高电平变为低电平时,抢答结果清除。
⑵示波器红接头接CLK端,黑接头接地,分别在抢答前和抢答后测量,比较波形变化:抢答前,波形为方波;抢答后,为高电平。
3.按图三搭建逻辑电路,分别用示波器得两个通道CH1和CH2测量Cp端和Q端,比较波形变化:通过观察,Cp端信号的频率是Q端信号频率的二倍。
四.实验总结1.水泵控制电路设计中,遇到了不符合常规的真值表,这个现象可能在以后的设计中会非常普遍,要学会转化,使用其他电路实现;2.要更加熟悉74LS74芯片的结构;3.由于之前的课程并没有学到触发器,实验过后要进一步深入了解触发器的原理。
实验三触发器的原理与应用一、实验目的:1.掌握基本RS、D、JK触发器逻辑功能。
2.熟悉不同触发器间相互转换的方法。
3.学会正确使用集成触发器。
二、实验仪器及设备1.PC机 1台(1G以上内存)2.Quartus II 8.1三.实验预习:1.复习有关触发器的部分内容。
2.列出各触发器功能测试表格。
3.复习不同触发器之间相互转换的方法。
四、实验内容:1.基本RS触发器功能测试:(1)将两个TTL与非门首尾相连构成基本RS触发器,如图3-1所示。
图3-1 用于非门构成基本RS触发器(2)建立仿真波形文件,按照表3-1中的顺序在S、R端加信号,观察仿真波形并将Q、Q端状态填入表中,说明其逻辑功能。
表3-1 基本RS触发器功能测试表2.JK 触发器功能测试:(1) 双下降沿触发JK 触发器74LS112的逻辑符号如图3-3所示。
(2) 建立仿真波形文件,在D S 、D R 、J 、K 、CP 端按表4-3顺序输入信号,观察输出波形并记录Q 、Q 端状态填入表中,并说明其逻辑功能。
表4-3 JK 触发器功能测试表3.触发器功能转换画出将JK 触发器转换成D 触发器的实验电路图,并进行画出仿真波形(或仿真波形截图)4.用Verilog HDL 编写一个J-K 触发器,要求触发器是下降沿触发且具有同步置位复位控制端。
要求:(1)给出J-K触发器模块的Verilog HDL代码;(2)画出功能仿真波形(或仿真波形截图),并对波形输入输出信号间的关系进行说明。
五、思考题1.总结各类触发器的特点。
2.JK触发器和D触发器在实现正常逻辑功能时R、S应处于什么状态?3.使用Verilog HDL的编写触发器模块时,如何实现同步或异步置位复位功能?。
触发器及应用实验的过程触发器是数据库中的一个概念,用于在特定的数据库操作(例如插入、更新、删除)发生时自动触发一些事先定义好的操作。
触发器通常用于确保数据的一致性,并对数据库中的操作进行监控和管理。
在本文中,我将介绍触发器的基本概念和一些常见的应用实例,并详细讲解触发器及应用实验的过程。
一、触发器的基本概念触发器是数据库中的一个对象,它与特定的表相关联,并且在表中的特定操作发生时被自动激活。
触发器可以定义在以下几种操作上:1. INSERT:当在表中插入一条新记录时触发。
2. UPDATE:当更新表中的记录时触发。
3. DELETE:当在表中删除一条记录时触发。
触发器通常由以下几个组成部分构成:1. 触发时间:指定触发器被激活的时间,可以是在操作之前(BEFORE)或操作之后(AFTER)。
2. 触发事件:指定触发器与之相关联的操作,即INSERT、UPDATE或DELETE。
3. 触发操作:指定触发器被激活时执行的具体操作,可以是SQL语句或存储过程。
二、触发器的应用实例触发器在数据库中有很多应用实例,下面列举几个常见的例子来说明触发器的用法。
1. 数据完整性约束触发器可以用来维护数据库的数据完整性。
例如,当在订单表中插入一条订单记录时,可以使用触发器检查该订单的总金额是否小于客户的信用额度。
如果超出了信用额度,触发器可以自动拒绝该操作。
2. 记录审计跟踪触发器可以用来跟踪对数据库的变更操作。
例如,可以创建一个触发器,在每次更新员工表时,自动记录这个更新的操作人员、时间和变更的内容。
3. 数据集成与同步触发器可以用来实现数据库之间的数据集成和同步。
例如,当在一个数据库中插入一条新的产品记录时,可以使用触发器将该记录同步到其他相关的数据库中。
三、触发器及应用实验的过程下面将介绍触发器及应用实验的具体过程。
1. 创建触发器首先,我们需要创建一个触发器对象,并指定它与哪张表相关联以及在何时触发。
例如,可以使用以下语句创建一个在订单表上触发的触发器:CREATE TRIGGER `order_audit_trigger` AFTER INSERT ON `order`FOR EACH ROW BEGIN触发器的具体操作INSERT INTO `order_audit` (`order_id`, `user_id`, `create_time`)VALUES (NEW.`id`, NEW.`user_id`, NOW());END;在这个例子中,触发器将在订单表上的每次插入操作之后激活,并向order_audit表中插入一条相应的审计记录。
实验名称: 触发器及其应用姓名:实验场地: 同组者:二、实验报告1、实验操作步骤1、测试基本RS触发器的逻辑功能按图8-1,用两个与非门组成基本RS触发器,输入端R、S接逻辑开关的输出插口,输出端Q、Q接逻辑电平显示输入插口,按表8-7要求测试,记录之。
表8-7R S Q Q11→0 1 00→1 1 01→010 10→1 0 10 0 1 12、测试双JK触发器74LS112逻辑功能(1) 测试R D 、S D的复位、置位功能任取一只JK触发器,R D、S D、J、K端接逻辑开关输出插口,CP端接单次脉冲源,实验名称: 触发器及其应用姓名: 实验场地: 同组者:Q、Q端接至逻辑电平显示输入插口。
要求改变R D,S D(J、K、CP处于任意状态),并在R D=0(S D=1)或S D=0(R D=1)作用期间任意改变J、K及CP的状态,观察Q、Q状态。
自拟表格并记录之。
(2) 测试JK触发器的逻辑功能按表8-8的要求改变J、K、CP端状态,观察Q、Q状态变化,观察触发器状态更新是否发生在CP脉冲的下降沿(即CP由1→0),记录之。
(3) 将JK触发器的J、K端连在一起,构成T触发器。
在CP端输入1HZ连续脉冲,观察Q端的变化。
在CP端输入1KHZ连续脉冲,用双踪示波器观察CP、Q、Q端波形,注意相位关系,描绘之。
表8-8实验名称:触发器及其应用姓名: 实验场地: 同组者:2、实验数据处理3、实验结论基本RS 触发器的逻辑功能为:1.当R 端无效(1),S 端有效时(0),则Q=1,Q 非=0,触发器置1。
2.当R 端有效(0)、S 端无效时(1),则Q=0,Q 非=1,触发器置0。
3.当RS 端均无效时(0),触发器状态保持不变。
4.当RS 端均有效时(1),触发器状态不确定。
4、实验体会和建议Q —CP Q实验名称: 触发器及其应用姓名: 实验场地: 同组者:本次的实验不是很难,大家都能很快的正确做完,是组合电路的知识,我们都比较熟悉基本的公式、定理,这次的实验比较有头绪,实验是要求循序渐进,不能心急,有错误先自己认真寻找错误,在没有办法时才向老师寻求帮助,最终达到学习的目标,实验时要求我们善于思考、独立解决问题,做到稳扎稳打。
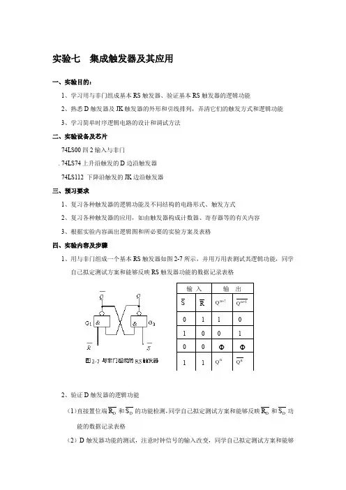
实验七 集成触发器及其应用一、实验目的:1、学习用与非门组成基本RS 触发器、验证基本RS 触发器的逻辑功能2、熟悉D 触发器及JK 触发器的外形和引线排列,弄清它们的触发方式和逻辑功能3、学习简单时序逻辑电路的设计和调试方法二、实验设备及芯片74LS00四2输入与非门. 74LS74上升沿触发的D 边沿触发器74LS112 下降沿触发的JK 边沿触发器三、预习要求1、复习各种触发器的逻辑功能及不同结构的电路形式、触发方式2、复习各种触发器的应用,如由触发器构成计数器、寄存器等的有关内容3、根据实验内容画出逻辑图和所必要的实验方案及表格四、实验内容及步骤1、用与非门组成一个基本RS 触发器如图2-7所示,并用万用表测试其逻辑功能,同学自己拟定测试方案和能够反映RS 触发器功能的数据记录表格2、验证D 触发器的逻辑功能(1)直接置位端D R 和D S 的功能检测,同学自己拟定测试方案和能够反映D R 和D S 功能的数据记录表格(2)D 触发器功能的测试,注意时钟信号的输入改变,同学自己拟定测试方案和能够反映D 触发器功能的数据记录表格图2-2 74LSll2型双JK 触发器引脚图2-3 JK 触发器逻辑图2-5 74LS74的引脚排列图2-4 D 触发器的逻辑符号3、验证JK 触发器的逻辑功能(1)直接置位端D R 和D S 的功能检测,同学自己拟定测试方案和能够反映D R 和D S 功能的数据记录表格(2)JK 触发器功能的测试,注意时钟信号的输入改变,同学自己拟定测试方案和能够反映JK 触发器功能的数据记录表格* 4、用D 触发器设计一个四位移位寄存器,画出设计电路图,并拟定数据记录表格表7-6 表7-五、实验报告1、整理实验数据,画出实验电路图,并对实验数据进行分析2、通过实验,总结不同触发器使用的注意事项* 3、用JK触发器和与非门设计一个5进制计数器。
触发器及其应用实验报告触发器及其应用实验报告引言在现代电子技术中,触发器是一种重要的数字电路元件,用于存储和控制信号的状态。
触发器广泛应用于计算机、通信、控制系统等领域,具有重要的实际应用价值。
本实验旨在通过实际操作,深入理解触发器的工作原理和应用。
实验目的1. 了解触发器的基本概念和工作原理。
2. 学习触发器的常见类型及其特点。
3. 掌握触发器在数字电路中的应用。
实验仪器和材料1. 示波器2. 电源3. 电阻、电容等元件4. 7400系列触发器芯片实验步骤1. 实验一:RS触发器的实验a. 将7400芯片连接到电源和示波器上。
b. 通过连接电路,将RS触发器的输入端和输出端连接到示波器上。
c. 分别给RS触发器的S和R输入端施加高电平和低电平信号,观察输出端的变化。
d. 记录实验结果并进行分析。
2. 实验二:D触发器的实验a. 将7400芯片连接到电源和示波器上。
b. 通过连接电路,将D触发器的输入端和输出端连接到示波器上。
c. 分别给D触发器的D输入端施加高电平和低电平信号,观察输出端的变化。
d. 记录实验结果并进行分析。
3. 实验三:JK触发器的实验a. 将7400芯片连接到电源和示波器上。
b. 通过连接电路,将JK触发器的输入端和输出端连接到示波器上。
c. 分别给JK触发器的J和K输入端施加高电平和低电平信号,观察输出端的变化。
d. 记录实验结果并进行分析。
实验结果与分析通过实验一、实验二和实验三,我们观察到了不同类型触发器的输入和输出变化情况。
在RS触发器中,当S和R输入均为低电平时,输出保持不变;当S和R输入均为高电平时,输出翻转;当S为高电平,R为低电平时,输出为高电平;当S为低电平,R为高电平时,输出为低电平。
在D触发器中,输出跟随输入信号变化,实现了数据的存储和传输。
在JK触发器中,当J和K输入均为低电平时,输出保持不变;当J和K输入均为高电平时,输出翻转;当J为高电平,K为低电平时,输出为高电平;当J为低电平,K为高电平时,输出为低电平。
3-1(a)3-1(b)实验三 RS 触发器与集成触发器一、实验目的1、掌握触发器的逻辑功能及其测试方法;2、学习触发器简单的典型应用。
二、实验器材1、直流稳压电源、数字逻辑电路实验箱、万用表、示波器;2、74LS00、74LS02、74LS04、74LS74、74LS76(或74LS112)。
三、实验原理1、基本RS 触发器用与非门(74LS00)构成的基本RS 触发器 如图3-1(a )所示,S R 、端为低电平有效; 用或非门(74LS02)构成的基本RS 触发器 如图3-1(b )所示,R 、S 端为高电平有效。
2、集成D 触发器触发器的复位和置位功能:只要L R =,不论其他输入是何种状态, 触发 器的输出立即强制变成H Q =,同时L Q =;只 要L S =,不论其他输入是何种状态触发器的输 出立即强制变成H Q =,同时L Q =。
复位和 置位完成后,必须使H R =和H S =。
3、JK 触发器当CP=0时,R=S=1,触发器维持原状态不变; 当CP=1时,Q K Q J Q n +=+1,即为 J=0,Q=0,Q Q n =+1; J=0,K=1,01=+n Q ; J=1,K=0,11=+n Q ; J=1,K=1,Q Q n =+1;四、实验内容和步骤根据电路图建立实验电路,利用RS 触发器产生脉冲信号接CP 端,分别将二分频电路 的Q0端和四分频电路的Q2端接LED ,每送入一个脉冲,记录下脉冲的序号和Q0端 和Q2端对应的状态变化。
二分频电路至少送入5个脉冲后停止,四分频电路至少送入 9个脉冲后停止。
整理结果,画出CP 脉冲信号和Q0输出信号的波形图。
1、二分频电路 a).PR ——置1端 b).CLR ——置0端c).0100Q D Q Q D n ===+;d).上升沿有效2、四分频电路a). 1111111111Q Q K Q J Q K J n =+===+;b).2121222212122Q Q Q Q Q K Q J Q Q K J n +=+===+;c).下降沿有效五、实验结果 1、二分频电路真值表 波形图2、四分频电路真值表波形图六、思考题1、基本RS 触发器的另一个典型应用是用来消除机械开关的抖动现象,如图所示,在不接入RS 触发器时,开关在ON/OFF 时由于触点的震动会产生信号的扰乱现象。
实验三触发器及其应用一、实验目的1、熟悉基本RS触发器、D触发器的功能测试。
2、了解触发器的触发方式及出发特点。
3、熟悉触发器的实际应用。
二、实验设备数字电路实验箱、数字双踪示波器、74LS00、74LS74。
三、实验原理触发器是一个具有记忆功能的二进制信息存储器件,是构成时序电路的最基本逻辑单元。
也是数字逻辑电路中一种重要的单元电路。
触发器具有两个稳定状态,即“0”和“1”,在一定的外界信号作用下,可以从一个稳定状态翻转到另一个稳定状态。
按其功能可分为RS触发器、JK触发器、D触发器、T和T'触发器。
触发方式有电平触发和边沿触发两种。
1、基本RS触发器是最基本的触发器。
如图所示由二个与非门交叉耦合构成。
具有置“0”、置“1”和“保持”三种功能。
2、D触发器在时钟脉冲CP的前沿(正跳变0 1)发生翻转,具有置0、置1两种功能。
D触发器应用很广,可用作数字信号的寄存,移位寄存,分频和波形发生器等。
四、实验内容1、设计水泵开关要求水位上到B水泵关闭,水位下降到A水泵开启。
(74LS00)设A(B)为0表示水位低于A(B),A(B)为1时水位高于A (B)。
据此可列出真值表:A B RD SD Q0 0 1 0 11 0 1 1 保持1 1 0 1 0RD = B SD = A实现该逻辑功能的电路图如下:2、设计智力竞赛中二人抢答装置,要求先抢答者按下开关同时封锁后抢答者的开关控制,最后由主持人清除灯光显示。
利用74LS00和74LS74实现该设计:3、实现二分频电路二分频波形:。
触发器及应用实验结论触发器是一种在特定条件下自动执行某些操作的电路或设备。
它可以感知到输入信号的变化并在满足特定条件时产生输出信号。
触发器在数字电路和计算机系统中广泛应用,可以用于存储临时数据、控制数据流、实现时序逻辑等。
触发器按照功能和特性的不同可以分为多种类型,常见的有RS触发器、JK触发器、D触发器等。
下面将分别介绍这些触发器及其应用实验结论。
1. RS触发器:RS触发器由两个互补型与非门(NAND)构成,其输入端分别为R和S。
当RS触发器的R和S输入均为0时,输出保持不变;当R为1,S 为0时,输出为0;当R为0,S为1时,输出为1;当R和S同时为1时,输出取决于触发器的状态。
RS触发器可以用于存储单个位的数据。
应用实验结论:实验观察到,当R和S输入分别为0时,输出保持不变;当R 为1,S为0时,输出为0;当R为0,S为1时,输出为1;当R和S同时为1时,输出取决于触发器之前的状态。
2. JK触发器:JK触发器由两个互补型与非门(NAND)和两个与门(AND)构成,其输入端分别为J和K。
JK触发器在RS触发器的基础上进行了改进,可以避免R和S同时为1时输出的不确定性。
当JK触发器的J和K输入均为0时,输出保持不变;当J为1,K为0时,输出为1;当J为0,K为1时,输出为0;当J和K同时为1时,输出反转。
应用实验结论:实验观察到,当J和K输入分别为0时,输出保持不变;当J 为1,K为0时,输出为1;当J为0,K为1时,输出为0;当J和K同时为1时,输出反转。
3. D触发器:D触发器由一个与门(AND)和一个互补型与非门(NAND)构成,其输入端为D。
D触发器的输入信号直接传递到输出端,可以用于存储单个位的数据。
D触发器常用于时钟信号,用来控制数据的读写操作。
应用实验结论:实验观察到,D触发器的输出与D信号的输入一致,当D信号发生变化时,输出也随之变化。
除了上述应用实验结论,触发器还可以用于实现计数器、时序逻辑等复杂的功能。
实验三触发器及应用触发器(Trigger)是一种特殊的电路组件,可以在特定的输入条件下产生输出信号。
触发器常常用于数字电路设计、时序控制、存储器单元和计数器等应用中。
实验三触发器主要包括RS触发器、JK触发器和D触发器。
以下将分别介绍这三种触发器的原理及其应用。
1. RS触发器RS触发器是一种最基本的触发器,在数字电路设计中非常常见。
它由两个交叉反馈的NAND门组成。
其中,R和S是设置和复位输入,Q和Q'是输出。
当R=0,S=1时,输出为0,当R=1,S=0时,输出为1。
当R=0,S=0或者R=1,S=1时,输出保持不变。
RS触发器的应用非常广泛,特别是在存储器单元和计数器中。
例如,可以使用RS触发器来设计一个简单的RS触发器存储器单元,将其应用于存储二进制数据。
此外,RS触发器还可以与其他触发器组合,构建更复杂的序列逻辑电路。
2. JK触发器JK触发器是基于RS触发器改进而来的触发器,它具有RS触发器所拥有的功能,并且还可以解决RS触发器中输入同时为1时的不确定性问题。
JK触发器由两个交叉反馈的NAND门组成。
其中,J和K是设置和复位输入,Q和Q'是输出。
当J=1,K=0时,输出为1;当J=0,K=1时,输出为0;当J=1,K=1时,输出与之前的状态取反;当J=0,K=0时,输出保持不变。
JK触发器的应用也非常广泛。
它可以用于设计计数器、频率除法器、位移寄存器等。
例如,可以使用JK触发器设计一个计数器,实时计算输入的脉冲数量。
此外,JK触发器还可以用于构建时序控制电路,实现时序逻辑功能。
3. D触发器D触发器是一种特殊的触发器,其中输入D作为数据输入,而不是设置或复位输入。
D触发器由一个NAND门和一个反相器组成。
其中,D是数据输入,CLK 是时钟输入,Q和Q'是输出。
当时钟信号上升沿到来时,D触发器的输出将与D输入同步,并保持在下一个时钟上升沿之前的状态。
D触发器是存储器元件中最常用的触发器之一。
实验三 触发器及其应用一、实验目的1、 掌握基本RS 、JK 、D 、T 触发器的逻辑功能2、 掌握集成触发器的逻辑功能及使用方法3、 熟悉触发器之间相互转换的方法二、实验原理1、基本RS 触发器2、JK 触发器本实验采用74LS112双JK 触发器集成电路,触发方式:下降沿。
JK 触发器状态方程:n n n Q K Q J Q +=+1 (CP 下降沿时有效)3、D 触发器本实验采用74LS74双D 触发器集成电路,触发方式:上升沿。
D 触发器状态方程:Q n+1=D4、 触发器之间的转换 A 、JK T : T 触发器Q n+1=TQ n +TQ nB 、D T ’:T ’触发器:每来一个CP ,触发器状态翻转一次。
三、实验设备1、+5V 电源2、逻辑电平开关3、逻辑电平显示4、脉冲源5、74LS1126、74LS747、74LS00四、实验内容1、测试基本RS 触发器逻辑功能由74LS00(四2输入与非门)构建一个基本RS 触发器并对照功能表测试逻辑功能。
2、测试双JK 触发器74LS112逻辑功能 A 、测试R D 、S D 的复位、置位功能B 、对照功能表测试JK 触发器逻辑功能C 、将JK 触发器接成T 触发器,并测试其功能 3、测试双D 触发器74LS74逻辑功能74LS741413121110987654321Vcc1R D 2S D1S D 2R D2CP1CP 2D1D 2Q1Q 1Q 2QGND TQQCP D Q Q Q QA、测试R D、S D的复位、置位功能B、对照功能表测试D触发器逻辑功能C、将D触发器接成T’触发器,并测试其功能五、实验报告1、列表并画电路整理各类触发器逻辑功能2、写出实验体会,并根据自己的理解想像各触发器的实际应用。
实验三触发器及其应用
一、实验目的
1、掌握基本RS、JK、D、T触发器的逻辑功能
2、掌握集成触发器的逻辑功能及使用方法
3、熟悉触发器之间相互转换的方法
二、实验原理
1、基本RS触发器
功能表:
2、JK触发器
本实验采用74LS112双JK触发器集成电路,触发方式:下降沿。
JK触发器状态方程:n
n
n Q
K
Q
J
Q+
=
+1(CP下降沿时有效)
功能表:
Q
3、D 触发器
本实验采用74LS74双D 触发器集成电路,触发方式:上升沿。
D 触发器状态方程:Q n+1
=D
4、 触发器之间的转换 A 、JK T : T 触发器 Q
n+1
=TQ n +TQ n
74LS74
1413121110987
6
5
4
3
2
1
Vcc
1R D 2S D
1S D 2R D
2CP
1CP 2D
1D 2Q
1Q 1Q 2Q
GND T
Q
Q
B 、D T ’:
T ’触发器:每来一个CP ,触发器状态翻转一次。
三、实验设备
1、+5V 电源
2、逻辑电平开关
3、逻辑电平显示
4、脉冲源
5、74LS112
6、74LS74
7、74LS00
四、实验内容
1、测试基本RS 触发器逻辑功能
由74LS00(四2输入与非门)构建一个基本RS 触发器并对照功能表测试逻辑功能。
2、测试双JK 触发器74LS112逻辑功能 A 、测试R D 、S D 的复位、置位功能 B 、对照功能表测试JK 触发器逻辑功能 C 、将JK 触发器接成T 触发器,并测试其功能 3、测试双D 触发器74LS74逻辑功能 A 、测试R D 、S D 的复位、置位功能 B 、对照功能表测试D 触发器逻辑功能 C 、将D 触发器接成T ’触发器,并测试其功能
五、实验报告
1、列表并画电路整理各类触发器逻辑功能
2、写出实验体会,并根据自己的理解想像各触发器的实际应用。
CP
D
Q
Q Q
Q。