质量文本记录表单汇总
- 格式:doc
- 大小:1.23 MB
- 文档页数:74
质量记录汇总表
编制:审核:
附注:所有质量记录之表格之最新版本,文控中心必须有存档。
质量记录汇总表
编制:审核:
附注:所有质量记录之表格之最新版本,文控中心必须有存档。
质量记录汇总表
编制:审核:
附注:所有质量记录之表格之最新版本,文控中心必须有存档。
编制:审核:
编制:审核:
附注:所有质量记录之表格之最新版本,文控中心必须有存档。
质量记录汇总表
编制:审核:
编制:审核:
编制:审核:
编制:审核:
编制:审核:
编制:审核:
编制:审核:
编制:审核:
编制:审核:
编制:审核:
编制:审核:
编制:审核:。
质检申请单编号:XX-SR-ZL-001取样记录质检报告单编号:XX-SR-ZL-003留样观察记录编号:XX-SR-ZL-004留样台帐编号:XX-SR-ZL-005标签样板档案编号:XX-SR-ZL-006说明书样板档案编号:XX-SR-ZL-006建档人:建档日期:品种:质量事故处理记录编号:XX-SR-ZL-007实验用品使用记录编号:XX-SR-ZL-008实验用品台帐编号:XX-SR-ZL-009成品批检定记录检查人:复核人:质量计划编号:XX-SR-ZL-011编制人:___________________ 日期:_______________________批准人:___________________ 日期:_______________________质量计划实施情况检查表批监控记录批审核放行单编号:XX-SR-ZL-014受控文件清单编号:XX-SR-ZL-015记录清单编号:XX-SR-ZL-016管理评审计划编号:XX-SR-ZL-017管理评审报告编号:XX-SR-ZL-018纠正与预防措施处理单编号:XX-SR-ZL-019注:1.此表由有关人员填写。
产品返回登记表监视和测量装置台帐周期检定计划编号:XX-SR-ZL-022顾客满意程度调查表编号:XX-SR-ZL-023产品信息反馈单编号:XX-SR-ZL-024 表单递交人:_____________递交日期:____ 年—月—日销售情况反馈表第季度销售情况反馈表编号:XX-SR-ZL-025顾客档案编号:XX-SR-ZL-026年度内审计划编号:XX-SR-ZL-027编制人2 日期2审核人2 日期2批准人2 日期2审核实施计划编号:XX-SR-ZL-0281.审核目的: ___________________________________________2.审核依据:本公司管理体系文件3.审核范围: _____________________________________________4.审核时间:年月—日至年—月—日首次会议时间:年—月—日时—分末次会议时间:年—月一日—时一分5.审核组成员:__________________________________________6.现场审核期间请被审核方有关人员参加下列活动:首、末次会议:最高管理者或其代表及与审核有关的管理人员参加。
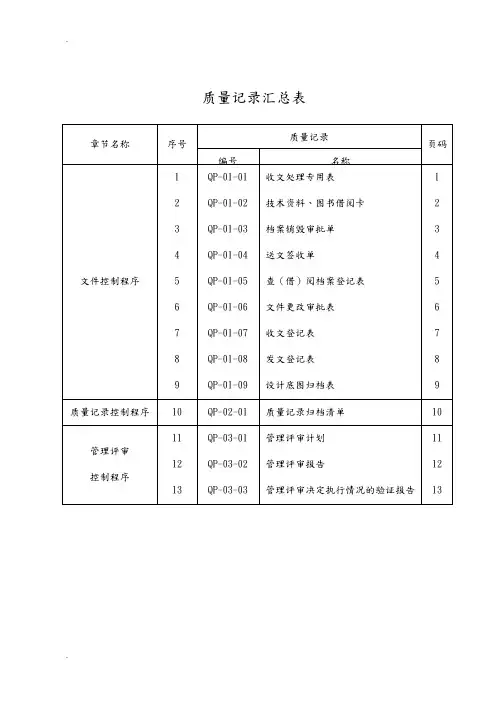
质量记录汇总表章节名称序号质量记录页码编号名称文件控制程序123456789QP-01-01QP-01-02QP-01-03QP-01-04QP-01-05QP-01-06QP-01-07QP-01-08QP-01-09收文处理专用表技术资料、图书借阅卡档案销毁审批单送文签收单查(借)阅档案登记表文件更改审批表收文登记表发文登记表设计底图归档表123456789质量记录控制程序10 QP-02-01 质量记录归档清单10管理评审控制程序111213QP-03-01QP-03-02QP-03-03管理评审计划管理评审报告管理评审决定执行情况的验证报告111213产品要求评审程序141516171819202122QP-04-01QP-04-02QP-04-03QP-04-04QP-04-05QP-04-06QP-04-07QP-04-08QP-04-09产品要求评审会议纪要产品要求评审会签单设计任务单造价产品要求评审会签单造价咨询任务单院管项目及设总提名申报表产品采购要求评审会议纪要产品采购要求评审会签单建设单位/项目名称更改审批表141617181920212324章节名称序号质量记录页码编号名称设计过程控制程序23242526272829303132QP-05-01QP-05-02QP-05-03QP-05-04QP-05-05QP-05-06QP-05-07QP-05-08QP-05-09QP-05-10顾客提供资料登记表方案/可研设计计划方案/可研设计输入审批单方案/可研设计评审报告方案/可研设计校审记录单初设/施工图设计计划初设/施工图设计输入审批单专业设计统一技术条件单专业互提资料单初设/施工图评审报告2527293032333536384033343536373839404142 QP-05-11QP-05-12QP-05-13QP-05-14QP-05-15QP-05-16QP-05-17QP-05-18QP-05-19QP-05-20初设/施工图校对记录单初设/施工图审核记录单初步设计审定记录单施工图审定记录单造价咨询文件编制计划设计更改申报表设计联络函设计修改通知单设计变更单工程总结报告书42444546474849505152服务工作程序43444546QP-06-01QP-06-02QP-06-03QP-06-04现场服务报告工程项目回访报告顾客满意度调查表顾客意见反馈纠正措施报告57586061不合格品控制程序47 QP-07-01 设计质量问题(更改)处理表62 纠正与预防控制措施48 QP-08-01 纠正措施报告63内部审核控制程序495051QP-09-01QP-09-02QP-09-03内部质量体系审核检查表内部质量体系审核不符合项分布表内部质量体系审核不符合项报告646566人力资源525354QP-10-01QP-10-02QP-10-03培训审批表年度培训计划表培训人员记录表67707155 QP-10-04 执业资格人员记录表72收文处理专用表编号:QP-01-01收文日期发文机关原文号份数密级文件编号事由:处理意见:领导批示:承办情况:传阅签名:技术资料、图书借阅卡编号:QP-01-02姓名:部门:专业:编号:借阅日期资料、图书名称或编号借阅人还书日期资料员档案销毁审批表编号:QP-01-03序号案卷或文件题名年代目录号卷号或卷内文件卷内文件保存销毁原因备注申报人意见:审核人意见:主管领导批准:.申报人:日期:审核人:日期:批准人:日期:制表人:执行人:监销人:执行时间:.送文签收单QP-01-04送文时间原文号收文号收文人签名还文时间送文时间原文号收文号收文人签名还文时间.. 查(借)阅档案登记表编号:QP-01-05查档时间查档人姓名档案类别、名称、档案号用途页数借阅时间归还时间备注文件更改审批表编号:QP-01-06申报部门申报人申报日期原文件名原文发布部门和日期申请更改原因修改的主要内容及完成时间修改人:日期:审核人:日期:批准人:日期:收文登记表编号:QP-01-07序号收文时间文件名称及发文号份数发文单位收件人部门文号备注.发文登记表编号:QP-01-08发文时间文号发文人文件名称院领导签收年月日部门签收年月日部门签收年月日.设计底图归档表委托单位工程代号/编号归档日期设总设计部门归档人档案员子项名称专业负责人设计面积(m2) □规划面积(hm2) □设计规模(m2/d) □建筑高度底图(张)设计时间备注0# 1# 2# 3# 4# 总计.合计编号:QP-01-09注:土建项目填设计面积,规划项目填规划面积,市政项目填设计规模。
.文件(资料)档案目录-01Q质页脚.文件(资料)发放记录-02质 Q页脚.文件(资料)更改单-03 Q质页脚.更改登记表文件(资料)-04质Q页脚.页脚.文件借阅(复制)登记表-05Q质页脚.回复)登记质量信息(反馈 Q质-06页脚.质量信息反馈单-07Q质页脚.质量信息处理回复单-08质页脚.文件(资料)接收记录-09 Q质页脚.受控文件清单-10质Q页脚.-11 Q质次内部审核实施计划年第页脚.年月日Q质-11-1页脚.-11-2质Q审核组成员名单页脚.-11-3 质Q页脚.页脚.-12质Q年第次内部审核检查表受审核单位:页脚.页脚.-12-1质Q次内部审核检查表年第受审核单位:页脚.页脚.页脚.Q质-13内部审核不符合报告注:此表一式两份,一份留受审核单位,一份由组织审核部门归档。
如纠正和纠正措施涉及多个单位,可根据情况增加份数。
页脚.Q质-14年第次内部审核报告质量(——)字日月年页脚.页脚.页脚.-14-3质Q页脚.()级不合格品审理申报表-15质 Q申报单位:编号:页脚.质量工作计划(目标)实施情况检查表-16质Q 单位:此表一式二份,质量管理部门一份,填报单位一份审核:制表:页脚.质量问题认可记录-17Q质年月质量问题认可记录-17Q 质年月页脚.Q质-18日期:检查地点:检查人:问题:监督检查记录本确认人:处理结果:单位:证:验页脚.产品质量追踪卡-19质Q 品种:批号:页脚.产品质量追踪卡-19-1 Q页脚.内部沟通函-20质Q 年月日一式三份(发件单位,收件单位,质管部门)内部沟通函-20质Q 年月日一式三份(发件单位,收件单位,质管部门)页脚.产品质量评审记录-21质页脚.例外放行审批表Q质-22注:本表一式四份,随产品流转一份,生产单位、检验部门、质量管理部门各一份。
页脚.不合格品审理人员推荐(增补、注销)表Q质-23单位:年月日页脚.不合格品审理人员审批表-24质Q页脚.废品移交单-25质Q编号:日年月注:废品产生的时间段以不合格品发生时间为准;表中填不完,可以附页。
质量记录表式汇编目录质量记录表式汇编目录质量记录表式汇编目录编制/日期: 审核/日期:编制/日期: 审核/日期:编制/日期: 审核/日期:管理评审计划管理评审会议记要管理评审报告质量策划记录产品销售合同QR/JG-0301-01供方:合同编号:需方:签订地点:二、质量要求技术标准、供方对质量负责的条件和期限三、交(提)货地点、方式四、运输方式及到达站港和费用负担五、合理损耗及计算方法六、包装标准、包装物的供应与回收七、验收标准、方法及提出异议期限八、随机备品、配件工具数量及供应方法九、结算方式及期限十、如需提供担保、另立合同担保书,作为合同附件十一、违约责任十二、解决合同纠纷的方式十三、其它约定事项外协产品委托加工合同QR/JG-0301-02 合同编号:签订日期:客户电话(口头)订单QR/JG-0301-03 订单编号:通知日期:特殊产品合同评审表合同变更单QR/JG-0301-05 NO:合同编号订货单位产品名称、规格数量交货期要求更改内容描述:经办人:日期:质保部评审意见:签名:日期:业务部评审意见:签名:日期:技术部评审意见:签名:日期:其他相关部门评审意见:签名:日期:合同更改信息确认传递部门质保部技术部制造部财务部管理文件受控目录QR/JG-0501-01 NO:文件审批单QR/JG-0501-02 NO:文件更改申请单文件归档登记表文件作废留用/销毁申请单技术文件受控目录外来文件(图样)登记表物资采购申请单应急采购申请单申购原因:审核意见:签名: 日期:物资采购合同QR/JG-0601-04供方:合同编号:需方:签订地点:二、质量要求技术标准、供方对质量负责的条件和期限三、交(提)货地点、方式四、运输方式及到达站港和费用负担五、合理损耗及计算方法六、包装标准、包装物的供应与回收七、验收标准、方法及提出异议期限八、随机备品、配件工具数量及供应方法九、结算方式及期限十、如需提供担保、另立合同担保书,作为合同附件十一、违约责任十二、解决合同纠纷的方式十三、其它约定事项物资进厂报验单物资进厂检验报告物资入库单记帐说明:本单一式三联第一联:发票附件第二联:财务核算第三联:仓库留存物资领用单记帐发料主管领用制单说明:本单一式二联第一联:财务核算第二联:仓库留存分承包方申报表分承包方质量能力调查表分承包方质量能力评审报告说明:本单一式二联金切设备完好标准检查表锻压设备完好标准检查表起重设备完好标准检查表紧急放行、例外转序质量跟踪表(螺栓、螺钉类)上海合作公司产品检验报告(螺柱类)上海合作公司产品检验报告(螺母类)上海合作公司产品检验报告(非标类)上海合作公司外协产品质量检验单NO.检验员: 日期:计量器具降级/报废申请单计量器具赔偿通知单原材料降级利用申请表不合格品通知处理单备注:第一联:质保部留存不合格品通知处理单产品报废单产品报废单内部质量信息反馈单签名:日期:传递/处理情况:签名:日期:顾客质量信息反馈单签名:日期:传递/处理情况:签名:日期:纠正和预防措施实施单编制/日期审核/日期内部质量审核年度计划内部质量审核日程表内部质量审核检查表QR/JG-1701-03 NO:。
质量记录生效期: 2001/9/20质量记录表格汇编修改状态: 0文件编码:ZJ.QR- 第页共页目录受控文件清单....................................................................................4文件发放登记表 (5)文件领用申请表.................................................................................6文件修改建议表.................................................................................7文件更改通知书 (8)计算机登记表.................................................................................9收文(图)登记表..............................................................................10发文(图)登记表..............................................................................11会议签到表....................................................................................12档案资料移交表 (13)治理评定质量改进措施记录表 (14)年度职员培训工作打算表 (15)职员培训申请表..............................................................................16年度职员培训实施情况汇总表 (17)合同(标书)评审/会签表 (18)外部投诉处理记录表 (19)供方评价记录..............................................................................20合格供方名单.................................................................................21建设监理月报 (22)施工组织设计(方案)报审表 (27)分包单位资格报审表 (28)工程定位测量放线报验单 (29)工程材料/构配件/设备报审表 (30)进场要紧施工机械报验单 (31)隐蔽工程验收记录 (32)报验申请表..............................................................................33事故报告单 (34)监理工程师通知单 (35)监理工程师通知回复单 (36)监理工作联系单 (37)工程监理日记.................................................................................38工程开工/复工报审表 (40)工程暂停令 (41)工程临时延期申请表 (42)工程临时延期审批表 (43)工程最终延期审批表 (44)()月工程计量申报表 (45)工程款支付申请表 (46)工程款支付证书 (47)工程变更单……………………………………………………………………48费用索赔申请表 (49)费用索赔审批表……………………………………………………………………50工程进度款审核托付单 (51)工程预/结算审核托付单 (52)审核通知 (53)单位工程竣工预验申请表 (54)工程竣工报验单 (55)遗留问题处理表..............................................................................56质量回访工作记录 (57)样品登记....................................................................................58顾客提供办公用品登记表 (59)外租/借检测设备、仪器登记表 (60)检测设备、仪器台帐 (61)检测设备、仪器领用登记表 (62)检测设备、仪器周期送检打算表 (63)检查表....................................................................................64不合格报告....................................................................................66内审不合格项目分布表 (67)内审会议签到表..............................................................................68项目监理部工作考评表 (69)监理人员考核记录表 (70)随机抽检记录表 (71)监理工作意见调查表 (72)意见调查表....................................................................................73年度项目考评结果一览表 (74)公司领导/部门负责人巡视记录 (75)监理存在问题处理记录 (76)纠正措施记录表 (77)预防措施记录表 (78)受控文件清单日期:编号:编码:ZJ.QR-4.2.3-01-1序号文件名称文件编码版本修改状态总页数备注页码修改编号文件发放登记表日期:编号:编码:ZJ.QR-4.2.3-01-2分发号文件名称文件编码版本/修改状态接收部门受控编号收文签名备注文件领用申请表日期:编号:编码:ZJ.QR-4.2.3-01-3。
共产党员八条义务
一、认真学习马克思列宁主义、毛泽东思想,邓小平特色理论,学
习党的路线方针、政策及决议,学习党的基本知识,学习科学、文化和业务知识,努力提高为人民服务的本领
二、贯彻执行党的基本路线和各项方针、政策,带头参加改革开放
和社会主义现代化建设,带动群众为经济发展和社会进步艰苦奋斗,在生产、工作、学习和社会生活中起模范作用。
三、坚持党和人民的利益高于一切,个人利益服从党和人民的利
益,吃苦在前,享受在后,克己奉公,多做贡献
四、自学遵守党的纪律和国家的法律,严格保守党和国家的秘密,
执行党的决定,服从组织的分配,积极完成党的任务
五、维护党的团结和统一,对党忠诚老实,言行一致,坚决反对一
切别有用心的组织和小集团活动,反对阳奉阴违的两面行为和一切阴谋诡计。
六、切实开展批评和自我批评,勇于揭露和纠正工作中的缺点、错
误,坚决同腐败消极现象作斗争
七、密切联系群众,向群众宣传党的主张,遇事同群众商量及时向
党反映群众的意见和要求,维护群众的正当利益
八、发扬社会主义新风尚,提倡共产主义道德,为了保护国家和人
民的利益,在一切困难和危险时刻挺身而出,英勇奋斗,不怕牺牲。
文件发放清单
受控文件清单
部门:第页共页
制表:审批:日期:
文件管理登记表
部门:第页共页
制表:审批:日期:
文件领用申请单
文件更改申请单
文件销毁/留用申请单
销毁文件登记表
文档目录
文件夹/袋名称:编号:
编制:日期:
文件借阅登记表
有效文件登记表
类别:体系文件
编制:批准:有效期:
质量记录清单
部门:第页共页
编制:审批:日期:
管理评审计划
管理评审通知
管理评审记录
管理评审会议签到表
管理评审报告
管理评审纠正/预防/改进措施记录单
年度公司培训计划
编制部门:负责人:编制日期:审批:第页共页
个人培训记录
姓名:编号:
培训考核记录表
特殊工作人员资格审查记录表
人力资源需求计划表
员工培训考核有效性评价
设施设备需求表
设施设备报废申请表
办公用品领用单物品名称:
设施设备记录
设备管理台帐
质量计划实施情况检查表
产品要求确认表
产品要求评审表
产品要求评审记录。
质量记录汇总表
收文处理专用表编号:QP-01-01
处理意见:
领导批示:
承办情况:
技术资料、图书借阅卡
-/
档案销毁审批表编号:QP-01-03
-/
送文签收单
-/
查(借)阅档案登记表编号:QP-01-05
-/
文件更改审批表
收文登记表编号:QP-01-07
发文登记表编号:QP-01-08
设计底图归档表编号:QP-01-09
注:土建项目填设计面积,规划项目填规划面积,市政项目填设计规模。
质量记录归档清单
管理评审计划
管理评审报告
管理评审决定执行情况的验证报告
产品要求评审会议纪要编号:QP-04-01
产品评审会议纪要(续)编号:QP-04-01
产品要求评审会签单编号:QP-04-02
注:所管项目填写此表。
设计任务单编号:QP-04-03
造价产品要求评审会签单编号:QP-04-04
造价咨询任务单编号:QP-04-05
院管项目及设总提名申报表编号:QP-04-06
产品采购要求评审会议纪要
编号:QP-04-07
注:1、院管项目由生产经营部或国际项目部召集、主管院长主持评审并审批;
2、供方提供的资料证明由生产经营部保存。
产品采购要求评审会议纪要(续)编号:QP-04-07
产品采购要求评审会签单编号:QP-04-08
注:1、所管项目填写此表;
2、供方提供的资料证明由所(室)交生产经营部保存。
建设单位/项目名称更改审批表编号:QP-04-09
顾客提供资料登记表编号:QP-05-01
顾客提供资料登记表(续)编号:QP-05-01
注:本表由设总或专业负责人填写,验证完成后由设总组织归档。
方案/可研设计计划编号:QP-05-02
注:院管项目须经所级和院级二级审批。
方案/可研设计计划(续)
编号:QP-05-02
注:1、投标工程、院管项目、中型及以上的工程,须经所级和院级二级审批;
2、本表由专业负责人填写并归档。
方案/可研设计输入评审单
编号:QP-05-03
注:1、本表由方案/可研负责人负责填写并归档。
2、本表方案、可研设计输入文件栏目中“□”内,有的打“√”,没有的打“×”。
方案/可研设计评审报告编号:QP-05-04
方案/可研设计评审报告(续)编号:QP-05-04
方案/可研设计校审记录单编号:QP-05-05
-/
初设/施工图设计计划编号:QP-05-06
备注:1、“设计”、“校对”、“审核”、“审定”栏内填写相关责任人姓名;2、“作业图”和“出图”栏内填写该阶段完成的时间,内部校审和修改时间由各专业自行安排。
编号:QP-05-06
注:工程名称与工程代号子项号均应对应。
编号:QP-05-07
2、本表设计输入文件栏内□内,有该文件的打“√”,没有该文件的打“×”。
专业设计统一技术条件单编号:QP-05-08
专业设计统一技术条件单(续)编号:QP-05-08
专业互提资料单编号:QP-05-09
专业互提资料单
编号:QP-05-09A
注:本表适用于多次提资时,重复使用,专业互提资料由专业负责人负责,提资应经校审。
初设/施工图评审报告编号:QP-05-10
初设/施工图评审报告(续)编号:QP-05-10
初设/施工图校对记录单
编号:QP-05-11 共页第页
初设/施工图校对记录单(续)
编号:QP-05-11 共页第页
初设/施工图审核记录单
编号:QP-05-12 共页第页
初步设计审定记录单
施工图审定记录单
编号:QP-05-14 共页第页
造价咨询文件编制计划
设计更改申报表
注:需要出蓝图时使用此表。