屋面板模板计算书
- 格式:rtf
- 大小:4.32 MB
- 文档页数:17
板模板(木支撑)计算书一、工程属性模板设计平面图模板设计正立面图模板设计侧立面图四、面板验算现实,楼板面板应搁置在梁侧模板上,因此本例以简支梁,取1m单位宽度计算。
计算简图如下:面板抗弯刚度W=bh2/6=1000×15×15/6=m m3,I=bh3/12=1000×15×15×15/12=0mm4q1=0.9×(1.2(G1k+ (G3k+G2k)×h)+1.4Q1k)=0.9×[1.2×(0.1+(24+1.1)×0.13)+1.4×2.5]=6.78kN/m;q1=0.9×(1.35(G1k+ (G3k+G2k)×h)+1.4×0.7Q1k)=0.9×[1.35×(0.1+(24+1.1)×0.13)+1.4×0.7×2.5]=6.29kN/m;根据上述计算取较大值,q1=max[6.78,6.29]=6.78kN/m作为设计依据。
q2=0.9×1.2×G1k=0.9×1.2×0.1=0.11kN/m;p=1.4×Q1k=1.4×2.5=3.5kN;当施工何在为均布线荷载:M1=q1l2/8=6.78×0.452/8=0.17kN;当施工荷载为集中荷载时:M2=q2L2/8+pL/4=0.11×0.452/8+3.5×0.45/4=0.4kN;1、强度验算σ=M max/W=0.4×106=10.57N/mm2≤[f]=15N/mm2满足要求!2、挠度验算q=(G1k+ (G3k+G2k)×h)×b=(0.1+(1.1+24)×0.13)×1=3.36kN/m;ν=5ql4)=5×3.36×45040)= .6 mm≤[ν]=l/400=450/400=1.12mm满足要求!五、小梁验算1、强度验算q1=0.9max[1.2(G1k+ (G3k+G2k)×h)+1.4Q1k,1.35(G1k+(G3k+G2k)×h)+1.4×0.7Q1k]×b=0.9×max[1.2×(0.2+(1.1+24)×0.13)+1.4×2.5,1.35×(0.2+(1.1+24)×0.13)+1.4×0.7×2.5)]×0.45=3.1kN/m因此,q1静=0.9×1.2(G1k+ (G3k+G2k)×h)×b=0.9×1.2×(0.2+(1.1+24)×0.13)×0.45=1.68kN/mq1活=0.9×1.4×Q1k×h=0.9×1.4×2.5×0.45=1.42kN/mM1= . 静L2+0.1q1活2=0.077×1.68×0.92+0.1×1.42×0.92=0.22kN·mq2=0.9×1.2G1k×b=0.9×1.2×0.2×0.45=0.1kN/mp=0.9×1.4×2.5=3.15kNM2= . L2+0.21pL=0.077×1.68×0.92+0.21×3.15×0.9=0.7kN·mM3=m [ /2,/2+pL1]=max[3.1×0.22/2,0.1×0.22/2+3.15×0.2]=0.63kN·mM max=max[M1,M2,M3]=max[0.22,0.7,0.63]=0.7kN·mσ=M max/W=0.7×106=12.2N/mm2≤[f]=14.9N/mm2满足要求!2、抗剪验算V1= .6 静L+0.62q1活L=0.607×1.68×0.9+0.62×1.42×0.9=1.71kNV2= .6 L+0.681p=0.607×0.1×0.9+0.681×3.15=2.2kNV3=max[q1L1,q2L1+p]=max[3.1×0.2,0.1×0.2+3.15]=3.17kNV max=max[V1,V2,V3]=Max[1.71,2.2,3.17]=3.17kNτmax= m /(2bh0)=3×3.17×1000/(2×83×50)=1.15N/mm2≤[τ]=1.74N/mm2满足要求!3、挠度验算q=(G1k+ (G3k+G2k)×h)×b=(0.2+(24+1.1)×0.13)×0.45=1.56kN/m跨中νm x= .6 4)=0.632×1.56×9004 . 00)=0. mm≤[ν]=l/400=900/400=2.25mm悬臂端νm a x=qL4/(8EI)=1.56×2004 . 00)= . mm≤[ν]=l1/400=200/400=0.5mm满足要求!六、帽木验算R=V max=3.17kN;2、抗弯验算计算简图如下:帽木计算简图(kN)帽木弯矩图(kN·m)M max=0.22kN·m;R i1=1.21kN;R i2=3.91kN;R i3=1.21kN;σ=M max/W=0.22×106=3.92N/mm2≤[f]=14.9N/mm2 满足要求!3、抗剪验算帽木剪力图(kN)V max=3.91kN;τmax= m /2A=3×3.91×1000/(2×50×83)=1.41N/mm2≤[τ]=1.74N/mm2 满足要求!4、挠度验算帽木变形图(kN·m)νmax=0.09mm;νmax= . mm≤[ν]=l/400=2.25mm满足要求!七、斜杆验算N=max[R i1,R i3] sin θ)= . N;2、强度计算σ=N/A=1.72×103/4500=0.38N/mm2≤[f]=14.9N/mm2满足要求!八、立柱验算N1=[0.9×[1.2×(G1k+G2k×0.13+G3k×0.13)+1.4×Q1k]×L a×L b]×1000=[0.9×[1.2×(0.5+24×0.13+1.1×0.13)+1.4×1]×0.9×0.9]×1000=4312.47N;N2=[0.9×[1.35×(G1k+G2k×0.13+G3k×0.13)+0.7×1.4×Q1k]×L a×L b]×1000=[0.9×[1.35×(0.5+24×0.13+1.1×0.13)+0.7×1.4×1]×0.9×0.9]×1000=4417.78N;2、强度计算σ=N/A n=4417.78/4500=0.98N/mm2≤[f]=14.9N/mm2满足要求!。
铝镁锰合金屋面板受力分析(65/415铝镁锰合金屋面板65/450镀铝锌压型钢板)受力计算总则1.设计荷载:(1)恒载标准值:屋面板(含避雷系统)自重: 0.025/m2(2)活载标准值:0.5kN/m2(3)雪荷载标准值:0.65kN/m2(4)风荷载:基本风压: 0.45kN/m2高度变化系数:μz=1.184(h≈17m)μz=1.084(h≈13m)风载体型系数,计算点统一取:-1.3风压标准值:-0.585kN/m2 2.设计原则:(1)结构要求:首先满足建筑、结构使用功能要求。
(2)功能要求:考虑结构经济、合理,安全可靠。
(3)结构设计理论:按承载力极限状态和正常使用极限状态设计截面。
(4)结构计算模型:考虑屋面板承受竖向荷载、水平荷载,强度和挠度按受弯构件计算;并考虑温度和地震效应的影响。
强度和挠度按弹性五跨连续梁模型计算内力,按薄壁构件验算截面。
3.设计所采用计算方法及公式:(1)荷载组合:a. 当活荷载≥雪荷载时: 恒荷载+活荷载b. 当活荷载<雪荷载时: 恒荷载+活荷载c.考虑风荷载最不利组合: 恒荷载+风荷载d.考虑检修荷载组合:恒荷载+检修荷载(2)内力分析:按弹性理论分析,在活荷载作用下考虑活荷载的最不利布置,在雪荷载作用下考虑满跨布置,并考虑积雪效应,检修荷考虑作用在跨计算单元及计算简图:取一板宽作为计算单元,见上图: 均布荷载下的内力计算:21078.0ql M =22033.0ql M =23046.0ql M =2105.0ql M B -=2079.0ql M C -=集中荷载下的内力计算:lF M er 2.01= lF M er B 1.0-=1p re b F q η= 式中:bp 1——压型钢板的波距,对此板取bp 1=b F —— 集中荷载 q re ——折算线荷载η——折算线荷载系数,取η=0.5m kN b F q p re /205.1415.00.15.01=⨯==η(4)截面验算: 按下式验算弯曲强度:f W M efx ≤=maxmax σ 按下式验算板件宽厚比:200100644.041lEI ql f ≤⨯=集中荷载作用:200100456.131lEIFlf≤⨯=4.截面参数:选用铝镁锰合金板屋面,其截面参数如下:截面高:h=65 mm 截面宽:B=415 mm 板厚:t=0.9 mm理论重量: 1.27kg/m(65/415铝镁锰屋面板截面)I x = 295586mm4i x = 23.1 mm4I y = 12783342 mm4 i y = 151.8 mm4A=555mmm2截面惯性矩:I x = 0.296×106 mm4i x = 23.1 mmy0 = 15mm截面抵抗矩:W x1 = 0.52×104 mm 3W x2 = 1.97×104 mm 3钢材钢号:铝f=180. N/mm 2 fu=230~280 N/mm 2 E=69×103 N/mm 2屋面板受力分析与计算1.荷载取值:风荷载考虑风力参与组合为最不利组合,风荷载按满跨布置。
北京奥运射击馆工程金属屋面系统檐口部分计算书屋面板铝合金板型受向下荷载时截面参数22铝合金板型受向上荷载时截面参数221.荷载计算1) 恒荷载铝合金屋面板自重 KPa 2)活荷载KPa 3)风荷载(地面粗糙度取: 高度取:米)w 0基本风压(按规范取值) KPa阵风系数风压高度系数第一章结构计算0.0350.500ω0 =0.650βz =1.67 1.687B类20μz=1.248一 屋面板采用铝合金直立锁边屋面板,截面特性如下表所示,表中所有数据均建立在欧洲权威检测机构的大量受荷试验基础上,并有该机构的检测报告备查。
风荷载体形系数负风压标准值正风压标准值4)雪荷载 基本雪压 KPa 屋面积雪分布系数 KPa 则雪压标准值 KPa2.荷载组合1)向下受力:标准值: 组合一:恒+风+雪ωk1 =ω0 βz μz μs1=-1.916ωk2 =ω0 βz μz μs2=0.821μs1 =-1.400μs2 =0.600s k =s 0μr =0.400S0 =0.400μr =1.000++×= KPa 组合二:恒+风+活1.136w k d1 =0.0350.8210.4000.7++×=KPa设计值: 组合一:恒+风+雪×+×+××= KPa 组合二:恒+风+活×+×+××=KPa 2)向上受力:标准值:恒+风= KPa 设计值:恒+风××=KPa由以上可知,最不利荷载组合最大值是:3)向下:标准值:KPa 设计值:KPa 4)向上:标准值:KPa 设计值:KPa1.206w k d2 =0.0350.8210.5001.40.400 1.41.584w q d1 =0.0351.20.821 1.41.682w q d2 =0.0351.20.821w k u =0.035-1.916-1.88 1.40.5001.4-2.65w k d = 1.206w q u =0.0351.0-1.916w q u =-2.65w q d = 1.682w k u=-1.880.70.70.73.内力计算及强度验算因屋面板为现场压型,故可按多跨连续构件计算,板跨L=1)受向下作用力时:边跨跨中弯距0.08×w q d ×L 2=××2=KN·m/m< M F,K /λM =KNm/m中间跨支座弯距0.107×w q d ×L 2=××2= KN·m/m< M B,K /λM =KNm/m边支座反力R a =0.4×w q d ×L=××= KN/m< R a,K /λM =KN/m中支座反力R b =1.143×w q d ×L =××=KN/m< R b,K /λM =KN/m支座弯距及反力综合验算:M m,f /M 0B,K +R b /R 0B,K =/+/=< 1.02)受向上作用力时:边跨跨中弯距0.08×w q u ×L 2=××2=KN·m/m< M F,K /λM =KNm/m中间跨支座弯距0.107×w q u ×L 2=××2=KN·m/m< M B,K /λM =KNm/m1.5Ml,f=Mm,f= 0.107 1.6821.6820.301.50.080.401.143 1.682 1.8820.4 1.6821.0110.911.4911.51.52.8819.180.405 1.9272.8835200.22Ml,f=-2.65由上可知,强度满足要求。
1) 屋面板抗风计算书A. 屋面板基本参数基材:350n/m ㎡,厚度t=0.6mm ,板型:468,有效宽度:468mm ,波高:75mm , 波距:468mm ,檩条间距 1.5m 43212.66,11.12/,350/I c m m W c m m f n m m ===B .荷载组合a 基本荷载屋面板自重 0.06 kn/ ㎡屋面恒载标准值DB 0.06 kn/ ㎡屋面活荷载 0.50 kn/ ㎡活荷载标准值LB 0.50 kn/ ㎡基本风压 0.50 kn/ ㎡屋面风压体形系数 -2.2地面粗糙度分类 A 类风压高度系数 1.80 h=32.8m风阵系数 1.54风压标准值 -3.05 kn/ ㎡ h=32.8m屋面雪荷载 0.5kn/ ㎡积雪分布系数 1.4雪荷载标准值 0.5 kn/ ㎡检修集中荷载换算值 0.15 kn/ ㎡b 屋面板上标准线荷载恒载 0.468*0.08=0.028kn/m活荷载 0.468*0.50=0.23kn/m负风压 0.468*(-3.05)=-1.43 kn/m h=32.8m雪压 0.468*0.5=0.23 kn/m检修集中荷载换算值 0.468*0.15=0.07 kn/mc 荷载组合1.2*恒载+1.4*max(活荷载、雪压、检修荷载)=1.2*0.028+1.4*0.23=0.36kn/m 1.0*恒载+1.4*负风压=1.0*0.028+1.4*(-1.43)=-2.03kn/m h=32.8mC. 弯曲应力验算屋面板为一坡通长板,为连续使用2232223221/(8)0.361500/(811.1210)8.95/350/1500/(811.1210)46.4/350/c k e f c c q W f n m mf n m m n m m f n m m σσσ=⨯⨯<=⨯⨯⨯=<=⨯⨯⨯=<=满足=-2.03满足 h =32.8m 经验算,板材弯曲应力满足要求,满足抗风要求D.挠度验算44344341/(384)||1500/25060.361500/(2061038412.6610)0.18||1500/25062.031500/(2061038412.6610) 1.03||1500/2506k e f q E I m mm m m m m m m m ωωωωωω⨯<===⨯⨯⨯⨯⨯=<===⨯⨯⨯⨯⨯=<===满足满足h =32.8m 经验算,板材挠度满足要求2) 墙面板抗风计算书A.墙面板基本参数基材:300n/m ㎡,厚度t=0.6mm ,板型:860,有效宽度:860mm ,波高:25mm , 波距:215mm ,檩条间距 1.5m 4327.98, 5.73/,300/I c m m W c m m f n m m ===B .荷载组合a 基本荷载墙面板自重 0.055 kn/ ㎡墙面恒载标准值DB 0.055 kn/ ㎡基本风压 0.50 kn/ ㎡墙面风压体形系数 0.8地面粗糙度分类 A 类风压高度系数 1.80 h=32.8m风阵系数 1.54风压标准值 -1.11kn/ ㎡ h=32.8mb 墙面板上标准线荷载恒载 0.86*0.055=0.047kn/m风压 0.86*1.11=0.95 kn/m h=32.8mc 荷载组合1.0*恒载+1.4*max(活荷载、雪压、检修荷载)=1.2*0.047+1.4*0=0.056kn/m 1.0*恒载+1.4*风压=1.0*0.047+1.4*0.95=1.377kn/m h=32.8mC. 弯曲应力验算墙面板为一坡通长板,为连续使用2232223221/(8)0.0561500/(8 5.7310) 2.8/300/1500/(8 5.7310)67.6/300/c k e f c c q W f n m mf n m m n m m f n m m σσσ=⨯⨯<=⨯⨯⨯=<=⨯⨯⨯=<=满足=1.377满足 h =32.8m 经验算,板材弯曲应力满足要求D.挠度验算44344341/(384)||1500/25060.0561500/(206103847.9810)0.05||1500/25061.3771500/(206103847.9810) 1.1||1500/2506k e f q E I m mm m m m m m m m ωωωωωω⨯<===⨯⨯⨯⨯⨯=<===⨯⨯⨯⨯⨯=<===满足满足h =32.8m 经验算,板材挠度满足要求。
楼板模板扣件钢管高支撑架计算书计算依据《建筑施工模板安全技术规范》(JGJ162-2008)。
计算参数:模板支架搭设高度为7.8m,立杆的纵距 b=0.90m,立杆的横距 l=0.90m,立杆的步距 h=1.80m。
面板厚度18mm,剪切强度1.4N/mm2,抗弯强度15.0N/mm2,弹性模量6000.0N/mm2。
木方50×100mm,间距300mm,木方剪切强度1.3N/mm2,抗弯强度13.0N/mm2,弹性模量9000.0N/mm2。
模板自重0.30kN/m2,混凝土钢筋自重25.10kN/m3,施工活荷载2.50kN/m2。
扣件计算折减系数取1.00。
图楼板支撑架立面简图图楼板支撑架立杆稳定性荷载计算单元按照规范4.3.1条规定确定荷载组合分项系数如下:由可变荷载效应控制的组合S=1.2×(25.10×0.15+0.30)+1.40×2.50=8.378kN/m2由永久荷载效应控制的组合S=1.35×25.10×0.15+0.7×1.40×2.50=7.533kN/m2由于可变荷载效应控制的组合S最大,永久荷载分项系数取1.2,可变荷载分项系数取1.40采用的钢管类型为48×2.8。
一、模板面板计算面板为受弯结构,需要验算其抗弯强度和刚度。
模板面板的按照三跨连续梁计算。
考虑0.9的结构重要系数,静荷载标准值 q1 = 0.9×(25.100×0.150×0.900+0.300×0.900)=3.293kN/m考虑0.9的结构重要系数,活荷载标准值 q2 = 0.9×(0.000+2.500)×0.900=2.025kN/m 面板的截面惯性矩I和截面抵抗矩W分别为:本算例中,截面惯性矩I和截面抵抗矩W分别为:截面抵抗矩 W = 48.60cm3;截面惯性矩 I = 43.74cm4;(1)抗弯强度计算f = M / W < [f]其中 f ——面板的抗弯强度计算值(N/mm2);M ——面板的最大弯距(N.mm);W ——面板的净截面抵抗矩;[f] ——面板的抗弯强度设计值,取15.00N/mm2;M = 0.100ql2其中 q ——荷载设计值(kN/m);经计算得到 M = 0.100×(1.20×3.293+1.40×2.025)×0.300×0.300=0.061kN.m经计算得到面板抗弯强度计算值 f = 0.061×1000×1000/48600=1.257N/mm2面板的抗弯强度验算 f < [f],满足要求!(2)挠度计算v = 0.677ql4 / 100EI < [v] = l / 250面板最大挠度计算值 v = 0.677×3.293×3004/(100×6000×437400)=0.069mm面板的最大挠度小于300.0/250,满足要求!(4)2.5kN集中荷载作用下抗弯强度计算经过计算得到面板跨中最大弯矩计算公式为 M = 0.2Pl+0.08ql2面板的计算宽度为1200.000mm集中荷载 P = 2.5kN考虑0.9的结构重要系数,静荷载标准值 q = 0.9×(25.100×0.150×1.200+0.300×1.200)=4.390kN/m面板的计算跨度 l = 300.000mm经计算得到 M = 0.200×0.9×1.40×2.5×0.300+0.080×1.20×4.390×0.300×0.300=0.227kN.m经计算得到面板抗弯强度计算值 f = 0.227×1000×1000/48600=4.669N/mm2面板的抗弯强度验算 f < [f],满足要求!二、支撑木方的计算木方按照均布荷载计算。
楼盖楼板计算书一、计算简图的确定1、板的类别的确定A区格:l y=7.0m,l x=3.5m,l y/l x=7.0/3.5=2,故按单向板计算;B区格:l y=7.0m,l x=2m,l y/l x=7.0/2=3.5>2,故按单向板计算。
C区格:l y=7.0m,l x=2.5m,l y/l x=7.0/2.5=2.8>2,故按单向板计算。
D区格:l y=3m,l x=7m,l x/l y=7/3=2.33>2,故按单向板计算。
2、板厚δ的确定A区格:δ=3500/40=87.5mm,故取板厚为100mm。
取B、C、D区格板和A区格同厚。
二、荷载计算屋面板自重:g=4.18KN/m2×1.2=5.02KN/m2屋面板上活载: q=0.7KN/m 2×1.4=0.98KN/m 2 楼面板自重: g=4.31KN/m 2×1.2=5.17KN/m 2 楼面板上活载: q=5KN/m 2×1.4=7KN/m 2 ∴屋面: g+2q =5.02+20.98=5.51KN/m 2,2q =0.49KN/m 2,g+q=6 KN/m 2 楼面: g+2q =5.17+72=8.67KN/m 2,2q=3.5KN/m 2,g+q=12.17KN/m 2 三、板的内力计算1.屋盖计算(1)、A,B,C 区格计算 ①、 计算简图取1m 板宽作计算单元,(g+q) 1=6 1=6KN/m ,②、 弯矩计算③、 配筋计算有效高度h 0=h-a s =100-20=80mm截面 A 1 B 2 C 3 D 4 E 5 F Mmax2.775.54 -8.19 3.15 -3.99 0.16 -1.88 1.69 -4.22 2.81 1.41 调幅弯矩(调幅0.2) 2.226.65-6.553.78-3.190.19-1.502.03-3.383.371.13αS 0.021 0.062 0.061 0.035 0.030 0.002 0.014 0.019 0.032 0.032 0.011 ξ0.021 0.064 0.063 0.036 0.030 0.002 0.014 0.019 0.032 0.032 0.011A s93 2862821601358638514314347选配钢筋8@1508@1508@1508@2008@2008@2008@2008@2008@2008@20008@200实配面积335 335335251251251251251251251251(2)、次梁次梁截面为200X400mm①、荷载屋面板传来恒载 4.18 3.5=14.63KN/m次梁自重0.2*0.4*25=2KN/m恒载Σ=16.63KN/m活载0.7 3.5=2.45KN/m总荷载P=1.2g+1.4q=1.2*16.63+1.4*2.45=23.39KN/m②、计算简图l=l n =7.0-0.3/2*2=6.7m③、次梁弯矩计算截面 A 1 B 2 C 3弯矩系数-0.0417 0.0714 -0.0909 0.0625 -0.0714 0.0625弯矩-43.75 75.00 -95.45 65.62 -75.00 65.62④、次梁剪力计算截面 A B左B右C左C右剪力系0.3940 -0.6060 0.5260 -0.4740 0.5000⑤、配筋计算有效高度h0=400-35=365mma、正截面配筋316 218+220 216+218318316316b、斜截面配筋验算截面尺寸:Hw=h0-h’f=365-100=265mm,因hw/b=265/200<4,截面尺寸按下式验算:0.25f c bh 0=0.25*16.7*200*365=304.75KN>Vmax=94.97KN 截面尺寸满足要求 计算所需腹筋: 采用8双肢箍筋,计算支座B 左侧截面。
黄泥川金属屋面板结构计算多跨连续板受风吸压力的情况(采用三跨连续进行计算)屋面板采用0.9mm厚S65/400铝合金直立锁边板型,板跨为1.5m,(1) 荷载取值1) 恒荷载 0.25 KN/m22) 活荷载(按不上人屋面,但施工或维修荷载较大) 0.50 KN/m23) 风荷载按50年一遇基本风压ω0 = 0.65 KN/m2,正风压标准值ωk2=0.325KN/m2,负风压标准值ωk1=-0.65KN/m24) 雪荷载基本雪压(50年重现期)S0=0.40 KN/m2,屋面积雪分布系数μr=0.40,S k=S0⋅μr =0.16 KN/m2(2) 荷载计算1) 恒荷载 0.25 KN/m2小计 0.25 KN/m2×0.4m=0.1 KN/m2) 活荷载 0.5 KN/m2×0.4m=0.20 KN/m3) 风荷载-0.65 KN/m2×0.4m=-0.26KN/m 0.325 KN/m2×0.4m=0.13 KN/m4) 雪荷载 0.16 KN/m2×0.4m=0.064 KN/m5) 荷载组合向下最不利组合值:恒+活+风=0.25×1.2+0.20×1.4×1.0+0.13×1.4×0.7=0.71KN/m恒+风+活=0.25×1.2+0.13×1.4×1.0+0.20×1.4×0.7=0.68KN/m向下最不利标准值:恒+风+活=0.25+0.13+0.20=0.58 KN/m向上最不利组合值:恒+风=0.25×1.0-0.26×1.4=-0.114KN/m向上最不利标准值:恒+风=0.25-0.26=-0.01KN/m所以最不利的荷载为:向下:最不利荷载设计值为:q f=0.71 KN/m最不利荷载标准值为:q K=0.58KN/m向上:最不利荷载设计值为:q f=-0.114 KN/m最不利荷载标准值为:q k=-0.01KN/m可知以上起控制作用的为向下的荷载,本计算以向下的荷载组合进行验算(3) 按连续屋面板受向下荷载时内力计算(查建筑结构静力计算手册三跨连续梁系数表)得跨中弯距M f=0.08×q f×L2=0.08×0.71×1.52=0.1278KNm中间支座弯距M f=0.11×q f×L2=0.11×0.71×1.52=0.1757KNm边支座反力R a=0.4×q f×L=0.4×0.71×1.5=0.426KN中支座反力R b=1.1×q f×L=1.1×0.71×1.5=1.17KN(4) 按连续屋面板受向下荷载时有效截面特性计算1)有效厚度计算(按偏保守考虑取一块中间加劲板件计算)b=75mm,t=0.9mm,b/t=83.33.详见附图:根据《铝合金结构设计规范》GB50429-2007中第11.1.3-2确定S65/400板型应按第5.2.3计算有效厚度由于Ø=σmin/σmax=M f边/M f中=0.1278/0.1757=0.73<1,根据《铝合金结构设计规范》(GB 50429-2007)中5.2.5-1公式: K=8.2/(Ø+1.05)=4.6根据《铝合金结构设计规范》(GB 50429-2007)中5.2.4公式:σcr=3.142kE/12(1-ν2)(b/t)2=3.142× 5.29×70000/12×(1-0.32) ×83.332=56.2 N/mm2λ=(f0.2/σcr)1/2=(145/89.42)1/2=1.61查《铝合金结构设计规范》(GB 50429-2007)中表5.2.3得系数(强硬化铝合金非焊接):α1=0.9和α2=0.9根据《铝合金结构设计规范》(GB 50429-2007)中5.2.3-1公式:t e=(α1/λ-0.22α2/λ2)t=0.9×(0.9/1.273-0.22×0.9/1.2732)=0.4mm2)有效截面计算根据《铝合金结构设计规范》(GB 50429-2007)中5.4.1-1要求将有效厚度取代厚度t进行有效截面计算:(采用CAD程度自动计算得)I X=116780.81738281 mm4 I Y=5115825.02075195 mm4i x= 22.03 mm i y= 145.8 mm则W ex= I X/ e x =7849.5598mm3, W ey= I y/ e y =23754.58500010mm3,3)承载力计算根据《铝合金结构设计规范》(GB 50429-2007)中11.2.2-2公式得截面承受的最小弯矩为M u=W ex f=7849.5598×145=1.14KNm>M f=0.1757 KNm 满足要求4)稳定计算考虑面板的腹板稳定性计算:腹板的剪切屈曲计算因h/t=36.7/0.9=40.78<875/f0.21/2=72.67根据《铝合金结构设计规范》(GB 50429-2007)中11.3.1-1公式τ=R b/A=1.17×103/0.9×36.7=35.4 N/mm 2<τcr =320 f 0.21/2/(h/t)=127.23 N/mm 2 满足要求 支座处腹板的局部受压承载计算根据《铝合金结构设计规范》(GB 50429-2007)中11.3.1-1公式R w =αt 2(Ef 1/2)(0.5+(0.02l c /t)1/2)(2.4+(θ/90)2)=5.281> R b =1.17KN 满足要求 5)组合作用计算根据《铝合金结构设计规范》(GB 50429-2007)中11.4.1公式可知: M/M u =0.1757/1.14=0.154<1 R/R w =1.17/5.281=0.221<1 0.94(M/M u )2+( R/R w )2=0.071<1 综述,以上各项验算都满足要求。
调整后基本风压ω0:0.32kN/㎡屋面檩条间距L 1.50m活 荷 载q 活:0.5kN/㎡压型钢板板型YX51-380-760恒 荷 载q 恒:0.2kN/㎡压型钢板板厚1mm计算高度Z:39m 压型截面模量W 0.00002048m 3体型系数μs :-2.9压型截面惯性矩I 6.211E-07m 4地面粗糙度:B类压型钢板板宽B0.760m高度变化系数μz : 1.546阵风系数βgz :1.604风压设计值ωk :-2.301kN/㎡1.5mm Q235205N/mm 8.6mm 5.5mm2.614kN7.272kN 2.614kN/㎡-3.161kN/㎡0.901kN0.714kN/m 2.266kN/m 2.025kN/m2.838kN/m 2.838kN/m 24.943N/mm 31.179N/mm0.00146m 0.006m由于屋面板挠度ω<(L/250),故满足要求σ2=M/W=0.10*qmax*L^2/W=0.08*2.838*1.5^2/0.00002048=31179kN/m =31.179N/mm由于σ1<F σ2<F,故屋面板强度满足要求5、屋面板挠度验算为简化计算,按简支梁计算屋面板挠度ωω=(5*qmax*L^4)/(384*E*I)=(5*2.838*1.5^4)/(384*2.06*10^8*0.0000006211)=0.00146m屋面板挠度限值L/250D、恒载+风载(+)q4=(1.0*1.2*q恒+1.0*1.4*ωk)*B=(1.0*1.2*0.2+1.0*1.4*2.301)*0.82=2.838取值A、B、C、D组合最大值q max 屋面板正弯曲(边跨跨中)σ1σ1=M/W=0.08*qmax*L^2/W=0.08*2.838*1.5^2/0.00002048=24943kN/m =24.943N/mm 屋面板负弯曲(中间支座)σ2q1=(1.0*1.2*q恒+1.0*1.4*q活)*B=(1.0*1.2*0.2+1.0*1.4*0.5)*0.76=0.714B、恒载+风载(-)q2=(1.0*1.2*q恒+1.0*1.4*ωk)*B=(1.0*1.2*0.2+1.0*1.4*-2.301)*0.76=-2.266C、恒载+检修荷载(检修荷载取1.0KN)qre=ηF/(B/2)=0.5*1.0/(0.76/2)=1.316q3=1.0*1.2*q恒*B+1.0*1.4*qre=1.0*1.2*0.2*0.76+1.0*1.4*1.316=2.025q=1.0*1.2*q恒+1.0*1.4*ωk=1.0*1.2*0.2+1.0*1.4*-2.301=-3.161 kN/㎡一个自攻螺钉所受拉力NN=q*(B/2)*L/2=-3.161*0.76/2*1.5/2=-0.901 kN由于N<Ntf,故自攻螺钉强度满足设计要求4、屋面板强度验算A、恒载+活载Ntf=8.5*t*f=8.5*1.5*205=2613.75N=2.614 kN按<<冷弯薄壁型钢结构技术规范>>公式(6.1.7-3)计算一个自攻螺钉的抗拉承载力设计值N t fNtf=0.75*tc*d*f=0.75*8.6*5.5*205=7272.375N=7.272 kN比较两个公式取其中较小值N t f 屋面板风吸力作用组合荷载q 被连接钢板钢板的材质被连接钢板的抗拉强度设计值f钉杆的圆柱状螺纹部分钻入基材中的深度tc 自攻螺钉的直径d按<<冷弯薄壁型钢结构技术规范>>公式(6.1.7-3)计算一个自攻螺钉的抗拉承载力设计值N tf3.7.7屋面板计算1、基本信息:ωk=βgz*μs*μz*ωo=1.604*-2.9*1.546*0.32=-2.3012、自攻螺钉验算紧挨钉头侧的压型钢板厚度t。
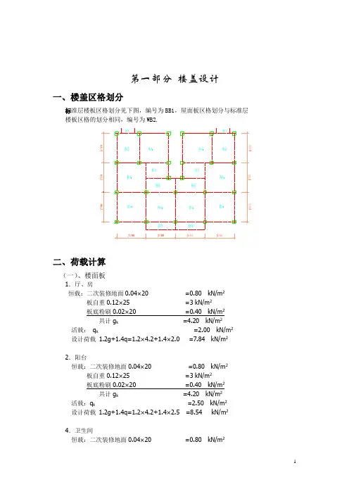
第一部分楼盖设计一、楼盖区格划分标准层楼板区格划分见下图,编号为BB1,屋面板区格划分与标准层楼板区格的划分相同,编号为WB2.二、荷载计算(一)、楼面板1.厅、房恒载:二次装修地面0.04×20 =0.80 kN/m2板自重0.12×25 =3 kN/m2板底粉刷0.02×20 =0.40 kN/m2共计g k=4.20 kN/m2活载:q k=2.00 kN/m2设计荷载 1.2g+1.4q=1.2×4.2+1.4×2.0 =7.84 kN/m22.阳台恒载:二次装修地面0.04×20 =0.80 kN/m2板自重0.12×25 =3 kN/m2板底粉刷0.02×20 =0.40 kN/m2共计g k=4.20 kN/m2活载:q k=2.50 kN/m2设计荷载1.2g+1.4q=1.2×4.2+1.4×2.5 =8.54 kN/m24.卫生间恒载:二次装修地面0.04×20 =0.80 kN/m2板自重0.12×25 =2.50 kN/m2板底粉刷0.02×20 =0.40 kN/m2共计g k=11.7(加上附加荷载7.5 kN/m2)kN/m2活载:q k=2.00 kN/m2设计荷载1.2g k+1.4q k =1.2×11.7+1.4×2 =16.84 kN/m2(二)、屋面板恒载:1:8水泥焦渣找坡层0.045(平均)×14.5 =0.70 kN/m230厚C20细石砼保护层0.03×24 =0.72 kN/m2防水层=0.35 kN/m220厚1:3水泥砂浆找平层0.02×20 =0.40 kN/m2板自重0.12×25 =3.00 kN/m2共计g k=5.17 kN/m2活载:(上人)q k=2.00 kN/m2设计荷载1.2g+1.4q=1.2×5.17+1.4×2.0 =9.00 kN/m2三、楼板配筋计算1.标准层楼板配筋计算(房厅)B4:恒载:g=1.2g k=1.2X4.2=5.04 kN/m2活载:q=1.4 q k=1.4X2.0=2.8 kN/m21.荷载g’=g+q/2=5.04+2.8/2=6.44 kN/m2q’=q/2=2.8/2=1.4 kN/m22.弯矩计算板短边与长边的比值为:lxo=3900mm; lyo=3900mm ;根据板的支撑条件为两邻端固定,两邻端简支,查得板的弯矩系数α,列表如下:①跨中弯距:Mx=αm1g’ l2xo+αm5q’ l2xo =0.0273X6.44X3.92 +0.0429X1.4X3.92=3.58My=αm2g’ l2yo+αm6q’ l2yo =0.0273X6.44X3.92 +0.0429X1.4X3.92 =3.58②支座负弯距:Mxo=αm3( g’+ q’) l2xo =0.0281X(6.44+1.4)X3.92 =3.35Myo=αm4( g’+ q’) l2yo =0.0289X(6.44+1.4)X3.92 =3.453.截面设计板的砼保护层厚度取15mm,αms=20mm短跨方向跨中截面有效高度:hox=120-20=100mm长跨方向跨中截面:hoy=120-20-10=90mm支座截面:ho=120-20=100mm板的配筋按下式计算:短跨跨中(X):As=Mx/(0.95h0f y)=3.58/(0.95X100X210)=179 mm2长跨跨中(Y):As=My/(0.95h0f y)=3.58/(0.95X90X210)=199mm2支座短边:As=Mxo/(0.95h0f y)=3.35/(0.95X100X210)=168 mm2支座长边:As=Myo/(0.95h0f y)=3.45/(0.95X100X210)=173 mm24.列出板(区格)按弹性理论分析的内力及截面配筋表:板的内力及配筋(房厅)B2 :恒载:g=1.2g k=1.2X4.2=5.04 kN/m2活载:q=1.4 q k=1.4X2.0=2.8 kN/m21.设计荷载g’=g+q/2=5.04+2.8/2=6.44 kN/m2q’=q/2=2.8/2=1.4 kN/m22.弯矩计算板短边与长边的比值为:lxo=3000mm; lyo=3900mm ;根据板的支撑条件为三边,③跨中弯距:Mx=αm1g’ l2xo+αm5q’ l2xo =0.0364X6.44X32 +0.0675X1.4X32=3.16My=αm2g’ l2yo+αm6q’ l2yo =0.0263X6.44X3.92 +0.0426X1.4X3.92 =3.71④支座负弯距:Mxo=αm3( g’+ q’) l2xo =0.0390X(6.44+1.4)X32 =2.97Myo=αm4( g’+ q’) l2yo =0.0273X(6.44+1.4)X3.92 =3.513.截面设计板的砼保护层厚度取15mm,αms=20mm短跨方向跨中截面有效高度:hox=120-20=100mm长跨方向跨中截面:hoy=120-20-10=90mm支座截面:ho=120-20=100mm板的配筋按下式计算:短跨跨中(X):As=Mx/(0.95h0f y)=3.16/(0.95X100X210)=158mm2长跨跨中(Y):As=My/(0.95h0f y)=3.71/(0.95X90X210)=207 mm2支座短边:As=Mxo/(0.95h0f y)=2.97/(0.95X100X210)=149 mm2支座长边:As=Myo/(0.95h0f y)=3.51/(0.95X100X210)=176 mm24.列出板(区格)按弹性理论分析的内力及截面配筋表:板的内力及配筋(房厅)B3:恒载:g=1.2g k=1.2X4.2=5.04 kN/m2活载:q=1.4 q k=1.4X2.0=2.8 kN/m21.设计荷载g’=g+q/2=5.04+2.8/2=6.44 kN/m2q’=q/2=2.8/2=1.4 kN/m22.弯矩计算板短边与长边的比值为:lxo=3900mm; lyo=3900mm ;根据板的支撑条件为三边固,⑤跨中弯距:Mx=αm1g’ l2xo+αm5q’ l2xo =0.0206X6.44X3.92 +0.0429X1.4X3.92=3.12My=αm2g’ l2yo+αm6q’ l2yo =0.0255X6.44X3.92 +0.0429X1.4X3.92 =3.65⑥支座负弯距:Mxo=αm3( g’+ q’) l2xo =0.0219X(6.44+1.4)X3.92 =2.82Myo=αm4( g’+ q’) l2yo =0.0261X(6.44+1.4)X3.92 =3.363.截面设计板的砼保护层厚度取15mm,αms=20mm短跨方向跨中截面有效高度:hox=120-20=100mm长跨方向跨中截面:hoy=120-20-10=90mm支座截面:ho=120-20=100mm板的配筋按下式计算:短跨跨中(X):As=Mx/(0.95h0f y)=3.12/(0.95X100X210)=156mm2长跨跨中(Y):As=My/(0.95h0f y)=3.65/(0.95X90X210)=203 mm2支座短边:As=Mxo/(0.95h0f y)=2.82/(0.95X100X210)=141 mm2支座长边:As=Myo/(0.95h0f y)=3.36/(0.95X100X210)=168 mm24.列出板(区格)按弹性理论分析的内力及截面配筋表:板的内力及配筋(房厅)B7:恒载:g=1.2g k=1.2X4.2=5.04 kN/m2活载:q=1.4 q k=1.4X2.0=2.8 kN/m21.设计荷载g’=g+q/2=5.04+2.8/2=6.44 kN/m2q’=q/2=2.8/2=1.4 kN/m22.弯矩计算板短边与长边的比值为:lxo=3900mm; lyo=3900mm ;根据板的支撑条件为四边固,⑦跨中弯距:Mx=αm1g’ l2xo+αm5q’ l2xo =0.0205X6.44X3.92 +0.0429X1.4X3.92=3.12My=αm2g’ l2yo+αm6q’ l2yo =0.0205X6.44X3.92 +0.0429X1.4X3.92 =3.52⑧支座负弯距:Mxo=αm3( g’+ q’) l2xo =0.0205X(6.44+1.4)X3.92 =2.64Myo=αm4( g’+ q’) l2yo =0.0205X(6.44+1.4)X3.92 =2.64 3.截面设计板的砼保护层厚度取15mm,αms=20mm短跨方向跨中截面有效高度:hox=120-20=100mm长跨方向跨中截面:hoy=120-20-10=90mm支座截面:ho=120-20=100mm板的配筋按下式计算:短跨跨中(X):As=Mx/(0.95h0f y)=3.12/(0.95X100X210)=156mm2长跨跨中(Y):As=My/(0.95h0f y)=3.52/(0.95X90X210)=196 mm2支座短边:As=Mxo/(0.95h0f y)=2.64/(0.95X100X210)=132 mm2支座长边:As=Myo/(0.95h0f y)=2.64/(0.95X100X210)=132 mm24.列出板(区格)按弹性理论分析的内力及截面配筋表:(房厅)B5:恒载:g=1.2g k=1.2X4.2=5.04 kN/m2活载:q=1.4 q k=1.4X2.0=2.8 kN/m21.设计荷载g’=g+q/2=5.04+2.8/2=6.44 kN/m2q’=q/2=2.8/2=1.4 kN/m22.弯矩计算板短边与长边的比值为:lxo=2000mm; lyo=3000mm ;根据板的支撑条件为三边固定,一边简支,查得板的弯矩系数α,列表如下:⑨跨中弯距:Mx=αm1g’ l2xo+αm5q’ l2xo =0.0381X6.44X22 +0.0795X1.4X22=1.53My=αm2g’ l2yo+αm6q’ l2yo =0.0137X6.44X32 +0.0396X1.4X32 =1.37 ⑩支座负弯距:Mxo=αm3( g’+ q’) l2xo =0.0390X(6.44+1.4)X22 =1.32Myo=αm4( g’+ q’) l2yo =0.0178X(6.44+1.4)X32 =1.363.截面设计板的砼保护层厚度取15mm,αms=20mm短跨方向跨中截面有效高度:hox=120-20=100mm长跨方向跨中截面:hoy=120-20-10=90mm支座截面:ho=120-20=100mm板的配筋按下式计算:短跨跨中(X):As=Mx/(0.95h0f y)=1.53/(0.95X100X210)=77mm2长跨跨中(Y):As=My/(0.95h0f y)=1.37/(0.95X90X210)=76 mm2支座短边:As=Mxo/(0.95h0f y)=1.32/(0.95X100X210)=66mm2支座长边:As=Myo/(0.95h0f y)=1.36/(0.95X100X210)=68 mm24.列出板(区格)按弹性理论分析的内力及截面配筋表:(卫生间)B6:恒载:g=1.2g k=1.2X11.7=14.04 kN/m2活载:q=1.4 q k=1.4X2.0=2.8 kN/m21.设计荷载g’=g+q/2=14.04+2.8/2=15.44 kN/m2q’=q/2=2.8/2=1.4 kN/m22.弯矩计算板短边与长边的比值为:lxo=2000mm; lyo=3900mm ;根据板的支撑条件为四边固,⑪跨中弯距:Mx=αm1g’ l2xo+αm5q’ l2xo =0.0406X7.06X22 +0.0994X1.4X22=1.71My=αm2g’ l2yo+αm6q’ l2yo =0.0105X7.06X3.92 +0.0335X1.4X3.92 =1.84 ⑫支座负弯距:Mxo=αm3( g’+ q’) l2xo =0.0406X(7.06+1.4)X22 =1.37Myo=αm4( g’+ q’) l2yo =0.0105X(7.06+1.4)X3.92 =1.35 3.截面设计板的砼保护层厚度取15mm,αms=20mm短跨方向跨中截面有效高度:hox=120-20=100mm长跨方向跨中截面:hoy=120-20-10=90mm支座截面:ho=120-20=100mm板的配筋按下式计算:短跨跨中(X):As=Mx/(0.95h0f y)=1.71/(0.95X100X210)=86mm2 长跨跨中(Y):As=My/(0.95h0f y)=1.84/(0.95X90X210)=102mm2支座短边:As=Mxo/(0.95h0f y)=1.37/(0.95X100X210)=69mm2支座长边:As=Myo/(0.95h0f y)=1.35/(0.95X100X210)=68 mm2 4.列出板(区格)按弹性理论分析的内力及截面配筋表:板的内力及配筋(阳台)B1:恒载:g=1.2g k=1.2X4.2=5.04 kN/m2活载:q=5.04+1.4×3.5=9.94 kN/m支重力: P=1.5 KNM=1/2ql2+Pl=1/2×9.94×0.742+1.5×0.74=3.84a s=M/(αc f c bh2o)=3.84×106/(1.0×11.9×1000×1002)=0.032ξ=1-(1-2 a s)1/2=1-(1-2×0.032) 1/2=0.033As=ξa1f c bh o/f y =0.033×1.0×11.9×1000×100/210=187mm 2 所选配筋Ф6@150, 实配189(阳台)B9:恒载:g=1.2g k=1.2X4.2=5.04 kN/m2活载:q=5.04+1.4×3.5=9.94 kN/m支重力: P=1.5 KNM=1/2ql2+Pl=1/2×9.94×1.042+1.5×1.04=6.93a s=M/(αc f c bh2o)=6.93×106/(1.0×11.9×1000×1002)=0.058ξ=1-(1-2 a s)1/2=1-(1-2×0.058) 1/2=0.060As=ξa1f c bh o/f y =0.060×1.0×11.9×1000×100/210=340mm 2所选配筋Ф8@150, 实配3352.层面板配筋计算(层面板)B4:恒载:g=1.2g k=1.2X5.17=6.20kN/m2活载:q=1.4 q k=1.4X2.0=2.8 kN/m21.设计荷载g’=g+q/2=6.20+2.8/2=7.60 kN/m2q’=q/2=2.8/2=1.4 kN/m22.弯矩计算板短边与长边的比值为:lxo=3900mm; lyo=3900mm ;根据板的支撑条件为两邻端,按下式计算板的弯矩。
楼板(屋面板)现浇混凝土模板(扣件钢管式支架体系)计算书一、参数信息:1.模板支架参数横向间距或排距(m):l=1.1~1.2平均1.15,验算取不利值1.2;纵距(m): b=1.1~1.2平均1.15,验算取不利值1.2;步距(m):h=1.6~1.8平均1.70,验算取不利值1.80;立杆上端伸出至模板支撑点长度(m):a=0.08;模板支架搭设高度(m)最大值:H=7.9+4.2=12.1m;采用的钢管(mm):Φ48×3.0 ;扣件连接方式:双扣件,考虑扣件的保养情况,扣件抗滑承载力系数:0.80;板底支撑连接方式:方木支撑;2.荷载参数模板与木板自重(kN/m2):0.350;混凝土与钢筋自重(kN/m3):25.000;施工均布荷载标准值(kN/m2):(1.8+1.5)=3.3,其中“1.8”为施工人员及施工设备荷载,“1.5”为混凝土浇筑时的振动荷载;4.材料参数面板采用胶合面板,厚度为18mm。
面板弹性模量E(N/mm2):9500;面板抗弯强度设计值(N/mm2):13.000;板底支撑采用方木;木方弹性模量E(N/mm2):9500.000;木方抗弯强度设计值(N/mm2):13.000;木方抗剪强度设计值(N/mm2):1.400;木方的间隔距离(mm):400.0~500.0平均450.0,验算取不利值500.0;木方的截面宽度(mm):50.00;木方的截面高度(mm):100.00;托梁材料为:Φ48×3.0;间距@8005.楼板参数钢筋级别:三级钢HRB 400;楼板混凝土强度等级:C30;每平米楼板截面的钢筋面积(mm2):500.000;楼板的计算宽度(m):5.7,验算取不利值5.7;楼板的计算厚度(mm):100.00;楼板的计算长度(m):6.2,验算取不利值6.2;施工平均温度(℃):28.000;图2 楼板支撑架荷载计算单元二、模板面板计算:面板为受弯构件,需要验算其抗弯强度和刚度,取单位宽度1m的面板作为计算单元面板的截面惯性矩I和截面抵抗矩W分别为:W = 120×1.8×1.8/6 = 64.8 cm3;I = 120×1.8×1.8×1.8/12 = 58.32 cm4;模板面板按照三跨连续梁计算。
LB-1矩形板计算项目名称_____________日期_____________设计者_____________校对者_____________一、构件编号: LB-1二、示意图三、依据规范《建筑结构荷载规范》 GB50009-2001《混凝土结构设计规范》 GB50010-2002四、计算信息1.几何参数计算跨度: Lx = 4000 mm; Ly = 3000 mm板厚: h = 120 mm2.材料信息混凝土等级: C25 fc=11.9N/mm2 ft=1.27N/mm2 ftk=1.78N/mm2 Ec=2.80×104N/mm2钢筋种类: HRB335 fy = 300 N/mm2Es = 2.0×105 N/mm2最小配筋率: ρ= 0.200%纵向受拉钢筋合力点至近边距离: as = 20mm保护层厚度: c = 15mm3.荷载信息(均布荷载)永久荷载分项系数: γG = 1.200可变荷载分项系数: γQ = 1.400准永久值系数: ψq = 1.000永久荷载标准值: qgk = 25.000kN/m2可变荷载标准值: qqk = 0.500kN/m24.计算方法:弹性板5.边界条件(上端/下端/左端/右端):固定/固定/固定/固定6.设计参数结构重要性系数: γo = 1.00泊松比:μ = 0.200五、计算参数:1.计算板的跨度: Lo = 3000 mm2.计算板的有效高度: ho = h-as=120-20=100 mm六、配筋计算(lx/ly=4000/3000=1.333<2.000 所以按双向板计算):1.X向底板钢筋1) 确定X向板底弯矩Mx = 表中系数(γG*qgk+γQ*qqk)*Lo2= (0.0130+0.0296*0.200)*(1.200*25.000+1.400*0.500)*32 = 5.228 kN*m2) 确定计算系数αs = γo*Mx/(α1*fc*b*ho*ho)= 1.00*5.228×106/(1.00*11.9*1000*100*100)= 0.0443) 计算相对受压区高度ξ = 1-sqrt(1-2*αs) = 1-sqrt(1-2*0.044) = 0.0454) 计算受拉钢筋面积As = α1*fc*b*ho*ξ/fy = 1.000*11.9*1000*100*0.045/300 = 178mm25) 验算最小配筋率ρ = As/(b*h) = 178/(1000*120) = 0.149%ρ<ρmin = 0.200% 不满足最小配筋要求所以取面积为As = ρmin*b*h = 0.200%*1000*120 = 240 mm2采取方案d8@150, 实配面积335 mm22.Y向底板钢筋1) 确定Y向板底弯矩My = 表中系数(γG*qgk+γQ*qqk)*Lo2= (0.0296+0.0130*0.200)*(1.200*25.000+1.400*0.500)*32 = 8.897 kN*m2) 确定计算系数αs = γo*Mx/(α1*fc*b*ho*ho)= 1.00*8.897×106/(1.00*11.9*1000*100*100)= 0.0753) 计算相对受压区高度ξ = 1-sqrt(1-2*αs) = 1-sqrt(1-2*0.075) = 0.0784) 计算受拉钢筋面积As = α1*fc*b*ho*ξ/fy = 1.000*11.9*1000*100*0.078/300 = 309mm25) 验算最小配筋率ρ = As/(b*h) = 309/(1000*120) = 0.257%ρ≥ρmin = 0.200% 满足最小配筋要求采取方案d8@150, 实配面积335 mm23.X向支座左边钢筋1) 确定左边支座弯矩M o x = 表中系数(γG*qgk+γQ*qqk)*Lo2= 0.0565*(1.200*25.000+1.400*0.500)*32= 15.611 kN*m2) 确定计算系数αs = γo*Mx/(α1*fc*b*ho*ho)= 1.00*15.611×106/(1.00*11.9*1000*100*100)= 0.1313) 计算相对受压区高度ξ = 1-sqrt(1-2*αs) = 1-sqrt(1-2*0.131) = 0.1414) 计算受拉钢筋面积As = α1*fc*b*ho*ξ/fy = 1.000*11.9*1000*100*0.141/300 = 560mm25) 验算最小配筋率ρ = As/(b*h) = 560/(1000*120) = 0.467%ρ≥ρmin = 0.200% 满足最小配筋要求采取方案d10@110, 实配面积713 mm24.X向支座右边钢筋1) 确定右边支座弯矩M o x = 表中系数(γG*qgk+γQ*qqk)*Lo2= 0.0565*(1.200*25.000+1.400*0.500)*32= 15.611 kN*m2) 确定计算系数αs = γo*Mx/(α1*fc*b*ho*ho)= 1.00*15.611×106/(1.00*11.9*1000*100*100)= 0.1313) 计算相对受压区高度ξ = 1-sqrt(1-2*αs) = 1-sqrt(1-2*0.131) = 0.1414) 计算受拉钢筋面积As = α1*fc*b*ho*ξ/fy = 1.000*11.9*1000*100*0.141/300 = 560mm25) 验算最小配筋率ρ = As/(b*h) = 560/(1000*120) = 0.467%ρ≥ρmin = 0.200% 满足最小配筋要求采取方案d10@110, 实配面积713 mm25.Y向上边支座钢筋1) 确定上边支座弯矩M o y = 表中系数(γG*qgk+γQ*qqk)*Lo2= 0.0701*(1.200*25.000+1.400*0.500)*32= 19.369 kN*m2) 确定计算系数αs = γo*Mx/(α1*fc*b*ho*ho)= 1.00*19.369×106/(1.00*11.9*1000*100*100)= 0.1633) 计算相对受压区高度ξ = 1-sqrt(1-2*αs) = 1-sqrt(1-2*0.163) = 0.1794) 计算受拉钢筋面积As = α1*fc*b*ho*ξ/fy = 1.000*11.9*1000*100*0.179/300= 709mm25) 验算最小配筋率ρ = As/(b*h) = 709/(1000*120) = 0.591%ρ≥ρmin = 0.200% 满足最小配筋要求采取方案d10@110, 实配面积713 mm26.Y向下边支座钢筋1) 确定下边支座弯矩M o y = 表中系数(γG*qgk+γQ*qqk)*Lo2= 0.0701*(1.200*25.000+1.400*0.500)*32= 19.369 kN*m2) 确定计算系数αs = γo*Mx/(α1*fc*b*ho*ho)= 1.00*19.369×106/(1.00*11.9*1000*100*100)= 0.1633) 计算相对受压区高度ξ = 1-sqrt(1-2*αs) = 1-sqrt(1-2*0.163) = 0.1794) 计算受拉钢筋面积As = α1*fc*b*ho*ξ/fy = 1.000*11.9*1000*100*0.179/300= 709mm25) 验算最小配筋率ρ = As/(b*h) = 709/(1000*120) = 0.591%ρ≥ρmin = 0.200% 满足最小配筋要求采取方案d10@110, 实配面积713 mm2七、跨中挠度计算:Mk -------- 按荷载效应的标准组合计算的弯矩值Mq -------- 按荷载效应的准永久组合计算的弯矩值1.计算荷载效应Mk = Mgk + Mqk= (0.0296+0.0130*0.200)*(25.000+0.500)*32 = 7.390 kN*mMq = Mgk+ψq*Mqk= (0.0296+0.0130*0.200)*(25.000+1.000*0.500)*32 = 7.390 kN*m 2.计算受弯构件的短期刚度 Bs1) 计算按荷载荷载效应的标准组合作用下,构件纵向受拉钢筋应力σsk = Mk/(0.87*ho*As) (混凝土规范式 8.1.3-3)= 7.390×106/(0.87*100*335) = 253.556 N/mm2) 计算按有效受拉混凝土截面面积计算的纵向受拉钢筋配筋率矩形截面积: Ate = 0.5*b*h = 0.5*1000*120= 60000mm2ρte = As/Ate (混凝土规范式 8.1.2-4)= 335/60000 = 0.558%3) 计算裂缝间纵向受拉钢筋应变不均匀系数ψψ = 1.1-0.65*ftk/(ρte*σsk) (混凝土规范式 8.1.2-2)= 1.1-0.65*1.78/(0.558%*253.556) = 0.2834) 计算钢筋弹性模量与混凝土模量的比值αEαE = Es/Ec = 2.0×105/2.80×104 = 7.1435) 计算受压翼缘面积与腹板有效面积的比值γf矩形截面,γf=06) 计算纵向受拉钢筋配筋率ρρ = As/(b*ho)= 335/(1000*100) = 0.335%7) 计算受弯构件的短期刚度 BsBs = Es*As*ho2/[1.15ψ+0.2+6*αE*ρ/(1+ 3.5γf')](混凝土规范式8.2.3--1) = 2.0×105*335*1002/[1.15*0.283+0.2+6*7.143*0.335%/(1+3.5*0.0)]= 1.002×103 kN*m23.计算受弯构件的长期刚度B1) 确定考虑荷载长期效应组合对挠度影响增大影响系数θ当ρ'=0时,θ=2.0 (混凝土规范第 8.2.5 条)2) 计算受弯构件的长期刚度 BB = Mk/(Mq*(θ-1)+Mk)*Bs (混凝土规范式 8.2.2)= 7.390/(7.390*(2.0-1)+7.390)*1.002×103= 5.010×102 kN*m24.计算受弯构件挠度f max = f*(q gk+q qk)*Lo4/B= 0.00197*(25.000+0.500)*34/5.010×102= 8.122mm5.验算挠度挠度限值fo=Lo/200=3000/200=15.000mmfmax=8.122mm≤fo=15.000mm,满足规范要求!八、裂缝宽度验算:1.跨中X方向裂缝1) 计算荷载效应Mx = 表中系数(qgk+qqk)*Lo2= (0.0130+0.0296*0.200)*(25.000+0.500)*32= 4.342 kN*m2) 光面钢筋,所以取值v i=0.73) 计算按荷载荷载效应的标准组合作用下,构件纵向受拉钢筋应力σsk=Mk/(0.87*ho*As) (混凝土规范式 8.1.3-3)=4.342×106/(0.87*100*335)=148.984N/mm4) 计算按有效受拉混凝土截面面积计算的纵向受拉钢筋配筋率矩形截面积,Ate=0.5*b*h=0.5*1000*120=60000 mm2ρte=As/Ate (混凝土规范式 8.1.2-4)=335/60000 = 0.0056因为ρte=0.0056 < 0.01,所以让ρte=0.015) 计算裂缝间纵向受拉钢筋应变不均匀系数ψψ=1.1-0.65*ftk/(ρte*σsk) (混凝土规范式 8.1.2-2)=1.1-0.65*1.780/(0.0100*148.984)=0.3236) 计算单位面积钢筋根数nn=1000/dist = 1000/150=67) 计算受拉区纵向钢筋的等效直径d eqd eq= (∑n i*d i2)/(∑n i*v i*d i)=6*8*8/(6*0.7*8)=118) 计算最大裂缝宽度ωmax=αcr*ψ*σsk/Es*(1.9c+0.08*Deq/ρte) (混凝土规范式 8.1.2-1) =2.1*0.323*148.984/2.0×105*(1.9*20+0.08*11/0.0100)=0.0655mm ≤ 0.30, 满足规范要求2.跨中Y方向裂缝1) 计算荷载效应My = 表中系数(qgk+qqk)*Lo2= (0.0296+0.0130*0.200)*(25.000+0.500)*32= 7.390 kN*m2) 光面钢筋,所以取值v i=0.73) 计算按荷载荷载效应的标准组合作用下,构件纵向受拉钢筋应力σsk=Mk/(0.87*ho*As) (混凝土规范式 8.1.3-3)=7.390×106/(0.87*100*335)=253.556N/mm4) 计算按有效受拉混凝土截面面积计算的纵向受拉钢筋配筋率矩形截面积,Ate=0.5*b*h=0.5*1000*120=60000 mm2ρte=As/Ate (混凝土规范式 8.1.2-4)=335/60000 = 0.0056因为ρte=0.0056 < 0.01,所以让ρte=0.015) 计算裂缝间纵向受拉钢筋应变不均匀系数ψψ=1.1-0.65*ftk/(ρte*σsk) (混凝土规范式 8.1.2-2)=1.1-0.65*1.780/(0.0100*253.556)=0.6446) 计算单位面积钢筋根数nn=1000/dist = 1000/150=67) 计算受拉区纵向钢筋的等效直径d eqd eq= (∑n i*d i2)/(∑n i*v i*d i)=6*8*8/(6*0.7*8)=118) 计算最大裂缝宽度ωmax=αcr*ψ*σsk/Es*(1.9c+0.08*Deq/ρte) (混凝土规范式 8.1.2-1) =2.1*0.644*253.556/2.0×105*(1.9*20+0.08*11/0.0100)=0.2218mm ≤ 0.30, 满足规范要求3.支座上方向裂缝1) 计算荷载效应M o y = 表中系数(qgk+qqk)*Lo2= 0.0701*(25.000+0.500)*32= 16.088 kN*m2) 光面钢筋,所以取值v i=0.73) 计算按荷载荷载效应的标准组合作用下,构件纵向受拉钢筋应力σsk=Mk/(0.87*ho*As) (混凝土规范式 8.1.3-3)=16.088×106/(0.87*100*713)=259.353N/mm4) 计算按有效受拉混凝土截面面积计算的纵向受拉钢筋配筋率矩形截面积,Ate=0.5*b*h=0.5*1000*120=60000 mm2ρte=As/Ate (混凝土规范式 8.1.2-4)=713/60000 = 0.01195) 计算裂缝间纵向受拉钢筋应变不均匀系数ψψ=1.1-0.65*ftk/(ρte*σsk) (混凝土规范式 8.1.2-2)=1.1-0.65*1.780/(0.0119*259.353)=0.7256) 计算单位面积钢筋根数nn=1000/dist = 1000/110=97) 计算受拉区纵向钢筋的等效直径d eqd eq= (∑n i*d i2)/(∑n i*v i*d i)=9*10*10/(9*0.7*10)=148) 计算最大裂缝宽度ωmax=αcr*ψ*σsk/Es*(1.9c+0.08*Deq/ρte) (混凝土规范式 8.1.2-1) =2.1*0.725*259.353/2.0×105*(1.9*20+0.08*14/0.0119)=0.2648mm ≤ 0.30, 满足规范要求4.支座下方向裂缝1) 计算荷载效应M o y = 表中系数(qgk+qqk)*Lo2= 0.0701*(25.000+0.500)*32= 16.088 kN*m2) 光面钢筋,所以取值v i=0.73) 计算按荷载荷载效应的标准组合作用下,构件纵向受拉钢筋应力σsk=Mk/(0.87*ho*As) (混凝土规范式 8.1.3-3)=16.088×106/(0.87*100*713)=259.353N/mm4) 计算按有效受拉混凝土截面面积计算的纵向受拉钢筋配筋率矩形截面积,Ate=0.5*b*h=0.5*1000*120=60000 mm2ρte=As/Ate (混凝土规范式 8.1.2-4)=713/60000 = 0.01195) 计算裂缝间纵向受拉钢筋应变不均匀系数ψψ=1.1-0.65*ftk/(ρte*σsk) (混凝土规范式 8.1.2-2)=1.1-0.65*1.780/(0.0119*259.353)=0.7256) 计算单位面积钢筋根数nn=1000/dist = 1000/110=97) 计算受拉区纵向钢筋的等效直径d eqd eq= (∑n i*d i2)/(∑n i*v i*d i)=9*10*10/(9*0.7*10)=148) 计算最大裂缝宽度ωmax=αcr*ψ*σsk/Es*(1.9c+0.08*Deq/ρte) (混凝土规范式 8.1.2-1) =2.1*0.725*259.353/2.0×105*(1.9*20+0.08*14/0.0119)=0.2648mm ≤ 0.30, 满足规范要求5.支座左方向裂缝1) 计算荷载效应M o x = 表中系数(qgk+qqk)*Lo2= 0.0565*(25.000+0.500)*32= 12.967 kN*m2) 光面钢筋,所以取值v i=0.73) 计算按荷载荷载效应的标准组合作用下,构件纵向受拉钢筋应力σsk=Mk/(0.87*ho*As) (混凝土规范式 8.1.3-3)=12.967×106/(0.87*100*713)=209.037N/mm4) 计算按有效受拉混凝土截面面积计算的纵向受拉钢筋配筋率矩形截面积,Ate=0.5*b*h=0.5*1000*120=60000 mm2ρte=As/Ate (混凝土规范式 8.1.2-4)=713/60000 = 0.01195) 计算裂缝间纵向受拉钢筋应变不均匀系数ψψ=1.1-0.65*ftk/(ρte*σsk) (混凝土规范式 8.1.2-2)=1.1-0.65*1.780/(0.0119*209.037)=0.6346) 计算单位面积钢筋根数nn=1000/dist = 1000/110=97) 计算受拉区纵向钢筋的等效直径d eqd eq= (∑n i*d i2)/(∑n i*v i*d i)=9*10*10/(9*0.7*10)=148) 计算最大裂缝宽度ωmax=αcr*ψ*σsk/Es*(1.9c+0.08*Deq/ρte) (混凝土规范式 8.1.2-1) =2.1*0.634*209.037/2.0×105*(1.9*20+0.08*14/0.0119)=0.1868mm ≤ 0.30, 满足规范要求6.支座右方向裂缝1) 计算荷载效应M o x = 表中系数(qgk+qqk)*Lo2= 0.0565*(25.000+0.500)*32= 12.967 kN*m2) 光面钢筋,所以取值v i=0.73) 计算按荷载荷载效应的标准组合作用下,构件纵向受拉钢筋应力σsk=Mk/(0.87*ho*As) (混凝土规范式 8.1.3-3)=12.967×106/(0.87*100*713)=209.037N/mm4) 计算按有效受拉混凝土截面面积计算的纵向受拉钢筋配筋率矩形截面积,Ate=0.5*b*h=0.5*1000*120=60000 mm2ρte=As/Ate (混凝土规范式 8.1.2-4)=713/60000 = 0.01195) 计算裂缝间纵向受拉钢筋应变不均匀系数ψψ=1.1-0.65*ftk/(ρte*σsk) (混凝土规范式 8.1.2-2)=1.1-0.65*1.780/(0.0119*209.037)=0.6346) 计算单位面积钢筋根数nn=1000/dist = 1000/110=97) 计算受拉区纵向钢筋的等效直径d eqd eq= (∑n i*d i2)/(∑n i*v i*d i)=9*10*10/(9*0.7*10)=148) 计算最大裂缝宽度ωmax=αcr*ψ*σsk/Es*(1.9c+0.08*Deq/ρte) (混凝土规范式 8.1.2-1) =2.1*0.634*209.037/2.0×105*(1.9*20+0.08*14/0.0119)=0.1868mm ≤ 0.30, 满足规范要求。
扣件式钢管悬挑脚手架计算书型钢悬挑扣件式钢管脚手架的计算依据《建筑施工扣件式钢管脚手架安全技术规范》(JGJ130-2001)、《建筑结构荷载规范》(GB 50009-2001)、《钢结构设计规范》(GB 50017-2003)、《建筑施工安全检查评分标准》(JGJ59-99)、《建筑施工高处作业安全技术规范》(JGJ80-91) 以及本工程的施工图纸。
该部分计算不可控制因素太多,该做法较不安全,请慎重选择,计算书仅供参考。
一、参数信息1.脚手架参数单排脚手架搭设高度为 3 m,立杆采用单立杆;搭设尺寸为:立杆的纵距为 0.9m,立杆与墙中距离为1.1m,立杆的步距为1.2 m;大横杆在上,搭接在小横杆上的大横杆根数为 2 根;采用的钢管类型为Φ48×3.5;横杆与立杆连接方式为双扣件;取双扣件抗滑承载力调整系数 0.75;连墙件布置取两步两跨,竖向间距 2.4 m,水平间距1.8 m,采用扣件连接;连墙件连接方式为双扣件;2.活荷载参数施工均布荷载(kN/m2):6.545;脚手架用途:其它用途;同时施工层数:1 层;3.风荷载参数本工程地处广东广州市,基本风压0.44kN/m2;风荷载高度变化系数μz,计算连墙件强度时取0.74,计算立杆稳定性时取0.74,风荷载体型系数μs为0.251;4.静荷载参数每米立杆承受的结构自重荷载标准值(kN/m):0.1581;脚手板自重标准值(kN/m2):7.538;栏杆挡脚板自重标准值(kN/m):0.000;安全设施与安全网自重标准值(kN/m2):0.000;脚手板铺设层数:1 层;脚手板类别:冲压钢脚手板;栏杆挡板类别:木脚手板挡板;5.水平悬挑支撑梁悬挑水平钢梁采用Φ48 × 3.5钢管,其中建筑物外悬挑段长度1.2m,建筑物内锚固段长度 1.5 m。
锚固压点压环钢筋直径(mm):20.00;楼板混凝土标号:C30;6.拉绳与支杆参数支撑数量为:1;支杆与墙支点距离为(m):3.000;最里面支点距离建筑物 1.1 m,支杆采用 48×4mm。
铝镁锰屋面系统屋面设计验算:铝镁锰屋面板计算书重中之重根据规范要求,本屋面分为2个区间进行计算。
区间1为室内屋面,采用该屋面顶端最危险部位进行计算。
区间2为室外屋面,采用该屋面最危险的檐口部位进行计算。
(一) 区间1屋顶标高为37.0m最大风压为负风压Wk =βgz x μz x μs x W0=1.61x1.52 x(-0.8)x0.4=-0.78kN/m21. 屋面板验算:屋面板采用0.9mm厚65/400型型立边咬合铝板,铝支座80mm,截面特性如下表所示:65/400型立边咬合铝板受向上压力时的截面参数板厚惯性矩跨中允许弯矩允许支座反力连续板支座允许弯矩M/M0B,k+R/R0B,k<1 Tmm Jef,kcm4/m MF,k KNm/m Ra,k KN/m M0B,k KNm/m R0B,k KN/m MaxMB,k KNm/m MaxRB,k KN/m0.9 45.1 1.88 14.8 1.88 47.8 1.63 9.54[$#61548]m=1 [$#61548]m=1.1屋面板通过T型支座连接在檩条上,由T型支座支撑,故屋面板的受力应为多跨连续梁的形式,为简化计算,在验算中,屋面板按五跨连续进行计算,取1m的宽度进行单位宽度的验算,在强度验算是,考虑结构重要性系数为1.1([$#61548]=1.1)。
其计算模型为:屋面板自重为0.035KN/m2,屋面风荷载为-0.78KN/m2,屋面板跨度1.5m。
(1)荷载统计及组合:负向荷载(受力方向向上):标准值:qk=0.035+(-0.78) KN/m=-0.745KN/m设计值:q=1.0×0.035+1.4×(-0.78) KN/m=-1.057KN/m(2)负向荷载下屋面板的强度和挠度的综合验算:a)屋面板强度验算:i. 屋面板跨中最大弯矩:Mf1=0.078[$#61548]ql2=0.078×1.1×(-1.057)×1.52=-0.204 KN[$#8226]m|Mf1|<1.88 KN[$#8226]m满足要求。
120厚楼面模板支撑计算书(10.7m)工程名称:编制单位:1.计算参数结构板厚180mm,层高13.0010.7m,结构表面考虑隐蔽;模板材料为:夹板底模厚度18mm;木材弹性模量E=9000N/mm2,抗弯强度f m=13.00N/mm2,顺纹抗剪强度f v=1.40N/mm2 ;支撑采用Φ48×3.0mm钢管:横向间距900mm,纵向间距900mm,支撑立杆的步距h=1.50m;钢管直径48mm,壁厚 3.0mm,截面积 4.24cm2,回转半径i=1.59cm;钢材弹性模量E=206000N/mm2,抗弯强度f=205.00N/mm2,抗剪强度f v=125.00N/mm2。
2.楼板底模验算(1)底模及支架荷载计算荷载类型标准值单位计算宽度(m) 板厚(m) 系数设计值①底模自重 0.30 kN/m2× 1.0 × 1.2 = 0.36 kN/m②砼自重 24.00 kN/m3× 1.0 × 0.12 × 1.2 = 5.183.46 kN/m③钢筋荷载 1.10 kN/m3× 1.0 × 0.12 × 1.2 = 0.240.16 kN/m④施工人员及施工设备荷载 2.50 kN/m2× 1.0 × 1.4 = 3.50 kN/m底模和支架承载力计算组合①+②+③+④ q1 = 9.287.48 kN/m底模和龙骨挠度验算计算组合(①+②+③) q2 = 5.783.98 kN/m(2)楼板底模板验算第一层龙骨间距L=350mm,计算跨数5跨。
底模厚度18mm,板模宽度=1000mm;W=bh2 /6=1000×182/6=54000mm3,I=bh3/12=1000×183/12=486000mm4。
1)内力及挠度计算a.①+②+③+④荷载支座弯矩系数K M=-0.105M1=K M q1L2 =-0.105×9.287.48×3502=-96211119364N.mm剪力系数K V=0.606V1=K V q1L=0.606×9.287.48×350=15871968Nb.①+②+③荷载支座弯矩系数K M=-0.105M2=K M q2L2 =-0.105×5.783.98×3502=-5119374345N.mm跨中弯矩系数K M=0.078M3=K M q2L2 =0.078×5.783.98×3502=3802955228N.mm剪力系数K V=0.606V2=K V q2L=0.606×5.783.98×350=8441226N挠度系数Kυ=0.644υ2=Kυq2L4/(100EI)=0.644×(5.783.98/1.2)×3504/(100×9000×486000)=0.080.11mmC施工人员及施工设备荷载按2.50kN(按作用在边跨跨中计算)计算荷载P=1.4×2.50=3.50kN ,计算简图如下图所示。
楼面模板和支撑系统计算书支撑面板采用1930㎜×915㎜×18㎜的竹胶合板,支撑小楞采用1Φ48钢管,水平间距为300㎜或采用50×100㎜方木,立楞也采用1Φ48钢管,支柱采用1Φ48钢管,间距纵横均为0.9m 。
1、 支撑板(面板)计算:(1) 荷载计算竹胶合板自重:1.2×12000×0.018=259N/m100㎜厚新浇钢筋混凝土自重: 1.2×25000×0. 1=3000N/m施工荷载:1.4×2500=3500N/m以上总计:6759N/mq 1 取1米为计算单元:q1=6759×1=6759N/mq 2=(6759-3500)×P=3500×1=3500N(2)内力计算:施工荷载为均布荷载:M 1= q 11/8=6759×施工荷载为集中荷载:M 2= q 212/8+P1/4=3259×0.32/8=3500×0.32/4=299N.m由于M 2>M 1故应用M 2验算强度。
(3)强度验算:W=bh 2/6=1000×182/6=5.4×102=M 2/w=299×103/5.4×102=5.5N/mm 2<f=12N/mm 2强度满足要求。
(4)挠度验算:1、荷载计算:验算挠度应只采用恒载的标准荷载其各项荷载值如下: 木胶合板自重:12000×0.018=216N/m100㎜厚新浇钢筋混凝土自重:25000×0.1=2500N/m以上总计:2716N/m取板宽1米:q=1×2716=2716N/m=2.716N/mmI=bh 3/12=1000×183/12=48.6×104E=1.1×10W=5q 14/384EI=5×2.716×3004=(384×1.1×104×48.6×104)=0.054㎜<300/400=0.75㎜。
板模板(木支撑)计算书综合楼工程;属于框架;地上13层,地下2层;建筑高度:49.3m;标准层层高:3.4m;总建筑面积:46740.84平方米;总工期:360天;施工单位:华盛置业集团建设工程有限公司。
本工程由:市场建设营运有限公司投资建设;由建筑设计有限公司设计,工程勘察研究院地质勘察,工程管理有限公司监理,集团建设工程有限公司组织施工;由担任项目经理;担任技术负责人。
模板支架采用木顶支撑,计算根据《木结构设计规范》(GB50005-2003)《混凝土结构设计规范》(GB50010-2002)、《建筑结构荷载规范》(GB 50009-2001)、《建筑施工计算手册》江正荣著、建筑施工手册》(第四版)等编制。
一、参数信息1、模板支架参数横向间距或排距: 1m;纵距: 1m;立柱长度: 3.2m;立柱采用圆形;立杆圆木大头直径: 100mm;立杆圆木小头直径: 80mm;斜撑截面宽度:40mm;斜撑截面高度:60mm;帽木截面宽度:75mm;帽木截面高度:120mm;斜撑与立柱连接处到帽木的距离: 600mm;板底支撑形式:方木支撑;方木的间隔距离:600mm;方木的截面宽度:60mm;方木的截面高度:80mm;2、荷载参数模板与木板自重:0.35kN/m2;混凝土与钢筋自重:25kN/m3;施工均布荷载标准值:2.5kN/m2;3、楼板参数钢筋级别:Ⅲ级钢筋;楼板混凝土强度等级:C25;每层标准施工天数:8;每平米楼板截面的钢筋面积:1440mm2;楼板的计算跨度:4.5m;楼板的计算宽度:7.2m;楼板的计算厚度:120mm;施工期平均气温:250℃;4、板底方木参数板底方木选用木材:南方松;方木弹性模量E:10000N/mm2;方木抗弯强度设计值fm:15N/mm2;方木抗剪强度设计值fv:1.4N/mm2;5、帽木方木参数帽木方木选用木材:南方松;方木弹性模量E:10000N/mm2方木抗弯强度设计值fm:15N/mm2;方木抗剪强度设计值fv:1.6N/mm2;6、斜撑方木参数斜撑方木选用木材:南方松;方木弹性模量E:10000N/mm2;方木抗压强度设计值fv:13N/mm2;7、立柱方木参数立柱方木选用木材:南方松;方木弹性模量E:10000N/mm2;方木抗压强度设计值fv:13N/mm2;二、模板底支撑方木的验算:本工程模板板底采用方木作为支撑,方木按照简支梁计算;方木截面惯性矩I和截面抵抗矩W分别为:W = b×h2/6 = 60×802/6 = 64.000cm3;I = b×h3/12 = 60×803/12 = 256.000cm4;木楞计算简图1、荷载的计算:(1)钢筋混凝土板自重线荷载(kN/m):q1 = 25×120/1000×600/1000 = 1.800 kN/m;(2)模板的自重线荷载(kN/m):q2 = 0.35×600/1000 = 0.210 kN/m;(3)活荷载为施工荷载标准值(kN):p1 = 2.5×1.000×600/1000 = 1.500 kN;2、抗弯强度验算:最大弯矩考虑为静荷载与活荷载的计算值最不利分配的弯矩之和,计算公式如下:均布荷载 q = 1.2×(q1+q2 ) = 1.2×(1.800+0.210) = 2.412 kN/m;集中荷载 P = 1.4×p1 = 1.4×1.500 = 2.100 kN;最大弯距 M = P×l/4+q×l2/8 = 2.10×1/4+2.41×12/8 = 0.83 kN;最大支座力 N = P/2+q×l/2 = 2.10+2.41×1/2 = 3.306kN ;截面应力σ = M/W = 0.827/0.064 = 12.914 N/mm2;方木的最大应力计算值为12.914N/mm2,小于方木抗弯强度设计值15.000N/mm2,满足要求!3、抗剪强度验算:最大剪力的计算公式如下:截面抗剪强度必须满足下式:其中最大剪力:V = 2.41×1/2+2.100/2 = 2.256 kN;截面受剪应力计算值:T = 3×2.256×103/(2×60×80) = 0.705 N/mm2;截面抗剪强度设计值:[f v] = 1.500 N/mm2;方木的最大受剪应力计算值为0.705N/mm2,小于方木抗剪强度设计值1.500N/mm2,满足要求!4、挠度验算:最大挠度考虑为静荷载与活荷载的计算值最不利分配的挠度和,按规范规定,挠度验算取荷载标准值,计算公式如下:均布荷载 q = q1+q2 = 1.800+0.210 = 2.010 kN/m;集中荷载 p = 1.500 kN最大变形ω = 5×2.010×1×1012/(384×10000.000×256.000×104)+1.500×1×109/(48×10000×256.000×104)= 1.022 mm;L/250 = 1000.000/250 = 4.000方木的最大挠度为1.022mm,小于最大容许挠度4.000mm,满足要求!三、帽木验算:支撑帽木按照集中以及均布荷载作用下的两跨连续梁计算;集中荷载P取纵向板底支撑传递力:P = 2.412×1+2.100 = 4.512 kN;均布荷载q取帽木自重:q = 1.00×75/1000×120/1000×3.870 = 0.035 kN/m;截面抵抗矩:W = b×h2/6 = 75/10×120/102/6 = 180.000 cm3;截面惯性矩:I = b×h3/12 = 75×120/103/12 = 1080.000 cm4;帽木受力计算简图经过连续梁的计算得到帽木剪力图(kN)帽木弯矩图(kN.m)帽木变形图(mm)经过连续梁的计算得到各支座对支撑梁的支撑反力由左至右分别为: R[1] = 7.933 kN;R[2] = 12.734 kN;R[3] = 6.209 kN;最大弯矩 Mmax = 0.844 kN.m;最大变形ωmax = 0.0024 mm;最大剪力 Vmax = 6.232 kN;截面应力σ = 4.689 N/mm2。
帽木的最大应力为 4.689 N/mm2,小于帽木的抗弯强度设计值 15.000N/mm2,满足要求!帽木的最大挠度为 0.0024 mm,小于帽木的最大容许挠度 2.000 mm,满足要求!四、模板支架荷载标准值(轴力)计算:作用于模板支架的荷载包括静荷载、活荷载和风荷载。
1、静荷载标准值包括以下内容:(1)木顶撑的自重(kN):N G1 = {1×75/1000×120/1000+[(1/2)2+600/10002]0.5×2×40/1000×60/1000+3.2×80/1000×3.14× 100/1000×100/1000}×3.870 = 0.080 kN(2)模板的自重(kN):N G2 = 0.35×1×1 = 0.350 kN;(3)钢筋混凝土楼板自重(kN):N G3 = 25×120/1000×1×1 = 3.000 kN;经计算得到,静荷载标准值;N G = N G1+N G2+N G3 = 0.080+0.350+3.000 = 3.430 kN;2、活荷载为施工荷载标准值:经计算得到,活荷载标准值:NQ = 2.500×1×1 = 2.500 kN;3、不考虑风荷载时,立杆的轴向压力设计值计算公式:N = 1.2NG+1.4NQ = 1.2×3.430+1.4×2.500 = 7.616 kN;五、立柱的稳定性验算:稳定性计算公式如下:其中,N -- 作用在立柱上的轴力σ-- 立柱受压应力计算值;fc-- 立柱抗压强度设计值;A0-- 立柱截面的计算面积;A0 = 3.14×40.002 = 5026.560 mm2φ-- 轴心受压构件的稳定系数,由长细比λ = l0/i结果确定;轴心受压稳定系数按下式计算:i -- 立杆的回转半径,i = 80/4 = 20.000 mm;i -- 立杆的回转半径,i = 80/4 = 20.000 mm;l0-- 立杆的计算长度,l0 = 3.2×1000-600 = 2600.000 mm;λ = 2600.000/20.000 = 130.000;φ = 0.166;经计算得到:σ = 7616.120/(0.166×5026.560) = 9.145 N/mm2;根据规范规定,用于施工和维修时木材的强度设计值应乘1.2调整系数:[f] = 1.2×13 = 15.600 N/mm2;木顶支撑立柱受压应力计算值为9.145N/mm2,小于木顶支撑立柱抗压强度设计值 15.600N/mm2,满足要求!六、斜撑(轴力)计算:木顶撑斜撑的轴力RDi按下式计算:RDi=RCi/sinαi其中 RCi - 斜撑对帽木的支座反力;RDi - 斜撑的轴力;αi - 斜撑与帽木的夹角。
sinαi = sin{90-arctan[(1/2)/0.600]} = 0.894;斜撑的轴力:R Di = R Ci/sinαi = 7.933/ 0.894 = 8.873 kN七、斜撑稳定性验算:稳定性计算公式如下:其中,N -- 作用在木斜撑的轴力,8.873 kNσ-- 木斜撑受压应力计算值;f c-- 木斜撑抗压强度设计值;11.000 N/mm2A0-- 木斜撑截面的计算面积;A0 = 40×60 = 2400.000 mm2;φ --轴心受压构件的稳定系数,由长细比λ = l0/i结果确定;轴心受压构件稳定系数按下式计算:i -- 木斜撑的回转半径,i = 0.289×60 = 17.340 mm;l0-- 木斜撑的计算长度,l0 = [(1×1000/2)2+6002]0.5 = 781.025 mm;λ = 781.025/17.340 = 45.042;φ = 0.759;经计算得到:σ = 8873.423/(0.759×2400.000) = 4.869N/mm2;根据规范规定,用于施工和维修时木材的强度设计值应乘1.2调整系数;[f] = 1.2×13 = 15.600 N/mm2;木顶支撑斜撑受压应力计算值为4.869 N/mm2,小于木顶支撑斜撑抗压强度设计值15.600N/mm2,满足要求!八、楼板强度的计算:1. 楼板强度计算说明验算楼板强度时按照最不利情况考虑,楼板的跨度取4.5M,楼板承受的荷载按照线荷载均布考虑。