峰值检波+protues仿真
- 格式:pdf
- 大小:277.25 KB
- 文档页数:1
Proteus 入门教程作者:archeng504 日期:2006-1-2本文将简单介绍一下Proteus 的使用。
在这里,我用的Proteus 版本是Proteus6.7 sp3 Professional 。
一、Proteus 6 Professional 界面简介安装完Proteus 后,运行ISIS 6 Professional ,会出现以下窗口界面:为了方便介绍,我分别对窗口内各部分进行中文说明(见上图)。
下面简单介绍各部分的功能:1.原理图编辑窗口(The Editing Window ):顾名思义,它是用来绘制原理图的。
蓝色方框内为可编辑区,元件要放到它里面。
注意,这个窗口是没有滚动条的,你可用预览窗口来改变原理图的可视范围。
2.预览窗口(The Overview Window ):它可显示两个内容,一个是:当你在元件列表中选择一个元件时,它会显示该元件的预览图;另一个是,当你的鼠标焦点落在原理图编辑窗口时(即放置元件到原理图编辑窗口Edited by Foxit Reader Copyright(C) by Foxit Software Company,2005-2008For Evaluation Only.后或在原理图编辑窗口中点击鼠标后),它会显示整张原理图的缩略图,并会显示一个绿色的方框,绿色的方框里面的内容就是当前原理图窗口中显示的内容,因此,你可用鼠标在它上面点击来改变绿色的方框的位置,从而改变原理图的可视范围。
3.模型选择工具栏(Mode Selector Toolbar):主要模型(Main Modes):1* 选择元件(components)(默认选择的)2* 放置连接点3* 放置标签(用总线时会用到)4* 放置文本5* 用于绘制总线6* 用于放置子电路7* 用于即时编辑元件参数(先单击该图标再单击要修改的元件)配件(Gadgets):1* 终端接口(terminals):有VCC、地、输出、输入等接口2* 器件引脚:用于绘制各种引脚3* 仿真图表(graph):用于各种分析,如Noise Analysis4* 录音机5* 信号发生器(generators)6* 电压探针:使用仿真图表时要用到7* 电流探针:使用仿真图表时要用到8* 虚拟仪表:有示波器等2D图形(2D Graphics):1* 画各种直线2* 画各种方框3* 画各种圆4* 画各种圆弧5* 画各种多边形6* 画各种文本7* 画符号8* 画原点等4.元件列表(The Object Selector):用于挑选元件(components)、终端接口(terminals)、信号发生器(generators)、仿真图表(graph)等。
目录第1章Proteus ISIS简介 (1)第2章Proteus ISIS编辑环境 (2)第3章Proteus ISIS原理图输入 (3)3.1 Proteus ISIS原理图输入的可视工具介绍 (3)3.2 在Proteus ISIS原理图编辑窗口查找元件 (4)3.3 放置元件 (9)3.4 连线 (14)3.4.1 无模式连线 (14)3.4.2 自动连线模式 (14)3.4.3 动态光标显示 (14)3.5 元件标签 (17)3.5.1 编辑元件标签 (17)3.5.2 移动元件标签 (18)3.6 器件标注 (18)3.6.1 属性分配工具(PAT) (19)3.6.2 全局标注器 (20)第4章Proteus ISIS 8086仿真 (21)4.1 在Proteus ISIS中输入电路原理图 (21)4.2 在Proteus中设置外部代码编译器 (22)4.3 添加源代码,选择编译器。
(24)4.4 仿真调试 (26)4.4.1 调试模式 (26)4.4.2 设置断点 (27)第1章Proteus ISIS简介Proteus是英国Labcenter公司开发的电路分析与实物仿真及印制电路板设计软件,它可以仿真、分析各种模拟电路与集成电路。
软件提供了大量模拟与数字元器件及外部设备,各种虚拟仪器,特别是它具有对单片机及其外围电路组成的综合系统的交互仿真功能。
Proteus 7主要由ISIS和ARES两部分组成,ISIS的主要功能是原理图设计及与电路原理图的交互仿真,ARES 主要用于印制电路板的设计。
本手册介绍如何利用Proteus ISIS输入电路原理图、利用外部编译器编译8086汇编程序并进行基于8086微处理器的VSM 仿真。
Proteus 7可以在以下操作系统中使用:注意,Proteus软件也可能能在Windows 98,NT, Millennuium等合法Windows 系统中使用,只不过Labcenter和Microsoft都已经不再对此提供技术支持服务。
第32卷第2期2013年2月绵阳师范学院学报Journal of Mianyang Normal University Vol.32No.2Feb.,2013收稿日期:2012-10-26作者简介:杜峰(1980-),男,助教,硕士,主要研究方向:汽车电子控制系统嵌入式开发.E -mail :dufeng123dufeng@126.com基于Proteus 的多路信号监测系统仿真杜峰1,袁显举2,姚立影1,赵永先1(1.绵阳师范学院交通运输与管理学院,四川绵阳621000;2.华南理工大学,广东广州510641)摘要:为满足生产实践的需要,对生产过程中各项重要的运行参数进行实时监测,在Proteus 环境下,采用微控制器、模数转换器、发光二极管和液晶显示器,搭建了一套生产运行参数的监测系统,在Keil 中进行模块化程序设计,通过与二者的联合程序调试,成功对系统进行了仿真,达到了预期效果.关键词:仿真;信号监测;液晶显示;Proteus中图分类号:TP274.2文献标识码:A 文章编号:1672-612x (2013)02-0032-060引言在自动化生产过程中,需要对许许多多电参量及非电参量进行监测,鉴于电压信号传输的便捷些,对于这些电参量及非电参量,通常都是将其转换成电压信号来进行监测处理,力、速度、位移、加速度、湿度、温度、电荷、电流等,通过相应的传感器及电压变换装置将其转换成为0 5V 的电压信号,从而可以利用微控制器对其进行自动检测,再通过相应的数据处理和单位变换,恢复参量的实际数值来进行显示,生产过程的监测对于自动化生产具有很大的帮助作用[1].论文采用经典51单片机,通过ADC0809扩展八路AD 转换通道,对八个生产参数进行不间断监测,并在LCD 上显示参数值,对每一参数设置限定值,如果越限,则进行报警.1系统分析AT89S52通过ADC0809扩展八通道AD 转换,ADC0809转换时钟由单片机定时器0中断产生,选择定时计数器方式2工作,自动装初值,通道数据读取由ADC0809的EOC 引脚在转换结束时通过非门74HC04产生低电平触发单片机外部0中断,读取通道数据并保存在相应通道的存储单元里,主程序调用数据显示子程序滚动显示各通道数值,并负责报警判断,在通道超出预置值时,点亮红色LED 灯报警[2].ADC0809的时钟频率要求最小10KHz ,通常采用640KHz ,它决定了模数转换的速度,在实际的硬件设计中,如果要求信号的实时性,则最好采用硬时钟,本系统中因通道信号的转换和数据的读取都是通过中断对外部数据存储器的操作来实现的,故地址锁存信号输出端ALE 亦不能提供可靠的时钟信号,通过ALE二分频电路提供时钟源的方法亦不可取[3],于是系统采用单片机C /T0中断产生时钟源,但由于ADC0809数据的读入采用的是中断方式,制约了定时器为ADC0809提供的时钟频率的提高,仿真系统采用10KHz ,定时器0工作在方式2,自动重装初值TH0=TL0=256-50.通过外部中断,读取并更新信号通道存储区数据,同时启动下一通道的AD 转换,主程序调用数据处理及显示子程序循环监测各通道信号数据并判断是否超限报警.2锁存器74HC573功能仿真随着单片机技术的发展,许多外围电路,如AD 、DA 和PWM 等功能模块,都被集成在单片机中,不用像最初那样来扩展,但是像锁存器74HC573、驱动芯片74HC244及三八译码器等,其功能、原理及与控制器的接口仍然是嵌入式开发的基础,必须牢固掌握.论文通过锁存器74HC573选中模数转换器ADC0809的转换通道来实现多路转换[4],下面在Proteus 环境下对锁存器74HC573的功能进行仿真,以分析其与单片机的接口电路设计.DOI:10.16276/51-1670/g.2013.02.017Proteus 是英国Labcenter Electronics 公司的EDA 工具软件,是目前世界上最先进、最完整的嵌入式系统设计与仿真软件平台.它基于工业标准SPICE3F5,实现数字/模拟电路的混合仿真;拥有超过27000个仿真器件,多样的激励源,丰富的虚拟仪器,生动的仿真显示,高级图形仿真功能;支持8051、HC11、PIC10/12/16/18/24/30/DsPIC33、AVR 、ARM 、8086、MSP430、Cortex 和DSP 系列处理器等,并且支持当前流行的单片机开发环境,实现了电路的互动仿真和软件代码级的实时调试,配合其中的示波器和逻辑分析仪等虚拟仪器能够观察输入输出结果.74HC573锁存器的真值表见表1.表174HC573真值表Tab.1Truth table of 74HC573Output ControlLatch EnableData Output L H H H L H L L L L X Q0HXXZH =HIGH Level L =LOW LevelQ0=Level of output before steady -state input conditions were established.Z =High Impedance X =Don't Care.在proteus 环境下加入74HC573模型,加入调试工具LOGICSTATE 和LOGICPROBE ,即可对锁存器的功能进行仿真[5],当Output Control 是数据输出控制端,能实现芯片三态输出,高电平时,输出端为高阻状态,如图1所示,当OE 端为高电平时,无论LE 状态是高还是低,输出端均无信号,即为高阻状态.图1OE (Output Control )端功能仿真Fig.1Simulation of OE's functionOutput Control 为低电平,则允许数据正常输出,如果Latch Enable 端同时为高电平,则输出与输入随动,两端电平一致,如图2示,Output Control 端为低电平时,如果Latch Enable 某一刻从高电平跳变为低电平,则锁存器将跳变时刻的数据状态锁存在输出端,输出端不在随输入端而变化,如图3.图2未锁存的状态Fig.2Unlatched state 图3锁存功能仿真Fig.3Simulation of latching·33·杜峰等:基于Proteus 的多路信号监测系统仿真第2期3硬件设计系统通过74HC573连接ADC0809模数转换器的通道选择端A 、B 、C ,在单片机发出写指令启动转换时,ALE 引脚从高到低的跳变触发74HC573将通道选中并启动模数转换,在转换结束时ADC0809模数转换器EOC 端出现高电平经74HC04反相触发单片机外部中断,中断子程序将转换的信号数据读取到相应的存储区,供主程序进行后续处理[6,7],电路原理如图4.图4硬件原理图Fig.4Chematic diagram of Hardwares原理图下方是八路电压信号,并分别使用电压表显示通道当前的电压值,以与LCD 监测值做对比验证.LCD 显示数据由P1口提供,RS 、RW 、E 端分别由P3.0、P3.1和P3.2控制,P3.5端负责报警灯点亮,当检测电压值超限时,P3.5置低电平点亮红色LED 灯报警.4软件设计采用模块化编程,建立五个文件:incdef.h ,1602.c ,delay.asm ,datatransformdisplay.c ,main.c ,定义显示数据全局变量disp [20]和ADC0809通道地址指针数组xdata *ADC [8]={0x7ff8,…,0x7fff },分别对应0-7通道,通过指针来访问.incdef.h 头文件主要进行数据类型定义、数据端口定义、函数声明、添加头文件等,作为头文件添加在其他C 文件中,以简化程序;1602.c 包含了LCD 的初始化、写命令、写数据和等待LCD 空闲的几个子程序;datatransformdisplay.c 有两个子程序构成,一个完成数据十进制的转换,另一个是LCD 数据显示子程序;de-lay.asm 延时子程序,是为LCD 的工作时序专门写的汇编代码,以实现精确延时;main.c 主要来显示通道信号数据并判断报警,另有定时计数器0和外部中断1的中断服务程序,这里对所有通道报警设置为4.3V ,根据不同通道的信号类型,可以很方便的对各个通道分别进行不同的报警设置[8].为了防止采样更新与数据显示发生错乱,每次采样中断响应后就关闭中断,待主程序把正在处理的通道显示完毕后再打开采样中断.·43·第32卷绵阳师范学院学报(自然科学版)4.1KeilC 全局变量的使用由于采用模块化程序设计,几个c 程序文件需要访问同一个变量,在主程序main.c 中定义了数组disp [20]用来存储欲显示在LCD 显示屏上的内容,有不变的部分,在程序启动的时候写入,其中通道数及通道信号数据是可变的,要实时更新,就需要datatransformdisplay.c 中的两个子程序访问,进行数据十进制转换及单位变换和显示.于是在incdef.h 中对其进行外部声明,然后将此头文件添加到每个c 文件里[9].KeilC 文件使用全局变量容易产生难以察觉的错误,对全局变量的使用有以下四点建议:1.尽量少用,最好不用;2.使用中断,要明确寄存器组;3.在主程序外面只对全局变量做声明,不做定义,否则编译出现重定义的错误;4.使用全局变量出错时,可以给它指定一个地址(不能冲突).4.2延时及十进制转换程序由于LCD 工作有严格的工作时序,对延时的精度要求较高,稍有不慎就无法正常显示,于是采用汇编编写精确的延时程序,delay.asm 的编写涉及到c 语言与汇编的混合编程,C 函数delay (i ,j ),第一个参数i传递给当前工作寄存器组的R7,参数j 传递给R5,汇编程序通过引用这两个寄存器来使用数据,delay.asm 程序如下:?PR ?_DELAY ?DELAY SEGMENT CODE PUBLIC _DELAY //_DELAY 表示有参数传递RSEG ?PR ?_DELAY ?DELAY _DELAY :D1:MOV A ,R7DJNZ R7,$MOV R7,A DJNZ R5,D1RETEND十进制转换程序将通道信号数据转换至小数点后两位数字并送人显示区,每一位数字前加48是为了与LCD 显示编码对应.void datatransform (uchar temp ){double temp1;temp1=temp*5/255;disp [13]=48+(uchar )(temp1);//整数位disp [15]=48+((uchar )(temp1*10)%10);//小数点后第一位数字disp [16]=48+((uint )(temp1*100)%10);//小数点后第二位数字}5系统仿真5.1Proteus 与Keil 联合仿真设置首先把Proteus 安装目录下VDM51.dll 链接文件复制到Keil 安装目录的\C51\BIN 目录下,然后修改Keil 安装目录下Tools.ini 文件,在C51字段加入TDRV5=BIN \VDM51.DLL ("Proteus 51MCU Driver")并保存,TDRV 序号不要与其他的重复,接着打开Proteus ,在下拉菜单Debug 中选择Use remote debug monitor ,最后打开Keil 软件,点击project /option for target ‘target 1’,在对话框中做图5所示的设置,这样一切就绪,当在Keil 环境下调试程序时,Proteus 的仿真电路也会一起动作[10].·53·杜峰等:基于Proteus 的多路信号监测系统仿真第2期图5联合仿真Keil 设置Fig.5Settings of Keil for co -simulation5.2仿真结果LCD 显示屏第一行指示通道信号类型,这里是电压,可以根据信号类型,进行不同的显示,相应的采样数据要进行单位变换,从电压转换成物理量的实际数值.某一刻,CH1电压为4.5V ,CH2通道电压3.00V ,系统检测电压分别为4.49V 和3.00V ,仿真结果如图6、图7所示,其中通道CH1电压值超过了设定的4.3V 上限,故左侧的红色LED 点亮报警.图6CH1仿真图Fig.6Simulation of CH1图7CH2仿真图Fig.7Simulation of CH2某一刻,第八通道CH7电压为1.5V ,系统检测电压分别为1.50V ,仿真结果如图8所示.6结束语论文在Proteus 环境下,采用AT89S52、模数转换器ADC0809、发光二极管和液晶显示器,搭建了一套生产运行参数的监测系统,对八个生产运行参数进行监测,通过模块化程序设计,精简了程序,提高了代码的可维护性,成功对系统进行了仿真,信号检测、LCD 显示及LED 报警功能均正常,达到了预期效果,有一定的实用价值.·63·第32卷绵阳师范学院学报(自然科学版)图8CH8仿真图Fig.8Simulation of CH8参考文献:[1]汤三,韩红培.基于DS18B20和AT89C2051单片机的温度控制系统设计[J ].许昌学院学报,2009,28(2):51-53.[2]郑玉甫,肖强,张椿玲.基于VB 的蓄电池电压监测系统平台[J ].自动化与仪表,2006(5):26-28.[3]张毅刚,彭喜源,谭晓昀,等.MCS -51单片机应用设计[M ].哈尔滨:哈尔滨工业大学出版社,2002.[4]刘文武.16路抢答器电路改进设计[J ].绵阳师范学院学报,2011,30(11):51-54.[5]Labcenter Electronics Ltd ,PROTEUS VSM HELP [Z ].http ://www.labcenter.co.uk /index.cfm ,2012.[6]李毅,余少辉,周步洲.基于DS18B20的测温系统设计[J ].电子技术(上海),2009(1):11-13.[7]Ping Li ,Yu -cai Zhou ,Xiang -jun Zeng ,Ting -fang Yang.A Design of the Temperature Test System Based on Grouping DS18B20[C ].2nd IEEE Conference on Industrial Electronics and Applications (ICIEA 2007),2007:188-191.[8]马忠梅,籍顺心,张凯,等.单片机的C 语言应用程序设计[M ].北京:北京航空航天大学出版社,2004.[9]伍冯洁,谢陈跃,谢斌.Proteus 与Keil 在单片机开放性实验中的应用[J ].电子测量技术,2008,31(6):100-103.[10]张艳玲.Keil 与Proteus 在高职单片机教学中的应用[J ].机械管理开发,2011(5):180-181.Simulation of Multi -channel Signal MonitoringSystem Based on ProteusDU Feng 1,YUAN Xian -ju 2,YAO Li -ying 1,ZHAO Yong -xian 1(School of Transportation Management ,Mianyang Normal University ,Mianyang ,Sichuan 621000)Abstract :The important parameters of the process of production will be real -time monitored in accordance with the requirement of manufacturing.With the software of Proteus ,by using microcontroller 、ADC0809、LED and LCD ,the monitoring system is set up.By simultaneously debugging with Keil and Proteus ,simulation of the system achieves success in the virtual environment of Proteus.Key words :Simulation ;signal monitoring ;LCD ;Proteus·73·杜峰等:基于Proteus 的多路信号监测系统仿真第2期。
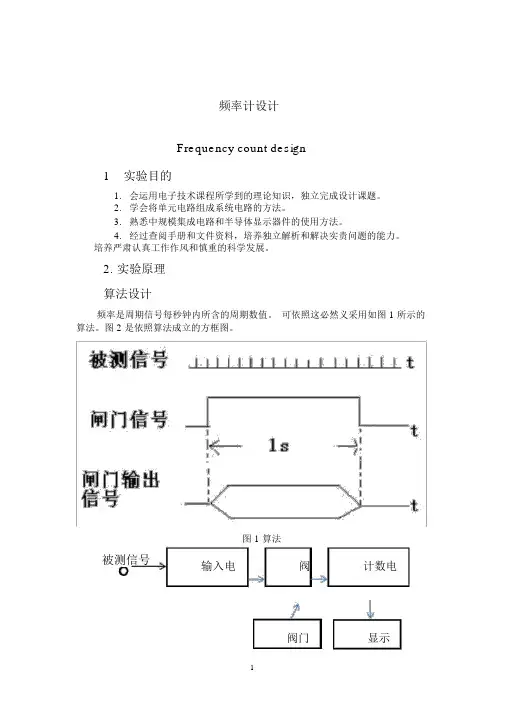
频率计设计Frequency count design1实验目的1.会运用电子技术课程所学到的理论知识,独立完成设计课题。
2.学会将单元电路组成系统电路的方法。
3.熟悉中规模集成电路和半导体显示器件的使用方法。
4.经过查阅手册和文件资料,培养独立解析和解决实责问题的能力。
培养严肃认真工作作风和慎重的科学发展。
2.实验原理算法设计频率是周期信号每秒钟内所含的周期数值。
可依照这必然义采用如图 1 所示的算法。
图 2 是依照算法成立的方框图。
图 1 算法被测信号输入电阀计数电阀门显示图2 算法方框图在测试电路中设置一个闸门产生电路,用于产生脉冲宽度为 1s 的闸门信号。
该闸门信号控制闸门电路的导通与开断。
让被测信号送入闸门电路,当 1s 闸门脉冲到来时闸门导通,被测信号经过闸门并到达后边的计数电路(计数电路用以计算被测输入信号的周期数),当 1s 闸门结束时,闸门再次关闭,此时计数器记录的周期个数为 1s 内被测信号的周期个数,即为被测信号的频率。
测量频率的误差与闸门信号的精度直接相关,因此,为保证在 1s 内被测信号的周期量误差为10 3 量级,则要求闸门信号的精度为 10 ? 量级。
比方,当被测信号为 1kHz 时,在 1s 的闸门脉冲时期计数器将计数 1000 次,由于闸门脉冲精度为 10 ? ,闸门信号的误差不大于,固由此造成的计数误差不会高出1,吻合5*10 3 的误差要求。
进一步解析可知,当被测信号频率增高时,在闸门脉冲精度不变的情况下,计数器误差的绝对值会增大,但是相对误差仍在5*10 3 范围内。
但是这一算法在被测信号频率很低时便表现出严重的缺点,比方,当被测信号为时其周期是 2s,这时闸门脉冲仍是 1s 显然是不能够的,故应加宽闸门脉冲宽度。
假设闸门脉冲宽度加至 10s,则闸门导通时期能够计数 5 次,由于数值 5 是 10s 的计数结果,故在显示之间必定将计数值除以 10。
整体方框及原理图 3 测量频率原理图图 4 测量周期原理图输入电路:由于输入的信号能够是正弦波,三角波。
目录:一、设置仿真环境与操作1、设置整体仿真环境2、设置模拟仿真选项3、常用操作二、图标含义与绘图1、逻辑探针图标2、逻辑状态图标3、示波器图标4、交流VSINE图标5、Probes探针图标6、电源图标7、Counter Timer图标检测频率10、修改网表和电子元件属性11、生成BOM12、总线标注三、通用电子元件1、通用电子元件列表2、以文本形式查看与修改元件属性四、交互式VSM仿真1、信号发生器1)PULSE图标产生波形 2)SFFM图标产生两个正弦波的调制波 3)PWLIN图标产生自定义波形五、图表式仿真1、图表仿真使用的信号源介绍2、图表仿真的一些操作六、单片机仿真1、Proteus作为独立的调试器1)Keil编译环境设置输出Proteus可调试文件2)Proteus中相关操作3)常用调试文件格式2、Proteus作为在路模拟器ICE(In-Circuit Emulator)1)官网下载链接程序链接Keil与Proteus 2)通过VDM51.dll链接Keil与Proteus 3)使用VDMAGDI.EXE链接Keil与Proteus3、添加hex文件到单片机七、仿真模型及其创建1、Primitive Models2、Schematic Models1)绘制图形2)创建元件3)模型的创建3、VSM Models4、SPICE Models5、元件模型的介绍八、调试跟踪九、仿真错误处理1、出现元件错误提示2、Gmin stepping failed和too many iterations without convegence(不收敛的迭代次数太多)3、置放电压探针,仿真显示“1.#QNAN”4、仿真中Digital Oscilloscope数字示波镜无显示的处理5、多谐振荡器无法起振十、仿真实例讲解1、分等级与参数化电路设计2、伺服电机控制-------------------------------------------下面的讲述基于Proteus 8.6 SP2 Professional版本WIN7/32位系统,此软件下载搜索我的百度网盘“Proteus 8.6 SP2 Professional 使用良好”。
基于Proteus的数字频率计设计与仿真摘要:本文主要论述了利用单片机AT89C51进行频率、周期、时间间隔、占空比测量的设计过程。
该频率计采用测量N个信号波形周期的算法,充分利用单片机AT89C51中三个可编程定时/计数器,结合部分中规模数字电路,克服了基于传统测频原理的频率计的测量精度随被测信号频率的下降而降低的缺点,实现了频率、周期、时间差、占空比的高精度测量,结果的显示。
该数字频率计的硬件系统电路由前置整形电路、分频电路、基准信号源、单片机电路和数字显示电路构成。
其中单片机电路又由单片机、数据选择器、键盘、状态指示电路构成。
软件系统由主程序、键盘子程序、显示子程序、测量子程序、脉冲高、低电平宽度测量子程序构成,由汇编语言编写。
通过硬件系统和软件系统的相互配合,成功的实现了频率、周期、时间差、占空比的高精度测量,系统的自校和测量结果的显示。
关键词:数字频率计;周期;单片机Digital Frequency Measure Design and Simulation Based on ProteusAbstract:This article mainly discusses the design process of us ing single-chip AT89C51to measure frequency, cycle, time interval and duty cycle. U s ing the algorithm of measur ing N signal cycle, mak ing full use of the three programmable timer / counter of single-chip AT89C51, combined with some digital circuits, t he frequency meter overcome s the shortcomings of the measurement accuracy reduces with the reduction of the frequency of the measured signal by t he frequency meter based on the principle of traditional measurement of frequency , achieves high-precision measurements of the frequency, cycle, time difference and duty cycle, displays the results. The hardware system circuit s of the digital frequency meter is made up of the pre-shaping circuit, sub-frequency circuit, reference signal source, single-chip circuit, digital display circuit and DC power supply regulator circuit. Of it, the s ingle-chip circuit consists of single-chip, data selector and keyboards. The s oftware system is made up of main program, keyboard s ubroutine, display subroutine, measurement subroutine, pulse high and low level width measurement subroutine, prepared by the assembly language. T hrough the cooperat ion with each other of the h ardware system and software system,t he frequency meter successfully achieves high-precision measurements of frequency,cycle, time difference, and duty cycle, finishes s ystem calibration and the display of measurement results.Keywords:d igital frequency meter;cycle; single-chip1绪论·1.1课题研究的意义随着科学技术的发展,尤其是单片机技术和半导体技术的高速发展,频率计的研究及应用越来越受到重视,这样对频率测量设备的要求也越来越高。
峰值检波的各种设计峰值检波器被广泛应用于信号处理和测量领域,用于检测信号的最大幅值或峰值。
在本文中,将介绍峰值检波器的各种设计方案。
1.简单整流电路:最简单的峰值检波器设计是通过使用一个整流电路。
整流电路将信号的负半周期变为正半周期,并输出信号的最大峰值。
然而,这种方法不能精确地检测到信号的准确峰值,因为整流后的信号仍然是一个脉冲列,无法得到真实的峰值幅值。
2.峰值保持电路:为了实现准确测量信号的峰值幅值,可以使用峰值保持电路。
峰值保持电路的基本原理是通过一个电容器来存储信号的峰值,然后在一个锁存电路中保持该值直到下一个峰值出现。
这种设计能够准确地测量信号的峰值幅值,并且具有快速反应的特点。
3.过零比较器设计:过零比较器峰值检测电路是一种常用的设计方案,特别适用于高频信号的峰值检测。
该电路将信号和一个参考电平进行比较,当信号超过或等于参考电平时,输出一个脉冲。
通过对输入信号进行红外采样,可以获得信号的真实峰值幅值。
4.前沿检测电路:前沿检测电路是一种基于信号边沿的设计方案。
该电路检测信号从低电平到高电平的跳变,然后输出一个脉冲,代表信号的峰值幅值。
该设计适用于矩形波形等具有明显边沿的信号。
5.峰均值检测器:峰均值检测器是一种结合了峰值检测和均值滤波的设计方案。
该电路通过使用一个低通滤波器来对信号进行滤波,然后使用一个峰值检测器来得到信号的峰值幅值。
这种设计能够准确地测量信号的瞬态峰值,并且可以平滑信号的波动。
总结起来,峰值检波器的设计方案包括简单整流电路、峰值保持电路、过零比较器设计、前沿检测电路和峰均值检测器。
不同的设计方案适用于不同类型的信号和应用场景。
峰值检波器的选择应该基于对系统性能要求的理解和对特定应用的需求的考虑。
频率计设计【2 】Frequency count design1 试验目标1.会应用电子技巧课程所学到的理论常识,自力完成设计课题.2.学会将单元电路构成体系电路的办法.3.熟习中范围集成电路和半导体显示器件的应用办法.4.经由过程查阅手册和文献材料,造就自力剖析息争决现实问题的才能.造就严正卖力工作风格和严谨的科学成长.2.试验道理2.1算法设计频率是周期旌旗灯号每秒钟内所含的周期数值.可依据这一界说采用如图1所示的算法.图2是依据算法构建的方框图.图1算法 被测旌旗灯号图2算法方框图 在测试电路中设置一个闸门产生电路,用于产生脉冲宽度为1s 的闸门旌旗灯号.该闸门旌旗灯号掌握闸门电路的导通与开断.让被测旌旗灯号送入闸门电路,当1s 闸门脉冲到来时闸门导通,被测旌旗灯号经由过程闸门并到达后面的计数电路(计数电路用以盘算被测输入旌旗灯号的周期数),当1s 闸门停止时,闸门再次封闭,此时计数器记载的周期个数为1s 内被测旌旗灯号的周期个数,即为被测旌旗灯号的频率.测量频率的误差与闸门旌旗灯号的精度直接相干,是以,为保证在1s 内被测旌旗灯号的周期量误差为10 ³量级,则请求闸门旌旗灯号的精度为10 ⁴量级.例如,当被测旌旗灯号为1kHz 时,在1s 的闸门脉冲时代计数器将计数输入电路 阀门 计数电路 阀门电路显示电路1000次,因为闸门脉冲精度为10 ⁴,闸门旌旗灯号的误差不大于0.1s,固由此造成的计数误差不会超过1,相符5*10 ³的误差请求.进一步剖析可知,当被测旌旗灯号频率增高时,在闸门脉冲精度不变的情形下,计数器误差的绝对值会增大,但是相对误差仍在5*10 ³范围内.但是这一算法在被测旌旗灯号频率很低时便呈现出轻微的缺陷,例如,当被测旌旗灯号为0.5Hz时其周期是2s,这时闸门脉冲仍是1s显然是不行的,故应加宽闸门脉冲宽度.假设闸门脉冲宽度加至10s,则闸门导通时代可以计数5次,因为数值5是10s的计数成果,故在显示之间必须将计数值除以10.2.2整体方框及道理图3测量频率道理图图4测量周期道理图输入电路:因为输入的旌旗灯号可所以正弦波,三角波.尔后面的闸门或计数电路请求被测旌旗灯号为矩形波,所以须要设计一个整形电路则在测量的时刻,起首经由过程整形电路将正弦波或者三角波转化成矩形波.在整形之前因为不清晰被测旌旗灯号的强弱的情形.所以在经由过程整形之前经由过程放大衰减处理.当输入旌旗灯号电压幅度较大时,经由过程输入衰减电路将电压幅度下降.当输入旌旗灯号电压幅度较小时,前级输入衰减为零时若不能驱动后面的整形电路,则调节输入放大的增益,时被测旌旗灯号得以放大.频率测量:测量频率的道理框图如图 3.测量频率共有3个档位.被测旌旗灯号经整形后变为脉冲旌旗灯号(矩形波或者方波),送入闸门电路,等待时基旌旗灯号的到来.时基旌旗灯号由555准时器构成一个较稳固的多谐振荡器,经整形分频后,产生一个标准的时基旌旗灯号,作为闸门开通的基准时光.被测旌旗灯号通闸门,作为计数器的时钟旌旗灯号,计数器即开端记载时钟的个数,如许就达了测量频率的目标.周期测量:测量周期的道理框图 4.测量周期的办法与测量频率的办法相反,即将被测旌旗灯号经整形.二分频电路后改变为方波旌旗灯号.方波旌旗灯号中的脉冲宽度正好为被测旌旗灯号的1个周期.将方波的脉宽作为闸门导通的时光,在闸门导通的时光里,计数器记载标准时基旌旗灯号经由过程闸门的反复周期个数.计数器累计的成果可以换算出被测旌旗灯号的周期.用时光Tx来表示:Tx=NTs式中:Tx为被测旌旗灯号的周期;N为计数器脉冲计数值;Ts为时基旌旗灯号周期.时基电路:时基旌旗灯号由555准时器.RC组容件构成多谐振荡器,其两个暂态时光分离为T1=0.7(Ra+Rb)C T2=0.7RbC反复周期为T=T1+T2 .因为被测旌旗灯号范围为1Hz~1MHz,假如只采用一种闸门脉冲旌旗灯号,则只能是10s脉冲宽度的闸门旌旗灯号,若被测旌旗灯号为较高频率,计数电路的位数要许多,并且测量时光过长会给用户带来不便,所以可将频率范围设为几档:1Hz~999Hz档采用1s闸门脉宽;0.01kHz~9.99kHz档采用0.1s闸门脉宽;0.1kHz~99.9kHz档采用0.01s闸门脉宽.多谐振荡器经二级10分频电路后,可提取因档位变化所需的闸门时光1ms.0.1ms.0.01ms.闸门时光请求异常精确,它直接影响到测量精度,在请求高精度.高稳固度的场合,平日用晶体振荡器作为标准时基旌旗灯号.在试验中我们采用的就是前一种计划.在电路中引进电位器来调节振荡器产生的频率.使得可以或许产生1kHz的旌旗灯号.这对后面的测量精度起到决议性的感化.计数显示电路:在闸门电路导通的情形下,开端计数被测旌旗灯号中有若干个上升沿.在计数的时刻数码管不显示数字.当计数完成后,此时要使数码管显示计数完成后的数字.掌握电路:掌握电路里面要产生计数清零旌旗灯号和锁存掌握旌旗灯号.掌握电路工作波形的示意图如图5.图5掌握电路工作波形图2.3Protues道理图2.3.1时钟电路图6时钟电路它由两部分构成: 如图3-1所示,第一部分为555准时器构成的振荡器(即脉冲产生电路),请求其产生1000Hz的脉冲.振荡器的频率盘算公式为:f=1.43/((R1+2*R2)*C),是以,我们可以盘算出参数经由过程盘算肯定了R1取430欧姆,R3取500欧姆,电容取1uF.如许我们得到了比较稳固的脉冲.在R1和R3之间接了一个10K的电位器便于在后面调节使得555可以或许产生异常接近1KHz的频率.第二部分为分频电路,重要由4518构成(4518的管脚图,功效表及波形图详见附录),因为振荡器产生的是1000Hz的脉冲,也就是其周期是0.001s,而时基旌旗灯号请求为0.01s.0.1s和1s.74HC123单稳态触发器.它有两种输入,A为低电平有用,B为高电平有用.有两种输出,正好相反.用外接的电阻电容作准时元件,时光本身定,比74LS电路易用. 单稳态触发器74HC123及外围电路来实现该功效.74HC123为双可反复触发的单稳态,其输出脉冲的宽度重要取决于准时电阻R与准时电容C,脉宽的盘算为电容值与电阻值的乘积即:WP=R´C,在现实设计中R=5kW,C=80pF,输出脉宽为400ns.幅度约5V.脉冲快沿放大与射极追随输出电路,重要感化是对整形与展宽后的触发脉冲进行加快和放大,以便得到有较高幅度和较快上升沿的脉冲旌旗灯号去触发场效应管2SC3306. 2.3.2阀门电路图7阀门电路它由一个开关和一个与非门构成.4.3.3计数电路图8计数电路7490是二-五-十进制异步计数器,你要做八进制的就先把7490接成十进制的(CP1与Q0接,以CP0做输入,Q3做输出就是十进制的),然后用异步置数跳过一个状况达到八进制计数.以从000计到111为例.先接成加法计数状况,在输出为1000时(既Q4为高电日常平凡)把Q4输出接到R01和R02脚上(即异步置0),此时当计数到1000时则连忙置0,从新从0开端计数.1000的状况为瞬态.状况转化图中是0000到0111是有用状况,1000是瞬态,跳转从这个状况跳回到0000状况.2.3.4显示电路图9显示电路显示部分由4个数码管构成,可显示0-9999,CD4511 是一片 CMOS BCD—锁存/7 段译码/驱动器,用于驱动共阴极 LED (数码管)显示器的 BCD 码—七段码译码器.具有BCD转换.消隐和锁存掌握.七段译码及驱动功效的CMOS电路能供给较大的拉电流.可直接驱动共阴LED数码管.2.3.5总电路图图10 总电路图2.4运行后果图11 运行后果在其输入端输入一个频率为200Hz的交换电,最终检测到199,其误差为0.5%,达到试验请求.3.试验结论经由过程改变被测频率,能精确检测出其频率,本次试验总体取得成功.。
差分峰值鉴频器仿真实验调制波电源:振幅为1V,频率15kH,相位80度;作为参考观察波形。
FM电源:振幅300V,载波频率6.5MH,调制波频率15kH。
1.在示波器上观察两波形如下图所示:位于上部分的是调制波行,下部分的是已调波行。
2.在9点测得波形如图所示:在10点处测得的波形如图所示:由电路可知L1、C1组成并联谐振回路,谐振频率为:11112o f l c π=;L1、C1、C2组成串并联谐振回路,谐振频率为:211212()o f l c c π=+;当FM 波的瞬时频率1o f f =时,L1、C1并联回路谐振,呈现的并联测振阻抗最大,因而这时点9处的端电压u1最大;由于此时回路电流最小,C2呈现的容抗值121o w c 也较小,所以第10处的端电压u2最小,同理,2o f f =时,串并联回路呈现串联谐振,串联谐振阻抗最小,因而点9处的端电压u1最小,第10处的端电压u2最大。
两电压随频率f 变化的曲线即下图所示,故此网络的作用是将输入的FM 波形信号转换成第9和第10处两个幅度特性相反的FM-AM 信号。
3.在E处观测得的波形:在F 处观测得的波形:1u 经射极跟随器T1加于峰值包络检波器T3的输入端,输出峰值检波电压311e d u K U =即点E 处波形。
2u 经射极跟随器T2加于峰值包络检波器T4的输入端,输出峰值检波电压422e d u K U =即点F 处波心。
4.在点G 处测得的波行:峰值检波电压3e u 、4e u 分别加在放大器T5和T6的输入端,经差分放大后,T6集电极的单端输出电压为:12()o u K U U =-即鉴频器将从T6集电极输出鉴频后的原调制信号。
由图形可观察出解调出的信号相对于原信号有出现的相移,这是元件的非线性造成的。
模拟相乘器混频器仿真实验1.Vx频率为1.5MH,AM载波频率为1MH时的波形如下:混频器输出波形的载波频率为0.5MH。
2.改变输入波频率,观察波形1)Vx频率为2MH,AM载波频率为1.5MH时的波形如下:2)Vx频率为0.5MH,AM载波频率为1MH时的波形如下:3)Vx频率为2.8MH,AM载波频率为2.3MH时的波形如下:观察可知,因为三组数据两频率之差的绝对值都是0.5MH,所以混频出来后AM载波频率都为0.5MH。
仿真软件proteus常见操作基础教程出处:本站整理作者:佚名人气:1556次评论: 0 | 我要发表看法1.proteus中怎样使用模板file--〉new design:在弹出的对话框就可以选择模板了file--〉save d esign as template…就可以保存你的模版了打开或制作一个自己常用的电路另存为模板,即:save as template 替换默认文件夹里的TemplatesDefault.DTF。
以后这就是你的模板啦3.第三方软件是如何用?把你的第三方库安装好,然后启动proteus,选择菜单system-->set path,分别增加model和library.4. 电源和地的运用总结1.在proteus防真画图过程中有正电源(VDD/VCC)负电源(VEE)地(VSS)引脚的元器件(好象这些元器件的这些脚没有在图中显示)软件会自动把其电源底脚定义为相应的电压所以在这些元器件上的电源地脚上不接电源地也是正确的(单片机也不用接晶振在设置选项中输入晶振的频率即可。
2.如果要用到确定的直流电压就可以用工具栏(默认是第八个)中的POWER和GROUND 象放置元器件一样来放置电源和地电源的默认值是+5V 地默认为0V 如果需要10V的电压则可在电源的设置选项卡的string里输入+10V 就可以了不过要注意前面的“+”号一定要加上否则不能防真。
电压默认的单位为V 就是说输入+10 电压也是+10V,我试了一下输入+10mV和输入+10MV 其电压是一样的都是10的7次方, 虽然地的默认值是0V 但如果象设置POWER一样在其string选项里写入电压值其电压就是你设置的大小而不是0V 了也就是说地也可以做电源用, 对于负电源负号大家都会加上的就不说了.5.电流探针(probe)电压探针(probe)表运用总结首先,在实际生活中中测电压电流,电压电流表都有两个端子,而在探针中,只有一个端子, 电压表是并入的电压探针一端接入要测的那点(可以引出线。
目录摘要......................................................... 错误!未定义书签。
1波形发生器简介............................................... 错误!未定义书签。
波形发生器的概述........................................... 错误!未定义书签。
研制波形发生器的目的及意义................................. 错误!未定义书签。
2 PROTEUS的简介................................................. 错误!未定义书签。
PROTEUS界面................................................ 错误!未定义书签。
基本操作................................................... 错误!未定义书签。
原理图的绘制............................................... 错误!未定义书签。
3单片机AT89C51概述........................................... 错误!未定义书签。
4总体设计..................................................... 错误!未定义书签。
单片机电路................................................ 错误!未定义书签。
D/A电路及接口 ............................................ 错误!未定义书签。
系统软件设计.............................................. 错误!未定义书签。
目录摘要 (I)1波形发生器简介 (1)1.1波形发生器的概述 (1)1.2研制波形发生器的目的及意义 (2)2 PROTEUS的简介 (3)2.1 PROTEUS界面 (3)2.2基本操作 (4)2.3原理图的绘制 (4)3单片机AT89C51概述 (4)4总体设计 (7)4.1单片机电路 (7)4.2D/A电路及接口 (8)4.3系统软件设计 (9)5系统模拟调试 (15)5.1仿真结果 (15)5.2结果分析 (19)心得体会 (19)参考文献 (20)摘要本文实现了多功能波形发生器的设计。
系统采用AT89C51单片机控制,DAC0832完成模数转换,键盘控制波形的频率、幅度。
发生器产生三角波、方波、正弦波等波形,波形的频率可通过键盘控制,波形清晰、频率调整十分方便、稳定性好,产生合成波形只需修改源程序,不需改装电路。
单片机的输出数字信号通过DAC0832转换成模拟信号,接入示波器就可以清晰的显示出系统产生的波形。
该系统由仿真软件产生波形,具有线路简单、结构紧凑、价格低廉、性能优越等特点。
关键词:波形发生器,AT89S52单片机,D/ A转1波形发生器简介1.1波形发生器的概述信号源有很多种,包括正弦波信号源、函数发生器、脉冲发生器、扫描发生器、任意波形发生器、合成信号源等。
一般来讲任意波形发生器是一种特殊的信号源,综合具有其它信号源生成能力,因而适合各种仿真实验的需要。
在基础实验中设计一种电路,需要验证其性能、可靠性与稳定性,就需要给它施加理想的波形以辨别真伪。
如可使用信号源的DC补偿功能对固态电路控制DC偏压电平,可对一个怀疑有故障的数字电路,利用信号源的方波输出作为数字电路的时钟,同时使用方波加DC补偿产生有效的逻辑电平模式输出,观察该电路的运行状况,而证实故障缺陷的地方,总之,利用任意波形发生器这方面的基础功能能仿真基础实验室所必须的信号[1]。
在实际的电子环境所设计的电路在运行中,由于各种干扰和响应的存在,实际电路往往存在各种信号缺陷和瞬变信号,例如过脉冲、尖峰、阻尼瞬变等(见图1.1,图1.2),这些情况的发生,如在设计之初没有考虑进去,有的将会产生灾难性的后果。
proteus频率响应曲线
在Proteus软件中,可以使用频率响应模拟功能来绘制电路的频率响应曲线。
以下是一般步骤:
1. 打开Proteus软件并创建一个新的电路设计。
2. 在电路中添加所需的元件,如滤波器、放大器等。
3. 连接电路元件,确保电路连接正确。
4. 选择一个合适的信号源(如交流电压源)并将其连接到电路中。
5. 在Proteus的工具栏上选择"Virtual Instruments"(虚拟仪器)。
6. 在弹出的菜单中选择"Oscilloscope"(示波器)或"Spectrum Analyzer"(频谱分析仪),这取决于你想要绘制的频率响应类型。
7. 将示波器或频谱分析仪连接到电路的输出端口。
8. 调整频率范围和其他参数设置,以便获取所需的频率响应曲线。
9. 运行仿真,观察并记录频率响应曲线。
请注意,具体操作步骤可能因Proteus软件版本而有所不同。
此外,确保电路设计和仿真设置正确,并且使用适当的元件模型和参数值以获得准确的频率响应结果。
1。
滨江学院电子线路CAD课程论文题目二极管峰值包络检波器的仿真姓名---------------------------------学号---------------------------------二O13 年12 月25 日二极管峰值包络检波器的仿真论文摘要:通过Multisim10.1软件对二级管峰值包络检波电路进行了分析仿真,观察到检波电容的大小会影响包络检波的效果。
利用实例证明,将通过Multisim10.1引入高频电路实验教学后,该软件能及时帮助学生理解课程内容,提高学生分析问题,解决问题的能力。
关键词:二极管,峰值包络检波器,引言:从调幅波中恢复调制信号的电路,也可称为幅度解调器。
与调制器一样,检波器必须使用非线性元件,因而通常含有二极管或非线性放大器。
检波器分为包络检波器和同步检波器。
前者的输出信号与输入信号包络成对应关系,主要用于标准调幅信号的解调。
后者实际上是一种模拟相乘器,为了得到解调作用,需要另外加入一个与输入信号的载波完全一致的振荡信号(相干信号)。
同步检波器主要用于单边带调幅信号的解调或残留边带调幅信号的解调。
二极管检波的介绍检波(detection)广义的检波通常称为解调,是调制的逆过程,即从已调波提取调制信号的过程。
对调幅波来说是从它的振幅变化提取调制信号的过程;对调频波来说,是从它的频率变化提取调制信号的过程;对调相波来说,是从它的相位变化提取调制信号的过程。
狭义的检波是指从调幅波的包络提取调制信号的过程。
因此,有时把这种检波称为包络检波或幅度检波。
图1-20-21表示出了这种检波的原理:先让调幅波经过检波器(通常是晶体二极管),从而得到依调幅波包络变化的脉动电流,再经过一个低通滤波器滤去高频成分,就得到反映调幅波包络的调制信号。
调幅波的解调即是从调幅信号中取出调制信号的过程,通常称为检波。
调幅波解调方法有二极管包络检波器、同步检波器。
不论哪种振幅调制信号,都可采用相乘器和低通滤波器组成的同步检波电路进行解调。