2015医疗器械生产经营企业信用等级评定汇总表
- 格式:doc
- 大小:454.50 KB
- 文档页数:9
湖南省药品生产企业质量信用等级AA、AAA级
评估细则(讨论稿)
一、参评基本条件
1、企业必须达到《湖南省药品医疗器械生产经营企业质量信用等级评估实施办法(试行)》第四章规定的“评估条件”;
2、企业必须经所在地州市局评估,达到A级质量信用等级;
3、企业连续三年销售回款额平均在5000万元以上;
4、企业连续三年均为一次性通过药品GMP认证检查、跟踪检查。
二、等级评估方式
1、企业主动申请,所在地市州局进行推荐;
2、评估工作由省局组织,以行业协会名义进行,省局诚信办负责具体实施;
3、按合理比例分别抽取药品生产企业专家、药品GMP检查员、药品安监人员、社会代表组成评估小组,负责具体评估评分;
1
4、评分采取扣分制,坚持资料审查与现场检查相结合原则。
三、评估考核内容
1、评估细则分6个大项20个小项,每项分值为1-10分不等,总分为100分(附药品生产企业质量信用AA、AAA等级评估评分表);
2、对存在否决情形的本项分全扣,存在部分缺陷的按缺陷细数扣分,直到扣完本项为止。
四、等级评估标准
1、AA、AAA级实行同一评估标准,以评估分值定级;
2、综合评估达90分以上的评为AAA级企业,80分以上的评为AA级企业;
3、对企业A、B、C、D级质量信用等级评估工作,由各市州局开展。
2
3
4
5
6。
考核人:日期:项目序号检查内容检查方法结论备注 1 销售或变相销售未经注册的药品、医疗器械产品查产品注册证及销售记录、稽查处罚记录2挂靠经营、超方式及超范围经营查销售人员的管理、销售记录、稽查处罚记3提供虚假材料申请行政许可的参考各行政许可专项清理信息4未按规定及时申请换证,《许可证》有效期届满后,未领取新证仍继续经营的查许可证有效期及受理通知书5增加或变更生产场所,未经批准擅自经营的查经营地址及许可证地址6涂改、出租、出借《许可证》,以及以其它形式非法提供或转让《许可证》的7向无《经营企业许可证》或无《医疗机构执业许可证》的单位销售药品、医疗器械的查销售记录8擅自变更或伪造验收、养护、销售记录等记录或资料的查各种记录、资料9药品批发企业通过GSP认证,医疗器械经营企业开办验收后,降低主要管理要求,致使质量体系不能有效运行的查质量管理组织、人员及运行情况10 拒绝或逃避监督检查,责令限期整改而逾期不改的查监督检查记录、整改报告及具体整改落实情况11 参与违法广告发布欺骗消费者,造成一定恶劣影响的查违法广告情况、人民来信情况12因企业自身原因使《经营许可证》的批准内容发生变化30日内未申请办理变更的查变化资料、日期及证照批准日期13没有严格履行首营品种审核查资料14经营场所、仓库管理药品批发企业不符合GSP要求,医疗器械经营企业不符合开办标准的查监督检查记录15发生应该向食品药品监督管理部门报告的情况,没有报告查企业报告并与实际情况结合16(10 分主要人员资质符合法规要求--- 查质量管理部门负责人、必须配备的人员。
查任命书及相关资质证明,一处不符合扣2分不良行为[否决项]温宿县药品医疗器械经营企业质量安全信用等级评定细则》(含药品零售、药品批发、医疗器械零售、医疗器械批发企业被评定单位:17(5 分非药品是否建立进货台账,是否索取供货方资质检查验收记录、供货方资质文件,没有的扣 5 分。
18(10分关键岗位、特殊岗位人员需培训、在岗查岗位人员培训证书,并现场查看在岗情况,无培训证书扣5分,不在岗扣5分19(10分质量管理体系文件完整。
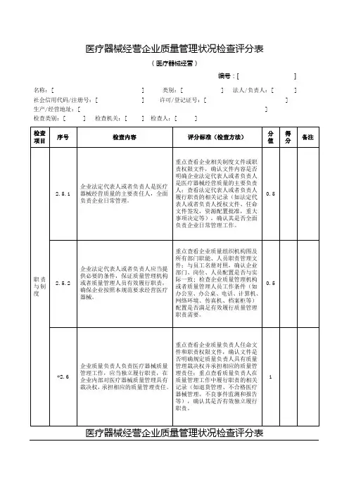
医疗器械经营企业质量管理状况检查评分表(医疗器械经营)编号:[ ]名称:[ ] 类别:[ ] 法人/负责人:[ ] 社会信用代码/注册号:[ ] 许可/登记证号:[ ]生产/经营地址:[ ]检查类别:[ ] 检查机关:[ ] 检查人:[ ]检查项目序号检查内容评分标准(检查方法)分值得分备注职责与制度2.5.1企业法定代表人或者负责人是医疗器械经营质量的主要责任人,全面负责企业日常管理。
重点查看企业相关制度文件或职责权限文件,确认文件内容是否明确企业法定代表人或者负责人是医疗器械经营质量的主要负责人;查看法定代表人或者负责人履行职责的相关记录(如法定代表人或者负责人授权文件、任命文件签发,资源配置批准,重大事项决定等),确认其是否全面负责企业日常管理工作。
0.5 2.5.2企业法定代表人或者负责人应当提供必要的条件,保证质量管理机构或者质量管理人员有效履行职责,确保企业按照本规范要求经营医疗器械。
重点查看企业质量组织机构图及所有部门职能、人员职责管理文件;与员工名册对照,确认企业部门、岗位、人员配置是否与实际一致; 检查企业质量管理机构或者质量管理人员工作条件(如办公室、办公桌、电话、计算机、网络环境、传真机、档案柜等)配置是否满足有效履行质量管理职责需要。
0.5 *2.6企业质量负责人负责医疗器械质量管理工作,应当独立履行职责,在企业内部对医疗器械质量管理具有裁决权,承担相应的质量管理责任。
重点查看企业质量负责人任命文件和职责权限文件,确认文件是否明确规定质量负责人具有质量管理裁决权并承担相应的质量管理责任;重点查看质量负责人在质量管理工作中履行职责的相关记录(如退货管理、不合格医疗器械管理、不良事件监测和报告等),确认其是否有效独立履行职责。
1 医疗器械经营企业质量管理状况检查评分表编号:[闽泉食药监械经营许20162041号0002]检查项目序号检查内容评分标准(检查方法)分值得分备注职责与制度*2.7企业质量管理机构或者质量管理人员应当履行以下职责:(一)组织制订质量管理制度,指导、监督制度的执行,并对质量管理制度的执行情况进行检查、纠正和持续改进;(二)负责收集与医疗器械经营相关的法律、法规等有关规定,实施动态管理;(三)督促相关部门和岗位人员执行医疗器械的法规、规章及规范;(四)负责对医疗器械供货者、产品、购货者资质的审核;(五)负责不合格医疗器械的确认,对不合格医疗器械的处理过程实施监督;(六)负责医疗器械质量投诉和质量事故的调查、处理及报告;(七)组织验证、校准相关设施设备;(八)组织医疗器械不良事件的收集与报告;(九)负责医疗器械召回的管理;(十)组织对受托运输的承运方运输条件和质量保障能力的审核;(十一)组织或者协助开展质量管理培训;(十二)其他应当由质量管理机构或者质量管理人员履行的职责。
山东省医疗器械生产企业信用评级实施细则文章属性•【制定机关】山东省食品药品监督管理局•【公布日期】2006.03.13•【字号】鲁食药监发[2006]14号•【施行日期】2006.03.13•【效力等级】地方规范性文件•【时效性】现行有效•【主题分类】药政管理正文山东省医疗器械生产企业信用评级实施细则(鲁食药监发〔2006〕14号二00六年三月十三日)一、总则(一)本细则适用于食品药品监督管理部门对医疗器械生产企业信用评级。
(二)医疗器械生产企业信用评级以年度为单位进行,评定级别分为A级、B 级、C级,A级为守信;B级为基本守信;C级为失信。
(三)列入《山东省重点监管医疗器械目录》产品的生产企业的信用评级,由省食品药品监督管理局组织进行。
(四)一般医疗器械产品的生产企业信用评定分级,由市食品药品监督管理局组织进行。
二、信用级别评定(一)医疗器械生产企业信用评级按照年度的信用得分高低评定,满分为100分,最低分0分。
得分91分~100分为A级,得分71分~90分为B级,得分70分及以下为C级。
(二)信用评级评分按照《山东省医疗器械生产企业信用级别评定表》(附件1)的规定进行,总分100分,评定表“考核项目”中每项事件发生,按规定进行扣分,总扣分不得超过100分。
评定得分=总分-总扣分。
“考核项目”中每项事件发生扣分规定如下:⒈第1项“日常监督检查年度级别”, A级不扣分;B级扣10分;C级扣30分。
⒉第2项“生产不符合国家标准、行业标准和注册产品标准的医疗器械的”,不合格产品占企业产品总数5%及以下扣5分;不合格产品占企业产品总数6%~10%扣10分;不合格产品占企业产品总数11%~30%扣20分;不合格产品占企业产品总数31%及以上扣30分。
⒊第3项~第5项,发生其中的事件扣20分。
⒋第6项~第9项,发生其中的事件扣10分。
三、评定要求下级食品药品监督管理局于次年的1月10前,按照上级食品药品监督管理局的信用评级工作要求,评定并填写上报年度《山东省医疗器械生产企业信用级别评定表》(附件1)和年度《山东省医疗器械生产企业信用评级情况汇总表》(附件2)。
医疗器械信用等级信用信息的采集、记录、认定和公示管理等工作。
第四条对违法违规生产、经营企业实施不良行为记录和公示,应坚持教育与惩处相结合、综合治理的方针。
第五条信用分级应当坚持合法、客观、公正、准确原则。
第六条各级食品药品监管部门根据日常监管情况,结合不良行为记录,确定医疗器械生产、经营企业的信用等级,按照属地监管规定,实行分级监管。
第七条本规定所称的不良行为是指医疗器械生产、经营企业违反医疗器械监督管理的有关法规、规章等规定,对社会或人体健康产生或可能产生不良影响或后果的行为。
企业不良行为的界定参照《河南省医疗器械企业信用等级认定标准》(见附件1)第八条医疗器械企业信用等级分为守信、警示、失信、严重失信四个等级,信用等级的认定周期为一年,时间从当年的1月10日到次年的1月10日。
(一)确定医疗器械企业信用等级的原则:1.以是否有因违反医疗器械监督管理法规、规章等而被处以刑事或者行政处罚作为信用等级划分的主要标准;2.以违法违规行为情节的轻重和主观过错的大小作为信用等级划分的辅助标准。
3.以企业不良行为在《河南省医疗器械企业信用等级认定标准》中界定的具体情况为参照标准。
(二)守信等级:正常运营的医疗器械生产、经营企业和使用单位在一年内无违法违规行为的。
(三)警示等级:因违法违规行为受到警告,被责令整改(改正)的。
(四)失信等级:1.因实施同一违法违规行为被连续警告、公告两次以上的;2.被处以罚款、没收违法所得、没收非法财物或者被撤销医疗器械广告批准文号的。
(五)严重失信等级:1.连续被撤销两个以上医疗器械广告批准文号的;2.被撤销批准证明文件、责令停产停业、暂扣生产经营企业许可证、暂扣营业执照的;3.生产、经营、使用医疗器械的单位拒绝或阻挠执法人员依法进行监督检查、抽验产品和索取有关资料,或者拒不配合执法人员依法进行案件调查的;4.擅自退掉经营及仓储场所、日常监管无法取得联系、故意逃避监管、长期停止生产或经营活动又未上报、提供虚假情况骗取许可证的;5.由于产品不符合质量要求,造成人体严重伤害,产生恶劣社会影响的;6.因违反医疗器械监督管理法规、规章构成刑事犯罪的。
浙江省医疗器械生产企业信用评价指标及评分标准(试行)
2 .各项二级指标的加减总分超出其相应的一级指标权重分值的,加减总分以其所属一级指标分值为上限;
3 .遵纪守法指标项下,案件信息应在结案后使用,同起案件存在多个扣分项的,取最高扣分项;
4 .正向激励指标项下,相应的荣誉奖励以及注册批件等需提供盖有公章的相关证明材料,标准起草、创新认定加分仅限一次;
5 .符合正文第十五条和第十六条情形,经审核同意进行信用修复的,清除扣分值的50%o。
医疗器械信用等级医疗器械信用等级概述医疗器械信用等级是指根据医疗器械生产、经营企业(以下简称企业)按照相关规定提供的信用信息和信用评价情况,对企业进行等级分类和评价的一种制度。
医疗器械信用等级的评估标准和结果是医疗器械市场管理中的重要参考指标。
目的医疗器械信用等级的设立旨在促进医疗器械行业的健康发展,提高产品质量和企业信誉度,加强监管机构对企业的监督管理能力,保障广大患者的用药安全和权益。
主要内容医疗器械信用等级主要由信用评价机构进行评定,并根据评价结果进行分类和等级划分。
主要评估指标包括企业的信用记录、管理体系、生产质量、售后服务等。
信用记录在信用记录方面,评价机构会对企业的信用报告、行政处罚记录、营业执照等进行审查。
企业的信用记录良好、没有严重违法违规行为的,将得到较高的信用等级。
管理体系评价机构会对企业的管理体系进行评估,包括质量管理体系、环境保护体系、安全生产体系等。
具有规范而完善的管理体系的企业,将获得较高的信用等级。
生产质量生产质量是医疗器械的核心要素之一,评价机构将根据企业的生产工艺、产品质量监控体系、产品合格率等指标进行评估。
具有良好的生产质量的企业,将得到较高的信用等级。
售后服务评价机构还会评估企业的售后服务能力,包括产品召回管理、客户投诉处理等。
拥有完善的售后服务体系的企业,将得到较高的信用等级。
等级分类医疗器械信用等级一般分为五个等级,分别是AAA级、AA级、A级、B级和C级。
其中,AAA级为最高信用等级,C级为最低信用等级。
不同等级的企业在市场准入、合作伙伴选择、信贷融资等方面将受到不同程度的影响。
监管与奖惩监管部门将根据企业的信用等级对其进行监督管理,对信用等级较低的企业进行整改、警示、扣分等措施。
对信用等级较高的企业给予一定的政策支持和奖励,以鼓励企业提升信用等级,改善产品质量和服务水平。
结论医疗器械信用等级的设立对于提升医疗器械行业信用水平、保障患者权益、推动行业健康发展具有重要意义。
XX市医疗器械生产企业质量信用管理办法为加快推进医疗器械生产企业信用体系建设,落实企业主体责任,强化企业的产品质量责任意识,制定本办法。
一、总体要求根据《医疗器械监督管理办法》、《医疗器械生产监督管理办法》、《药品安全信用分类管理暂行规定》、《XX省公共信用信息管理办法》等有关规定,创新监管方式,打造以信用为基础的监管闭环链,推进医疗器械生产企业依法诚信生产经营、优化发展。
二、适用范围全市依法取得医疗器械生产许可证(备案证)的生产企业。
三、评价指标评价指标总分IOOO分,包括遵纪守法(160分)、主体责任(260分)、监督管理(300分)、医疗器械产品质量(160分)和社会责任(120分)等5个方面指标,另设置正向激励加分指标,最高加分100分,具体赋分权重按照附件执行。
四、信用等级(一)信用等级信用等级分为四个等级,750分及以上为守信、650分(含)—750分为警示、600分(含)一650分为失信、600分以下为严重失信。
对在评定周期内暂停生产销售医疗器械,且未发生违法违规行为的企业,不需评定停产年度的质量信用等级。
(二)等级调整呈疗器械生产企业有下列情形之一的,直接判定为严重失信等级:(1)连续被撤销两个以上医疗器械广告批准文号的;(2)被撤销医疗器械注册证(备案证)、责令停产停业、暂扣生产许可证(备案证)、暂扣营业执照的;(3)医疗器械生产企业拒绝、阻挠执法人员依法进行监督检查、抽验和索取有关资料或者拒不配合执法人员依法进行案件调查的;(4)因违反医疗器械监督管理法律、法规构成犯罪的。
W 疗器械生产企业有以下情形之一的,信用等级直接下调一个等级,同时符合多项等级下调情形的,不重复下调等级:(1)近五年存在拒不支付劳动报酬的行为且数额较大或造成严重后果的;(2)被市场监管部门列入经营异常企业名录的。
(三)信用修复1 .异议复核。
对评价结果有异议的企业可向市市场监管局提出复核申请,并提供有关书面佐证材料,市市场监管局自收到申请之日起3个工作日内完成审核,并书面告知企业。
南昌市食品药品监督管理局关于2015年度南昌市医疗器械企
业信用评级情况的通报
【法规类别】医务工作
【发布部门】南昌市食品药品监督管理局
【发布日期】2016.05.16
【实施日期】2016.05.16
【时效性】现行有效
【效力级别】XP10
南昌市食品药品监督管理局关于2015年度南昌市医疗器械企业信用评级情况的通报
各有关单位:
根据《南昌市医疗器械质量信用等级评定管理办法》,共评出2015年度南昌市医疗器械3A级生产企业16家经营企业12家,2A级生产企业6家经营企业18家,A级生产企业4家经营企业17家,B级生产企业80家经营企业266家,C级生产企业10家经营企业410家,D级生产企业3家、经营企业15家。
现予以通报。
附件:1.2015年度南昌市医疗器械3A、2A、A及D级信用企业
南昌市食品药品监督管理局
2016年5月16日
附件:
2015年度南昌市医疗器械3A、2A、A及D级信用企业。
北海市医疗器械经营企业安全信用等级评定表序号企业名称证号法定代表人负责人注册地址经营范围安全信用等级等级原因1 合浦龙康福亚利朗医疗器械经营部桂060066(LAh)号陈伟荣合浦县定海南路1号外贸公司外宾馆二楼II类:6826物理治疗及康复设备。
守信2 北海市泫科乐医疗器械有限公司桂060027(Ac)陈建国陈建国市北海大道中24号中龙公寓5单元202室III类:6826高压电位治疗仪。
不评定未经营3 合浦县林五叔眼镜经营部桂060091(LAi)林心明合浦县廉州镇还珠广场对面东坡步行街1号III类:6822隐形眼镜及护理用液。
(仅限于销售给消费者个人)***守信4 广西坤源医疗器械设备有限责任公司桂060056(PAa)李宏保李宏保北海市工业园区经二路32号一号楼三楼II、III类:6815注射穿刺器械;6821医用电子仪器设备;6822医用光学器具,仪器及内窥镜设备;6823医用超声仪器及有关设备;6825医用高频仪器设备;6830医用X射线设备;6840临床检验分析仪器;6841医用化验和基础设备器具;6845体外循环及血液处理设备;6854手术室、急救室、诊疗室设备及器具;6866医用高分子材料及制品。
II类:6856病房护理设备及器具。
守信5 北海市匡正药业有限责任公司桂060057(PAa)范瑞华范瑞华合浦县还珠南路42号II、III类:6815注射穿刺器械;6864医用卫生材料及敷料;6865医用缝合材不评定未经营料及粘合剂;6866医用高分子材料及制品。
II类:6801基础外科手术器械;6827中医器械;6841医用化验和基础设备器具。
6 广西天下康药业有限责任公司桂060060(PAa)高居广高居广北海市北海大道西28号II、III类:6866医用高分子材料及制品(含一次性使用输液器、输血器,不含塑料血袋、采血器)。
III类:6815注射穿刺器械(含一次性使用无菌注射器)。
II类:6864医用卫生材料及敷料。