绞龙输送机的技术参数
- 格式:doc
- 大小:429.50 KB
- 文档页数:3
螺旋输送机技术要求二、技术要求2.1 设计制造的螺旋输送机符合提供的订货附图的要求。
2.2 螺旋叶片材料采用高强度耐磨钢16M∩o在制作时要保证叶片的一致性,焊缝密实可靠,避免夹渣、气孔等缺陷,保证焊接质量。
2.3 螺旋轴两端同轴度允许偏差≤61Omm,螺旋轴不允许有弯曲、扭曲等各种缺陷。
2.4 装配后联轴器端面间隙在10~1.5mm;联轴器径向允许偏差W0.05mm;联轴器端面跳动值允许误差为0∙4mm∕mo2.5 整机运转应平稳,用手拨动螺旋轴应能旋转,并无卡壳摩擦现象。
整机在运转过程中,不能出现强烈振动、高噪声和其他不正常现象。
2.6 无负荷运转大于2小时,轴承温度不超过40℃;负荷运转时,轴承温度不超过60℃。
轴承选用瓦、哈、洛产品。
2.7 螺旋输送机的驱动装置采用电机直联型减速机,减速机选用国茂减速机厂的产品,其电机为皖南品牌变频电机,电机功率由卖方根据输送距离、输送量、物料比重等参数计算选定。
电机必须符合最新国家规定的电机节能等级规范要求,电机绝缘等级F级,防护等级IP54。
2.8 联轴器等暴露的转动件应设置安全防护罩,且应便于拆卸。
2.9 机轴密封装置采用机械及填料双密封装置,保证无泄漏密封性良好。
三、技术资料3.1 卖方在技术协议签订后5日内提供所有螺旋输送机图纸电子版,经买方及买方设计院调整确定后反馈给卖方,卖方根据调整的图纸制作蓝图并按图进行加Io3.2 详细的电气系统图和控制原理图技术参数和接线图纸3.3 交货验收时提供产品合格证、安装说明书、螺旋主要零部件、备件型号规格:包括备件一览表,必须包括减速机、螺旋体、轴承、密封等部件。
四、供货范围4.1 螺旋输送机,包括主体设备、随机备件、专用工具等。
4.2 到买方指定的交货地点的运输。
4.3 相关技术资料。
4.4 指导安装及调试(指导安装调试期间食宿自理)。
五、质量保证和售后服务质量保证期为设备正式投运起12个月。
质保期内实行“三包〃,免费更换配件(非正常使用除外)。
LS型螺旋输送机设计说明书目录1 绪论 01.1 螺旋输送机产品概述 01.2 螺旋输送机应用范围 01.3 螺旋输送机主要特点 (1)1.4 螺旋输送机工作原理 (1)1.5 螺旋输送机整机布置形式 (1)1. 6 螺旋输送机规格、技术参数 (5)2.电动机的计算选型 (8)2.1 电动机的选择 (8)2.2 传动装置的运动和动力参数的计算 (9)3.减速器设计计算 (12)3.1 齿轮设计 (12)3.3 减速器结构设计 (18)3.3 轴设计 (19)3.4 轴承的选型 (24)3.5 键的选型 (25)4.螺旋输送机机体的设计 (29)4.1 机体主要部件的介绍 (29)4.2 机体主要部件的选择计算 (38)5.螺旋输送机机体的安装条件、使用及维护 (44)5.1 螺旋输送机机体的安装条件 (44)5.2 螺旋输送机机体的使用及维护 (46)结论 (48)参考文献 (49)1 绪论1.1 螺旋输送机产品概述螺旋输送机俗称绞龙,LS型系列螺旋输送机是一种利用螺旋叶片的旋转,推动散料延着料槽向前运动的输送设备,适宜于输送粉状,颗粒状和小块物料。
LS型螺旋输送机等效采用ISO1050-75标准,设计制造符合ZBJ81005.1~2-88《LS 螺旋输送机》专业标准。
LS型螺旋输送机直径由100mm~1250mm,共十二种规格,分为单驱动和双驱动两种形式,单驱动螺旋机最大长度可达40m(特大型30m),双驱动螺旋机采用中间断开轴结构,最大长度可达80m(特大型60m),螺旋机长度每0.5m 一档,可根据需要选定,螺旋机头部轴承、尾部轴承置于壳体外部减少了灰尘对轴承室的侵入提高了螺旋机关键件的使用寿命。
中间吊轴承采用滚动、滑动可互换的两种结构,并设防尘密封装置,密封件用尼龙用塑料,因而其密封性好,耐磨性强,阻力小,寿命长。
滑动轴承的轴瓦有粉末冶金、尼龙和巴氏合金等多种材料供用户根据不同的场合选用。
冬季湿料输送部分停机时(物料被送干净)会结冰、尤其是水平绞龙输送会更严干料和湿料都需要计量吗?
其他说明:1、输送机设计只是大框架,尚没做细节设计,如绞龙输送机的法兰孔
2、所有被输送的物料在输送机中是封闭的,图纸尚未做表示。
3、原推料机用喂料机替换,具备称重功能,图纸中未显示。
4、由于绞龙输送管太长且要求圆度,所以选择买管材,其直径将按照
5、出料绞龙不会送出大量的液体,因为蛟龙为悬臂结构,故转速不能
6、大倾角机头现在高度比较理想,但拆卸进料绞龙时需移动大倾角输
7、1500mm的沟安装800mm的皮带输送机太窄了,无论是检修还是安装都
更严重。
对输送机再启动会有影响,所以保温就不仅仅是皮带输送机了。
法兰孔、密封圈、轴承压盖、防尘盖、传动电机、链轮等。
但此不应该影响贵方决策。
将按照市场所售管材的标准选择。
速不能太高,低的转速只能把吸附了饱和水的物料送出。
倾角输送机机头,如想不移动大倾角皮带,就需要机头加高500mm或中式头架的安装漏斗部分安装都有很大困难,尤其是调试和检修将受到很大影响。
大倾角部分做成可拆卸的。
冬季湿料输送部分停机时(物料被送干净)会结冰、尤其是水平绞龙输送会更严干料和湿料都需要计量吗?
其他说明:1、输送机设计只是大框架,尚没做细节设计,如绞龙输送机的法兰孔
2、所有被输送的物料在输送机中是封闭的,图纸尚未做表示。
3、原推料机用喂料机替换,具备称重功能,图纸中未显示。
4、由于绞龙输送管太长且要求圆度,所以选择买管材,其直径将按照
5、出料绞龙不会送出大量的液体,因为蛟龙为悬臂结构,故转速不能
6、大倾角机头现在高度比较理想,但拆卸进料绞龙时需移动大倾角输
7、1500mm的沟安装800mm的皮带输送机太窄了,无论是检修还是安装都
更严重。
对输送机再启动会有影响,所以保温就不仅仅是皮带输送机了。
法兰孔、密封圈、轴承压盖、防尘盖、传动电机、链轮等。
但此不应该影响贵方决策。
将按照市场所售管材的标准选择。
速不能太高,低的转速只能把吸附了饱和水的物料送出。
倾角输送机机头,如想不移动大倾角皮带,就需要机头加高500mm或中式头架的安装漏斗部分安装都有很大困难,尤其是调试和检修将受到很大影响。
大倾角部分做成可拆卸的。
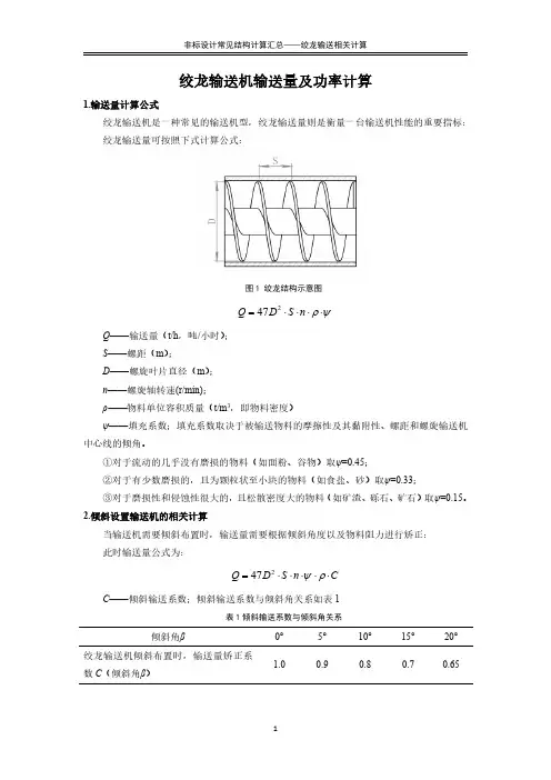
绞龙输送机输送量及功率计算1.输送量计算公式绞龙输送机是一种常见的输送机型,绞龙输送量则是衡量一台输送机性能的重要指标:绞龙输送量可按照下式计算公式:图1绞龙结构示意图ψρ⋅⋅⋅⋅=n S D Q 247Q ——输送量(t/h ,吨/小时);S ——螺距(m );D ——螺旋叶片直径(m );n ——螺旋轴转速(r/min);ρ——物料单位容积质量(t/m 3,即物料密度)ψ——填充系数;填充系数取决于被输送物料的摩擦性及其黏附性、螺距和螺旋输送机中心线的倾角。
①对于流动的几乎没有磨损的物料(如面粉、谷物)取ψ=0.45;②对于有少数磨损的,且为颗粒状至小块的物料(如食盐、砂)取ψ=0.33;③对于磨损性和侵蚀性很大的,且松散密度大的物料(如矿渣、砾石、矿石)取ψ=0.15。
2.倾斜设置输送机的相关计算当输送机需要倾斜布置时,输送量需要根据倾斜角度以及物料阻力进行矫正:此时输送量公式为:Cn S D Q ⋅⋅⋅⋅⋅=ρψ247C ——倾斜输送系数;倾斜输送系数与倾斜角关系如表1表1倾斜输送系数与倾斜角关系倾斜角β0°5°10°15°20°绞龙输送机倾斜布置时,输送量矫正系数C (倾斜角β)1.00.90.80.70.653.电机轴功率203670LD H L Q P ⋅++⋅=)(λP 0——轴功率(kw );Q ——输送量(t/h ,吨/小时);λ——物料阻力系数;L ——螺旋长度(m );H ——螺旋倾斜高度(m );D ——螺旋叶片直径(m );ηP P =P ——电机功率(kw );η——电机功率系数;表2物料阻力系数表物料特征物料的典型例子物料阻力系数λ干的、无磨琢性谷物、木屑、煤粉、面粉 1.2湿的、无磨琢性麦芽、糖块、石英粉、 1.5半磨琢性纯碱、块煤、食盐 2.5磨琢性卵石、砂石、水泥、焦炭 3.2强磨琢性或黏性炉灰、造型土、石灰、砂糖、矿砂4.04.举例说明绞龙输送机应该如何进行选型计算图2绞龙输送机例:现需要设计一款绞龙输面机,输送机水平布置,其旋转轴直径0.02m ,螺旋叶片直径0.06m ,该输送机连续工作时,需在10分钟内输送3200cm 3面团(即每3秒输送16cm 3体积的面团),验证该模型设计是否符合要求,并计算电机功率。
.
绞龙(螺旋轴)的CAD画法
及设计方法
一、绞龙有关已知尺寸:绞龙外径D=360mm,轴径d=130mm,
节距s=185mm,叶片厚度δ=8mm,求叶片的下料尺寸?
(1)加工叶片内螺旋线的直径为:
d1=√d2+(s/3.14) 2=√1302+()2
(2)加工叶片外螺旋线的直径为:
二、技术要求:
1、E5OI5焊条在350℃焙烘1小时E0-19-10-16焊
条在150℃焙烘1—2小时,E4303焊条经200℃焙烘1—2小时。
2、为防备轴在堆焊时发生曲折变形,一般采纳两条举措:(1)是用均衡变形法使轴转动堆焊;
(2)是把轴竖起来,以直线运条或斜线运条进行横焊。
3、堆焊层厚度一般留3mm的加工余量,焊后应进行缓冷
和回火,而不锈钢轴则不需作任何办理。
.
绞龙轴
左视图.
下料尺寸图
装置图.。
螺旋输送机国家标准螺旋输送机是一种常用的物料输送设备,广泛应用于煤炭、化工、建材、粮食加工等行业。
为了规范螺旋输送机的设计、制造和使用,我国制定了一系列的国家标准,以确保螺旋输送机的安全性、可靠性和经济性。
首先,螺旋输送机的国家标准明确了其基本参数和技术要求。
例如,标准规定了螺旋输送机的型号、规格、工作能力、输送距离、输送角度、电动机功率等参数,以及螺旋输送机的结构、材料、制造工艺、安全防护装置等技术要求。
这些规定为螺旋输送机的设计和制造提供了具体的依据,确保了设备的性能符合国家标准。
其次,螺旋输送机的国家标准规定了其安装、使用和维护的要求。
标准明确了螺旋输送机的安装位置、基础支承、传动装置、导向装置、润滑装置等方面的要求,以及设备的启动、停车、运行、维护等操作规程。
这些规定为螺旋输送机的使用和维护提供了指导,确保了设备的安全运行和延长了设备的使用寿命。
另外,螺旋输送机的国家标准还规定了其检验、验收和使用单位的责任。
标准明确了螺旋输送机出厂前的检验项目和方法,以及设备交付使用单位后的验收标准和程序。
同时,标准还规定了设备制造单位、使用单位和监督检验单位的责任和义务,明确了各方在螺旋输送机设计、制造、使用和监督检验过程中的职责分工,保障了设备的质量和安全。
综上所述,螺旋输送机国家标准的制定对于规范螺旋输送机的设计、制造和使用具有重要意义。
遵循国家标准,可以确保螺旋输送机的性能符合要求,安装、使用和维护符合规程,最大程度地保障了设备的安全性、可靠性和经济性。
因此,制造、使用和监督检验单位都应严格按照国家标准执行,共同维护螺旋输送机行业的良好秩序,推动行业的健康发展。
绞龙(螺旋轴)的CAD画法
及设计方法
一、绞龙相关已知尺寸:绞龙外径D=360mm,轴径d=130mm,节距s=185mm,叶片厚度δ=8mm,求叶片的下料尺寸
(1)加工叶片内螺旋线的直径为:
d1=√d²+(s/²=√130²+(185/)²=
(2)加工叶片外螺旋线的直径为:D1=d1+D-d=+360-130=
二、技术要求:
1、E5OI5 焊条在 350℃焙烘 1 小时 E0-19-10-16 焊条在 150 ℃焙烘 1—2 小时,E4303 焊条经 200℃焙烘 1 —2 小时。
2、为防止轴在堆焊时发生弯曲变形,一般采用两条措施:(1)是用平衡变形法使轴转动堆焊;
(2)是把轴竖起来,以直线运条或斜线运条进行横焊。
3、堆焊层厚度一般留3mm的加工余量,焊后应进行缓冷和回火,而不锈钢轴则不需作任何处理。
绞龙轴
左视图
下料尺寸图
装配图。
螺旋输送机说明书螺旋输送机适用范围:螺旋机一直被广泛用于国民经济各部门,如建材、冶金、化工、电力、煤炭、机械、轻工、粮食及食品行业,适宜输送粉状、颗粒状、小块状物料,如水泥、煤粉、粮食、化肥、灰渣、沙子、焦炭等。
不宜输送易变质、粘性大、易结块的物料,LS螺旋输送机工作环境温度通常为-20~40℃,输送物料的温度般为-20~80℃,LS螺旋输送机适宜水平和小倾角布置,倾角以不超过15°为宜,如有特殊要求,可与制造厂协商,进行特殊设计制造。
螺旋输送机技术参数:螺旋输送机特点:1.承载能力大、安全可靠。
2.适应性强、安装维修方便、寿命长。
3.整机体积小、转速高、确保快速均匀输送。
4.密封性好、外壳采用无缝钢管制作,端部采用法兰互相连接成一体,刚性好5.螺旋输送机应用范围很广,适用于输送粉状物料。
6.结构简单、成本低、尺寸小,操作安全方便,在使用过程中能密封。
是一种理想的输送设备。
7.本机具有结构简单,外形尺寸小,成本低,操作安全,能按工艺要求满足多点进料和排料。
8. 结构新颖,技术指标先进,密封装置阻力小,耐磨性能好,整机噪声低,密封性好。
结构简单、横截面尺寸小、密封性好、工作可靠、制造成本低,便于中间装料和卸料,输送方向可逆向,也可同时向相反两个方向输送。
输送过程中还可对物料进行搅拌、混合、加热和冷却等作业。
通过装卸闸门可调节物料流量。
但不宜输送易变质的、粘性大的、易结块的及大块的物料。
输送过程中物料易破碎,螺旋及料槽易磨损。
单位功率较大。
使用中要保持料槽的密封性及螺旋与料槽间有适当的间隙。
广泛用于化工、建材、电力、煤炭、冶金、粮食等部门,在倾角β< 20 °的情况下,输送粘度不大、不易变质、不易结块的粉状、颗粒状和小块物料。
在混凝土搅拌站中,螺旋输送机的作用及优势得到了最大的体现。
螺旋输送机螺旋输送机工作原理:螺旋输送机是利用螺旋转动而推移物料的连续输送设备。
宜于输送各种粉状,粒状及小块状的物料。
绞龙输送机输送量的计算
其实很多设备在正常运行时它的工作需要我们进行一些计算,这样能更好的了解它的工作量,绞龙输送机对输送量的确有明确的要求及计算公式、,并且电机功率也有一定的计算。
下面给大家详细介绍一下。
一、输送量Q=47bjrD2S*n(t/h)
式中:b-倾斜系数,j-物料填充系数,r-物料容重(t/m3,D -直径m,S-螺距m,n-转速r/min。
填充系数一般为:流动性良好、轻度磨琢性粉状和细粒状物料取j=0.45(如粮食),流动性一般、中等磨琢性物料取j=0.33(如煤、灰、水泥),极大磨琢性物料取j=0.15(如炉渣、河砂)。
二、电机功率
P=0.9[Q(L+H)/367+DL/20];N=KP
式中:P-功率kw,Q-输送量t/h,-运行阻力系数,L-螺旋,长度m,H-螺旋倾斜高度m,D-螺旋直径m,N-电机功率kw,K-功率系数。
三、螺旋直径
由转速及输送量确定最小螺旋直径,并满足下列条件:对输送块状物料,螺旋直径D至少应为颗粒最大边长的10倍,如果大颗粒的含量少时,也可选用较小的螺旋直径,但至少应为颗粒最大边长的4倍。
以上几点就是有关绞龙输送机的一些参数和技术数据,大家可以参考一下。
绞龙输送机的特点及结构绞龙输送机又称螺旋输送机,旋转的螺旋叶片将物料推移而进行螺旋输送机输送,广泛应用于各行业,适用于水平或倾斜输送粉状、粒状和小块状物料,物料温度小于200℃,螺旋机不适于输送易变质的、粘性大的、易结块的物料。
1、螺旋轴与吊轴承、头、尾轴联接均采用嵌入舌式,安装、拆卸不需轴向移动,维修方便。
、芯轴长、吊挂少、故障点少。
2、采用变径结构,增大吊轴承处容积,避免吊轴承与物料接触,吊轴承寿命可达两年以上。
3、各传动部位均采用浮动连接方式,吊轴承为万向节结构,使螺旋体,吊轴承和尾部总成形成一个整体旋浮体,在一定范围内可随输送阻力自由旋转避让,不卡料,不堵料。
4、头尾轴承座均在壳体外,所有轴承采用多层密封和配合密封技术,轴承使用寿命长。
焦作市华粮机械有限公司,座落于著名的世界地质公园,国家AAAAA级旅游景区云台山脚下,是专业生产提升、输送设备的公司之一。
下面华粮机械给大家讲述下绞龙输送机的结构。
绞龙输送机结构简单、横截面尺寸小、密封性好、工作可靠、制造成本低,便于中间装料和卸料,输送方向可逆向,也可同时向相反两个方向输送。
输送过程中还可对物料进行搅拌、混合、加热和冷却等作业。
通过装卸闸门可调节物料流量。
但不宜输送易变质的、粘性大的、易结块的及大块的物料。
绞龙输送机输送过程中物料易破碎,绞龙输送机及料槽易磨损。
单位功率较大。
绞龙输送机使用中要保持料槽的密封性及螺旋与料槽间有适当的间隙。
垂直绞龙输送机适用于短距离垂直输送。
可弯曲绞龙输送机的螺旋由挠性轴和合成橡胶叶片组成,易弯曲,可根据现场或工艺要求任意布置,进行空间输送。
绞龙输送机叶片有现拉式和整拉失,现拉式可做成任意厚度与规格尺寸,整拉式不宜制作非标准螺旋绞龙。
绞龙输送机从输送物料位移方向的角度划分,绞龙输送机分为水平式绞龙输送机和垂直式绞龙输送机两大类型,主要用于对各种粉状、颗粒状和小块状等松散物料的水平输送和垂直提升,该绞龙输送机不适宜输送易变质、粘性大、易结块或高温、怕压、有较大腐蚀性的特殊物料。
俗称“绞龙”。
螺旋输送机是利用旋转的螺旋将被输送的物料沿固定的机壳内推移而进行输送工作。
螺旋输送机旋转轴的旋向,决定了物料的输送方向。
螺旋输送机一直被广泛用于国民经济各部门,如建材、冶金、化工、电力、煤炭、机械、轻工、粮食及食品行业,适宜输送粉状、颗粒状、小块状物料,如水泥、煤粉、粮食、化肥、灰渣、沙子、焦炭等.不宜输送易变质、粘性大、易结块的物料。
近似计算公式:输送量Q = 47 D2 ntΦpC(t/h)式中:D—输送机直径m、n--螺旋轴转速r/min、t—螺距m、Φ—物料充填系数、p—物料容重t/m3、c—输送机倾角系数轴功率P0=【Q(ω0L+H)/367】+DL/20式中:Q—输送量、ω0—物料阻力数(1.2-4)、L—输送长度m、D—输送机直径m、H—倾斜布置时的垂高度m物料填充系数主要指?还有输送机倾斜角系数是?物料阻力数一般是多少,可以举例说明一下么,我是做果汁行业的,主要是原料果的输送,谢谢121、充填系数物料在料槽中的充填系数对物料的输送和能量的消耗有很大影响。
当充填系数较小时,物料堆积高度较低,大部分物料靠近螺旋外侧,因而具有较高的轴向速度和较低的圆周速度,物料在输送方向上的运动要比圆周方向显著得多,运动的滑移面几乎平行于输送方向,这时垂直于输送方向的附加物料流减弱,能量消耗降低;相反,当充填系数较高时,物料运动的滑移面很陡,其在圆周方向的运动将比输送方向的运动强,这将导致输送速度的降低和附加能量的消耗。
因而,充填系数适当取小值较有利,一般取φ<50%。
此外,倾斜角度的大小对充填系数也有一定影响。
2、倾斜角度螺旋输送机的倾斜角度对于螺旋输送机输送过程的生产率和功率消耗都有影响,一般它是以一个影响系数的形式来体现的。
螺旋输送机输送能力将随着倾斜角度的增加而迅速降低的,同时,螺旋输送机布置时倾斜角度也将影响物料的输送效果。
另外倾斜角度的大小还会影响充填系数。
倾斜角度越大,允许的填充系数越小,螺旋输送机的输送能力越低。
螺旋输送机技术要求一、螺旋输送机介绍:⑴、螺旋输送机俗称绞龙,适用于短距离水平或垂直输送粉状、粒状和小块状物料,不适于输送易变质、粘性大、易结块的物料,使用环境温度通常为-20~50℃。
⑵、螺旋输送机具有结构简单,造价低,密封性好等优点,但输送距离短,叶片和机壳易磨损,能耗高,且物料易被压碎。
⑶、螺旋输送机常用型号有:GX型、LS型和LC型。
1、GX型螺旋输送机:螺旋直径共有150、200、250、300、400、500、600mm等七种规格,机身最短为3m,最长可达70m,级差为0.5m,根据不同现场需要可组成相应输送系统,用于水平或倾角小于20°的单向输送。
2、LS型螺旋输送机:LS型螺旋输送机是GX型螺旋输送机的换代产品,螺旋直径为100~1250mm,计有十一种规格,驱动方式有单端驱动和双端驱动两种形式;LS型螺旋输送机身长度每0.5m一档,根据不同现场需要可组成相应输送系统,与GX型螺旋输送机一样,用于水平或倾角小于20°的单向输送。
3、LC型垂直螺旋输送机:适宜于垂直或有较大倾角地输送粉状或粒状、粘性不大、松散密度在0.5~1.3的干燥物料。
LC型垂直螺旋输送机螺旋直径有200、250、315等几种定型规格,最大提升高度一般不超过8m,机身高度每0.5m一档,根据不同现场需要可组成相应提升输送系统。
⑷、螺旋输送机按安装形式分:固定式螺旋输送机和移动式螺旋输送机。
⑸、螺旋输送机按输送方向或工作转速分:水平慢速螺旋输送机、垂直快速螺旋输送机和可弯曲螺旋输送机。
1、水平慢速螺旋输送机:其输送物料温度小于200℃,输送机倾角β小于20°,输送距离一般小于40m,最大不超过70m。
2、垂直快速螺旋输送机:其输送物料温度小于80℃,垂直提升高度不超过8m。
3、可弯曲螺旋输送机:螺旋体由挠性轴和合成橡胶叶片组成,易弯曲,可根据现场或工艺要求任意布置,进行空间输送。
⑹、螺旋输送机机座安装形式有:地面支承安装、悬吊支承安装、通廊或地沟支承安装。
螺旋输送机的各项参数及安全操作螺旋输送机被我们各个行业俗称为“绞龙”,其来由主要是因为螺旋输送机其本身的工作原理及外观。
螺旋输送机是利用螺旋将物料沿着固定的机壳槽推移而进行输送工作。
螺旋输送机的的外观也也是螺旋状,在我们进行输送物料时可以进行密封式传动,其结构简单,运行更加的平稳可靠,可以在中间多点装料及卸料各操作安全、维修更加简便等优点,非常广泛应用于化工、建材、冶金及粮食各机械加工等部门。
螺旋输送机之所以能被各大企业所运用主要是国为其结构先进、阻力小、使用寿命更加长久、在维修方便及保护装置上也是更加的齐全。
其主要是因其各设备的基本参数及一此安全操作的实行,下面就由昱音我带您了解螺旋输送机的一些基本参数及安全操作。
首先是螺旋输送机的参数,我们一般考虑到四点,输送能力、输送长度及倾角、输送速度及构件尺寸。
螺旋输送机的输送能力是指单位时间内输送的物料量。
在输送散状物料时,以每小时输送物料的质量或体积计算;在输送成件物品时,以每小时输送的件数计算。
输送线路长度和倾角大小直接影响螺旋输送机的总阻力和所需要的功率。
螺旋输送机的构件尺寸包括输送带宽度、板条宽度、料斗容积、管道直径和容器大小等。
这些构件尺寸都直接影响螺旋输送机的输送能力。
提高输送速度可以提高输送能力。
在以输送带作牵引件且输送长度较大时,输送速度日趋增大。
对于以链条作为牵引件的输送机,输送速度不宜过大,以防止增大动力载荷。
同时进行工艺操作的输送机,输送速度应按生产工艺要求确定。
螺旋输送机的安全操作是在螺旋输送机运行前,首先要确认螺旋输送机设备、人员、被输送物品均处于安全完好的状态;其次检查各运动部位正常无异物,检查所有电气线路是否正常,正常时才能将皮带输送机投入运行。
最后要检查供电电压与设备额定电压的差别不超过±5%。
螺旋输送机悬挂轴承装在两节螺旋的连接处,以保证各节螺旋的同轴度并承受螺旋的重量和工作时所产生的力。
悬挂轴承应使用可靠,结构紧凑,轴向和径向尺寸小,以免造成积料和阻力过大。
绞龙输送机计算及相关说明1.绞龙输送机的尺寸计算:绞龙输送机的尺寸取决于隧道的直径和设计要求。
一般来说,绞龙输送机的直径应略小于隧道的直径,以确保其能够顺利通过。
2.转力与推进力的计算:绞龙输送机需要产生足够的转力来推进和挖掘隧道。
转力与推进力的计算涉及许多因素,如土壤的抗剪力、绞龙输送机的重量和摩擦力等。
这些参数可以通过实地测试和数值模拟进行估算。
3.输送能力的计算:绞龙输送机的输送能力取决于其设计和工作条件。
一般来说,输送能力可以通过绞龙输送机的直径、转速、输送带宽度和输送速度来计算。
这些参数可以由隧道设计师和机械工程师根据项目需求进行选择和调整。
4.提升系统和支撑系统的计算:绞龙输送机需要使用提升系统和支撑系统来保持稳定和安全。
提升系统的计算包括提升力的计算和液压系统的设计。
支撑系统的计算涉及隧道壁面的稳定性和地质条件的评估。
这些计算需要参考相关标准和规范进行。
绞龙输送机的设计和计算需要综合考虑土壤力学、机械结构、液压系统和地质条件等多个因素。
一方面,绞龙输送机需要具备足够的推进力和转力,以便在地下隧道中进行有效挖掘和输送。
另一方面,绞龙输送机的设计还需要考虑安全性、可靠性和经济性等方面的要求。
为了确保绞龙输送机的性能和工作效率,需要进行综合性的试验和模拟。
这些试验和模拟可以用于验证设计参数、评估系统性能和优化施工方案。
同时,绞龙输送机的安装、维护和操作也需要参考相关操作手册和安全规定进行。
总而言之,绞龙输送机是一种非常重要的隧道工程设备,在设计、计算和使用过程中需要充分考虑多个因素。
通过科学的计算和综合的评估,可以确保绞龙输送机在隧道施工中的顺利运行和安全使用。
螺旋输送机/绞龙安装的技术条件机器安装的正确性,是以后使用情况良好的先决条件。
螺旋机在使用地点的安装必须妥善的进行,并满足本技术条件的要求:1、螺旋输送机安装至少应在螺旋机正式安装以前20天浇灌完成其基础,其基础应能可靠地支承输送机并保证不因地基支承力过小而发生螺旋机的下沉和额外的变形,保证螺旋机运行时具有足够的稳定性。
2、螺旋输送机在安装前,必须将那些在运输途中或卸箱时粘上尘垢的机件加以清洗。
3、螺旋输送机机壳以及主两端机架的纵向不直度和纵向不水平度允差为长度的1/1000,全长不超过下表:4、螺旋输送机各机壳的机盖支承面在螺旋机全长应位于同一平面内。
5、螺旋输送机相邻两机壳之内表面在其相互接头处不得有显著的高低。
6、螺旋输送机的各底座在机壳装妥以后均应使之着实而后再拧紧地脚螺钉。
7、螺旋输送机的各中间悬吊轴承应可靠地吊承着两节螺旋间的联接轴,不得使螺旋被卡住、压弯,安装时可在吊轴承底座与机壳支撑角钢间加调整垫片使各吊轴承同心。
8、螺旋输送机在安装时其外径和机壳半园槽底的最小间隙不得小于其名义间隙70%。
9、端部平轴承组之滚动轴承端面与轴承座及端盖端面的间隙不得小于2mm。
10、为了调整机壳和螺旋长度之间的累积偏差,螺旋机在安装时在各机壳的凸缘间允许加垫石棉带,要求较高密封性时,机壳与机盖亦可加垫防水粗帆布。
11、驱动装置末速轴和螺旋机应保证同心,驱动装置如果采用平衡联轴器与螺旋机传动轴联接,则驱动装置末速轴与螺旋机传动轴的平行性偏差不得超过1/100而轴线之平行位移不得超过0.2公厘。
12、所有联结螺钉均应拧紧至可靠的程度。
13、进出料口现场安装应使进出料口的凸缘支承面与螺旋输送机的轴线平行、与相联接的法兰应紧密贴合,不得有间隙。
14、螺旋机装妥以后应检查各存油处是否有足够润滑油,如果不够则应加足,其后始能进行无负荷试车。
15、螺旋输送机装妥以后应进行连续4小时以上的无负荷试车,无负荷试车时,应注意螺旋机装配的正确性。
绞龙输送机的技术参数
一、概述
绞龙输送机又称螺旋输送机,旋转的螺旋叶片将物料推移而进行螺旋输送机输送,广泛应用于各行业,适用于水平或倾斜输送粉状、粒状和小块状物料,物料温度小于200℃,绞龙输送机不适于输送易变质的、粘性大的、易结块的物料。
二、结构特点
1 、螺旋轴与吊轴承、头、尾轴联接均采用嵌入舌式,安装、拆卸不需轴向移动,维修方便、芯轴长、吊挂少、故障点少;
2 、采用变径结构,增大吊轴承处容积,避免吊轴承与物料接触,吊轴承寿命可达两年以上;
3 、各传动部位均采用浮动连接方式,吊轴承为万向节结构,使螺旋体,吊轴承和尾部总成形成一个整体旋浮体,在一定范围内可随输送阻力自由旋转避让,不卡料,不堵料;
4 、头尾轴承座均在壳体外,所有轴承采用多层密封和配合密封技术,轴承使用寿命长。
三、优缺点
优点:
(1)密封的工作状态,防止粉尘飞扬,改善工作环境。
(2)结构简单,尺寸小,紧凑。
(3)可同时有若干个进料、出料口,工艺安排灵活,工作时只能打开一个门。
(4)操作安全。
(5)物料输送方向是可逆的,可同时向两个方向输送物料。
(6)完成物料的输送和混合、搅拌、松散、加热和冷却等工艺。
缺点:
(1)叶片、机壳与物料间摩擦大,动力消耗大,叶片、机壳易磨损,物料易破碎。
(2)输送距离受到限制<30m
(3)不易输送含长纤维及杂质多的物料。
四、工作原理
旋转的螺旋叶片将物料推移而进行螺旋输送机输送,使物料不与螺旋输送机叶片一起旋转的力是物料自身重量和螺旋输送机机壳对物料的摩擦阻力。
螺旋输送机旋转轴上焊的螺旋叶片,叶片的面型根据输送物料的不同有实体面型、带式面型、叶片面型等型式。
螺旋输送机的螺旋轴在物料运动方向的终端有止推轴承以随物料给螺旋的轴向反力,在机长较长时,应加中间吊挂轴承。
五、产品图片
六、应用领域
绞龙输送机广泛应用于各行业,如建材、化工、电力、冶金、煤矿炭、粮食等行业,适用于水平或倾斜输送粉状、粒状和小块状物料,如煤矿、灰、渣、水泥、粮食等,物料温度小于200℃。
绞龙输送机不适于输送易变质的、粘性大的、易结块的物料。
在混凝土搅拌站中,绞龙输送机的作用得到了最大的体现。
绞龙输送机的详细介绍由沧州中能刘欢提供,希望给您带来帮助。