Part IV--牙轮钻头磨损分类等级
- 格式:ppt
- 大小:8.09 MB
- 文档页数:34
项目一:¢215.9mm三牙轮钻头磨损分析一、考核目的:通过测量、计算¢215.9mm三牙轮钻头切削齿和钻头直径磨损情况,考核选手判断分析钻头使用程度的能力。
二、考核内容:选手随机抽取已备好的铣齿、镶齿钻头各一只,进行测量、计算、判断分析,并将结果填在给定的表格内。
三、操作要求:选手报告裁判已经准备好,裁判给选手发开始信号,随机抽取铣齿、镶齿钻头各一只,操作开始,同时计时。
1、操作前检查:操作环境是否安全、工具、材料是否齐全。
(包括:钻头规、游标卡尺、钢板尺、签字笔、表格纸张等)检查钻头规、游标卡尺等工具的外观并校零,确保量具的准确可靠。
2、测量、评定并记录镶齿钻头的切削齿和直径的磨损情况⑴测量、评定并记录镶齿钻头切削齿的磨损情况①将钻头牙轮朝上平稳放置。
②选取磨损最严重的一个牙轮作为评定对象。
③仔细观察并记录旧钻头上的崩、断和掉齿总数,得出N值,(单位:个)④数出新钻头总齿数,得出N0值(或已提供),(单位:个)⑤计算,C=8*N / N0⑥根据C值及切削齿磨损定级表,取值、定级。
⑦将结果填入给定的表格内⑵测量、评定并记录镶齿钻头直径的磨损情况①将钻头牙轮朝上平稳放置。
转动牙轮,使三个牙轮的外排齿规径尖处于最高点。
②将钻头规端平放在钻头规径尖处(一般在三个牙轮外排齿最大外边缘处),调节开口大小,使钻头规与三个牙轮外缘同时接触,正视刻度线,读得旧钻头的直径(单位:mm)并记录。
如果用固定的钻头规测量钻头直径时,钻头规尺寸与钻头尺寸愈接近误差越小。
测量时,使钻头规与两个牙轮外缘同时接触,测量第三个牙轮外缘与钻头规的距离,量得的数乘以2/3,即为钻头直径的磨损量,(单位:mm)③量取新钻头的直径(或已提供)。
④计算新旧钻头直径的差值为磨损量(单位:mm)⑤磨损量在两数值之间时,应取较大的数值。
(单位换算)⑥将结果填入给定的表格内3、测量、评定并记录铣齿钻头的切削齿和直径的磨损情况⑴测量、评定并记录铣齿钻头切削齿的磨损情况①将钻头牙轮朝上平稳放置。
SY 5415—91牙轮钻头磨损评定方法1主题内容与适用范围本标准规定了牙轮钻头磨损类别及分级、特征及代号、测量方法及描述。
本标准适用于石油钻井用牙轮钻头磨损分级。
2磨损类别及分级2.1牙齿磨损对于铣齿钻头和镶齿钻头的牙齿磨损,均以旧钻头与新钻头齿高磨损比值和总齿数比值的八分之几的数值来描述钻头牙齿磨损程度。
2.1.1铣齿钻头:是以齿被磨去的高度与新齿高度的比值作为定级依据。
齿高磨损比值按(1)式计算:C1=8(H1-H2)/H1 (1)式中:C1——齿高磨损比值;H1——与磨损牙轮对应齿排新钻头齿高平均数,mm;H2——磨损最严重牙轮上某排齿高的算术平均数,mm;2.1.2镶齿钻头:是以旧钻头上脱落、折断总齿数与新钻头总齿数(不包括背锥齿)的比值作为定级依据。
钻头脱落、折断总齿数比值按2)式计算:C2=8N2/N1 (2)式中:C2——脱落、折断总齿数比值;N2——旧钻头缺少的齿数,个;N1——新钻头总齿数,个。
2.1.3牙齿磨损分级:牙齿磨损分为8级,见表1。
表1齿高磨损比值>0>1/8>2/8>3/8 >4/8 >5/8>6/8>7/8 (掉断齿数比)0≤1/8 ≤2/8≤3/8≤4/8≤5/8≤6/8≤7/8≤8/8(>0(>1(>2(>3(>4 (>5(>6(>7 C1或C2 0≤1)≤2)≤3)≤4)≤5)≤6)≤7)≤8)牙齿磨损分级0 1 2 3 4 5 6 7 82.2轴承磨损对于滚动和滑动轴承的磨损,均以旧钻头已用轴承寿命与该钻头可用轴承寿命的比值的八分之几的数值为轴承磨损定级依据。
轴承寿命比值按(3)、(4)式计算:Z=8T2/T1 (3)N B W BT1=( )B1.( )B2.T B (4)N S W S式中:Z_——轴承寿命比值;T2——在N S和W S下已用去的轴承寿命,h;T1——在N S和W S下的轴承寿命,h;N S——旧钻头实际转速,r/min;W S——旧钻头实际钻压,kN;N B——统计的标准转速,r/min;W B——统计的标准钻压,kN;T B——在N B、W B参数下统计的轴承寿命,h;B1、B1——轴承磨损指数,详见表2。
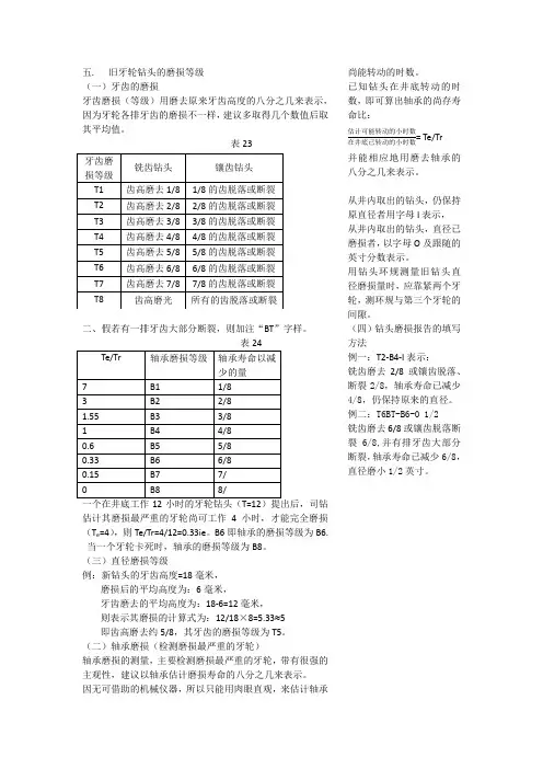
五. 旧牙轮钻头的磨损等级(一)牙齿的磨损牙齿磨损(等级)用磨去原来牙齿高度的八分之几来表示,因为牙轮各排牙齿的磨损不一样,建议多取得几个数值后取其平均值。
表23二、假若有一排牙齿大部分断裂,则加注“BT”字样。
一个在井底工作12小时的牙轮钻头(T=12)提出后,司钻估计其磨损最严重的牙轮尚可工作4小时,才能完全磨损(T e=4),则Te/Tr=4/12=0.33ie。
B6即轴承的磨损等级为B6. 当一个牙轮卡死时,轴承的磨损等级为B8。
(三)直径磨损等级例:新钻头的牙齿高度=18毫米,磨损后的平均高度为:6毫米,牙齿磨去的平均高度为:18-6=12毫米,则表示其磨损的计算式为:12/18×8=5.33≈5即齿高磨去约5/8,其牙齿的磨损等级为T5。
(二)轴承磨损(检测磨损最严重的牙轮)轴承磨损的测量,主要检测磨损最严重的牙轮,带有很强的主观性,建议以轴承估计磨损寿命的八分之几来表示。
因无可借助的机械仪器,所以只能用肉眼直观,来估计轴承尚能转动的时数。
已知钻头在井底转动的时数,即可算出轴承的尚存寿命比:估计可能转动的小时数在井底已转动的小时数= Te/Tr并能相应地用磨去轴承的八分之几来表示。
从井内取出的钻头,仍保持原直径者用字母I表示,从井内取出的钻头,直径已磨损者,以字母O及跟随的英寸分数表示。
用钻头环规测量旧钻头直径磨损量时,应靠紧两个牙轮,测环规与第三个牙轮的间隙。
(四)钻头磨损报告的填写方法例一:T2-B4-I表示:铣齿磨去2/8或镶齿脱落、断裂2/8,轴承寿命已减少4/8,仍保持原来的直径。
例二:T6BT-B6-O 1/2铣齿磨去6/8或镶齿脱落断裂6/8,并有排牙齿大部分断裂,轴承寿命已减少6/8,直径磨小1/2英寸。
牙齿磨耗9级分类判定法
牙齿磨耗是指牙齿表面由于各种原因而受到磨损的情况。
根据磨耗的严重程度,可以将牙齿磨耗分为不同的级别。
以下是一种常见的牙齿磨耗9级分类判定法:
级别0:无明显牙齿磨耗。
级别1:牙釉质上轻微的磨耗,只能在放大镜下观察到。
级别2:牙釉质磨耗较明显,可以在裸眼下观察到。
级别3:牙釉质和牙本质同时磨损,牙齿表面有小凹陷。
级别4:明显的牙齿磨耗,牙釉质和牙本质磨耗程度相当,牙齿高度减少。
级别5:牙本质磨损加剧,牙齿有明显的凹陷和损伤。
级别6:牙本质磨耗非常严重,牙齿表面形成凹陷,甚至暴露牙髓。
级别7:牙本质严重磨耗,牙齿高度严重减少。
级别8:牙齿表面几乎全部磨损,牙齿高度极低。
级别9:牙齿完全丧失。
请注意,以上是一种常见的牙齿磨耗级别判定法,实际应用中
还会根据具体的情况进行细分或调整。
还应综合考虑患者的症状、牙齿的功能和美观等方面,综合评估牙齿磨耗的级别和治疗方案。
因此,在实际应用中,建议咨询专业牙医进行详细的评估和诊断。
三牙轮钻头使用注意事项三牙轮钻头使用注意事项1、牙轮钻头预备牙轮钻头预备根据本井地质预测、邻井牙轮钻头、上只钻头的使用情况,参照钻井工程设计,合理选择牙轮钻头类型和型号。
钻头下井前需确认井底干净,无沉砂。
无金属落物。
2.钻头外观检查与记录钻头外观检查与记录检查牙轮钻头型号、出厂日期及出厂编号与外包装是否一致。
检查牙轮钻头的表观质量,丝扣连接螺纹是否完好、牙纶牙轮钻头牙轮有无互咬或旷动,焊缝是否完好;用钻头规测量牙轮钻头直径。
3.3.喷嘴安装喷嘴安装喷嘴安装合理选择牙轮钻头喷嘴,充分发挥水力破岩、清洗作用。
安装时检查牙轮钻头水眼孔内“0”型圈是否完好,应保证喷嘴和壳体清洁,严禁用榔头敲打,以免损坏喷嘴和密封圈。
4. 4. 上上扣防止井口工具落井。
应使用与牙轮钻头规格相符的牙轮钻头盒,以免损坏牙轮钻头体。
任何情况下都不能使用大钳咬牙轮钻头巴掌及牙轮体。
上扣前涂丝扣油;按规定的扭矩值上扣。
下钻要平稳,避免压力激动;防止顿钻。
通过防喷器组,套管头,缩径井段,大狗腿度,台肩及套管鞋处要控制下放速度。
轻划通过缩径井段,划眼前必须开泵。
划眼接近井底时,监测钻压和扭矩,如钻压和扭矩增加时,表明已接触井底或沉沙;若有沉沙,提起钻具,大排量旋转钻具划到井底,确保沉沙或落物已清洗;在清洗沉沙后上下活动钻具。
最后一个单根或立柱要大排量启动转盘划眼到井底,充分洗井,清除井底岩屑,避免下入过快岩屑堵塞喷嘴或开泵过猛憋漏地层。
牙轮钻头应轻压、慢转平稳接触井底。
牙轮钻头应跑合30分钟左右,再按设计要求参数钻进。
6.6.井底造型井底造型井底造型小钻压,低转速,大排量,小扭矩; 转速按40-60转/分钟,钻压17 1/2按35KN 、12 1/4按24KN 、8 1/2按17KN 的 要求操作,至少钻进30分钟;7.7.确定最佳钻井参数确定最佳钻井参数确定最佳钻井参数试钻是确定最优钻压和转速组合获得很快机械钻速的有效手段,在地层变化,机械钻速变化,扭矩变化,人员变化以及作业参数变化如泥浆性能,水力学变化时要进行试钻。
牙轮钻头的选型及分类法(一)牙轮钻头选型的原则及应考虑的问题(1)地层的软硬程度和研磨性。
(2)钻进井段的深浅。
(3)易斜地层。
(4)软硬交错地层。
选用的钻头对所要钻的地层是否适合,要通过实践的检验才能下结论。
对于同一地层使用过的几种类型的钻头,在保证井身质量的前提下,一般以“每米成本”作为评价钻头选型是否合理的标准。
(2)IADC牙轮钻头分类方法及编号IADC规定,每一类钻头用四位字码进行分类及编号,各字码的意义如下:第一位字码为系列代号,用数字1~8分别表示八个系列,表示钻头牙齿特征及所适用的地层:1一铣齿,低抗压强度高可钻性的软地层;2一铣齿,高抗压强度的中到中硬地层;3一铣齿,中等研磨性或研磨性的硬地层;4一镶齿,低抗压强度高可钻性的软地层;5一镶齿,低抗压强度的软到中硬地层;6一镶齿,高抗压强度的中硬地层;7一镶齿,中等研磨性或研磨性的硬地层;8一镶齿,高研磨性的极硬地层。
第二位字码为岩性级别代号,用数字1~4分别表示在第一位数码表示的钻头所适用的地层中再依次从软到硬分为四个等级。
第三位字码为钻头结构特征代号,用数字1~9计九个数字表示,其中1~7表示钻头轴承及保径特征,8与9留待未来的新结构特征钻头用。
1~7表示的意义如下:1一非密封滚动轴承;2一空气清洗、冷却,滚动轴承;3—滚动轴承,保径;4—滚动、密封轴承;5一滚动、密封轴承,保径;6一滑动、密封轴承;7一滑动、密封轴承,保径。
第四位字码为钻头附加结构特征代号,用以表示前面三位数字无法表达的特征,用英文字母表示。
目前,IADC已定义了11个特征,用下列字母表示:A一空气冷却;C一中心喷嘴;D一定向钻井;E一加长喷嘴;G一附加保径/钻头体保护;J一喷嘴偏射;R一加强焊缝(用于顿钻);S一标准铣齿;X一楔形镶齿;。
R一圆锥形镶齿;Z一其他形状镶齿。
有些钻头,其结构可能兼有多种附加结构特征,则应选择一个主要的特征符号表示。
钻头产品知识一、常用钻头种类1、概述(1) 钻头类型:*按结构及工作原理分类: 刮刀钻头、牙轮钻头、金刚石钻头*按功能分类: 全面钻进钻头、取芯钻头、扩眼钻头(2) 钻头尺寸系列: 3-3/4 -- 362、钻头的工作指标:钻头进尺:在钻头寿命内,其钻进的井段长度,单位为m;钻头工作寿命:在整个使用过程中,钻头在井下的纯钻进时间(包括划眼——在已钻出的井眼内旋转送钻、修整井壁的过程),单位为h机械钻速:用钻头的进尺除以纯钻进时间,即单位纯钻进时间的钻头进尺,表示钻头破碎岩石的能力和效率,单位为m/h。
钻头的工作指标:单位进尺成本—每米钻井成本二、刮刀钻头1、刮刀钻头的结构:上钻头体、下钻头体、刀翼、水眼两刀翼的称作两刮刀钻头三刀翼的称作三刮刀钻头四刀翼的称作四刮刀钻头刮刀钻头刀翼底部形状a.平底b. 正阶梯c. 反阶梯d. 反锥形2、工作原理:工作时其刀翼在钻压作用下吃入岩石,并在扭矩作用下剪切破碎岩石。
破岩方式:以刮削、挤压和剪切为主要破岩方式适用地层:松软地层3、刮刀钻头的应用:刮刀钻头制造工艺简单、成本低;刮刀钻头适用于软地层,钻速快,每米钻进成本低;刮刀钻头容易磨损成锥形,造成缩径和井斜;刮刀钻头产生剧烈的扭转振动,破坏钻具和设备;刮刀钻头目前逐渐被PDC钻头取代。
三、三牙轮钻头1、三牙轮钻头的分类:钢齿(铣齿)三牙轮钻头,镶齿三牙轮钻头2、三牙轮钻头的工作原理:牙轮钻头在钻压和钻柱旋转的作用下,牙齿压碎并吃入岩石,同时产生一定的滑动而剪切岩石。
当牙轮在井底滚动时,牙轮上的牙齿依次冲击、压入地层,这个作用可以将井底岩石压碎一部分,同时靠牙轮滑动带来的剪切作用削掉牙齿间残留的另一部分岩石,使井底岩石全面破碎,井眼得以延伸。
3、三牙轮钻头在井底的运动钻头公转:牙轮随钻头一起旋转钻头自转:牙轮绕牙轮轴线逆时针方向旋转(1.5倍)钻头的纵振:牙轮在滚动过程,其中心上下波动,使钻头做上下往复运动。