吊车参数表
- 格式:doc
- 大小:426.00 KB
- 文档页数:10
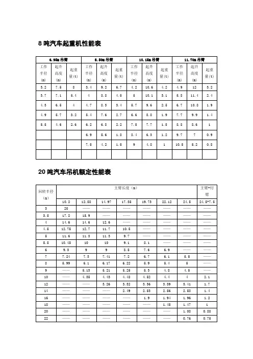
8--500吨汽车吊性能参数表8吨汽车起重机性能表220吨汽车吊机额定性能表325吨汽车起重机起重性能表(主臂)430吨汽车起重机性能表(一)750吨汽车起重机性能表(主表)980吨汽车起重机起重性能表(一)11100t汽车吊性能表13120吨汽车起重机起重性能表15150吨汽车起重机性能表(一)16150吨汽车起重机性能表(二)17160t汽车吊性能表18200吨汽车吊车19260吨吊车性能表20LTM1300/1-300t全液压汽车吊机21LTM1500-500t全液压汽车吊机23LTM1500-500t全液压汽车吊机248吨汽车起重机性能表主要技术参数 6.95m吊臂8.50m吊臂10.15m吊臂11.70m吊臂参数名称参数工作半径(m)起升高度(m)起重量(t)工作半径(m)起升高度(m)起重量(t)工作半径(m)起升高度(m)起重量(t)工作半径(m)起升高度(m)起重量(t)全车总重15.50t 3.27.5 8.0 3.49.2 6.7 4.210.6 4.2 4.912.0 3.2 最大爬坡能力22% 3.77.1 5.4 4.08.8 4.5 5.010.1 3.1 5.811.4 2.4 吊臂最大仰角 4.3 6.5 4.0 4.78.3 3.4 5.79.6 2.5 6.710.8 1.9 吊臂全伸时长度11.70m 4.9 5.7 3.2 5.47.6 2.7 6.68.8 1.9 7.79.9 1.4 吊臂全缩时长度 6.95m 5.5 4.6 2.6 6.2 6.8 2.2 7.57.7 1.5 8.88.6 1.0 最大提升高度12.00m 6.9 5.6 1.8 8.4 6.3 1.2 9.77.0 0.9 最小工作半径 3.20m 7.5 4.2 1.5 9.0 4.8 1.0 10.5 5.2 0.8 最小转弯半径9.20m20吨汽车吊机额定性能表以下工况仅供参考,实际请与本公司业务员联系!14.0 —————— 2.49 2.53 2.56 2.58 1.416.0———————— 1.9 1.94 1.96 1.218.0 —————————— 1.45 1.47 120.0———————————— 1.080.8822.0 ————————————0.76 0.7524.0——————————————0.6327.0 ——————————————0.525吨汽车起重机起重性能表(主臂)以下工况仅供参考,实际请与本公司业务员联系!工作半径(m)吊臂长度(m)10.213.7517.320.8524.427.9531.5325 17.53.520.6 17.5 12.2 9.5418 17.5 12.2 9.54.516.3 15.3 12.2 9.5 7.5514.5 14.4 12.2 9.5 7.55.513.5 13.2 12.2 9.5 7.5 7612.3 12.2 11.3 9.2 7.5 7 5.1 6.511.2 11 10.5 8.8 7.5 7 5.1 710.2 10 9.8 8.5 7.2 7 5.1 7.59.4 9.2 9.1 8.1 6.8 6.7 5.1 88.6 8.4 8.47.8 6.6 6.4 5.1 8.587.97.8 7.4 6.3 7.2 5 97.2 7 6.8 6 6.1 4.810 6 5.8 5.6 5.6 5.3 4.412 4 4.1 4.1 4.2 3.9 3.714 2.9 3 3.1 2.9 316 2.2 2.3 2.2 2.318 1.6 1.8 1.7 1.720 1.3 1.3 1.322 1 0.9 1240.7 0.8 260.5 0.5 280.4 290.3 30(注:本表红字及红字以上栏目的数字为吊臂强度所决定,其下面栏目数字为倾翻力矩决定)25吨汽车起重机起重性能表(副臂)主臂主角7.5副臂副臂倾角5度副臂倾角30度80度 2.5 1.25 75度 2.5 1.25 70度 2.05 1.15 65度 1.75 1.1 60度 1.55 1.05 55度 1.3 1.0 50度 1.05 0.830吨汽车起重机性能表(一)以下工况仅供参考,实际请与本公司业务员联系!主要技术参数主臂起重性能工作半径(m ) 支腿全伸 不用支腿 名称 参数 10.00m 17.00m 24.00m31.00m10.00m 全车总重 32.2t 3.00 30.00 20.00 8.00 最大爬坡能力 31% 3.35 30.00 20.00 7.00 最大提升高度 34.00m 3.50 28.10 20.00 6.40 吊臂全伸时长度 31.00m 4.00 24.20 20.00 5.10 吊臂全缩时长度 10.00m 4.50 21.40 20.00 13.00 4.20 最小转弯半径 11.50m 4.8 20.00 20.00 13.00 3.70 最大仰角 80° 5.0 19.20 19.20 13.00 3.40 30t 吊钩重 0.35t 5.5 17.50 17.50 13.00 2.80 12t 吊钩重 0.20t 6.0 16.00 16.00 13.002.30 4t 吊钩重 0.10t 6.5 14.60 14.60 13.00 9.00 1.90 10m 吊臂时钢丝绳数 8根7.013.5013.5012.00 9.00 1.6010-17m 时钢丝绳数 5根 7.5 12.00 12.00 11.20 9.00 1.30 24m 时钢丝绳数 4根 8.0 10.5010.50 10.50 9.00 1.0031m 时钢丝绳数 3根8.5 9.40 9.40 9.00 9.8 7.20 7.20 7.70 10.0 6.95 6.95 7.50 11.0 5.80 5.80 6.40 12.0 4.90 4.90 5.55 14.0 3.45 3.45 4.20 16.0 2.50 3.20 18.0 1.80 2.45 20.0 1.30 1.90 22.0 0.851.50 24.0 1.10 26.0 0.7527.00.65(注:本表红字及红字以上栏目的数字为吊臂强度所决定,其下面栏目数字为倾翻力矩决定)30吨汽车起重机性能表(二)吊臂角度工作半径使用8.45m 副臂倾角5°吊臂角度工作半径使用13.5m副臂倾角5°80°7.9 4.00 80°9.3 2.5078.5°9.5 4.00 77°12.0 2.5078°10.2 3.80 76°12.7 2.35 76°11.2 3.30 74°14.1 2.10 74°12.2 2.90 72°15.6 1.95 72°13.4 2.70 70°17.1 1.80 70°14.6 2.50 68°18.5 1.65 68°16.0 2.35 66°19.9 1.50 66°17.3 2.20 64°21.3 1.40 64°18.5 2.10 62°22.7 1.30 62°19.8 2.05 60°24.0 1.20 60°20.7 1.85 58°25.3 1.15 58°21.9 1.65 55°27.1 1.05 55°23.6 1.30 54°27.70.95 54°24.1 1.15 52°28.80.80 52°25.00.95 50°29.90.65 50°25.80.75 48°30.90.55 48°26.80.60注:1、若副臂在工作位置,但仍用主臂吊装,主臂的起重性能应相应的减去1.4t2、使用副臂吊装时,主臂的角度不得大于45,否则将倾翻50吨汽车起重机性能表(主表)以下工况仅供参考,实际请与本公司业务员联系!不支第五支腿,吊臂位于起重机前方或后方;支起第五支腿,吊臂位于侧方、后方、前方工作半径(m)主臂长度(m)10.7018.0025.4032.7540.103.050.003.543.004.038.004.534.005.030.0024.705.528.0023.506.024.00 22.20 16.306.521.0020.0015.007.018.50 18.00 14.10 10.208.014.5014.0012.409.207.509.011.50 11.20 11.10 8.30 6.5010.09.2010.007.50 6.0012.0 6.40 7.50 6.80 5.2014.0 5.10 5.70 4.6016.0 4.00 4.70 3.9018.0 3.10 3.70 3.3020.0 2.20 2.90 2.9022.0 1.60 2.30 2.4024.0 1.80 2.0026.0 1.40 1.5028.0 1.2030.00.90各臂二0 100 100 100 100伸缩率(%)三0 0 33 66 100 四0 0 33 66 100 五0 0 33 66 100钢丝绳倍率12 8 5 4 3 吊钩重量0.515 0.215(注:本表红字及红字以上栏目的数字为吊臂强度所决定,其下面栏目数字为倾翻力矩决定)50吨汽车起重机性能表(副臂)吊臂位于起重机侧方或后方主臂仰角(°)吊臂长度(m)40.10+5.10主臂+副臂40.10+9.00主臂+副臂40.10+16.10主臂+副臂0°20°0°20°0°20°78 4.0 3.6 3.2 1.9 1.5 0.8 75 3.8 3.2 3.0 1.8 1.30.8 72 3.2 2.9 2.8 1.7 1.2 0.7 70 3.0 2.5 2.5 1.6 1.20.6 65 2.5 2.0 2.0 1.4 1.1 0.5 60 1.9 1.6 1.5 1.00.80.5 55 1.4 0.8 1.0 0.6 0.6 0.4各节臂伸缩率(%) 二100 三四五钢丝绳倍率 1 吊钩重量0.180吨汽车起重机起重性能表(一)以下工况仅供参考,实际请与本公司业务员联系!主臂起重性能表工作半径(m)吊臂长度(支腿全伸)吊臂长度(不伸支腿) 12.0m18.0m24.0m30.0m36.0m40.0m44.0m12.0m2.580.0 45.0 15.03.080.045.035.015.03.580.0 45.0 35.0 15.04.070.045.035.011.74.562.0 45.0 35.0 27.0 9.55.056.040.032.027.08.05.550.0 37.0 29.2 27.0 22.06.86.045.034.327.225.022.0 5.86.539.4 31.5 25.3 23.2 22.0 18.0 5.07.035.629.123.721.520.318.0 4.38.027.8 25.4 21.0 18.8 17.7 15.7 12.0 3.29.520.820.817.815.714.613.212.0 2.010.019.2 19.2 17.0 15.0 13.8 12.6 11.4 1.711.0 16.5 15.6 13.5 12.4 11.4 10.4 11.8 14.7 14.7 12.6 11.4 10.6 9.7 12.0 14.2 14.2 12.4 11.2 10.4 9.5 13.0 12.5 12.5 11.3 10.2 9.3 8.8 14.6 10.0 10.0 10.0 9.0 8.5 7.8 15.0 9.49.4 9.4 8.7 8.2 7.6 16.0 8.1 8.1 8.1 7.7 7.1 17.8 6.2 6.2 6.2 6.8 6.3 20.0 4.5 4.5 4.5 5.1 5.6 22.0 3.4 3.4 4.0 4.4 23.0 3.03.0 3.5 3.9 26.0 1.7 2.2 2.6 27.0 1.9 2.2 28.0 1.6 1.9 30.0 1.01.3 31.01.180吨汽车起重机起重性能表(二)主要技术参数副臂起重性能主臂仰角支腿全伸在两侧或后部吊装名称 参数 44m 主臂+9.5m 副臂5°夹角 44m 主臂+15m 副臂5°夹角 工作半径(m)起重性能(t)工作半径(m)起重性能(t)全车总重 63.00t 81.3° 10.0 6.00 11.5 4.00 主臂全伸时长度 44.00m80.4°11.06.0012.64.00主臂全缩时长度 12.00m 80.1° 11.3 5.90 13.0 4.00 最大仰角 82° 78.6° 13.0 5.20 14.6 3.75 最大爬坡能力 16%75.2°16.04.4018.23.05最小转弯半径 15.40% 70.8° 20.0 3.60 22.5 2.55最大提升高度 58.50m 66.0° 24.0 3.00 27.2 2.10 80t 主吊钩重 1t 63.8° 26.0 2.75 29.1 2.05 80t 辅助吊钩0.5t58.0°30.31.5034.01.20100t汽车吊性能表120吨汽车起重机起重性能表以下工况仅供参考,实际请与本公司业务员联系!工作半径(m)主臂长度(m)12.612.616.620.624.528.532.536.540.544.548.552.556.03120 1113.510710292495 94 88 81 694.586827566579 76 70 62 516666662554940756 56 55 49 44.5 38 32 23.6848.54847444038.53222.120.1942 41.5 40.5 40 36.5 32.5 29.8 21.3 19.9 15.8103736.535.535.533.530.527.921.319.715.814.912.6 1229.1 28 28.9 27.8 26.2 24.5 21.3 18.7 15.8 14.5 11.8 1424.822.723.522.522.521.618.916.81513.311.1 1618.3 19.4 18.4 19 19.1 16.9 15.1 13.6 12.2 10.3 1815.815.815.216.816.31513.512.311.19.6 2013.2 13.8 14.1 14.2 13.4 12.2 11.1 10.2 8.9 2211.512.412.212.111.710.910.19.48.3 2410.7 10.5 10.4 10 9.9 9.2 8.6 7.7 269.39.298.58.68.387.2 288 8 7.3 7.4 7.6 7.4 6.7 3077.2 6.5 6.3 6.5 6.9 6.3 32 6.3 6 5.6 6 6.1 5.8 34 5.5 5.6 5.2 5.6 5.3 5.2 36 5.1 4.8 5.1 4.5 4.5 38 4.7 4.5 4.44 3.9 40 4.2 4 3.5 3.7 42 3.9 3.6 3.2 3.5 44 3.2 2.8 2.7 46 2.6 2.4 2.7 48 2 2 50 1.7 1.7 52 1.4 54 1.2150吨汽车起重机性能表(一)以下工况仅供参考,实际请与本公司业务员联系!(注:本表红字及红字以上栏目的数字为吊臂强度所决定,其下面栏目数字为倾翻力矩决定)150吨汽车起重机性能表(二)吊臂回转至后部及两侧时吊装性能工作半径(m)吊臂长度(m)13.917.721.325.028.732.336.039.643.152.83.0 140.03.6 131.3 65.9 64.44.0 122.6 65.0 63.74.5 109.2 65.0 63.7 56.65.0 100.2 64.9 61.2 55.46.0 80.3 64.9 56.5 51.7 46.6 41.27.0 68.9 62.0 52.5 47.2 43.9 37.8 33.1 31.58.0 58.7 57.1 48.1 44.6 39.0 34.4 31.9 30.39.0 49.5 49.3 44.8 40.9 35.8 31.9 29.5 27.1 27.510.0 43.041.9 41.6 35.6 33.4 29.6 27.4 25.3 24.912.0 31.9 31.9 31.3 27.7 24.6 22.6 22.0 21.3 17.6 14.0 24.624.6 24.6 24.6 21.4 20.3 19.3 18.2 15.9 16.0 18.518.518.518.4 17.5 16.8 15.4 13.7 18.0 14.7 14.7 14.7 14.714.7 14.4 12.5 12.0 20.0 11.8 11.8 11.8 11.811.8 11.4 10.6 23.0 8.5 8.5 8.5 8.58.59.0 26.0 6.2 6.2 6.2 6.2 6.2 7.6 29.0 4.4 4.3 4.2 4.2 6.1 32.0 2.9 2.9 2.1 4.3 35.0 1.7 1.7 2.8 38.0 0.3 2.0 41.0 1.2 44.0 1.0(注:本表红字及红字以上栏目的数字为吊臂强度所决定,其下面栏目数字为倾翻力矩决定)160t汽车吊性能表200吨汽车吊车260吨吊车性能表LTM1300/1-300t全液压汽车吊机LTM1300/1-300t全液压汽车吊机主臂额定性能表:支腿开距=8.85×8.5m、旋转角度=360°、标准配重=87.5t。
汽车吊性能参数表(徐)8--500吨汽车吊性能参数表8吨汽车起重机性能表220吨汽车吊机额定性能表325吨汽车起重机起重性能表(主臂)430吨汽车起重机性能表(一)550吨汽车起重机性能表(主表)680吨汽车起重机起重性能表(一)8100t汽车吊性能表10120吨汽车起重机起重性能表10150吨汽车起重机性能表(一)11150吨汽车起重机性能表(二)11160t汽车吊性能表13200吨汽车吊车14260吨吊车性能表14LTM1300/1-300t全液压汽车吊机14LTM1500-500t全液压汽车吊机15LTM1500-500t全液压汽车吊机168吨汽车起重机性能表主要技术参数吊臂吊臂吊臂吊臂参数名称参数工作半径(m)起升高度(m)起重量(t)工作半径(m)起升高度(m)起重量(t)工作半径(m)起升高度(m)起重量(t)工作半径(m)起升高度(m)起重量(t)全车总重最大爬坡能力22%吊臂最大仰角吊臂全伸时长度吊臂全缩时长度最大提升高度最小工作半径最小转弯半径20吨汽车吊机额定性能表以下工况仅供参考,实际请与本公司业务员联系!主臂长度(m)主臂+付臂回转半径(m)20 ————————————————————————————————————————————————————1010——————9 9 ——————5 ———————— 4———————————————————————————— 1————————————————————————————————————————————————————25吨汽车起重机起重性能表(主臂)以下工况仅供参考,实际请与本公司业务员联系!吊臂长度(m)工作半径(m)325418576711 7710 788 597 610 612 414 3 316182022 1 12426282930(注:本表内红字及红字以上栏目的数字为吊臂强度所决定,其下面栏目数字为倾翻力矩决定)25吨汽车起重机起重性能表(副臂)主臂主角副臂倾角5度副臂倾角30度80度75度70度65度60度55度50度30吨汽车起重机性能表(一)以下工况仅供参考,实际请与本公司业务员联系!主要技术参数主臂起重性能工作半径(m)支腿全伸不用支腿名称参数全车总重32.2t 20.00 最大爬坡能力31%最大提升高度吊臂全伸时长度吊臂全缩时长度最小转弯半径最大仰角80°30t吊钩重12t吊钩重4t吊钩重10m吊臂时钢丝绳数8根10-17m时钢丝绳数5根24m时钢丝绳数4根31m时钢丝绳数3根(注:本表内红字及红字以上栏目的数字为吊臂强度所决定,其下面栏目数字为倾翻力矩决定)30吨汽车起重机性能表(二)吊臂角度工作半径使用副臂倾角5°吊臂角度工作半径使用副臂倾角5°80°80°78.5°77°78°76°76°74°74°72°72°70°70°68°68°66°66°64°64°62°62°60°60°58°58°55°55°54°54°52°52°50°50°48°48°注:1、若副臂在工作位置,但仍用主臂吊装,主臂的起重性能应相应的减去1.4t2、使用副臂吊装时,主臂的角度不得大于45,否则将倾翻50吨汽车起重机性能表(主表)以下工况仅供参考,实际请与本公司业务员联系!不支第五支腿,吊臂位于起重机前方或后方;支起第五支腿,吊臂位于侧方、后方、前方工作半径(m)主臂长度(m)各臂伸缩率(%)二0 100 100 100 100 三0 0 33 66 100 四0 0 33 66 100 五0 0 33 66 100钢丝绳倍率12 8 5 4 3吊钩重量(注:本表内红字及红字以上栏目的数字为吊臂强度所决定,其下面栏目数字为倾翻力矩决定)50吨汽车起重机性能表(副臂)吊臂位于起重机侧方或后方主臂仰角(°)吊臂长度(m)40.10+5.10 主臂+副臂40.10+9.00主臂+副臂40.10+16.10主臂+副臂0°20°0°20°0°20°78757270656055各节臂伸缩率(%) 二100 三四五钢丝绳倍率 1吊钩重量80吨汽车起重机起重性能表(一)以下工况仅供参考,实际请与本公司业务员联系!主臂起重性能表工作半径(m)吊臂长度(支腿全伸)吊臂长度(不伸支腿)80吨汽车起重机起重性能表(二)主要技术参数副臂起重性能主臂仰角支腿全伸在两侧或后部吊装名称 参数 44m 主臂+副臂5°夹角 44m 主臂+15m 副臂5°夹角 工作半径(m)起重性能(t)工作半径(m)起重性能(t)全车总重 81.3° 主臂全伸时长度80.4°主臂全缩时长度 80.1° 最大仰角 82° 78.6° 最大爬坡能力 16%75.2°最小转弯半径 15.40% 70.8°最大提升高度66.0° 80t 主吊钩重 1t 63.8° 80t 辅助吊钩重 58.0°6t 副吊钩重55.4°100t汽车吊性能表120吨汽车起重机起重性能表以下工况仅供参考,实际请与本公司业务员联系!主臂长度(m)工作半径(m)3120 11110710292495 94 88 81 6986827566579 76 70 62 516666662554940756 56 55 49 38 3284847444032942 4010371228141516191815202224102698288 830732 6 6343638440 442444648 2 2505254150吨汽车起重机性能表(一)以下工况仅供参考,实际请与本公司业务员联系!主臂360° 75%起重性能吊臂长度(m)工作半径(m)140(注:本表内红字及红字以上栏目的数字为吊臂强度所决定,其下面栏目数字为倾翻力矩决定)150吨汽车起重机性能表(二)吊臂回转至后部及两侧时吊装性能吊臂长度 (m)工作半径(m)(注:本表内红字及红字以上栏目的数字为吊臂强度所决定,其下面栏目数字为倾翻力矩决定)160t汽车吊性能表200吨汽车吊车260吨吊车性能表LTM1300/1-300t全液压汽车吊机LTM1300/1-300t全液压汽车吊机主臂额定性能表:支腿开距×、旋转角度=360°、标准配重。
220t汽车吊参数表
参数数值
最大起重量220吨
配重110吨
尺寸(长 * 宽)20m * 7m
高度5m
起重臂长度13m
最大起重高度40m
最大起重半径34m
回转半径 3.5m
起重速度
- 升降速度 1.4m/s
- 回转速度 2.4rpm
行驶速度
- 最高速度35km/h
- 最小转弯半径18m
- 接近角度18°
- 通过角度22°
载重时的挂载高度≤ 11.5m
载重时的挂载半径≤ 4m
发动机型号
- 品牌柴油发动机
- 功率220kW
车速模式汽车/吊车
以上是220t汽车吊的参数表,包括吊车的基本尺寸、重量、起重能力、机械性能和动力性能等。
这款220吨汽车吊的最大起重量为220吨,配重为110吨,整个吊车的尺寸为长20米、宽7米、高5米。
起重臂的长度为13米,最大起重高度为40米,最大起重半径为34米。
吊车底盘可以回转半径为3.5米。
在起重速度方面,升降速度为1.4米/秒,回转速度为2.4rpm。
车辆的行驶速度为35km/h,在最小转弯半径条件下,转弯半径为18米。
吊车的接近角度为18°,通过角度为22°。
载重时的挂载高度不超过11.5米,挂载半径不超过4米。
吊车使用柴油发动机,功率为220kW。
该款吊车具备汽车/吊车两种工作模式,可根据需求进行切换。
以上是220t汽车吊的参数表,该吊车具备较大的起重能力,适用于各种工程施工、装卸货物等重型作业。
8吨汽车起重机性能表
20吨汽车吊机额定性能表
25吨汽车起重机起重性能表(主臂)
25吨汽车起重机起重性能表(副臂)
30吨汽车起重机性能表(一)
30吨汽车起重机性能表(二)
注:1、若副臂在工作位置,但仍用主臂吊装,主臂的起重性能应相应的减去1.4t
2、使用副臂吊装时,主臂的角度不得大于45,否则将倾翻
50吨汽车起重机性能表(主表)
以下工况仅供参考,实际请与本公司业务员联系!
(注:本表内红字及红字以上栏目的数字为吊臂强度所决定,其下面栏目数字为倾翻力矩决定) 50吨汽车起重机性能表(副臂)
80吨汽车起重机起重性能表(一)
以下工况仅供参考,实际请与本公司业务员联系!
80吨汽车起重机起重性能表(二)
以下工况仅供参考,实际请与本公司业务员联系!
以下工况仅供参考,实际请与本公司业务员联系!
(注:本表内红字及红字以上栏目的数字为吊臂强度所决定,其下面栏目数字为倾翻力矩决定)
150吨汽车起重机性能表(二)
(注:本表内红字及红字以上栏目的数字为吊臂强度所决定,其下面栏目数字为倾翻力矩决定)。
8--500 吨汽车吊性能参数表8 吨汽车起重机性能表 (2)20 吨汽车吊机额定性能表 (3)25 吨汽车起重机起重性能表(主臂) (4)30 吨汽车起重机性能表(一) (6)50 吨汽车起重机性能表(主表) (8)80 吨汽车起重机起重性能表(一) (10)100t 汽车吊性能表 (12)120 吨汽车起重机起重性能表 (13)150 吨汽车起重机性能表(一) (14)150 吨汽车起重机性能表(二) (15)160t 汽车吊性能表 (16)200 吨汽车吊车 (17)260 吨吊车性能表 (18)LTM1300/1-300t 全液压汽车吊机 (19)LTM1500-500t 全液压汽车吊机 (21)LTM1500-500t 全液压汽车吊机 (22)8 吨汽车起重机性能表20 吨汽车吊机额定性能表以下工况仅供参考,实际请与本公司业务员联系!25 吨汽车起重机起重性能表(主臂)以下工况仅供参考,实际请与本公司业务员联系!(注:本表内红字及红字以上栏目的数字为吊臂强度所决定, 其下面栏目数字为倾翻力矩决定)25 吨汽车起重机起重性能表(副臂)30 吨汽车起重机性能表(一)以下工况仅供参考,实际请与本公司业务员联系!(注:本表内红字及红字以上栏目的数字为吊臂强度所决定,其下面栏目数字为倾翻力矩决定)30 吨汽车起重机性能表(二)吊臂角度工作半径使用 8.45m 副臂倾角 5 °吊臂角度工作半径使用 13.5m 副臂倾角5°80°7.9 4.00 80°9.3 2.5078.5 °9.5 4.00 77°12.0 2.5078°10.2 3.80 76°12.7 2.35 76°11.2 3.30 74°14.1 2.10 74°12.2 2.90 72°15.6 1.95 72°13.4 2.70 70°17.1 1.80 70°14.6 2.50 68°18.5 1.65 68°16.0 2.35 66°19.9 1.50 66°17.3 2.20 64°21.3 1.40 64°18.5 2.10 62°22.7 1.30 62°19.8 2.05 60°24.0 1.20 60°20.7 1.85 58°25.3 1.15 58°21.9 1.65 55°27.1 1.05 55°23.6 1.30 54°27.7 0.95 54°24.1 1.15 52°28.8 0.80 52°25.0 0.95 50°29.9 0.65 50°25.8 0.75 48°30.9 0.55 48°26.8 0.60注: 1、若副臂在工作位置,但仍用主臂吊装,主臂的起重性能应相应的减去 1.4t2、使用副臂吊装时,主臂的角度不得大于45,否则将倾翻50 吨汽车起重机性能表(主表)以下工况仅供参考,实际请与本公司业务员联系!(注: 本表内红字及红字以上栏目的数字为吊臂强度所决定 ,其下面栏目数字为倾翻力矩决定)50 吨汽车起重机性能表(副臂)吊臂位于起重机侧方或后方吊臂长度( m)主臂仰角(°)40.10+5.10主臂 +副臂40.10+9.00主臂 +副臂40.10+16.10主臂 +副臂0°20°0°20°0°20°78 4.0 3.6 3.2 1.9 1.5 0.875 3.8 3.2 3.0 1.8 1.3 0.872 3.2 2.9 2.8 1.7 1.2 0.770 3.0 2.5 2.5 1.6 1.2 0.665 2.5 2.0 2.0 1.4 1.1 0.560 1.9 1.6 1.5 1.0 0.8 0.555 1.4 0.8 1.0 0.6 0.6 0.4 各节二臂伸三缩率四(%)五100钢丝绳倍率吊钩重量1 0.180 吨汽车起重机起重性能表(一)以下工况仅供参考,实际请与本公司业务员联系!主臂起重性能表工作半径(m)吊臂长度(支腿全伸)吊臂长度(不伸支腿)12.0m 18.0m 24.0m 30.0m 36.0m 40.0m 44.0m 12.0m2.5 80.0 45.0 15.03.0 80.0 45.0 35.0 15.03.5 80.0 45.0 35.0 15.04.0 70.0 45.0 35.0 11.74.5 62.0 45.0 35.0 27.0 9.55.0 56.0 40.0 32.0 27.08.05.5 50.0 37.0 29.2 27.0 22.06.86.0 45.0 34.3 27.2 25.0 22.0 5.86.5 39.4 31.5 25.3 23.2 22.0 18.0 5.07.0 35.6 29.1 23.7 21.5 20.3 18.0 4.38.0 27.8 25.4 21.0 18.8 17.7 15.7 12.0 3.29.5 20.8 20.8 17.8 15.7 14.6 13.2 12.0 2.010.0 19.2 19.2 17.0 15.0 13.8 12.6 11.4 1.711.0 16.5 15.6 13.5 12.4 11.4 10.411.8 14.7 14.7 12.6 11.4 10.6 9.712.0 14.2 14.2 12.4 11.2 10.4 9.513.0 12.5 12.5 11.3 10.2 9.3 8.814.6 10.0 10.0 10.0 9.0 8.5 7.815.0 9.4 9.4 9.4 8.7 8.2 7.616.0 8.1 8.1 8.1 7.7 7.117.8 6.2 6.2 6.2 6.8 6.320.0 4.5 4.5 4.5 5.1 5.622.0 3.4 3.4 4.0 4.423.0 3.0 3.0 3.5 3.926.0 1.7 2.2 2.627.0 1.9 2.228.0 1.6 1.930.0 1.0 1.380 吨汽车起重机起重性能表(二)100t 汽车吊性能表120 吨汽车起重机起重性能表以下工况仅供参考,实际请与本公司业务员联系!以下工况仅供参考,实际请与本公司业务员联系!(注:本表内红字及红字以上栏目的数字为吊臂强度所决定 , 其下面栏目数字为倾翻力矩决定 )( 注: 本表内红字及红字以上栏目的数字为吊臂强度所决定,其下面栏目数字为倾翻力矩决定 )160t 汽车吊性能表200 吨汽车吊车260 吨吊车性能表LTM1300/1-300t 全液压汽车吊机LTM1300/1-300t 全液压汽车吊机主臂额定性能表:支腿开距 =8.85 × 8.5m、旋转角度 =360°、标准配重=87.5t 。
吊车吨位参数表
起重臂长度,作业半径与允许起重量对照表(机型QUY35、35t)
起重臂长度,作业半径与允许起重量对照表(机型SCC508、50t)
起重臂长度,作业半径与允许起重量对照表(机型神钢335、35 t)
起重臂长度,作业半径与允许起重量对照表(机型神钢440、40 t)
起重臂长度,作业半径与允许起重量对照表(机型株社LS—78RS、35t)
起重臂长度,作业半径与允许起重量对照表(机型QY25汽车吊、25t)
起重臂长度,作业半径与允许起重量对照表(机型KH150、40t)
(机型神钢5045、45t)
(机型DH500、50t)
起重臂长度,作业半径与允许起重量对照表(机型CCH35、35t)
起重臂长度,作业半径与允许起重量对照表(机型DH400、40t)
起重臂长度,作业半径与允许起重量对照表(机型)。
徐工QY25E 25吨吊车参数表(主管起重性能表)25吨吊车参数表(副臂起重性能表)从以上参数表得出:25 吨吊车主臂仰角在65 度时,加上副臂可吊重量(1.5-0.25-0.05) =1.2 吨,最大起吊高度是sin65O X(15+32)-2=40 米。
在组排构架柱及横梁施工中,吊车工作幅度一般在3~10米之间,起吊重量在1.7~2.5吨之间,起吊高度在10.5 ~ 29.12米之间,完全满足组排和卸车工作需要。
3.2、工器具的选用3.2.1吊索选用吊索与构件的夹角一般不应小于30度通常采用45度~60度,以减小吊索对构件产生的水平压力。
卸车和组排时使用钢丝绳:构架柱2根钢丝绳,,按45 度考虑直径为24mm。
吊装构架柱时使用2根钢丝绳,直径为28mm.吊装横梁时使用2根钢丝绳,直径15mm。
钢丝绳的允许拉力计算:[Fg]=axFg-k式中:[Fg]——钢丝绳的允许拉力(kN);Fg——钢丝绳的钢丝破断拉力总和(kN);a -------- 换算系数(0.82);k -------- 钢丝绳的安全系数(8)钢丝绳的技术数据表:吊索拉力计算:F=G - ncosBF ------ 一根吊索的拉力;G ------ 构件重量;n ------- 选用的吊索数;B——吊索与垂直线之间的夹角。
如G = 3吨,n = 2,B = 90-0=30,求根吊索的拉力值?F=G : ncosB= 3+2义0.866 = 1.73 kN由上计算例子结合本工程最大吊装、构架柱横梁重量和上述钢丝绳的技术数据表,可知一根吊索的拉力值远小于钢丝绳的破断拉力值(kN)。
吊重物用钢丝绳根数和直径选用表注:本表采用6x37+1钢丝绳,钢丝极限强度为1550牛/毫米2,安全系数k=8根据上表计算成果,在满足要求的情况下,尽量减少钢丝绳型号及提高安全系数,本工程吊装用钢丝绳使用公称直径为15mm、24.0mm、28.0mm的钢丝绳进行吊装作业。
8--500吨汽车吊性能参数表8吨汽车起重机性能表 (2)20吨汽车吊机额定性能表 (3)25吨汽车起重机起重性能表(主臂) (4)30吨汽车起重机性能表(一) (6)50吨汽车起重机性能表(主表) (8)80吨汽车起重机起重性能表(一) (10)100t汽车吊性能表 (12)120吨汽车起重机起重性能表 (13)150吨汽车起重机性能表(一) (14)150吨汽车起重机性能表(二) (15)160t汽车吊性能表 (16)200吨汽车吊车 (17)260吨吊车性能表 (18)LTM1300/1-300t全液压汽车吊机 (19)LTM1500-500t全液压汽车吊机 (21)LTM1500-500t全液压汽车吊机 (22)8吨汽车起重机性能表主要技术参数 6.95m吊臂8.50m吊臂10.15m吊臂11.70m吊臂参数名称参数工作半径(m)起升高度(m)起重量(t)工作半径(m)起升高度(m)起重量(t)工作半径(m)起升高度(m)起重量(t)工作半径(m)起升高度(m)起重量(t)全车总重15.50t 3.27.5 8.0 3.49.2 6.7 4.210.6 4.2 4.912.0 3.2 最大爬坡能力22% 3.77.1 5.4 4.08.8 4.5 5.010.1 3.1 5.811.4 2.4 吊臂最大仰角 4.3 6.5 4.0 4.78.3 3.4 5.79.6 2.5 6.710.8 1.9 吊臂全伸时长度11.70m 4.9 5.7 3.2 5.47.6 2.7 6.68.8 1.9 7.79.9 1.4 吊臂全缩时长度 6.95m 5.5 4.6 2.6 6.2 6.8 2.2 7.57.7 1.5 8.88.6 1.0 最大提升高度12.00m 6.9 5.6 1.8 8.4 6.3 1.2 9.77.0 0.9 最小工作半径 3.20m 7.5 4.2 1.5 9.0 4.8 1.0 10.5 5.2 0.8 最小转弯半径9.20m20吨汽车吊机额定性能表以下工况仅供参考,实际请与本公司业务员联系!25吨汽车起重机起重性能表(主臂)以下工况仅供参考,实际请与本公司业务员联系!(注:本表内红字及红字以上栏目的数字为吊臂强度所决定,其下面栏目数字为倾翻力矩决定)25吨汽车起重机起重性能表(副臂)30吨汽车起重机性能表(一)以下工况仅供参考,实际请与本公司业务员联系!主要技术参数主臂起重性能工作半径(m)支腿全伸不用支腿名称参数10.00m17.00m24.00m31.00m10.00m 全车总重32.2t 3.0030.00 20.00 8.00 最大爬坡能力31% 3.3530.00 20.00 7.00 最大提升高度34.00m 3.5028.10 20.00 6.40 吊臂全伸时长度31.00m 4.0024.20 20.00 5.10 吊臂全缩时长度10.00m 4.5021.40 20.00 13.00 4.20 最小转弯半径11.50m 4.820.00 20.00 13.00 3.70 最大仰角80° 5.019.20 19.20 13.00 3.40 30t吊钩重0.35t 5.517.50 17.50 13.00 2.80 12t吊钩重0.20t 6.016.00 16.00 13.00 2.30 4t吊钩重0.10t 6.514.60 14.60 13.00 9.00 1.90 10m吊臂时钢丝绳数8根7.013.50 13.50 12.00 9.00 1.60 10-17m时钢丝绳数5根7.512.00 12.00 11.20 9.00 1.30 24m时钢丝绳数4根8.010.50 10.50 10.50 9.00 1.00 31m时钢丝绳数3根8.59.40 9.40 9.009.87.20 7.20 7.7010.0 6.95 6.95 7.5011.0 5.80 5.80 6.4012.0 4.90 4.90 5.5514.0 3.45 3.45 4.2016.0 2.50 3.2018.0 1.80 2.4520.0 1.30 1.9022.00.85 1.5024.0 1.1026.00.7527.00.65(注:本表内红字及红字以上栏目的数字为吊臂强度所决定,其下面栏目数字为倾翻力矩决定)30吨汽车起重机性能表(二)吊臂角度工作半径使用8.45m 副臂倾角5°吊臂角度工作半径使用13.5m副臂倾角5°80°7.9 4.00 80°9.3 2.5078.5°9.5 4.00 77°12.0 2.5078°10.2 3.80 76°12.7 2.35 76°11.2 3.30 74°14.1 2.10 74°12.2 2.90 72°15.6 1.95 72°13.4 2.70 70°17.1 1.80 70°14.6 2.50 68°18.5 1.65 68°16.0 2.35 66°19.9 1.50 66°17.3 2.20 64°21.3 1.40 64°18.5 2.10 62°22.7 1.30 62°19.8 2.05 60°24.0 1.20 60°20.7 1.85 58°25.3 1.15 58°21.9 1.65 55°27.1 1.05 55°23.6 1.30 54°27.70.95 54°24.1 1.15 52°28.80.80 52°25.00.95 50°29.90.65 50°25.80.75 48°30.90.55 48°26.80.60注:1、若副臂在工作位置,但仍用主臂吊装,主臂的起重性能应相应的减去1.4t2、使用副臂吊装时,主臂的角度不得大于45,否则将倾翻50吨汽车起重机性能表(主表)以下工况仅供参考,实际请与本公司业务员联系!不支第五支腿,吊臂位于起重机前方或后方;支起第五支腿,吊臂位于侧方、后方、前方工作半径(m)主臂长度(m)10.7018.0025.4032.7540.103.050.003.543.004.038.004.534.005.030.0024.705.528.0023.506.024.00 22.20 16.306.521.0020.0015.007.018.50 18.00 14.10 10.208.014.5014.0012.409.207.509.011.50 11.20 11.10 8.30 6.5010.09.2010.007.50 6.0012.0 6.40 7.50 6.80 5.2014.0 5.10 5.70 4.6016.0 4.00 4.70 3.9018.0 3.10 3.70 3.3020.0 2.20 2.90 2.9022.0 1.60 2.30 2.4024.0 1.80 2.0026.0 1.40 1.5028.0 1.2030.00.90各臂伸缩率(%)二0 100 100 100 100 三0 0 33 66 100 四0 0 33 66 100 五0 0 33 66 100钢丝绳倍率12 8 5 4 3吊钩重量0.515 0.215 (注:本表内红字及红字以上栏目的数字为吊臂强度所决定,其下面栏目数字为倾翻力矩决定)50吨汽车起重机性能表(副臂)吊臂位于起重机侧方或后方主臂仰角(°)吊臂长度(m)40.10+5.10主臂+副臂40.10+9.00主臂+副臂40.10+16.10主臂+副臂0°20°0°20°0°20°78 4.0 3.6 3.2 1.9 1.5 0.8 75 3.8 3.2 3.0 1.8 1.30.8 72 3.2 2.9 2.8 1.7 1.2 0.7 70 3.0 2.5 2.5 1.6 1.20.6 65 2.5 2.0 2.0 1.4 1.1 0.5 60 1.9 1.6 1.5 1.00.80.5 55 1.4 0.8 1.0 0.6 0.6 0.4各节臂伸缩率(%) 二100 三四五钢丝绳倍率 1 吊钩重量0.180吨汽车起重机起重性能表(一)以下工况仅供参考,实际请与本公司业务员联系!主臂起重性能表工作半径(m)吊臂长度(支腿全伸)吊臂长度(不伸支腿) 12.0m18.0m24.0m30.0m36.0m40.0m44.0m12.0m2.580.0 45.0 15.03.080.045.035.015.03.580.0 45.0 35.0 15.04.070.045.035.011.74.562.0 45.0 35.0 27.0 9.55.056.040.032.027.08.05.550.0 37.0 29.2 27.0 22.06.86.045.034.327.225.022.0 5.86.539.4 31.5 25.3 23.2 22.0 18.0 5.07.035.629.123.721.520.318.0 4.38.027.8 25.4 21.0 18.8 17.7 15.7 12.0 3.29.520.820.817.815.714.613.212.0 2.010.019.2 19.2 17.0 15.0 13.8 12.6 11.4 1.711.016.515.613.512.411.410.411.814.7 14.7 12.6 11.4 10.6 9.712.014.214.212.411.210.49.513.012.5 12.5 11.3 10.2 9.3 8.814.610.010.010.09.08.57.815.09.4 9.4 9.4 8.7 8.2 7.616.08.18.18.17.77.117.8 6.2 6.2 6.2 6.8 6.320.0 4.5 4.5 4.5 5.1 5.622.0 3.4 3.4 4.0 4.423.0 3.0 3.0 3.5 3.926.0 1.7 2.2 2.627.0 1.9 2.228.0 1.6 1.930.0 1.0 1.331.0 1.180吨汽车起重机起重性能表(二)主要技术参数副臂起重性能主臂仰角支腿全伸在两侧或后部吊装名称参数44m 主臂+9.5m 副臂5°夹角 44m 主臂+15m 副臂5°夹角 工作半径(m)起重性能(t)工作半径(m)起重性能(t)全车总重 63.00t 81.3° 10.0 6.00 11.5 4.00 主臂全伸时长度 44.00m 80.4°11.06.0012.64.00主臂全缩时长度 12.00m 80.1° 11.3 5.90 13.0 4.00 最大仰角 82° 78.6° 13.0 5.20 14.6 3.75 最大爬坡能力 16%75.2°16.04.4018.23.05最小转弯半径 15.40% 70.8° 20.0 3.60 22.5 2.55最大提升高度58.50m 66.0°24.0 3.00 27.2 2.10 80t 主吊钩重 1t 63.8° 26.0 2.75 29.1 2.05 80t 辅助吊钩重0.5t58.0° 30.3 1.50 34.01.206t 副吊钩重 0.25t 55.4°32.01.20100t汽车吊性能表120吨汽车起重机起重性能表以下工况仅供参考,实际请与本公司业务员联系!工作半径(m)主臂长度(m)12.612.616.620.624.528.532.536.540.544.548.552.556.03120 1113.510710292495 94 88 81 694.586827566579 76 70 62 516666662554940756 56 55 49 44.5 38 32 23.6848.54847444038.53222.120.1942 41.5 40.5 40 36.5 32.5 29.8 21.3 19.9 15.8103736.535.535.533.530.527.921.319.715.814.912.6 1229.1 28 28.9 27.8 26.2 24.5 21.3 18.7 15.8 14.5 11.8 1424.822.723.522.522.521.618.916.81513.311.1 1618.3 19.4 18.4 19 19.1 16.9 15.1 13.6 12.2 10.3 1815.815.815.216.816.31513.512.311.19.6 2013.2 13.8 14.1 14.2 13.4 12.2 11.1 10.2 8.9 2211.512.412.212.111.710.910.19.48.3 2410.7 10.5 10.4 10 9.9 9.2 8.6 7.7 269.39.298.58.68.387.2 288 8 7.3 7.4 7.6 7.4 6.7 3077.2 6.5 6.3 6.5 6.9 6.3 32 6.3 6 5.6 6 6.1 5.8 34 5.5 5.6 5.2 5.6 5.3 5.2 36 5.1 4.8 5.1 4.5 4.5 38 4.7 4.5 4.44 3.9 40 4.2 4 3.5 3.7 42 3.9 3.6 3.2 3.5 44 3.2 2.8 2.7 46 2.6 2.4 2.7 48 2 2 50 1.7 1.7 52 1.4 54 1.2150吨汽车起重机性能表(一)以下工况仅供参考,实际请与本公司业务员联系!(注:本表内红字及红字以上栏目的数字为吊臂强度所决定,其下面栏目数字为倾翻力矩决定)150吨汽车起重机性能表(二)吊臂回转至后部及两侧时吊装性能工作半径(m)吊臂长度 (m)13.917.721.325.028.732.336.039.643.152.83.0 140.03.6 131.3 65.9 64.44.0 122.6 65.0 63.74.5 109.2 65.0 63.7 56.65.0 100.2 64.9 61.2 55.46.0 80.3 64.9 56.5 51.7 46.6 41.27.0 68.9 62.0 52.5 47.2 43.9 37.8 33.1 31.58.0 58.7 57.1 48.1 44.6 39.0 34.4 31.9 30.39.0 49.5 49.3 44.8 40.9 35.8 31.9 29.5 27.1 27.510.0 43.041.9 41.6 35.6 33.4 29.6 27.4 25.3 24.912.0 31.9 31.9 31.3 27.7 24.6 22.6 22.0 21.3 17.6 14.0 24.624.6 24.6 24.6 21.4 20.3 19.3 18.2 15.9 16.0 18.518.518.518.4 17.5 16.8 15.4 13.7 18.0 14.7 14.7 14.7 14.714.7 14.4 12.5 12.0 20.0 11.8 11.8 11.8 11.811.8 11.4 10.6 23.0 8.5 8.5 8.5 8.58.59.0 26.0 6.2 6.2 6.2 6.2 6.2 7.6 29.0 4.4 4.3 4.2 4.2 6.1 32.0 2.9 2.9 2.1 4.3 35.0 1.7 1.7 2.8 38.0 0.3 2.0 41.0 1.2 44.0 1.0(注:本表内红字及红字以上栏目的数字为吊臂强度所决定,其下面栏目数字为倾翻力矩决定)160t汽车吊性能表200吨汽车吊车260吨吊车性能表LTM1300/1-300t全液压汽车吊机LTM1300/1-300t全液压汽车吊机主臂额定性能表:支腿开距=8.85×8.5m、旋转角度=360°、标准配重=87.5t。
8吨汽车起重机性能表20吨汽车吊机额定性能表25吨汽车起重机起重性能表(主臂)25吨汽车起重机起重性能表(副臂)30吨汽车起重机性能表(一)30吨汽车起重机性能表(二)吊臂角度工作半径使用8.45m畐廿臂倾角5°吊臂角度工作半径使用13.5m副臂倾角5°80°7.9 4.00 80°9.3 2.5078.5 °9.5 4.00 77°12.0 2.5078°10.2 3.80 76°12.7 2.35 76°11.2 3.30 74°14.1 2.10 74°12.2 2.90 72°15.6 1.95 72°13.4 2.70 70°17.1 1.80 70°14.6 2.50 68°18.5 1.65 68°16.0 2.35 66°19.9 1.50 66°17.3 2.20 64°21.3 1.40 64°18.5 2.10 62°22.7 1.30 62°19.8 2.05 60°24.0 1.20 60°20.7 1.85 58°25.3 1.15 58°21.9 1.65 55°27.1 1.05 55°23.6 1.30 54°27.7 0.95 54°24.1 1.15 52°28.8 0.80 52°25.0 0.95 50°29.9 0.65 50°25.8 0.75 48°30.9 0.55 48°26.8 0.60注:1、若副臂在工作位置,但仍用主臂吊装,主臂的起重性能应相应的减去 1.4t2、使用副臂吊装时,主臂的角度不得大于45,否则将倾翻50吨汽车起重机性能表(主表)(注本表内红字及红字以上栏目的数字为吊臂强度所决定其下面栏目数字为倾翻力矩决定50吨汽车起重机性能表(副臂)。
8吨汽车起重机性能表
20吨汽车吊机额定性能表
25吨汽车起重机起重性能表(主臂)
25吨汽车起重机起重性能表(副臂)
30吨汽车起重机性能表(一)
30吨汽车起重机性能表(二)
注:1、若副臂在工作位置,但仍用主臂吊装,主臂的起重性能应相应的减去1.4t
????2、使用副臂吊装时,主臂的角度不得大于45,否则将倾翻
50吨汽车起重机性能表(主表)
以下工况仅供参考,实际请与本公司业务员联系!
(注:本表内红字及红字以上栏目的数字为吊臂强度所决定,其下面栏目数字为倾翻力矩决定)? 50吨汽车起重机性能表(副臂)
80吨汽车起重机起重性能表(一)
以下工况仅供参考,实际请与本公司业务员联系!
80吨汽车起重机起重性能表(二)
120吨汽车起重机起重性能表
以下工况仅供参考,实际请与本公司业务员联系!
150吨汽车起重机性能表(一)
以下工况仅供参考,实际请与本公司业务员联系!
(注:本表内红字及红字以上栏目的数字为吊臂强度所决定,其下面栏目数字为倾翻力矩决定) 150吨汽车起重机性能表(二)
(注:本表内红字及红字以上栏目的数字为吊臂强度所决定,其下面栏目数字为倾翻力矩决定)。
8吨汽车起重机性能表
20吨汽车吊机额定性能表
25吨汽车起重机起重性能表(主臂)
25吨汽车起重机起重性能表(副臂)
30吨汽车起重机性能表(一)
30吨汽车起重机性能表(二)
注:1、若副臂在工作位置,但仍用主臂吊装,主臂的起重性能应相应的减去1.4t
2、使用副臂吊装时,主臂的角度不得大于45,否则将倾翻
50吨汽车起重机性能表(主表)
以下工况仅供参考,实际请与本公司业务员联系!
(注:本表内红字及红字以上栏目的数字为吊臂强度所决定,其下面栏目数字为倾翻力矩决定) 50吨汽车起重机性能表(副臂)
80吨汽车起重机起重性能表(一)
以下工况仅供参考,实际请与本公司业务员联系!
80吨汽车起重机起重性能表(二)
以下工况仅供参考,实际请与本公司业务员联系!
以下工况仅供参考,实际请与本公司业务员联系!
(注:本表内红字及红字以上栏目的数字为吊臂强度所决定,其下面栏目数字为倾翻力矩决定)
150吨汽车起重机性能表(二)
(注:本表内红字及红字以上栏目的数字为吊臂强度所决定,其下面栏目数字为倾翻力矩决定)。
25吨吊车参数表(主臂起重性能表)25吨吊车参数表(副臂起重性能表)从以上参数表得出:25吨吊车主臂仰角在65度时,加上副臂可吊重量(1.5-0.25-0.05)=1.2吨,最大起吊高度是sin65οΧ(15+32)-2=40米。
在组排构架柱及横梁施工中,吊车工作幅度一般在3~10米之间,起吊重量在1.7~2.5吨之间,起吊高度在10.5~29.12米之间,完全满足组排和卸车工作需要。
3.2、工器具的选用3.2.1吊索选用吊索与构件的夹角一般不应小于30度,通常采用45度~60度,以减小吊索对构件产生的水平压力。
卸车和组排时使用钢丝绳:构架柱2根钢丝绳,,按45度考虑直径为24mm。
吊装构架柱时使用2根钢丝绳, 直径为28mm.吊装横梁时使用2根钢丝绳,直径15mm。
钢丝绳的允许拉力计算:[Fg]=a×Fg÷k式中: [Fg]----钢丝绳的允许拉力(kN);Fg-----钢丝绳的钢丝破断拉力总和(kN);a------换算系数(0.82);k------钢丝绳的安全系数(8)钢丝绳的技术数据表:吊索拉力计算: F=G ÷ncos βF-----一根吊索的拉力; G-----构件重量; n-----选用的吊索数;β-----吊索与垂直线之间的夹角。
如G =3吨,n =2,β=90- =30,求根吊索的拉力值? F=G ÷ncos β=3÷2×0.866=1.73 kN由上计算例子结合本工程最大吊装、构架柱横梁重量和上述钢丝绳的技术数据表,可知一根吊索的拉力值远小于钢丝绳的破断拉力值(kN)。
吊重物用钢丝绳根数和直径选用表注:本表采用6x37+1钢丝绳,钢丝极限强度为1550牛/毫米2,安全系数k=8根据上表计算成果,在满足要求的情况下,尽量减少钢丝绳型号及提高安全系数,本工程吊装用钢丝绳使用公称直径为15mm 、24.0mm、28.0mm的钢丝绳进行吊装作业。
8--500吨汽车吊性能参数表8吨汽车起重机性能表220吨汽车吊机额定性能表325吨汽车起重机起重性能表〔主臂〕430吨汽车起重机性能表〔一〕750吨汽车起重机性能表〔主表〕980吨汽车起重机起重性能表(一)11100t汽车吊性能表13120吨汽车起重机起重性能表15150吨汽车起重机性能表(一)16150吨汽车起重机性能表(二)17160t汽车吊性能表18200吨汽车吊车19260吨吊车性能表20LTM1300/1-300t全液压汽车吊机21LTM1500-500t全液压汽车吊机23LTM1500-500t全液压汽车吊机248吨汽车起重机性能表主要技术参数 6.95m吊臂8.50m吊臂10.15m吊臂11.70m吊臂参数名称参数工作半径(m)起升高度(m)起重量(t)工作半径(m)起升高度(m)起重量(t)工作半径(m)起升高度(m)起重量(t)工作半径(m)起升高度(m)起重量(t)全车总重15.50t 3.27.5 8.0 3.49.2 6.7 4.210.6 4.2 4.912.0 3.2 最大爬坡能力22% 3.77.1 5.4 4.08.8 4.5 5.010.1 3.1 5.811.4 2.4 吊臂最大仰角 4.3 6.5 4.0 4.78.3 3.4 5.79.6 2.5 6.710.8 1.9 吊臂全伸时长度11.70m 4.9 5.7 3.2 5.47.6 2.7 6.68.8 1.9 7.79.9 1.4 吊臂全缩时长度 6.95m 5.5 4.6 2.6 6.2 6.8 2.2 7.57.7 1.5 8.88.6 1.0 最大提升高度12.00m 6.9 5.6 1.8 8.4 6.3 1.2 9.77.0 0.9 最小工作半径 3.20m 7.5 4.2 1.5 9.0 4.8 1.0 10.5 5.2 0.8 最小转弯半径9.20m20吨汽车吊机额定性能表以下工况仅供参考,实际请与本公司业务员联系!14.0 —————— 2.49 2.53 2.56 2.58 1.416.0———————— 1.9 1.94 1.96 1.218.0 —————————— 1.45 1.47 120.0———————————— 1.080.8822.0 ————————————0.76 0.7524.0——————————————0.6327.0 ——————————————0.525吨汽车起重机起重性能表〔主臂〕以下工况仅供参考,实际请与本公司业务员联系!工作半径(m)吊臂长度(m)10.213.7517.320.8524.427.9531.5325 17.53.520.6 17.5 12.2 9.5418 17.5 12.2 9.54.516.3 15.3 12.2 9.5 7.5514.5 14.4 12.2 9.5 7.55.513.5 13.2 12.2 9.5 7.5 7612.3 12.2 11.3 9.2 7.5 7 5.1 6.511.2 11 10.5 8.8 7.5 7 5.1 710.2 10 9.8 8.5 7.2 7 5.1 7.59.4 9.2 9.1 8.1 6.8 6.7 5.1 88.6 8.4 8.47.8 6.6 6.4 5.1 8.587.97.8 7.4 6.3 7.2 5 97.2 7 6.8 6 6.1 4.810 6 5.8 5.6 5.6 5.3 4.412 4 4.1 4.1 4.2 3.9 3.714 2.9 3 3.1 2.9 316 2.2 2.3 2.2 2.318 1.6 1.8 1.7 1.720 1.3 1.3 1.322 1 0.9 1240.7 0.8 260.5 0.5 280.4 290.3 30(注:本表内红字及红字以上栏目的数字为吊臂强度所决定,其下面栏目数字为倾翻力矩决定)25吨汽车起重机起重性能表〔副臂〕主臂主角7.5副臂副臂倾角5度副臂倾角30度80度 2.5 1.25 75度 2.5 1.25 70度 2.05 1.15 65度 1.75 1.1 60度 1.55 1.05 55度 1.3 1.0 50度 1.05 0.830吨汽车起重机性能表〔一〕以下工况仅供参考,实际请与本公司业务员联系!主要技术参数主臂起重性能工作半径〔m 〕 支腿全伸 不用支腿 名称 参数 10.00m 17.00m 24.00m31.00m10.00m 全车总重 32.2t 3.00 30.00 20.00 8.00 最大爬坡能力 31% 3.35 30.00 20.00 7.00 最大提升高度 34.00m 3.50 28.10 20.00 6.40 吊臂全伸时长度 31.00m 4.00 24.20 20.00 5.10 吊臂全缩时长度 10.00m 4.50 21.40 20.00 13.00 4.20 最小转弯半径 11.50m 4.8 20.00 20.00 13.00 3.70 最大仰角 80° 5.0 19.20 19.20 13.00 3.40 30t 吊钩重 0.35t 5.5 17.50 17.50 13.00 2.80 12t 吊钩重 0.20t 6.0 16.00 16.00 13.002.30 4t 吊钩重 0.10t 6.5 14.60 14.60 13.00 9.00 1.90 10m 吊臂时钢丝绳数 8根7.013.5013.5012.00 9.00 1.6010-17m 时钢丝绳数 5根 7.5 12.00 12.00 11.20 9.00 1.30 24m 时钢丝绳数 4根 8.0 10.5010.50 10.50 9.00 1.0031m 时钢丝绳数 3根8.5 9.40 9.40 9.00 9.8 7.20 7.20 7.70 10.0 6.95 6.95 7.50 11.0 5.80 5.80 6.40 12.0 4.90 4.90 5.55 14.0 3.45 3.45 4.20 16.0 2.50 3.20 18.0 1.80 2.45 20.0 1.30 1.90 22.0 0.851.50 24.0 1.10 26.0 0.7527.00.65(注:本表内红字及红字以上栏目的数字为吊臂强度所决定,其下面栏目数字为倾翻力矩决定)30吨汽车起重机性能表〔二〕吊臂角度工作半径使用8.45m 副臂倾角5°吊臂角度工作半径使用13.5m副臂倾角5°80°7.9 4.00 80°9.3 2.5078.5°9.5 4.00 77°12.0 2.5078°10.2 3.80 76°12.7 2.35 76°11.2 3.30 74°14.1 2.10 74°12.2 2.90 72°15.6 1.95 72°13.4 2.70 70°17.1 1.80 70°14.6 2.50 68°18.5 1.65 68°16.0 2.35 66°19.9 1.50 66°17.3 2.20 64°21.3 1.40 64°18.5 2.10 62°22.7 1.30 62°19.8 2.05 60°24.0 1.20 60°20.7 1.85 58°25.3 1.15 58°21.9 1.65 55°27.1 1.05 55°23.6 1.30 54°27.70.95 54°24.1 1.15 52°28.80.80 52°25.00.95 50°29.90.65 50°25.80.75 48°30.90.55 48°26.80.60注:1、假设副臂在工作位置,但仍用主臂吊装,主臂的起重性能应相应的减去1.4t2、使用副臂吊装时,主臂的角度不得大于45,否那么将倾翻50吨汽车起重机性能表〔主表〕以下工况仅供参考,实际请与本公司业务员联系!不支第五支腿,吊臂位于起重机前方或前方;支起第五支腿,吊臂位于侧方、前方、前方工作半径(m)主臂长度(m)10.7018.0025.4032.7540.103.050.003.543.004.038.004.534.005.030.0024.705.528.0023.506.024.00 22.20 16.306.521.0020.0015.007.018.50 18.00 14.10 10.208.014.5014.0012.409.207.509.011.50 11.20 11.10 8.30 6.5010.09.2010.007.50 6.0012.0 6.40 7.50 6.80 5.2014.0 5.10 5.70 4.6016.0 4.00 4.70 3.9018.0 3.10 3.70 3.3020.0 2.20 2.90 2.9022.0 1.60 2.30 2.4024.0 1.80 2.0026.0 1.40 1.5028.0 1.2030.00.90各臂二0 100 100 100 100伸缩率〔%〕三0 0 33 66 100 四0 0 33 66 100 五0 0 33 66 100钢丝绳倍率12 8 5 4 3 吊钩重量0.515 0.215(注:本表内红字及红字以上栏目的数字为吊臂强度所决定,其下面栏目数字为倾翻力矩决定)50吨汽车起重机性能表〔副臂〕吊臂位于起重机侧方或前方主臂仰角〔°〕吊臂长度〔m〕40.10+5.10主臂+副臂40.10+9.00主臂+副臂40.10+16.10主臂+副臂0°20°0°20°0°20°78 4.0 3.6 3.2 1.9 1.5 0.8 75 3.8 3.2 3.0 1.8 1.30.8 72 3.2 2.9 2.8 1.7 1.2 0.7 70 3.0 2.5 2.5 1.6 1.20.6 65 2.5 2.0 2.0 1.4 1.1 0.5 60 1.9 1.6 1.5 1.00.80.5 55 1.4 0.8 1.0 0.6 0.6 0.4各节臂伸缩率(%) 二100 三四五钢丝绳倍率 1 吊钩重量0.180吨汽车起重机起重性能表(一)以下工况仅供参考,实际请与本公司业务员联系!主臂起重性能表工作半径(m)吊臂长度(支腿全伸)吊臂长度(不伸支腿) 12.0m18.0m24.0m30.0m36.0m40.0m44.0m12.0m2.580.0 45.0 15.03.080.045.035.015.03.580.0 45.0 35.0 15.04.070.045.035.011.74.562.0 45.0 35.0 27.0 9.55.056.040.032.027.08.05.550.0 37.0 29.2 27.0 22.06.86.045.034.327.225.022.0 5.86.539.4 31.5 25.3 23.2 22.0 18.0 5.07.035.629.123.721.520.318.0 4.38.027.8 25.4 21.0 18.8 17.7 15.7 12.0 3.29.520.820.817.815.714.613.212.0 2.010.019.2 19.2 17.0 15.0 13.8 12.6 11.4 1.711.0 16.5 15.6 13.5 12.4 11.4 10.4 11.8 14.7 14.7 12.6 11.4 10.6 9.7 12.0 14.2 14.2 12.4 11.2 10.4 9.5 13.0 12.5 12.5 11.3 10.2 9.3 8.8 14.6 10.0 10.0 10.0 9.0 8.5 7.8 15.0 9.49.4 9.4 8.7 8.2 7.6 16.0 8.1 8.1 8.1 7.7 7.1 17.8 6.2 6.2 6.2 6.8 6.3 20.0 4.5 4.5 4.5 5.1 5.6 22.0 3.4 3.4 4.0 4.4 23.0 3.03.0 3.5 3.9 26.0 1.7 2.2 2.6 27.0 1.9 2.2 28.0 1.6 1.9 30.0 1.01.3 31.01.180吨汽车起重机起重性能表(二)主要技术参数副臂起重性能主臂仰角支腿全伸在两侧或后部吊装名称 参数 44m 主臂+9.5m 副臂5°夹角 44m 主臂+15m 副臂5°夹角 工作半径(m)起重性能(t)工作半径(m)起重性能(t)全车总重 63.00t 81.3° 10.0 6.00 11.5 4.00 主臂全伸时长度 44.00m80.4°11.06.0012.64.00主臂全缩时长度 12.00m 80.1° 11.3 5.90 13.0 4.00 最大仰角 82° 78.6° 13.0 5.20 14.6 3.75 最大爬坡能力 16%75.2°16.04.4018.23.05最小转弯半径 15.40% 70.8° 20.0 3.60 22.5 2.55最大提升高度 58.50m 66.0° 24.0 3.00 27.2 2.10 80t 主吊钩重 1t 63.8° 26.0 2.75 29.1 2.05 80t 辅助吊钩0.5t58.0°30.31.5034.01.20100t汽车吊性能表120吨汽车起重机起重性能表以下工况仅供参考,实际请与本公司业务员联系!工作半径(m)主臂长度(m)12.612.616.620.624.528.532.536.540.544.548.552.556.03120 1113.510710292495 94 88 81 694.586827566579 76 70 62 516666662554940756 56 55 49 44.5 38 32 23.6848.54847444038.53222.120.1942 41.5 40.5 40 36.5 32.5 29.8 21.3 19.9 15.8103736.535.535.533.530.527.921.319.715.814.912.6 1229.1 28 28.9 27.8 26.2 24.5 21.3 18.7 15.8 14.5 11.8 1424.822.723.522.522.521.618.916.81513.311.1 1618.3 19.4 18.4 19 19.1 16.9 15.1 13.6 12.2 10.3 1815.815.815.216.816.31513.512.311.19.6 2013.2 13.8 14.1 14.2 13.4 12.2 11.1 10.2 8.9 2211.512.412.212.111.710.910.19.48.3 2410.7 10.5 10.4 10 9.9 9.2 8.6 7.7 269.39.298.58.68.387.2 288 8 7.3 7.4 7.6 7.4 6.7 3077.2 6.5 6.3 6.5 6.9 6.3 32 6.3 6 5.6 6 6.1 5.8 34 5.5 5.6 5.2 5.6 5.3 5.2 36 5.1 4.8 5.1 4.5 4.5 38 4.7 4.5 4.44 3.9 40 4.2 4 3.5 3.7 42 3.9 3.6 3.2 3.5 44 3.2 2.8 2.7 46 2.6 2.4 2.7 48 2 2 50 1.7 1.7 52 1.4 54 1.2150吨汽车起重机性能表(一)以下工况仅供参考,实际请与本公司业务员联系!(注:本表内红字及红字以上栏目的数字为吊臂强度所决定,其下面栏目数字为倾翻力矩决定)150吨汽车起重机性能表(二)吊臂回转至后部及两侧时吊装性能工作半径(m)吊臂长度(m)13.917.721.325.028.732.336.039.643.152.83.0 140.03.6 131.3 65.9 64.44.0 122.6 65.0 63.74.5 109.2 65.0 63.7 56.65.0 100.2 64.9 61.2 55.46.0 80.3 64.9 56.5 51.7 46.6 41.27.0 68.9 62.0 52.5 47.2 43.9 37.8 33.1 31.58.0 58.7 57.1 48.1 44.6 39.0 34.4 31.9 30.39.0 49.5 49.3 44.8 40.9 35.8 31.9 29.5 27.1 27.510.0 43.041.9 41.6 35.6 33.4 29.6 27.4 25.3 24.912.0 31.9 31.9 31.3 27.7 24.6 22.6 22.0 21.3 17.6 14.0 24.624.6 24.6 24.6 21.4 20.3 19.3 18.2 15.9 16.0 18.518.518.518.4 17.5 16.8 15.4 13.7 18.0 14.7 14.7 14.7 14.714.7 14.4 12.5 12.0 20.0 11.8 11.8 11.8 11.811.8 11.4 10.6 23.0 8.5 8.5 8.5 8.58.59.0 26.0 6.2 6.2 6.2 6.2 6.2 7.6 29.0 4.4 4.3 4.2 4.2 6.1 32.0 2.9 2.9 2.1 4.3 35.0 1.7 1.7 2.8 38.0 0.3 2.0 41.0 1.2 44.0 1.0(注:本表内红字及红字以上栏目的数字为吊臂强度所决定,其下面栏目数字为倾翻力矩决定)160t汽车吊性能表200吨汽车吊车260吨吊车性能表LTM1300/1-300t全液压汽车吊机LTM1300/1-300t全液压汽车吊机主臂额定性能表:支腿开距=8.85×8.5m、旋转角度=360°、标准配重=87.5t。
8-—500吨汽车吊性能参数表8吨汽车起重机性能表120吨汽车吊机额定性能表225吨汽车起重机起重性能表(主臂)230吨汽车起重机性能表(一)450吨汽车起重机性能表(主表)580吨汽车起重机起重性能表(一)7100t汽车吊性能表9120吨汽车起重机起重性能表9150吨汽车起重机性能表(一)10150吨汽车起重机性能表(二)10160t汽车吊性能表11200吨汽车吊车11260吨吊车性能表12LTM1300/1—300t全液压汽车吊机12LTM1500-500t全液压汽车吊机13LTM1500—500t全液压汽车吊机148吨汽车起重机性能表20吨汽车吊机额定性能表以下工况仅供参考,实际请与本公司业务员联系!25吨汽车起重机起重性能表(主臂)以下工况仅供参考,实际请与本公司业务员联系!(注:本表内红字及红字以上栏目的数字为吊臂强度所决定,其下面栏目数字为倾翻力矩决定)25吨汽车起重机起重性能表(副臂)30吨汽车起重机性能表(一)以下工况仅供参考,实际请与本公司业务员联系!(注:本表内红字及红字以上栏目的数字为吊臂强度所决定,其下面栏目数字为倾翻力矩决定)30吨汽车起重机性能表(二)注:1、若副臂在工作位置,但仍用主臂吊装,主臂的起重性能应相应的减去1。
4t2、使用副臂吊装时,主臂的角度不得大于45,否则将倾翻50吨汽车起重机性能表(主表)以下工况仅供参考,实际请与本公司业务员联系!(注:本表内红字及红字以上栏目的数字为吊臂强度所决定,其下面栏目数字为倾翻力矩决定)50吨汽车起重机性能表(副臂)80吨汽车起重机起重性能表(一)以下工况仅供参考,实际请与本公司业务员联系!80吨汽车起重机起重性能表(二)100t汽车吊性能表120吨汽车起重机起重性能表以下工况仅供参考,实际请与本公司业务员联系!150吨汽车起重机性能表(一)以下工况仅供参考,实际请与本公司业务员联系!(注:本表内红字及红字以上栏目的数字为吊臂强度所决定,其下面栏目数字为倾翻力矩决定)150吨汽车起重机性能表(二)160t汽车吊性能表200吨汽车吊车260吨吊车性能表LTM1300/1-300t全液压汽车吊机LTM1300/1-300t全液压汽车吊机主臂额定性能表:支腿开距=8。