建筑植筋胶性能参数
- 格式:doc
- 大小:138.00 KB
- 文档页数:3
环氧植筋胶性能说明本产品采用优质环氧树脂及纳米复合材料改性而成,粘结性能好,锚固结合力强,是一种新型植筋锚固结构胶粘剂;具有不影响建筑物使用空间,不改变结构件外型,连接处受力均匀,内聚、粘结和剪切强度高,耐老化、抗疲劳性能好、抗震性能优等特点。
适用范围:1.新老建筑构件连接、建筑物抗震加固、设备基础的固定。
2.适用于各种基材、混凝土、岩石、砖墙加固,建筑结构钢筋、螺杆埋植。
3.工业厂房、铁路、公路、桥梁、水利水电等改扩建工程植筋加固。
4.广告牌、隧道管线、高架道路隔音板和护栏固定。
产品优点:1、操作简单,易于调配,锚固粘结力强,快速承载,效果相当预埋钢筋。
2、抗焊性、阻燃性、密封性、防潮性、耐酸碱性、耐热性能好,常温下不蠕变。
3、无膨胀应力,对湿度敏感度低,在潮湿环境中长期负荷稳定。
4、无需专用工具,施工方便、使用安全、清洁环保使用说明:1. 根据要求钻孔,并彻底清除孔内粉尘(至少三吹三刷)。
2. 按需取出适量结构胶,按A、B组份指定重量配比混合配胶,充分搅伴均匀,即配即用。
3. 固化前禁止触动钢筋,待胶体完全固化后方可进行下道工序。
4. 结构胶用量计算公式:W=(Fs-As)·L·r·K (式中:W=每孔胶泥用量g L=孔深cm r =容量g/cm3 Fs=锚孔净截面积cm2 K=富裕系数取1.15 As=锚筋净截面积cm2注意事项:1. 产品应在25℃以下避光贮存于阴凉干燥处,贮存期为一年,过期如未硬化,仍可使用。
2. 施工时做好佩戴手套、口罩、安全帽等防护措施,若不慎弄到皮肤,用大量水冲洗干净,溅入眼睛,应立即就医。
本产品是由A、B双组分组成的改性环氧类结构胶粘剂,产品强度高,特别是钢与钢抗拉、钢与混凝土的粘接强度性能好。
利用粘钢胶将钢板与钢筋混凝土新旧建筑物受拉构件紧密地粘结在一起,能够显著地提高结构的强度和刚度,并且具有操作方便,施工快速,成本低,不占使用空间,受载时间快等优点。
植筋胶产品标准
植筋胶是一种在土体中注入的粘结材料,用于增强土体的承载能力、抗震能力和抗滑能力。
2. 产品分类
植筋胶可分为环氧植筋胶、聚氨酯植筋胶、丙烯酸植筋胶等多种类型。
3. 产品性能要求
(1) 抗拉强度:不低于30MPa。
(2) 粘结强度:不低于土体自身强度的70%。
(3) 抗老化性能:经过长期暴露在自然环境中,其性能不会明显下降。
(4) 抗裂性能:能够有效地控制土体的裂缝扩展。
(5) 环保性能:不含有害物质,对环境和人体无害。
4. 产品应用范围
植筋胶广泛应用于各类土体加固工程,如基础加固、地铁隧道加固、山体滑坡治理等。
5. 产品包装和储存
植筋胶应采用密封包装,存放在阴凉、干燥的地方,避免阳光直射和潮湿。
储存期限为一年。
6. 产品质量控制
(1) 生产前应进行原材料的质量检验。
(2) 生产过程中应进行严格的质量控制,确保产品符合标准要求。
(3) 对成品产品应进行出厂检验,确保产品质量合格。
7. 产品标识
植筋胶产品标识应包括产品名称、型号、生产厂家、生产日期、批次号等信息。
产品名称:高强植筋胶型号:DG-BMT高强植筋胶是根据市场需要及加固补强施工需求,专门研制的加固补强产品,该产品不仅具有专用植筋胶的抗拉力强度和耐老化的优点,而且具有锚固结合力强,材料成本低,施工方便快捷等改性环氧树脂植筋胶的特性。
产品用途:高强植筋胶为触变型,状态较稠。
可用于各种设备基材的固定:钢筋埋植、螺栓安装锚固、石材幕墙粘接及梁、柱钢筋上“生根”等,后加埋件等同以混凝土、岩石、砖砌体为基体的隐蔽工程,优适合植筋拉墙筋用。
性能特点:1、材料成本低,锚固结合力强,固化时间短,快速承载;2、可根据现场需要调节固化时间,操作简单,易于配制;3、抗老化,耐酸碱性良好,耐热性能优,常温下不蠕变;4、施工流程简便、降低工程成本、增强工程安全性。
使用说明:1、钻孔,清孔:依据要求及技术参数钻孔,用强力吹风机或压缩空气及毛刷清洁钻孔,直到孔内粉尘干净为止;2、配胶:用容器取出高强胶A、B两组分,按产品指定配比(重量比A:B=50:1)配胶,混合后迅速搅拌至均匀,即可使用;3、植筋锚固:将配好的胶用油灰刀/焊条或其他工具将胶从孔底逐渐向外注入孔中,然后即将钢筋或螺杆缓缓旋入孔中;4、固化养护:依据基材温度让植筋胶足够固化,固化期间不可摇动锚固件,待植筋胶完全固化后方可进行后负载安装。
注意事项:1、高强胶和固化剂在存放过程中如有沉淀现像,配制前需分别彻底摇动并搅伴均匀,使用后应立刻盖住封好;胶及固化剂应分开存放;2、施工前可先按比例做小样试验;一次配料不宜大多,并应在高强胶出现初凝现象之前用完,避免造成物料浪费;3、施工时做好佩戴手套、口罩、安全帽等防护措施,若不慎触及皮肤,可用丙酮清洗并用水冲洗干净,溅入眼内,应立即就医。
运输储存:1、产品不属危险品,可采用一般交通工具运输,且堆放不超过四层,不宜倒置,不得曝晒雨淋;2、产品应在25℃以下避光密封储存于阴凉通风干燥处,贮存期为半年,但过期未硬化仍可使用。
建筑植筋胶性能参数一、锚固植筋胶应用范围主要用于混凝土等基材中钻孔锚固受力钢筋,如结构改造加固、幕墙施工、设备固定安装、房屋装修等工程。
也可用于基材中钻孔锚固螺栓幕墙埋件、天线生根、钢筋生根。
工作环境≤80℃。
植筋胶有软管植筋胶、注射式植筋胶和桶装植筋胶三种。
二、卡本植筋胶产品特点1、承载快、抗拉力大、抗疲劳、耐老化、抗震动;2、强度高、粘接力强、耐久性优异、使用安全;3、施工方便,水平、顶孔均易施工并能保证孔内充满胶;4、本产品也可用于修补、找平混凝土结构的质量问题;5、具有夏季施工不流淌,冬季低温施工可操作性好的特点;6、卡本植筋胶包括常规用植筋胶和注射式植筋胶两种产品。
二、植筋胶用量计算植筋胶必须充满钢筋与混凝土孔之间的环形空间,用胶重量(W)具体可按下式计算:1、W(kg)=0.785(D2-d2)LxVxK;2、式中:D-钻孔直径(mm);d-钢筋植筋(mm);L-钻孔深度(mm);3、V-植筋胶比重取2;4、K-富裕系数取1.1.四、规格型号植筋胶植筋胶30kg/组,其中主剂20kg/桶(A),固化剂10kg/桶(B)。
配比(重量)A:B=2:1。
注射式植筋胶注射植筋胶360ml/支。
五、卡本植筋胶性能指标性能项目性能要求试验方法标准A级胶B级胶胶体性能劈裂抗拉强度(MPa)≥8.5≥7.0GB 50367 附录G 抗弯强度(MPa)≥50≥40GB/T 2570抗压强度(MPa)≥60GB/T 2569粘结能力钢套筒拉伸抗剪强度标准值(MPa)≥16≥13GB 50367 附录J 约束拉拔条件下带肋钢筋与混凝土的粘结强度(MPa)C30,φ25,L=150mm≥11.0≥8.5GB 50367 附录KC60,φ25,L=125mm≥17.0≥14.0不挥发物含量(固体含量)(%)≥99GB/T 2793六、卡本植筋胶固化时间表基材温度(℃) 5 15 25 35 安装时间(min)≥60≥45≥30≥20固化时间(h)90 72 48 24。
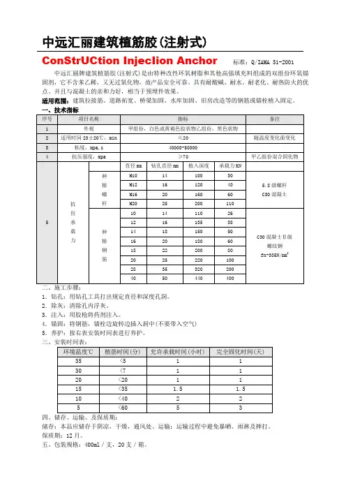
中远汇丽建筑植筋胶(注射式)
ConStrUCtion InjecIion Anchor 标准:Q/IAMA 51-2001 中远汇丽牌建筑植筋胶(注射式)是由特种改性环氧树脂和其他高强填充料组成的双组份环氧锚固剂,它不含苯乙稀,又无过氧化物,故产品安全可靠。
具有耐酸碱、耐水、耐老化、耐热防火的优点。
并且与混凝土的亲和力好,相当于预埋件效果。
适用范围:建筑拉接筋、道路拓宽、桥梁加固、水库加固、旧房改造等的钢筋或锚栓植入固定。
一、技术指标
二、施工步骤:
1.钻孔:用钻孔工具打出规定直径和深度孔洞。
2.除灰:清除孔内浮灰。
3.注入:用胶枪将药剂注入。
4.锚固:将钢筋,锚栓边旋转边插入洞中(不要带入空气)
5.养护:按右表安装时间表进行养护。
储存:本品应储存于阴凉,干燥,通风处。
运输:运输过程中避免暴晒、雨淋及摔打。
保质期:12月。
五、包装规格:400ml/支,20支/箱。
植筋胶产品检验报告
一、产品概述
植筋胶是一种高粘度、高强度、耐久性优良的粘合剂,主要用于建筑加固、桥梁修复等领域。
该产品具有优良的粘接性能,能够快速有效地将钢筋与混凝土结构粘合在一起,提高结构的承载能力和耐久性。
二、检验目的
本检验报告旨在评估植筋胶产品的质量,确保其符合相关标准和规范要求,为建筑加固工程提供可靠的粘合剂材料。
三、检验方法与标准
1. 检验方法:按照国家相关标准,采用拉伸强度试验、粘接强度试验和耐久性试验等方法进行检测。
2. 检验标准:参考国家《混凝土结构加固设计规范》(GB等相关标准进行评估。
四、检验结果
1. 拉伸强度试验:植筋胶的拉伸强度达到XX MPa,符合标准要求。
2. 粘接强度试验:植筋胶与混凝土、钢筋的粘接强度分别达到XX MPa和XX MPa,符合标准要求。
3. 耐久性试验:植筋胶经过高温、低温、紫外线等环境条件下的耐久性试验后,性能保持稳定,无老化现象。
五、结论
根据以上检验结果,可以得出以下结论:
1. 该植筋胶产品的拉伸强度、粘接强度均达到国家标准要求。
2. 该植筋胶产品的耐久性表现稳定,适用于各种环境条件下使用。
3. 本产品无毒、无害,对环境友好,符合环保要求。
综上所述,本产品为合格的植筋胶产品,可用于建筑加固工程中。
植筋技术几个参数探讨摘要结合混凝土结构后锚固技术规程,本文对植筋锚固长度、抗拔力、间距、安全系数进行研究与探讨,并用实例加以说明关键词植筋;锚固长度;抗拔力;间距;安全系数1.植筋锚固长度植筋胶生产厂家提供产品说明书中一般注明植筋锚固长度为植筋(钢筋或螺栓)直径的10~15倍,但无直接说明理论依据,且不提及混凝土强度要求,实际上锚固长度与混凝土强度等级有关。
强度越高锚固力越大,产品说明书提法显然是不完整的。
钢筋或螺栓的锚固是靠植筋胶来固定的,它在植筋和混凝土之间,通过植筋抗拔试验表明,极大部分破坏是植筋胶与混凝土之间的混凝土部分,而钢筋与植筋胶基本完好,钢筋从植筋胶中拔出实例很小,说明在普通混凝土(非高强混凝土)中植筋胶抗拉与抗剪强度比混凝土要高。
因此应考虑植筋锚固长度应与植筋胶的直径(即植筋钻孔直径)有直接关系,我们参考混凝土结构设计规范GB50010-2002中,混凝土结构中纵向受拉钢筋的锚固长度计算公式9.3.1-1提出植筋锚固长度计算公式:(1)式中,—植筋锚固长度;—植筋胶的抗拉强度设计值;—混凝土轴心抗拉强度设计值,当混凝土强度等级高于C40时按C40考虑;—混凝土植筋孔径;—锚固系数,0.3~0.5若混凝土取C20,=1.1N/mm2,植筋胶抗拉强度设计值=30Mpa=30N/mm2,则=8~14d这与生产厂家提出的植筋锚固长度10~15d基本接近,我们认为植筋锚固长度按(1)式计算是可信的。
2.植筋抗拔力计算目前国内尚无植筋抗拔力估算公式。
在植筋抗拔试验中发现有两种破坏形式,大部分是从混凝土中植筋底部按近似β=10°~15°角度斜面破坏拔出(见图1),小部分因混凝土强度较低沿植筋胶与混凝土之间界面被拔出(见图2)2.1植筋从混凝土斜面破坏(图1)抗拔力由于图1中锥形底面积较小,不考虑该混凝土抗拔力,混凝土破坏的侧面积为:As=πlc则混凝土抗拔力N1=(2)上式中,N1—植筋抗拔力,KN;—混凝土的抗拉设计强度,N/mm2;—图1中混凝土倒锥体斜面面积;—折减系数,无筋混凝土结构取值0.3~0.5;钢筋混凝土结构取值0.5~0.7例1 在混凝土(C20)基础中钻直径44mm直径孔。
建筑植筋胶性能参数
一、锚固植筋胶应用范围
主要用于混凝土等基材中钻孔锚固受力钢筋,如结构改造加固、幕墙施工、设备固定安装、房屋装修等工程。
也可用于基材中钻孔锚固螺栓幕墙埋件、天线生根、钢筋生根。
工作环境≤80℃。
植筋胶有软管植筋胶、注射式植筋胶和桶装植筋胶三种。
二、卡本植筋胶产品特点
1、承载快、抗拉力大、抗疲劳、耐老化、抗震动;
2、强度高、粘接力强、耐久性优异、使用安全;
3、施工方便,水平、顶孔均易施工并能保证孔内充满胶;
4、本产品也可用于修补、找平混凝土结构的质量问题;
5、具有夏季施工不流淌,冬季低温施工可操作性好的特点;
6、卡本植筋胶包括常规用植筋胶和注射式植筋胶两种产品。
三、植筋胶用量计算
植筋胶必须充满钢筋与混凝土孔之间的环形空间,用胶重量(W)具体可按下式计算:
1、W(kg)=0.785(D2-d2)LxVxK;
2、式中:D-钻孔直径(mm);d-钢筋植筋(mm);L-钻孔深度(mm);
3、V-植筋胶比重取2;
4、K-富裕系数取1.1.
四、规格型号
植筋胶
植筋胶30kg/组,其中主剂20kg/桶(A),固化剂10kg/桶(B)。
配比(重量)A:B=2:1。
注射式植筋胶
注射植筋胶360ml/支。
五、卡本植筋胶性能指标
六、卡本植筋胶固化时间表。
植筋胶目录简介植筋胶特点:使用注意:工艺要求:工艺流程:包装贮存简介植筋胶特点:使用注意:工艺要求:工艺流程:包装贮存展开编辑本段简介植筋胶产品类型:结构加固补强材料双组植筋胶产品名称:广鼎植筋胶产品编码:GD-I-12K植筋胶是有机质植筋苗固胶,是绿色汇报型植筋新材料,具有不怕水、抗疲劳、耐高温、耐久性能优越。
编辑本段植筋胶特点:植筋胶规格施工注意:1. 植筋前要彻底清洁钻孔,并将杆体旋转植入孔内,如果孔内无胶流出,必须将杆体拔出,重新注胶操作,未固化前严禁触动杆体。
2.冬季施工时可分别将胶和固化剂放入热水中浸泡一段时间,会得到更好的使用效果。
3. 一袋中未使用完的胶(未混合固化剂部分)可封好袋口,放在背阴处,下次继续使用。
编辑本段工艺流程:一)、定位→钻孔→清孔→钢筋除锈→锚固胶配制→注胶→植筋二)、固化养护→ 检验三)、详细施工工艺流程:植筋施工流程:定位→钻孔→ 清孔→ 钢材除锈→ 植筋胶(锚固胶粘剂)配制→ 植筋→ 固化、保护→ 检验1钻孔:用电钻按规定的孔径和孔深进行钻孔2清孔:使用专业工具将孔内灰尘除净,两刷两吹;3注胶:将调配好的植筋胶注入孔内,胶量为孔体积的80%为宜.4植入:将钢筋旋入孔内,并调整至规定位置.5加载:充分固化后,即可加载锚固使用,注:胶体固化前勿摇动锚固体!1.定位1.1.按设计要求标示钻孔位置、型号,若基材上存在受力钢筋,钻孔位置可适当调整,但均宜植在箍筋内侧(对梁、柱)或分布筋内侧(对板、剪力墙)。
2.钻孔2.1.钻孔宜用电锤或风钻成孔,如遇钢筋宜调整孔位避开。
如采用钻石钻孔机成孔,钻孔内碎屑应用洁净水冲洗干净,并晾晒至干燥。
2.2.钻孔孔径d+4∽8mm(小直径钢筋取低值,大直径钢筋取高值,d为钢筋、螺栓直径)。
2.3.当基材强度等级不低于C20,对HRB335(Ⅱ级)、HRB400、RRB400(Ⅲ级)级螺纹钢筋,Q235、Q345级螺栓和5.6级螺杆,钻孔孔深15d,锚固力一般即可大于钢材屈服值。
植筋胶规格型号
植筋胶是建筑施工中常用的一种胶水,主要用于连接钢筋和混凝土,提高混凝土结构的强度和稳定性。
不同规格型号的植筋胶适用于不同的钢筋和混凝土连接需求,下面是常用的植筋胶规格型号介绍。
1. 200ml植筋胶
200ml植筋胶适用于直径为10-20mm的钢筋连接,每桶植筋胶可以使用20-30根钢筋,使用方便,适合小型建筑施工。
2. 400ml植筋胶
400ml植筋胶适用于直径为20-30mm的钢筋连接,每桶植筋胶可以使用10-20根钢筋,对中小型混凝土结构的连接需求比较适合。
3. 600ml植筋胶
600ml植筋胶适用于直径为30-40mm的钢筋连接,每桶植筋胶可以使用5-10根钢筋,适合大型混凝土结构的连接需求。
4. 750ml植筋胶
750ml植筋胶适用于直径为40-50mm的钢筋连接,每桶植筋胶可以使用3-5根钢筋,适合大型桥梁、地铁隧道等工程的建设。
以上是常用的植筋胶规格型号介绍,建议在选择植筋胶时,根据实际钢筋和混凝土的直径、数量等要素,选择合适的规格型号,以达到最佳的连接效果。
- 1 -。
植筋胶发布时间:2013-1-14 阅读:次【字体:大中小】该树脂锚固胶(植筋胶)是一种新型改性环氧型建筑结构用胶,为双组分产品,具有抗拉强度大、与各类基材(砼、砖、岩石等)及金属锚杆相容性好、耐介质、耐老化等优点,广泛应用于结构改造加固、设备安装、幕墙安装等钻孔锚固钢筋、螺杆。
一、特点1、改性环氧类树脂;2、具有对建筑结构承载快,粘接强度大、耐腐蚀、耐老化;3、常温固化,施工简单;4、固化后无膨胀、收缩,对基材不造成破坏;5、无毒、环保,不含挥发性溶剂。
二、应用范围各种建筑结构中的钢筋埋植与锚栓锚固,工程建筑加固,各种设备基础的锚固,锚牢,矿山巷道顶、壁部位的锚固支护,铁路、铁轨的锚固及铁轨绝缘锚固,幕墙安装锚固及化工设备、管道、广告牌等的安装锚固,水利设施、码头、公路、桥梁等工程的各种锚固。
注:以上数据适用于II 级螺纹钢,标准强度fyk=335 N/mm2,混凝土C30砼。
如使用圆钢或C30以下混凝土时则埋植深度要加大。
钻孔深度通用公式为:10D~15D 式中D-螺纹刚直径。
胶体用量计算公式:W=(SK-SJ)×L×ρ×K式中:W-每孔用胶量(g)SK-孔截面积(mm2) SJ-螺纹钢截面积(mm2) L-孔深(mm)ρ-胶体比重(1.9~2.2)g/mm3K-富裕系数(115/100)五、施工流程:1、钻孔:用冲击钻打出设计所要求的直径及深度的锚孔;2、清灰:用压缩空气吹尽孔内浮灰,再用毛刷清孔,反复数次清干净为止;3、配料:配料前先用搅拌器分别对A、B组分进行上下充分搅拌,根据估计用胶量按推荐比例A:B=3:1称取A、B组分,于干净容器中搅拌均匀(色泽一致);4、注胶:将调好的胶粘剂从孔底逐渐向外注入孔中,填充量为孔深的1/2-2/3,调好的胶要在操作期内用完;本品的操作时间常温(22℃)下为45分钟,如环境温度高于常温则操作时间适当缩短,低于常温适当延长。
A级植筋胶密度1. 任务背景植筋胶是一种用于混凝土结构加固的材料,其主要作用是在现有混凝土结构中形成纵向和横向的连接。
在植筋胶的生产过程中,密度是一个重要的指标,它直接影响着植筋胶的性能和使用效果。
A级植筋胶是指密度在一定范围内的植筋胶,其密度需要满足一定的要求。
2. 密度的定义植筋胶的密度是指单位体积内植筋胶的质量。
通常使用公式[密度 = 质量 / 体积]来计算。
3. A级植筋胶密度的要求A级植筋胶密度需要满足一定的要求,这些要求通常由相关的标准或规范来规定。
在中国,植筋胶的相关标准为GB 50367-2013《建筑结构用植筋胶》。
根据GB 50367-2013,A级植筋胶的密度应在0.9 g/cm³到1.1 g/cm³之间。
超过这个范围的植筋胶将不符合A级标准,可能会影响植筋胶的性能和使用效果。
4. 影响植筋胶密度的因素植筋胶的密度受多种因素的影响,以下是一些常见的因素:4.1 原料配比植筋胶的密度与其原料的配比有关。
不同的原料配比会导致不同的密度。
通常,植筋胶的原料包括胶粉、填料、稠化剂、改性剂等。
4.2 搅拌方式植筋胶的搅拌方式也会对其密度产生影响。
搅拌的时间、速度和方式等都会对植筋胶的密度产生影响。
4.3 施工条件植筋胶的密度还受施工条件的影响。
例如,温度、湿度、施工工艺等因素都可能对植筋胶的密度产生影响。
5. 测量植筋胶密度的方法测量植筋胶密度的常用方法有以下几种:5.1 水排量法水排量法是一种简单且常用的方法。
首先,将一定体积的植筋胶样品置于已知体积的容器中,记录容器的初始体积。
然后,将植筋胶样品放入容器中,使其完全浸泡在水中,记录容器的最终体积。
通过计算两者的差值,即可得到植筋胶的密度。
5.2 重量法重量法是另一种常用的测量方法。
首先,称量一定质量的植筋胶样品,并记录其质量。
然后,将样品放入已知体积的容器中,记录容器的初始质量。
通过计算植筋胶样品和容器的总质量与容器的初始质量之差,即可得到植筋胶的密度。
实用标准文案
1、原理和特点
在锚固件位置采用冲击电钻成孔(或预留孔道),把钢筋或螺杆埋入孔道内,同时用一定比例调制而成的结构胶,密实填塞孔道内,经静止状态养护,具有较高的粘结强度和抗拔能力,从而达到锚固目的。
这种锚固件具有位置正确、布置灵活、硬化快(1天达最高强度90%)强度高、粘结力强、防水、耐油以及耐酸碱侵蚀的能力。
2、适用范围
适用于结构加固、加层、改造、新老混凝土的连结,如:柱、梁、楼板、通道楼梯、挡土墙、连续梁、基础等领域植筋加固以及混凝土和各种材料固结件的粘结。
空间锚固位置可以竖向、水平或斜向任意角度。
精彩文档。
植筋胶类型【原创实用版】目录1.植筋胶的定义与作用2.植筋胶的类型及特点3.常见植筋胶类型及其应用4.选择植筋胶的注意事项正文【植筋胶的定义与作用】植筋胶,又称锚固胶,是一种用于加固混凝土结构的粘结材料。
通过将钢筋或螺杆固定在混凝土中,以提高结构的承载力、抗震性能和稳定性。
植筋胶在现代建筑工程中具有广泛的应用。
【植筋胶的类型及特点】根据用途和性能特点,植筋胶可分为以下几类:1.通用型植筋胶:适用于各种混凝土结构,具有良好的粘结性能、抗压强度和抗拉强度。
2.高性能植筋胶:具有较高的抗拉强度、抗震性能和耐久性,适用于高强度混凝土结构和重要工程。
3.快速固化植筋胶:固化时间较短,适用于紧急抢修和临时加固工程。
4.超声波检测植筋胶:可在超声波检测下使用,以确保植筋质量。
【常见植筋胶类型及其应用】1.聚氨酯植筋胶:聚氨酯植筋胶具有良好的耐久性和抗拉强度,适用于各种混凝土结构加固。
2.环氧树脂植筋胶:环氧树脂植筋胶具有较高的抗拉强度和抗震性能,适用于桥梁、隧道等重要工程。
3.丙烯酸酯植筋胶:丙烯酸酯植筋胶具有较好的耐候性和抗老化性能,适用于室外混凝土结构加固。
【选择植筋胶的注意事项】在选择植筋胶时,应考虑以下几点:1.根据加固工程的类型和要求,选择合适的植筋胶类型。
2.考虑植筋胶的性能指标,如粘结强度、抗拉强度、抗震性能等。
3.考虑植筋胶的施工工艺和固化条件,确保施工顺利进行。
4.考虑植筋胶的价格和性价比,选择经济适用的植筋胶产品。
总之,植筋胶作为加固混凝土结构的重要材料,在现代建筑工程中具有广泛的应用。
建筑植筋胶性能参数
一、锚固植筋胶应用范围
主要用于混凝土等基材中钻孔锚固受力钢筋,如结构改造加固、幕墙施工、设备固定安装、房屋装修等工程。
也可用于基材中钻孔锚固螺栓幕墙埋件、天线生根、钢筋生根。
工作环境≤80℃。
植筋胶有软管植筋胶、注射式植筋胶和桶装植筋胶三种。
二、卡本植筋胶产品特点
1、承载快、抗拉力大、抗疲劳、耐老化、抗震动;
2、强度高、粘接力强、耐久性优异、使用安全;
3、施工方便,水平、顶孔均易施工并能保证孔内充满胶;
4、本产品也可用于修补、找平混凝土结构的质量问题;
5、具有夏季施工不流淌,冬季低温施工可操作性好的特点;
6、卡本植筋胶包括常规用植筋胶和注射式植筋胶两种产品。
三、植筋胶用量计算
植筋胶必须充满钢筋与混凝土孔之间的环形空间,用胶重量(W)具体可按下式计算:
1、W(kg)=0.785(D2-d2)LxVxK;
2、式中:D-钻孔直径(mm);d-钢筋植筋(mm);L-钻孔深度(mm);
3、V-植筋胶比重取2;
4、K-富裕系数取1.1.
四、规格型号
植筋胶
植筋胶30kg/组,其中主剂20kg/桶(A),固化剂10kg/桶(B)。
配比(重量)A:B=2:1。
注射式植筋胶
注射植筋胶360ml/支。
五、卡本植筋胶性能指标
六、卡本植筋胶固化时间表。