关口垭3号桥0#、1#块托架计算书
- 格式:doc
- 大小:274.00 KB
- 文档页数:15
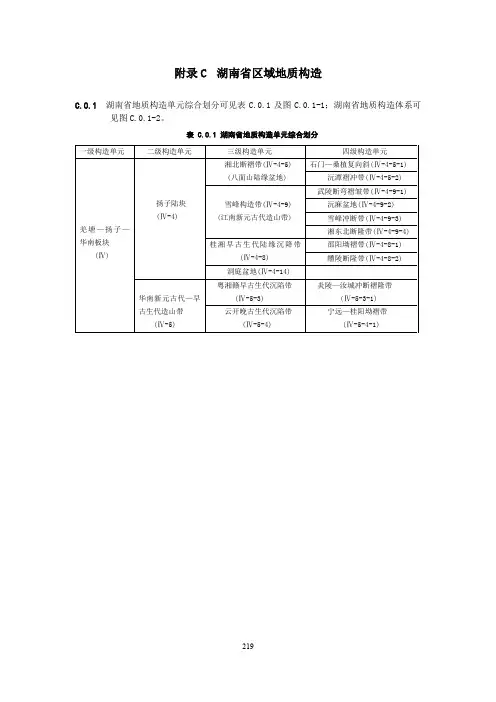
附录C 湖南省区域地质构造C.0.1湖南省地质构造单元综合划分可见表C.0.1及图C.0.1-1;湖南省地质构造体系可见图C.0.1-2。
表 C.0.1 湖南省地质构造单元综合划分图 C.0.1-1 湖南省构造单元分区1.二级构造单元分界线;2.三级构造单元分界线;3.四级构造单元分界线;构造单元名称见表 C.0.1C.0.2 湖南省褶皱分布可见表C.0.2。
C.0.3 湖南省深大断裂特征可见表C.0.3;湖南省深大断裂分布可见图C.0.3。
表C.0.3 湖南省深大断裂特征图C.0.3 湖南省深大断裂分布注:F1慈利—保靖断裂(江南断裂),F2辰溪—怀化断裂,F3溆浦—靖州断裂,F4通道—江口断裂,F5城步—新化断裂,F6公田—灰汤—新宁断裂,F7连云山—衡阳—零陵断裂,F8川口—双牌断裂,F9茶陵—郴州断裂,F10桂东—汝城断裂,F11常德—安仁断裂,F12郴州—邵阳断裂,F13瓦屋塘—九嶷山断裂。
C.0.4 湖南省全新活动断裂特征可见表C.0.4;湖南省全新活动断裂分布可见图C.0.4。
图C.0.4 湖南省全新活动断裂分布注:F1慈利-张家界-保靖断裂带,F2澧水断裂带,F3常德-桃源断裂带,F4沅陵-麻阳断裂带,F5新晃-怀化大断裂带,F6南县-汉寿断裂带,F7岳阳-沅江断裂带,F8岳阳-湘阴断裂带,F9溆浦-洪江断裂带,F10龙船塘-通道断裂带,F11溆浦-江口断裂带,F12城步-新化断裂带,F13公田-宁乡-新宁断裂带,F14南江-双江断裂带,F15湘乡-双峰断裂带,F16连云山-衡阳-永州断裂带,F17醴陵-衡东断裂带,F18新田-江华断裂带,F19茶陵-郴州断裂带,F20湖口-郴州断裂带,F21炎陵-瑶岗仙断裂带,F22桂东-汝城断裂带,F23益阳-望城-株洲断裂带,F24常德-桃江-衡东-资兴断裂带,F25葛竹坪-梓门桥断裂带,F26新田-宜章断裂带,F27宁远-临武断裂,F28道县-连县断裂带。
张家界11大绝美露营地又是一年中最佳露营季——秋季。
今天小编在这里为大家准备了张家界十一大绝美露营地。
赶紧寻个好天气,约上好朋友,到野外支起五颜六色的帐篷,谈天说地看星星!看纯粹的日出日落吧!1闺门初开——上官幽谷上官幽谷位于天门山与七星山之间。
这里,有湘西最美的瀑布和张家界最为秀丽的峡谷!这里,有历史悠远的宋代官道和明代的石屋书院遗址!一座承载了千万年历史的石拱小桥,便是幽谷的入口处顺幽谷前进,石壁如削,两山岈合,上有古藤倒挂,下有潺潺流水,谷内两边绝壁,两头可通,常年阴阳闭合。
风景指数:☆☆☆强度指数:☆难度指数:☆路线:市区-刑家巷-竿子坪-老道湾-村长家-铁梯-栈道-飞瀑潭-私塾遗址-1号营地-炼矿遗址-断桥-村长家-市区(行程两天一晚)。
2公社奇观——泰华大峡谷泰华大峡谷位于澧水河畔,武陵腹地。
峡谷全长约8公里,峡谷最深处高差达300余米,最窄处仅容一人通过。
在这峡里孕育了无数天眼,地穴,和撼天动地的人民公社渠。
人民公社渠构筑在风景如画的泰华大峡谷悬崖峭壁之上,是土家人用双手在这绝壁开凿出来的人工天河,天造山,人造渠。
风景指数:☆☆☆强度指数:☆☆难度指数:☆☆☆路线:市区-武陵源-三官寺-双坪-黄渠湾-公社水渠-山洞-长木梯-双垭村-1号营地-白龙峡-宋家坪-武陵源-市区(行程两天一晚)。
3极限峡谷——无底峡无底峡又名穿天沟,是白石、西莲、人潮溪三乡交界的一条幽深纵横的大峡谷。
无底峡分三段。
上段叫黄狮河,是一条裂谷地缝,谷底离地表约三千多米;中段叫落香峡,有传说中的“瀑落香潭”;下段叫五里溪,一条五里路长的古栈道通过峡口,将白石和人潮溪两乡连接起来。
风景指数:☆☆☆☆强度指数:☆☆☆难度指数:☆☆☆路线:市区-江垭水库-五里溪-1号营地-五里坡-竹子坡-岩门村-马齿河-2号营地-落香峡-古栈道-金藏河-江垭水库-市区(行程三天两晚)。
4湖南九寨沟——借母溪借母溪被誉为“湖南九寨沟”。
湖北省省道交界桩号一览表现线路现线路编号名称S101南环线S102武赤线S103汉沙线S104十永线S105蔡城线S106荷沙线S107汉宜线S108黄土线行政区原线路原行政名称名称等级南环线省道武汉市黄薛线县道武汉市武蒲线省道咸宁市武蒲线省道武汉市汉洪线省道汉洪线省道蒲洪线省道荆州市洪沙线省道沙锣线县道武汉市汉沙线省道武汉市蔡城线省道孝感市蔡城线省道武汉市荷沙线省道孝感市荷沙线省道天门市荷沙线省道孝感市汉宜线省道天门市汉宜线省道荆门市汉宜线省道天门市汉宜线省道荆门市汉宜线省道宜昌市汉宜线省道武汉市黄土线省道孝感市黄土线省道穿越市州原起点桩原止点桩现实际现起点桩现止点桩里程号号号号( km)K0+000K61+86060.480K0+000K66+300K0+000K5+820 5.820K0+000K47+42647.426K0+000K47+426K47+426K116+84669.420K47+426K116+846K0+000K39+99039.990K0+000K39+990K39+990K102+30062.310K45+69K59+02713.337K0+000K182+850K39+990K310+277182.850K0+000K11+79011.790K0+000K35+87035.870K0+000K35+870K0+000K17+46117.461K0+000K17+461K17+461K33+16915.708K17+461K33+169K0+000K5+066 5.066K0+000K5+066K5+356K68+48063.124K5+066K68+190K68+190K159+44291.252K68+190K159+442K43+700K113+83570.135K0+000K70+135K113+835K129+96016.125K70+135K86+260K129+960K183+52953.569K86+260K139+829K183+529K193+85310.324K139+829K150+153K193+853K261+36367.510K150+153K217+663K261+363K362+178100.815K217+663K318+478K0+000K51+23051.230K0+000K51+230K51+230K106+75955.529K51+230K106+759起止(交界)行政区名称途经主要市镇名称点地名辐射线市辖区洪山区关山口 / 薛峰江夏区流芳、五里界、江夏、郑店--->( 知音大道)新农蔡甸区军山蔡甸区新农羌家堤 / 陶家墩武汉市区江夏区金口陶家墩 /赤马港嘉鱼县潘家湾、新街、鱼岳、官桥赤壁市蒲圻肖家岭 / 水洪蔡甸区汉南区汉南区、邓南镇、汉南镇洪湖市新滩、老湾、乌林洪湖市乌林洪湖市洪湖、螺山水洪 /沙市锣场监利县白螺、柘木、朱河、上车湾、容城、红城、汪桥江陵县秦市、普济、郝穴、熊河、滩桥沙市区沙市沙市区锣场十里铺武汉市区汉阳/ 永安东岳庙蔡甸区蔡甸、玉贤蔡甸 / 高冠山蔡甸区张湾高冠山 /城隍转汉川市马口、庙头盘东西湖区新沟荷包湖 / 新沟桥新沟桥 /田二河汉川市新河、汉川、城隍、分水、脉旺、田二河田二河天门市干驿、马湾、小板、天门、/ 沙洋界牌黄潭、渔薪、多宝市辖区沦河桥 /王家山云梦县应城市东马坊、应城王家山 /周家湾天门市皂市周家湾 /团结村京山县钱场、雁门口钟祥市团结村天门市/ 沙洋大桥沙洋大桥 / 郭场沙洋县沙洋、官垱、后港、拾回桥、十里铺当阳市河溶、两河、玉阳、王店郭场 / 伍家岗夷陵区鸦鹊岭伍家岗区伍家岗黄陂 / 河口黄陂区长轩岭、姚家集河口 /土岗大悟县宣化、吕王、河口穿越县市区原起点桩原止点桩现实际现起点桩现止点里程号号号号(km)K0+000K2+628 2.628K0+000K2+62K2+628K53+57049.562K2+628K52+19K53+570K61+8608.290K52+190K60+48K0+000K5+820 5.820K60+480K66+30K0+000K19+80019.800K0+000K19+80K19+800K47+42627.626K19+800K47+42K47+426K103+88656.460K47+426K103+8K103+886K116+84612.960K103+886K116+8K0+000K4+640 4.640K0+000K4+64K4+640K39+99035.350K4+640K39+99K39+990K102+30062.310K39+990K102+3K45+69K59+02713.337K102+300K115+6K0+000K26+76726.767K115+637K142+4K26+767K128+185101.418K142+404K243+8K128+185K177+94149.756K243+822K293+5K177+941K182+850 4.909K293+578K298+4K0+000K11+79011.790K298+487K310+2K0+000K7+7107.710K0+000K7+71K7+710K35+87028.160K7+710K35+87K0+000K17+46117.461K0+000K17+46K17+461K33+16915.708K17+461K33+16K0+000K5+066 5.066K0+000K5+06K5+356K68+48063.124K5+066K68+19K68+190K159+44291.252K68+190K159+4K43+700K60+68416.984K0+000K16+98K60+684K71+01810.496K16+984K27+48K70+018K113+83542.655K27+480K70+13K113+835K129+96016.125K70+135K86+26K129+960K170+84040.880K86+260K127+1K170+840K183+52912.689K127+140K139+8K183+529K193+85310.324K139+829K150+1K193+853K261+36367.510K150+153K217+6K261+363K326+28364.920K217+663K282+5K326+283355+49329.210K282+583K311+7K355+493K362+178 6.685K311+793K318+4K0+000K51+23051.230K0+000K51+23K51+230K106+75955.529K51+230K106+7湖北省省道交界桩号一览表穿越市州穿越县市区现线路现线路行政区原线路原行政编号名称名称名称等级武汉市阳福线省道S109阳福线黄冈市阳福线省道S110天孝线武汉市天孝线县道孝感市孝天线县道S111汉新线武汉市汉新线省道武汉市阳黄线省道阳黄省道京广线国道黄冈市明珠大道鄂黄大桥S112阳枫线鄂黄长江大桥县道鄂州市及接线鄂黄线省道鄂黄线省道城市道路黄石市黄富线省道富阳线省道富枫线县道S113武纸线武汉市武纸线省道S114武豹线武汉市武豹线国主中英线省道沪聂线国道黄冈市英浠线省道S201中大线浠大线省道黄石市浠大线省道大金线省道S202罗兰线黄冈市罗兰线省道S203长三线黄冈市长三线省道原起点桩原止点桩现实际现起点桩现止点桩里程号号号号( km)K0+000K40+61040.610K0+000K40+610K40+610K124+56983.959K40+610K124+569K0+000K18+40018.400K0+000K18+400K0+000K26+95026.950K18+400K45+350K0+000K53+04044.680K0+000K44+680K0+000K29+21031.900K0+000K31+900K29+210K54+72825.518K1244+250K1241+000 3.250K31+900K68+583K0+000K2+200K68+583K99+693K3+990K32+90028.910K32+900K34+900 2.0008.900K0+000K55+71055.710K99+693K194+353K0+000K4+800 4.800K0+000K23+25023.250K0+000K11+49011.490K0+000K11+490K0+000K16+37016.370K0+000K16+370K0+000K49+31049.310K745+900K742+150 4.000K0+000K68+04768.047K0+000K150+272K0+000K28+91528.810K28+915K57+48024.140K150+272K182+008K0+000K3+970 3.970K0+000K62+65462.654K0+000K62+654K0+000K62+92462.924K0+000K62+924起止(交界)行政区名称途经主要市镇名称点地名阳逻汽渡南岸新洲区阳逻、仓埠/ 仙人坟仙人坟 /福田口红安县太平桥、八里湾、觅儿寺、高桥、红安、七里坪天河机场黄陂区天河、祁家湾/ 界河桥界河桥 /孝感城孝南区祝站、三汊、孝感区黄陂区谌家矾汉口 / 新洲新洲区汪集、新洲阳逻 / 举水桥新洲区阳逻、双柳团风县团风黄州区褚城、黄州举水桥黄州区黄州/鄂黄长江大桥黄州区黄州黄州区黄州鄂黄长江大桥鄂城区/新闸鄂城区燕矶、杨叶市辖区市辖区西塞新闸 /枫林市辖区河口阳新县韦源口、黄颡口阳新县富池阳新县枫林李家桥 / 纸坊江夏区纸坊武东 /豹澥互通江夏区纵向线(南北向线)英山县石头咀、金家铺、孔家坊英山县中界岭英山县红山、温泉、方家咀、南河/黄石长江大桥浠水市绿杨、洗马、浠水浠水市市辖区黄石长江大桥市辖区下陆区/大冶马叫大冶市罗家桥、大治大冶市栗子坳 /兰溪罗田县罗田浠水市关口、浠水、兰溪长岭关 /三里畈麻城市木子店、张家畈罗田县三里畈原起点桩原止点桩现实际现起点桩现止点里程号号号号(km)K0+000K40+61040.610K0+000K40+6K40+610K124+56983.959K40+610K124+5K0+000K18+40018.400K0+000K18+4K0+000K26+95026.950K18+400K45+3K0+000K11+80011.800K0+000K11+8K11+800K53+04032.880K11+800K44+6K0+000K29+21031.900K0+000K31+9K29+210K38+8889.678K31+900K41+5K38+888K54+72815.840K41+578K57+4K1244+250K1241+000 3.250K57+418K60+6K60+668K66+9K66+978K68+5K0+000K2+200K68+583K70+7K3+990K32+90028.910K70+783K99+6K32+900K34+900 2.000K99+693K101+68.900K101+693K110+5K0+000K17+21017.210K110+593K127+8K17+210K55+71038.500K127+803K166+3K0+000K4+800 4.800K166+303K171+1K0+000K23+25023.250K171+103K194+3K0+000K11+49011.490K0+000K11+4K0+000K16+37016.370K0+000K16+3K0+000K49+31049.310K0+000K49+3K745+900K742+150 4.000K49+310K53+3K0+000K27+19227.192K53+310K80+5K27+192K68+04740.855K80+502K121+3K0+000K28+91528.810K121+357K150+2K28+915K32+540K150+272K153+8K32+540K47+63014.290K153+897K168+1K47+630K57+4809.850K168+187K178+0K0+000K3+970 3.970K178+037K182+0K0+000K11+84011.840K0+000K11+8K11+840K62+65450.814K11+840K62+6K0+000K47+81747.817K0+000K47+8K47+817K62+92415.107K47+817K62+9现线路编号S204 S205 S206 S207 S208 S209 S210S211现线路行政区原线路原行政名称名称名称等级梅武线黄冈市梅武线省道下蕲线黄冈市下蕲线省道麻新线黄冈市麻新线县道上砂线黄冈市上砂线省道横路线咸宁市横路线省道咸通线咸宁市咸通线省道平洑线随州市平洑线省道孝感市平洑线省道云化线省道云长线孝感市汉宜线省道原起点桩原止点桩现实际现起点桩现止点桩起止(交界)里程号号号号点地名( km)K0+000K38+50038.500K0+000K38+500梅川 /武穴K0+000K92+01092.010K0+000K92+010下界岭 /蕲州K0+000K58+45058.450K0+000K58+450麻城车站 /新桥K0+000K14+83714.837K0+000K14+837上巴河 /砂子岗K0+000K51+28251.282K0+000K51+282横沟桥 /路口K0+000K24+00024.000K0+000K24+000毛坪 /城关加油站K0+000K52+80052.800K0+000K52+800平靖关 /观音坡K52+800K70+27017.470K52+800K70+270观音坡 /洑水K0+000K13+54113.658K75+600K76+443K0+000K24+871云梦城区/应城长江埠行政区名称途经主要市镇名称武穴市大金、石佛寺蕲春县檀林、大同、张坊、青石、刘河、蕲春麻城市白果、夫子河罗田县团风县上巴河黄州区陈策楼咸安区马桥、桂花崇阳县路口咸安区白沙通山县通羊广水市应山、骆店、陈巷安陆市接官、洑水云梦县隔蒲潭应城市应城市原起点桩原止点桩现实际现起点桩现止点里程号号号号(km)K0+000K38+50038.500K0+000K38+5K0+000K92+01092.010K0+000K92+0K0+000K41+75041.750K0+000K41+7K41+750K58+45016.700K41+750K58+4K0+000K4+167 4.167K0+000K4+16K4+167K14+83710.670K4+167K14+8K0+000K35+48235.482K0+000K35+4K35+482K51+28215.800K35+482K51+2K0+000K10+35010.350K0+000K10+3K10+350K24+00013.650K10+350K24+0K0+000K52+80052.800K0+000K52+8K52+800K70+27017.470K52+800K70+2K0+000K11+41311.413K0+000K11+4K11+413K13+541 2.245K11+413K13+6K75+600K76+443S212 S213 S214 S215老长线省道小随线省道随州市福兰线国道小应线随南线省道随应线省道荆门市随应线省道孝感市随应线省道天门市皂毛线省道皂毛线仙桃市皂毛线省道仙桃市仙洪线省道仙洪线省道荆州市蒲洪线省道仙崇线蒲洪线省道咸宁市京深线国道赤崇线县道仙桃市仙监线省道仙监线仙监线省道荆州市K0+000K10+37010.370K0+000K92+30092.300K0+000K154+944小林 /周家湾K0+000K3+850 3.850K0+000K57+89057.890K57+890K119+61461.724K154+944K216+668周家湾 /田店K119+614K140+58420.970K216+668K237+638田店 /应城K0+000K48+35348.353K0+000K48+353李场/ 岳口汉江大桥K47+631K62+78215.524K48+353K63+877岳口汉江大桥/毛咀镇K0+000K23+53022.794K0+000K22+794仙桃城区/白庙大桥K22+794K73+88051.086K22+794K91+370白庙大桥/赤壁渡口K59+027K40+490 4.153K40+490K0+00039.447K1442+050K1444+200K91+370K166+288赤壁渡口 /鹿门K0+000K39+80033.321K0+000K31+72031.636K0+000K31+720张沟镇 /北口大K31+636K81+21649.580K31+636K81+216桥北口大桥 /红城应城市长江埠云梦县曾都区草店、殷店、高城、万店曾都区随州曾都区随州曾都区均川、柳林京山县三阳、宋河、罗店应城市田店、应城天门市九真、天门、候口、岳口仙桃市郑场、毛咀仙桃市张沟镇洪湖市峰口、汊河、滨湖、洪湖洪湖市胡范办事处洪湖市赤壁市赤壁、车埠赤壁市赤壁市崇阳县仙桃市郭河镇、沔城镇、通海口镇监利县网市、龚场、周老嘴K0+000K9+8209.820K14+501K24+3K9+820K10+3700.550K24+321K24+8K0+000K92+30092.300K0+000K92+3K0+000K3+850 3.850K93+204K97+0K0+000K57+89057.890K97+054K154+9K57+890K119+61461.724K154+944K216+6K119+614K140+58420.970K216+668K237+6K0+000K48+35348.353K0+000K48+3K47+631K62+78215.524K48+353K63+8K0+000K23+53022.794K0+000K22+7K22+794K73+88051.086K22+794K73+8K59+027K45+690K73+880K87+2K45+690K40+490 4.153K87+217K91+3K40+490K0+00039.447K91+370K130+8K1442+050K1444+200K130+817K132+9K0+000K16+52116.521K132+967K149+4K23+000K39+80016.800K149+488K166+2K0+000K31+72031.636K0+000K31+7K31+636K81+21649.580K31+636K81+2现线路现线路行政区原线路原行政编号名称名称名称等级襄樊市寺沙线省道S216寺沙线随州市寺沙线省道荆门市寺沙线省道S217新樊线襄樊市新樊线省道襄洪线县道峪板线县道峪板线县道襄樊市新马线县道S218襄钟线板马线县道流水街道乡道流丰线乡道北流线县道荆门市长胡线县道荆门市荆潜线省道S219荆新线潜江市荆潜线省道后新线省道荆州市后新线省道S220秦黄线荆州市秦黄线省道S221公石线荆州市公石线省道S222石开线襄樊市石开线省道襄樊市保宜线省道S223保宜线宜昌市保宜线省道S224荷当线宜昌市荷当线省道宜昌市雅澧线省道S225雅澧线荆州市雅澧线省道S226港黄线荆州市港黄线省道S227老武线十堰市老武线省道S228郧羊线十堰市郧羊线省道S229白竹线十堰市白竹线省道S230庙郧线十堰市郧庙线县道原起点桩原止点桩现实际现起点桩现止点桩起止(交界)里程号号号号点地名( km)K0+000K74+73074.730K0+000K74+730寺庄 /洪山K74+730K106+81832.088K74+730K106+818洪山 /柳树店K106+818K222+478115.660K106+818K222+478柳树店 /七里湖K0+000K32+98032.980K0+000K32+980黄渠河 /曹湾K0+000K29+70029.700K0+000K19+61719.617K19+617K22+200 2.700清河一桥K0+000K12+95012.950K0+000K93+229/荆门流水镇于K30+000K53+62023.620家湖K0+000K1+012 1.012K0+000K3+700 3.700K43+944K55+960流水镇于家湖28.285K93+299K121+584K0+000K16+269/ 长寿镇黄坡村K3+218K71+85068.632K0+000K68+632迎春转盘 /东风桥K71+637K92+46720.830K68+632K130+462东风桥 /铁匠沟K0+000K41+00041.000K41+000K77+94036.940K130+462K167+402铁匠沟 /新厂镇K0+000K58+25058.250K0+000K58+250秦市 /黄山庙K0+000K105+966105.966K0+000K105+966占桥村 /石关堰K0+000K57+27457.274K0+000K57+274石花镇 /开峰峪K0+000K103+250103.250K0+000K103+250牌坊湾 /栗树垭K103+250K183+24479.994K103+250K183+244粟树垭 / 黄花K0+000K75+50075.500K0+000K75+500苟家垭 / 当阳雅畈K0+000K45+86845.868K0+000K45+868/ 松宜灯矿甘沟河K45+868K74+69128.823K45+868K74+691松宜灯矿甘沟河/澧松桥头K0+000K37+66137.661K0+000K37+661港关 /黄山头镇K0+000K25+00025.000K0+000K25+000武当山特区/乌鸦岭K0+000K48+60048.600K0+000K48+600大转盘 /羊尾渡口K56+200K124+26068.060K56+200K124+260界岭 /水坪镇K0+000K41+55041.550K0+000K41+550庙垭 /大堰行政区名称途经主要市镇名称枣阳市太平、枣阳、吴店曾都区洪山钟祥市张集、洋梓、钟祥、旧口襄阳区古驿襄阳区东津襄阳区峪山宜城市板桥镇宜城市板桥镇、襄南监狱宜城市流水镇宜城市流水镇宜城市流水镇丰乐镇钟祥市长寿镇掇刀区麻城沙洋县沈集、高阳、沙洋、李市潜江市广华潜江市龙湾、张金江陵县普济石首市新厂江陵县秦市石首市横市、新厂、石首、高基庙公安县麻濠口、藕池镇石首市石首、东升、调关、桃花山谷城县石花镇保康县保康县后坪、马良、店垭远安县荷花夷陵区分乡、黄花远安县旧县、远安、花林寺当阳市当阳枝江市顾家店宜都市枝城、松木坪松滋市刘家场公安县孟家溪、甘家厂、黄山头丹江口市武当山郧西县观音、涧池、胡家营、羊尾竹山县得胜竹溪县水坪郧县大柳原起点桩原止点桩现实际现起点桩现止点里程号号号号(km)K0+000K74+73074.730K0+000K74+7K74+730K106+81832.088K74+730K106+8K106+818K222+478115.660K106+818K222+4K0+000K32+98032.980K0+000K32+9K0+000K29+70029.700K0+000K29+7K0+000K19+61719.617K29+700K49+3K19+617K22+200 2.700K49+317K52+0K0+000K12+95012.950K52+017K64+9K30+000K53+62023.620K64+967K88+5K0+000K1+012 1.012K88+587K89+5K0+000K3+700 3.700K89+599K93+2K43+944K55+96012.016K93+299K105+3K0+000K16+26916.269K105+315K121+5K3+218K17+40014.182K0+000K14+1K17+400K71+85054.450K14+182K68+6K71+637K92+46720.830K68+632K89+4K0+000K41+00041.000K89+462K130+4K41+000K72+4431.440K130+462K161+9K72+44K77+94 5.500K161+902K167+4K0+000K6+164 6.164K0+000K6+16K6+164K58+25052.086K6+164K58+2K0+000K50+83250.832K0+000K50+8K50+832K105+96655.134K50+832K105+9K0+000K51+17051.170K0+000K51+1K51+170K57+274 6.104K51+170K57+2K0+000K103+250103.250K0+000K103+2K103+250K143+50040.250K103+250K143+5K143+500K183+24439.744K143+500K183+2K0+000K53+10053.100K0+000K53+1K53+100K75+50022.400K53+100K75+5K0+000K15+13815.138K0+000K15+1K15+138K45+86830.730K15+138K45+8K45+868K74+69128.823K45+868K74+6K0+000K37+66137.661K0+000K37+6K0+000K25+00025.000K0+000K25+0K0+000K48+60048.600K0+000K48+6K56+200K113+52057.320K56+200K113+5K113+520K124+26010.740K113+520K124+2K0+000K41+55041.550K0+000K41+5现线路编号S231 S232S233 S234 S235 S236S237 S238S239 S240 S241 S242S243S244 S245现线路行政区原线路原行政名称名称名称等级东大线恩施州东大线省道椒石线恩施州椒石线省道恩鹤线恩施州恩鹤线县道熊许线黄冈市熊许线省道武汉市熊许线省道福兰线国道十两线十堰市呼北线国道鲍竹线省道鲍双线十堰市福兰线国道竹向线省道泉双线县道富阳线黄石市富阳线省道兴界线十堰市兴界线省道汽李线鄂州市京广线国道汽李线省道圻孔省道蕲龙线黄冈市京珠线国道五费线县道方团线黄冈市方团线省道王渔线宜昌市王渔线省道孝感市大安线省道安京线省道大天线安京线省道城市道荆门市路京天线省道天门市京天线省道马北线孝感市马北线县道巴鹤线恩施州巴鹤线省道原起点桩原止点桩现实际现起点桩现止点桩里程号号号号( km)K0+000K33+40032.490K0+000K32+490K0+000K101+26099.325K0+000K99+325K0+000K160+237160.237K0+000K160+237K0+000K8+5628.562K0+000K8+562K8+562K22+71213.717K8+562K22+27913.344K0+000K13+344K1359+682K1436+40076.718K13+344K90+062K0+000K92+75092.750K1718+169K1721+65 3.481K0+000K255+721K1+000K123+000122.500K164+410K201+30036.990K4+800K36+80032.000K0+000K32+000K0+000K131+800132.200K0+000K132+200K1257+582K1256+082 1.500K0+000K45+220K0+000K43+72043.720K0+000K71+73271.732K0+000K90+132K1509+773K1505+446K0+000K14+07314.073K0+000K9+1309.130K0+000K9+130K0+000K106+127106.127K0+000K106+127K0+000K71+77671.776K0+000K106+766K0+000K34+99034.990K35+357K91+82756.4700.501K106+766K188+853K0+000K25+11625.116K25+116K43+82118.705K188+853K207+558K0+000K18+80018.800K0+000K18+800K0+000K30+50030.500K0+000K198+194起止(交界)行政区名称途经主要市镇名称点地名东流水 /大支坪巴东县绿葱坡椒园 /石门坎宣恩县晓关咸丰县咸丰恩施土桥坝 /鹤恩施市三岔峰两河口宣恩县椿木营鹤峰县中营熊家湾 /长岭岗红安县长岭岗 / 许家桥黄陂区蔡家榨十堰白浪 / 垭子十堰市白浪垭子 /两河口十堰市大川镇房县土城郧县鲍峡竹山县双台鲍峡 /双桥长岭竹山县竹山沟竹山县竹山、田家坝、官渡、柳林竹溪县老渡口 /阳新阳新县陶港兴丰村 /界梁竹溪县泉溪、丰溪汽车中心站鄂城区/沼山镇梁子湖区杜山、东沟、沼山蕲春县蕲州武穴市田镇、武穴、龙坪蕲州 /龙感湖总黄梅县蔡山场黄梅县孔垄龙感湖农场龙感湖方高坪 /得胜桥团风县长阳县龙舟坪、长阳、大堰王子石 / 渔洋关五峰县渔洋关大悟县阳平、芳畈大悟城区 /袁河孝昌县花园桥安陆市陈店、安陆安陆市雷公京山县坪坝、宋河、京山袁河桥京山县城区/京山县界牌湾京山县钱场京山界牌天门市石河、天门/ 汉北一桥汉川马口镇 /北汉川市南河河巴东县杨家槽巴东县/鹤峰原起点桩原止点桩现实际现起点桩现止点里程号号号号(km)K0+000K33+40032.490K0+000K32+49K0+000K38+00037.875K0+000K37+87K38+000K101+26061.450K37+875K99+32K0+000K95+00095.000K0+000K95+00K95+000K116+00021.000K95+000K116+0K116+000K160+23744.237K116+000K160+2K0+000K8+5628.562K0+000K8+56K8+562K22+71213.717K8+562K22+27K1359+682K1393+37033.688K0+000K33+68K1393+370K1436+40043.030K33+688K76+71K0+000K36+60036.600K0+000K36+60K36+600K92+75056.150K36+600K92+75K1718+169K1721+650 3.481K92+750K96+23K1+000K123+000122.500K96+231K218+7K164+410K201+30036.990K218+731K255+7K4+800K36+80032.000K0+000K32+00K0+000K131+800132.200K0+000K132+2K1257+582K1256+082 1.500K0+000K1+50K0+000K43+72043.720K1+500K45+22K0+000K11+00011.000K0+000K11+00K11+000K55+01044.010K11+000K55+01K55+010K71+73216.722K55+010K71+73K1509+773K1505+446K0+000K14+07314.073K76+059K90+13K0+000K9+1309.130K0+000K9+13K0+000K92+80092.800K0+000K92+80K92+800K106+12713.327K92+800K106+1K0+000K21+94621.946K0+000K21+94K21+946K59+77637.830K21+946K59+77K59+776K71+77612.000K59+776K71+77K0+000K34+99034.990K71+776K106+7K35+357K91+82756.470K106+766K163+20.501K163+236K163+7K0+000K25+11625.116K163+737K188+8K25+116K43+82118.705K188+853K207+5K0+000K18+80018.800K0+000K18+80K0+000K30+50030.500K0+000K30+50湖北省省道交界桩号一览表穿越市州穿越县市区现线路现线路行政区原线路原行政编号名称名称名称等级S245巴鹤线恩施州原起点桩原止点桩现实际现起点桩现止点桩里程号号号号( km)K0+000K198+194起止(交界)行政区名称途经主要市镇名称巴东县杨家槽点地名/鹤峰原起点桩原止点桩现实际现止点桩现起点桩号号里程号号(km)沪聂线国道S245巴鹤线恩施州巴鹤线省道S246白界线咸宁市白界线省道S247潜监线潜江市潜监线省道荆州市潜监线省道利咸线省道椒石线省道S248利智线恩施州咸来线省道来智线省道S249奉利线恩施州利奉线县道襄樊市宜东线省道S250宜远线南远线省道宜昌市南远线省道襄樊市南远线省道荆东线省道S251南荆线荆东线省道荆门市安居线县道新月线K1429+145K1434+745K30+500K192+510162.094K0+000K198+194K0+000K54+30054.300K0+000K54+300K0+000K46+68046.680K0+000K46+680K46+680K61+91015.230K46+680K61+910K0+000K119+485119.485K67+483K62+833K0+000K233+085K0+000K50+00050.000K0+000K58+95058.950K0+000K51+90051.900K0+000K51+900K0+000K85+95085.950K0+000K100+050K77+600K91+70014.100K91+700K131+15039.450K100+050K139+500K0+000K85+90077.600K0+000K88+820K66+490K63+570 2.920K0+000K76+80076.800K88+820K170+5400.900K4+020K0+000 4.020巴东县巴东县杨家槽巴东县野三关、金果坪/鹤峰鹤峰县邬阳、下坪白霓镇 /界上崇阳县港口、金塘泽口码头潜江市泽口、潜江、杨市、渔洋/新沟大桥新沟大桥 /揭家监利县新沟利川市东城、元堡、毛坝咸丰县黄金洞、清坪咸丰县咸丰利川 /智勇关咸丰县忠堡来凤县三胡来凤县绿水、漫水、百福司土地垭 /小青垭利川市柏杨宜城市鄢城、雷河宜城鄢城 /曾家南漳县港宜城市刘猴镇南漳县南漳县曾家港 / 汪家远安县茅坪场关庙 /砂子岭南漳县肖堰、东巩镇南漳县东宝区马河南漳沙子岭掇刀区掇刀东宝区/ 荆门新生转盘东宝区荆门城区东宝区荆门城区K1429+145K1434+745 5.600K30+500K129+42098.962K36+100K135+0K129+420K192+51063.132K135+062K198+1K0+000K54+30054.300K0+000K54+30K0+000K46+68046.680K0+000K46+68K46+680K61+91015.230K46+680K61+91K0+000K50+68550.685K0+000K50+68K50+685K119+48568.800K50+685K119+4K67+483K62+833K119+485K124+1K0+000K20+00020.000K124+135K144+1K20+000K50+00030.000K144+135K174+1K0+000K58+95058.950K174+135K233+0K0+000K51+90051.900K0+000K51+90K0+000K19+67519.675K0+000K19+67K19+675K28+0958.420K19+675K28+09K28+095K49+32521.230K28+095K49+32K49+325K85+95036.625K49+325K85+95K77+600K91+70014.100K85+950K100+0K91+700K131+15039.450K100+050K139+5K0+000K85+90077.600K0+000K85+90K66+490K63+570 2.920K85+900K88+82K80+820K14+90061.900K88+820K150+7K14+900K6+0008.900K150+720K159+6K6+000K0+000 6.000K159+620K165+60.900K165+620K166+5K4+020K0+000 4.020K166+520K170+5襄樊市保兴线省道S252保兴线宜昌市保兴线省道白峡线省道宋菱线县道S253两江线宜昌市江富线县道宜昌市红东线省道S254红东线荆州市红东线省道K0+000K26+19026.190K0+000K26+190K26+190K100+29074.100K26+190K108+560K8+270K0+0008.270K0+000K14+01014.010K0+000K33+412K0+000K19+40219.402K0+000K37+20035.000K0+000K37+200K37+200K112+20675.006K37+200K112+206欧店 /温家垭保康县温家垭 / 白沙河兴山县榛子、黄粮坪兴山县高阳当阳市两河口宋家屋场 / 江口草埠湖草埠湖枝江市江口红花套 / 洋溪宜都市红花套、高坝洲、陆城、(车阳河)枝城松滋市陈店、松滋、南海、车阳河桥头街河口、杨林市/东岳庙K0+000K26+19026.190K0+000K26+19K26+190K100+29074.100K26+190K100+2K8+270K0+0008.270K100+290K108+5K0+000K8+1008.100K0+000K8+10K8+100K14+010 5.910K8+100K14+01K19+402K13+172 6.230K14+010K20+24K13+172K0+00013.172K20+240K33+41K0+000K37+20035.000K0+000K37+20K37+200K107+98670.786K37+200K107+9湖北省省道交界桩号一览表现线路编号S254 S255 S256 S301 S302 S303 S304S305 S306 S307现线路名称红东线峡堡线窑马线郧漫线孟土线襄谷线宋长线襄关线随南线白茨线行政区原线路原行政名称名称等级荆州市红东线省道宜秭线省道宜昌市香堡线省道宜昌市窑马线省道十堰市郧漫线省道锡海线国道襄樊市樊丹线省道樊丹线省道十堰市丹土线省道襄樊市锡海线国道黄冈市宋应线省道孝感市宋应线省道宋应线省道随州市十长线县道襄樊市福兰线国道十堰市福兰线国道随州市随南线省道襄樊市随南线省道襄樊市白红线省道神农架白红线省道林区八茨线县道穿越市州原起点桩原止点桩现实际现起点桩现止点桩里程号号号号( km)K37+200K112+206K37+200K112+20675.006K136+200K169+09226.100K0+000K92+156K0+000K66+05666.056K0+000K42+56342.563K0+000K42+563K0+000K140+000140.000K0+000K140+000K1775+000K1795+34820.348K0+000K41+428K71+700K92+78021.080K92+780K96+580 3.800K41+428K69+278K3+800K29+15024.050K1889+237K1816+10076.330K0+000K76+330K0+000K55+42855.428K0+000K55+428K55+230K108+82053.590K55+428K109+018K109+018K132+80023.782K109+018K166+167K0+000K33+36733.367K1435+000K1604+511166.322K0+000K166+322K1604+511K1838+511210.491K166+322K380+554K3+850K80+35475.504K0+000K76+504K81+850K192+881111.031K76+504K187+535K0+000K57+10057.100K0+000K57+100K57+100K96+18043.080K0+000K15+70015.700K57+100K115+880起止(交界)行政区名称途经主要市镇名称点地名车阳河桥头/东岳庙公安县兴山县峡口秭归县香溪峡口 / 堡镇秭归县卜庄河、观音阁、芝兰长阳县野竹山、堡镇窑湾 / 马家店当阳市窑湾、半月枝江市问安、仙女庙横向线(东西向线)郧县城关郧县青曲河夹、郧西、土门、香口、/漫川关砂沟口郧西县上津孟楼镇 /拐子沟老河口市孟楼光化拐子沟 /土关垭丹江口市洪山咀丹江口市丹江口、三官殿、土关垭汉江二桥 /三岔襄城区檀溪襄阳区泥咀路谷城县茨河、庙滩、城关宋埠 /解放大桥麻城市红安县永佳河、红安、二程、上新集解放大桥 /白庙大悟县河口、刘集、夏店、新城、城关白庙 /长岭广水市广水、十里广水市骆店襄城区尹集真武山 /珠藏洞南漳县九集镇、城关、长坪保康县黄堡、城关、寺坪房县榔口、青峰、城关、红塔、军店、化龙堰、窑淮珠藏洞 /关垭竹山县文峰、城关、潘口、溢水、麻家渡、宝丰竹溪县县河、水坪、城关、中峰、蒋家堰随州 /邓家岗曾都区安居、澴潭、洪山邓家岗枣阳市新集宜城市板桥店、南营、鄢城/南漳城关镇南漳县武安、城关白果树坪 /鱼头保康县歇马、欧店、马桥河神农架林区阳日镇、松柏镇鱼头河 /茨芥坪神农架林区穿越县市区原起点桩原止点桩现实际现起点桩现止点里程号号号号(km)K107+986K112+206 4.220K107+986K112+2K136+200K140+674 4.474K0+000K4+47K140+674K169+09221.626K4+474K26+10K0+000K57+78657.786K26+100K83+88K57+786K66+0568.270K83+886K92+15K0+000K20+22020.220K0+000K20+22K20+220K42+56322.343K20+220K42+56K0+000K39+29039.290K0+000K39+29K39+290K140+000100.710K39+290K140+0K1775+000K1795+34820.348K0+000K20+34K71+700K92+78021.080K20+348K41+42K92+780K96+580 3.800K41+428K45+22K3+800K29+15024.050K45+228K69+27K1889+237K1877+84711.390K0+000K11+39K1877+847K1860+94517.000K11+390K28+39K1860+945K1816+10047.940K28+390K76+33K0+000K5+320 5.320K0+000K5+32K5+320K55+42850.108K5+320K55+42K55+230K108+82053.590K55+428K109+0K109+018K132+80023.782K109+018K132+8K0+000K33+36733.367K132+800K166+1K1435+000K1452+08717.087K0+000K17+08K1452+087K1534+19683.924K17+087K101+0K1534+196K1604+51165.311K101+011K166+3K1604+511K1696+17191.400K166+322K257+9K1696+431K1770+83173.251K257+982K334+7K1770+831K1838+51145.840K334+714K380+5K3+850K80+35475.504K0+000K76+50K81+850K98+48016.630K76+504K93+13K98+480K159+39760.917K93+134K154+0K159+397K192+88133.484K154+051K187+5K0+000K57+10057.100K0+000K57+10K57+100K96+18043.080K57+100K100+1K0+000K15+70015.700K100+180K115+8S308黄标线黄梅县大河黄冈市黄标线省道K0+000K121.789 118.292K0+000K121.789黄梅/标云岗武穴市梅川K0+000K11+81810.921K0+000K11+8K11+818K47+84836.030K11+818K47+8现线路现线路行政区原线路原行政编号名称名称名称等级S308黄标线黄冈市黄标线省道S308黄标线黄冈市黄标线省道S309胜麻线黄冈市胜麻线省道S310黄孝线武汉市黄孝线省道孝感市黄孝线省道孝感市分王线县道乡道天门市皂垌线县道皂当线省道S311分当线荆门市皂当线省道宜昌市皂当线省道发展城市道路大道宜秭线省道S312宜兴线宜昌市王学线县道宜秭线省道白峡线省道保兴线省道兴观线县道S313黄新线黄石市黄新线省道黄石市铁贺线省道S314铁贺线鄂州市铁贺线省道黄石市铁贺线省道武汉市铁贺线省道河韦线乡道西三线县道大韦线县道S315河金线黄石市京广线国道浠大线省道马四线县道大金线省道S316界浮线黄石市界浮线省道湖北省省道交界桩号一览表穿越市州原起点桩原止点桩现实际现起点桩现止点桩起止(交界)里程行政区名称途经主要市镇名称号号号号点地名118.292K0+000K121.789K0+000K121.789黄梅 /标云岗( km)蕲春县漕河、横车K0+000K121.789118.292K0+000K121.789黄梅 /标云岗浠水县丁司垱、清泉、竹瓦团风县上巴河罗田县K0+000K68+57068.322K0+000K68+570胜利 /麻城麻城市K0+000K24+20024.130K0+000K24+130黄陂 / 界河黄陂区K24+200K54+19229.992K24+130K54+122界河 /孝感城区孝南区杨店、西河、新铺K0+000K38+30038.300K0+000K39+300汉川分水镇 /垌汉川市韩集、新堰、垌塚K0+000K1+000 1.000塚汉川市垌塚K13+086K0+00013.086K39+300K58+232垌塚 /京山邓李天门市胡市K0+000K5+846 5.846皂市京山县曹武、永兴、新市、孙桥钟祥市东桥、九里、郢中、文集、京山县邓李冷水K5+846K174+654159.168K58+232K227+040/掇刀区谢花桥东宝区牌楼掇刀区掇刀东宝区漳河K174+654K203+18428.530K227+040K255+570谢花桥 / 当阳当阳市淯溪、庙前K0+000K8+4508.450市辖区夷陵区K10+300K136+20072.566夷陵区黄花、雾渡河兴山县K0+000K12+11512.115K0+000K155+018廖家湾 /古夫兴山县K105+157K136+20031.037兴山县K21+500K8+27013.230兴山县峡口K100+290K98+670兴山县高阳K0+000K16+00016.000兴山县高阳K0+000K10+82010.820K0+000K10+820黄石 /新下陆黄石市新下陆K0+000K20+52820.528K0+000K20+528铁山 /下柯市辖区铁山大冶市还地桥、保安K20+528K43+50022.972K20+528K43+500下柯 /牛石梁子湖区沼山、太和K43+500K54+91211.412K43+500K54+912牛石 /邬家桥大冶市金牛K54+912K73+50218.590K54+912K73+502邬家桥 / 贺胜桥江夏区湖泗K0+000K5+300 5.300阳新县K10+30K20+30010.000阳新县韦源口K26+920K0+00026.920阳新县太子、大王大冶市大箕铺K1306+218K1308+418K0+000K88+950河口 /金牛大冶市K60+580K63+680 3.100大冶市金湖K0+000K4+330 4.330大冶市陈贵、灵乡K3+970K41+07037.100大冶市金牛K0+000K64+90064.900K0+000K64+900界首 /浮屠街阳新县浮屠街穿越县市区原起点桩原止点桩现实际现起点桩现止点里程号号号号(km)K47+848K72+99822.550K47+848K72+99K72+980K116+41843.420K72+980K116+4K116+418K121+789 5.371K116+418K121+7K0+000K8+4308.430K0+000K8+43K8+430K68+57059.892K8+430K68+57K0+000K24+20024.130K0+000K24+13K24+200K54+19229.992K24+130K54+12K0+000K38+30038.300K0+000K38+30K0+000K1+000 1.000K38+300K39+30K13+086K0+00013.086K39+300K52+38K0+000K5+846 5.846K52+386K58+23K5+846K63+42257.576K58+232K115+8K63+422K133+72170.299K115+808K186+1K133+721K143+17620.359K186+107K195+5K143+176K163+720K195+562K216+1K163+720K174+65410.934K216+106K227+0K174+654K203+18428.530K227+040K255+5K0+000K4+000 4.000K0+000K4+00K4+000K8+450 4.450K4+000K8+45K10+300K77+73467.434K8+450K75+88K77+734K82+866 5.132K75+884K81+01K0+000K12+11512.115K81+016K93+13K105+157K136+20031.037K93+131K124+1K21+500K8+27013.230K124+168K137+3K100+290K98+670K137+398K139+0K0+000K16+00016.000K139+018K155+0K0+000K10+82010.820K0+000K10+82K1+000K3+000 3.000K1+000K3+00K3+000K20+52817.528K3+000K20+52K20+528K43+50022.972K20+528K43+50K43+500K54+91211.412K43+500K54+91K54+912K73+50218.590K54+912K73+50K0+000K5+300 5.300K0+000K5+30K10+300K20+30010.000K5+300K15+30K3+720K26+92023.200K15+300K38+50K0+000K3+720 3.720K38+500K42+22K1306+218K1308+418K42+220K44+42K60+580K63+680 3.100K44+420K47+52K0+000K4+330 4.330K47+520K51+85K3+970K41+07037.100K51+850K88+95K0+000K64+90064.900K0+000K64+90湖北省省道交界桩号一览表穿越市州穿越县市区现线路现线路行政区原线路原行政编号名称名称名称等级S317沿横线黄石市沿横线省道咸宁市沿横线省道S318猇夜线宜昌市汉宜高速公路S319崇赵线咸宁市崇赵线省道S320南大线咸宁市南大线省道武汉市水银线县道湘一线县道S321汉仙线仙桃市仙汉线县道荆州市沙刘线省道S322沙渔线刘渔线县道宜昌市渔刘线县道沪聂线国道S323虎周线宜昌市沪聂线国道S324白下线宜昌市白下线省道鸦来线省道宜昌市陆高线县道S325鸦来线五聂线县道望渔线省道鸦来线省道恩施州鸦来线省道S326利鱼线恩施州沪聂线国道汪鱼线省道S327巴巫线恩施州巴巫线县道S328牛程线随州市牛程线省道原起点桩原止点桩现实际现起点桩现止点桩起止(交界)里程号号号号点地名( km)K0+000K39+41039.410K0+000K39+410沿埠头 /向阳村K39+410K78+74339.333K39+410K78+743向阳村 /横沟桥K285+794K304+20718.413K0+000K18+413猇亭区界 /夜明珠K0+000K40+71040.710K0+000K40+710天城 /赵李桥K0+000K50+70050.700K0+000K50+700南岭 /大界K0+000K1+400 1.400K0+000K10+056水洪乡K0+000K8+4308.656/ 一冶农场K0+000K51+42061.000K10+056K71+056大垸子闸/仙桃何李桥K0+000K91+47089.020K0+000K112+840荆南村/松滋观音淌K0+000K25+82023.820K0+000K45+75045.750K112+840K158+590观音淌 / 渔洋关K1255+484K1258+992 3.508K1258+992K1265+392 6.400K0+000K18+88418.884K0+000K59+922虎牙 / 周符口K1284+292K1311+50727.215K1311+507K1315+422 3.915K0+000K16+50013.290K0+000K16+500白氏坪 / 下渔口K0+000K38+22638.226K0+000K15+00015.000K0+000K243+350鸦鹊岭鸦白路口/ 界牌树K0+000K7+5007.500K12+900K48+63135.718K110+344K257+240146.906257.24377.029119.789K243+350K363+139界牌树 /当阳坪K1663+232K1689+64426.412K0+000K52+882利川西门桥西/鱼泉口K0+000K26+46726.470K0+000K59+78759.787K0+000K59+787溪丘湾 /巫山县界K0+000K113+137113.137K0+000K113+137牛角冲 /程湾行政区名称途经主要市镇名称阳新县三溪咸安区双溪桥伍家岗区西陵区崇阳县桂花泉赤壁市赵李桥通城县麦市、七里山、隽水、石南、北港汉南区汉南汉南区仙桃市沙湖镇、彭场镇公安县埠河荆州区弥市松滋市沙道观、八宝、新江口、王家桥、斯家场松滋市刘家场五峰县仁和坪猇亭区虎牙市辖区伍家岗市辖区夷陵长江大桥市辖区朱市街长阳县赤土垭、周佛口长阳县白氏坪、津洋口夷陵区鸦鹊岭枝江市安福寺、白洋宜都市陆城宜都市五眼泉宜都市聂家河宜都市潘家湾五峰县渔洋关五峰县长乐坪、五峰、湾潭鹤峰县燕子、容美、太坪宣恩县沙道沟利川市凉务山利川市汪营巴东县沿渡河广水市蔡河、郝店、吴店曾都区岩子河、殷店、天河口、新城原起点桩原止点桩现实际现起点桩现止点里程号号号号(km)K0+000K39+41039.410K0+000K39+41K39+410K78+74339.333K39+410K78+74K285+794K292+476 6.682K0+000K6+68K292+476K304+20711.731K6+682K18+41K0+000K24+51024.510K0+000K24+51K24+510K40+71016.200K24+510K40+71K0+000K50+70050.700K0+000K50+70K0+000K1+400 1.400K0+000K1+40K0+000K8+4308.656K1+400K10+05K0+000K51+42061.000K10+056K71+05K0+000K13+37710.927K0+000K10+92K13+377K28+61015.233K10+927K26+16K28+610K91+47062.860K26+160K89+02K0+000K25+82023.820K89+020K112+8K0+000K45+75045.750K112+840K158+5K1255+484K1258+992 3.508K0+000K3+50K1258+992K1265+392 6.400K3+508K9+90K0+000K18+88418.884K9+908K28+79K1284+292K1311+50727.215K28+792K56+00K1311+507K1315+422 3.915K56+007K59+92K0+000K16+50013.290K0+000K16+50K0+000K5+446 5.446K0+000K5+44K5+446K30+62625.180K5+446K30+62K30+626K38+2267.600K30+626K38+22K0+000K15+00015.000K38+226K53+22K0+000K7+5007.500K53+226K60+72K12+900K39+58326.670K60+726K87+39K39+583K48+6319.048K87+396K96+44K110+344K257+240146.906K96+444K243+3K257+240K340+10582.865K243+350K326+2K340+105K377+02936.924K326+215K363+1K1663+232K1689+64426.412K0+000K26+41K0+000K26+46726.470K26+412K58+88K0+000K59+78759.787K0+000K59+78K0+000K39+00039.000K0+000K39+00K39+000K113+13774.137K39+000K113+1。
施工便道水土保持施工设计方案施工便道水土保持施工设计方案一、施工便道的选线原则:1、遵照少占地,尽量减少施工便道的数量和长度。
2、应尽量避开植被良好的地段,以荒地或植被稀疏地带为主。
3、尽量不用路基做施工便道。
4、本着支援地方建设的原则,做到路地结合、永临结合,配合地方政府整体规划,进行改、扩建,最大限度利用既有线便道。
5、施工期间爱护,保护好现有水源,一般情况下不得改变既有水源的流向、流量,维护既有平衡状态。
6、施工场地坚持因地制宜,充分利用附近的现有道路和房屋场地条件,减少临时工程的建设。
7、认真详细的做好施工调查,科学合理的做好安排施工总体平面布置,尽量少占耕地。
二、水土保持方案:1、严格遵循“先挡后挖,先砌后填”的原则施工,对便道上下边坡及时挡护,严格防止水土流失。
2、在跨越山谷及江水沟地、明沟、暗沟时,设置过水涵管,保障排水畅通。
3、路面内侧设置排水沟,以排除路面积水。
4、对便道边坡进行绿化,撒草种,防止水土流失。
5、对红线外植被严禁乱砍乱伐。
6、经过河道地段时,严格按设计要求进行,施工完毕后及时恢复河道,保证河道洪水通过能力。
7、做好临时场地的排水工作,生活用水本着节约的鱼原则,尤其是对高山水池的管理,杜绝高山水池的漏水,自动加水装置,当水量达到要求时,自动关机或配专职人员看护管理,防止水资源浪费。
8、做好防护工作,防止水土流失。
9、在场地周围的树木和植被不得随意砍伐和破坏,在临时场地内认真绿化,在道路两旁,闲散的边角处,全部种草植树。
10、厕所设置粪池,生活污水不能随意排放,与当地村民联系,尽可能做为化肥利用或经处理后排放。
11、生活区的垃圾清理后至垃圾池集中存放,修理施工机具的废水、废油,采取回收方式,集中处理,不得随意倾泻,以免污染水源。
施工便道水土保持具体实施措施及落实情况一、利用当地村民空闲房屋做生活房屋。
二、科学合理的安排施工总体平面布置,所以临时房屋统一规划,施工场地上的材料与机械按规划摆放和停放。
重庆到建阳驾车方案1 重庆市内驾车方案1)从起点向正北方向出发,沿松石南路行驶170米,右转进入松石大道2)沿松石大道行驶440米,在松树桥立交桥朝松牌路/新牌坊方向,右前方转弯进入松树桥立交桥3)沿松树桥立交桥行驶150米,在松树桥立交桥右转进入红石路4)沿红石路行驶110米,在松树桥立交桥朝松牌路/新牌坊方向,直行进入松龙路5)沿松龙路行驶50米,过松树桥立交桥约60米后直行进入松牌路6) 沿松牌路行驶1.7公里,过右侧的石院子约290米后,直行7) 继续沿松牌路行驶240米,过新牌坊立交约220米后直行进入红锦大道8) 沿红锦大道行驶1.8公里,在人和立交桥朝内环快速路方向,稍向右转进入机场路9) 沿机场路行驶,过人和立交桥直行10) 继续沿机场路行驶500米,朝内环快速/东环立交/G50/G65方向,稍向右转上匝道11) 沿匝道行驶160米,直行进入沪渝高速公路12) 沿沪渝高速公路行驶2.1公里,在东环立交朝长寿/G50/G65/邻水方向,稍向右转进入包茂高速公路13) 沿包茂高速公路行驶,过东环立交直行14) 继续沿包茂高速公路行驶6.9公里,过黑石子互通直行进入沪渝高速公路15) 沿沪渝高速公路行驶5.4公里,过唐家沱互通约1.1公里后直行进入铁山坪隧道16) 沿铁山坪隧道行驶2.7公里,直行进入沪渝高速公路2. 沪渝高速公路1) 沿沪渝高速公路行驶11.9公里,过右侧的仙桥村约1.2公里后,直行进入华山隧道2) 沿华山隧道行驶1.8公里,直行进入沪渝高速公路3) 沿沪渝高速公路行驶105.0公里,过右侧的新桥约1.1公里后,直行进入宝鼎山隧道4) 沿宝鼎山隧道行驶1.5公里,直行进入沪渝高速公路5) 沿沪渝高速公路行驶28.5公里,过土地岩大桥直行进入王家山隧道6) 沿王家山隧道行驶440米,直行进入沪渝高速公路7) 沿沪渝高速公路行驶360米,过石庙大桥直行进入割草坝隧道8) 沿割草坝隧道行驶200米,直行进入沪渝高速公路9) 沿沪渝高速公路行驶280米,直行进入蔡家岩隧道10) 沿蔡家岩隧道行驶400米,直行进入沪渝高速公路11) 沿沪渝高速公路行驶1.0公里,过白石互通约1.0公里后直行进入狮子岩隧道12) 沿狮子岩隧道行驶300米,直行进入沪渝高速公路13) 沿沪渝高速公路行驶580米,过阴家嘴大桥直行进入尖山子二号隧道14) 沿尖山子二号隧道行驶570米,直行进入沪渝高速公路15) 沿沪渝高速公路行驶50米,直行进入尖山子一号隧道16) 沿尖山子一号隧道行驶910米,直行进入沪渝高速公路17) 沿沪渝高速公路行驶1.7公里,过茶地坡大桥直行进入老燕山二号隧道18) 沿老燕山二号隧道行驶330米,直行进入沪渝高速公路19) 沿沪渝高速公路行驶30米,直行进入老燕山一号隧道20) 沿老燕山一号隧道行驶10米,过梁家沟大桥约220米后直行进入沪渝高速公路21) 沿沪渝高速公路行驶40米,过梁家沟大桥直行进入谭家寨隧道22) 沿谭家寨隧道行驶4.9公里,直行进入沪渝高速公路23) 沿沪渝高速公路行驶3.6公里,过右侧的合水村,直行进入银山隧道24) 沿银山隧道行驶1.8公里,直行进入沪渝高速公路25) 沿沪渝高速公路行驶1.8公里,过忠州长江大桥约1.7公里后直行进入望天堡隧道26) 沿望天堡隧道行驶1.9公里,直行进入沪渝高速公路3. 沪渝高速公路1) 沿沪渝高速公路行驶1.1公里,直行进入康定山隧道2) 沿康定山隧道行驶750米,直行进入沪渝高速公路3) 沿沪渝高速公路行驶7.8公里,过左侧的大屋基,直行进入方斗山隧道4) 沿方斗山隧道行驶7.5公里,直行进入沪渝高速公路4. 沪渝高速公路1) 沿沪渝高速公路行驶24.8公里,直行进入吕家梁隧道2) 沿吕家梁隧道行驶6.7公里,直行进入沪渝高速公路5. 沪渝高速公路1) 沿沪渝高速公路行驶5.9公里,过右侧的杜家坝约1.3公里后,直行进入月耳岩隧道2) 沿月耳岩隧道行驶220米,直行进入沪渝高速公路3) 沿沪渝高速公路行驶8.2公里,直行进入竹林坪隧道4) 沿竹林坪隧道行驶1.5公里,直行进入沪渝高速公路5) 沿沪渝高速公路行驶8.9公里,直行进入齐岳山隧道6) 沿齐岳山隧道行驶4.2公里,直行进入沪渝高速公路6. 沪渝高速公路1) 沿沪渝高速公路行驶2.9公里,过清江村大桥直行进入转角塘隧道2) 沿转角塘隧道行驶290米,直行进入沪渝高速公路3) 沿沪渝高速公路行驶38.4公里,过右侧的孙家沟约1.3公里后,直行进入寒坡岭隧道4) 沿寒坡岭隧道行驶1.8公里,直行进入沪渝高速公路5) 沿沪渝高速公路行驶1.2公里,过右侧的盛家湾,直行进入白果坝2号隧道6) 沿白果坝2号隧道行驶1.2公里,直行进入沪渝高速公路7) 沿沪渝高速公路行驶1.1公里,过右侧的白果坝村,直行进入白果坝1号隧道8) 沿白果坝1号隧道行驶470米,直行进入沪渝高速公路9) 沿沪渝高速公路行驶2.1公里,直行进入柴家湾隧道10) 沿柴家湾隧道行驶280米,直行进入沪渝高速公路11) 沿沪渝高速公路行驶810米,直行进入把水寺隧道12) 沿把水寺隧道行驶1.4公里,直行进入沪渝高速公路13) 沿沪渝高速公路行驶90米,直行进入齐心坪隧道14) 沿齐心坪隧道行驶790米,直行进入沪渝高速公路15) 沿沪渝高速公路行驶690米,直行进入云雾山隧道16) 沿云雾山隧道行驶6.7公里,直行进入沪渝高速公路17) 沿沪渝高速公路行驶150米,过右侧的乌池坝村,直行进入薛湾二号隧道18) 沿薛湾二号隧道行驶810米,直行进入沪渝高速公路19) 沿沪渝高速公路行驶660米,直行进入薛湾一号隧道20) 沿薛湾一号隧道行驶420米,直行进入沪渝高速公路21) 沿沪渝高速公路行驶290米,过小河大桥直行进入岩湾隧道22) 沿岩湾隧道行驶2.8公里,直行进入沪渝高速公路7. 沪渝高速公路1) 沿沪渝高速公路行驶4.6公里,过右侧的雷打石,直行进入安家堡大桥2) 沿安家堡大桥行驶10.0公里,直行进入猪草湾隧道3) 沿猪草湾隧道行驶1.1公里,直行进入沪渝高速公路4) 沿沪渝高速公路行驶400米,过猪草湾大桥直行进入马尾井隧道5) 沿马尾井隧道行驶640米,直行进入沪渝高速公路8. 沪渝高速公路1) 沿沪渝高速公路行驶5.1公里,直行进入谭家坝隧道2) 沿谭家坝隧道行驶870米,直行进入沪渝高速公路3) 沿沪渝高速公路行驶29.4公里,直行进入石柱槽隧道4) 沿石柱槽隧道行驶760米,直行进入沪渝高速公路5) 沿沪渝高速公路行驶300米,直行进入沈金淌隧道6) 沿沈金淌隧道行驶350米,直行进入沪渝高速公路7) 沿沪渝高速公路行驶9.7公里,直行进入大水井隧道8) 沿大水井隧道行驶3.5公里,直行进入沪渝高速公路9. 沪渝高速公路1) 沿沪渝高速公路行驶180米,过马水河大桥约1.5公里后直行进入付家坡隧道2) 沿付家坡隧道行驶570米,直行进入沪渝高速公路3) 沿沪渝高速公路行驶12.7公里,过右侧的柴家坡,直行进入崔坝隧道4) 沿崔坝隧道行驶310米,直行进入沪渝高速公路5) 沿沪渝高速公路行驶5.2公里,过红岩寺互通约1.8公里后直行进入红岩寺隧道6) 沿红岩寺隧道行驶450米,直行进入沪渝高速公路7) 沿沪渝高速公路行驶20.3公里,过野三河大桥约1.1公里后直行进入葛耳山隧道8) 沿葛耳山隧道行驶910米,直行进入沪渝高速公路9) 沿沪渝高速公路行驶2.2公里,直行进入香炉山隧道10) 沿香炉山隧道行驶4.0公里,直行进入沪渝高速公路11) 沿沪渝高速公路行驶540米,直行进入庙垭隧道12) 沿庙垭隧道行驶2.5公里,直行进入沪渝高速公13) 沿沪渝高速公路行驶490米,直行进入漆树槽隧道14) 沿漆树槽隧道行驶1.2公里,直行进入沪渝高速公路15) 沿沪渝高速公路行驶190米,直行进入米汤山隧道16) 沿米汤山隧道行驶1.8公里,直行进入沪渝高速公路17) 沿沪渝高速公路行驶90米,直行进入张家冲隧道18) 沿张家冲隧道行驶3.7公里,直行进入沪渝高速公路19) 沿沪渝高速公路行驶5.6公里,过野三关互通直行进入野三关隧道20) 沿野三关隧道行驶3.7公里,直行进入沪渝高速公路21) 沿沪渝高速公路行驶2.7公里,过四渡河大桥直行进入八字岭隧道22) 沿八字岭隧道行驶3.5公里,直行进入沪渝高速公路23) 沿沪渝高速公路行驶1.8公里,直行进入关口垭隧道24) 沿关口垭隧道行驶430米,直行进入沪渝高速公路10. 沪渝高速公路1) 沿沪渝高速公路行驶1.7公里,过铁罗坪大桥直行进入榔坪隧道2) 沿榔坪隧道行驶1000米,直行进入沪渝高速公路3) 沿沪渝高速公路行驶18.0公里,直行进入金龙隧道4) 沿金龙隧道行驶8.7公里,直行进入沪渝高速公路5) 沿沪渝高速公路行驶6.9公里,直行进入长岭2号隧道6) 沿长岭2号隧道行驶730米,直行进入沪渝高速公路7) 沿沪渝高速公路行驶20米,直行进入长岭1号隧道8) 沿长岭1号隧道行驶180米,直行进入沪渝高速公路9) 沿沪渝高速公路行驶10米,直行进入长岭1号隧道10) 沿长岭1号隧道行驶90米,直行进入沪渝高速公路11) 沿沪渝高速公路行驶4.1公里,过渔泉溪大桥直行进入朱家岩隧道12) 沿朱家岩隧道行驶1.3公里,直行进入沪渝高速公路13) 沿沪渝高速公路行驶150米,直行进入夹活岩隧道14) 沿夹活岩隧道行驶5.1公里,直行进入沪渝高速公路15) 沿沪渝高速公路行驶370米,过魏家大桥直行进入扁担垭隧道16) 沿扁担垭隧道行驶3.3公里,直行进入沪渝高速公路17) 沿沪渝高速公路行驶4.9公里,过高家堰互通约1.5公里后直行进入父子关隧道18) 沿父子关隧道行驶1.0公里,直行进入沪渝高速公路19) 沿沪渝高速公路行驶5.5公里,过右侧的西坡约1.6公里后,直行进入百步垭隧道20) 沿百步垭隧道行驶750米,直行进入沪渝高速公路21) 沿沪渝高速公路行驶940米,过右侧的习家坳村约1.8公里后,直行进入王子石隧道22) 沿王子石隧道行驶700米,直行进入沪渝高速公路23) 沿沪渝高速公路行驶4.0公里,过右侧的何家溪约1.5公里后,直行进入刘家坳隧道24) 沿刘家坳隧道行驶800米,直行进入沪渝高速公路25) 沿沪渝高速公路行驶2.6公里,过枇杷溪大桥直行进入女娘山隧道26) 沿女娘山隧道行驶1.6公里,直行进入沪渝高速公路27) 沿沪渝高速公路行驶1.8公里,直行进入白岩溪隧道28) 沿白岩溪隧道行驶1.3公里,直行进入沪渝高速公路29) 沿沪渝高速公路行驶1.6公里,直行进入章家槽隧道30) 沿章家槽隧道行驶930米,直行进入沪渝高速公路31) 沿沪渝高速公路行驶3.1公里,直行进入殷家岩隧道32) 沿殷家岩隧道行驶250米,直行进入沪渝高速公路33) 沿沪渝高速公路行驶3.1公里,直行进入老石高速公路34) 沿老石高速公路行驶4.7公里,朝宜昌/武汉西/G50方向,稍向右转进入沪渝高速公路35) 沿沪渝高速公路行驶1.4公里,直行进入汉宜高速公路11. 汉宜高速公路1) 沿汉宜高速公路行驶264.1公里,朝黄石/上海/长沙方向,稍向右转进入沪渝高速公路2) 沿沪渝高速公路行驶910米,直行进入沪蓉高速公路12. 沪蓉高速公路1) 沿沪蓉高速公路行驶61.1公里,朝武东/黄石/上海方向,稍向右转进入沪渝高速公路2) 沿沪渝高速公路行驶1.0公里,直行进入武黄高速公路13. 武黄高速公路1) 沿武黄高速公路行驶50.5公里,直行进入大广高速公路2) 沿大广高速公路行驶7.7公里,直行进入福银高速公路14. 福银高速公路1) 沿福银高速公路行驶89.3公里,朝小池/九江方向,稍向右转2) 继续沿福银高速公路行驶860米,直行3) 继续沿福银高速公路行驶47.4公里,在七里湖大桥朝南昌/福州/G70方向,稍向右转4) 继续沿福银高速公路行驶980米,过七里湖枢纽约1.1公里后直行5) 继续沿福银高速公路行驶95.6公里,朝机场/福州/鹰潭/G70方向,稍向右转6) 继续沿福银高速公路行驶860米,过南昌北枢纽约510米后直行7) 继续沿福银高速公路行驶70.6公里,过右侧的新下,朝鹰潭/吉安/宜春/上海方向,稍向右转进入南昌绕城高速公路8) 沿南昌绕城高速公路行驶440米,朝鹰潭/上海方向,稍向右转进入昌东南枢纽9) 沿昌东南枢纽行驶640米,过昌东南枢纽约1.1公里后直行进入沪昆高速公路15. 沪昆高速公路1) 沿沪昆高速公路行驶164.2公里,朝宁德/武夷山/G1514方向,稍向右转进入上饶西枢纽2) 沿上饶西枢纽行驶440米,过上饶西枢纽约60米后直行进入宁德高速公路16. 宁德高速公路1) 沿宁德高速公路行驶13.4公里,过右侧的余家垄,直行进入铅山鹅湖隧道2) 沿铅山鹅湖隧道行驶950米,直行进入宁德高速公路3) 沿宁德高速公路行驶18.0公里,过铅山紫溪河大桥直行进入铅山紫溪隧道4) 沿铅山紫溪隧道行驶1.7公里,直行进入宁德高速公路5) 沿宁德高速公路行驶3.7公里,过铅山石塘河大桥直行进入铅山芩源隧道6) 沿铅山芩源隧道行驶900米,直行进入宁德高速公路7) 沿宁德高速公路行驶2.6公里,直行进入铅山车盘隧道8) 沿铅山车盘隧道行驶590米,直行进入宁德高速公路9) 沿宁德高速公路行驶500米,稍向右转进入宁上高速公路10) 沿宁上高速公路行驶6.1公里,直行进入分水关隧道11) 沿分水关隧道行驶6.1公里,直行进入宁上高速公路12) 沿宁上高速公路行驶790米,过黄莲坑桥直行进入黄莲坑隧道13) 沿黄莲坑隧道行驶920米,直行进入宁上高速公路14) 沿宁上高速公路行驶4.1公里,过三溪大桥直行进入大安岭隧道15) 沿大安岭隧道行驶720米,直行进入宁上高速公路16) 沿宁上高速公路行驶1.1公里,过南岭大桥直行进入路口隧道17) 沿路口隧道行驶3.7公里,直行进入宁上高速公路18) 沿宁上高速公路行驶700米,过天子岗大桥直行进入天子岗隧道19) 沿天子岗隧道行驶570米,直行进入宁上高速公路20) 沿宁上高速公路行驶6.9公里,过伞街大桥直行进入伞街隧道21) 沿伞街隧道行驶1.4公里,直行进入宁上高速公路17. 宁上高速公路1) 沿宁上高速公路行驶4.5公里,过溪东2#桥直行进入石泉寺隧道2) 沿石泉寺隧道行驶380米,直行进入宁上高速公路3) 沿宁上高速公路行驶36.7公里,朝南平/福州/三明/宁德方向,稍向右转进入兴田枢纽4) 沿兴田枢纽行驶440米,直行进入京台高速公路18. 建阳市内驾车方案1) 沿京台高速公路行驶10.2公里,直行进入西岸隧道2) 沿西岸隧道行驶480米,直行进入京台高速公路3) 沿京台高速公路行驶4.0公里,从建阳出口离开稍向左转上匝道4) 沿匝道行驶1.4公里,直行5) 行驶260米,右转进入S303 6) 沿S303行驶2.6公里,左转7) 行驶2.7公里,直行进入崇阳南路。
寻访“秦巴古道”上的八庙场穿越重庆第一关青木关老关口八庙场八庙场石牌坊按“渝合十塘”的界定,高滩与青木关为四塘与五塘,八庙场正处于四塘与五塘的正中。
如今的八庙场,是“秦巴古道”上保留最完好的古场镇之一,它不但完好保存了古道穿场而过的历史格局,还有弥足珍贵的古桥、古牌坊与古建筑等历史遗存,营造出一派古风犹存的特别韵味。
进入八庙场,最吸引记者眼球的,就是那座四柱三门三滴水双重檐仿木结构的石牌坊。
如今,石牌坊的主门已经被条石封堵,旁边的一个侧门成了一家居民的后门。
从此门进入,才能够看到牌坊上保存完好的诸多细节——正中的额枋上刻有“永锡鸿庥”四字,上款为“乾隆乙卯(1795年)季冬吉旦”,证明了此牌坊至少有两百多年的历史了。
落款为“巴邑学生熊文元建”,左右两边还有浮雕的麒麟与凤凰图案。
住在牌坊下面,今年73岁的熊世应告诉记者,立牌坊的熊文元就是他家的祖辈,具体生平不清楚,但听家族中的老人讲过,这位先祖肯定是当过大官的,“不然啷个立得起这个牌坊?”熊世应还告诉了我们一个秘密——原来的牌坊后面是八庙场的老庙,里面有很多菩萨的石刻造像,“破四旧”被推倒打烂后,就埋在牌坊边的空地里。
八庙场的另一处著名景观,就是连接“秦巴古道”的鲤鱼桥。
87岁的李婆婆经常来清扫桥面,她是八庙场的老居民,“年轻的时候,八庙场好热闹哦,三天赶一场,场上的酒馆茶馆多得很,啥子东西都买得到。
”李婆婆说,八庙场最热闹的时候还要数抗战期间,“来了好多学生哟,热天家学生下河,男男女女把河都挤满了。
”如今,古驿道上的旅人远去了,学生们也远去了,就连现在八庙场老街上的年轻人,也大都去了城里打工,许多人在城里或附近的大学城、青木关买了新房,老街显得出奇的安静。
青木关1931年通车的成渝公路,成为了青木关最热闹的新街。
而在公路修通以前,包括“秦巴古道”在内的古老官道,是从如今的青木关老街青北街穿街而过的。
如今,青木关的场镇规模虽已成倍扩展,但一段还不算短的老街,保留了较为原始的老场镇风貌。
说明一、设计依据1).《沪蓉国道主干线宜昌至恩施公路第二合同段勘察设计合同》,中交第二公路勘察设计院与湖北省沪蓉西高速公路工程项目部(筹备组)于2003年4月签定。
2).沪蓉国道主干线宜昌至恩施公路工程勘察设计招投标文件。
3).《沪蓉国道主干线湖北榔坪至高坪段两阶段初步设计》(以下简称初步设计文件)。
4).《沪蓉国道主干线湖北榔坪至高坪段两阶段初步设计》部审专家意见。
5).《沪蓉国道主干线湖北榔坪至高坪段两阶段初步设计》省内预审意见。
6).部颁有关规范、规程及《工程建设标准强制性条文》(公路工程部分)。
7).筹备组及总体组下发的有关文件。
二、设计规范(1) 《公路工程技术标准》JTJ001—97。
(2) 《公路桥涵设计通用规范》JTJ021—89。
(3) 《公路钢筋混凝土及预应力混凝土桥涵设计规范》JTJ023—85。
(4) 《公路砖石及混凝土桥涵设计规范》JTJ022—85。
(5) 《公路桥涵地基与基础设计规范》JTJ024—85。
(6) 《公路工程抗震设计规范》JTJ004—89。
三、设计标准1、计算行车速度:80Km/h。
2、荷载:汽车超—20级,挂车—120。
3、桥宽:12.5m0.5m(护栏)+11.5m(净桥面)+0.5m(护栏) = 12.5m。
4、高程:黄海高程系统。
5、坐标:北京坐标系。
6、地震烈度:Ⅵ度。
7、桥面横坡:左幅桥2%,右幅桥-2%。
8、设计洪水频率:1/300。
9、通航标准:无通航要求。
四、基本设计资料1、地形、地貌:本桥位于宜昌市长阳县榔坪镇八字岭村境内,主要跨越近南北向中低山山谷,呈近东西向展布,在ZK94+310处跨越近南北向顺坡冲沟,轴线与其交角70°。
桥址区地貌类型属构造剥蚀低中山及“V”型峡谷,地面标高610~890m,相对高差280m,一般地形切割深度180~200m,最大切割深度约280m。
桥北侧为低中山,总体山势为北高南低,山坡陡峻,自然坡度一般35~55°,局部达60°,植被较发育,多生长灌木。
长沙到恩施(利川)自驾游路线图从长沙到利川(经过恩施市)大约700公里,全程高速:京港澳高速、随岳高速、汉宜高速、沪渝高速,行程大约10小时(不堵车情况下),其中京港澳高速限速120,随岳高速、汉宜高速限速110,沪渝高速那一段是山区高速,风景比其它高速好但弯道、坡道、隧道、桥梁很多,限速80。
到达利川后,去利川腾龙洞约8公里;去恩施大峡谷约60公里,是山区道路,急弯陡坡很多,要特别小心!1、第一天星沙镇----利川市(约709.4公里/10小时14分钟)在利川住一晚2、第二天利川---恩施大峡谷(约58.9公里/2小时23分钟)走G318约18-20公里(培风大道),在赶场垭左边进建新路、玉龙路,沿路走大约10公里就可以到达。
返回可以住原来的酒店。
3、第三天(上午)利川---腾龙洞(约8.0公里/15分钟)沿腾龙大道北行不远,大约半天时间。
(下午)利川---恩施土司城(约74.1公里/1小时27分钟)在恩施市内住宿4、第四天返程,沿途可以到宜昌或者荆州停留,下午可以沿原路直接返回星沙。
1. 长沙县内驾车方案∙1) 从起点向正北方向出发,沿星沙大道行驶3.4公里,左前方转弯进入滨湖路∙2) 沿滨湖路行驶1.1公里,直行∙3) 行驶180米,朝临湘方向,稍向右转上匝道∙4) 沿匝道行驶310米,从入口进入京珠高速公路2. 京珠高速公路∙1) 沿京珠高速公路行驶4.8公里,朝武汉/北京/G4方向,稍向左转全路段收费∙2) 继续沿京珠高速公路行驶110.6公里,从岳阳/G107出口离开上匝道全路段收费∙3) 沿匝道行驶1.6公里,直行进入岳阳大道收起3. 岳阳大道∙1) 沿岳阳大道行驶7.8公里,稍向右转上匝道∙2) 沿匝道行驶940米,从入口进入岳临高速公路收起4. 岳临高速公路∙1) 沿岳临高速公路行驶29.1公里,直行进入随岳高速公路全路段收费收起5. 随岳高速公路∙1) 沿随岳高速公路行驶97.2公里,朝荆州/仙桃/宜昌/武汉方向,稍向右转上匝道全路段收费∙2) 沿匝道行驶270米,朝潜江/荆州/宜昌方向,稍向右转全路段收费∙3) 继续沿匝道行驶1.2公里,从入口进入宜黄高速公路全路段收费收起6. 宜黄高速公路∙1) 沿宜黄高速公路行驶165.0公里,过候子坪约230米后朝宜昌大桥/恩施/重庆/秭归方向,稍向右转进入沪渝高速公路全路段收费收起7. 沪渝高速公路∙1) 沿沪渝高速公路行驶9.4公里,直行进入殷家岩隧道全路段收费∙2) 沿殷家岩隧道行驶230米,直行进入沪渝高速公路全路段收费∙3) 沿沪渝高速公路行驶3.0公里,直行进入章家槽隧道全路段收费∙4) 沿章家槽隧道行驶1.1公里,直行进入沪渝高速公路全路段收费∙5) 沿沪渝高速公路行驶1.6公里,直行进入白岩溪隧道全路段收费∙6) 沿白岩溪隧道行驶1.2公里,直行进入沪渝高速公路全路段收费∙7) 沿沪渝高速公路行驶1.7公里,过周家湾约230米后直行进入女娘山隧道全路段收费∙8) 沿女娘山隧道行驶1.6公里,直行进入沪渝高速公路全路段收费∙9) 沿沪渝高速公路行驶1.3公里,在枇杷溪大桥稍向左转进入长阳互通全路段收费∙10) 沿长阳互通行驶590米,直行进入沪渝高速公路全路段收费∙11) 沿沪渝高速公路行驶1.6公里,直行进入刘家坳隧道全路段收费∙12) 沿刘家坳隧道行驶800米,直行进入沪渝高速公路全路段收费∙13) 沿沪渝高速公路行驶5.5公里,直行进入王子石隧道全路段收费∙14) 沿王子石隧道行驶710米,直行进入沪渝高速公路全路段收费∙15) 沿沪渝高速公路行驶2.7公里,直行进入百步垭隧道全路段收费∙16) 沿百步垭隧道行驶750米,直行进入沪渝高速公路全路段收费∙17) 沿沪渝高速公路行驶6.8公里,过曹家湾约230米后直行进入父子关隧道全路段收费∙18) 沿父子关隧道行驶970米,直行进入沪渝高速公路全路段收费∙19) 沿沪渝高速公路行驶1.4公里,稍向右转进入高家堰互通全路段收费∙20) 沿高家堰互通行驶730米,直行进入沪渝高速公路全路段收费∙21) 沿沪渝高速公路行驶4.3公里,直行进入扁担垭隧道全路段收费∙22) 沿扁担垭隧道行驶3.3公里,直行进入沪渝高速公路全路段收费∙23) 沿沪渝高速公路行驶560米,直行进入夹活岩隧道全路段收费∙24) 沿夹活岩隧道行驶5.4公里,直行进入沪渝高速公路全路段收费∙25) 沿沪渝高速公路行驶160米,直行进入朱家岩隧道全路段收费∙26) 沿朱家岩隧道行驶1.3公里,直行进入沪渝高速公路全路段收费∙27) 沿沪渝高速公路行驶3.2公里,稍向左转进入贺家坪互通全路段收费全路段收费∙29) 沿沪渝高速公路行驶250米,直行进入长岭1号隧道全路段收费∙30) 沿长岭1号隧道行驶90米,直行进入沪渝高速公路全路段收费∙31) 沿沪渝高速公路行驶10米,直行进入长岭1号隧道全路段收费∙32) 沿长岭1号隧道行驶180米,直行进入沪渝高速公路全路段收费∙33) 沿沪渝高速公路行驶20米,直行进入长岭2号隧道全路段收费∙34) 沿长岭2号隧道行驶730米,直行进入沪渝高速公路全路段收费∙35) 沿沪渝高速公路行驶6.9公里,直行进入金龙隧道全路段收费收起8. 金龙隧道∙1) 沿金龙隧道行驶8.6公里,直行进入沪渝高速公路全路段收费收起9. 沪渝高速公路∙1) 沿沪渝高速公路行驶13.5公里,直行进入榔坪互通全路段收费∙2) 沿榔坪互通行驶260米,过榔坪互通约110米后直行进入沪渝高速公路全路段收费∙3) 沿沪渝高速公路行驶4.2公里,直行进入榔坪隧道全路段收费∙4) 沿榔坪隧道行驶1.0公里,直行进入沪渝高速公路全路段收费∙5) 沿沪渝高速公路行驶2.0公里,直行进入关口垭隧道全路段收费∙6) 沿关口垭隧道行驶430米,直行进入沪渝高速公路全路段收费∙7) 沿沪渝高速公路行驶1.8公里,直行进入八字岭隧道全路段收费∙8) 沿八字岭隧道行驶3.6公里,直行进入沪渝高速公路全路段收费∙9) 沿沪渝高速公路行驶2.8公里,直行进入野三关隧道全路段收费∙10) 沿野三关隧道行驶3.7公里,直行进入沪渝高速公路全路段收费∙11) 沿沪渝高速公路行驶440米,稍向左转进入野三关互通全路段收费全路段收费∙13) 沿沪渝高速公路行驶5.2公里,直行进入张家冲隧道全路段收费∙14) 沿张家冲隧道行驶3.7公里,直行进入沪渝高速公路全路段收费∙15) 沿沪渝高速公路行驶90米,直行进入米汤山隧道全路段收费∙16) 沿米汤山隧道行驶1.8公里,直行进入沪渝高速公路全路段收费∙17) 沿沪渝高速公路行驶110米,直行进入漆树槽隧道全路段收费∙18) 沿漆树槽隧道行驶1.3公里,直行进入沪渝高速公路全路段收费∙19) 沿沪渝高速公路行驶500米,直行进入庙垭隧道全路段收费∙20) 沿庙垭隧道行驶2.5公里,直行进入沪渝高速公路全路段收费∙21) 沿沪渝高速公路行驶530米,直行进入香炉山隧道全路段收费∙22) 沿香炉山隧道行驶3.9公里,直行进入沪渝高速公路全路段收费∙23) 沿沪渝高速公路行驶2.2公里,直行进入葛耳山隧道全路段收费∙24) 沿葛耳山隧道行驶930米,直行进入沪渝高速公路全路段收费∙25) 沿沪渝高速公路行驶2.5公里,稍向右转进入宜恩高速公路全路段收费收起10. 宜恩高速公路∙1) 沿宜恩高速公路行驶73.4公里,过恩施互通约190米后直行进入恩施互通全路段收费∙2) 沿恩施互通行驶120米,直行进入沪渝高速公路全路段收费收起11. 利川市内驾车方案∙1) 沿沪渝高速公路行驶9.8公里,过耿家岩稍向右转进入恩施西互通全路段收费∙2) 沿恩施西互通行驶870米,直行进入沪渝高速公路全路段收费∙3) 沿沪渝高速公路行驶980米,过母猪笼约210米后直行进入谭家坝隧道全路段收费∙4) 沿谭家坝隧道行驶830米,直行进入沪渝高速公路全路段收费∙5) 沿沪渝高速公路行驶5.1公里,直行进入马尾井隧道全路段收费∙6) 沿马尾井隧道行驶650米,直行进入沪渝高速公路全路段收费∙7) 沿沪渝高速公路行驶750米,直行进入猪草湾隧道全路段收费∙8) 沿猪草湾隧道行驶1.1公里,直行进入沪渝高速公路全路段收费∙9) 沿沪渝高速公路行驶10.0公里,直行全路段收费∙10) 继续沿沪渝高速公路行驶3.5公里,直行进入白果坝互通全路段收费∙11) 沿白果坝互通行驶170米,过白果坝互通约200米后直行进入沪渝高速公路全路段收费∙12) 沿沪渝高速公路行驶1.2公里,直行进入岩湾隧道全路段收费∙13) 沿岩湾隧道行驶2.8公里,直行进入沪渝高速公路全路段收费∙14) 沿沪渝高速公路行驶240米,过小河大桥约230米后直行进入薛湾一号隧道全路段收费∙15) 沿薛湾一号隧道行驶430米,直行进入沪渝高速公路全路段收费∙16) 沿沪渝高速公路行驶650米,直行进入薛湾二号隧道全路段收费∙17) 沿薛湾二号隧道行驶860米,直行进入沪渝高速公路全路段收费∙18) 沿沪渝高速公路行驶150米,直行进入乌池坝隧道全路段收费∙19) 沿乌池坝隧道行驶6.8公里,直行进入沪渝高速公路全路段收费∙20) 沿沪渝高速公路行驶700米,直行进入齐心坪隧道全路段收费∙21) 沿齐心坪隧道行驶800米,直行进入沪渝高速公路全路段收费∙22) 沿沪渝高速公路行驶100米,直行进入把水寺隧道全路段收费∙23) 沿把水寺隧道行驶1.4公里,直行进入沪渝高速公路全路段收费∙24) 沿沪渝高速公路行驶800米,直行进入柴家湾隧道全路段收费∙25) 沿柴家湾隧道行驶270米,直行进入沪渝高速公路全路段收费∙26) 沿沪渝高速公路行驶2.2公里,直行进入白果坝1号隧道全路段收费∙27) 沿白果坝1号隧道行驶470米,直行进入沪渝高速公路全路段收费∙28) 沿沪渝高速公路行驶2.0公里,直行进入白果坝2号隧道全路段收费∙29) 沿白果坝2号隧道行驶1.2公里,直行进入沪渝高速公路全路段收费∙30) 沿沪渝高速公路行驶1.9公里,直行进入寒坡岭隧道全路段收费∙31) 沿寒坡岭隧道行驶1.8公里,直行进入沪渝高速公路全路段收费∙32) 沿沪渝高速公路行驶6.2公里,从利川/G318/咸丰出口离开进入利川互通全路段收费∙33) 沿利川互通行驶350米,过利川互通约90米后直行上匝道∙34) 沿匝道行驶1.5公里,左转进入凉桥路∙35) 沿凉桥路行驶980米,直行∙36) 继续沿凉桥路行驶20米,左前方转弯∙37) 继续沿凉桥路行驶70米,直行进入清江大道∙38) 沿清江大道行驶1.3公里,过左侧的国泰广场,左前方转弯进入龙船大道∙39) 沿龙船大道行驶150米,过左侧的艾美百货约180米后,到达终点(在道路左侧)。
修桥倡议书修桥倡议书大家一定还没忘记2015年5月12日发生在四川的灾难吧!四川大地震让无数人失去了生命和家园,同时也唤醒了绝大多数中国人的良知。
我们虽然远在深圳,但几乎每个人都伸出了援手,贡献了一份心。
四年过去了,社会投入了大量人力、物力援建灾区建设,给灾区人民改善了,但是仍然顾及不到许多偏远的地区。
现在,灾区人民再次需要社会的帮助自“5。
12”以来,四川省绵阳市北川县陈家坝乡由于发生自然灾害,道路桥梁多次被毁。
仅2011年就有四次被汛期的洪水围困,8000人被困深山之中。
要想获得外界的物质,他们不得不在冬天光脚淌过冰冷刺骨的河水。
在夏天汛期来临之时,他们不得不又依靠一根绳索像耍杂技一样滑到河对面,而下面就是湍急的河水,一不小心就丢掉了性命。
从2015年“5.12地震”到“9.24洪灾”;从2015年“7.16大泥石流”到2015年“8月洪灾”……至今,这个饱受灾害的山村还没有建成一座像样的桥。
趟水、溜索、过河,他们的出行之路充满了艰辛,而他们只有一个愿望,那就是桥!灾区无桥也受到各大媒体的关注。
2012年1月6日,央视7套《生活567》走基层栏目播出了“步步惊心过河路”的专题片,引起了社会的巨大反响。
一方有难,八方支援。
作为一家深圳企业,我们虽然还很小,但,江诚兴公司是一个讲诚兴、懂感恩、有担当、负责任的企业。
今天是龙年的元宵节,公司领导层怀着感恩和谦卑的心情发起“献爱心,共建江诚兴爱心桥”的活动,向所有员工发出:“上下齐心,献一份爱心,省一份钱,为灾区出一份力”的号召。
赠人玫瑰,手有余香。
当我们还穿着整洁的工装走进敞亮的单位工作时,当我们还在电脑面前交朋识友玩游戏时,当我们还在感叹自己没有过上锦衣玉食的生活时,我们不到自己所拥有的是别人所梦寐以求的。
得意时瞧得起别人,失意时瞧得起自己。
不管得意和失意,我们都要想想那些过得比我们还艰难的人,他们的生活也许我们经历过,也许没经历过。
他们和我们相比也许只是少了一点点机会而已。
三峡东部关公地名文化初探①黄权生② 杨 花③三峡大学文学与传媒学院 水文化研究所,湖北宜昌 200433摘要:三峡东部地区留下了丰富的名人地名,其中最丰富的名人地名还是关羽地名,三峡东部的关羽地名主要是当时与关羽相关的战争历史的真实记载,但也是人们尊蜀汉为正统,尊武圣关羽的人为选择,也是统治阶级推广的结果。
关键词:三峡;关羽地名;地名文化目前学术界鲜有对关公文化以地名为研究手段的文章。
学者指出:“所有的志书在记载与关羽有关的地名时,都明确表明是传说。
正因为是传说,才可以展现关羽的英雄气度。
而这种传说被当地百姓认可,逐渐沉淀到地方文化之中,从而留下了相关的地名。
”[1]而关羽曾征战笔者所统计的二十一县的保康、远安、当阳、宜昌、宜都、长阳、枝江等地,故对于关羽的地名,固然是传说,但更多的是真实历史的反映,或者是历史文化的载体。
本文统计二十一个县(市、区)的《地名志》的三国及关公地名,在这里抛砖引玉,希望方家斧正。
一、三峡地名中的三国和关公地名分布笔者统计三峡二十一个县(市、区)涉及以关羽为主要文化的地名有149个地名,另有地名文化信息与张飞、刘备同时出现的4个相关地名,实则有153个关羽地名。
相关三国地名61个,其中涉及刘备的地名22个,诸葛亮的地名12个,张飞的地名12个,曹操的地名6个,赵云的地名4个,马良的地名4个,周仓的地名4个,陆逊的地名3个,吕蒙的地名3个。
其他的不再一一列举。
④需要说明的是:第一,作为地名志(录)其收录的三国地名不全,也不能将任何地名收全,其反映的是一种地名概率,而非全部;第二,地① 基金项目:该文得到2011年国家社科基金青年项目“明清时期武陵民族走廊人口流动与生态变迁研究”(11CZS018)的资助。
② 黄权生,男,三峡大学水文化研究所,教授,历史学博士。
③ 杨花,女,三峡大学文学与传媒学院汉语言文学硕士研究生。
④ 一地名涉及多个人物,人物则累计统计,但地名数量不累计统计。
巴南区区情概况一、历史文明巴南区由巴县改设而成,从古至今名凡五易。
在刘宋以前曰江洲,齐、梁、西魏曰垫江,自宇文周曰巴县,民国元年(1912年)易名重庆府,民国2年恢复巴县。
1995年始为今称。
西周至战国,辖境属巴国地。
周慎靓王五年(公元前316年)秦灭巴国,周赧王元年(公元前314年)秦在巴国旧域设县治理,江州县为其一,巴南区由巴县改设而成,从古至今名凡五易。
在刘宋以前曰江洲,齐、梁、西魏曰垫江,自宇文周曰巴县,民国元年(1912年)易名重庆府,民国2年恢复巴县。
1995年始为今称。
西周至战国隶于巴郡。
南齐永明五年(公元487年),改江州县为垫江县,北周武成三年(561年)又改垫江县为巴县,并废枳县入于巴县。
巴县新臵时属楚州巴郡,隋代属渝州、巴郡,唐代属渝州、南平郡、渝州,宋代属渝州、恭州、重庆府。
元代属重庆路,明清时期属重庆府;辛亥革命后由重庆蜀军政府直辖,民国2年属川东道(后改为东川道),民国17年属四川省;解放初属川东区巴县专区,旋属璧山专区,1951年1月改属重庆市,1953年2月划属四川省江津专区,1958年11月回属重庆市。
1994年12月,撤县设区,为重庆市辖近郊城市区。
自周赧王元年(公元前314年)起至民国28年(1939年)间,均设县治于今重庆市渝中区解放东路,历与郡、州、路、府同城而治,并为附廓大县。
此后治地多迁。
民国28年,按国民政府令,县政府迁至市外办公,暂住人和乡(今九龙坡区华岩镇),民国30年迁驻新治李家沱马王坪。
解放后由于市县界变动,于1952年10月暂迁南温泉,1954年1月迁驻鱼洞镇。
改县设区后治地仍旧。
由县而区,古今沿革,辖境多易:巴县新臵时,幅员辽阔,辖今之渝中区、江北区、沙坪坝区、九龙坡区、大渡口区、巴南区、南岸区、渝北区、北碚区大部、璧山县、长寿县和涪陵市枳城区、李渡区、南川市、武隆县所属区域。
北周保定四年(564年),划出今涪陵市枳城区、李渡区、武隆县所属区域,臵涪陵镇。
目录
关口垭3#桥墩顶托架受力计算书
一、托架立面图 (1)
二、杆件的截面性质 (1)
三、浇筑第1仓混凝土托架受力分析 (1)
四、浇筑第2仓混凝土托架横梁受力计算 (2)
五、浇筑第2仓混凝土托架受力平面计算 (9)
六、第3仓混凝土抗弯抗剪计算 (13)
七、浇筑第3仓混凝土托架受力分析 (13)
关口垭3号大桥0#、1#块托架计算书
一、托架立面图
图1 托架立面图
二、杆件的截面
托架杆件全部采用槽钢20a背靠背,内档间距10mm。
三、浇筑第1仓混凝土托架受力分析
1、建立0#、1#块第1仓浇筑三维模型,0#块的荷载大部分由墩身承担,分离部分体积为10.2m3(图1)。
2、悬挑75cm段混凝土自重P自=10.2×25=255KN。
托架上采用2根托架横梁横桥向布置,间距360cm,横梁将分布荷载转换为10个集中荷载作用到5片托架上。
图3 0#块第1仓混凝土浇筑3D示意图
3、浇筑第1仓混凝土时,单边托架承受混凝土体积为10.2m3。
浇筑第2仓混凝土体积为40m3,第1仓混凝土受力在预埋梁根部,故主要计算浇筑第2仓混凝土托架受力。
四、浇筑第2仓混凝土托架横梁受力计算
托架上放2根挂篮横梁作为托架横梁将砼的均布荷载转换为对托架的集中荷载。
1、建立1#块第2仓混凝土浇筑的三维模型,分离部分体积为40.0m3(图5)。
图5 0#与1#块第2仓混凝土浇筑三维模型
图5 托架平面布置图
3、列表根据托架横梁4m 砼荷载。
托架横梁编号根据图4。
图5 托架横梁有限元模型(2根)
表3 托架1号横梁线荷载
4、托架横梁受到4m以上腹板砼线荷载(按图4编号)
图6 横梁受到4m以上腹板砼线荷载5、列表托架横梁砼荷载。
托架横梁编号根据图4。
表7 托架2号横梁线荷载
6、下面分别列举2根托架横梁力学模型,托架横梁的编号见图4。
图7 托架1号横梁力学模型
图8 托架2号横梁力学模型
4、选择受力最不利的2号横梁
图11 托架2号横梁力学模型
图12 托架2号横梁有限元模型
5、托架2号横梁跨中支点最大弯距Max=-1.1E+07 N.mm
图13 托架2号横梁弯距图(单位:N.mm)6、托架2号横梁边跨支点最大剪力Tax=8.63E+04 N
图14 托架2号横梁剪力图(单位:N)
7、托架2号横梁跨中支点最大组合应力σmax=6.2 MPa
图15 托架2号横梁组合应力图(单位:MPa)8、计算1~2号托架横梁支撑反力图
图16 托架横梁反力计算对称1/2模型
图17 托架1号横梁支撑反力图(单位:N)
图18 托架2号横梁支撑反力图(单位:N)
9、总结托架横梁受力结果
第2号托架横梁受力最不利,最大组合应力为6.2Mpa,根据《公路桥涵钢结构及木结构设计规范》JTJ 025-86中规定,容许应力[σ]=140Mpa,计算应力在规范内。
五、浇筑第2仓混凝土托架受力平面计算
1、荷载确定
一侧模板和支架自重:P模= P底模+ P支架=124.6KN
P底模=5/(2.25×3)×(6.5×4.26)×1.2=24.6KN
P支架=100KN
说明:支架自重包含4根主横梁、次横梁,模板背楞等。
施工荷载及活荷:P活=1KN/ m2×4.26×12.5=53.25KN
故三脚架外侧除去砼重后的总负荷:
P= P模+ P活=178KN
总共采用五个三角托架,考虑到每个托架不均匀受力原因,取1.5倍除去砼重后的
总负荷均分到五个三角托架的4节点上,故每个托架拟能承受的荷载按P=1.5×178/(5×4)=13.4KN作为设计依据。
将13.4KN荷载加到表9,获得桥中心线中的托架节点受的集中力如下表。
表19 砼对桥中心线中的托架节点集中力表
2、建立托架第2仓荷载的力学模型如图14,其中托架左侧按完全固接。
图22 托架第2仓荷载的力学模型(单位:N)
4、有限单元结构计算软件绘制的托架后处理结果如下图:
图24 托架弯距图(单位:N.mm)
图25 托架剪力图(单位:N)
图26 托架组合应力图(单位:MPa)
图27 托架节点位移图(mm)
5、用ABAQUS有限单元结构计算软件进行托架杆系稳定性分析,得到的失稳荷载为
205KN,不会发生失稳情况。
6、总结托架横梁受力结果
第2号托架横梁受力最不利,最大组合应力为124MPa,根据《公路桥涵钢结构及木结构设计规范》JTJ 025-86中规定,容许应力[σ]=140Mpa,计算应力在规范内。
且最大挠度仅3.5mm,不会由于支架变形产生裂缝。
六、第3仓混凝土抗弯抗剪计算
1、计算目的
浇筑第3仓混凝土时,第2仓混凝土承受第3仓混凝土的压力,产生了抗弯、抗剪的作用。
2、浇筑第3仓混凝土荷载计算
第2仓混凝土参数,单位选cm ,s ,N :
弹性模量GPa e e E E b
a 16)1(*30)1(33
.07*4.00=-=-=--τ=16e5N/cm
泊松比μ=1.66,密度Den=2500e-8*102 kg/cm3;重力g=980cm/s2。
垂直作用腹板的压力P 腹=ρgh=2.5*103*9.8*8.346*1.2 =245372.4Pa=24.54N/cm2
作用底板的压力P 底=ρgh=2.5*103*9.8*0.28*3 = 20580Pa=2.1N/cm2
3、用ABAQUS 进行仿真计算,选用三维实体单元C3D4R ,取对称1/4模型,共建立4034个单元,得到米赛斯应力为1.99Mpa ,最大位移2.1mm 。
C55砼龄期7天情况下,该受力状态不会发生裂纹。
图29 ABAQUS 米赛斯应力云图 图30 ABAQUS 位移云图
七、浇筑第3仓混凝土托架受力分析
1、支设方法
托架横梁上搭设挂篮行走梁、挂篮侧模系统及钢管脚手架对翼板砼进行支撑。
2、浇筑第3仓混凝土时三维模型如下图。
图31 0#与1#块第3仓浇筑三维模型
3、浇筑第3仓混凝土翼板荷载
8m长0#块翼板砼自重P自0=7.74×25=193.5KN
3.5m长1#块翼板砼自重P自1=3.386×25=8
4.65KN
0#、1#块翼板砼纵向的线荷载
PL=(193.5+84.65)/(6.5+0.75+3.5)=25.87KN/m=25.87N/mm
4、腹板处采用翻模法施工,翻模法留下的一层模板配合挂篮侧模系统和托架系统配合承受翼板荷载。