钢筋强度划分
- 格式:docx
- 大小:17.29 KB
- 文档页数:2
钢筋的强度等级分类是钢筋的强度等级。
跟钢筋直径没有关系。
HRB235还是HPB235,表示热轧钢筋,屈服强度为235MPa,HRB335和HRB400是热轧带肋钢筋,屈服强度分别为335MPa和400MPa.现在对HPB235钢筋建筑上通常至供应直径12mm以下的,而后两种多为直径12mm以上的钢筋。
建筑上使用的钢筋主要是按照抗拉强度分的。
抗拉强度2400kg/cm平方称1级钢筋,图纸上用ф表示;抗拉强度2800kg/cm平方也属1级钢筋,图纸上用圆圈中两竖的ф表示;抗拉强度3400kg/cm平方的16Mn钢属2级钢筋,图纸上用下加一横的ф表示;抗拉强度3800kg/cm平方的25MnSi钢属3级钢筋,图纸上用中间两竖、下加一横的ф表示。
我的资料是旧标准,现行标准应力单位是MPa,1MPa=10Kg/cm平方各种钢筋和铁的含碳量分别是怎样的?碳2%(质量分数)以下的是钢,2%以上的是铁.生铁比熟铁的含碳量高,含碳量越高,硬度越大,韧性越差.纯铁是理想化的不含任何杂质的物质.生铁一般指含碳量在2~4.3%的铁的合金。
又称铸铁。
生铁里除含碳外,还含有硅、锰及少量的硫、磷等,它可铸不可锻。
根据生铁里碳存在形态的不同,又可分为炼钢生铁、铸造生铁和球墨铸铁等几种。
炼钢生铁里的碳主要以碳化铁的形态存在,其断面呈白色,通常又叫白口铁。
这种生铁性能坚硬而脆,一般都用做炼钢的原料。
铸造生铁中的碳以片状的石墨形态存在,它的断口为灰色,通常又叫灰口铁。
由于石墨质软,具有润滑作用,因而铸造生铁具有良好的切削、耐磨和铸造性能。
但它的抗位强度不够,故不能锻轧,只能用于制造各种铸件,如铸造各种机床床座、铁管等。
球墨铸铁里的碳以球形石墨的形态存在,其机械性能远胜于灰口铁而接近于钢,它具有优良的铸造、切削加工和耐磨性能,有一定的弹性,广泛用于制造曲轴、齿轮、活塞等高级铸件以及多种机械零件。
此外还有含硅、锰、镍或其它元素量特别高的生铁,叫合金生铁,如硅铁、锰铁等,常用做炼钢的原料。
一级钢筋分类一级钢筋是建筑领域中常用的一种构造材料,主要用于加固混凝土结构。
根据不同的力学性能和用途,一级钢筋可分为多个分类。
本文将从强度等级、形状和用途三个方面介绍一级钢筋的分类。
一、强度等级分类根据一级钢筋的强度等级,可以将其分为HRB335、HRB400和HRB500三个等级。
1. HRB335:这是一种普通强度的一级钢筋,其抗拉强度为335MPa。
HRB335钢筋通常用于一些要求不太高的建筑中,例如一些住宅楼和小型公共设施。
2. HRB400:这是一种中等强度的一级钢筋,其抗拉强度为400MPa。
HRB400钢筋广泛应用于各类建筑中,包括高层建筑、大型工业设施等。
3. HRB500:这是一种高强度的一级钢筋,其抗拉强度为500MPa。
HRB500钢筋常用于一些对强度要求较高的建筑,如大型桥梁、高速公路等。
二、形状分类根据一级钢筋的形状,可以将其分为普通钢筋和带肋钢筋两类。
1. 普通钢筋:普通钢筋是一种圆形的钢筋,其表面光滑没有螺纹。
普通钢筋通常用于不需要增加混凝土与钢筋之间的附着力的场合,如一些地下工程、地基等。
2. 带肋钢筋:带肋钢筋是一种在钢筋表面有明显肋纹的钢筋,肋纹的存在可以增加钢筋与混凝土之间的附着力。
带肋钢筋常用于需要增加混凝土与钢筋之间附着力的场合,如梁、柱等。
三、用途分类根据一级钢筋的用途,可以将其分为盘条、螺纹钢筋、线材三类。
1. 盘条:盘条是一种形状为盘状的一级钢筋,常用于制作钢筋网片或者钢筋笼。
盘条广泛应用于混凝土结构中,可以增加混凝土的抗拉强度和抗剪强度。
2. 螺纹钢筋:螺纹钢筋是一种在钢筋表面加工螺纹的一级钢筋。
螺纹钢筋常用于需要增加混凝土与钢筋之间附着力的场合,如梁、柱等。
同时,螺纹钢筋还可以用于连接钢筋的作用。
3. 线材:线材是一种较细且柔软的一级钢筋,常用于制作预应力混凝土结构中的预应力钢筋。
线材具有较高的抗拉强度和耐腐蚀性能,可以有效增加混凝土结构的承载能力。
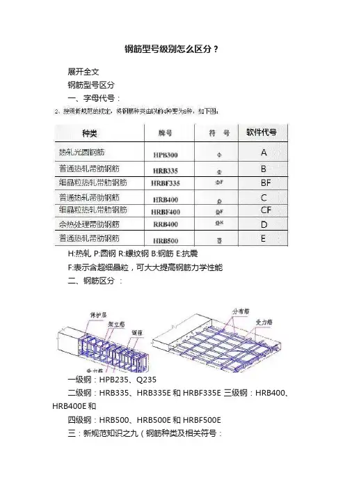
钢筋型号区分
一、字母代号:
H:热轧
P:圆钢
R:螺纹钢
B:钢筋
E:抗震
F:表示含超细晶粒,可大大提高钢筋力学性能
二、钢筋区分:
一级钢:HPB235、Q235
二级钢:HRB335、HRB335E和HRBF335E
三级钢:HRB400、HRB400E和
四级钢:HRB500、HRB500E和HRBF500E
三:新规范知识之九(钢筋种类及相关符号:
HPB300--(一级钢)热轧光圆钢筋强度级别
300MPa HRB335--- (二级钢)热轧带肋钢筋强度级别335MPa。
HRBF335--- (二级钢)细晶粒热轧带肋钢筋强度级别 335MPa
HRB400--- (三级钢)热轧带肋钢筋强度级别 400MPa
HRBF400--- (三级钢)细晶粒热轧带肋钢筋强度级别 400MPa
RRB400--- (三级钢)余热处理带肋钢筋强度级别 400MPa
HRB400E---(三级钢)有较高抗震性能的普通热轧带肋钢筋强度级别 400MPa HRB500--(四级钢)普通热轧带肋钢筋强度级别 500MPa
HRBF 500---(四级钢)细粒热轧带肋钢筋强度级别 500MPa
H、P、R、B、F、E 分别为热轧(Hotrolled)、光圆(Plain)带肋(Ribbed)、钢筋(Bars)、细粒(Fine)\地震(Earthquake)5 个词的英文首位字母。
后面的数代表屈服强度为*** Mpa。
钢筋的强度等级分类是钢筋的强度等级.跟钢筋直径没有关系.HRB235还是 HPB235,表示热轧钢筋,屈服强度为235MPa,HRB335和HRB400是热轧带肋钢筋,屈服强度分别为335MPa和400MPa.现在对HPB235钢筋建筑上通常至供应直径12mm 以下的,而后两种多为直径12mm 以上的钢筋. 建筑上使用的钢筋主要是按照抗拉强度分的. 抗拉强度2400kg/cm 平方称 1 级钢筋,图纸上用ф表示; 抗拉强度2800kg/cm 平方也属 1 级钢筋, 图纸上用圆圈中两竖的ф表示; 抗拉强度3400kg/cm 平方的16Mn 钢属 2 级钢筋, 图纸上用下加一横的ф表示; 抗拉强度 3800kg/cm 平方的 25MnSi钢属 3 级钢筋,图纸上用中间两竖,下加一横的ф表示. 我的资料是旧标准,现行标准应力单位是MPa,1MPa=10Kg/cm 平方各种钢筋和铁的含碳量分别是怎样的? 各种钢筋和铁的含碳量分别是怎样的? 碳2%(质量分数)以下的是钢,2%以上的是铁.生铁比熟铁的含碳量高,含碳量越高,硬度越大,韧性越差.纯铁是理想化的不含任何杂质的物质. 生铁一般指含碳量在2~4.3%的铁的合金.又称铸铁.生铁里除含碳外,还含有硅,锰及少量的硫,磷等,它可铸不可锻.根据生铁里碳存在形态的不同,又可分为炼钢生铁,铸造生铁和球墨铸铁等几种. 炼钢生铁里的碳主要以碳化铁的形态存在,其断面呈白色,通常又叫白口铁.这种生铁性能坚硬而脆,一般都用做炼钢的原料.铸造生铁中的碳以片状的石墨形态存在,它的断口为灰色,通常又叫灰口铁. 由于石墨质软,具有润滑作用,因而铸造生铁具有良好的切削,耐磨和铸造性能.但它的抗位强度不够,故不能锻轧,只能用于制造各种铸件,如铸造各种机床床座,铁管等.球墨铸铁里的碳以球形石墨的形态存在, 其机械性能远胜于灰口铁而接近于钢, 它具有优良的铸造, 切削加工和耐磨性能,有一定的弹性,广泛用于制造曲轴,齿轮,活塞等高级铸件以及多种机械零件.此外还有含硅,锰,镍或其它元素量特别高的生铁, 叫合金生铁,如硅铁, 锰铁等, 常用做炼钢的原料. 在炼钢时加入某些合金生铁,可以改善钢的性能钢筋是指热轧钢筋是经热轧成型并自然冷却的成品钢筋, 分为热轧光圆钢筋和热轧带肋钢筋两种. 用加热钢坯轧成的条形钢材. 主要用于钢筋混凝土和预应力混凝土结构的配筋, 是土木建筑工程中使用量最大的钢材品种之一.直径 6.5~9 毫米的钢筋,大多数卷成盘条;直径10~40 毫米的一般是6~12 米长的直条.热轧钢筋应具备一定的强度,即屈服点和抗拉强度,它是结构设计的主要依据.同时,为了满足结构变形,吸收地震能量以及加工成型等要求,热轧钢筋还应具有良好的塑性,韧性,可焊性和钢筋与混凝土间的粘结性能.中国的热轧钢筋按强度可分为四级:Ⅰ级钢筋其强度等级为24/38 公斤级, 是用镇静钢,半镇静钢或沸腾钢3 号普通碳素钢轧制的光圆钢筋.它属于低强度钢筋,具有塑性好,伸长率高(δ5在25%以上) ,便于弯折成型,容易焊接等特点. 它的使用范围很广, 可用作中, 小型钢筋混凝土结构的主要受力钢筋, 构件的箍筋,钢,木结构的拉杆等.盘条钢筋还可作为冷拔低碳钢丝和双钢筋的原料. Ⅱ级钢筋和Ⅲ级钢筋用低合金镇静钢或半镇静钢轧制,以硅,锰作为固溶强化元素.Ⅱ级钢筋强度级别为34(32)/52(50)公斤级;Ⅲ级钢筋为38/58 公斤级,其强度较高,塑性较好,焊接性能比较理想.钢筋表面轧有通长的纵筋和均匀分布的横肋, 从而可加强钢筋与混凝土间的粘结.用Ⅱ,Ⅲ级钢筋作为钢筋混凝土结构的受力钢筋,比使用Ⅰ级钢筋可节省钢材40~50%.因此,广泛用于大,中型钢筋混凝土结构,如桥梁,水坝,港口工程和房屋建筑结构的主筋.Ⅱ,Ⅲ级钢筋经冷拉后,也可用作房屋建筑结构的预应力钢筋. Ⅳ级钢筋其强度级别为55/85 公斤级,用中碳低合金镇静钢轧制,其中除以硅,锰为主要合金元素外,还加入钒或钛作为固溶和析出强化元素,使之在提高强度的同时保证其塑性和韧性.Ⅳ级钢筋表面也轧有纵筋和横肋,它是房屋建筑工程的主要预应力钢筋.Ⅳ级钢筋在使用前应由施工单位进行冷拉处理,冷拉应力为750 兆帕,以提高屈服点,发挥钢材的内在潜力,达到节约钢材的目的.经冷拉的钢筋,其屈服点不明显,因此设计时以冷拉应力统计值(冷拉设计强度)为依据.但冷拉过的钢筋经数月自然时效或人工加温时效后,钢筋又会出现短小的屈服台阶,其值略高于冷拉应力,同时钢筋有变硬趋势,此现象称作"时效硬化" .因此,钢筋冷拉时在保证规定冷拉应力的同时, 要控制冷拉伸长率不过大, 以免钢筋变脆. Ⅳ级钢筋含碳量较高, 对焊时一般采用闪光-预热-闪光焊或对焊后通电热处理的工艺,以保证对焊接头, 包括热影响区不产生淬硬性组织, 防止发生脆性断裂. Ⅳ级钢筋的直径一般为12 毫米,广泛用于预应力混凝土板类构件以及成束配置用于大型预应力建筑构件(如屋架,吊车梁等) .热轧Ⅳ级钢筋作为预应力钢筋使用时,尚需冷拉,焊接,其强度还偏低,需要进一步改进.精轧螺纹钢筋为了解决大直径,高强度预应力钢筋的连接和锚具问题,已研制成功精轧螺纹钢筋.它是在钢筋表面直接轧出不带纵筋而横肋为梯形螺扣外形的钢筋,可用连接套筒接长,用专用螺帽作为锚具.这种钢筋已在大型预应力混凝土结构,桥梁结构等中使用,获得成功. 热轧和冷轧:热轧和冷轧:热轧和冷轧都是型钢或钢板成型的工序, 它们对钢材的组织和性能有很大的影响,钢的轧制主要以热轧为主,冷轧只用于生产小号型钢和薄板. 一.热轧优点:可以破坏钢锭的铸造组织,细化钢材的晶粒,并消除显微组织的缺陷,从而使钢材组织密实,力学性能得到改善.这种改善主要体现在沿轧制方向上, 从而使钢材在一定程度上不再是各向同性体;浇注时形成的气泡,裂纹和疏松,也可在高温和压力作用下被焊合. 缺点:1.经过热轧之后,钢材内部的非金属夹杂物(主要是硫化物和氧化物,还有硅酸盐)被压成薄片,出现分层(夹层)现象. 分层使钢材沿厚度方向受拉的性能大大恶化, 并且有可能在焊缝收缩时出现层间撕裂. 焊缝收缩诱发的局部应变时常达到屈服点应变的数倍,比荷载引起的应变大得多; 2.不均匀冷却造成的残余应力.残余应力是在没有外力作用下内部自相平衡的应力, 各种截面的热轧型钢都有这类残余应力,一般型钢截面尺寸越大,残余应力也越大.残余应力虽然是自相平衡的, 但对钢构件在外力作用下的性能还是有一定影响.如对变形,稳定性,抗疲劳等方面都可能产生不利的作用. 二.冷轧是指在常温下,经过冷拉,冷弯,冷拔等冷加工把钢板或钢带加工成各种型式的钢材. 优点:成型速度快,产量高,且不损伤涂层,可以做成多种多样的截面形式,以适应使用条件的需要;冷轧可以使钢材产生很大的塑性变形,从而提高了钢材的屈服点. 缺点: 1.虽然成型过程中没有经过热态塑性压缩,但截面内仍然存在残余应力, 对钢材整体和局部屈曲的特性必然产生影响; 2. 冷轧型钢样式一般为开口截面,使得截面的自由扭转刚度较低.在受弯时容易出现扭转,受压时容易出现弯扭屈曲,抗扭性能较差; 3. 冷轧成型钢壁厚较小,在板件衔接的转角处又没有加厚,承受局部性的集中荷载的能力弱. 三.热轧和冷轧的主要区别是: 1, 冷轧成型钢允许截面出现局部屈曲,从而可以充分利用杆件屈曲后的承载力;而热轧型钢不允许截面发生局部屈曲. 2,热轧型钢和冷轧型钢残余应力产生的原因不同,所以截面上的分布也有很大差异. 冷弯薄壁型钢截面上的残余应力分布是弯曲型的,而热扎型钢或焊接型钢截面上残余应力分布是薄膜型. 3,热轧型钢的自由扭转刚度比冷轧型钢高,所以热轧型钢的抗扭性能要优于冷轧型钢.。
钢筋强度标准值
钢筋是具有一定强度的钢制耐久件,以钢锭、钢管和钢筋等形式出现。
钢筋的强度主
要是指在一定条件下抗弯拉应力的大小,抗拉强度是其主要力学性能指标之一。
抗拉强度
有它的标准,下面主要介绍一些常见的钢筋抗拉强度标准值。
普通钢筋抗拉强度一般有国家标准GB13235-1991《普通钢筋抗压试验方法》等规定,其最低抗拉强度值为220MPa或360MPa,取决于钢筋的直径和对应的熔炼温度。
冷墩钢筋的最低抗拉强度为380MPa,其直径绝大多数是8mm及以上,钢筋的熔炼温度一般为1550℃。
超高强度钢筋的抗拉强度一般分为420MPa级和580MPa级,其中420MPa级有索具合
强度不得低于420MPa的钢筋及其任何组合,用于钢筋混凝土的混凝土和混凝土构件,最
小断裂伸长率不得小于6%;580MPa级钢筋螺旋筋合强度不得低于580MPa,使用于钢筋混
凝土构件上,最小断裂伸长率不得小于8%。
抗震钢筋的抗拉强度不一定,而是根据不同地区的耐震标准,确定不同的要求。
其中,抗拉强度最低是490MPa,最高达到900MPa以上,具体抗震等级视不同地区的要求而定。
钢筋的等级划分钢筋是建筑工程中必不可少的材料之一,它的质量和等级的高低直接影响到建筑的安全和质量。
因此,对于钢筋的等级划分,是建筑工程中非常重要的一部分。
本文将从以下几个方面详细介绍钢筋的等级划分。
一、钢筋的基本概念钢筋是一种金属材料,通常用于混凝土结构中加强和支撑。
钢筋的主要成分是碳、铁、锰、硅等元素。
根据钢筋的强度等级不同,钢筋的化学成分会有所不同。
在建筑工程中,常用的钢筋有普通钢筋、高强度钢筋等。
二、钢筋的等级划分根据国家标准《钢筋混凝土用钢筋》(GB1499),钢筋的等级分为三个等级,分别是Ⅰ级、Ⅱ级和Ⅲ级。
其中,Ⅰ级钢筋的抗拉强度为335MPa,属于普通钢筋;Ⅱ级钢筋的抗拉强度为400MPa,属于高强度钢筋;Ⅲ级钢筋的抗拉强度为500MPa,属于超高强度钢筋。
三、钢筋等级划分的意义钢筋的等级划分直接影响到建筑工程的安全和质量。
不同等级的钢筋具有不同的强度和韧性,因此在不同的工程中需要使用不同等级的钢筋。
例如,在高层建筑和大型桥梁等工程中,需要使用高强度或超高强度钢筋,以保证建筑的承载能力和抗震能力。
而在一般住宅和小型建筑中,则可以使用普通钢筋。
四、钢筋等级划分标准钢筋等级划分的标准是国家标准《钢筋混凝土用钢筋》(GB1499)。
该标准规定了钢筋的化学成分、机械性能、抗拉强度等方面的要求,以及钢筋的等级划分。
在建筑工程中使用的钢筋必须符合该标准的要求,并经过质量检测合格后方可使用。
五、钢筋等级划分的应用钢筋等级划分在建筑工程中的应用非常广泛。
在设计阶段,需要根据工程的性质和要求选择适当的钢筋等级。
在施工阶段,需要按照设计要求选择和使用符合标准的钢筋,并进行质量检测和记录。
在验收和使用阶段,需要对钢筋的等级和质量进行检查,以确保建筑工程的安全和质量。
六、结语钢筋等级划分是建筑工程中非常重要的一部分。
它直接影响到建筑工程的安全和质量。
因此,在建筑工程中需要高度重视钢筋等级划分的应用和管理,确保使用符合标准的钢筋,并进行质量检测和记录,以保证建筑工程的安全和质量。
线材:主要是指直径5-9mm的热轧圆钢和10mm以下的螺纹钢。
大多通过卷线机卷成盘卷供应,也称盘条或盘圆。
线材主要用作钢筋混凝土的配筋和焊接结构件或再加工(如拨丝,制订等)原料。
按钢材分配目录,线材包括普通低碳钢絷轧盘条,电焊盘条,爆破线用盘条,调质螺纹盘条,优质盘条。
用途较广泛的线材主要是普通低碳钢热轧盘条,也称普通线材,它是由Q195、Q215、Q235普通碳素钢热轧而成,公称直径为5.5-14.0mm,一般轧成每盘重量在100-200kg,现在多采用无扭高速线材轧机上轧制并在轧制后采取控制冷却,直径为5.5-22.0mm最大盘重可达2500kg。
普通线材主要用于建筑、拉丝、包装、焊条及制造螺栓、螺帽、铆钉等。
优质线材,只供应优质碳素结构钢热轧盘条。
如08F、10、35Mn、50Mn、65、75Mn等。
用作钢丝等金属制品的原料及其它结构件,其它优质钢轧制的线材。
习惯上8mm以上列入优质型材,8mm以下列入金属制品。
对线材除强度有要求外,根据用途还要进行冷弯试验,尺寸等检验,表面不行有裂缝、折迭,结疤、耳子、分层、夹杂等缺陷。
一般钢筋出厂时,都有标牌,标牌上标明等级。
当没有时,螺纹钢上都有标记(厂名)、规格、等级;等级:Ⅰ、Ⅱ、Ⅲ、Ⅳ;代号:、、、;一般表示为:等级\标记\规格。
建筑上使用的钢筋主要是按照抗拉强度分的。
抗拉强度2400kg/c m平方称1级钢筋,图纸上用ф表示;抗拉强度2800kg/cm平方也属1级钢筋,图纸上用圆圈中两竖的ф表示;抗拉强度3400kg/cm平方的16Mn钢属2级钢筋,图纸上用下加一横的ф表示;抗拉强度3800kg/cm平方的25MnSi钢属3级钢筋,图纸上用中间两竖、下加一横的ф表示。
现在资料是旧标准,现行标准应力单位是MPa,1MPa=10Kg/cm平方,需换算。
大家也许习惯于一级钢(Ⅰ即),混合结构工程用一级钢(Ⅰ即)的量比较大,如带型基础、构造柱、圈梁、现浇楼板或者屋面板等;现浇框架结构的民用或者工业建筑物、构筑物以及水利桥梁等用二、三级钢比较多。
钢筋型号级别怎么区分?
展开全文
钢筋型号区分
一、字母代号:
H:热轧 P:圆钢 R:螺纹钢 B:钢筋 E:抗震
F:表示含超细晶粒,可大大提高钢筋力学性能
二、钢筋区分:
一级钢:HPB235、Q235
二级钢:HRB335、HRB335E和HRBF335E 三级钢:HRB400、HRB400E和
四级钢:HRB500、HRB500E和HRBF500E
三:新规范知识之九(钢筋种类及相关符号:
HPB300--(一级钢)热轧光圆钢筋强度级别
300MPa HRB335--- (二级钢)热轧带肋钢筋强度级别335MPa。
HRBF335--- (二级钢)细晶粒热轧带肋钢筋强度级别335MPa HRB400--- (三级钢)热轧带肋钢筋强度级别 400MPa HRBF400--- (三级钢)细晶粒热轧带肋钢筋强度级别 400MPa RRB400--- (三级钢)余热处理带肋钢筋强度级别 400MPa
HRB400E---(三级钢)有较高抗震性能的普通热轧带肋钢筋强度级别400MPa HRB500--(四级钢)普通热轧带肋钢筋强度级别500MPa HRBF 500---(四级钢)细粒热轧带肋钢筋强度级别500MPa
H、P、R、B、F、E 分别为热轧(Hotrolled)、光圆(Plain)带肋(Ribbed)、钢筋(Bars)、细粒(Fine)\地震(Earthquake)5 个词的英文首位字母。
后面的数代表屈服强度为*** Mpa。
一级钢筋(HPB235)普通是光面钢筋,俗称盘条,6——12个圆的最常见。
建筑上常用于制作箍筋、板的分布筋、马镫、墙拉筋等等。
二级钢筋(HRB335)是螺纹钢筋,直径12——25的最为常见,用于梁、柱、剪力墙等等。
直径再大的极少用于工民建,常用于大体积混凝土,例如水工。
一级钢筋的延性比二级钢筋好。
比如吊钩就规定必须用一级钢筋。
二级钢筋与混凝土的粘结力比一级钢筋好钢筋的品种和级别一钢筋类: (直径≥6mm)1. 热轧钢筋:HPB 235 级ф表面光圆低碳钢 (板筋、梁柱的箍筋、小梁、柱的主筋)HRB 335 级Φ表面带肋 (月牙纹/螺纹) 普通低合金钢(梁柱的主要钢筋和砼墙主要钢筋)HRB 400 级带肋月牙纹普通低合金钢(梁柱的主要钢筋和砼墙主要钢筋)RRB 400 级带肋人字纹/月牙纹普通低合金钢(少用,塑性差用于预应力砼)H ——热轧 P ——光面 B ——钢筋 235——屈服强度235/M㎡R ——余热处理 R ——带肋2. 冷拉钢筋:(用于预应力砼)用HRB335、HB400在常温下拉伸而成。
3.热处理钢筋:(用于预应力砼,强度很高)用普通的低合金钢经淬火、回火而成。
二钢丝类(直径<6mm 都用于预应力)1.碳素钢丝:由高碳轧制而成。
2.刻痕钢丝:3.钢绞线: 把若干碳素钢筋编成束而成。
4.冷拔低碳钢筋:5.冷轧带肋钢筋:钢筋的强度和变形一有明显的屈服点的钢筋:(软钢)1.应力σ——应变ε的曲线。
2.力学指标:屈服强度;极限强度;伸长率ξ当ΔL达到max时间就为ξ3.软钢以屈服强度作为确定钢筋设计强度的依据。
二无明显屈服点的钢筋:(硬钢)无明显屈服点,抗拉极限强度很高,但塑性差。
硬钢以残余应变为0.2%时对应的应力为假想屈服点(条件屈服点), =∴0.8 作为硬钢的条件屈服强度,以此作为确定硬钢设计强度的依据.三钢筋冷加工:冷拉/冷拔能提高强度,节省钢筋。
冷拔:可提高抗拉、抗压强度。
钢筋一般钢筋出厂时,都有标牌,标牌上标明等级。
当没有时,螺纹钢上都有标记(厂名)、规格、等级;等级:Ⅰ、Ⅱ、Ⅲ、Ⅳ;一般表示为:等级\标记\规格。
建筑上使用的钢筋主要是按照抗拉强度分的。
抗拉强度2400kg/cm2称1级钢筋,图纸上用ф表示;抗拉强度2800kg/cm2也属1级钢筋,图纸上用圆圈中两竖的ф表示;抗拉强度3400kg/cm2的16Mn钢属2级钢筋,图纸上用下加一横的ф表示;抗拉强度3800kg/cm2的25MnSi钢属3级钢筋,图纸上用中间两竖、下加一横的ф表示。
现在资料是旧标准,现行标准应力单位是MPa,1MPa=10Kg/cm2,需换算。
钢筋的级别不同,是因为钢筋的化学成份不同,化学成份不同,也就造成的了它的力学指标不同。
一、二、三级钢筋是国家根据社会生产需要而制订出的材料标准,它的屈服强度、极限强度、延伸率、冷弯、及可焊性均有很大的不同,一级钢屈服强度235MPa ,极限强度310MPa,二级钢屈服强度335MPa ,极限强度510MPa,三级钢屈服强度400MPa,极限强度600MPa另外Q235是一级钢.HRB335是二级钢.HRB400是三级钢一般圆盘条是用Q235或HPB235表示材质(钢号/强度等级),两者是一样的.Q的表达比较简单.Q:屈服点H:热扎P:光圆钢筋种类很多,通常按化学成分、生产工艺、轧制外形、供应形式、直径大小,以及在结构中的用途进行分类:(一)按轧制外形分(1)光面钢筋:I级钢筋(Q235钢钢筋)均轧制为光面圆形截面,供应形式有盘圆,直径不大于10mm,长度为6m~12m。
(2)带肋钢筋:有螺旋形、人字形和月牙形三种,一般Ⅱ、Ⅲ级钢筋轧制成人字形,Ⅳ级钢筋轧制成螺旋形及月牙形。
(3)钢线(分低碳钢丝和碳素钢丝两种)及钢绞线。
(4)冷轧扭钢筋:经冷轧并冷扭成型。
(二)按直径大小分钢丝(直径3~5mm)、细钢筋(直径6~10mm)、粗钢筋(直径大于22mm)。
钢筋等级的划分钢筋是建筑结构中常用的一种重要材料,根据其强度和性能的不同,可以将钢筋分为多个等级。
本文将从最常见的几种钢筋等级入手,详细介绍它们的特点和适用范围,以帮助读者更好地理解和选择适合的钢筋等级。
一、HRB335钢筋HRB335钢筋是一种普通的热轧带肋钢筋,主要用于普通建筑和一般预应力混凝土结构。
它的强度适中,可满足大多数建筑结构的需求。
由于其价格相对较低,使用广泛。
二、HRB400钢筋HRB400钢筋是一种高强度的热轧带肋钢筋,主要用于大型建筑和重要的预应力混凝土结构。
相比于HRB335钢筋,它的强度更高,能够承受更大的荷载和挠度。
因此,在需要较高结构安全性和抗震性能的工程中,常常选用HRB400钢筋。
三、HRB500钢筋HRB500钢筋是一种超高强度的热轧带肋钢筋,主要用于特殊的工程结构,如超高层建筑、大跨度桥梁等。
由于其强度非常高,能够承受极大的荷载和挠度,因此在对结构安全性和抗震性能要求极高的工程中得到广泛应用。
四、HPB300钢筋HPB300钢筋是一种冷轧带肋钢筋,与热轧钢筋相比,它的强度稍低,但具有更好的可塑性和可焊性。
因此,在一些对钢筋加工性能要求较高的工程中,如钢筋网片制作、钢筋焊接等,常选用HPB300钢筋。
五、HRBF400钢筋HRBF400钢筋是一种热轧带肋钢筋,相比于普通热轧钢筋,它具有更好的延性和韧性。
因此,在一些对钢筋的抗裂性和抗震性能要求较高的工程中,如地下结构、高层建筑等,常选用HRBF400钢筋。
六、HRBF500钢筋HRBF500钢筋是一种高强度的热轧带肋钢筋,具有较好的延性和韧性。
它的强度高于HRBF400钢筋,能够承受更大的荷载和挠度。
因此,在对结构安全性和抗震性能要求较高的工程中,常常选用HRBF500钢筋。
钢筋等级的划分主要是根据其强度和性能的不同来确定的。
根据工程的具体要求和结构设计的需要,选择合适的钢筋等级能够保证工程的安全性和可靠性。
在选择钢筋等级时,除了考虑强度外,还需要考虑钢筋的可塑性、可焊性、耐久性等因素。
各级别钢筋屈服强度抗拉强度下载温馨提示:该文档是我店铺精心编制而成,希望大家下载以后,能够帮助大家解决实际的问题。
文档下载后可定制随意修改,请根据实际需要进行相应的调整和使用,谢谢!并且,本店铺为大家提供各种各样类型的实用资料,如教育随笔、日记赏析、句子摘抄、古诗大全、经典美文、话题作文、工作总结、词语解析、文案摘录、其他资料等等,如想了解不同资料格式和写法,敬请关注!Download tips: This document is carefully compiled by theeditor. I hope that after you download them,they can help yousolve practical problems. The document can be customized andmodified after downloading,please adjust and use it according toactual needs, thank you!In addition, our shop provides you with various types ofpractical materials,such as educational essays, diaryappreciation,sentence excerpts,ancient poems,classic articles,topic composition,work summary,word parsing,copy excerpts,other materials and so on,want to know different data formats andwriting methods,please pay attention!钢筋的屈服强度和抗拉强度1. 屈服强度是指材料开始发生塑性变形的强度。
热轧钢筋按强度分为四级,分别是Ⅰ级钢筋Ⅱ级钢筋Ⅲ级钢筋Ⅳ级钢筋。
Ⅰ级钢筋
其强度等级为24/38公斤级,是用镇静钢、半镇静钢或沸腾钢3号普通碳素钢轧制的光圆钢筋。
它属于低强度钢筋,具有塑性好、伸长率高(δ5在25%以上)、便于弯折成型、容易焊接等特点。
它的使用范围很广,可用作中、小型钢筋混凝土结构的主要受力钢筋,构件的箍筋,钢、木结构的拉杆等。
盘条钢筋还可作为冷拔低碳钢丝和双钢筋的原料。
Ⅱ级钢筋用低合金镇静钢或半镇静钢轧制,以硅、锰作为固溶强化元素。
Ⅱ级钢筋强度级别为34(32)/52(50)公斤级,其强度较高,塑性较好,焊接性能比较理想。
钢筋表面轧有通长的纵筋和均匀分布的横肋,从而可加强钢筋与混凝土间的粘结。
用Ⅱ级钢筋作为钢筋混凝土结构的受力钢筋,比使用Ⅰ级钢筋可节省钢材40~50%。
因此,广泛用于大、中型钢筋混凝土结构,如桥梁、水坝、港口工程和房屋建筑结构的主筋。
Ⅱ级钢筋经冷拉后,也可用作房屋建筑结构的预应力钢筋。
Ⅲ级钢筋主要性能与Ⅱ级钢筋大致相同,强度级别为38/58公斤级。
Ⅲ级钢筋改称HRB400级钢筋。
简单的说,这两种钢筋的相同点是:都属于普通低合金热轧钢筋;都属于带肋钢筋(即通常说的螺纹钢筋);都可以用于普通钢筋混凝土结构工程中。
Ⅳ级钢筋其强度级别为55/85公斤级,用中碳低合金镇静钢轧制,其中除以硅、锰为主要合金元素外,还加入钒或钛作为固溶和析出强化元素,使之在提高强度的同时保证其塑性和韧性。
Ⅳ级钢筋表面也轧有纵筋和横肋,它是房屋建筑工程的主要预应力钢筋。
Ⅳ。
螺纹钢强度等级摘要:一、螺纹钢概述二、螺纹钢的强度等级划分三、螺纹钢的强度等级标准及表示方法四、螺纹钢的强度等级与应用五、总结正文:一、螺纹钢概述螺纹钢,又称螺纹钢筋,是一种带有螺旋纹的钢筋,主要用于混凝土结构的加固和连接。
螺纹钢具有较高的强度、良好的塑性和优异的焊接性能,广泛应用于建筑、桥梁、隧道、水利等工程领域。
二、螺纹钢的强度等级划分螺纹钢的强度等级主要分为一级、二级、三级和四级。
其中,一级螺纹钢是用镇静钢、半镇静钢或沸腾钢轧制的光圆钢筋,属于低强度钢筋,具有塑性好、伸长率高、便于弯折成型、容易焊接等特点。
二级螺纹钢是用低合金镇静钢或半镇静钢轧制,以硅、锰作为固溶强化元素,强度较高、塑性较好,焊接性能比较理想。
三级和四级螺纹钢的强度等级更高,适用于承受更大荷载的结构。
三、螺纹钢的强度等级标准及表示方法螺纹钢的强度等级标准由各国或地区自行制定,例如我国的GB/T1499.2-2018《钢筋第2 部分:热轧带肋钢筋》标准中规定了螺纹钢的强度等级、规格及允许偏差等技术要求。
表示方法通常在螺纹钢的型号后加上强度等级数字,例如HRB335、HRB400、HRB500 等。
四、螺纹钢的强度等级与应用不同强度等级的螺纹钢具有不同的屈服强度和抗拉强度,其应用范围也有所不同。
例如,一级螺纹钢适用于中、小型钢筋混凝土结构的主要受力钢筋;二级螺纹钢适用于承受较高荷载的结构,如水利工程、桥梁等;三级和四级螺纹钢则适用于更高强度要求的结构。
在选择螺纹钢时,需根据工程结构荷载、设计要求以及施工条件等因素综合考虑。
五、总结总之,螺纹钢的强度等级是衡量其力学性能的重要指标,不同强度等级的螺纹钢适用于不同类型的工程结构。
各等级钢筋屈服强度抗拉强度该文档是本店铺精心编制而成的,希望大家下载后,能够帮助大家解决实际问题。
会计专业合作社实习报告内容与收获该各等级钢筋屈服强度抗拉强度该文档下载后可定制修改,请根据实际需要进行调整和使用,谢谢!本店铺为大家提供各种类型的实用资料,如教育随笔、日记赏析、句子摘抄、古诗大全、经典美文、话题作文、工作总结、词语解析、文案摘录、其他资料等等,想了解不同资料格式和写法,敬请关注。
文档下载说明Download tips: This document is carefully compiled by this editor. I hope that after you download it, it can help you solve practical problems. The document 各等级钢筋屈服强度抗拉强度can be customized and modified after downloading, please adjust and use it according to actual needs, thank you! In addition, this shop provides you with various types of practical materials, such as educational essays, diary appreciation, sentence excerpts, ancient poems, classic articles, topic composition, work summary, word parsing, copy excerpts, other materials and so on, want to knowdifferent data formats and writing methods, please pay attention!摘要:随着建筑行业的发展,钢筋已成为混凝土结构中不可或缺的重要材料之一。
混凝土钢筋强度等级规格一、前言混凝土钢筋强度等级规格是建筑工程中必不可少的一项技术规范,它是指混凝土中所使用的钢筋的强度等级。
混凝土钢筋强度等级规格的制定旨在保证建筑工程的稳定性和安全性,确保建筑物的质量和使用寿命。
二、相关法规和标准混凝土钢筋强度等级规格的制定需要遵守国家有关法规和标准,其中最为重要的是《建筑结构荷载标准》和《混凝土结构工程施工质量验收规范》。
此外,还需要遵循国内外相关标准,如中国标准、美国标准、欧洲标准等。
三、混凝土钢筋强度等级1. 钢筋的强度等级钢筋的强度等级是指钢筋的抗拉强度,也就是在规定的试验条件下,钢筋拉断前所能承受的最大拉力。
国内常用的钢筋强度等级有三种,分别是HRB335、HRB400和HRB500,其中HRB代表热轧带肋钢筋,数字代表抗拉强度的单位为兆帕(MPa)。
HRB335的抗拉强度为335MPa,HRB400为400MPa,HRB500为500MPa。
2. 混凝土强度等级混凝土强度等级是指混凝土的抗压强度,也就是在规定的试验条件下,混凝土能承受的最大压力。
国内常用的混凝土强度等级有15、20、25、30、35、40、45、50、55、60和70,其中数字代表混凝土的抗压强度,单位为兆帕(MPa)。
四、混凝土钢筋强度等级规格的确定混凝土钢筋强度等级规格的确定需要考虑多个因素,如建筑物的使用性质、荷载情况、结构形式、地震烈度等。
一般情况下,建筑物的使用性质越高、荷载情况越严重,所使用的钢筋强度等级也越高。
同时,采用的混凝土强度等级也应根据实际情况进行选择,以保证建筑物的稳定性和安全性。
五、混凝土钢筋强度等级规格的应用1. 设计阶段在建筑物的设计过程中,需要根据建筑物的使用性质和荷载情况,确定所需的混凝土钢筋强度等级规格,并在设计图纸中进行标注。
2. 施工阶段在建筑物的施工过程中,需要严格按照设计图纸中标注的混凝土钢筋强度等级规格进行选材和施工。
同时,需要对所使用的材料和施工质量进行检查和验收,以保证混凝土钢筋强度等级规格的质量和稳定性。
钢筋强度划分
按强度等级来分类,一级钢HPB235,二级钢HRB335,三级钢HRB400,新三级钢.
钢筋种类很多,通常按化学成分、生产工艺、轧制外形、供应形式、直径大小,以及在结构中的用途进行分类:(1)按轧制外形分①光面钢筋:I级钢筋(Q235钢钢筋)均轧制为光面圆形截面,供应形式有盘圆,直径不大于10mm,长度为6m~12m。
②带肋钢筋:有螺旋形、人字形和月牙形三种,一般Ⅱ、Ⅲ级钢筋轧制成人字形,Ⅳ级钢筋轧制成螺旋形及月牙形。
③钢线(分低碳钢丝和碳素钢丝两种)及钢绞线。
④冷轧扭钢筋:经冷轧并冷扭成型。
(2)按直径大小分钢丝(直径3~5mm)、细钢筋(直径6~10mm)、粗钢筋(直径大于22mm)。
(3)按力学性能分Ⅰ级钢筋(235/370级);Ⅱ级钢筋(335/510级);Ⅲ级钢筋(370/570)和Ⅳ级钢筋(540/835)(4)按生产工艺分热轧、冷轧、冷拉的钢筋,还有以Ⅳ级钢筋经热处理而成的热处理钢筋,强度比前者更高。
(5)按在结构中的作用分:受压钢筋、受拉钢筋、架立钢筋、分布钢筋、箍筋等。
钢筋现如今被广泛应用于任何建筑上,为人类的进步取得了更好的证据,也是现如今对钢筋的质量的考察构件按最小配筋率配筋时,按(等面积)原则代换钢筋。
钢筋的种类和代号:Ⅰ级(即Q235光圆钢筋)、Ⅱ级(为16锰人字纹钢筋)、Ⅲ级(为25锰硅人字纹钢筋)、Ⅳ级(圆或螺纹钢筋)、Ⅴ级(螺纹钢筋)。
冷拉Ⅰ级钢筋、冷拉Ⅱ级钢筋、冷拉Ⅲ级钢筋、冷拉Ⅳ级钢筋、冷拔低碳钢丝。
钢筋带E是指符合强屈比、测屈比、延伸率的抗震专用钢筋,但是在新规出来之前也有生产的钢筋能符合上述的三项规定,但是钢筋表面没有E,应该也能用于三级抗震的。
钢筋在最大拉力下的总伸长率实测值不应小于9%有这项要求的规范规定混凝土构件属一、二、三级抗震的,所用钢筋都必须是带E的,即热轧带肋钢筋HRB335E、HRB400E、HRB500E。
带E 的热轧带肋钢筋除了测屈比、强屈比满足抗震规范外,也保证最大拉力下的总伸长率实测值不应小于9%这条。
你要知究竟请看GB50011-2010抗震设计规范或GB50204-2002混凝土施工质量验收规范修改条文。
牌号带E的钢筋
这是新规范规定的抗震钢筋,新规范从2002年8月1日起执行。
具体条文如下,希望对你有帮助。
5.2.2对有抗震设防要求的结构,其纵向受力钢筋的性能应满足设计要求;当设计无具体要求时,对按一、二、三级抗震等级设计的框架和斜撑构件(含梯段)中的纵向受力钢筋应采用HRB335E、HRB400E、HRB500E、HRBF335E、HRBF400E或HRBF500E钢筋,其强度和最大力下总伸长率的实测值应符合下列规定:
1 钢筋的抗拉强度实测值与屈服强度实测值的比值不应小于1.25;
2 钢筋的屈服强度实测值与屈服强度标准值的比值不应大于1.30;
3 钢筋的最大力下总伸长率不应小于9%。
检查数量:按进场的批次和产品的抽样检验方案确定。
检查方法:检查进场复验报告。
【条文说明】根据新颁布的国家标准《混凝土结构设计规范》GB 50010、《建筑抗震设计规范》GB 50011的规定,本条提出了针对部分框架、斜撑构件(含梯段)中纵向受力钢筋强度、伸长率的规定,其目的是保证重要结构构件的抗震性能。
本条第1款中抗拉强度实测值与屈服强度实测值的比值工程中习惯称为“强屈比”,第2款中屈服强度实测值与屈服强度标准值的比值工程中习惯称为“超强比”或“超屈比”,第3款中最大力下总伸长率习惯称为“均匀伸长率”。
本条中的框架包括各类混凝土结构中的框架梁、框架柱、框支梁、框支柱及板柱—抗震墙的柱等,其抗震等级应根据国家现行相关标准由设计确定;斜撑构件包括伸臂桁架的斜撑、楼梯的梯段等,相关标准中未对斜撑构件规定抗震等级,所有斜撑构件均应满足本条规定。
牌号带“E”的钢筋是专门为满足本条性能要求生产的钢筋,其表面轧有专用标志。
本条为强制性条文,应严格执行。
当楼房设计有抗震要求时,所使用的全部【热轧带肋钢筋】都要带E吗?或不带E的钢筋都要符合带E的标准要求吗?
回答:钢筋混凝土结构中,只有参与抗震受力的构件需要带E的钢筋。
具体来说,就是框架柱、剪力墙、框架梁、连梁、楼梯等这些构件需要带E的钢筋。
而楼板、次梁、连系梁、非结构构件和围护结构(如构造柱、过梁、女儿墙、雨棚)等都不需要带E。
许多基础都不要求抗震的,因此这类基础也不需要带E。